JA系列电子天平使用说明书
- 格式:doc
- 大小:245.00 KB
- 文档页数:6
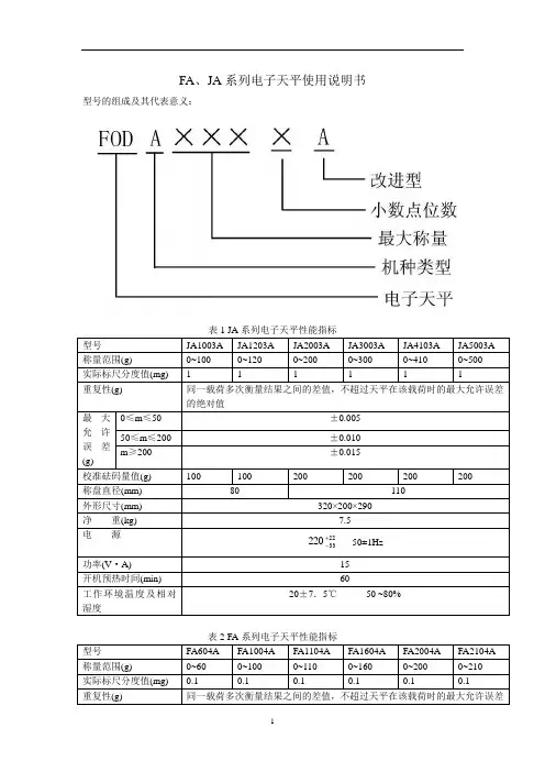
FA、JA系列电子天平使用说明书型号的组成及其代表意义:表1 JA系列电子天平性能指标型号JA1003A JA1203A JA2003A JA3003A JA4103A JA5003A 称量范围(g) 0~100 0~120 0~200 0~300 0~410 0~500实际标尺分度值(mg) 1 1 1 1 1 1重复性(g) 同一载荷多次衡量结果之间的差值,不超过天平在该载荷时的最大允许误差的绝对值最大允许误差(g)0≤m≤50 ±0.00550≤m≤200 ±0.010m≥200 ±0.015校准砝码量值(g) 100 100 200 200 200 200称盘直径(mm) 80 110外形尺寸(mm) 320×200×290净重(kg) 7.5电源2233220+-50±1Hz功率(V·A) 15开机预热时间(min) 60工作环境温度及相对湿度20±7.5℃50 ~80%表2 FA系列电子天平性能指标型号FA604A FA1004A FA1104A FA1604A FA2004A FA2104A 称量范围(g) 0~60 0~100 0~110 0~160 0~200 0~210实际标尺分度值(mg) 0.1 0.1 0.1 0.1 0.1 0.1重复性(g) 同一载荷多次衡量结果之间的差值,不超过天平在该载荷时的最大允许误差一、准备:1.将天平放在稳定的工作台上,避免振动、气流、阳光直射和剧烈的温度波动。
2.安装称盘,调整水平调节脚,使水泡位于水准器中心。
3.接通电源前请确认当地交流电压是否与天平所需电压一致。
4.为获得准确的称量结果,在进行称量前必须使天平接通电源预热,至少60分以达到工作温度(FA系列180分钟)。
二、开机/关机:1.开机:使称盘空载并按<ON>键,天平依次进行显示自检(显示屏所有字段短时点亮)、型号显示。
常州市幸运电子设备有限公司地址:江苏省常州市牛塘镇高家路33号,中节能(常州)环保科技园17号楼邮编:213014电话:+86-(0)519-88856044 88800736传真:+86-(0)519-88800792 产品使用手册JA系列(液晶显示)电子天平使用说明书常州市幸运电子设备有限公司一、概述本使用说明书用于JA系列多功能电子天平。
JA系列多功能电子天平是常州市幸运电子设备有限公司最新开发研制的新一代产品。
采用高精度电磁力平衡传感器。
使得测量结果精确性更高,响应速度更快,故障更少。
JA系列多功能电子天平具有:✧称量快。
称量速度比一般天平快几倍,而且可以调速;✧操作简单易学,质量单位转换,JA系列多功能电子天平的软件系统为用户提供了可任意选择单位的功能,用户可任意选择软件提供的多种国际上常用的质量单位(见质量单位转换);✧可在全量程范围内去皮,清零,累计,超载,欠载显示,故障报警;✧具有技术功能等多种功能可供选择;✧内装有RS-232接口,可与打印机、计算机等外部设备相连;型号JA203JA303 JA403 JA503JA603最大称量200g 300g 400g 500g 600g最小读数0.001g重复性误差±0.002g非线性误差±0.003g稳定时间≤3秒工作温度17.5℃~22.5℃称盘尺寸Ф80mm外形尺寸340*215*350(长×宽×高)mm电源电源线二、安装1、拆箱请小心的打开包装箱,将天平及箱内物品轻轻取出,将包装材料保存好,以备再用。
01十四、装箱序号内容数量1 天平主机 12 秤盘 13 保险丝0.25A 14 电源适配器 15 使用说明书 16 保修卡 17 擦拭布1 附录1天平连接电脑的步骤如下:1.点击“开始”2、输入名称;选择图标,然后点击确定3、忽略前面几栏,只要选择“连接时使用(N):com 1”点击确定选择:⑴波特率:1200(或2400参照使用说明书)⑵数据位:8⑶奇偶校验:无⑷停止位:1⑸数据流控制:硬件然后点击确定即可,屏幕上就会出现天平的当前称量值。
FA/JA系列电子天平使用操作指导书
一、目的:规范电子天平使用,保证检验结果的准确性。
二、适用范围:适用于我司的电子天平日常使用及维护。
三、职责:微生物检验员负责该作业指导书的执行。
微生物组组长负责监督指导。
四、操作方法:
1.插入电源,使称量盘空载并按<ON>键,(为获得准确的称量结果,在进行称量前必须使天平按通电源预热,至少60分钟以达到工作温度(FA系列180分钟)当天平显示回零时,天平就可以秒量了。
2.称量完毕后,确保称盘空载后按压<OFF>键。
五、注意事项:
1.当遇到各种功能键设置有误无法恢复时,重新开机即可恢复出厂设置。
2.天平如长时间不用,请拔去电源插头。
3.称量时被测物必须经拿经放,并确保不使天平超载,以免损坏天平的传感器。
4.为获得准确的称量结果,必须对天平进行校准以适应当地的重力加速度。
校准应在天平经过预热并达到工作温度后进行,遇到以下情况必须对天平进行校准。
①首次使用天平称量之前。
②天平改变安放位置后。
③称量工作中定期进行。
具体校准方法如下:
准备好校准用的标准砝码,确保称盘空载,按<TAB>键,使天平显示回零,按<CAL>键,显示闪烁的CAL-200,提醒使用相对应的标准砝码,将标准砝码放到称盘中心位置,天平显示CAL……,等待十几分钟后,显示标准砝码的重量。
此时移支去砝码。
天平显示回零,表示校准结束,可以进行称量了。
如天平不回零,可再重复进行一次校准工作。
六、维护及故障排除:。
JA系列电子精密天平使用说明JA2002 JA5002 JA6102 JA8002 JA10002 JA12002 JA21002 JA31002 JA31001 JA41001 JA51001 JA61001使用方法准备1、将天平置于稳定的工作台上,避免振动、阳光照射和气流2、安装称盘,接通电源3、调整水平调节脚,使水泡位于水准器中心注意:工作环境温度为10o C-30o C,波动5o C/h相对湿度<75%工作电压220 +22/-33V 50HZ或110±11V60HZ(用转换开关根据当地电压进行选择,否则会引起电流变化烧坏保险丝)开机(以JA21002型电子天平为例,其他型号类同)按<ON>键,显示器全亮显示天平型号显示称量模式校准按<T>键:使天平回到零状态按<CAL>键:显示出现闪烁的"-1000-"将1kg标准砝码放上称盘,显示出现"--"(等待状态)当显示结果为“1000.00g”时,移去标准砝码如天平回零,则校准结束可进行实物测量,否则重复以上操作注意:本产品包装内不包括校准砝码(二等),如果您单位没有同等砝码,请与销售商联系称重天平经校准后,即可进行称重了。
在称重时,必须等显示器左下角的"0"标志熄灭后才可读数。
在长时间的称量过程中,应经常进行校准,这样可始终保持测量的准确性。
特别要注意的是,称量时被测物件必须轻拿轻放,以免造成天平不必要的损坏关机按<OFF>键注意:天平如果长时间不用,请拔去电源,在拔去电源时,天平的称盘上必须保持空载其他功能键的使用<INT>:积分时间调整键共有四种模式,其中INT-0是生产调试时使用的模式,用户不宜使用。
<INT>键一般与<ASD>键配合使用。
·<ASD>:灵敏度调整键和<INT>键一样,也有四种模式,其中ASD-0是生产调度时使用的模式,用户不宜使用。
FAJA系列电子天平标准操作规程FA/JA系列电子天平标准操作规程1 目的为了规范电子天平的操作流程,减少因操作失误造成的实验损失,并减少仪器故障和降低维修成本。
2 准备1)将天平小心取出并轻放到稳定的工作台上,参照《电子天平快速安装使用说明》顺序进行快速安装,秤盘单元平稳放到传感器盘托头上,仔细调整天平后下侧左右水平调节脚,使操作面板右侧的水泡位于水准器中心。
2)天平工作环境必须避免震动、气流、强电磁、阳光直射和温度大幅波动等干扰。
为防止天平传感器因异物进入和虫害侵蚀而影响正常工作,应随时注意做好清洁和防范工作。
3)接通电源前必须确认当地交流电压是否与天平专用适配器所需电压一致。
交流电压:220+22-33V4)为获得准确的称量结果,必须使天平接通电源后进行预热使其内部达到热平衡,然后再进行称量。
3 流程1)开机天平秤盘应保持空载,然后按<开/关>键,天平进入自检程序,显示屏所有字段短时点亮,随即显示版本号、天平型号后熄灭数秒钟,然后再显示零位,天平进入称量状态。
(遇到因相关功能键或设置键操作有误无法恢复时,重新开机即可恢复出厂设置)2)校准校准应在天平经过预热达到热平衡后进行,遇到以下情况必须对天平进行校准:a)首次使用天平称量之前b)称量工作中定期进行c)天平改变安放位置后校准方法与步骤1.准备好校准用的标准砝码并确保秤盘空载;2.按<去皮>键,天平显示零状态;3.按<校准>键,天平显示闪烁的CAL-XXX(XXX一般为100、200或其他数字,提醒使用100g、200g或其他相对应量值的标准砝码);4.将标准砝码放到秤盘的中心位置,天平显示CAL-XXX,等待几秒钟后,显示校准砝码的量值,此时移去砝码,天平显示零状态,则表示校准结束,可以进行称量。
如天平不显示零状态,应重复进行一次校准工作。
3)清零:当天平空载时,如显示不在零状态,可按<去皮>键,使天平显示零状态。
此时才可进行正常称量。
操作程序
JA12002精密电子天平
1.校准天平:将天平调整水平,通电预热半小时后进行。
按下Tare 键清零,按下“CAL”键,天平显示(eg.3000)。
连续按下Tare键,天平显示外部校正点,在天平上放上对应的外部标准砝码,按下CAL键,天平校正开始,显示CAL---。
校正结束天平显示该外部校正标准砝码值。
若校正不准确,则按上述过程重复校准几次。
2.称量:开机预热或稳定后,将容器放在称盘上。
按“TARE”键去皮,显示“0.00g”,然后置物于容器中,即显示该物体的重量。
3. 天平技术操作:进入设置单个计数物件的平均状态,在秤盘上放上计数时需用的容器,按“TARE”去皮键显示“0.00g”,然后按“Count/Enter”键后,显示“qTy10” 按下“Count/Enter”键后选择计件系数,将同等件数样品放在容器内,(选择系数为10此时在秤盘上放10个要计数的物体)然后按“Unit”键,天平显示试样件数,此时天平进入计件状态,显示单位变为“PCS”。
4.2.7 天平单位转换操作:按“UNIT”单位转换键,每按一次可依次显示“C t”-克拉、“O z”-盎司、“g”-克、“dwt”-英钱、“PCS”表示件数。
电子天平操作规程(JA2003)一、范围本标准规定了电子天平环境要求与使用前准备、天平的校准与使用、使用维护。
本标准适用于各种双轴向织物、多轴向织物、方格布、针织缝编复合毡、单向布、玻纤原纱等质量的测定。
二、规范性引用文件凡是注日期的引用文件,其随后所有的修改单(不包括勘误内容)或修订版均不适用本标准,然而鼓励根据本标准达成协议的各方研究是否可使用这些文件的最新版本。
凡是不注明日期的引用文件,其最新版本适用于本标准。
JA2003电子天平使用说明书三、环境要求与使用前准备1、天平的使用环境环境温度不应变化大,无腐蚀性气体。
工作台面应牢固可靠。
四周无强气流、保持空气干燥、四周无强磁场。
2、天平的预热天平通电后应进行预热,时间不低于30分钟,分析天平预热时间不低于60分钟。
四、天平的使用和操作1、开机按“ON/OFF”键,显示屏显示全亮,然后显示CE0~CE8进入天平的自动检测工作,一切正常则显示该天平的型号“2003”并闪烁3次,当天平稳定后显示“0”位。
2、校准2.1 清除天平上的物品,按“TARE”键,使天平显示为“0”2.2 按“CAL”键,天平显示为“C”2.3 加载校准砝码,将200g的校准砝码方在秤盘上2.4 经过几秒钟后,天平显示校准砝码数值,并发出“嘟”一声,校准完毕,天平自动回到称重状态。
取下砝码即可进行正常工作。
3、称重3.1 将待测物品放在秤盘上,当稳定标识“g”出现时,表示读数已稳定,此时天平的显示值即为该物品的质量3.2 如需在秤盘上称第二种物品,可按去皮“TARE”键,使天平显示为“0”3.3 放上第二种物品,显示值即为该物品的质量3.4 这时,再按去皮“TARE”键,使天平显示为“0”3.5 将秤盘上的物品全部拿掉,天平显示两物品的总质量。
五、校准周期1、生产现场的电子天平每班进行一次校验,发现不准后按此校准规范进行校准操作,并对校准结果进行记录,记录表按计量检测体系要求进行。
JA1003分析天平操作规程1.目的为规范和指导JA1003分析天平操作和使用,特制定本作业指导书。
2.适用范围适用于JA1003分析天平进行仪器测试及仪器的维护。
3. 性能参数称量范围(g):200可读性(mg):0.1mg重复性(≤mg):±0.1线性(≤mg):±0.2秤盘尺寸(mm):Ф904.操作程序(1)水平调节。
观察水平仪,如水平仪水泡偏移,需调整水平调节脚,使水泡位于水平仪中心。
(2)预热。
接通电源,预热至规定时间后,开启显示器进行操作。
(3)开启显示器。
轻按ON键,显示器全亮,约2 s后,显示天平的型号,然后是称量模式0.0000 g。
读数时应关上天平门。
(4)天平基本模式的选定。
天平通常为“通常情况”模式,并具有断电记忆功能。
使用时若改为其它模式,使用后一经按OFF键,天平即恢复通常情况模式。
称量单位的设置等可按说明书进行操作。
(5)校准。
天平安装后,第一次使用前,应对天平进行校准。
因存放时间较长、位置移动、环境变化或未获得精确测量,天平在使用前一般都应进行校准操作。
本天平采用外校准(有的电子天平具有内校准功能),由TAR键清零及CAL 减、100 g校准砝码完成。
(6)称量。
按TAR键,显示为零后,置称量物于称盘上,待数字稳定即显示器左下角的“0”标志消失后,即可读出称量物的质量值。
(7)去皮称量。
按TAR键清零,置容器于称盘上,天平显示容器质量,再按TAR键,显示零,即去除皮重。
再置称量物于容器中,或将称量物(粉末状物或液体)逐步加入容器中直至达到所需质量,待显示器左下角“0”消失,这时显示的是称量物的净质量。
将称盘上的所有物品拿开后,天平显示负值,按TAR 键,天平显示0.0000 g。
若称量过程中称盘上的总质量超过最大载荷(FA1604型电子天平为160 g)时,天平仅显示上部线段,此时应立即减小载荷。
(8)称量结束后,若较短时间内还使用天平(或其他人还使用天平)一般不用按OFF键关闭显示器。
JA系列电子天平使用说明书表1 JA系列电子天平性能指标(g) 2000 ±1.5校准砝码量值(g) 1000 2000 称盘直径(mm) Φ160mm外形尺寸(mm) 320×200×90净重(kg) 4.5电源220+22-33V 50±1Hz功率(V·A)15开机预热时间(min) 60型号组成及其代表意义:一、准备1.将天平放在稳定的工作台上,避免振动、阳光直射和气流。
2.安装称盘,接通电源。
3.调整水平调节脚,使水泡位于水准器中心。
注意:工作环境温度为10℃~30℃,波动不大于5℃/h。
相对湿度不大于75%。
工作电压220+22-33V,50Hz。
二、开机以JA21002型电子天平为例,其他型号类同。
按<ON>键,显示器全亮显示天平型号显示称量模式三、校准按<TAR>键:使天平回到零状态按<CAL>键:显示闪烁的“CAL1000”将1000g标准砝码放上称盘,显示“CAL……”等待状态当显示结果如右图时,移去标准砝码当显示结果如右图时,则表示校准结束可以进行称量,否则重复以上校正阶段的操作四、称量天平经校准后,即可进行称量。
在称量时,必须等显示器左下角的“○”标志熄灭后才可读数。
在长时间的称量过程中,应经常进行校准,这样可始终保持称量的准确性。
特别要注意的是,称量时被测物件必须轻拿轻放,以免造成天平不必要的损坏。
五、关机按<OFF>键注意:天平如果长时间不用,请拔去电源插头,在拔去电源时,天平的称盘上必须保持空载。
六、其它功能键的使用1.清零/去皮键:<TAR>清零功能:当天平空载时,如显示不在零状态,按键可使天平显示回复到零状态,此时方可进行正常称量。
去皮功能:当称量液体、粉末等需要和容器一起称量的物品时,可先将容器放在天平称盘上,再按键,使天平显示回到零状态,再将容器和待称的液体、粉末等一起放在天平称盘上,此时天平显示的键结果即为液体、粉末的质量。
JA5003N电子天平使用及维护SOP1.目的建立JA5003N电子天平使用及维护标准操作规程,确保本电子天平使用的规范化和标准化。
2.范围本规程适用于JA5003N电子天平使用及维护。
3.定义无4.职责4.1.QC负责本规程的起草、修订、培训及执行。
4.2.QA、QC组长、质量管理部经理负责本规程的审核。
4.3.质量总监负责批准本规程。
4.4.QA负责本规程执行的监督。
5.引用标准《仪器说明书》6.材料无7.流程图无8.程序8.1.主要技术参数:注:本天平电源插上即已通电,面板开关只对显示起作用。
如天平长期(5天以上)不用应拔去电源插头。
每天连续使用不用关断电源,关闭显示即可。
由于常通电可不预热,随时可用。
天平对工作环境的要求:将天平置于稳定的工作台上,避免震动、阳光照射和气流。
8.2.使用方法:8.2.1.水平调节在使用前观察水平仪,如水泡偏移,需调节水平调节脚,使水泡位于水平仪中心。
注意:天平在每次移动或重新放置后,必须调节水平校准。
8.2.2.开机选择合适电源电压,将天平接通电源,开始通电工作(显示器未工作),需要预热180min 以后,方可开启显示器进行操作使用。
8.2.3.键盘的操作功能: <开显示>开启显示器键,只要轻按一下<开显示>键,显示器全亮,对显示器的功能进行检查,约两秒后,显示天平的型号,再是称量模式。
<关显示>关闭显示器键,轻按<关显示>键,显示器熄灭即可,若要较长时间不再使用天平,应拔去电源线。
<去皮>清零、去皮键,置容器于秤盘上,显示出容器的质量[+18.901g],然后轻按<去皮>键,显示消隐,随即出现全零状态,容器的质量值已去除,即去皮重[0.000g],当拿去容器,就出现容器质量的负值[-18.901g],再轻按<去皮>键,显示器为全零,即天平清零[0.000g]。
8.2.4.天平校准:因存放时间较长,位置移动,环境变化或为获得精确测量,天平在使用前一般都应进行校准。
JA1003电子天平使用的操作SOP1.目的:建立JA1003电子天平使用的操作SOP,规范仪器的使用。
2.范围:适用于上海舜宇恒平科学仪器有限公司生产的JA1003电子精密天平的称重、校准、操作。
3.职责:针剂车间分装岗位员工对本规定实施负责。
4.称重程序4.1天平的安装确认检查并调节天平后部的两只水平调整脚,将水平泡中的气泡调节至水平中央。
4.2开机自检将电源适配器(输入电压100-240VAC,输出电压24VDC)与天平连接好,选择合适电源电压,插上电源,按下“开机/关机”键就可以打开天平。
天平在开机过程中会自动执行30秒左右的自检测试,显示所有可能用到的显示段,然后自动置零,此时天平即可使用。
为了能获得较精确的测量结果,要求天平开机预热3小时后使用。
4.3基本称重按一下“去皮/置零”键,将天平清零,等待天平显示0.0000g,在成盘上放置被测物。
待称重稳定后,即可读取重量读数。
4.4使用容器称重如使用容器装着被测物(如细小物品或液体)进行称重(不包括容器的重量),方法如下:4.4.1先将空的容器放在秤盘上;4.4.2按“去皮/置零”键清零,等待天平显示0.0000g;4.4.3将被测物放入容器中,待称重稳定后,即可读取重量读数。
5.校准天平操作步骤:5.1准备好所有校准砝码(100g)。
5.2成盘上无任何加载物体,按“去皮/零置”键,清零。
5.3等待天平稳定后(即显示0.0000g),按一下“校准”键天平显示5.4.轻轻放上校准砝码至秤盘中心。
5.5关上玻璃门约30秒后,显示校准砝码值,听到“嘟”一声。
5.6取出校准砝码,天平校准完毕。
6.天平的维修保养6.1天平工作的环境温度应为20℃±7.5℃,其温度波动不大于5℃/h,相对温度为50%——80%。
6.2本天平电源插上即已通电,面板开关只对显示起作用,如长期不用应拔去电源(长期不用指5天以上)。
6.3水平、坚固、稳定、无振动的台面。
JA系列电子天平使用说明书
上海精天电子仪器有限公司
JA系列电子天平是本公司开发研制、采用电磁力平衡原理的精密电子天平,具有精确度高、环境适应性强的特点。
作为一个系列产品,可广泛应用于染织、石油、化工、医药、公路建设以及大专院校、国防部门和科研等领域,该系列天平内置RS232C标准输出口,可连接打印机、计算机等设备作现场质量控制用。
型号组成及其代表意义:
使用方法
◎准备
1、将天平放在稳定的工作台上,避免振动、阳光直射和气流。
2、安装称盘,接通电源。
3、调整水平调节脚,使水泡位于水准器中心。
注意:工作环境温度为10℃~30℃,波动不大于5℃/h
相对湿度不大于75%
工作电压220+22-33V 50Hz
◎开机
(以JA21002型电子天平为例,其他型号类同)
按<NO>键,显示器全亮
显示天平型号
显示称量模式
◎校准
按<TAR>键:使天平回到零状态
按<CAL>键:显示闪烁的“CAL1000”
将1000g标准砝码放上称盘,显示“CAL……”等待状态
当显示结果如右图时,移去标准砝码
当显示结果如右图时,则表示校准结束可以进行称量,否
则重复以上校正阶段的操作
◎称量
天平经校准后,即可进行称量,在称量时,必须等显示器左下角的“○”标志熄灭后才可读数。
在长时间的称量过程中,应经常进行校准,这样可始终保持称量的准确性。
特别要注意的是,称量时被测物件必须轻拿轻放,以免造成天平不必要的损坏。
◎关机
按<OFF>键
注意:天平如果长时间不用,请拔去电源插头,在拔去电源时,天平的称盘上必须保持空载。
其它功能键的使用
◎<TAR>:清零/去皮键
清零功能:当天平空载时,如显示不在零状态,按<TAR>键可使天平显示回复到零状态,此时方可进行正常称量。
去皮功能:当称量液体、粉末等需要和容器一起称量的物品时,可先将容器放在天平称盘上,再按<TAR>键,使天平显示回到零状态,再将容器和待称的液体、粉末等一起放在天平称盘上,此时天平显示的键结果即为液体、粉末的质量。
注意:使用去皮功能时,容器和液体、粉末等的总质量应不大于天平的最大称量。
◎<INT>:积分时间调整键
共有四种模式,其中INT-0是生产调试时使用的模式,用户不宜使用。
<INT>键一般应与<ASD>键配合使用。
<ASD>:灵敏度调整键
和INT键一样,也有四种模式,其中ASD-0是生产调试时使用的模式,用户不宜使用。
INT和ASD配合使用情况表:
最快称量速度 INT—1 ASD—3
通常情况INT—3 ASD—2
环境不理想时 INT—3 ASD—3
<INT>键与<ASD>键的模式选用方法一样,只要按住键不放,就会循环出现四种模式,松手即可选定所需模式。
◎<COU>:点数功能
功能:可用于对体积小、质量较轻的物件进行点数。
原理:从一批待测的物体中取出一定个数,然后求出它们的平均质量作为单个物件的标准质量,从而对该批物件进行计数。
本天平工有四档(5、10、25、50)平均设置,设置数越大点数越准。
操作步骤:(以5个的平均数设置为例)
按<TAR>键,去皮重,使天平显示零状态
按下<COU>键,当显示“COU-1”时松开
显示闪烁的“COU-05-”,则从被测物件中取出5个轻放到称盘上,然后按<CAL>
校准键
显示等待“COU……”
显示称盘上有5个被测物件
移去5个物件,如果回零,就可进行批量点数
注意:待测的批量物件中,单个物件之间的质量偏差越小点数越准
注意:使用完点数功能后,必须按<COU>键,选取“COU-0”模式后,天平即可回到零状态(显示“0.00g”)否则天平不能进行正常称量。
◎<PRT>:数据接口输出模式社顶功能
操作步骤:按住<PRT>键会循环出现五种模式
PRT—0 即时打印(按一下,即输出一行)PRT—1 定时半分钟输出一行
PRT—2 定时一分钟输出一行PRT—3 定时两分钟输出一行
PRT—4 连续输出
注意:前四种模式只适用于微机或具有连续打印功能的串行打印机
◎下称
功能:可进行挂件称量
操作步骤:将天平底部的盖板打开露出挂钩,再将下称(可选配附件)挂在挂钩上,以称量挂件了。
◎故障与排除
序故障原因排除
1 显示器全不亮·天平未正常接通电源
·天平显示器开关未开启
·瞬时干扰
·微型熔断丝损坏检查未接通原因并重新接通
按<ON>键
重新开机一次或重新插入电源线调换相同规格的熔断丝,如再次烧坏,就必须送检修单位修理
2 仅显示上部线段·超过最大载荷
·内部记忆校准数可能被破坏
·称盘未安装好立即减少载荷
按上述“校准天平”操作顺序重新校准。
此时标准砝码放上去后,需经一段桅顶时间,约8秒后即显示校准结果
取出称盘重新安装
3 仅显示下部线段·未放上称盘重新安装称盘
数据接口
◎与微机串口连线如下:
微机(9芯)—天平(9芯)
2(SI)—3(SO)
5(GND)— 5(GND)
(1)天平串口波特率
(2)一帧数据格式为10位,其中一个起始位(0),8位数据位(ASCII码,低位在前),一个停止位(1)(3)无奇偶校验
(4)数据为连续输出,不需专用读数命令
一行数据输出,具体顺序如下:
16 15 14 13 12 11 10 9 8 7 6 5 4 3 2 1
型号ㄩ*/ㄩ+/-
数
据
数
据
数
据
数
据
数
据
数
据
小
数
数
据
单
位
单
位
CR LF
点 1 2
注意:上例是读数精度为100mg电子天平的一行数据输出顺序,读数精度为10mg的电子天平,在其一行数据的输出顺序中,小数点位置应在第7位。