《来料检验流程》word版
- 格式:doc
- 大小:34.00 KB
- 文档页数:2
IQC品质来料检验流程
IQC品质来料检验流程
一:检验流程
1.对材料依据工程标注的有编号的尺寸进行测量并记录报表.
2.依照进货(检验)单到原料待检区进行材料取样.
3. .确认供应商出货报告内容填写完整无误.
4.依据留底样品同此批进料实物进行对比.
5.依据零件图同此批进料实物进行对比.
6.依据零件图对材料材质进行确认.
7.对材料进行性能的确认以及进行测试.
8.依照进货(检验)单找出零件图和材质书.
9.对材料进行外观检验并记录报表.
10.对材料进行组装匹配的确认.
11.对材料的包装是否合理进行确认. 四:检验时的注意事项
1.材料的取样方式
1-1.根据不同批号/生产日期进行取样.
1-2.5箱以下(包含5箱),全数开箱检验,每一箱抽两件,5箱以上则随机抽检五箱. 1-3.有零件号之分的按外箱标示的零件号分别抽检. 2.检验报告填写要求
2-1.报告上的尺寸规格值全部以最大值及最小值进行记录. 2-2.先将全部的规格值记录下来后再进行尺寸的测量记录.
2-3.报表上的外观检验及性能测试项目必须同进料经验标准上的项目一致.
二:检验时必须准备的资料
1材料品质书
2检测用工具
3工程规格图面(零件图)。
1. 目的:明确来料检验作业流程及方法,确保上线物料满足品质要求。
2. 适用范围:适用于所有采购进厂之物料(包括电子、五金、塑胶、包材、辅助材料)的来料检验。
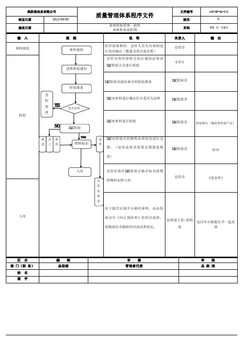
3. 权责:3.1. 仓管人员负责对物料点收、入库或退货作业;3.2. 品管部 IQC 人员负责执行来料检验,标示物料,并填写 IQC 检验报告;3.3. 采购部负责联络供应商交货、退补货;3.4. MRB (物料评审委员会)指工程、品管、采购、 PMC、生产、资材部门的相关负责人,对物料品执行客观评估;4. 作业流程:4.1.仓库收到供应商送交的物料后,点清数量,摆放于待检区,将《送货单》送 IQC ,进行来料检验;4 .2 .IQC 检验员收到仓库的送货单后,找出相关检验规范、 BOM 、样板或图纸进行外观、功能、实装配等检验;4.3.检验合格后,于产品外包装上贴上合格标签,摆放于已检区,并填写《 IQC 检验报告》;4.4.检验不合格,于《IQC 检验报告》上详细描述不良现象或实测值,送采购部处理;4.5.采购部根据物料的紧急状况,确定是否退货,对于不是急用的物料,采购部于物料评审相应栏内直接签署退货;对于急用物料,采购部会同PMC、工程、品管、生产、资材讨论评估,确定处理方式,报总经理确定最终处理意见;当确定为挑选时,需注明是厂内挑选还是供应商入厂挑选,挑选时,需品管人员在旁指导,挑选后的物料需经品管重新检验合格后才可入库;4 .6 .IQC 检验员根据物料评审的最终处理意见,对物料进行标示,摆放于相应的区域,并通知相关仓管人员入库或退货;4.7.退货后,经供应商重新补货回来的物料,需重新送 IQC 检验,检验合格后才可入库。
5. 参考文件:5.1. 相关物料的检验规范;5.2. BOM、订单1 . 0 目的规定实施部品入库检查的程序2 . 0 适用范围适用于在 IQC 进行部品入库的检查。
IQC3 . 0 程序3 . 1 IQC 检查流程3.1.1 检查的接收a . 接收来自生产计划部的《部品依赖检查表》 (附录 1) (以下称交货传票) 。
来料检验流程制定:审核:审批:来料检验流程一、目的对供应商提供的关键件的检验或验证进行控制,确保与采购控制要求一致。
选择合适的控制质量的方式,以确保入厂的关键件的质量特性持续满足标准、认证机构要求二、范围适用于对本公司产品生产所用关键件进行验证和和检验,以及关键件的质量特性。
三、职责3.1 品质部负责制定、建立实施关键件的检验规程;并监督品质部门严格按认证要求进行实施。
3.2采购部:负责将来料品质不良的信息传达给供应商,并跟踪其快速退换处理,以免物料因品质问题而误了交货期。
3.3工程部:负责提供物料技术规格书、图纸和检验所有样板。
四、定义:4.1 电器件安规测试不通过,不能判回用。
4.2 塑料件、五金件不合格率超过10%时不能判回用退货。
五、责任追究5.1来料时仓库不及时报检导致产线停产的扣责任人5分。
5.2来料检验不及时导致线产停产的扣责任人5分。
5.3来料漏检或误判的扣责任人3分。
5.4工程部没有及时给出检验图纸和样板导致产线停产的扣责任人5分。
5.5采购负责把不合格纠正措施转达给供应商,如不执行的扣责任人5分。
5.66、流程说明:6.1 供应商送货与仓库对接。
6.2 仓库暂存开具报检单。
6.3IQC按到报检单做验货准备(图纸、检测工具、样品等),IQC需参照来料检验规范、采购单、样品、工程资料等进行检验。
抽样方式及判定基准参照《抽样作业指导书》执行。
6.4 检验完成IQC出具相应的检验报告,检验合格标识入库,检验不合格退货。
6.5 急料回用管理办法:1.不合格物料应由计划、采购提出申请。
2、工程部和品质生产部确认,让步、挑选、有一方不同意,则退货处理。
注:1.被判定回用物料由供应商进行挑选或与供应商协商让产线进行加工及挑选,但费用由供应商支付。
2. 被判定回用物料结构问题由工程给出方案,外观由品质给出标准。
来料检验流程不合格 不急料 供应商来料 IQC 验货准备(图纸、检测工具、样品等) 仓库暂存并开具《报检单》 开具相应的 进料检验报告 退回供应商 急料品质部、工程挑选,让步合 格 标识入库 计划、采购。
来料检验流程
来料检验流程通常包括以下步骤:
1. 接收来料:将供应商送达的原材料或零部件接收到检验
部门。
2. 进行视觉检查:对来料进行外观检查,如有任何可见的
损坏、污染或其他问题,记录并通知供应商。
3. 进行尺寸测量:使用合适的测量工具,对来料进行尺寸
测量,以确保其与规格要求相符。
4. 进行功能测试:如果来料是有特定功能的零部件或设备,进行功能测试以验证其性能是否符合要求。
5. 进行化学分析:有需要的情况下,对来料进行化学成分分析,以确保其成分符合要求。
6. 制作检验报告:将检验结果记录在检验报告中,包括检验日期、检验员、检验方法、结果等信息。
7. 判断是否合格:根据检验结果和规定的标准,判断来料是否合格。
如果不合格,通知供应商并采取必要的措施,如发起退货、进行返工等。
8. 存档:将检验报告和相关记录存档,以备以后参考和追溯。
9. 处理不合格品:对于不合格的来料,根据公司的质量管理制度,进行相应的处理,如退货、报废、返工等。
10. 维护供应商评估:根据来料检验结果,对供应商的质量表现进行评估,并与供应商进行沟通和改进。
来料检验控制程序1、目的:通过对发动机项目来料进行检验、测试,确保来料品质能够满足规定的使用要求,防止未经检验或未经检验合格的来料投入生产使用过程中2、适用范围:适用于发动机项目生产用物料的接收。
3、职责:3.1、物料部:仓管员负责对物料的接收,通知来料检验员检验;并负责将不合格物料通知采购部。
3.2、品质部:检验员负责对生产用物料进行检验;品质部主管负责对不合格来料的检验报告的审批。
3.3、采购技术部:负责将来料品质不良的信息传达给供应商,并跟踪其快速退换处理,以免物料因品质问题而误了交货期。
4、程序内容:4.14.2原材料接收4.2.1材料仓库必须指定固定的区域为待检区,放置待检或已检待判的来料。
5. 工作程序5.1 来料报检流程5.1.1 供应商交货时,采购部依供应商提交的送货单核对是否与【采购计划】上的要求相符,无误后则开出【送检单】交质保部检验员执行品质检验和试验。
5.1.2 供应商送货时须附带该批物料的【质检报告】,若是原材料,在提交【质检报告】的同时还需【材质报告】。
5.1.3 质保部检验员在执行品质检验前,协助供应商把来料进行分类、分批、整齐的放置待检区域,方可执行检验工作。
5.2 品质检验和试验5.2.1 质保部必须查找相应的检验标准,无特殊情况下一般选择如下一种或多种标准作为检验依据:a)检查规格书;b)技术图纸、图样;c)标准实物样件。
5.2.2 如来料属首次检验时,应由质保部下达相应的检验标准,对于无检验依据的来料,质保部检验员不可检验,质保部必须会同技术部制订相应的检验标准。
5.2.3 质保部检验员严格按照检验标准对来料进行检测和试验,并将结果记录于【检测记录】上且作出合格与否的判定。
5.3 结果处理5.3.1 判定合格时,由检验员在【检测记录】上结论栏标注合格,按《产品标识与追溯程序》贴上标签,方可入库。
5.3.2 判定不合格时,则将【检测记录】呈质保部主管进行评审,作出诸如退货、挑选、特采等处理意见,具体按《不合格品控制程序》执行。
来料检验流程范文
1.接收原料:当原料到达企业仓库时,仓库人员需要及时接收并记录
相关信息,包括批次号、数量、生产日期等。
2.样品划分:仓库人员按照规定抽取样品,确保样品的代表性,并进
行标识。
3.样品送检:将样品交给质检部门,填写样品送检单,包括样品信息、供应商信息、检验要求等,并记录交样日期。
4.检验准备:质检部门根据样品送检单的要求,准备检验所需的设备、试剂和标准,确保检验的准确性和可靠性。
5.检验项目:根据样品的性质和产品要求,进行相应的检验项目,如
外观质量、尺寸、重量、含水率、化学成分、微生物指标等。
6.检验记录:质检人员将每个样品的检验结果记录在检验报告中,包
括合格、不合格或待处理等结果,并在报告上签名确认。
7.判定结果:根据检验结果,质检人员对样品进行判定,确定每个批
次的合格情况,并填写相应的判定结果,例如合格证书或不合格通知书。
8.合格品放行:对于合格的样品,质检部门将合格证明发给仓库,允
许入库并供生产使用。
9.不合格品处理:对于不合格的样品,质检部门将不合格通知书发给
供应商,并与供应商协商处理方法和要求。
10.问题解决:对于不合格的样品,供应商应积极回应并采取纠正措施,确保质量问题得到解决。
11.记录保存:将来料检验相关的文件和记录保存一定的时间,以备将来的追溯和审计需要。
12.复检:根据需要,在一定时间间隔后对已入库的原料进行复检,以确保质量的持续稳定。
13.持续改进:根据原料质量的变化和问题的发现,及时调整和改进来料检验流程和标准。
以上是一个常见的来料检验流程示例,企业可以根据自身的需要和情况进行具体的调整和优化。
来料检验作业流程1 目的为对来料进行质量控制,确保符合公司要求,防止不良物料流入或投入使用,特制订本流程。
2 适用范围本流程适用于原材料(原料、包材)和重要生产辅料。
3 职责3.1品质部负责来料的质量标准制定,检测、质量判定,并控制不良物料和紧急放行来料的使用。
3.2采购部负责来料不合格品的处理。
3.3仓储部负责来料品名、规格、数量、供应商的核对及送检。
3.4市场部/生产部负责不良物料的评审。
3.5 PMC负责来料是否需要紧急处理的通知。
4 术语和定义无5 流程图无6 程序6.1来料点收、送检6.1.1供应商交货后,仓管员参照《送货单》,核对来料品名、规格、数量、标识、生产商等。
6.1.2仓管员确认无误后,开具《物料送检单》,同时标注是否急料,通知品质部来料检验员。
6.2急料处理6.2.1由于生产及出货等原因,有些物料需要尽快检验时,PMC部应书面通知仓储部,仓管在送检单上标注。
6.2.2厂长确定该物料可否先用后检,可以的仓管员在物料上贴上“紧急放行”标签并做好记录,同时按正常标准进行抽样检测。
6.2.3不可以先用后检的物料,品质部安排第一时间检测,并及时将检测结果通知PMC部。
6.3取样6.3.1包材取样包材检验人员根据《送检单》中的送检数量,按照“包材检验标准”中的抽样标准进行抽样。
在抽样过程中不得使包材受污染、受损,抽样完毕后,将包装箱原样封好。
6.3.2原料取样6.3.2.1取样时应先将抽取的原料外包装表面用纱布擦试干净,用专用工具打开包装,分别从样本中平均抽取所需试样。
6.3.2.2取液体样应搅拌后抽取,同时检查试样中是否有杂质,并将从多个样本中所抽取的样品混合在一烧杯内。
固体样品应用特定取样器具从样本中部取样。
6.3.2.3有菌检指标的原料,在来料时每批号只抽检1个包装单位,取样后应特别标注,加强密封。
6.3.3 机加工产品取样6.3.3.1 取样时应采取均匀取件法进行抽样,以减少检测误差。
可编辑修改精选全文完整版来料检验管理流程1. 目的:通过对进货采购物料的品质进行检验和试验, 确保来料的品质符合本公司的要求。
2. 适用X围:适用于板卡事业部与产品直接相关的各类物料(包括环保物料),包括直接材料、辅料材料、包装材料等,本流程同样适用于OEM客供物料。
3. 职责:3.1 货仓:负责对采购生产物料的初步确认,办理入库手续;3.2 品质部:负责制订物料检验标准,组织对物料的检验和试验,出具验收报告或记录;3.3研发部负责提供物料技术规格书、图纸和检验所用的样板等3.4物控部负责组织对IQC检验不合格品的评审和处理;4. 定义:4.1直接材料:直接构成产品的组成部分,如:PCB、IC、电子元器件等;4.2辅料材料:产品的生产过程中要使用的材料,如:锡条/锡丝、助焊剂、清洗水、抹机水、黄胶等;4.3包装材料:产品包装所使用的材料,如:纸箱、汽泡袋等;4.4 MRB:物料不合格评审委员会。
5.6.相关文件及表单:6.1相关文件6.1.1 《采购管理流程》YDF-QP-0116.1.2 《新物料确认管理流程》YDF-WI-Q-10036.1.3 《采购样品确认管理流程》YDF-WI-Q-20036.2 相关表单6.2.1 《IQC物料检验报告》YDF-FR-00656.2.2 《来料异常联络单》YDF-FR-11116.2.3 《物料评审报告》YDF-FR-10946.2.3 《来料异常处理报告》YDF-FR-20076.2.4《物料送检单》YDF-FR-51406.2.5 《合格供方一览表》YDF-FR-01776.2.6 《BOM单》YDF-FR-0048(0050)6.2.7 《物料代用申请单》YDF-FR-1092。
来料检验程序范文1.目的:为了使供方提供的原材料、半成品及客供品符合本公司的品质要求,特制定本程序。
2.范围:适用于一切原材料及外发加工配件、客供品的来料检验。
3.权责3.1 品管部:制定或收集整理检验标准;来料检验统计分析;外发加工配件及客供品检验并做标识。
3.2 货仓:核对来料的品名、规格/货号、颜色、数量以及办理入库手续,不合格品隔离。
3.3 采购部和品管部:对供方和外发加工商的不合格品进行协调处理。
3.4 生产部:积极配合品管部对来料的测试。
4.定义4.1 免检:A、指化学物品,只能在生产中发现品质异常的物品。
B、客人提供的贴纸商标,直接由客人负责。
4.2 紧急放行:因生产急需来不及检验而直接发往生产的原材料、配件、半成品。
4.3 供方:指本公司的原材料供方和外发供方的合称。
5.作业内容5.1 作业流程图(见附件一)5.2 原材料暂收免检。
若生产部门发现来料异常时,必须用《内部联络单》形式向品管部门反映,IQC跟踪并填写“检验报告”。
5.3 纸箱由收货员核对箱唛,套盒由生产部检查,若有问题向采购部反映,IQC免检。
5.4IQC接“送货单”复印件后根据《质量检验基准书》、图纸及样品作为检验依据,对进入本公司货物进行检验。
具体接受水准参见《抽样法》5.5IQC检验判定物料合格后,标识状态(物料标识卡),仓管员办理入库手续。
IQC检验判定不合格,品管部及时开出《退货单》给仓库办理退货手续。
当物料急用和顾客指定加工商的物料(如:挂镀类,咭纸,咭盒),由品管部挑选组直接进行挑选.合格的入库,不合格的写来料检验报告,并开《退货单》给仓库退货.5.6IQC检验物料必要时,对来料作性能测试,并填写《拉伸测试记录表》、《拉力测试记录表》和试装配。
5.7检验产品的标识5.7.1 合格品用白色“物料标识卡”并盖有“IQC检验蓝色合格章”。
5.7.2 不合格品用白色“物料标识卡”并盖有“IQC检验红色拒收章”。
来料检验与入库检验流程来料检验程序文件编号:LJ-14-01实施日期:2014-5-20版本号:页码:步骤输入内容:1.收到供应商来料送货单。
2.确认来料数量与规格无误。
3.进行来料检验报告,如有异常,填写来料异常反馈单。
4.填写入库单并记录相关信息。
5.仓库通知品管检验物料。
责任流程图输出内容:1.物料评审小组由生产部经理、技术部经理及采购部经理组成。
2.对于同一物料,送货单名称与物料表名称不一样时需要以物料表为准。
3.采购订货单应向供应商出厂,来料进厂后由仓库通知品管检验。
4.检验员执行来料检验,并填写检验报告,根据检验标准判定OK或NG。
5.如为NG,物料评审小组需出具报告单。
6.如为OK,填写入库单并记录相关信息。
入库检验程序文件编号:LJ-14-01实施日期:2014-5-20版本号:页码:步骤输入内容:1.完成品入库单。
2.生产订单、成品检验标准。
3.成品入库单/成品检验报告单/成品检验不合品退货单。
4.制造车间通知检验待检品。
5.检验员准备检验文件。
6.检验员执行检验并判定OK或NG,如为NG,需出具报告单。
责任流程图输出内容:1.待检品由制造车间通知检验。
2.检验员应准备相应的技术规范标准,并根据实际情况进行判定。
3.对合格与不合格品可直接出成品检验具相应的检验报告单报告。
4.如为模糊情况,需递交上一级进行复判,复判由质量主管/工程师连同该批次业务员组成。
5.入库时应有对应的检验报告方可办理入库手续,如为不合格品,需制造部门办理退货处理单。
1.目的为确保来料质量,降低来料在生产过程中的不合格率,保证产品合格。
2.适用范围适用于本公司对外购材料的进货检验、外加工半成品的检验。
3.定义3.1来料:指所有外购的原材料、辅料及外加工的半成品。
4.权责4.1质检部对所有进货物品都应按“进货检验规程”要求严格检验,并对检验的结果负责,避免未经检验或检验不合格的材料流入生产环节。
4.2质检部负责外包半成品的进货检验,应避免未经检验或检验不合格的产品入库。
4.3 技术部负责对各类产品检测活动的监视,并提供各检验标准相应的质量控制文件。
5.流程图文件编号XX/QC--31来料检验流程版本A0页码第 3页共 5 页6.内容及要求6.1 质检部接到生产计划中心采购开出的三份“到货通知单”后,参照GB/T2828.1 《计数抽样检验程序》、《进货检验规程》及相关工艺文件对采购材料进行检验,按到货通知单上信息验证供应商信息、产品名称、型号、数量。
检验后将检验的合格数、不合格数、不合格原因填入“到货通知单”,质检部留存一份“到货通知单”,将其余二份随检验物品(合格品)交仓库,由仓库签收后将一份“到货通知单”交ERP操作员作入账依据,另一份作为核销发票的依据返回采购。
6.2 对于进货检验和试验中出现的不合格品,由检验员贴上“不合格”标签,将不合格原因填入“检验单”,同时对不合格品隔离或分开,存放入红色周转箱内,并开出“供应商分析报告”连同“检验单”原件及时交付采购处理。
6.3 对外包半成品的检验流程按6.1和6.2进行。
对检验发现的不合格品由采购及时通知外包方,告知其整改,落实其改善措施,并对其结果进行验证。
6.4 采购对发出的“供应商分析报告”要及时收回,并交与质检部,便于质量的分析统计。
6.5 未经检验和验证的器件不允许入库,更不允许直接使用。
7.相关文件7.1 《记录控制程序》7.2 《不合格品控制程序》7.3 《进货检验规程》7.4 《计数抽样检验程序》GB/T 2828.18.相关表单到货通知单检验单供应商分析报告。
1.02.03.0品质检验及查证;材质检验及查证。
3.4品保中心主管:负责组织进行外购、外协件的不合格品报告的评审及外观不合格的最定;3.5研发中心:负责参与外购、外协件的不合格评审及尺寸不合格的最终判定;3.6 PMC、采购中心、品保中心等单位必要时参与对不合格品的评审及所属范围内不合格品置。
4.0定义:无5.0 内容/30、检验在《来料检验报告》呈单位主管核准,特急用物料于接到《来料检验通知单》后立即开始检验。
5.1.4 送检物料若判定合格,则进料检验员(IQC)在《来料检验通知单》上写明,品保主管审批后,由品保中心文员复印此报告给仓务中心和采购中心,仓务中心凭此报告入仓。
5.1.5当来料检验不合格时,进料检验员在该不合格料外包装上贴红色“不合格”标签,并在1小时内开出《来料检验报告》,如来料体积不大随单附上不合格实样,交品保经理核准(或其代理人品保主管核准)。
若最后判定不合格,由品保文员复印此单交仓管员与采购中心经理签收,仓管人员依判定结果执行退货作业。
5.1.6 所有原材料、外加工品及外购产品,均须复印《来料检验报告》给仓务中心和采购中心签收,塑料原材料须做试料报告。
30分15由品保中心经理据《来料检验报告》明确物料标识状态后交仓管员,仓管员接《来料检验报告》即办理物料进仓手续,在《送货单》上注明“特采”字样,品质员负责检查特采物料的《送货单》上有否注明“特采”字样。
经判定可加工挑选使用的物料则在《来料检验报告》上明确加工挑选部门及完成时间。
品保中心将评审结果以书面形式向总经理呈报,如需要本厂人员安排进行加工挑选的物料,品保中心评估预算金额超过5000元的须事先向总经理汇报,经允许后方可进行加工挑选安排。
5.1.11仓管员依据实际进仓数量与品种,开具《进仓单》,交品质员会签后,将实物入仓。
5.1.12仓管员在物料入仓归位时立即完成卡帐的记录,当天完成台帐的登录工作。
5.1.13仓管员于次日将相关单据交到相应部门,品保主管及时对每批材料进行统计,10-505.2.5未遵守作业流程的规定而被举报稽查属实的,一经查实给予当事责任人处罚50元/单,给予举报人奖励50元/单。
来料检验工作程序最新文档(可以直接使用,可编辑最新文档,欢迎下载)8888888来料检验工作程序(文件分发号):(受控盖章处):888时间2014-9-26时间时间2021年09月日下发2021年09月日实施一、来料检验工作流程图二、来料检验工作程序1.目的对来料产品进行检验和试验,确保其符合规定要求,防止不合格品投入使用,确保产品质量。
2. 适用范围适用于本厂用于成品制造的原材料检验作业。
3.职责3.1 本程序由品管部制定和实施﹐相关部门配合。
3.2 采购部负责原材料的采购、退货及索赔工作。
3.3仓管负责来料的验证与点收。
3.4IQC负责来料的检验和试验。
3.5品管经理负责来料检验标准的制定和修改、检验报告的审批。
3.6 技术开发部负责对检验员无法判断或质量要求未明确的产品的确认或判定。
3.7 生产部负责提供来料检验的协助人员。
4工作程序4.1物料采购,采购部根据《采购控制程序》具体流程,向供应商购买生产所需物料。
4.2所有来料由仓管员负责按《采购计划》进行入库检点验收(验收数量、名称、型号、客户名、用于何产品),在验收过程中发现客户来料有异或与《采购计划》内容有出入的,仓管员及时报告采购员及生产负责人处理。
对验收无误的来料须放置于待检区,并及时填写《物料送检通知单》以书面形式通知IQC检验。
4.3因生产急需,仓库来不及填写《物料送检通知单》,则由急需生产的车间主管先行口头通知IQC检验,事后仓库须及时补送《物料送检通知单》以便于IQC开具检验报告。
4.4由IQC检验的材料主要包括布料、旗杆、铁材、铝材、塑件等用于成品制造的原材料。
4.5工装夹具由仓管员验收无误后直接入库登记,必要时可以通知工程部协同验收。
一些辅助性物料由仓管员验收合格后直接入库,仓管员在供方《送货单》上签名作为验收合格的证据。
4.6品管部IQC接到书面通知后,依据抽样计划,样品及相关检验标准实施检验,将检验情况记录于《原材料进货检验原始记录》上,并对物料进行如下判定:合格:经IQC抽检后判定为合格的物料,及时做好合格标识,IQC 在《原材料检验报告单》上勾选“检验合格”。
来料检验控制程序
1、目的:
通过对华为项目来料进行检验、测试,确保来料品质能够满足规定的使用要求,防止未经检验或未经检验合格的来料投入生产使用过程中。
2、适用范围:
适用于华为项目生产用物料的接收。
3、职责:
3.1、物料部:仓管员负责对物料的接收,通知来料检验员检验;并负责将不合格物料通知采购
部。
3.2、品质部:检验员负责对生产用物料进行检验;品质部主管负责对不合格来料的检验报告的
审批。
3.3、采购部:负责将来料品质不良的信息传达给供应商,并跟踪其快速退换处理,以免物料因
品质问题而误了交货期。
4、程序内容:
4.1来料检验流程
4.2原材料接收
4.2.1材料仓库必须指定固定的区域为待检区,放置待检或已检待判的来料。
4.2.2原材料到达公司后,材料仓库暂收,并依单据资料与供应商的送货清单对物料进行外
包装、规格型号、数量的初步验证,不符合则通知由采购处理。
符合则通知来料检验员检验。
4.3来料检验
4.3.1品质部检验员收到仓库通知后,核对原材料型号/规格是否符合,并进行来料检验。
4.3.2根据检验标准进行来料检验,填写来料检验记录表,并进行统计分析。
4.4判定及处理
4.4.1经检验为合格的物料,应填写《物料标识卡》并加盖合格印章粘贴于该批物料的外包
装上。
4.4.2经判定为不合格的物料,按《不合格品控制程序》进行处理。
4.5记录报告
4.5.1来料检验员对原材料检验判定后,应填写《来料检验报告》及《来料检验记录表》。
4.5.2每月由来料检验员将物料检验情况统计登录到《来料检验月报表》,作为统计供应商品
质水准的依据。
4.5.3检验记录报告由品质部进行归档保存。