2020年数控机床装调维修实训-教师培训稿(简化版本)参照模板
- 格式:pptx
- 大小:5.62 MB
- 文档页数:9
一、培训背景随着我国制造业的快速发展,数控加工技术在各行各业中的应用越来越广泛。
为了提高企业员工的数控加工技能,提升产品质量和生产效率,特制定本培训计划方案。
二、培训目标1. 使学员掌握数控加工的基本理论、操作技能和编程方法。
2. 培养学员具备独立完成数控加工任务的能力。
3. 提高学员对数控设备的维护保养能力。
三、培训对象1. 数控加工车间操作人员2. 数控设备维修人员3. 数控加工相关技术人员四、培训时间1. 培训总时长:40课时2. 培训周期:1个月五、培训内容1. 数控加工基本理论(1)数控加工概述(2)数控机床的结构及原理(3)数控编程基础知识(4)数控加工工艺2. 数控机床操作技能(1)数控机床的基本操作(2)数控机床的调整与维护(3)数控机床的故障诊断与排除3. 数控编程方法(1)数控编程基本指令(2)数控编程技巧(3)数控加工工艺参数设置4. 数控加工实例分析(1)典型零件的数控加工工艺(2)数控加工中的常见问题及解决方法六、培训师资1. 邀请具有丰富实践经验的数控加工工程师担任主讲教师。
2. 邀请数控设备厂商的技术人员授课,提供设备操作及维护方面的指导。
七、培训方式1. 理论授课:采用多媒体教学,结合实际案例进行讲解。
2. 实操训练:在数控加工实训中心进行实际操作训练,教师现场指导。
3. 案例分析:针对实际生产中的问题,进行讨论分析,提高学员解决实际问题的能力。
八、考核评价1. 理论考核:对培训内容进行笔试,考察学员对理论知识的掌握程度。
2. 实操考核:对学员进行实际操作考核,考察学员的动手能力和解决实际问题的能力。
九、培训费用1. 培训费用包括教材费、师资费、场地费等。
2. 培训费用由学员所在单位承担。
十、培训组织1. 培训单位:公司人力资源部2. 培训部门:数控加工培训中心3. 培训班主任:负责培训期间的日常管理工作。
本培训计划方案旨在提高企业员工的数控加工技能,为企业培养一批高素质的数控加工人才。
数控机床维修与保养一体化教学教案教师:学生分析:本次课程名称为《数控机床维修与保养》,授课的班级为16级数控3+2班。
这个班级在学校已经学习过了《数控车一体化教学》,基本掌握了华中数控车系统和数控车床的基本操作和加工。
为了使学生能更适应外面企业的要求,还需要学习数控系统的基本原理及简单故障的判断,为使学生更容易掌握本数控系统的基本原理,我们采取了理实一体化教学的模式,利用数控维修实训室,运用多媒体教学、现场实验、动手实践等多种教学手段增加教学的趣味性,激发学生自主学习的兴趣。
希望通过6周的教学,让学生掌握其他数控系统的原理、数控系统的连接、数控系统的调试等方面进行系统的学习,掌握其他数控系统的知识,为学生的就业打下坚实的基础。
素质和安全教育教学目标:1.使学生了解本门课程的内容与要求2.使学生做好实习各方面的准备3. 对学生进行职业素养与安全意识的培训,确保安全完成本课程教学。
技能目标:1. 使学生了解本专业必备的职业素养要求2. 让学生安全意识贯穿于整个教学实习期间教学重点、难点:重点:素质与安规培训难点:素质与安规意识的培养教学课时数:2教具:课本、PPT、多媒体教学设备教学内容、过程、方法:讲授:1 考试:1教学内容:1.课程介绍2.布置实习内容及要求,讲解实习实训形式及考核标准3.进行职业素养及安全意识培训教学过程:引入新课:(1)向同学们介绍自己(2)熟悉学生名字,与学生进行沟通,建立感情实习动员:(2)介绍本课程学习内容及学习要求(3)介绍本课程的学习形式及考核方法素养与安规教育:(4)讲解职业素养与安全生产的重要性(5)播放素质与安规教育的PPT( 6) 进行安规试题测试任务1-1 认识数控机床的组成部件教学目的:1.使学生了解数控机床的组成2.使学生了解数控机床的工作原理过程教学重点、难点:重点:数控机床的组成部件及其功能难点:数控机床的工作原理过程教学课时数:4教具:课本、实验台教学内容、过程、方法:讲授:3 练习:1教学内容:1.数控机床的概念2.数控机床的组成3.数控机床的工作原理过程教学过程:引入新课:(1)向同学们介绍自己(2)介绍本课程学习内容及考核方法本课内容及达到目的:1.一个合格的机床操作人员应是应能对机床的一些简单的故障进行维修,故应很好的了解机床的结构,及其组成部分的工作原理等。
数控车工培训计划和培训大纲一、培训目标数控车工是现代创造业中不可或者缺的重要岗位之一,培养合格的数控车工对于提高企业生产效率和产品质量具有重要意义。
本次培训计划旨在培养学员掌握数控车床的基本操作技能、编程能力以及相关工艺知识,使其能够胜任数控车工的工作。
二、培训内容1. 数控车床基本操作- 数控车床的组成和工作原理- 数控系统的操作界面和功能介绍- 数控编程语言和代码规范- 数控刀具的选择与安装- 数控车床的调试与维护2. 数控编程与加工- G代码和M代码的基本语法和功能- 数控编程的基本步骤与技巧- 数控编程实例分析与练习- 数控加工工艺与参数的确定- 数控加工过程中的常见问题及解决方法3. 数控车工实操技能- 数控车床的操作规范与安全注意事项- 数控车床的手动操作和自动操作- 数控车床的各种加工操作:外圆、内圆、外罗纹等- 数控车床的自动换刀操作和自动测量功能的使用- 数控车床的加工精度与质量控制4. 数控车工实践项目- 根据实际工件进行数控编程和加工- 进行数控车床的调试和维护- 分析和解决数控加工过程中的问题- 进行数控加工质量的检验和评估三、培训计划1. 培训时间:共计4周,每周5天,每天8小时,共计160小时。
2. 培训方式:理论教学与实践操作相结合,采用课堂讲授、案例分析、实操演练等形式进行培训。
3. 培训地点:设备齐全的数控车床实训室。
4. 培训人员:具备一定机械基础知识的学员,无性别、年龄限制。
5. 培训材料:提供培训教材、参考书籍和实操练习材料。
四、培训评估与考核1. 培训评估:每周进行一次培训评估,包括理论知识考核和实操操作考核。
2. 培训考核:培训结束后进行综合考核,包括理论知识考试和实际加工项目的完成情况。
3. 培训证书:合格通过培训考核的学员将获得数控车工培训合格证书。
五、培训师资1. 培训师资:由具备丰富实际工作经验和教学经验的专业数控车工担任培训讲师。
2. 培训师资培训:培训师资定期进行专业知识和教学方法的培训,保持教学水平。
《数控机床装调维修工》职业培训大纲中级(国家职业资格四级)1.1 职业名称数控机床装调维修工。
1.2 职业定义使用工具、工装、仪器,对数控机床进行装配、调试和维修的人员1.3 职业等级:本职业共设四个等级,分别为中级(国家职业资格四级)、高级(国家职业资格三级)、技师(国家职业资格二级)、高级技师(国家职业资格一级)。
根据国家职业资格标准将数控机床装调维修工分为机械装调维修、电气装调维修二个独立考核的模块。
本考工大纲为电气装调维修的考核模块。
1.4 职业环境常温、室内。
1.5 职业能力特征具有较强的学习、理解、表达、计算能力;具有较强的空间感、形体知觉、听觉和色觉,具备手指、手臂灵活和形体动作协调性;具有独立作业和多人共同作业协调配合的能力。
1.6 基本文化程度:高中毕业或同等学历。
1.7 培训要求1.7.1 培训期限全日制职业学校教育,根据其培养目标和教学计划确定。
晋级培训期限:中级培训时间不少于400标准学时;(附中级培训计划)1.7.2 培训教师培训中、高级的教师应由具有本职业技师及以上职业资格证书或相关专业中级及以上专业技术职务任职资格;1.7.3 培训场地设备满足教学需要的标准教室和配备了必要的数控机床及零部件总成(包括配电柜)、工具、量具等的场所。
实际操作基本培训也可在车间装配现场进行。
1.8 鉴定要求1.8.1 适用对象从事或准备从事本职业的人员。
1.8.2 申报条件——凡申报本专业的人员必须具有电工上岗资格——中级(具备下列条件之一者)(1)取得相关职业(如装配钳工)初级资格证书后,连续从事本职业工作2年以上,经本职业中级正规培训达到规定标准学时数,并取得结业证书。
(2)取得相关职业初级职业资格证书后,连续从事本职业工作4年以上。
(3)连续从事本职业工作6年以上。
(4)取得经劳动保障行政部门审核认定的,以中级技能为培养目标的中等以上职业学校本职业(专业)毕业证书。
1.8.3 鉴定方式分为理论知识考试和技能操作考核两部分。
第1篇大家好!今天,我很荣幸站在这里,与大家共同探讨数控机床培训的重要性。
在此,我代表培训部门,向大家发表一篇关于数控机床培训的发言稿。
首先,让我们回顾一下数控机床在我国制造业中的地位。
随着我国经济的快速发展,制造业已成为国民经济的重要支柱。
而数控机床作为制造业的核心装备,其技术水平的高低直接关系到我国制造业的竞争力。
近年来,我国数控机床产业取得了长足进步,但与发达国家相比,仍存在一定差距。
为了缩小这一差距,提高我国数控机床的整体水平,加强数控机床培训显得尤为重要。
一、数控机床培训的重要性1. 提高员工技能水平数控机床操作技能是制造业员工必备的基本素质。
通过培训,员工可以掌握数控机床的操作、编程、维护等技能,提高工作效率,降低生产成本。
2. 培养专业人才随着数控机床技术的不断发展,企业对数控机床专业人才的需求日益增加。
通过培训,可以为企业培养一批具备较高技能水平的专业人才,为企业发展提供有力支持。
3. 促进产业升级数控机床培训有助于提高我国制造业的自动化、智能化水平,推动产业升级。
通过培养高素质人才,推动数控机床产业链的优化,提高我国制造业的整体竞争力。
4. 保障国家安全数控机床是国家战略性新兴产业,其发展直接关系到国家安全。
通过加强数控机床培训,可以提高我国数控机床自主创新能力,降低对外依赖,保障国家安全。
二、数控机床培训的内容1. 数控机床基础知识包括数控机床的组成、工作原理、分类、特点等,使学员对数控机床有一个全面的认识。
2. 数控机床操作技能包括数控机床的操作规程、安全注意事项、故障排除等,使学员能够熟练操作数控机床。
3. 数控编程技术包括数控编程的基本原理、编程语言、编程技巧等,使学员能够编写出高效、可靠的数控程序。
4. 数控机床维护与保养包括数控机床的日常维护、故障诊断、维修方法等,使学员能够对数控机床进行有效的维护与保养。
5. 数控机床行业动态了解数控机床行业的发展趋势、新技术、新产品等,使学员能够紧跟行业步伐。
数控机床操作调整工(中级)培训大纲及计划1.培训目的根据高职高专人才培养要求,注重加强学生对专业技能掌握,更好的将理论与实践结合,提高学生的职业技能;同时让学生持有“职业资格证书+毕业证书”双证毕业,满足了企事业单位对专业人才需求,提高了毕业生就业率。
毕业生掌握“数控机床操作技能”往往是制造类专业应聘的条件之一,掌握数控加工技术的应用型人才,尤其是数控机床操作、维护、编程及数控加工工艺编写的高技能人才具有广阔的就业前景。
本次培训是在《数控加工工艺与编程》和《数控加工实训》课程的教学基础上,通过强化训练,熟悉数控手工编程,把学生应用数控技术的实践能力提高一个层次;加强学生对数控机床操作技能的训练,达到能独立操作数控机床完成零件车削/铣削加工要求。
通过培训达到职业技能鉴定标准的要求,经考试与鉴定,获得“数控机床操作调整工(车床/铣床)中级”技能鉴定等级证书。
2.考核项目按《数控车工/铣工国家职业标准(中级)》设置考核项目和命题,考核由理论知识和实际操作两部分组成,各占总分的50%。
3.基本要求数控机床操作工职业技能鉴定是培养学生综合应用数控加工所学知识和技能的综合措施,确保学生具有数控加工方面的应知应会能力。
1)巩固机械加工的基础知识;2)掌握数控车削/铣削工艺,掌握粗精加工刀具路径规划的方法;3)掌握数控车床/铣床编程基本指令的编程要点,掌握中等复杂零件的手工编程,优化数控加工程序,以保证加工质量,提高加工效率;4)熟悉数控车床/铣床的操作步骤,掌握数控程序核验、调试及数控机床操作,加工出合格的机械零件,达到中级工技能操作水平。
4.培训内容及课时分配本工种培训主要设置以下模块:模块1——机械识图与数控加工工艺。
模块2——数控编程。
模块3——数控机床操作与零件加工。
模块4——零件精度检查。
模块5——机床维护、安全生产与故障判断。
各模块课时分配如表1所示。
表1 各模块课时分配表数控机床操作调整工(中级)培训大纲《数控机床操作调整工(中级)》的培训分为以下5个模块,各模块具体培训要求及内容分述如下:模块1——机械识图与数控加工工艺基础(80课时)一、培训要求通过本模块的培训,达到能够正确阅读和理解零件图和数控工艺文件目标。
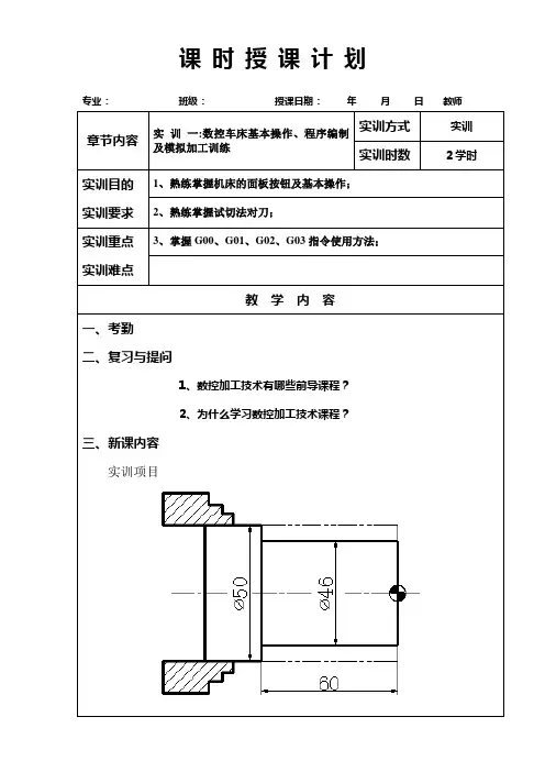
专业:班级:授课日期:年月日教师章节内容实训一:数控车床基本操作、程序编制及模拟加工训练实训方式实训实训时数2学时实训目的实训要求1、熟练掌握机床的面板按钮及基本操作;2、熟练掌握试切法对刀;实训重点实训难点3、掌握G00、G01、G02、G03指令使用方法;教学内容一、考勤二、复习与提问1、数控加工技术有哪些前导课程?2、为什么学习数控加工技术课程?三、新课内容实训项目专业:班级:授课日期:年月日教师要求:在上述图形中用铅笔画出走刀路径,利用G00、G01指令编写程序,并将编写的程序利用软件进行模拟。
1、刀具准备2、工艺分析3、编写程序三、根据给出的图形,试编写精加工程序(不需上机校验)。
四、小结1.数控加工技术的发展2.数控加工技术的特点3.数控加工原理五、作业1.简述数控加工原理?2.简述数控加工技术的特点?专业:班级:授课日期:年月日教师专业:班级:授课日期:年月日教师一、考勤二、复习与提问1、数控加工技术有哪些前导课程?2、为什么学习数控加工技术课程?三、新课内容实训项目程序如下:%017T0101M03S800G00X32Z2G71U1R0.5P1Q2X0.6Z0.2F100M03S1000N1 G00X0F60G01Z0G03X16Z-8R8G01Z-20X20X24W-10W-7.5G02X29W-2.5R2.5N2 G01W-5G00X100Z100T0202专业:班级:授课日期:年月日教师专业:班级:授课日期:年月日教师实训时数2学时实训目的实训要求零件加工工艺零件加工工艺可行性分析实训重点实训难点零件加工工艺可行性分析分析零件结构、加工内容、计算零件的年产量教学内容一、考勤二、复习与提问1.简述数控机床坐标系的定义?2.简述数控工件坐标系的特点?三、新课内容实训项目如右图所示程序如下:%17T0101M03S600G00X42Z2G71U2R1P1Q2X0.6Z0.3F100M03S800N1G00X0G01Z0F60G03X20Z-10R10G01X19.8Z-11.3G02X28Z-22R12G01X34X38N2Z-50G00X100Z100T0202M03S400G00X42专业:班级:授课日期:年月日教师专业:班级:授课日期:年月日教师章节内容实训四:外圆弧、锥度、螺纹的加工实训方式实训实训时数2学时实训目的实训要求零件图纸的数据处理分析零件图纸的数据处理、确定加工方案实训重点实训难点零件图纸的数据处理分析分析零件结构、确定加工方案、确定切削用量与进给量教学内容一、考勤二、复习与提问1. 零件加工工艺可行性分析包括哪些内容?2. 工艺路线的确定是根据哪些法则?3.划分加工工序的方法?三、新课内容实训项目%17T0101M03S600G00X34Z2G71U1R0.5P1Q2X0.6Z0.2F10M03S650F45N1G00X18G01Z0F60X20Z-1Z-20X30W-20N2Z-60专业:班级:授课日期:年月日教师专业:班级:授课日期:年月日教师章节内容实训五:G71/G72指令实训方式实训实训时数2学时实训目的实训要求掌握G71、G72指令的走刀路径;熟练利用G71、G72指令进行编程;实训重点实训难点编程代码(G00 G01 G02,G03)格式编程代码(G00 G01 G02,G03)格式的意义与区别教学内容一、考勤二、复习与提问1. 零件图纸的数据处理包括哪些内容?2. 走刀路线的确定是根据哪些法则?3.确定切削用量与进给量根据哪些法则?三、新课内容实训项目要求:在上述图形中用铅笔画出走刀路径,分别利用G71、G72指令编专业:班级:授课日期:年月日教师专业:班级:授课日期:年月日教师章节内容实训六:G71/G72指令实训方式实训实训时数2学时实训目的实训要求掌握数控车床编程代码(G00 G01 G02,G03)应用编程代码(G00 G01 G02,G03)编程实训重点实训难点掌握编程代码(G00 G01 G02,G03)格式编程代码(G00 G01 G02,G03)格式的意义与区别教学内容一、考勤二、复习与提问1. 快速定位指令G00意义与格式?2.直线进给插补指令G01意义与格式?3.圆弧进给插补指令G02 G03意义与格式?三、新课内容实训项目专业:班级:授课日期:年月日教师专业:班级:授课日期:年月日教师章节内容实训七:G73、G70指令实训方式实训实训时数2学时实训目的实训要求了解车削循环程序编写与调试掌握粗车复合循环程序实训重点实训难点掌握粗车复合循环程序G71格式掌握粗车复合循环程序G71应用教学内容一、考勤二、复习与提问1.指令G03意义与格式?2.指令G97意义与格式?3.指令M03 f20意义与格式?三、新课内容二、实训项目专业:班级:授课日期:年月日教师专业:班级:授课日期:年月日教师章节内容实训八:G73、G71指令实训方式实训实训时数2学时实训目的实训要求了解车削循环程序编写与调试掌握粗车复合循环程序实训重点实训难点掌握粗车复合循环程序G71格式掌握粗车复合循环程序G73应用教学内容一、考勤二、复习与提问1.指令G02意义与格式?2.指令G96意义与格式?3.指令M04 f50意义与格式?三、新课内容二、实训项目专业:班级:授课日期:年月日教师专业:班级:授课日期:年月日教师章节内容实训九:G75指令A 实训方式实训实训时数2学时实训目的实训要求1、掌握G75指令;2、熟练利用G75指令,结合其他指令编程;实训重点实训难点1、掌握G75指令;2、熟练利用G75指令,结合其他指令编程;教学内容一、考勤二、复习与提问1.指令G04意义与格式?2.指令G90意义与格式?3.指令M04 S500意义与格式?三、新课内容二、实训项目专业:班级:授课日期:年月日教师要求:在上述图形中用铅笔画出走刀路径,分别利用G71或G72或G73、G75指令编写程序,并将编写的程序利用软件进行模拟。
一、课程名称:数控技术基础实训二、课程目标:1. 理解数控机床的基本原理和组成。
2. 掌握数控机床的基本操作技能。
3. 熟悉数控编程的基本方法和技巧。
4. 培养学生的实际操作能力和团队协作精神。
三、课时安排:共8课时,每次2课时。
四、教学内容:第一课时:数控机床的基本认识1. 教学目标:- 了解数控机床的定义、分类及特点。
- 熟悉数控机床的基本组成和功能。
2. 教学内容:- 数控机床的定义、分类及特点。
- 数控机床的基本组成:主轴箱、进给系统、控制系统等。
- 数控机床的功能及应用。
3. 教学方法:- 讲授法- 演示法- 实物教学法4. 教学过程:- 教师讲解数控机床的基本概念和分类。
- 通过实物展示数控机床的基本组成。
- 教师演示数控机床的操作过程。
第二课时:数控机床的基本操作1. 教学目标:- 熟悉数控机床的操作面板及按钮功能。
- 掌握数控机床的基本操作步骤。
2. 教学内容:- 数控机床的操作面板及按钮功能。
- 数控机床的基本操作步骤:开机、关机、程序输入、机床运行等。
3. 教学方法:- 讲授法- 演示法- 实物教学法4. 教学过程:- 教师讲解数控机床的操作面板及按钮功能。
- 学生分组进行数控机床的基本操作练习。
- 教师巡回指导,解答学生疑问。
第三课时:数控编程基础1. 教学目标:- 了解数控编程的基本概念和编程语言。
- 掌握数控编程的基本方法和技巧。
2. 教学内容:- 数控编程的基本概念和编程语言。
- 数控编程的基本方法和技巧:坐标系、刀具路径、加工参数等。
3. 教学方法:- 讲授法- 案例分析法- 上机实践法4. 教学过程:- 教师讲解数控编程的基本概念和编程语言。
- 分析典型数控编程案例,讲解编程方法和技巧。
- 学生上机练习,编写简单的数控加工程序。
第四课时:数控机床编程软件的使用1. 教学目标:- 熟悉数控机床编程软件的操作界面和功能。
- 掌握数控机床编程软件的基本操作。
2. 教学内容:- 数控机床编程软件的操作界面和功能。
一、实训背景随着我国制造业的快速发展,数控技术在我国得到了广泛应用。
数控机床作为一种先进的制造设备,在提高生产效率、降低生产成本、提高产品质量等方面具有显著优势。
然而,数控机床在运行过程中难免会出现故障,这就需要具备一定的数控维修及装调技能的工程师进行维护和修理。
为了提高学生的实践能力,培养适应社会发展需求的高素质技术人才,我们开展了数控维修及装调实训。
二、实训目的1. 熟悉数控机床的基本结构、工作原理和性能特点;2. 掌握数控机床的安装、调试和维修方法;3. 提高学生对数控机床故障的诊断和排除能力;4. 培养学生的团队协作精神和实际操作技能。
三、实训内容1. 数控机床基本结构及工作原理学习(1)数控机床的类型及特点;(2)数控机床的组成及各部分功能;(3)数控机床的工作原理及控制方式。
2. 数控机床的安装与调试(1)数控机床的安装流程及注意事项;(2)数控机床的调试方法及步骤;(3)数控机床的调试过程中常见问题的解决方法。
3. 数控机床的维修与故障排除(1)数控机床的日常维护保养;(2)数控机床的常见故障及诊断方法;(3)数控机床的维修步骤及注意事项;(4)数控机床的故障排除实例分析。
4. 数控机床的编程与操作(1)数控编程的基本原理及方法;(2)数控机床的操作步骤及注意事项;(3)数控机床的编程实例分析。
四、实训过程1. 实训前,教师向学生讲解实训目的、内容、要求和注意事项。
2. 学生分组进行实训,每组由一名指导教师负责。
3. 学生按照实训内容,逐一完成各项实训任务。
4. 指导教师对学生的实训过程进行监督和指导,确保实训质量。
5. 实训结束后,学生提交实训报告,总结实训心得。
五、实训成果通过本次实训,学生掌握了以下技能:1. 熟悉数控机床的基本结构、工作原理和性能特点;2. 掌握数控机床的安装、调试和维修方法;3. 提高了对数控机床故障的诊断和排除能力;4. 培养了团队协作精神和实际操作技能。
数控机床培训发言稿范文
大家好,很高兴能够在这里和大家分享关于数控机床培训的一些想法和经验。
首先,我想强调的是数控机床培训的重要性。
随着科技的不断进步,数控机床在制造业中扮演着越来越重要的角色,掌握数控机床的操作和编程技能对于提高生产效率和产品质量至关重要。
因此,我们需要不断地学习和培训,以适应市场的需求和发展的趋势。
其次,我想分享一些关于数控机床培训的经验。
在培训过程中,我们需要注重理论知识和实际操作的结合,只有理论与实践相结合,才能够真正掌握数控机床的操作技能。
此外,培训过程中,我们也需要注重团队合作和交流,通过相互学习和交流经验,能够更快地提高自己的技能水平。
最后,我想强调的是持续学习的重要性。
数控机床技术在不断发展和更新,我们需要不断地学习和掌握新的技术和知识,以适应市场的变化。
只有不断地学习和提升自己,才能够在激烈的市场竞争中立于不败之地。
总而言之,数控机床培训对于我们个人的职业发展和企业的发展都具有重要意义。
我们需要认真对待培训,不断学习和提升自己的技能,以适应市场的需求和发展的趋势。
希望大家能够珍惜这次培训机会,不断进步,提升自己的能力,为个人的发展和企业的发展做出更大的贡献。
谢谢大家!。
第1篇大家好!我是数控车工培训班的一名学员,很荣幸能在这里与大家分享我的培训体会。
自从参加了这次数控车工培训,我收获颇丰,不仅提高了自己的专业技能,还对数控车工行业有了更深入的了解。
在此,我谨代表全体学员,向辛勤付出的培训老师和组织者表示衷心的感谢!一、培训内容丰富,理论与实践相结合此次培训内容丰富,涵盖了数控车床操作、编程、加工工艺、刀具选择、测量与检测等多个方面。
培训过程中,我们不仅学习了理论知识,还进行了实际操作,将理论与实践相结合。
1. 数控车床操作:通过培训,我们掌握了数控车床的基本操作,了解了数控车床的构造、性能和适用范围。
在实际操作中,我们学会了如何调整机床参数、安装刀具、选择合适的切削参数等,为今后的工作打下了坚实的基础。
2. 编程:编程是数控车工的核心技能。
培训中,我们学习了G代码、M代码等编程指令,掌握了编制数控车床加工程序的方法。
通过实际编程练习,我们提高了编程能力,为生产一线提供了有力保障。
3. 加工工艺:加工工艺是数控车工的关键环节。
培训中,我们了解了各种材料的加工特点、加工方法、加工精度要求等,学会了如何根据零件图纸选择合适的加工工艺。
4. 刀具选择:刀具是数控车工的重要工具。
培训中,我们学习了各种刀具的用途、性能、选用原则等,掌握了如何根据加工要求选择合适的刀具。
5. 测量与检测:测量与检测是保证产品质量的重要手段。
培训中,我们学习了各种测量工具的使用方法、测量误差的来源及消除方法,提高了检测能力。
二、培训师资雄厚,教学水平高此次培训的师资力量雄厚,授课老师具有丰富的实践经验和高超的教学水平。
他们用通俗易懂的语言,结合实际案例,深入浅出地讲解了数控车工的相关知识,使我们在短时间内掌握了专业技能。
1. 实践经验丰富:授课老师都是来自生产一线的资深工程师,他们具有丰富的实践经验,能够针对学员在实际工作中遇到的问题进行解答和指导。
2. 教学水平高:授课老师具备较高的教学水平,善于运用多种教学方法,激发学员的学习兴趣,提高学员的学习效果。
数控教师培训计划一、培训背景及目的数控技术作为一门高新技术,已经在各个行业得到了广泛的应用,而数控教师作为推动数控技术发展的关键力量,其培训非常重要。
本次数控教师培训计划旨在提高数控教师的专业素养和教学水平,促进教师们更好地适应数控技术的发展和应用需求,为社会培养更多高素质的数控人才。
二、培训对象本次培训面向从事数控相关教学工作的教师、企业技术人员等。
三、培训内容1. 数控技术基础知识1)数控技术的概念、发展历程和应用领域2)数控编程基础3)数控加工工艺和设备2. 数控机床操作与维护1)数控机床结构和工作原理2)数控机床的操作技能3)数控机床的维护与保养3. 数控编程与仿真1)数控编程语言和常用指令2)数控编程软件的使用3)数控编程的仿真与优化4. 数控教材编写与教学设计1)数控课程教材的编写原则和方法2)数控教学设计和教学方法3)数控实验教学设计与实施5. 数控技术应用案例分析1)数控技术在实际应用中的案例分析 2)数控技术与行业发展趋势分析3)数控技术对人才培养的影响四、培训方式1. 课堂讲授2. 实践操作3. 线上教学4. 实地考察5. 学习小组讨论五、培训计划1. 第一阶段(10天)1)数控技术基础知识的讲授2)数控机床操作实践3)数控编程基础培训2. 第二阶段(10天)1)数控技术应用案例分析2)数控教材编写与教学设计3)数控技术实验教学设计3. 第三阶段(10天)1)数控编程与仿真技术培训2)实地考察数控技术应用企业3)结业考核与总结六、培训师资1. 数控专业教授2. 数控技术实验室技术人员3. 数控技术应用企业的专业人士七、培训成果评价1. 完成培训计划的学员可取得数控教师培训证书。
2. 学员的考核成绩将作为评价培训成果的依据。
八、实施方案本次数控教师培训计划将组织专业教师团队和企业实践人员,采用多种教学方式,搭建线下实践平台,同时结合线上教学资源,保障培训效果和培训质量。
在培训过程中,将加强学员的实践操作能力,促进教师在知识技能和实践经验上的全面提升,培养具备较高数控技术教学水平的专业教师队伍。
“数控机床装调维修工”技师考试培训大纲一、培训内容
1.基础理论知识
(1)机械识图知识。
(2)电气识图知识。
(3)公差配合与形位公差。
(4)金属材料及热处理基础知识。
(5)机床电气基础知识。
(6)金属切削刀具基础知识。
(7)液压与气动基础知识。
(8)测量与误差分析基础知识。
(9)计算机基础知识。
2.机械装调基础知识
(1)钳工操作基础知识。
(2)数控机床机械结构基础知识。
(3)数控机床机械装配工艺基础知识。
3.电气装调基础知识
(1)电工操作基础知识。
(2)数控机床电气结构基础知识。
(3)数控机床电气装配工艺基础知识。
(4)数控机床操作与编程技术知识。
4.维修基础知识
(1)数控机床精度与检测基础知识。
(2)数控机床故障与诊断基础知识。
5.安全文明生产与环境保护知识
(1)现场文明生产要求
(2)安全操作与劳动保护知识
(3)环境保护知识
6.质量管理知识
(1)企业质量目标
(2)岗位质量要求
(3)岗位质量保证措施与责任
7.相关法律、法规知识
(1)《中华人民共和国劳动法》相关知识(2)《中华人民共和国合同法》相关知识
二、工作要求:
三、比重表
1、理论知识
2、技能操作。
《数控机床装调维修工》职业培训大纲中级(国家职业资格四级)1.1 职业名称数控机床装调维修工。
1.2 职业定义使用工具、工装、仪器,对数控机床进行装配、调试和维修的人员1.3 职业等级:本职业共设四个等级,分别为中级(国家职业资格四级)、高级(国家职业资格三级)、技师(国家职业资格二级)、高级技师(国家职业资格一级)。
根据国家职业资格标准将数控机床装调维修工分为机械装调维修、电气装调维修二个独立考核的模块。
本考工大纲为电气装调维修的考核模块。
1.4 职业环境常温、室内。
1.5 职业能力特征具有较强的学习、理解、表达、计算能力;具有较强的空间感、形体知觉、听觉和色觉,具备手指、手臂灵活和形体动作协调性;具有独立作业和多人共同作业协调配合的能力。
1.6 基本文化程度:高中毕业或同等学历。
1.7 培训要求1.7.1 培训期限全日制职业学校教育,根据其培养目标和教学计划确定。
晋级培训期限:中级培训时间不少于400标准学时;(附中级培训计划)1.7.2 培训教师培训中、高级的教师应由具有本职业技师及以上职业资格证书或相关专业中级及以上专业技术职务任职资格;1.7.3 培训场地设备满足教学需要的标准教室和配备了必要的数控机床及零部件总成(包括配电柜)、工具、量具等的场所。
实际操作基本培训也可在车间装配现场进行。
1.8 鉴定要求1.8.1 适用对象从事或准备从事本职业的人员。
1.8.2 申报条件——凡申报本专业的人员必须具有电工上岗资格——中级(具备下列条件之一者)(1)取得相关职业(如装配钳工)初级资格证书后,连续从事本职业工作2年以上,经本职业中级正规培训达到规定标准学时数,并取得结业证书。
(2)取得相关职业初级职业资格证书后,连续从事本职业工作4年以上。
(3)连续从事本职业工作6年以上。
(4)取得经劳动保障行政部门审核认定的,以中级技能为培养目标的中等以上职业学校本职业(专业)毕业证书。
1.8.3 鉴定方式分为理论知识考试和技能操作考核两部分。
师徒培训计划数控一、培训目标1.1 培训对象:新入职的数控操作员1.2 培训目标:使新入职的数控操作员能够掌握数控机床的操作技能,了解基本的数控编程知识,并能够熟练操作数控机床进行加工。
二、培训内容2.1 数控机床的基本原理和结构- 数控机床的基本原理- 数控机床的主要结构和功能- 数控机床的操作界面和控制面板2.2 数控编程知识- G代码和M代码的基本概念- 基本的数控编程格式- 常用的数控编程指令2.3 数控机床的操作技能- 数控机床的开关机操作- 数控机床的刀具更换和校正- 数控机床的工件夹持和工件定位- 数控机床的手动运转和手动操作- 数控机床的自动加工操作2.4 数控程序的编写和调试- 数控程序的编写流程- 数控程序的调试方法- 数控程序的修改和优化2.5 安全生产知识- 数控机床的操作安全常识- 数控机床的日常维护和保养- 数控机床的应急处理方法三、培训方式3.1 理论培训:通过课堂授课的方式,讲解数控机床的基本原理、结构、编程知识等内容,提供理论知识支持。
3.2 案例分析:通过实际案例分析,让学员了解数控机床的具体操作流程和实际应用场景,增强学员的操作实践能力。
3.3 实际操作:在工厂现场进行数控机床的实际操作培训,使学员能够亲身操作数控机床,掌握操作技能。
四、培训计划4.1 第一阶段(1周)- 理论培训:数控机床的基本原理和结构- 实际操作:进行数控机床的基本操作练习4.2 第二阶段(1周)- 理论培训:数控编程知识- 实际操作:对已学习的编程知识进行操作练习4.3 第三阶段(1周)- 理论培训:数控程序的编写和调试- 实际操作:通过案例分析和实际操作,完成数控程序的编写和调试4.4 第四阶段(1周)- 安全生产知识培训:数控机床的安全操作知识和日常维护常识- 实际操作:实际操作中强化安全生产意识五、培训评估5.1 学习成绩:通过理论考试和实际操作考核,对学员进行考核评估5.2 实际表现:考核学员在实际操作中的操作技能和应变能力5.3 课程反馈:通过课程后的学员反馈和问题反馈,调整和改进培训计划六、实施步骤6.1 确定培训计划- 确定培训目标和内容- 制定具体的培训计划6.2 培训准备- 准备培训所需的教材和教学设备- 安排培训师资力量和实际操作场地6.3 进行培训- 按照培训计划进行培训- 充分利用实际操作和案例分析等方式进行培训6.4 培训评估- 对学员进行考核评估- 收集学员反馈和问题反馈,调整和改进培训计划七、培训效果评估7.1 学员的掌握情况:观察学员在实际操作中的技能掌握情况7.2 学员的表现:考核学员的理论知识掌握情况和实际操作表现7.3 课程反馈:根据学员反馈和问题反馈,对培训计划进行效果评估和改进八、结业及后续跟进8.1 结业证书:对通过培训并能够熟练操作数控机床的学员颁发结业证书8.2 后续跟进:进行后续的工作跟进,关注学员在实际工作中的表现和成长,并给予必要的帮助和支持在进行培训时,应特别注意理论与实践相结合,因为这样更有助于学员真正掌握数控操作技能。