2018年度公路水运工程工地试验室 及现场检测项目信用评价表
- 格式:docx
- 大小:16.13 KB
- 文档页数:5
公路水运工程质量检测机构(母体机构)信用评价标准
公路水运工程工地试验室及现场检测项目信用评价标准
注:各级检查中发现的同样问题,不重复扣分。
附件3
公路水运工程检测人员信用评价标准
检测机构信用评价综合得分计算公式检测机构信用评价综合得分计算公式为:
W=W(∖-χ)+-YW i"
W—试验检测机构信用评价综合得分
W一母体机构得分
—工地试验室及现场检测项目得分
n—工地试验室及现场检测项目数
n=0时7=0
n=1~3时7=0.3
n=4~6时/=0.4
n=7~10时y=0.6
n>10时/=0.7
年度公路水运工程质量检测机构(母体机构)信用评价表
机构评价情况
注:各级检查中发现的同样问题,不重复扣分。
市级交通运输主管部门:(盖章)评价人: 负责人:
日期:
省级交通运输主管部门:(盖章)评价人: 负责人:
日期:
附件6
年度公路水运工程工地试验室及现场检测项目信用评价表
部级交通运输主管部门:(盖章)复核人: 负责人:
日期:
工地试验室或现场检测项目名称:
日期:
项目监管交通运输主管部门:(盖章)
省级交通运输主管部门:(盖章)
日期: 复核人: 负责人:
业主单位:(盖章)负责人: 评价人: 负责人:
日期:
附件7
年度公路水运工程质量检测从业人员信用评价表。
附件1:现场质量安全问题扣分表附件2:施工管理扣分表备注:1.建设单位应结合项目特点,在上述检查项目的基础上制订《施工管理检查实施细则》,补充增加检查内容及子项目,明确检查方法及相关扣分标准,并与本办法有关扣分标准保持一致.2。
对各施工单位检查频次应基本均衡;检查子项目的扣分不得超过该子项目的扣分上限.附件3:铁路工程管理平台自动采集问题扣分表说明:“人工核查"是指由人工调查现场实际信息并与平台提供信息进行对比统计数据。
“自动”是指系统根据该模块的平台数据自动计算.附件4:质量监督检测中心抽检不合格项目及扣分表备注:对表中未列项目抽检达到本办法规定的不良行为认定条件的,按相应扣分标准进行扣分。
附件5:一般不良行为认定及扣分标准备注:具体扣分由建设单位在规定幅度范围内细化并公布。
附件6:较大不良行为认定、扣分标准及公布期限附件7:重大不良行为认定标准及公布期限2. 第2项以媒体公布并经核实或部省一级业务主管部门通报为依据;3. 第3项以司法机关或有关纪检部门认定的事实和处理结果作为依据。
附件8:信用评价抢险加分标准备注:1。
抢险加分申请项目须符合下列条件之一:①山体滑坡1万方及以上;②路堤、路堑边坡溜坍1千方及以上;③隧道衬砌严重开裂、变形、垮塌;④桥梁墩台倾斜超限、冲倒;⑤涵洞冲毁。
⑥路堤冲空;⑦中断行车时间6小时及以上(以行车调度命令为准);⑧限速慢行24小时及以上(以行车调度命令为准).2.铁路局集团公司根据施工企业实际投入抢险的人员、大型机械设备以及抢险时间情况、灾害规模和复杂程度,合理提出加分建议值.干线抢险取同档中较大值,支线抢险取同档中较小值。
抢险时间12小时以内的取同档下限,96小时以上的取同档上限。
3.新线抢险涉及隧道被困人员救援抢险的,可取同档高限。
4.抢险加分以项目为单位,不得将多个项目捆起来加分。
5。
多个施工企业共同参与一个项目抢险的,应根据发挥的作用加分,非主要施工企业加分值不超过发挥主要作用的施工企业加分值的70%。
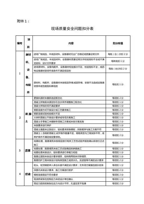
附件1
公路水运工程试验检测机构信用评价标准
★:单次扣分达到标准上限的,应在3个月内再次进行监督复查,若仍存在同样问题应再次扣分。
附件2
公路水运工程工地试验室及现场检测项目信用评价标准
▲:仅适用于工地试验室
附件3
公路水运工程试验检测人员信用评价标准
附件4
试验检测机构信用评价综合得分计算公式:
()∑=⋅+
-=n
i i W n
W W 1
'''
1γ
γ
W — 试验检测机构信用评价综合得分
'W — 母体机构得分
''W — 工地试验室及现场检测项目得分
n — 工地试验室及现场检测项目数
γ — 权重
n =0时 γ=0
n =1~5时 γ=0.4 n =6~10时 γ=0.08×n n >10时 γ=0.8
附件5
年度试验检测机构信用评价表
★:单次扣分达到标准上限的,应在3个月内再次进行监督复查,若仍存在同样问题应再次扣分。
自评人:省级质监机构:(盖章)质监总站:(盖章)
负责人:评价人:复核人:
日期:负责人:日期负责人:日期
附件6
年度工地试验室及现场检测项目信用评价表
★:单次扣分达到标准上限的,应在3个月内再次进行监督复查,若仍存在同样问题应再次扣分。
▲:仅适用于工地试验室
自评人:业主单位(盖章)
授权负责人日期:负责人日期:
市级质监机构:(盖章)省级质监机构:(盖章)
评价人:复核人:
负责人:日期:负责人:日期:
附件7
试验检测人员信用评价表。
2017年度公路水运工程工地试验室及现场检测项目信用评价表★:单次扣分达到标准上限的,应在3个月内再次进行监督复查,若仍存在同样冋题应再次扣分。
▲:仅适用于工地试验室自评人:业主单位(盖章)授权负责人日期:负责人日期:市级质监机构:(盖章)省级质监机构:(盖章)评价人:复核人:负责人:日期:负责人:日期:2017年度公路水运工程试验检测人员信用评价表•仅适用于工地试验室授权负责人评价人:日期:市级质监机构:(盖章)评价人:负责人: 日期: 业主单位(盖章)负责人省级质监机构:(盖章)复核人:负责人:日期:五、恋爱,在感情上,当你想征服对方的时候,实际上已经在一定程度上被对方征服了。
首先是对方对你的吸引,然后才是你征服对方的欲望。
六、没有心如刀割,不再依依不舍,只有,沉默相隔……七、和你在一起只是我不想给任何人机会。
八、一个人总要走陌生的路,看陌生的风景,听陌生的歌,然后在某个不经意的瞬间,你会发现,原本是费尽心机想要忘记的事情真的就那么忘记了。
九、无论我们爱过还是就这样错过,我都会感谢你。
因为遇见你,我才知道思念一个人的滋味;因为遇见你,我才知道感情真的不能勉强;因为遇见你,我才知道我的心不是真的死了;因为遇见你,我才知道我也能拥有美丽的记忆。
所以,无论你怎么对待我,我都会用心去宽恕你的狠,用心去铭记你的好。
十、爱情需要的是彼此互相的照顾,当我们心爱的人累了,我们不是坐在一边不理,而是多陪对方谈谈心,对方需要什么的时候,自己尽量的满足对方的需求,至少可以让对方知道,在自己身边的感觉是如此的温暖。
十二、有的人与人之间的相遇就像是流星,瞬间迸发出令人羡慕的火花,却注定只是匆匆而过。
十三、有一些人,这一辈子都不会在一起,但是有一种感觉却可以藏在心里守一辈子。
十四、不要轻易说爱,许下的承诺就是欠下的债!十五、不管你是多么的爱对方,但千万不可当第三者。
细想,默然。
因为知道,这样的故事一开始便注定了结局,一开始就注定在这个故事里,很多人会受伤。
附件2:2018年度全国水运工程施工企业信用评价汇总表序号企业名称评价省份数量全国汇总评价得分全国汇总评价等级1 中交天航港湾建设工程有限公司2 98.66 AA2 中交第三航务工程勘察设计院有限公司2 98.40 AA3 中交第一航务工程局有限公司9 97.54 AA4 中交天津航道局有限公司7 97.11 AA5 中建港务建设有限公司 3 96.90 AA6 天津港航工程有限公司 2 96.90 AA7 中交二航局第一工程有限公司 2 96.86 AA8 中交烟台环保疏浚有限公司 2 96.80 AA9 中交二航局第三工程有限公司 4 96.66 AA10 中交一航局第二工程有限公司 3 96.61 AA11 长江南京航道工程局 4 96.36 AA12 广西新港湾工程有限公司 2 96.35 AA13 中交上航局航道建设有限公司 2 96.33 AA14 四川路航建设工程有限责任公司 2 96.26 AA15 中交第三航务工程局有限公司 6 96.22 AA16 中交天航滨海环保浚航工程有限公司 3 96.03 AA17 中交三航局第三工程有限公司 3 95.83 AA18 安徽省中成建设工程有限公司 2 95.79 AA19 中交第四航务工程局有限公司7 95.62 AA20 中交第二航务工程局有限公司14 95.43 AA数量评价得分评价等级21 中交一航局第一工程有限公司 3 95.30 AA22 安徽省交通航务工程有限公司 2 95.23 AA23 中交上海航道局有限公司 6 94.96 A24 中运建设控股有限公司 3 94.87 A25 上海交通建设总承包有限公司 2 94.73 A26 上海三航奔腾海洋工程有限公司 3 94.41 A27 长江宜昌航道工程局 4 94.36 A28 中交广州航道局有限公司 6 94.32 A29 长江航道局 5 94.26 A30 交通运输部广州打捞局 5 94.20 A31 江西省路港工程有限公司 2 94.05 A32 安徽省路港工程有限责任公司 1 94.00 A33 南京港港务工程有限公司 1 94.00 A34 神华上航疏浚有限责任公司 1 94.00 A35 湖北省航道工程有限公司 1 94.00 A36 中铁港航局集团有限公司 1 94.00 A37 中交一航局第三工程有限公司 1 94.00 A38 中国港湾工程有限责任公司 1 94.00 A39 中交一航局第四工程有限公司 1 94.00 A40 中交三航局第二工程有限公司 1 94.00 A41 中交四航局第二工程有限公司 1 94.00 A42 舟山市海军华东工程建设局 1 94.00 A43 湖南省中源航务工程有限责任公司 1 94.00 A数量评价得分评价等级44 湖南省航务工程公司 1 94.00 A45 天津深基工程有限公司 1 94.00 A46 大连港湾工程有限公司 1 94.00 A47 黑龙江省港航工程有限公司 1 94.00 A48 山东中交航务工程有限公司 1 94.00 A49 山东港湾建设集团有限公司 1 94.00 A50 连云港港务工程公司 1 94.00 A51 中交一航局第五工程有限公司 5 93.72 A52 福建路港(集团)有限公司 1 93.20 A53 宁波交通工程建设集团有限公司 3 92.89 A54 中铁广州工程局集团有限公司 2 92.88 A55 长江重庆航道工程局 3 92.77 A56 中国水电建设集团港航建设有限公司 2 92.59 A57 江苏省交通工程集团有限公司 3 92.52 A58 中国铁建港航局集团有限公司8 92.35 A59 广东宏大广航工程有限公司 4 92.18 A60 温州交通建设集团有限公司 3 91.08 A61 中国水产广州建港工程有限公司 1 91.00 A62 中建筑港集团有限公司 6 90.75 A63 天津津滨总承包工程有限公司 1 90.00 A64 中港建设集团有限公司 1 89.97 A65 浙江省第一水电建设集团股份有限公司2 89.78 A数量评价得分评价等级66 中海工程建设总局 4 89.50 A67 中港疏浚有限公司 1 88.60 A68 上海长通疏浚工程有限公司 1 88.60 A69 长江武汉航道工程局 3 87.31 A70 重庆市渝航交通工程有限公司 1 86.10 A71 广东金东海集团有限公司 3 85.79 A72 中国葛洲坝集团第五工程有限公司 3 85.46 A。
交通运输部关于公布2018年度全国水运工程设计、施工、监理企业和监理工程师信用评价结果的公告
文章属性
•【制定机关】交通运输部
•【公布日期】2019.08.16
•【文号】
•【施行日期】2019.08.16
•【效力等级】部门规范性文件
•【时效性】现行有效
•【主题分类】水运
正文
交通运输部关于公布2018年度
全国水运工程设计、施工、监理企业和监理工程师信用
评价结果的公告
根据《水运工程设计和施工企业信用评价办法(试行)》(交水发〔2014〕113号)、《公路水运工程监理信用评价办法》(交质监发〔2012〕774号),交通运输部组织开展2018年度全国水运工程设计、施工、监理企业和监理工程师信用评价,汇总形成了信用评价结果,现予公布。
特此公告。
附件:1.2018年度全国水运工程设计企业信用评价汇总表
2.2018年度全国水运工程施工企业信用评价汇总表
3.2018年度全国水运工程监理企业信用评价汇总表
4.2018年度全国水运工程监理工程师失信扣分情况汇总表
5.2016-2018年度全国水运工程监理工程师失信扣分情况汇总表
交通运输部2019年8月16日。
2017年度公路水运工程工地试验室
及现场检测项目信用评价表
工地试验室
名称或现场
检测项目
(盖章)
授权机构
授权机构
资质
1、资质等级:
2、证书号:
工地试验室设立日期试验检测工程
师(人)
试验检测
员(人)
工地试验室
或现场检测项目授权负责人1、姓名: 2、持证书号:
3、职称:
4、联系电话:
工地试验室或现场检测项目评价情况
序
号行为代码失信行为扣分标准
自评
扣分
业主
意见
市级
质监
机构
评价
扣分
省级质
监机构
复核扣
分
备注
1JJC202001出虚假数据报告并造
成质量标准降低的扣100分0
2JJC202002存在虚假数据和报告
及其他虚假资料
扣10分/份、
单次扣分不
超过30分
★
3JJC202003聘用信用很差或无证
试验检测人员从事试
验检测工作的, 或所聘
用的试验检测人员被
评为信用很差的。
扣10分/人
4JJC202004
未经母体机构有效授
权扣20分/项
▲
5JJC202005授权负责人不是母体
机构派出人员的扣10分0
▲
6JJC202006超授权范围开展业务扣5分/参数0▲
7JJC202007未按规定或合同配备
相应条件的试验检测
人员或擅自变更试验
检测人员
扣5分/试验
检测师·次
3分/试验检
测员·次
8JJC202008未按规定或合同配备
满足要求的仪器设
备、设备未检定校准
的
扣2分/台,
单次扣分不
超过20分
★
9JJC202009
试验检测环境达不到
技术标准规定要求的扣2分/处,
单次扣分不
超过10分
2
★
10JJC202010报告签字人不具备资格扣2分/份,
单次扣分不
超过10分
★
11JJC202011试验检测原始记录信
息及数据记录不全,
结论不准确,试验检
测报告不完整(含漏
签、漏盖章),试验检
测频率不满足规范或
合同要求
扣3分/类
12JJC202012未按规定上报发现的
试验检测不合格事项
以及不合格报告
未上报扣5
分/次,
13JJC202013对各级监督部门提出
的检查意见整改不闭
合的
扣20分/项
14JJC202014未经备案审核开展检
测业务的
扣20分0
▲
15JJC202016
严重违反试验检测技
术规程操作的扣10分/项
扣分合计2
得分100-扣分值98最低0分
★:单次扣分达到标准上限的,应在3个月内再次进行监督复查,若仍存在同样问题应再次扣分。
▲:仅适用于工地试验室
自评人:业主单位(盖章)
授权负责人日期:负责人日期:
市级质监机构:(盖章)省级质监机构:(盖章)
评价人:复核人:
负责人:日期:负责人:日期:
2017年度公路水运工程试验检测人员信用评价表姓名年龄身份证号
职称资格证书号
注册试验检测机构
工作岗位及职务试验室负责人
序号行为代码失信行为扣分标准
自评
扣分
业主
意见
市级
质监
机构
评价
扣分
省级
质监
机构
复核
扣分
1JJC203001在试验检测活动中被司
法部门认定构成犯罪的
扣40分0
2JJC203002出具虚假数据报告造成
质量标准降低的
扣40分0
3JJC203003出现JJC201001、
JJC201002、
JJC201003、JJC201004
项行为对相应负责人的
处理
1001、1002
行为扣40
分,1003、
1004行为扣
20分
4JJC203004同时受聘于两个或两个
以上试验检测机构的
扣20分0
5JJC203005出借试验检测人员资格
证书的
扣40分/次0
6JJC203006在试验检测工作中,有
徇私舞弊、吃拿卡要行
为
扣20分/次0
7JJC203007利用工作之便推销建筑
材料、构配件和设备的扣20分/次
8JJC203008玩忽职守造成质量安全
隐患或事故的;扣20分/次
9JJC203009出现JJC201007、
JJC201011、JJC201013
项行为的对技术或质量
负责人的处理,出现
JJC201008、
JJC201010、
JJC201012、
JJC201017、JJC202005
项行为的对机构负责人
的处理
扣3分/项
10JJC203010未按相关标准、规范、
试验规程等要求开展试
验检测工作,试验检测
数据失真的
扣5分/次
11JJC203011超出资格证书中规定项
目范围进行试验检测活
动的
扣5分/项
12JJC203012出具虚假数据和报告的扣10分/份 0
13JJC203013越权签发、代签、漏签
试验检测报告的
扣5分/类
14JJC203014工地试验室信用评价得
分<70分时对其授权负
责人的处理
20分
15JJC203015工地试验室有
JJC202002-3、
JJC202006、
JJC202012、JJC202016
项行为时对其授权负责
人的处理
2002-3行为
扣5分/项,
2006、12、
15行为扣3
分/项
扣分合计0
得分100-扣分值100最低0分
●:仅适用于工地试验室授权负责人
评价人:业主单位(盖章)
日期:负责人日期:
市级质监机构:(盖章)省级质监机构:(盖章)评价人:复核人:
负责人:日期:负责人:日期。