平安班组建设活动实施方案
- 格式:doc
- 大小:21.50 KB
- 文档页数:2
平安创建活动实施方案一、活动背景随着社会的不断发展和进步,关注和保障人民群众的生命财产安全成为一项重要任务。
为了提高社会安全意识,构建平安和谐的社会环境,我们公司决定开展平安创建活动。
二、活动目标1. 提高员工的安全意识和自我保护能力,促进员工安全防范意识的形成和提高。
2. 推广安全文化,传播安全知识,营造安全的工作和生活环境。
3. 加强设施和设备的安全管理,提高工作场所的安全保障能力。
4. 提高应急处置能力,减少事故发生时的损失。
5. 促进企业和员工共同参与安全管理,形成多方共治的局面。
三、活动内容及时间安排1. 安全培训(时间:第一周)- 针对不同岗位的员工,组织相应的安全培训课程,包括消防安全、电气安全、交通安全、食品安全等内容。
- 邀请相关专家进行授课,提供实用的防范知识和应急处理方法。
- 培训结束后,进行知识测验,确保员工掌握相关安全知识。
2. 安全演练(时间:第二周)- 在公司内部组织安全演练,模拟火灾、地震、事故等突发事件,让员工学会如何正确逃生和应对。
- 演练过程中,注意全程记录各个环节的问题和不足,并进行总结,定期进行改进和完善。
3. 安全设施检查和维护(时间:第三周)- 对公司的安全设施进行全面检查,确保灭火器、灭火器具、疏散通道、应急照明等设施完好有效。
- 针对发现的问题,及时进行维修和更换,确保设施的正常运行。
4. 安全宣传(时间:第四周)- 制作宣传海报、手册、宣传单等材料,宣传安全知识和注意事项。
- 在公司内部公共区域张贴宣传海报,发放宣传单和手册。
- 利用微信公众号、企业内部通讯软件等渠道,进行安全知识传播。
5. 安全意识调查(时间:第五周)- 发放安全意识调查问卷,了解员工对安全管理的认知情况,同时收集员工的意见和建议。
- 根据调查结果,进一步完善和改进安全管理工作,增强员工的参与感和满意度。
四、活动评估与总结1. 活动期间,定期进行安全管理情况的检查和评估,以确保活动的顺利进行。
安全班组建设实施方案好的,以下是为您生成的三篇【安全班组建设实施方案】:方案一安全班组建设实施方案一、背景、目的和意义在当今快节奏的工作环境中,安全问题就像一颗不定时的炸弹,稍不留神就可能引发大灾难。
咱们公司的业务日益繁忙,各个班组在追求高效的同时,安全隐患也悄悄冒了头。
所以,为了保障每一位小伙伴的生命财产安全,为了让咱们的工作能顺顺利利不出岔子,这安全班组建设方案必须得搞起来!目的很简单,就是要打造一个个坚不可摧的安全堡垒,让大家在安全的环境中放心工作。
意义嘛,那可大了去了!不仅能减少事故,保障大家的身心健康,还能提高工作效率,让咱们的团队更有凝聚力,公司发展更稳当。
二、具体目标1. 本年内,实现安全事故数量降低 50%,这可不是说着玩的!2. 每个月进行至少两次全面的安全检查,每次检查的问题整改完成率达到 90%以上。
3. 确保全体班组成员都能熟练掌握至少三种安全应急技能,这可是关键时刻能救命的!4. 员工对安全知识的知晓率达到 95%以上,别一问三不知啊!三、现状分析内部情况:咱们有些班组的小伙伴安全意识还不够强,总觉得事故离自己很远。
工作流程中也存在一些不规范的操作,比如图省事不戴安全帽啥的。
还有,安全培训有时候走过场,大家没真正上心。
外部情况:行业竞争激烈,别的公司都在狠抓安全,咱们要是落后了,那可就丢人啦!而且相关法规越来越严格,一旦出了岔子,罚款都能罚到咱们哭。
四、具体方案内容1. 加强安全培训- 每个月至少组织一次全体班组成员参加的安全知识讲座,邀请专家来讲,得让大家听得津津有味。
- 搞一些有趣的安全知识竞赛,奖品丰厚点,激发大家的积极性。
- 制作安全操作小视频,在工作间循环播放,让大家随时随地都能学。
2. 规范工作流程- 重新梳理各个工作环节,制定详细的安全操作手册,人手一份,谁不遵守就罚他抄十遍!- 设立安全监督员,专门盯着大家的操作,发现问题及时纠正。
3. 安全设施升级- 定期检查和维护安全设备,该换新的就换新的,别舍不得这点钱。
班组安全创建活动实施方案一、背景和目的随着社会的不断发展,安全生产的重要性日益凸显。
为了提高班组安全生产水平,减少安全事故的发生,我们决定开展班组安全创建活动。
本活动的目的是通过加强班组安全管理,提高员工的安全意识和安全技能,确保生产过程的安全可靠。
二、活动时间和范围1. 活动时间:本活动将持续一年,从2021年x月x日开始,至2022年x月x日结束。
2. 活动范围:本次班组安全创建活动将在全公司范围内进行,所有班组均需参与。
三、活动内容1. 建立完善的安全管理制度:班组应根据公司的安全生产要求,制定和完善安全管理制度,确保生产过程中的安全。
2. 加强安全培训和教育:班组应定期组织安全培训和教育活动,提高员工的安全意识和安全技能。
3. 开展安全巡查和隐患整改:班组应定期进行安全巡查,发现隐患及时整改,确保生产现场的安全。
4. 推广安全技术和创新:班组应积极推广应用先进的安全技术和创新方法,提高安全生产水平。
5. 加强安全文化建设:班组应加强安全文化建设,营造良好的安全氛围,使安全成为每个人的自觉行为。
四、活动步骤1. 准备阶段(x月x日-x月x日):班组制定活动计划,明确活动目标和具体措施,并进行宣传和动员。
2. 实施阶段(x月x日-x月x日):班组按照活动计划,逐一落实各项活动内容,确保活动的顺利进行。
3. 检查评估阶段(x月x日-x月x日):公司安全管理部门对各班组的活动情况进行检查评估,对存在的问题进行指导和帮助。
4. 总结阶段(x月x日-x月x日):班组对活动情况进行总结,对取得的成绩和存在的问题进行分析和反思,提出改进措施。
五、活动奖励1. 表彰优秀班组:对在活动中表现突出的班组进行表彰,给予一定的奖励。
2. 奖励先进个人:对在活动中表现优秀的个人进行奖励,包括奖金、晋升机会等。
六、活动组织与支持1. 班组自行组织活动,公司安全管理部门提供必要的指导和帮助。
2. 公司提供活动所需的资金和资源支持,确保活动的顺利进行。
关于开展创建“平安单位”活动的实施方案
实施创建“平安单位”活动的方案可以分为以下几个步骤:
1.确定目标:明确要创建的“平安单位”标准和指标,例如建立健全的安全管理制度、提供员工安全培训、设立安全设施等。
2.宣传动员:通过企业内部宣传渠道,向所有员工介绍“平安单位”活动的意义、目
标和要求,并鼓励员工积极参与。
3.组织筹备:成立一个“平安单位”活动筹备组,由安全管理部门的负责人带领,负
责制定具体的实施计划、活动时间表、人员安排等。
4.安全检查与隐患排查:对企业内部的安全风险进行全面的检查和排查,包括消防安全、电气安全、环境安全等方面,发现安全隐患及时整改。
5.安全培训:组织安全培训活动,培养员工的安全意识和应急处理能力,包括消防知识、安全操作规程等。
6.设立安全设施:根据需要,在企业内部适当地设置安全设施,如防火设备、安全出
口等。
7.建立安全管理制度:制定一套完善的安全管理制度,明确各部门的安全职责和工作
流程,确保安全管理的规范性和可操作性。
8.内部评估和外部评审:企业可以自行进行内部评估,对“平安单位”标准和指标进
行自查,也可以邀请第三方机构进行外部评审,确保评估结果的客观性和可信度。
9.总结经验和持续改进:活动结束后,组织开展经验总结,识别问题和不足,并制定改进措施,持续提升企业的安全管理水平。
以上是一种创建“平安单位”活动的实施方案,具体实施时可以根据企业的实际情况进行调整和完善。
平安班组创建实施方案一、领导重视,明确责任。
1. 公司领导要高度重视平安班组创建工作,将其纳入到企业安全生产管理体系之中,并将其作为重要指标纳入绩效考核体系。
2. 设立专门的安全管理部门,明确安全生产工作的组织架构和责任分工,确保平安班组创建工作的顺利推进。
二、建立健全的制度体系。
1. 制定并完善相关的安全生产制度和规章制度,明确班组成员在生产过程中的安全责任和义务。
2. 建立安全生产档案,对每位班组成员进行安全教育培训,并建立健全安全生产档案,及时记录和总结事故隐患和事故原因,以便进行及时的整改和改进。
三、加强安全教育培训。
1. 通过定期举办安全生产培训班,提高班组成员的安全意识和应急处置能力。
2. 制定并组织实施安全演练计划,让班组成员在模拟的安全事故中学会正确的逃生和自救方法,提高应对突发事件的能力。
四、建立安全隐患排查制度。
1. 每周开展一次安全隐患排查,及时发现和整改安全隐患,确保生产过程中的安全。
2. 建立安全隐患排查台账,对排查出的安全隐患进行记录和跟踪,确保整改到位。
五、加强安全生产监管。
1. 设立安全生产监管小组,定期对班组的安全生产工作进行检查和督导,及时发现和纠正安全生产中存在的问题。
2. 建立安全生产考核制度,对班组成员的安全生产工作进行考核评比,激励安全生产工作的积极性和主动性。
六、建立安全生产奖惩机制。
1. 建立安全生产奖励制度,对在安全生产工作中表现突出的班组成员进行表彰和奖励。
2. 建立安全生产惩戒制度,对违反安全生产规定的班组成员进行严肃处理,以震慑全体员工,确保安全生产工作的顺利进行。
通过以上实施方案的落实,我们可以有效地提升班组的安全生产意识和能力,减少安全事故的发生,保障员工的生命财产安全,提高生产效率,为企业的可持续发展提供有力保障。
希望全体班组成员能够积极配合,共同落实好平安班组创建实施方案,共同营造一个安全、和谐的生产环境。
关于创建“平安单位”活动的实施方案 (2) 关于创建“平安单位”活动的实施方案 (2)精选2篇(一)活动名称:平安单位创建活动活动目标:1. 提升单位员工的安全意识和应急能力;2. 加强单位安全管理,建立健全的安全制度和规范;3. 创建一个安全、和谐的工作环境,提高单位员工的工作满意度和生产效益。
活动内容:1. 确定活动时间和地点:- 活动时间:根据单位的实际情况,选择一个合适的时间,最好在工作日进行; - 活动地点:可以选择单位办公场所或其他适当的场地。
2. 筹备活动物资和设备:- 安全宣传材料:准备相关的宣传材料,包括安全知识手册、宣传海报等;- 应急救援设备:准备一些基本的应急救援设备,如急救箱、灭火器等。
3. 活动流程安排:- 开场仪式:由领导或相关负责人致辞,介绍活动目的和意义;- 安全知识培训:邀请专业人士进行安全知识的培训,如消防知识、急救知识等; - 安全演练:组织员工进行应急逃生演练,加强员工的应急反应能力;- 安全检查:针对单位的安全隐患进行检查,制定整改措施;- 安全宣传:通过宣传材料、宣传活动等形式,进一步加强员工的安全意识;- 答题抽奖:组织安全知识答题活动,鼓励员工参与,并提供一些奖品以增加参与积极性;- 结束仪式:总结活动成果,感谢参与人员的支持和付出。
4. 宣传推广:- 内部宣传:通过内部通讯、会议、培训等渠道,提前向员工宣传活动的重要性和内容;- 外部宣传:可以通过单位官网、社交媒体等途径,向外界宣传活动的信息,增加公众的关注。
5. 后续跟进:- 跟进安全整改工作:对安全检查中发现的隐患,单位应制定整改计划,并按计划进行整改;- 定期检查与评估:定期检查单位的安全管理情况,评估活动的实施效果;- 持续宣传:通过定期举办安全知识培训、宣传活动等方式,持续加强员工的安全意识。
以上是关于创建“平安单位”活动的实施方案,具体内容可根据单位的实际情况进行调整和添加。
关于创建“平安单位”活动的实施方案 (2)精选2篇(二)活动名称:创建“平安单位”活动活动目标:1. 提高单位员工的安全意识和安全知识,增强安全防范意识;2. 建立安全文化,形成全员参与的安全管理机制;3. 打造平安单位,为员工提供安全稳定的工作环境。
2023年供电企业建设平安班组活动实施方案一、活动目标:1. 提升班组全员的安全意识和责任意识,强化安全管理措施,全面构建平安班组;2. 培养班组成员之间的团队合作意识和互助互助精神,提高工作效率和质量;3. 建立和完善班组内部的安全管理制度和操作规程,确保工作的安全进行。
二、组织形式和时间安排:1. 活动时间:2023年全年;2. 活动形式:结合线上与线下,以培训、演练、考核等方式进行。
三、活动内容:1. 制定班组安全管理制度:班组成员共同参与制定班组安全管理制度,明确责任、义务和安全要求。
2. 进行安全培训和教育:组织专业人员对班组成员进行安全培训和教育,包括安全意识、安全技能和应急处置等方面的知识。
3. 安全生产演练:定期组织安全生产演练,模拟各类事故情况,提高班组成员的应急反应能力和协调能力。
4. 日常安全巡查和检查:制定班组日常安全巡查和检查计划,每周至少进行一次巡查,及时发现和解决隐患。
5. 安全事故分析与总结:每月召开班组安全事故分析与总结会议,总结和分析班组内发生的安全事故,查找问题并提出改进措施。
6. 安全奖惩制度建设:制定安全奖惩制度,对班组成员的安全表现进行奖励,对违反安全规定和产生安全事故的行为进行惩罚。
7. 安全技能竞赛:举办班组内部的安全技能竞赛,增强班组成员之间的竞争意识和学习动力,提高安全技能水平。
8. 班组活动交流:定期组织班组活动交流,加强班组成员之间的沟通与交流,营造良好的工作氛围。
四、组织实施和监督:1. 成立活动组织委员会:组建由企业相关部门和班组负责人组成的活动组织委员会,负责全年活动的策划、组织和执行。
2. 指定活动负责人:由委员会指定一名具有丰富安全管理经验的专职负责人,负责具体实施和监督活动的开展情况。
3. 加强宣传和宣传力度:通过内部通知、企业网站、宣传栏等方式,广泛宣传活动内容和目标,提醒班组成员关注安全问题。
4. 每月开展安全督导:每月组织安全专项督导员对班组安全管理工作进行检查和考核,并提出整改意见和建议。
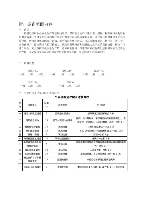
附:橱窗版面内容一、前言班组是煤矿企业安全生产最基层的组织,煤矿安全生产法律法规、规程、标准和相关制度的贯彻和落实、先进安全技术的推广和应用都要经过班组落实到现场。
通过强化班组建设来加强现场管理,增强班组成员的责任意识、安全意识和集体意识,提高班组凝聚力、执行力、战斗力、安全保障力,提高班组自救互救能力、班组长现场指挥和处置能力及职工的操作技能,杜绝“三违”行为,充分发挥班组安全生产第一道防线的作用,推进煤矿系统标准化建设和创先争优活动的发展,充分发挥党员在班组建设中的先锋带头作用,努力创建平安和谐矿井。
二、班组设置采煤一队采煤二队掘进一队一班二班三班一班二班三班一班二班三班掘进二队机运队一班二班三班一班二班三班三、平安班组及优秀班组长考核办法平安班组创评综合考核办法序号考核项目标准分检查方式评比办法一班组人员稳定情况 5 查班组人员编制发现职工频繁更换的扣1分二班组综合能力15 查下井现场作业情况提问、实作等形式,考评班组长的组织指挥能力,责任意识、安全意识、和操作技能,不符一次扣1分三班前会学习情况10 现场检查未组织职工参加一次扣1分四组织施工情况10 现场检查不按《作业规程》和措施组织施工一次扣1分五“三违”情况 5 现场检查发现一次扣2分六隐患排查整改情况10 现场检查及验收未执行一次扣1分七熟悉避灾线路及险情处理情况5 现场检查不熟悉避灾线路或发现事故征兆遇到险情处理措施不力一次扣1分八班组长带班情况10 现场检查无带班作业一次扣1分九现场交接班情况10 现场检查未现场交接、不交接或交接不清一次扣1分十安全生产目标分解落实情况15 查相关资料未将目标分解落实的该项无分十一班组职工出勤情况 5 查相关资料本班当月有1人出勤不足20个扣1分,扣完为止优秀班组长创评综合考核办法序号考核项目标准分检查方式评比办法一组织学习情况10 查资料和现场提问缺一次学习记录扣1分,相关安全生产知识,作业规程、安全技术措施不能准确回答一次扣1分二遵守劳动纪律15 现场检查不听从煤矿指挥、不遵守煤矿管理制度的一次扣1分三技术装备的应用和维护保养10 现场检查和提问设备操作不熟练、维护保养不及时一次扣2分四班前会议10 查资料未参加一次扣5分,班组成员缺一人扣1分五爱护设备设施及佩戴劳动保护用品5 现场检查故意损坏设备设施的扣3分,班组人员有1人未佩戴劳动保护用品一次扣1分六落实规程及技术措施10 现场提问未按规程和技术措施施工的扣2分,工程质量差扣5分七违章指挥和违章作15 现场检查出现一次扣5分业八应急救援 5 现场提问不熟悉避灾线路或发现事故征兆遇到险情处理措施并报告的扣2分九关心爱护职工 5 现场提问对本班组的职工家庭、身体状况、优缺点有一人不熟悉扣2分十完成安全生产任务15 查资料和现场提问不能按时、按质、按量完成生产任务的扣5分3、优秀班组长综合考核办法序号考核项目标准分检查方式评比办法一组织学习情况10 查资料和现场提问缺一次学习记录扣1分,相关安全生产知识,作业规程、安全技术措施不能准确回答一次扣1分二遵守劳动纪律15 现场检查不听从煤矿指挥、不遵守煤矿管理制度的一次扣1分三技术装备的应用和维护保养10 现场检查和提问设备操作不熟练、维护保养不及时一次扣2分四班前会议10 查资料未参加一次扣5分,班组成员缺一人扣1分五爱护设备设施及佩戴劳动保护用品5 现场检查故意损坏设备设施的扣3分,班组人员有1人未佩戴劳动保护用品一次扣1分六落实规程及技术措施10 现场提问未按规程和技术措施施工的扣2分,工程质量差扣5分七违章指挥和违章作业15 现场检查出现一次扣5分八应急救援 5 现场提问不熟悉避灾线路或发现事故征兆遇到险情处理措施并报告的扣2分九关心爱护职工 5 现场提问对本班组的职工家庭、身体状况、优缺点有一人不熟悉扣2分十完成安全生产任务15 查资料和现场提问不能按时、按质、按量完成生产任务的扣5分4、机运队优秀班组长综合考核办法序号考核项目标准分检查方式评比办法一组织学习情况10 查资料和现场提问缺一次学习记录扣1分,相关安全生产知识,作业规程、安全技术措施不能准确回答一次扣1分二遵守劳动纪律15 现场检查不听从煤矿指挥、不遵守煤矿管理制度的一次扣1分三技术装备的应用和维护保养10 现场检查和提问设备操作不熟练、维护保养不及时一次扣2分四班前会议10 查资料未参加一次扣5分,班组成员缺一人扣1分五爱护设备设施及佩戴劳动保护用品5 现场检查故意损坏设备设施的扣3分,班组人员有1人未佩戴劳动保护用品一次扣1分六落实规程及技术措施10 现场提问未按规程和技术措施施工的扣2分,工程质量差扣5分七违章指挥和违章作业10 现场检查出现一次扣5分八应急救援 5 现场提问不熟悉避灾线路或发现事故征兆遇到险情处理措施并报告的扣2分九关心爱护职工 5 现场提问对本班组的职工家庭、身体状况、优缺点有一人不熟悉扣2分十完成安全生产任务10 依据当月安全状况当月出现一起运输事故无分十完成运输任务10 依据当朋运输状况出现一次当班煤矸石未运完扣2分一四、班组长任职条件1、具备“三力”:即较高的业务能力、较强的组织协调能力、较好的情感沟通能力。
平安班组建设制度平安班组建设制度指的是为了确保企业生产经营过程中的安全、稳定和良好的劳动关系而建立的班组管理制度。
这一制度的建立对于提高企业管理水平、改善员工劳动环境非常重要。
以下是一份的平安班组建设制度。
一、制度目的为了保障企业生产经营的平稳发展,维护员工的权益,防止事件的发生,本制度旨在建立一个平安、和谐、团结、高效的班组管理制度。
二、适用范围本制度适用于公司所有工作班组,包括但不限于生产、物流、维修、安全部门等。
三、部门职责1、公司领导应当制定公司管理制度,加强班组工作的监督与管理,并对班组的工作成绩进行评价;2、班组长是班组的组织者、领导者和执行者,对本班组负责,应当认真执行本制度。
3、所有班组成员都要执行制度,落实班组文化建设,共同维护班组利益。
四、平安班组建设1、安全生产的管理(1)班组长要确保机器设备的安全使用,并制订安全管理制度,定期进行安全检查;(2)班组成员修理设备时,应当严格按照操作规程,不得碰触高压电线等危险物品;(3)班组成员发现安全隐患应及时上报,当发生紧急情况时,必须迅速采取应急措施。
2、卫生管理(1)班组应当建立岗位卫生管理制度,确保工作区域内环境干净、整洁并消毒;(2)班组成员要积极参与卫生管理工作,保持自己的卫生习惯,不携带病菌进入工作区域;(3)定期进行清洗设备或清理垃圾,确保工作区域干净卫生。
3、班组党建工作(1)班组长要充分肯定班组中的优秀党员表现,并加强其培训和管理,发挥其先锋作用;(2)班组要开展各种形式的政治、文化、志愿服务等活动,加强党员队伍的凝聚力和向心力,在班组中建立和谐的群体氛围。
4、劳动纪律(1)班组成员在工作中要服从班组长的管理,坚持自己的岗位职责,不可随意离开工作岗位;(2)班组成员认真落实内部纪律,不得迟到早退,不得擅自离岗,不得利用工作时间干私事;(3)严禁违反公司劳动纪律及国家法律法规,如因违反而导致损害,将按相关规定进行处理。
运行管理部班组安全建设活动实施方案为进一步夯实基层基础工作,全面推进安全生产标准化建设,切实提高安全管理管理水平,根据总部最新指引要求,我项目部将开展班组安全生产标准化建设活动。
具体活动方案如下:一、指导思想以科学发展观为指导,认真贯彻“安全第一、预防为主、综合治理”的方针,牢固树立科学发展、安全发展的理念,以夯实三基工作(基层、基础、基本素质)为抓手,深化班组安全文化建设为目的,以争创安全生产标准化优秀班组和班组长活动为载体,进一步落实班组安全生产责任制,健全班组安全管理制度,强化班组安全教育,加强班组现场安全管理,完善班组安全考核,全面提升班组安全生产工作水平。
二、工作目标通过“班组安全生产标准化建设”活动“一个”推进(推进班组安全文化建设)、“两个”创建(创建安全标化班组,创建安全标化班组长队伍)、“三个”实现(实现班组作业标准化,实现班组管理规范化,实现班组考评常态化)的有效开展,进一步健全本项目部班组安全生产工作机制,实现本项目部班组安全生产规范化、制度化、精细化管理,进一步加强对生产一线现场的安全生产标准化的实施,集中整治不安全行为,消除事故隐患,培养一大批强意识、守纪律、严操作、会处置的优秀班组,真正实现无事故、无“三违”现象、无差错。
完成安全班组、标化班组的目标,确保项目工程建设安全平稳的开展。
三、组织领导为更好地推动“班组安全生产标准化建设”活动的深入开展,落实各项相关管理制度,我部门将成立“班组安全生产标准化建设”活动领导小组。
组长:熊干平副组长:邬际强、涂海萍成员:谢华勇、胡骏、章胜根、涂乔松、罗贤国、潘玉珊、四、工作职责(一)领导小组办公室职责:1、贯彻落实上级部门关于“班组安全生产标准化建设”活动要求,做好相关工作,具体负责部门各班组建设活动的知道、监督、检查和考评;2、根据指挥部相关要求,制定本部门“班组安全生产标准化建设”活动实施方案和细则,加强组织和领导,落实责任和措施,确保活动持续有效地展开;3、制定相关班组安全管理制度、岗位职责、操作规程;加强班组长队伍建设、班组日常管理、教育培训及班组文化建设;4、对各项目部“班组安全生产标准化建设”活动开展情况定期进行分析总结,不断改进提高,及时向指挥部、监理办等上级单位上报相关材料;5、做好现场学习、观摩会等工作;(二)班组职责:1、贯彻落实部门关于“班组安全标准化建设”活动要求,配合项目部积极做好相关工作;2、班组“两大员“(班组长、班组兼职安全员)做好班组日常检查管理工作;3、严格落实班组安全检查、安全会议、安全教育培训等工作;4、建立班组安全管理台账,将日常开展的检查、会议、教育、活动等记录在案;五、建设内容(一)班组安全生产管理体系建设1、健全班组安全责任制:根据班组、岗位的特点,制订班组安全生产职责,明确班组安全生产责任主体,实行班组长负责、班组安全监督员履行监督检查的工作机制。
平安企业平安班组建设方案【导语】平安企业是每个员工的共同愿景,而平安班组作为企业安全生产的前沿阵地,其建设尤为重要。
本文将为您详细介绍平安企业平安班组的建设方案,旨在为企业的稳健发展保驾护航。
【平安企业平安班组建设方案】一、建设目标1.提高班组成员的安全意识,使安全生产成为每位员工的自觉行动。
2.完善班组安全管理制度,确保班组安全管理水平不断提升。
3.降低事故发生率,保障员工的生命安全和企业的财产安全。
二、建设措施1.加强安全教育(1)定期组织安全知识培训,提高员工的安全意识和技能。
(2)开展安全警示教育活动,以案说法,强化员工的安全意识。
2.完善安全制度(1)制定班组安全管理制度,明确班组成员的安全职责。
(2)建立健全安全生产奖惩机制,激励员工积极参与安全管理。
3.落实安全措施(1)开展安全风险评估,制定针对性的安全防范措施。
(2)加强现场安全管理,严格执行安全操作规程。
(3)定期进行安全检查,发现问题及时整改。
4.提升班组凝聚力(1)加强班组团队建设,提高班组成员的凝聚力和向心力。
(2)开展班组文化活动,营造和谐、积极向上的班组氛围。
5.强化应急处置能力(1)制定应急预案,组织应急演练,提高员工应对突发事件的能力。
(2)建立健全应急物资和设备管理制度,确保应急物资和设备完好。
三、实施步骤1.调查分析:了解班组现状,找出存在的问题和不足。
2.制定方案:根据调查分析结果,制定针对性的平安班组建设方案。
3.组织实施:按照方案要求,分阶段、分步骤推进平安班组建设。
4.检查评估:定期对平安班组建设情况进行检查评估,总结经验,发现问题,及时调整。
5.持续改进:根据检查评估结果,不断完善平安班组建设方案,持续提升班组安全管理水平。
四、保障措施1.加强组织领导,明确责任分工,确保平安班组建设工作的顺利推进。
2.加大投入,为平安班组建设提供必要的资金和物资支持。
3.建立健全激励机制,鼓励班组成员积极参与平安班组建设。
平安班组建设制度前言在工作中,班组是一个非常重要的组织单位。
班组的安全生产管理不仅关系到班组成员的生命财产安全,也影响着整个单位的安全生产工作。
因此,在企业中建立一套完善的平安班组建设制度显得尤为重要。
制定意义制定这一制度的意义在于,规范班组成员的行为,保障班组成员的健康与安全,提高班组的安全生产水平,提高企业的整体安全生产水平。
制度内容一、班组组成每个班组应当由一名班组长和若干名班组成员组成。
班组长应当具有相应的技能和知识,具备管理班组、组织作业和安全生产管理的能力。
二、班前会每个班组在开始工作前,应当举行班前会,班前会的内容应当包括:1.回顾上一班的工作内容,总结经验和教训;2.安排当班的工作任务和工作计划;3.分配工作职责,明确各自的工作要求;4.安排安全生产措施,制定应急预案;5.其他必要的事项。
三、安全检查每个班组在工作时应当进行安全检查,在安全检查中应当注意以下几点:1.安全防护设施和装备的完好;2.物品和设备的存放和使用是否符合规定;3.安全操作流程是否正确;4.是否存在安全隐患,发现安全隐患应立即报告并及时处理;5.其他必要的事项。
四、班后交接每个班组在下班前,应当进行班后交接,班后交接的内容应当包括:1.工作的完成情况;2.职责的落实情况;3.安全隐患和问题的解决情况;4.下班后要注意的安全事项;5.其他必要的事项。
五、安全教育每个班组应当定期进行安全教育和培训,安全教育和培训的内容应包括:1.安全生产法律法规和政策法规知识;2.安全操作流程和注意事项;3.班组管理和组织能力;4.事故应急处理知识和技能;5.其他必要的知识和技能。
结语建立一套平安班组建设制度,对于企业的安全生产管理具有重要的意义。
企业应要高度重视班组的安全生产管理工作,制定完善的班组制度,并通过培训、督查等多种手段,提高班组成员的安全生产水平。
一、活动背景为了加强班组团队建设,提升员工凝聚力,提高工作效率,增强团队协作能力,结合我国企业文化建设的要求,特制定本班组建设计划开展活动方案。
二、活动目标1. 增强班组员工的团队意识,提高团队凝聚力。
2. 提升员工综合素质,激发员工潜能。
3. 促进员工之间的沟通与交流,营造和谐的工作氛围。
4. 增强班组整体执行力,提高工作效率。
三、活动内容1. 团队拓展训练(1)活动目的:通过户外拓展训练,让员工在轻松愉快的氛围中增进了解,提高团队协作能力。
(2)活动内容:包括高空断桥、信任背摔、盲人方阵、达芬奇密码等经典项目。
(3)活动时间:每周五下午,连续进行4周。
2. 内部知识竞赛(1)活动目的:提高员工业务水平,激发学习热情,营造浓厚的学习氛围。
(2)活动内容:设置理论知识和实际操作两部分,以小组为单位参赛。
(3)活动时间:每月最后一周的周五下午。
3. 优秀员工评选活动(1)活动目的:树立先进典型,激发员工积极向上的精神风貌。
(2)活动内容:设立最佳团队、最佳个人、最佳进步奖等荣誉称号。
(3)活动时间:每季度评选一次。
4. 企业文化讲座(1)活动目的:加强企业文化建设,提高员工对企业文化的认同感。
(2)活动内容:邀请企业高层领导或企业文化专家进行讲座。
(3)活动时间:每季度一次。
5. 亲子活动(1)活动目的:增进员工家庭与企业的联系,提高员工幸福感。
(2)活动内容:组织员工及其子女参加亲子运动会、户外亲子游等活动。
(3)活动时间:每年一次。
四、活动实施1. 成立活动筹备小组,负责活动的策划、组织、实施和总结。
2. 各部门负责人要高度重视,积极参与活动,确保活动顺利进行。
3. 活动期间,加强对员工的宣传和引导,提高员工参与度。
4. 活动结束后,及时总结经验,对优秀个人和团队进行表彰。
五、预期效果通过开展班组建设计划活动,预计达到以下效果:1. 员工团队意识明显增强,团队凝聚力显著提高。
2. 员工综合素质得到提升,为企业创造更多价值。
创建“平安班级”实施方案【导言】随着社会的发展,学生在校园内也面临着各种各样的安全问题。
为了保障学生的安全和权益,提高学生的安全意识和自我保护能力,建立一个安全、和谐的班级环境至关重要。
本文将提出一个“平安班级”实施方案,希望可以为实现学生的安全与和谐作出一些贡献。
【一、组建“平安班级”工作组】1.成员组成:安全教育专家、班主任、学生代表和家长代表等。
2.职责分工:专家负责提供安全教育指导和建议,班主任负责组织和协调工作,学生代表和家长代表参与安全教育活动的策划和实施等。
3.工作内容:制定安全教育的目标和计划,组织开展安全教育活动,定期召开“平安班级”工作会议,收集学生和家长的意见和建议,及时解决安全问题等。
【二、制定“平安班级”安全教育计划】1.目标确定:提高学生的安全意识和自我保护能力,培养良好的行为习惯和安全行为规范。
2.内容设计:包括火灾防控、交通安全、网络安全、食品安全、人身安全等方面的内容,根据学生的年龄特点和实际情况进行内容的调整和完善。
3.方法选择:通过专题讲座、小组讨论、游戏互动、故事演绎等多种形式进行安全教育,使学生能够主动参与并接受教育。
【三、落实“平安班级”日常管理】1.加强学校安全防范:学校要加强安全设施的建设和维护,加强安全巡查工作,及时处理安全隐患。
2.建立安全守护制度:班主任和家委会共同制定安全守护计划,确保学生在家庭和学校两个环境中都能得到安全保护。
3.开展安全教育活动:每学期至少开展一次大型安全教育活动,吸引学生和家长的关注,提高安全教育的效果。
4.制定安全规章制度:班级制定“平安班级”安全规章制度,明确学生的安全责任和行为规范,提高班级的安全文明水平。
【四、加强“平安班级”家校合作】1.召开家长会议:定期召开“平安班级”家长会议,介绍班级的安全教育工作和进展情况,征求家长的意见和建议。
2.家校联合活动:组织家长和学生一起参加安全教育活动,增强家长的安全意识和参与感,促进家校合作。
供电企业建设平安班组活动实施方案 (2)供电企业建设平安班组活动实施方案 (2)精选2篇(一)一、活动目标:1. 提升班组成员对安全生产、消防安全和电力设备安全的意识。
2. 提高班组成员的应急处理能力,培养他们在突发情况下的应变能力和危机处理能力。
3. 加强班组成员之间的沟通和合作,共同营造安全、稳定、和谐的工作环境。
二、活动内容:1. 开展安全教育培训:组织专业人员进行安全生产、消防安全和电力设备安全的培训,提高班组成员的安全意识和技能。
2. 组织安全演练:定期组织火灾逃生演练、突发事件应急演练等,并提供必要的应急处理工具和设备。
3. 开展安全检查:定期对班组工作场所、电力设备、用电线路等进行安全检查,及时发现和消除安全隐患。
4. 组织安全奖励活动:根据班组成员的安全表现进行奖励,激励大家形成共同关注安全的良好氛围。
5. 建立安全信息通报机制:建立班组内的安全信息通报机制,及时传达安全相关信息,确保每个成员都能掌握相关安全知识。
三、活动步骤:1. 制定活动计划:根据班组实际情况,制定详细的活动计划,明确每个环节的具体内容和时间安排。
2. 确定培训内容和时间:与专业培训机构或相关专业人员协商,确定安全培训的具体内容和培训时间。
3. 开展安全演练:根据实际情况,组织火灾逃生演练、突发事件应急演练等活动,并提供必要的应急处理工具和设备。
4. 进行安全检查:定期对班组工作场所、电力设备、用电线路等进行安全检查,及时发现和消除安全隐患。
5. 组织安全奖励活动:根据班组成员的安全表现进行奖励,激励大家形成共同关注安全的良好氛围。
6. 建立安全信息通报机制:建立班组内的安全信息通报机制,及时传达安全相关信息,确保每个成员都能掌握相关安全知识。
四、活动评估:1. 制定活动评估指标:根据活动目标,制定评估指标,包括安全意识提升情况、应急处理能力提升情况、工作环境安全监控情况等。
2. 进行活动评估:对活动进行评估,包括问卷调查、个人访谈、实际情况观察等方法,收集活动效果和问题反馈。
班级平安校园建设实施方案
为了营造一个安全、和谐的校园环境,提高学生的安全意识和自我保护能力,
我们制定了班级平安校园建设实施方案。
一、加强安全教育。
我们将加强安全教育,通过开展安全知识讲座、安全演练等活动,让学生了解
如何预防火灾、交通事故、溺水等意外事件,提高他们的安全意识和自我保护能力。
二、建立安全制度。
我们将建立健全的校园安全制度,制定校园安全管理规定,明确学生在校园内
的行为规范,加强对学生的安全管理和监督,确保校园安全。
三、加强安全设施建设。
我们将加强校园安全设施建设,完善消防设施、安全通道等设施,提高校园的
安全防范能力,确保学生在校园内的安全。
四、加强师生安全培训。
我们将加强师生安全培训,定期开展消防演练、急救培训等活动,提高师生的
安全防范和应急处理能力,保障校园的安全。
五、建立安全监测机制。
我们将建立健全的校园安全监测机制,定期开展校园安全检查,发现安全隐患
及时整改,确保校园的安全。
六、加强家校合作。
我们将加强家校合作,通过家长会、家长学校等形式,加强家长对学生安全教
育的支持和配合,共同营造一个安全、和谐的校园环境。
七、建立安全信息发布平台。
我们将建立校园安全信息发布平台,及时发布校园安全信息,提醒师生注意校园安全,增强校园安全意识。
通过以上实施方案,我们将全面提升班级平安校园建设水平,营造一个安全、和谐的校园环境,保障师生的安全。
让我们共同努力,为班级平安校园建设贡献自己的力量!。
“平安班组”建设活动实施方案
一、指导思想
牢固树立“安全发展”理念。
“班组安全,从我做起”为主题。
推动班组员工实现“我要安全,我能安全”的安全生产自治。
努力实现班组“零事故”,实现公司安全生产目标。
二、工作目标
班组安全生产做到,工作有台帐、岗位有提示、宣传有氛围、检查由专人、班组员工能自觉查找身边安全事故并及时整改。
班组所属区域无违章,个人无违章,岗位无隐患,班组无事故(人身伤害事故和设备事故),形成“我要安全、人人讲安全”的文化氛围,达到创建“平安班组”的目的。
三、平安班组建设范围
四、主要内容
(一)建立完善班组安全生产管理体系
1、建立班组长责任制、安全员责任制、生产员工责任制。
2、建立车间安全生产组织机构图。
3、安全教育制度
4、安全检查制度
5、事故登记制度
6、交接班制度
7、安全奖惩制度
8、班前会制度
9、工序每天进行安全检查并记录
10、完善班组安全生产目标考核激励约束机制
(二)建立规范的班组长管理机制
1、完善班组长任用机制
2、健全班组长人才激励机制
三、切实加强班组现场安全管理
1、严格落实班前会制度
2、严格执行交接班制度
3、加强隐患排查治理、实行班组隐患分级管理落实治理责任
4、落实班组安全生产权益
5、充分发挥班组员工监督的作用
四、加强班组安全教育和安全文化建设
1、强化安全教育培训工作
2、加强班组安全文化建设
3、在班组深入开展“亲情”友情“”促安全活动。