风险隐患排查登记表和汇总表
- 格式:docx
- 大小:10.23 KB
- 文档页数:4
- 1 -
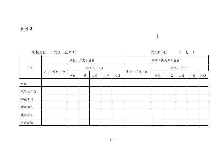
附件3
生产经营单位安全风险点排查统计表1
填报县区、开发区(盖章): 填报时间: 年 月 日
行业
县区、开发区监管
乡镇(街道办)监管
企业(项目)数
风险点(个)
企业(项目)数
风险点(个)
总数
一级二级 三级 四级 总数
一级二级三级 四级 矿山 危险化学品 烟花爆竹 城镇燃气 建筑施工 交通运输
公众聚集场所
民爆物品
工业企业
合计
审核人: 填报人: 联系电话:
注:1、本表为县区、开发区安委办填报;
2、县区、开发区须统计本辖区表内已纳入市隐患系统监管的本县区、开发区所有行业领域的企业(项目),
不统计隐患系统分流到市部门的企业(项目),县区监管和乡镇监管企业不能重复统计。
- 2 -
生产经营单位安全风险点排查统计表2
填报部门(盖章): 填报时间: 年 月 日
风险点(个)
行业 企业(项目)数
总数 一级 二级 三级 四级
合计
审核人: 填报人: 联系电话:
注:1、本表为市安监局、市城乡建委、市交通运输局、市公安局、市工信委填报;
2、行业填写矿山、危险化学品、烟花爆竹、城镇燃气、建筑施工、交通运输、公众聚集场所、民爆物品、
工业企业等中本部门管理的某个行业;
3、上述市主管部门仅统计分流到市隐患系统中本部门监管的企业(项目)。
- 3 -。
安全隐患排查记录表模板
安全隐患排查记录表模板
一、概述
为了保障企业员工的生命安全和财产安全,加强对企业内部的安全管理,制定本安全隐患排查记录表模板。
二、企业基本信息
1. 企业名称:
2. 企业地址:
3. 联系人:
4. 联系方式:
三、排查内容
1. 排查时间:
2. 排查人员:
3. 排查范围:
四、排查结果
1. 安全隐患情况:(请在下方列出)
(1)电气设备是否符合国家标准;
(2)消防设施是否正常运转;
(3)危险品存放是否规范;
(4)作业场所是否存在滑倒、坠落等风险;
(5)其他可能存在的安全隐患。
2. 隐患等级评估:(请在下方列出)
(1)重大隐患;
(2)较大隐患;
(3)一般隐患;
(4)无风险。
3. 处理措施:(请在下方列出)
(1)立即整改的重大和较大隐患处理措施及时限;
(2)一般隐患的整改措施和时限。
4. 整改情况:(请在下方列出)
(1)重大和较大隐患的整改情况;
(2)一般隐患的整改情况。
五、附注
1. 本记录表应由企业安全管理部门或安全生产管理人员负责填写,记录表应存档备查;
2. 本记录表仅为排查结果的汇总,具体处理措施和整改情况应由企业
按照实际情况制定并执行;
3. 企业在排查过程中如发现重大隐患或紧急情况,应立即采取措施进行处置,并及时向有关部门报告。
六、签名
审核人:
填表人:
日期:。
470402后场班组日常维修及办公中易燃品遇到点着源火灾四级1.易燃品及时清理.2、动火时办理动火作业许可证;3、消防设备处于良好使用状态;4、定期对电气设施检查维护;5.配备消防器材.480402后场班组瓶子收发存过程中运输车辆行驶不注意碰伤员工车辆伤害、其他伤害三级1、对供应商加以控制要求,巡检人员监督;2.禁止穿拖鞋3.加强培训,每月进行一次安全培训4.司机持证上岗5.人员走人行道6.避免疲劳驾驶7.人员穿劳保鞋,做好安全防护.490402后场班组瓶子收发存过程中叉车行驶不注意碰伤员工车辆伤害三级1、厂内机动车限速15KM/h,叉车5KM/h;2、特种作业人员持证上岗,特种设备每年检测,定期维护;3.物流人员穿劳保鞋500402后场班组瓶子收发存过程中瓶子收发存过程中,人员拥堵其他伤害、人员拥挤、踩踏受伤三级1、加强安全设施的配备、巡检;2、增加完善必要的安全出口标识、应急灯等消防设施;3.安全员专人疏导510402后场班组预洗机工作人员在与预洗机附近工作遭遇预洗机喷溅液碱等机械伤害,灼烫,其他爆炸四级 1.远离预洗机工作;2.佩戴好相应劳保用品.520402后场班组瓶子收发存过程中包瓶缝毛毡过程人员在瓶垛上坠落高处坠落四级1、作业时注意观察,防止滑倒摔伤;2、加强作业当中的监管3.佩戴安全帽等劳保用品.530402后场班组日常办公过程中进门爬窗户摔伤其他伤害、摔伤四级1.按照正常进出办公室,如忘记带钥匙,联系备用钥匙.540402后场班组瓶子检验、空筐封车过程中车辆司机在车上跳下造成摔伤其他事故、摔伤四级 1.使用较好筐使站立面平整2.人员小心做好监管.550402后场班组瓶子收发存过程中劳保用品失效身体伤害,高空坠落、中毒等由劳保用品失效带来的伤害四级1、规范劳保用品的佩戴、确保劳保用品进厂质量;2、周期性对员工佩戴的劳保用品及现场劳保用品进行检查及时更新;3.使用保质期内的劳保用品.560403包材库纸箱收发存过程中纸箱存放遇点火源火灾四级1.及时清理现场易燃品2.严禁烟火,防止电气火灾3.配备灭火器材4.过程中做好监督5.维修工具及时检查修理,防治放电等现象6.人员掌握灭火要领.570403包材库纸箱收发存过程中纸箱不规则存放坍塌砸伤人员坍塌三级1.垛位摆放整齐,垛高不高于三层2.不整齐垛位及时摆正3.叉车挑垛位时认真观察垛位情况后操作4.送货车辆纸箱摆放整齐.580403包材库纸箱收发存过程中纸箱发货中车辆伤害三级1.叉车按照操作规程行驶2.人车分流,人员按照人行道行走3.设置反光镜、安全提示标识等4.人员穿戴好劳保用品590404备件库备件库收发存过程中货架物品掉落砸伤人员物体打击四级1、严格按要求码放物品,定置存放,轻拿轻放;2、强化安全培训,提高人员自我保护意识.600404备件库备件库收发存过程中盘点过程中灯光照度不够,人员视力受限绊倒碰撞等其他伤害-撞击四级 1.进门开灯保持合适亮度;2.小心行走.610404备件库备件库收发存过程中物件不规则摆放人员绊倒其他伤害-绊倒摔伤四级 1.物品规定摆放,定制定位;2.小心行走.620404备件库备件库收发存过程中地面存在油污人员经过打滑其他伤害-滑倒摔伤四级1.及时清理地面油污等,保持地面干燥;2.人员小心行走.630404备件库备件库收发存过程中存在备件包装等易燃品遇点火源着火火灾四级1.易燃品及时清理;2.严禁火源3.设置消防器材4.每班监督检查.640405东源食堂做饭过程中切菜不小心切伤其他伤害、割伤、划伤四级1.切菜仔细、放慢速度;2.切完菜刀具放好3.准备好创可贴等急救物品.650405东源食堂做饭过程中做饭中使用电器触及裸漏电线触电三级1.电动设备使用前进行检查2.漏电设备及时修理3.绝缘、屏护、间距660405东源食堂做饭过程中易燃品遇到点着源火灾四级1.易燃品及时清理;2、动火时办理动火作业许可证;3、消防设备处于良好使用状态;4、定期对电气设施检查维护;5.配备消防器材.670405东源食堂做饭过程中清理隔油池掉进隔油池或隔油池易燃气体达到爆炸极限遇点火源爆炸、中毒和窒息四级1.严格执行有限空间作业规定2.做好培训3.两人监督4.执行先通风、再监测、后作业5.制定应急预案6.设置警示标识680405东源食堂做饭过程中清理卫生拖地滑到其他伤害、滑倒摔伤三级1、铺设防滑垫或及时用干拖把拖干地面;2、作业时注意观察,防止滑倒摔伤;3、及时清理现场,保持地面清洁无水化.690406液化气库更换气瓶中液化气遇明火容器爆炸三级1.按规定进行定期检验2.经常通风除尘,使气体浓度在爆炸极限以外3.禁止明火,温度控制在最小引燃能之外4.采用静电消除措施5.严禁暴力装卸产生碰撞花火700406液化气库更换气瓶中更换气瓶中,易燃气体遇明火容器爆炸三级1.可燃气体检测仪进行定期检验2.经常通风除尘,使气体浓度在爆炸极限以外3.禁止明火,温度控制在最小引燃能之外4.采用静电消除措施5.严禁暴力装卸产生碰撞花火710406液化气库更换气瓶中更换气瓶中易燃品遇明火火灾四级1.严禁烟火,及时清理现场易燃品;2.配备火灾器材;3.过程中做好监督;4.作业后收拾现场.720406液化气库更换气瓶中更换气瓶中,气瓶没有拿稳砸伤员工其他伤害-砸伤四级1.气瓶轻拿轻放;2.设置减震措施;3.穿戴好劳保用品.730406液化气库更换气瓶中更换气瓶中车辆溜车造成人员伤害车辆伤害三级1.车辆拉好手刹;2.人车分流避免交叉作业;3.穿戴好劳保鞋等劳保用品.740406液化气库更换气瓶中液化气泄漏造成人员中毒窒息中毒窒息四级1.关好气瓶阀门,避免气瓶漏气;2.液化气库经常通风.750407叉车维修区域叉车维修过程中更换备件机械伤害四级1.按照正确方式进行更换备件,穿戴好劳保用品;2.维修挂牌上锁;3.设置警示标示;4.过程中做好监760407叉车维修区域叉车维修过程中试车过程中车辆撞击员工车辆伤害三级1.人员持证操作;2.穿戴好劳保用品;2.维修挂牌上锁;3.设置警示标示;4.人车分流,避免交叉作业;5.过程中做好监管.770407叉车维修区域叉车维修过程中维修过程中易燃品遇点火源造成火灾火灾四级1.及时清理现场易燃品;2.严禁烟火;3.配备灭火器材;4.过程中做好监督;5.维修工具及时检查修理,防治放电等现象;6.作业后收拾现场,清理易燃品780407叉车维修区域叉车维修过程中维修过程中液化气泄漏遇明火爆炸容器爆炸三级1.气瓶符合安全要求;2.使用过程中轻拿轻放;3.禁止烟火;4.操作过程加强培训及监督.790407叉车维修区域叉车维修过程中维修过程中使用电动工具及接线电线漏电电击员工触电三级1.用电设备绝缘良好;2.禁止私自乱接电线;3.使用前进行检查;4.佩戴绝缘手套等劳保用品;5.注意使用过程监督管理.800407叉车维修区域叉车维修过程中维修过程长时间接触油类及其他化学品中毒和窒息四级1.减少接触时间;2.使用无毒低毒产品;3.密闭产品,房屋通风;4.定期休息810407叉车维修区域叉车维修过程中夏天室外长时间进行叉车维修遇高温中暑中暑三级1.40摄氏度以上禁止室外操作;2.避免高温室外操作,调整维修时间;3.发放藿香正气水、冰镇饮料等防暑降温饮品820408采购过程中采购过程中采购劳保用品不合格造成产品质量刚度、强度、耐持久性不足造成伤害采购劳保用品不合格造成产品质量刚度、强度、耐持久性不足造成伤害四级1.采购供方具有相关生产资质(特种劳动防护用品具有生产许可、产品合格、安全鉴定证和安全标志);2.采购劳保安环部验收;3.严格按照总部相关文件执行830408采购过程中采购过程中采购过程中供方车辆撞上员工车辆伤害三级1.按道路规划行走;2.穿戴好劳保用品;3设置警示标示;4.人车分流,避免交叉作业;5.过程中做好840408采购过程中采购过程中采购不合格造成灼烫、机械伤害等伤害采购不合格造成灼烫、机械伤害等伤害四级1.采购供方具有相关生产资质;2.严格按照总部相关文件执行.850408采购过程中采购过程中纸箱坍塌造成物体打击纸箱坍塌造成物体打击三级1.供方来货摆放整齐,捆绑结实;2.叉车卸货注意观察3.人员注意躲闪.860408采购过程中采购过程中塑包膜坍塌造成物体打击塑包膜坍塌造成物体打击三级1.供方来货摆放整齐,捆绑结实;2.叉车卸货注意观察3.人员注意躲闪870901其他办公中办公室拖地、卫生间打扫卫生其他伤害、摔伤四级1、铺设防滑垫或及时用干拖把拖干地面;2、作业时注意观察,防止滑倒摔伤;3、及时清理现场,保持地面清洁无水化;880901其他办公中办公室接开水过程其他伤害、灼烫四级1、加强培训,提高意识.2集中精力接水890901其他办公中使用电脑其他伤害、神经衰弱四级 1.长时间微机操作时要定时休息。
校园及周边图书馆安全隐患排查登记表
一、基本信息
- 学校名称:
- 图书馆名称:
- 排查日期:
- 排查人员:
二、安全隐患情况登记
1. 环境安全隐患
- [ ] 紧急出口是否畅通
- [ ] 紧急疏散通道是否标识清晰
- [ ] 紧急疏散通道是否堵塞
- [ ] 照明设施是否正常运作
- [ ] 是否存在易燃、易爆物品
- [ ] 是否存在其他环境安全隐患(请在下方备注栏注明)
2. 设备设施安全隐患
- [ ] 灭火器是否齐全,并在有效期内
- [ ] 灭火器是否摆放在易于取用的位置
- [ ] 灭火器是否有明确的标识
- [ ] 电气设备是否存在漏电、过载等问题
- [ ] 电气线路是否整齐、有序
- [ ] 是否存在其他设备设施安全隐患(请在下方备注栏注明)
3. 消防安全隐患
- [ ] 是否存在消防通道被堵塞的情况
- [ ] 灭火器是否定期检查并保持良好状态
- [ ] 是否存在火源堆放不当的情况
- [ ] 是否存在其他消防安全隐患(请在下方备注栏注明)
4. 人员安全隐患
- [ ] 是否存在人员聚集、拥挤现象
- [ ] 是否存在未经授权人员进入图书馆的情况
- [ ] 是否存在其他人员安全隐患(请在下方备注栏注明)
三、备注
四、整改措施
- [ ] 针对发现的安全隐患,制定整改措施,并明确责任人和整改期限。
五、责任人确认
- 责任人:
- 签字:
- 日期:。
安全隐患排查清单汇总表
安全隐患排查清单汇总表
安全隐患排查清单汇总表
安全隐患排查清单汇总表
安全隐患排查清单汇总表
安全隐患排查清单汇总表
填报单位:迎江区安委会办公室填报时间:2017年4月4日
安全隐患排查清单汇总表
安全隐患排查清单汇总表
安全隐患排查清单汇总表
安全隐患排查清单汇总表
安全隐患排查清单汇总表
安全隐患排查清单汇总表
填报单位:迎江区安委会办公室填报时间:2017年4月4日
安全隐患排查清单汇总表。
检查单位:宏瑞·三号院项目部检查时间: 2018年 6月5日检查单位:宏瑞·三号院项目部检查时间: 2018年 5月25日检查单位:宏瑞·三号院项目部检查时间: 2018年 5月5日检查单位:宏瑞·三号院项目部检查时间: 2018年 4月25日检查单位:宏瑞·三号院项目部检查时间: 2018年 4月5日检查单位:宏瑞·三号院项目部检查时间: 2018年 3月25日检查单位:宏瑞·三号院项目部检查时间: 2018年 3月5日人生就像一部书,每个人都在书写着自己的故事,书写着生命中曾承载的苦辣酸甜和正在经历的风霜雪雨。
不管这部书的情节精彩也好,简约也罢,我们都必须字斟句酌,用心构思。
只有这样,认真写好人生的每一个章节,才能把握生命的主旋律。
人生也像一条河,有谁不是在风里行舟,雨中穿梭。
昨天还在逆浪而行,今朝依然奔奔波波。
尽管如此,我们也不应气馁,更不敢稍有停歇。
只有这样,才能穿越人生的风浪,踏平生命的坎坷,从而抵达理想的彼岸,收获人生累累硕果。
人生还像一盘棋,我们每个人俨如上帝手中的一枚棋子,贫富贵贱难预料,生老病死不由己。
楚河汉界今犹在,谁见君王卷土来?是啊!人生苦短,岁月蹉跎。
在不老的时光里,我们每个人充其量不过是一个匆匆的过客。
当你走过半生,蓦然首,你会发觉:转眼间,我们便告别了葱茏的年华,跨过了中年的门槛,走进了枫红菊艳的时节。
有道是,流光容易把人抛,红了樱桃,绿了芭蕉。
岁月如梭,不经意间便穿越半生沧桑。
回首往事,多少情怀已经更改,多少青春早已不再,多少梦想恍如云烟,多少足迹已湮入尘埃。
实乃,人生得失如萍散,雪落花开辞红颜。
三毛说:“我来不及认真地年轻,待明白过来时,只能选择认真地老去。
”昨天已经落幕,明天无法彩排,唯有今天才是人生的最好舞台。
轻捻指尖流年,细数过往云烟。
曾经的莽撞少年,总以为伸手就能够着天,凡理都要辩出个曲和直,凡事都要弄出个里和面。
.平安隐患排查清单汇总表填报单位:迎江区安委会办公室填报时间:2021年4月4日主管部门序号隐患所在地隐患内容责任单位整改措施整改时间上报单位(或单位)安庆市人民剧院皖江影剧院皖江影剧院迎江区临港经济开4发区方兴南路迎江区长青路3号长风乡敬老院5新洲乡敬老院有4处灭火器压力不够人民剧院 区文化委 立即更换 2021年4月5日 区文化委 外线老化皖江影剧院 区文化委 立行整改 2021年4月5日 区文化委 宿舍煤气管道旁有居民燃烧 皖江影剧院 区文化委 立行整改,贴警示牌 2021年4月5日 区文化委 香纸安徽安庆南风 改用高清摄像头且视频保存仓库内视频监控图像不清晰日化有限责任 迎江公安分局2021年5月1日 迎江公安分局期限为一个月公司油库周界未按?石油天然气管道系统治安风险等级和安 中国石化销售 按照?石油天然气管道系统治全防范要求?加装铁丝网; 安庆 迎江公安分局 安风险等级和平安防范要求? 2021年5月1日 迎江公安分局内部管理不严格,存在外来 石油分公司加装铁丝网;加强内部管理。
车辆人员随意进出现象。
1、院民宿舍楼用电线路老1、更换电线要达标;化;2、北二楼屋面渗水; 3、 长风乡政府 区民政局2、屋面封盖; 2021年5月底区民政局消防储水池渗水。
3、防水重做。
院民宿舍用电线路老化,不新洲乡政府 区民政局 更换电线要达标2021年4月底 区民政局能满足目前用电需要8龙狮桥乡敬老院 消防、食品平安不达标 龙狮桥乡政府 区民政局 增加消防设施和器材,卫生许可。
2021年4月底 区民政局 9金华联人民路店电子显示器一面损坏金华联公司区商务局跟换电子显示器2021年4月5日区商务局..平安隐患排查清单汇总表填报单位:迎江区安委会办公室填报时间:2021年4月4日序号隐患所在地隐患内容责任单位主管部门整改措施整改时间上报单位(或单位)10 临港工业园内64台压力容器、32条压力管安徽华泰林浆区市场监管局立即停用报检2021年8月底市场监管局道超期未检纸特种设备平安管理混乱,部市场监管局分特种设备未进行注册登安庆华茂佰斯记;屡次检查中,该公司负11 临港工业园内特纺织科技有区市场监管局责令限期整改2021年10月底责人均表示该办公地点无特限公司种设备的相关资料,资料由总公司统一管理。
安全生产问题隐患排查整治情况汇总表
一、背景
安全生产是企业发展的基石,每个企业都需要时刻关注生产过程中的安全隐患,及时排查整治,确保员工和企业财产的安全。
本文将对安全生产问题隐患排查整治情况进行汇总,以便管理层了解当前安全生产状况并采取有效措施。
二、问题隐患排查情况
1. 生产车间
• 1.1 电气线路老化,存在漏电风险
• 1.2 机械设备未进行定期检修,存在卡机隐患
• 1.3 异常气味未及时报警处理,有爆炸风险
2. 储存区
• 2.1 储存区堆放混乱,存在火灾隐患
• 2.2 危险化学品未分类存放,存在泄露风险
三、整治措施汇总
1. 生产车间
• 1.1 完成电气线路更换工作,减少漏电风险
• 1.2 设立机械设备定期检修计划,确保设备正常运行
• 1.3 安装气味检测装置,建立异常气味处理机制
2. 储存区
• 2.1 进行储存区清理整理,消除火灾隐患
• 2.2 对危险化学品进行分类存放,加强泄露防范措施
四、效果评估
经过整治工作的落实,生产车间和储存区的安全生产隐患得到了有效排查整治,生产环境更加安全稳定,为企业可持续发展提供了保障。
五、结论
安全生产问题隐患排查整治是企业管理不可忽视的重要环节,仅有安全生产才能实现可持续发展。
通过本次情况汇总表,管理层可以清晰了解存在的安全隐患,并及时采取措施加以整治,确保员工和生产设施的安全。
安全隐患排查汇总表序号隐患描述风险程度责任人处理措施完成时间备注1 生产线上存在堆积过多的材料和半成品,容易导致堵塞和意外伤害中生产主管清理生产线上的材料和半成品,保持通畅 2022年1月15日2 车间的安全出口被杂物堵塞,一旦发生火灾或其他紧急情况会造成员工无法及时逃生高安全主管清理安全出口杂物,设立专人负责每日检查 2022年1月20日3 储物区堆放物料高度过高,存在倒塌风险中货物管理员调整储物区堆放高度,确保安全 2022年1月25日4 设备未定期维护保养,存在故障隐患高设备主管制定设备维护保养计划,确保设备正常运转 2022年2月1日5 车间电路老化严重,存在电击风险高电气主管更换车间老化电路,增加漏电保护设施 2022年2月5日6 员工作业时未穿戴防护用具,存在伤害风险中班组长加强员工安全教育培训,督促员工规范穿戴防护用具 2022年2月10日7 车间存在大量易燃和有毒化学品,未能做好储存和标识高安全管理员安排专人清理、标识和分类储存化学品 2022年2月15日8 车间通风设施不完善,存在粉尘和有害气体超标风险高环保负责人完善车间通风设施,确保空气质量符合安全标准 2022年2月20日9 车间存在工作台面高度不符合人体工程学,存在劳动损伤风险中人力资源主管更换符合人体工程学标准的工作台面 2022年2月25日10 消防设施巡查不及时,存在火灾隐患高消防员加强消防设施巡查,保障消防设施完好有效 2022年3月1日11 车间存在高温作业区域未加设明显警示标识,存在烫伤风险中安全保卫员加设高温作业专用标识,提醒员工注意安全 2022年3月5日12 车间存在人员违规擅自接线操作电气设备,存在电击风险高电气主管加强员工电气安全教育培训,制定严格操作规程 2022年3月10日13 车间未能做到定期安全例行检查,存在安全隐患未及时发现高安全管理员建立定期安全例行检查机制,确保安全隐患及时发现并处理 2022年3月15日14 车间存在物料堆放不规范,存在坠物伤害风险中生产主管加强员工物料堆放教育培训,规范堆放作业流程 2022年3月20日15 车间紧急停车按钮未能及时修复,存在设备危险运转风险高设备主管立即修复紧急停车按钮,确保设备安全运转 2022年3月25日以上是本次安全隐患排查的汇总表,对发现的安全隐患将制定具体的处理措施,并由责任人按时落实,确保车间安全生产。
食品安全风险隐患排查记录表范本食品安全对于每个人都非常重要,因为食品安全关系到每个人的健康。
我要写一份食品安全风险隐患排查记录表范本,以帮助人们更好地保障自己的健康。
一、基本信息企业名称:_________________________地址:_________________________法定代表人:_________________________联系方式:_________________________二、食品安全风险隐患排查1. 食品质量检测1.1 采样时间:_________________________1.2 采样地点:_________________________1.3 采样样品:_________________________1.4 检测项目:_________________________1.5 检测结果:_________________________2. 食品原材料与加工过程检测2.1 原材料检测2.1.1 原材料种类:_________________________2.1.2 原材料来源:_________________________2.1.3 原材料采购时间:_________________________ 2.1.4 原材料检测项目:_________________________ 2.1.5 原材料检测结果:_________________________2.2 加工过程检测2.2.1 生产日期:_________________________2.2.2 加工过程:_________________________2.2.3 检测项目:_________________________2.2.4 检测结果:_________________________3. 食品卫生检测3.1卫生检测3.1.1 卫生检测项目:_________________________3.1.2 卫生检测结果:_________________________3.2 人员卫生检测3.2.1 员工健康状况:_________________________3.2.2 员工卫生防护措施:_________________________4. 食品销售和服务环节检测4.1 销售环节检测4.1.1 零售场所:_________________________4.1.2 销售时间:_________________________4.1.3 销售类别:_________________________4.1.4 检测项目:_________________________4.1.5 检测结果:_________________________4.2 服务环节检测4.2.1 服务环节:_________________________ 4.2.2 服务质量:_________________________ 4.2.3 检测项目:_________________________ 4.2.4 检测结果:_________________________5. 食品安全风险评估5.1 风险评估对象:_________________________ 5.2 风险评估范围:_________________________ 5.3 风险评估方法:_________________________ 5.4 风险评估结果:_________________________6. 食品安全管理措施6.1 建立安全管理制度6.1.1 制度内容:_________________________ 6.1.2 实施情况:_________________________6.2 人员培训与交流6.2.1 培训对象:_________________________ 6.2.2 培训内容:_________________________6.3 核查与整改6.3.1 核查内容:_________________________ 6.3.2 整改措施:_________________________7. 食品安全排查汇总7.1 环节名称:_________________________7.2 问题数量:_________________________7.3 处理结果:_________________________以上内容是食品安全风险隐患排查记录表的详细内容,企业要按照此表格进行排查,并以此开展食品安全管理工作。
(完整版)安全隐患排查清单汇总表.doc安全隐患排查清单汇总表填报单位:迎江区安委会办公室填报时间:2017年4月4日主管部门隐患所在地隐患内容责任单位整改措施整改时间上报单位(或单位 ) 1安庆市人民剧院2皖江影剧院3皖江影剧院迎江区临港经济开4发区方兴南路5迎江区长青路 3 号6长风乡敬老院7新洲乡敬老院有 4 处灭火器压力不够人民剧院区文化委立即更换2017 年 4 月5 日区文化委外线老化皖江影剧院区文化委立行整改2017 年 4 月 5 日区文化委宿舍煤气管道旁有居民燃烧皖江影剧院区文化委立行整改,贴警示牌2017 年 4 月 5 日区文化委香纸安徽安庆南风改用高清摄像头且视频保存仓库内视频监控图像不清晰日化有限责任迎江公安分局2017 年 5 月 1 日迎江公安分局期限为一个月公司油库周界未按《石油天然气管道系统治安风险等级和安中国石化销售按照《石油天然气管道系统治全防范要求》加装铁丝网;有限公司安庆迎江公安分局安风险等级和安全防范要求》2017 年 5 月 1 日迎江公安分局内部管理不严格,存在外来石油分公司加装铁丝网;加强内部管理。
车辆人员随意进出现象。
1 、院民宿舍楼用电线路老1、更换电线要达标;化;2、北二楼屋面渗水;3、长风乡政府区民政局2、屋面封盖;2017 年 5 月底区民政局消防储水池渗水。
3、防水重做。
院民宿舍用电线路老化,不新洲乡政府区民政局更换电线要达标2017 年4 月底区民政局能满足目前用电需要8 龙狮桥乡敬老院消防、食品安全不达标龙狮桥乡政府区民政局增加消防设施和器材,卫生许可。
2017 年 4 月底区民政局9 金华联人民路店电子显示器一面损坏金华联公司区商务局跟换电子显示器2017 年 4 月 5 日区商务局安全隐患排查清单汇总表填报单位:迎江区安委会办公室填报时间: 2017 年 4 月 4 日序号隐患所在地隐患内容责任单位主管部门整改措施整改时间上报单位(或单位 )10 临港工业园内64 台压力容器、 32 条压力管安徽华泰林浆区市场监管局立即停用报检2017 年 8 月底市场监管局道超期未检纸有限公司特种设备安全管理混乱,部市场监管局分特种设备未进行注册登安庆华茂佰斯记;多次检查中,该公司负11 临港工业园内特纺织科技有区市场监管局责令限期整改2017 年 10 月底责人均表示该办公地点无特限公司种设备的相关资料,资料由总公司统一管理。
序号排查内容排查依据排查情况1.主要负责人应组织制定符合本企业实际的安全生产方针和年度安全生产目标;2.安全生产目标应满足:(1)形成文件,并得到所有从业人员的贯彻和实施;(2)符合或严于相关法律法规的要求;(3)根据安全生产目标制定量化的安全生产工作指标。
1.应将年度安全生产目标分解到各级组织(包括各个管理部门、车间、班组),逐级签订安全生产目标责任书;2.企业及各个管理部门、车间应制定切实可行的年度安全生产工作计划;3.应定期考核安全生产目标完成情况。
3企业应建立安全风险研判与承诺公告制度,董事长或总经理等主要负责人应每天作出安全承诺并向社会公告。
《应急管理部关于全面实施危险化学品企业安全风险研判与承诺公告制度的通知》(应急〔2018〕74 号)企业主要负责人应严格履行其法定的安全生产职责:1.建立、健全本单位安全生产责任制;2.组织制定本单位安全生产规章制度和操作规程;3.组织制定并实施本单位安全生产教育和培训计划;4.保证本单位安全生产投入的有效实施;5.督促、检查本单位的安全生产工作,及时消除安全事故隐患;6.组织制定并实施本单位的生产安全事故应急救援预案;7.及时、如实报告生产安全事故。
5企业负责人应每季度至少参加 1 次班组安全活动,车间负责人及其管理人员每月至少参加 2 次班组安全活动,并在班组安全活动记录上签字。
《国家安全监管总局关于印发危险化学品从业单位安全生产标准化评审标准的通知》(安监总管三〔2011〕93号)中评审标准 5.6《国家安全监管总局关于印发危险化学品从业单位安全生产标准化评审标准的通知》(安监总管三〔2011〕93号)中评审标准 2.1《国家安全监管总局关于印发危险化学品从业单位安全生产标准化评审标准的通知》(安监总管三〔2011〕93号)中评审标准 2.1《安全生产法》第十八条1 24安全风险隐患排查表一、安全基础管理安全风险隐患排查表(一)安全领导能力序号排查内容排查依据排查情况安全风险隐患排查表一、安全基础管理安全风险隐患排查表6企业应制定领导干部带班制度并严格落实,主要负责人应参加领导干部带班,其他分管负责人要轮流带班; 生产车间也要建立由管理人员参加的车间值班制度并严格落实。
风险隐患排查登记表和
汇总表
集团公司文件内部编码:(TTT-UUTT-MMYB-URTTY-ITTLTY-
附件1:
拜城县突发事件风险隐患排查登记表
报送单位(盖章)年月日
行政一把手签字:分管领导签字:填报人签字:
备注:1、行业监管部门负责建立风险隐患档案。
2、各乡(镇)、县直各单位可根据实际情况改变表格格式,但内容不能缺失。
附件2:
拜城县突发事件风险隐患集中排查情况汇总表报送单位(盖章):报送时间:年月日
备注:1、风险隐患等级原则上分为一般、较大、重大、特别重大四个等级。
2、可控程度原则上分为可控、基本可控、较难控制、可能失控四个等级。
3、行业监管部门负责建立风险隐患档案。
附件1:
拜城县突发事件风险隐患排查登记表
报送单位(盖章)年月日
行政一把手签字:分管领导签字:填报人签字:
备注:1、行业监管部门负责建立风险隐患档案。
2、各乡(镇)、县直各单位可根据实际情况改变表格格式,但内容不能缺失。
附件2:
拜城县突发事件风险隐患集中排查情况汇总表报送单位(盖章):报送时间:年月日
备注:1、风险隐患等级原则上分为一般、较大、重大、特别重大四个等级。
2、可控程度原则上分为可控、基本可控、较难控制、可能失控四个等级。
3、行业监管部门负责建立风险隐患档案。