整体式单向板肋梁楼盖结构设计
- 格式:doc
- 大小:804.00 KB
- 文档页数:22
简述单向板肋梁楼盖设计的一般步骤
单向板肋梁楼盖设计是建筑结构设计的重要部分,通常用于高层住宅、商业楼等建筑物的屋盖结构。
为了确保设计的安全可靠,需要按照一定的步骤进行设计。
本篇文章将简述单向板肋梁楼盖设计的一般步骤,并对每个步骤进行详细地阐述。
第一步:确定设计负荷
单向板肋梁楼盖设计的第一步需要确定设计负荷,包括准确的楼盖荷载、风荷载、地震荷载等。
这些负荷会影响到楼盖结构的稳定性和设计选型,因此需要加以详细的分析和计算。
第二步:选型
选型是单向板肋梁楼盖设计的重要环节,需要根据实际情况选取适合的型号和相应的材料。
该步骤需要同时考虑负荷和材料的性能,例如承载能力、自重以及材料的强度等,以保证设计的安全可靠。
第三步:制定结构方案
结构方案是单向板肋梁楼盖设计的核心环节,设计师需要根据楼盖的几何形状、负荷和选型等要素,确定合理的结构方案,并制定详细的CAD图纸,以便于后续的施工和监测工作。
第四步:进行计算分析
在确定结构方案后,需要进行详细的计算分析,例如强度和稳定性分析、约束条件的分析、刚度调整计算等。
这些分析可以帮助设计师有效地评估方案的可行性、优缺点和风险,从而采取合适的优化措施。
第五步:制定详细的施工方案
根据计算分析的结果和结构方案,需要制定详细的施工方案,在其中包括楼盖结构的构件尺寸、连接方式、施工顺序和逐步施工的具体步骤等。
该步骤可以有效地保证施工质量,提高工作效率。
总之,单向板肋梁楼盖设计需要经过以上几个具体步骤,才能确保设计的合理性和安全性。
在实际工作中,设计师需要注意每个步骤的细节,确保设计结果符合实际建筑要求。
整体现浇肋梁楼盖中的单向板,中间区格摘要:一、引言二、现浇肋梁楼盖的概述三、单向板在整体现浇肋梁楼盖中的作用四、单向板的结构特点五、单向板在中间区格的应用六、结论正文:一、引言本文主要介绍整体现浇肋梁楼盖中的单向板,以及其在中间区格的应用。
首先,我们将简要介绍现浇肋梁楼盖的基本概念,然后深入分析单向板在整体现浇肋梁楼盖中的重要性,并详细阐述单向板的结构特点。
最后,我们将重点讨论单向板在中间区格的应用及其优势。
二、现浇肋梁楼盖的概述现浇肋梁楼盖是一种钢筋混凝土结构的楼板,它由混凝土肋梁和钢筋混凝土板组成。
这种结构具有整体性好、刚度大、抗震性能强等优点,广泛应用于各类建筑中。
三、单向板在整体现浇肋梁楼盖中的作用单向板是整体现浇肋梁楼盖的一个重要组成部分,主要承受垂直荷载,并将荷载传递给肋梁。
单向板在保证楼盖整体稳定性的同时,还能够有效地减小结构自重,提高建筑物的使用效率。
四、单向板的结构特点单向板的结构特点是板厚较薄,通常在跨度的1/40至1/30之间。
此外,单向板的肋梁间距较小,一般在300至500毫米之间。
这种结构使得单向板在保证足够刚度的同时,具有较好的经济性。
五、单向板在中间区格的应用在现浇肋梁楼盖的中间区格,单向板的应用能够有效地提高楼板的刚度和抗弯能力。
同时,单向板还能够减小结构的自重,降低成本。
此外,单向板在中间区格的应用还能够提高建筑物的空间利用率。
六、结论整体现浇肋梁楼盖中的单向板在中间区格的应用具有显著的优势。
它既能够保证楼盖的稳定性,又能够提高建筑物的使用效率。
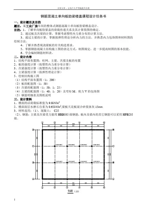
例题——整体式单向板肋梁楼盖设计1.设计资料某多层仓库的平面柱网布置如图3.24所示。
楼盖拟采用整体式钢筋混凝土结构。
23图3.24楼盖平面柱网布置1)楼面构造层做法:20mm厚水泥砂浆面层;20mm厚混合砂浆板底抹灰。
2)楼面活荷载:均布活荷载标准值为8kN/m23)荷载效应组合仅考虑由可变荷载控制的基本组合,即恒荷载分项系数为1.2;活荷载分项系数为1.3(因楼面活荷载标准值大于4kN/m2)4)材料选用混凝土:采用C30;钢筋:梁中受力钢筋采用HRB400级,其余采用HPB235级钢筋。
42.楼盖的结构平面布置•主梁沿房屋的横向布置,次梁沿纵向布置。
•主梁的跨度为6.9m;次梁的跨度为6m;•主梁每跨内布置两根次梁,其间距为2.3m;•楼盖结构平面布置见图3.25。
56图3.25楼盖结构平面布置图根据构造要求,截面尺寸取定板厚取h=80mm≥1/40l≈2300/40=57.5mm6.0/2.3=2.6,按单向板考虑。
次梁——截面高度应满足:h=(1/18~1/12)l=6000/18~6000/12=(333~500)mm。
考虑到楼面活荷载比较大,取h=450mm ——截面宽度取b=200mm7主梁——截面高度应满足h=(1/15~1/8)l=6900/15~6900/8=(460~862.5)mm取h=650mm ——截面宽度:取b=250mm83.板的设计•板按考虑塑性内力重分布方法计算。
(板的计算要点)(1)荷载恒荷载标准值20mm水泥砂浆面层0.02×20kN/m3=0.4(kN/m2)80mm钢筋混凝土板:0.08×25kN/m3=2.0(kN/m2)20mm板底混合砂浆:0.02×17kN/m3=0.34(kN/m2)g k=2.74kN/m2活荷载标准值q k=8kN/m2910恒荷载设计值:g =1.2×2.74=3.29kN/m 2活荷载设计值:q =1.3×8=10.4kN/m 2总计:g +q =13.69kN/m 2(2)计算简图次梁截面为200×450mm 。
混凝土结构设计原理课程设计(自己).《混凝土结构设计》课程设计――整体式单向板肋梁楼盖设计任务书适用专业:建筑工程专业(本科)使用班级:XXXX年5月长沙学院土木工程系土木工程教研室《混凝土结构设计》课程设计――整体式单向板肋梁楼盖设计任务书一、设计任务:设计某三层轻工厂房车间的楼盖,拟采用整体式钢筋混凝土单向板肋梁楼盖。
要求进行第二层楼面梁格布置,确定梁、板、柱截面尺寸,计算梁板配筋,并绘制结构施工图。
二、设计目的《建筑结构》课程设计是教育计划中一个重要的实践性教学环节,对培养和提高学生的基本技能,启发学生对实际结构工作情况的认识和巩固所学的理论知识具有重要作用。
1.了解钢筋混凝土结构设计的一般程序和内容,为毕业设计以及今后从事实际设计、管理工作奠定初步基础。
2.复习巩固加深所学的基本构件中受弯构件和钢筋混凝土梁板结构等章节的理论知识。
3.掌握钢筋混凝土肋梁楼盖的一般设计方法,诸如:(1)进一步理解单向板肋梁楼盖的结构布置、荷载传递途径和计算简图;(2)掌握弹性理论和塑性理论的设计方法;(3)掌握内力包络图和抵抗弯矩图的绘制方法;(4)了解构造设计的重要性,掌握现浇梁板的有关构造要求;(5)掌握现浇钢筋混凝土结构施工图的表示方法和制图规定;(6)学习书写结构计算书;(7)学习运用规范。
三、设计资料序号①②③④⑤⑥活荷载标准值(kN/mm2)4.55.05.56.06.57.01、结构平面及柱网布置如图所示(楼梯间在此平面外),按不同用途的车间工业楼面活荷载标准值见表1,车间内无侵蚀性介质,柱网尺寸见表二。
每位学生按学号顺序根据表3选取一组数据进行设计。
活荷载标准值表1结构平面及柱网布置图序号LxLy①66005400②66006600③69005700④69006300⑤7XXXX年5月长沙学院土木工程系土木工程教研室《混凝土结构设计》课程设计――整体式单向板肋梁楼盖设计任务书一、设计任务:设计某三层轻工厂房车间的楼盖,拟采用整体式钢筋混凝土单向板肋梁楼盖。
p钢筋混凝⼟结构设计原理课程设计-整体式单向板肋梁楼盖设计钢筋混凝⼟结构课程设计单向板肋梁楼盖院系:专业年级:学⽣姓名:学号:⽬录⼀、平⾯结构布置-----------------------------------------------(1)⼆、板的设计----------------------------------------------------(5)三、次梁的设计-------------------------------------------------(9)四、主梁的设计-------------------------------------------------(18)五、关于计算书及图纸的⼏点说明----------------------------(24)六、设计总结-------------------------------------------------(27)施⼯图平⾯结构布置图---------------------------------------------图纸1板的配筋图--------------------------------------------------图纸1主梁配筋图---------------------------------------------------图纸1次梁的配筋图------------------------------------------------图纸2主梁内⼒包络图---------------------------------------------附图⼀403计算书现浇钢筋混凝⼟单向板肋梁楼盖设计计算书⼀、平⾯结构布置:1、确定主梁的跨度为m .96,次梁的跨度为m 4.5,主梁每跨内布置两根次梁,板的跨度为m 3.2。
楼盖结构布置图如下:42、荷载计算:取1m 宽板带计算、板厚为100㎜:地板砖地⾯(3/5.60m kN ) m kN /4.015.60=? 100mm 厚钢筋混凝⼟现浇板(3/25m kN =γ) m kN /5.22511.0=?? 板底抹灰(2/255.0m kN ) m kN /255.01255.0=?恒载: m kN g k /405.3=活载: q=3.5 KN/m恒荷载分项系数取1.2;活荷载分项系数取1.3。
一、设计题目及目的题目:某工业厂房车间的整体式钢筋混凝土单向板肋梁楼盖设计。
目的:1、了解单向板肋梁盖的荷载传递关系及其计算简图的确定。
2、通过板及次梁的计算,掌握考虑塑性内力重分布的计算方法。
3、通过主梁的计算,掌握按弹性理论分析内力的方法,并熟悉内力包络图和材料图的绘制方法。
4、了解并熟悉现浇梁板的有关构造要求。
5、掌握钢筋混凝土结构施工图的表达方式,制图规定,进一步提高制图的基本技能。
6、学会编制钢筋材料表。
二、设计内容1、结构平面布置图:柱网、主梁、次梁及板的布置2、板的强度计算(按塑性内力重分布计算)3、次梁强度计算(按塑性内力重分布计算)4、主梁强度计算(按弹性理论计算)5、绘制结构施工图(1)结构平面布置图(1:200)(2)板的配筋图(1:50)(3)次梁的配筋图(1:50;1:25)(4)主梁的配筋图(1:40;1:20)及弯矩M、剪力V的包络图(5)钢筋明细表及图纸说明三、设计资料1、楼面的活荷载标准值为9.0kN/m22、楼面面层水磨石自重为0.65kN/m2,梁板天花板混合砂浆抹灰15mm.3、材料选用:(1)、混凝土:C25(2)、钢筋:主梁及次梁受力筋用HRB335级钢筋,板内及梁内的其它钢筋可以采用HPB235级。
一、结构平面结构布置:1、确定主梁的跨度为m 6.6,次梁的跨度为m 0.5,主梁每跨内布置两根次梁,板的跨度为m 2.2。
楼盖结构布置图如下:2、按高跨比条件,当mm l h 55401=≥时,满足刚度要求,可不验算挠度。
对于工业建筑的楼盖板,要求mm h 80≥,取板厚mm h 80=。
3、次梁的截面高度应满足 121(=h ~278()181=L ~mm )417,取mm h 400=;则21(=b ~133()31=h ~mm )200,取mm b 200=。
4、主梁的截面高度应该满足81(=h ~440()141=L ~mm )660,mm h 400=,则21(=h ~200()31=h ~mm )300,取mm b 250=。
单向板肋梁楼盖设计
单向板肋梁楼盖是一种常见的楼盖结构设计,适用于较大跨度的建筑物。
它的设计原理是利用混凝土中的预应力钢筋进行支撑和加固,使楼盖具有较大的承载能力和稳定性。
以下是单向板肋梁楼盖设计的一般步骤:
1. 结构分析:首先需要进行楼盖的结构分析,包括受力分析、荷载计算和梁板的尺寸设计等。
这一步是确定整个结构设计的基础。
2. 梁设计:根据楼盖的跨度和荷载要求,设计并计算出适当的梁的尺寸。
梁的设计包括选择适当的材料(如钢筋和混凝土)和计算梁的截面尺寸、受力和开孔等。
3. 板设计:根据楼盖的荷载要求,设计并计算出适当的板的尺寸。
板的设计包括选择适当的材料(如钢筋和混凝土)和计算板的厚度、受力区域和开孔等。
4. 预应力设计:对梁和板进行预应力设计,通过预应力钢筋的张拉和锚固,使结构体系具有更好的抗弯强度和承载能力。
预应力设计需要根据具体的结构要求和施工条件进行合理设计。
5. 连接设计:根据梁和板的相互连接情况,设计连接件和连接方式,确保梁板之间的稳固性和承载能力。
6. 施工和监控:按照设计方案进行施工,并在施工过程中进行质量控制和质量监控,确保楼盖的结构安全可靠。
需要注意的是,以上步骤仅为一般步骤,具体的设计还需考虑实际项目的要求和条件,并进行详细的计算和分析。
此外,设计过程中还应考虑到施工的可行性和经济性,确保设计方案的实施性和效果。
混凝土结构设计课程设计–整体式单向板肋梁楼盖1. 课程设计概述本次课程设计的任务是设计一个混凝土结构的整体式单向板肋梁楼盖。
该楼盖包括两个部分:一层地面的停车场和上方的公寓。
整个楼盖跨度较大,需要考虑选用何种材料和结构形式。
设计任务涉及到多方面的知识,包括荷载计算、结构形式的选择、截面设计等内容。
2. 设计荷载设计荷载是指在设计结构时需要承载的外部荷载,也是本次课程设计的重点之一。
荷载的计算需要考虑多种因素,包括自重、雪荷载、风荷载、人员活载和车辆荷载等。
在本次设计中,我们假设设计地区为中国南方地区,按照国家标准《建筑结构荷载标准》(GB50009-2012)中的规定进行荷载计算。
设计荷载的详细计算过程在此不作过多赘述。
3. 结构形式的选择在本次课程设计中我们选用整体式单向板肋梁结构。
这种结构形式具有结构高度低、选用方便等特点,适用于跨度较大的建筑物。
在选定结构形式之后,我们需要进行截面设计,以确保结构的强度、刚度和稳定性。
4. 截面设计整体式单向板肋梁结构的截面设计涉及到板、肋、梁的尺寸和配筋参数等内容。
在本设计中,为了实现截面的合理设计,我们采用了软件进行结构分析和计算,最终输出设计结果。
具体的设计细节和流程如下。
4.1. 整体式单向板设计板是整体式单向板肋梁结构中的主要构件之一,其设计需要考虑荷载、结构高度等因素。
在本设计中,板厚度选用10cm,混凝土等级为C30,钢筋混凝土板配筋率为0.5%。
4.2. 肋设计肋的设计主要考虑肋高度和肋跨度两个因素。
在本设计中,肋高度选用25cm,肋跨度选用4m。
钢筋混凝土肋配筋率为1.5%。
4.3. 梁设计梁是整体式单向板肋梁结构中的次要构件,其设计主要考虑梁高度和梁跨度。
在本设计中,梁高度选用40cm,梁跨度选用7m。
梁采用双筋矩形截面设计,钢筋混凝土梁配筋率为2%。
5. 梁柱节点设计梁柱节点是指梁与柱之间连接的部分,其设计需要考虑梁、柱的受力情况。
本设计中采用钢筋混凝土柱,柱径选用45cm,钢筋混凝土柱配筋率为2%。
简述单向板肋梁楼盖的设计步骤单向板肋梁楼盖是一种常见的楼盖结构形式,其设计步骤如下:第一步:确定设计参数在开始设计之前,需要明确一些设计参数,包括建筑物的用途、荷载标准和要求、结构高度和平面布置,以及材料的选择等。
这些参数将直接影响到楼盖的设计和计算。
第二步:确定结构形式和类型根据楼盖的布置和要求,确定肋梁楼盖的结构形式和类型。
单向板肋梁楼盖是由板和肋梁两部分组成的,板由一组横向连续的板组成,肋梁由一组纵向连续的梁组成。
板和肋梁之间通过连接件进行连接。
第三步:确定荷载根据建筑物的用途和荷载标准,确定楼盖所受到的荷载,包括活荷载、恒荷载、风荷载等。
这些荷载将作为设计和计算的依据。
第四步:确定结构方案在上述的参数和要求的基础上,确定楼盖的结构方案。
根据结构的受力特点和要求,可以选择合适的板和肋梁的尺寸,以及连接件的类型和位置。
在确定方案时,需要满足结构的强度、刚度和稳定性的要求。
第五步:进行静力分析进行楼盖的静力分析,计算板和肋梁的内力和变形。
静力分析可以使用各种方法,如等效剪力法、切分面法、有限元法等。
通过分析,可以得到楼盖在荷载作用下的内力和变形情况。
第六步:进行构造设计在进行结构设计时,需要考虑到结构的施工性、机械性能和经济性。
这会涉及到板和肋梁的连接方式、钢筋的布置和尺寸、预应力筋的设置等。
通过合理的构造设计,可以提高楼盖的施工效率和结构的性能。
第七步:进行详图设计在完成结构设计后,进行楼盖的详图设计。
详图设计包括绘制楼盖的平面图和剖面图,并标注结构的尺寸、连接方式和钢筋的布置等。
详图设计是构造和施工的依据,是确保结构顺利施工的重要环节。
第八步:进行施工完成详图设计后,按照设计图纸和施工方案进行楼盖的施工。
施工过程中,需要保证施工质量、安全和进度的要求,同时进行质量检验和验收。
第九步:进行验收和维护完成施工后,对楼盖进行验收,检查结构的完整性和安全性。
并在使用过程中,定期进行维护和检查,确保楼盖的功能和安全性。
单向板肋梁楼盖设计(一)
单向板肋梁楼盖是一种常用的楼板设计,它的特点是使用钢筋混凝土板作为楼盖结构,而在板的底部加装钢筋混凝土肋梁。
这种设计有以下几个优点:
1. 节省构造高度:单向板肋梁楼盖的肋梁高度和板厚度相对较小,因此整个楼盖的构造高度也相对较低,可以节省房屋总高度,提高楼盖的使用空间。
2. 布置简单:肋梁的布置较为简单,因为肋梁一般是沿横向和纵向排列的,且跨度相当,因此不用过多考虑布置难度。
3. 构件结构简单可靠:单向板肋梁楼盖的结构构造比较简单,相比其他设计方案而言,它的工艺性和施工性也更佳可靠。
除了以上的优点外,单向板肋梁楼盖还存在一些缺点:
1. 钢筋混凝土板的强度受限:由于板的底部设置了肋梁,板的底部容易出现混凝土裂缝,导致强度受限,在设计时需要特别注意。
2. 空间限制:肋梁的高度和板厚度相对较小,在进行施工时,需要考虑施工工具的尺寸和空间的限制,否则肋梁的施工很容易出现困难。
3. 横向受力能力较差:单向板肋梁楼盖的纵向刚度比较大,但是横向刚度相对较差,在设计时需要特别注意加强横向受力能力。
总的来说,单向板肋梁楼盖的使用在一定程度上可以提高楼盖的使用
空间和施工效率,但是在具体使用中还需要根据应用场景等因素进行综合考虑。
XXXX大学工程技术学院本科生课程设计题目:整体式单向板肋梁楼板结构设计专业:土木工程年级:土木1111学号:学生:指导教师:完成日期: 2014 年 06 月 15 日内容摘要按结构形式,楼盖可分为单向板肋梁楼盖、双向板肋梁楼盖、井式楼盖、密肋楼盖和无梁楼盖(又称板柱结构)。
本文以整体式单向板肋梁楼板结构设计为研究方向,以混凝土结构的相关理论为依据,结合现场施工工艺,对混凝土结构的应用现状及发展前景进行阐述,并根据设计题目给出的整体式单向板肋梁楼盖设计实例对结构平面进行计算并做出初步设计图,然后对结构的板、次梁、主梁进行合理化分析、设计。
最后,详细深入的分析了混凝土结构的施工常见问题与质量通病,并结合混凝土结构施工中常见的质量通病问题及工程实例经验,全面的阐述了有关质量问题的解决方法。
关键词:混凝土结构;截面有效高度;配筋计算;建筑施工质量目录内容摘要 ............................................................................................................................ 引言 . 01 混凝土结构的应用及前景 (1)1.1 混凝土结构应用现状 (1)1.2 混凝土结构的发展前景 (1)2 整体式单向板肋梁楼盖设计实例 (2)2.1 基本设计资料 (2)2.2 结构平面布置,板、次梁、主梁截面尺寸选定 (3)2.3 板的设计 (4)2.4 次梁的设计 (6)2.5 主梁的设计 (9)3 混凝土结构施工中常见的质量通病 (15)3.1 混凝土结构质量的重要性 (15)3.2 常见的建筑施工质量通病 (15)参考文献 (19)引言近年来,我国在混凝土基本理论与设计方法、结构可靠度和荷载分析、工业化建筑体系、结构抗震与有限元分析方法以及现代化测试技术等方面的研究也取得了很多新的成果,某些方面已达到或接近国际先进水平。
混凝土结构的设计和研究向更完善更科学的方向发展。
随着科技的发展和社会的进步,新型混凝土结构也处于进一步开发和完善阶段。
钢筋混凝土肋梁楼盖是混凝土结构常用的构件类型。
混凝土楼盖按施工方法可分为现浇整体式、装配式和装配整体式楼盖。
现浇整体式楼盖因混凝土现场浇注,故具有整体性好,适应性强,防水性好的优点,它的缺点是模板耗用量多,施工现场作业量大,施工进度受到限制。
随着施工技术的不断革新和多次重复使用的工具式模板的推广,整体现浇式楼盖结构的应用有日益增多的趋势。
装配式钢筋混凝土楼盖,楼板采用钢筋混凝土预制构件,便于工业化生产,在多层民用建筑和厂房中应用较广。
但是这种楼面整体性、抗震性、防水性较差,不便于开设孔洞,因此对于高层建筑及有抗震要求的建筑以及使用上要求防水和开设洞口的楼面,均不宜采用。
本设计介绍了混凝土结构的概念,对其体系、发展现状及存在问题进行了探讨,并阐明了发展趋势。
通过对整体式单向板肋梁楼板设计,使所学的理论知识和设计方法可以运用于具体的设计实践中,提高专业设计能力及创造性思维能力,使所学知识能够融会贯通,提高解决实际问题能力。
1 混凝土结构的应用及前景1.1 混凝土结构应用现状混凝土结构约有150年的历史。
与钢、木和砌体结构相比,由于它在物理性能、材料来源以及工程造价等方面有许多优点,所以发展速度很快,应用也很广泛。
我国是采用混凝土结构最多的国家,在高层建筑和多层框架中大多采用混凝土结构。
在多层住宅中也广泛应用了混凝土─砌体结构结构;电视塔、水塔、水池、冷却塔、烟囱、贮罐、筒仓等构筑物中也普遍采用了钢筋混凝土和预应力混凝土结构。
此外,在大跨度的公共建筑和工业建筑中也广泛采用混凝土结构。
1.2 混凝土结构的发展前景钢筋混凝土结构发展的同时,也暴露出了它的一系列缺点。
混凝土结构自重大是一个最大的缺点之一,自重大也带来地震力大。
国内外均在大力研究轻质、高强混凝土以减轻混凝土的自重。
故混凝土结构轻质化是一个重要的发展方向。
现浇钢筋混凝土空心楼盖应用技术填补了传统结构各项功能的不足,且大大降低了工程的综合造价。
随着高强度钢筋、高强高性能混凝土以及高性能外加剂和混合材料的研制使用,高强高性能混凝土的应用范围不断扩大,刚纤维混凝土和聚合物混凝土的研究和应用有了很大的发展。
还有轻质混凝土、加气混凝土、陶粒混凝土以及利用工业废渣的“绿色混凝土”,不但改善了混凝土的性能,而且对节能和保护环境具有重要的意义。
此外防射线、耐磨、耐腐蚀、防渗透、保温等特殊需要的混凝土以及智能型混凝土及其结构也正在研究中。
混凝土结构的应用范围也在不断地扩大,已从工业与民用建筑、交通设施、水利水电建筑和基础工程扩大到了近海工程、海底建筑、地下建筑、核电站安全壳等领域,甚至已开始构思和实验用于月面建筑。
随着轻质高强材料的使用,在大跨度、高层建筑中的混凝土结构越来越多,混凝土结构的应用将更加广泛,更加丰富多彩。
2 整体式单向板肋梁楼盖设计实例2.1 基本设计资料1、工程概况某厂房,设计使用年限为50年,采用砖混结构,楼盖要求采用整体式单向板肋梁楼盖。
墙厚370mm,柱为钢筋混凝土柱,截面尺寸为400400⨯。
mm mm2、设计资料(1)楼板平面尺寸为19.833⨯,如下图所示:m m图2.1 楼板平面图(2)楼盖做法详图及荷载图2.2楼盖做法详图楼面均布活荷载标准值为:7kN/m2楼面面层用20mm 厚水泥砂浆抹面,γ=20kN/m 3, 板底及梁用20mm 厚混合砂浆天棚抹底,γ=17kN /m 3 楼盖自重即为钢筋混凝土容重,γ=25KN /m 3④ 恒载分项系数1.2;活荷载分项系数为1.3(因工业厂房楼盖楼面活荷载标准值大于4kN/m 2) ⑤ 材料选用 混凝土:C25钢 筋:梁中受力纵筋采用HRB335级钢筋;板内及梁内的其它钢筋可以采用HPB235级。
2.2 结构平面布置,板、次梁、主梁截面尺寸选定确定主梁跨度为6.6m ,次梁的跨度为6.6m 主梁每跨内布置两根次梁,板的跨度为2.2m 。
图2.3楼盖平面布置图按跨高比条件,要求板厚73mm 2200/30h =≥,对工业建筑的楼盖板,要求mm 70h ≥,取板厚mm 100h =。
次梁截面高度应满足mm l l h 550~36712/~18/==,考虑到楼面可变荷载比较大,取500mm h =。
截面宽度取为200mm b =。
220022002200250120100100主梁的截面高度应满足660mm ~ 44010/6600~15/6600l/10~l/15h ===,取650mm h =。
截面宽度取为300mm b =。
柱的截面尺寸400mm 400mm h b ⨯=⨯2.3 板的设计(1)荷载计算 板的永久荷载标准值20mm 水泥砂浆面层: 0.4200.02=⨯ kN/m 2100mm 钢筋混凝土板: 2.5250.1=⨯ kN/m 2 20mm 板底混合砂浆: 0.34170.02=⨯ kN/m 2小计 3.24 kN/m 2板的可变荷载标准值 7.0 kN/m 2永久荷载分项系数取1.2;因楼面可变荷载标准值大于4 kN/m 2,所以可变荷载分项系数取1.3。
于是板的恒荷载设计值: 3.891.23.24g =⨯= kN/m 2活荷载设计值: 9.11.37q =⨯= kN/m 2荷载总设计值: 12.99q g =+ kN/m 2,近似取为13q g =+ kN/m 2(2)计算简图按塑性内力重分布设计。
次梁截面为500mm 200mm ⨯,现浇板在墙上的支承长度为120mm a =,板的计算跨度:边跨 mm l h l l n n 5.2029025.120305010012022002/01=>=+--=+=,取边跨计算跨度为mm 2030 中间跨 mm l l n 2000200220002=-==图2.4 板的实际结构图因跨度相差小于10%,可按等跨连续板计算。
取1m 宽板带作为计算单元,计算简图如图2.5所示。
图2.5 板的计算简图 (3)弯矩设计值考虑拱作用界门弯矩的折减。
由表可查得板的弯矩系数m α,板的弯矩设计值计算过程见表2.6。
表 2.6板的弯矩设计值的计算 (4)配筋计算——正截面受弯承载力计算板厚100mm ,C25混凝土,板的最小厚度15mm c =,实际取20mm 。
假定纵向钢筋直径d 为10mm ,则截面有效高度mm d c h 752/10201002/h 0=--=--=;板宽1000mm b =。
C25混凝土,21/9.11,0.1mm N f c ==α;235=HPB 钢筋,2/210mm N f y =对轴线②~⑤间的板带,考虑起拱作用,其跨内2截面和支座C 截面的弯矩设计值可折减20%,为了方便,近似对钢筋面积折减20%。
板配筋计算过程见表2.7。
表2.7板的配筋计算g+q=13.0KN/m2.4 次梁的设计(1)荷载设计值 永久荷载设计值板传来永久荷载 8.56KN/m 2.23.89=⨯次梁自重 () 2.4KN/m 1.225.0.10-0.500.20=⨯⨯⨯ 次梁粉刷 ()KN/m 33.02.11710.050.002.02=⨯⨯-⨯⨯小计 11.29KN/m g =活荷载设计值 20.02KN/m 2.29.1q =⨯= 荷载总设计值 31.31KN/m q g =+ (2)计算简图按塑性内力重分布设计。
主梁截面为650mm 300mm ⨯。
次梁在墙上支承长度为240mm a =,计算跨度:边跨 mm a l l n 64501202/30012066002/01=+--=+= 中间跨 mm l l n 6300300660002=-==图2.8 次梁的实际结构s αξ211--=0.076 0.1<0.076<0.350.050 0.1<0.055<0.35轴线 ①~②⑤~⑥ 计算配筋(mm 2) A S yc f f bh /10αξ=323.0 323.0 212.5 233.8 实际配筋(mm 2) 10@200 10@200 8@200 8@200 As=393 As=393 As=251As=251轴线②~⑤ 计算配筋(mm 2)A S y c f f bh /10αξ= 323.0 323.0 0.8×212.5=170 0.8×233.8=187.04实际配筋(mm 2)10@200 10@200 8/10@200 8/10@200 As=393As=393As=308As=308配筋率验算ρ=0.45ft/fy=0.45⨯1.27/210=0.27%P=A S /bh=0.40% P= A S /bh=0.40% P=A S /bh=0.31% P=A S /bh=0.31%因跨度相差小于10%,可按等跨连续梁计算。