干式电力变压器检修工艺规程
- 格式:doc
- 大小:117.00 KB
- 文档页数:24
电力变压器运行维修规程范文电力变压器是电力系统中不可或缺的重要设备,对于保障电力供应的稳定和高效运行具有至关重要的作用。
为了确保电力变压器的正常运行,及时发现故障并进行维修,制定规范的运行维修规程是必不可少的。
本文将围绕电力变压器运行维修规程展开,从维修前准备、维修工具、维修流程、维修安全等方面进行详细的介绍。
一、维修前准备1. 了解变压器基本情况:维修人员在进行维修工作之前,应该对所要维修的电力变压器有足够的了解,包括变压器的型号、额定容量、运行情况等。
2. 查看维修资料:维修人员应仔细翻阅有关电力变压器的维修资料,了解变压器的内部结构和工作原理,为维修工作提供参考依据。
3. 检查维修工具:维修人员需要检查维修工具的完整性和可用性,确保所需的工具齐备。
4. 检查安全设施:维修人员要检查变压器周围的安全设施是否完好,包括灭火设备、防护装置等,确保维修过程中的安全。
二、维修工具1. 万用表:用于测量电压、电流、电阻等参数,检测电力变压器的工作状态。
2. 绝缘电阻测试仪:用于检测电力变压器的绝缘性能,及时发现绝缘故障。
3. 温度计:用于测量电力变压器的温度,及时判断变压器是否存在过热现象。
4. 隔离开关、挡板等工具:用于隔离电力变压器与电力系统之间的连接,确保维修过程的安全。
三、维修流程1. 关电操作:维修人员在维修电力变压器之前,需要先切断变压器与电力系统之间的连接,确保维修过程的安全。
2. 拆卸检修:根据维修需要,维修人员进行电力变压器的拆卸工作,并检查变压器内部的设备。
3. 故障诊断:在拆卸检修过程中,维修人员需要对电力变压器进行全面的故障诊断,找出故障的具体原因。
4. 维修处理:根据故障原因,维修人员进行相应的维修处理,包括更换损坏的零部件、修复绝缘层等。
5. 复原操作:在维修结束后,维修人员需要将电力变压器恢复至正常工作状态,并确保所有连接接头的牢固性。
四、维修安全1. 穿戴个人防护装备:维修人员在进行维修工作时,需要穿戴合适的个人防护装备,包括绝缘手套、绝缘靴等,以防止触电事故的发生。
变压器检修规程4. 检修周期及检修项目4.1大修周期4.1.1 一般在运行后的5年内和以后每隔10年大修一次,工期控制在30-40天。
4.1.2 箱沿焊接的全密封变压器或制造厂另有规定者,若经过试验与检查并结合运行情况,判定有内部故障或本体严重渗漏油时,才进行大修。
4.1.3 在电力系统中运行的主变压器当承受出口短路后,经综合诊断分析,可考虑提前大修。
4.1.4 运行中的变压器,当发现异常状况或经试验判明有内部故障时,应提前进行大修;运行正常的变压器经综合诊断分析良好,总工程师批准,可适当延长周期。
4.2小修周期一般每年一次,工期控制在4-7天。
4.3附属装置的检修周期4.3.1 保护装置和测温装置的校验,应根据有关规程的规定进行。
4.3.2 净油器中吸附剂的更换,应根据油质化验结果而定;吸湿器中的吸附剂视失效程度随时更换。
4.3.3 自动装置及控制回路的检验,一般每年进行一次。
4.3.4 套管的检修随本体进行,套管的更换应根据试验结果确定。
4.4巡视检查周期4.4.1每周一次。
5.维护检修内容5.1大修项目5.1.1 吊开钟罩检修器身,或吊出器身检修;5.1.2 绕组、引线及磁(电)屏蔽装置的检修;5.1.3 铁芯、铁芯紧固件(穿心螺杆、夹件、拉带、绑带等)、压钉、压板及接地片的检修;5.1.4 油箱及附件的检修,包括套管、吸湿器等;5.1.5 冷却器、油泵、水泵、风扇、阀门及管道等附属设备的检修; 5.1.6 安全保护装置的检修;5.1.7 油保护装置的检修;5.1.8 测温装置的检修;5.1.9 智能型变压器早期故障在线监测系统检查与调试;5.1.10 操作控制箱的检修和试验;5.1.11 无励磁分接开关和有载分接开关的检修;5.1.12 全部密封胶垫的更换和组件试漏;5.1.13 必要时对器身绝缘进行干燥处理;5.1.14 变压器油的处理或换油;5.1.15 清扫油箱并进行喷涂油漆;5.1.16 检修后的各项试验和试运行。
干式变压器操作规程
《干式变压器操作规程》
1. 检查操作人员:在操作干式变压器之前,必须确保操作人员具有相应的电气知识和操作经验,并且已经接受了相关的安全培训。
2. 开关操作:在操作干式变压器时,必须按照正确的操作步骤进行开关操作,并且在操作之前,必须确认开关处于断开状态。
3. 温度监控:对于干式变压器的温度监控至关重要,必须定期检查温度传感器的准确性,并且确保变压器的温度不超过额定值。
4. 维护保养:对于干式变压器的维护保养工作,必须按照相关的规程进行,包括定期清洁和检查绝缘材料的状况。
5. 安全措施:在操作干式变压器时,必须遵守相关的安全措施,包括穿戴电气绝缘工具和检查工具的状况。
6. 故障处理:如果发现干式变压器存在故障,必须立即停止操作,并且进行相应的维修处理。
7. 报警监控:对于干式变压器的报警监控系统必须保持良好的运行状态,确保在发生异常情况时及时报警并进行处理。
8. 环境保护:在操作干式变压器时,必须保护周围的环境,并
且合理利用资源,避免造成不必要的浪费和污染。
以上就是关于《干式变压器操作规程》的相关内容,希望能够帮助操作人员正确、安全地进行干式变压器的操作工作。
电力变压器运行维修规程以下是一个电力变压器运行维修规程的示例,具体内容可以根据实际情况进行调整。
1. 变压器的日常运行管理:a. 对变压器运行情况进行定期检查,包括温度、湿度等参数的监测。
b. 定期清洁变压器设备和设施,确保无积尘、无异物。
c. 检查变压器内部油位,并定期进行油质抽样和分析,确保油质合格。
d. 确保变压器通风系统正常运行,检查风扇、风道等设备。
e. 定期进行绝缘电阻测量和绝缘油介质的交流电压试验。
f. 确保变压器周围环境整洁,无火源和易燃物。
2. 变压器的故障处理:a. 对于变压器温度超过额定值或油位异常等情况,应及时排查故障原因,并进行维修处理。
b. 对于变压器绝缘电阻降低、绝缘油介质电压试验不合格等情况,应及时进行绝缘维修。
c. 对于变压器油质异常、变压器内部部件损坏等情况,应及时更换油质或修复损坏部件。
d. 对于变压器通风系统异常、风扇运行不正常等情况,应及时修复或更换设备。
e. 对于变压器周围有火源或出现火灾等情况,应及时报警、疏散人员并进行灭火处理。
3. 变压器的预防性维修:a. 根据变压器的运行时间和负荷变化情况,合理安排变压器的维修计划。
b. 定期对变压器进行全面的检修和维护,包括清洁设备、更换磨损部件等。
c. 定期对变压器绝缘系统进行维护和检测,进行绝缘电阻测量和绝缘油介质检验。
d. 定期对变压器的油质进行抽样和检测,确保油质合格。
e. 定期对变压器通风系统进行检修和清洁,确保系统正常运行。
f. 做好变压器周围环境的管理,确保无火源和易燃物。
以上是一个基本的电力变压器运行维修规程的示例,具体规程应根据实际变压器设备和运行情况进行制定。
同时,也应考虑相关的国家标准和规范进行操作。
变压器检修工艺规程变压器是电力系统中使用最广泛的电力设备之一,对于保障电网的稳定运行和供电质量具有重要作用。
为了确保变压器的正常运行和延长使用寿命,定期的检修工作是非常必要的。
下面是一份变压器检修工艺规程,旨在帮助工作人员完成变压器的检修工作。
一、检修前准备1. 检查检修工具和设备的完好性和准确性,并进行必要的校验和校准。
2. 对要检修的变压器进行详细的检查,包括外观、温度、接线、运行记录等。
3. 制定检修计划,明确检修范围和工作流程。
二、检查外观1. 检查变压器外壳和冷却系统的完好性和清洁度,清除污物和杂质。
2. 检查变压器接线箱和端子的紧固情况,修复变形或松动的零部件。
3. 检查变压器绝缘罩和绝缘套管的状况,修复破损或老化的绝缘材料。
三、测量参数1. 测量变压器的绝缘电阻和介质损耗角正切值,判断绝缘状况。
2. 测量变压器的电阻和绕组电流,判断电阻是否合格。
3. 测量变压器的磁通和铁芯的磁阻,判断变压器的磁性能是否正常。
四、检查绝缘油1. 取样绝缘油进行试验,包括介质损耗、含水量、酸值等指标。
2. 检查绝缘油的外观和气味,判断是否有异常情况。
3. 对绝缘油进行过滤和干燥处理,确保其清洁度和绝缘性能。
五、检查冷却系统1. 检查冷却器、散热器和风扇的清洁度和工作状态,清除杂物和堵塞。
2. 检查冷却水的流量和温度,确保其在合理范围内。
六、检查保护装置1. 检查变压器的过电流保护和温度保护装置的正常运行,修复故障和异常。
2. 检查继电器的触点状态和动作性能,修复松动或磨损的接点。
3. 检查变压器的接地装置和绝缘监测系统的工作状态,确保其正常运行。
七、检查运行记录1. 查阅变压器的运行记录,分析变压器的运行状况和故障情况。
2. 根据运行记录,做好相应的维修和调整工作。
八、检修报告1. 根据实际检修情况,详细记录检修过程和结果,包括发现的故障和修复的措施。
2. 提出关于变压器维护和保养的建议和改进措施。
以上是一份变压器检修工艺规程,通过严格按照规程操作,可以确保变压器的正常运行和延长使用寿命。
电力变压器运行维修规程
一般包括以下内容:
1. 变压器运行规程:包括变压器的操作流程、运行环境要求、运行负荷要求等。
2. 运行检查规程:包括定期巡视检查、电气性能检测、油浸变压器油质检测等内容,以确保变压器的运行状况良好。
3. 运行保护规程:包括过流保护、过压保护、过温保护等,以防止变压器运行时发生故障。
4. 变压器维护规程:包括日常保养、定期保养和大修等内容,以保证变压器的正常运行。
5. 变压器事故处理规程:包括变压器故障时的应急处理、事故调查与分析等,以确保运转安全和故障的快速排除。
6. 变压器应急预案:包括变压器故障时的应急处理措施、联系方式、救援资源等,以保证应对突发情况的能力。
以上只是电力变压器运行维修规程的一般内容,具体的规程根据不同的变压器类型和运行环境可能会有所差异。
为了确保变压器的安全运行,建议根据实际情况制定和执行相应的规程。
第 1 页共 1 页。
干式箱式变压器操作规程干式箱式变压器是一种常用的变压器设备,操作规程对于确保设备的安全运行和人员的安全非常重要。
以下是干式箱式变压器操作规程的内容,共计1200字。
一、安全准备工作1. 操作人员应熟悉干式箱式变压器的基本性能、结构和工作原理,并具备一定的电气知识。
2. 操作人员要熟悉变压器区域的电气设备布局和相关安全规定,了解紧急停电的方式和操作步骤。
3. 变压器的安全防护措施必须到位,包括防护罩、漏电保护器等。
二、设备操作1. 操作人员要定期检查变压器的设备状态,如外观、温度、绝缘电阻等,发现异常及时处理并报告维修人员。
2. 在操作变压器前,必须先检查是否有被禁止操作的标示,如变压器正在维修或保养中。
3. 操作人员要按照变压器的额定电压和额定频率进行操作,严禁超过设备的额定工作条件使用。
4. 操作人员要严禁擅自更改变压器的接线方式和设备参数。
三、开机操作1. 在开机前,操作人员应检查变压器周围是否有可燃物,如有必须及时清除。
2. 检查变压器线路是否正常连接,各种保护装置是否闭合。
3. 在开机前,应检查变压器是否放电,如有必要可通过自耦变比测量方法进行放电操作。
4. 操作人员应根据变压器额定电压调节切换变压器的输出电压。
四、运行操作1. 在变压器运行过程中,应密切观察设备状态,如发现过热、漏电、异响等异常情况,应立即停机检修。
2. 定期对变压器进行绝缘检测,维护工作人员应按照规定的绝缘检测标准进行测试。
3. 在变压器运行过程中,严禁局部通电,必须保证设备整体通电。
五、停机操作1. 在停机前,应先切断变压器的电源,并确保设备已经停止运行。
2. 应按照规定的程序进行停机操作,如有特殊情况需要紧急停机,操作人员必须立即切断电源。
3. 停机后,应检查变压器的绝缘电阻,并记录相关数据。
六、维护保养1. 定期对变压器进行清洁工作,特别是保持变压器的散热片清洁,确保良好的散热效果。
2. 定期对变压器进行绝缘检测和维修,维修工作必须由合格的维修人员进行。
电力变压器维修手册1. 前言电力变压器是电力系统中重要的设备之一,它承担着电能的变换和传输任务。
为了保证变压器的正常运行和延长其使用寿命,及时进行维修是非常必要的。
本手册将详细介绍电力变压器的维修方法和步骤,帮助维修人员准确高效地进行维修工作。
2. 维修前准备在进行电力变压器维修前,维修人员需要做好以下准备工作:2.1 检查维修工具和设备的完好性,确保所有需要使用的工具齐全,并进行必要的校准和检测;2.2 确定维修所需的时间和地点,并进行必要的安全措施,例如挂牌警示、设置安全阀等;2.3 准备维修所需的材料和备件,包括绝缘材料、冷却剂等;2.4 了解变压器的技术参数和运行情况,确保对变压器的结构和原理有较为全面的了解。
3. 维修步骤3.1 断电和断开电气连接在进行电力变压器维修前,首先需要切断供电,确保变压器处于断电状态。
同时断开所有的电气连接,包括电源线和负载线等。
3.2 清洁和外观检查维修人员需要对变压器进行全面的清洁工作,除去表面的污物和灰尘。
在清洁过程中,注意使用合适的清洁剂,避免对绝缘材料和涂层造成损害。
清洁完成后,对变压器的外观进行全面检查,发现异常情况及时记录。
3.3 绝缘测试维修人员需要对变压器的绝缘材料进行测试,确保其绝缘性能符合要求。
常用的绝缘测试方法包括绝缘电阻测试和绝缘电压测试。
3.4 内部检查维修人员需要进入变压器内部进行全面的检查。
首先,打开变压器的进出线盖板,检查接线端子和连接情况。
然后,对绝缘油进行采样和测试,确保其绝缘性能和化学性能。
最后,检查变压器的绝缘结构和散热系统,确保其正常运行。
3.5 维修和更换部件根据内部检查的结果,维修人员需要对变压器的故障部件进行维修或更换。
维修时,需要遵循相应的工艺要求和操作规程,确保操作安全和维修效果。
3.6 组装和调试维修完毕后,维修人员需要对变压器进行组装和调试。
组装时,注意保证各部件的正确安装位置和连接方式。
调试时,需要逐步恢复供电,确保变压器能够正常运行,并进行必要的测试和监测。
电力变压器运行维修规程电力变压器是一种改变交流电压大小静止的电力设备,是电力系统中核心设备之一,在电能的传输和配送过程中,电力变压器是能量转换、传输的核心,是国民经济各行各业和千家万户能量来源的必经之路。
如果变压器发生故障,将影响电力系统的安全稳定运行电力系统中很重要的设备,一旦发生事故,将造成很大的经济损失。
分析各种电力变压器事故,找出原因,总结出处理事故的办法,把事故损失控制在最小范围内,尽量减少对系统的损害。
由于每台变压器负荷大小、冷却条件及季节不同,运行中不仅要以上层油温允许值为依据,还应根据以往运行经验及在上述情况下与上次的油温比较。
如油温突然增高,则应检查冷却装置是否正常,油循环是否破坏等,来判断变压器内部是否有故障。
变压器的安全运行管理工作是我们日常工作的重点,通过对变压器的异常运行情况、常见故障分析的经验总结,将有利于及时、准确判断故障原因、性质,及时采取有效措施,确保设备的安全运行变压器是输配电系统中极其重要的电器设备,根据运行维护管理规定变压器必须定期进行检查,以便及时了解和掌握变压器的运行情况,及时采取有效措施,力争把故障消除在萌芽状态之中,从而保障变压器的安全运行。
现根据对变压器的运行、维护管理经验。
一.常见故障1变压器渗油变压器渗漏油不仅会给电力企业带来较大的经济损失、环境污染,还会影响变压器的安全运行,可能造成不必要的停运甚至变压器的损毁事故,给电力客户带来生产上的损失和生活上的不便。
因此,有必要解决变压器渗漏油问题。
油箱焊缝渗油。
对于平面接缝处渗油可直接进行焊接,对于拐角及加强筋连接处渗油则往往渗漏点查找不准,或补焊后由于内应力的原因再次渗漏。
对于这样的渗点可加用铁板进行补焊,两面连接处,可将铁板裁成纺锤状进行补焊;三面连接处可根据实际位置将铁板裁成三角形进行补焊;该法也适用于套管电流互感器二次引线盒拐角焊缝渗漏焊接。
高压套管升高座或进人孔法兰渗油。
这些部位主要是由于胶垫安装不合适,运行中可对法兰进行施胶密封。
干式电力变压器检修工艺规程1 范围本规程规定了公司各低压配电室干式变压器的检修、维护周期、项目与质量要求。
本规程适用于公司各低压配电室干式变压器的维护及检修工作。
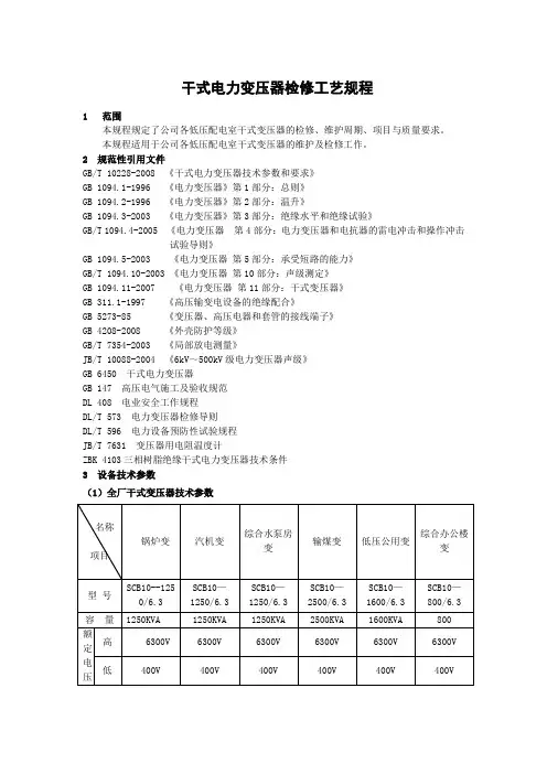
2 规范性引用文件GB/T 10228-2008 《干式电力变压器技术参数和要求》GB 1094.1-1996 《电力变压器》第1部分:总则》GB 1094.2-1996 《电力变压器》第2部分:温升》GB 1094.3-2003 《电力变压器》第3部分:绝缘水平和绝缘试验》GB/T 1094.4-2005 《电力变压器第4部分:电力变压器和电抗器的雷电冲击和操作冲击试验导则》GB 1094.5-2003 《电力变压器第5部分:承受短路的能力》GB/T 1094.10-2003 《电力变压器第10部分:声级测定》GB 1094.11-2007 《电力变压器第11部分:干式变压器》GB 311.1-1997 《高压输变电设备的绝缘配合》GB 5273-85 《变压器、高压电器和套管的接线端子》GB 4208-2008 《外壳防护等级》GB/T 7354-2003 《局部放电测量》JB/T 10088-2004 《6kV~500kV级电力变压器声级》GB 6450 干式电力变压器GB 147 高压电气施工及验收规范DL 408 电业安全工作规程DL/T 573 电力变压器检修导则DL/T 596 电力设备预防性试验规程JB/T 7631 变压器用电阻温度计ZBK 4103三相树脂绝缘干式电力变压器技术条件3 设备技术参数(1)全厂干式变压器技术参数(2)发电机励磁变技术参数日常维护:每天进行干式变压器的巡查。
小修周期:消除设备运行中发现的缺陷。
大修周期:每年进行一次大修。
5 检修项目1、日常维护项目:(1)观察变压器高压侧运行的电压为 6.3±5%KV,电流不超过额定电流值,三相电流不平衡度不超过±5%。
(2)观察变压器各部位应无局部过热迹象,温控器显示变压器温度不超过80℃。
变压器检修规程范本第一章总则第一条为了保障变压器的正常运行和延长其使用寿命,规范变压器检修工作,确保检修质量和安全,制定本规程。
第二条本规程适用于各类变压器的检修工作,包括定期检修、停用检修以及事故检修等。
第三条变压器检修应遵循科学、严密、规范的原则,严格按照相关技术标准和规程进行操作。
第四条变压器检修应由专业技术人员负责,必须持有相应的操作证书和上岗证。
第五条检修人员应熟悉本规程以及相关技术标准和规程,并严格遵守电力安全操作规程。
第二章检修前准备第六条变压器检修前,应做好以下准备工作:1.查看变压器运行记录,了解工作负荷、温度等参数。
2.检查变压器周围环境,排除隐患,确保安全。
3.准备好检修所需的工具、仪器、设备,并确保其完好。
4.确认停电情况,必要时通知相关部门进行停电操作。
第七条检修前应进行变压器的停电检查,确保变压器与输电线路的安全断开。
第八条变压器检修前,应关闭进出线开关,切断与危险电源的连接,确保工作区域安全。
第九条变压器检修前,应进行通风开门等预先处理工作,以确保工人的安全。
第十条检修前应查看变压器绝缘电阻,以确保其满足检修要求。
第三章检修操作第十一条变压器检修必须按照以下步骤进行:1.检查外部观察,排查外部的损坏和杂物等。
2.检查铭牌和标志牌,确认其清晰、完好。
3.用手触摸外壳,确认其温度是否正常。
4.检查变压器油位,确认其充足。
5.检查变压器油质,确认其清澈。
6.检查变压器防护措施,包括接地、避雷器等。
7.检查弹性元件、螺栓等连接部分,确认其紧固可靠。
8.检查冷却水系统,包括冷却器、水泵等。
9.检查变压器绝缘子,确认其距离自如。
10.检查变压器绕组,确认无变形和破损。
第十二条检修时,必须戴好个人防护装备,包括工作帽、安全眼镜、手套、绝缘鞋等。
第十三条检修时,应注意保持工作区域整洁,防止杂物滑倒或碰撞到设备。
第十四条检修过程中,应及时记录变压器的工作参数和维护情况,并编制检修报告。
干式变压器日常检查维护作业规定范文一、检查维护作业目的及范围1. 本规定的目的是确保干式变压器的正常运行和延长其使用寿命,保障运行安全。
2. 本规定适用于所有干式变压器设备,包括干式变压器本体、绝缘材料、绝缘电阻、连接装置等。
二、检查维护作业内容及方法1. 外观检查1.1 检查干式变压器外观是否有裂纹、变形、腐蚀等异常情况。
1.2 检查变压器无油的硅橡胶制封箱是否有老化、开裂等情况。
1.3 检查变压器上的标志、警示标志是否清晰可见。
1.4 检查变压器安装是否稳固,有无倾斜等现象。
1.5 检查变压器进出线口的密封是否完好,有无渗漏。
2. 温度检测2.1 使用红外热像仪定期检测变压器外壳温度。
2.2 比较测量变压器油温、绕组温度和环境温度之间的差值是否正常。
3. 绝缘电阻测试3.1 使用绝缘电阻测试仪定期测试变压器的绝缘电阻。
3.2 测试电压应符合国家标准,并进行适当的校验和调整。
4. 清洁工作4.1 定期清洗干式变压器表面灰尘和杂物。
4.2 清洗时应使用干净的软布、软刷等工具,避免使用水或化学溶剂。
5. 排除异物5.1 检查变压器内部是否有异物,如纸屑、灰尘等,及时清除。
5.2 注意不要损坏变压器绝缘材料或绕组。
6. 连接器检查6.1 检查变压器连接器是否松动、氧化等异常情况。
6.2 若发现异常,及时清洁、紧固或更换连接器。
7. 绝缘材料检查7.1 检查变压器绝缘材料是否老化、损坏等情况。
7.2 若发现异常,及时更换或修复绝缘材料。
8. 防雷装置检查8.1 检查变压器的防雷装置是否完好、接地良好。
8.2 若发现异常,及时更换或修复防雷装置。
三、检查维护作业周期及计划1. 外观检查、温度检测、清洁工作每月进行一次。
2. 绝缘电阻测试按年度计划进行一次。
3. 排除异物、连接器检查、绝缘材料检查、防雷装置检查每季度进行一次。
四、检查维护作业记录及报告1. 检查维护作业应有详细记录,包括日期、检查内容、发现问题及处理情况等。
干式变压器检修技术标准1 范围本标准规定了干式变压器检修概述、设备参数、运行参数、检修参数、零部件清册等相关的技术标准。
本标准适用于干式变压器检修的技术管理工作。
本标准适用于35kV及以下的干式电力变压器。
2 引用文件和资料下列文件中的条款通过本标准的引用而成为本标准的条款。
凡是注日期的引用文件,其随后所有的修改单(不包括勘误的内容)或修订版均不适用于本标准,然而,鼓励根据本标准达成协议的各方研究是否可使用这些文件的最新版本。
凡是不注日期的引用文件,其最新版本适用于本标准。
干式变压器检修使用维护说明书新疆特变电工股份有限公司干式变压器检修使用维护说明书特变电工变压器厂3 概述3.1正常使用条件3.1.1海拔不超过80m。
3.1.2环境温度最高气温+40℃最高日平均气温+30℃最高年平均气温+20℃最低气温-30℃(适用于户外式变压器)最低气温-5℃(适用于户内式变压器)3.1.3电源电压的波形近似于正弦波。
3.1.4多相变压器的电源电压应近似于对称。
3.2特殊使用条件对不符合本标准第3.1条规定的正常使用条件而设计的变压器,当运行地点海拔超过1000m的部分以每500m为一级,温升按下列数值减小。
自冷变压器 2.5%;风冷变压器 5%。
当冷却空气温度不大于10K,则线圈的允许温升应按下述情况分别降低:当超过的温度小于或等于5K时,应降低5K;当超过的温度大于5K但小于或等于10K时,应降低10K。
当超过的温度大于10K时,其允许温升应由制造厂与用户协商确定。
3.3名词术语3.3.1变压器借助于电磁感应,以相同的频率,在两个或更多的绕组之间变换交流电压和电流的一种静止的电器。
通常各绕组的电压和电流值并不相同。
3.3.2干式变压器铁心和线圈不浸在绝缘液体中的变压器。
3.3.3包封线圈的干式变压器带有一个或几个用固体绝缘包封线圈的干式变压器。
3.3.4非包封线圈的干式变压器任何线圈均没有用固体绝缘包封的干式变压器。
干式变压器规范干式变压器规范一、引言干式变压器是一种常见的电力设备,用于变换电能的电压水平。
为了保证干式变压器的正常运行和电气安全,制定一系列规范是必要的。
本文将对干式变压器的规范进行详细介绍,以指导生产、安装、使用和维护。
二、设备安装和调试规范1. 变压器的安装位置应满足防火、通风良好、无腐蚀性气体和粉尘等条件。
变压器底部应与地面保持一定距离,以确保通风和散热效果。
2. 变压器的基础应牢固、平整,以保证变压器的稳定性和正常运行。
基础周围应设置明显的防止堆积物的防止条,以保证通风和绝缘效果。
3. 安装变压器后,应进行绝缘电阻测试,确保变压器绝缘性能符合要求。
4. 安装完成后,应进行负载试验和电气连接测试,确保变压器的正常运行。
三、变压器运行规范1. 对变压器进行定期巡视和保养,检查变压器的绝缘状态、温度、冷却系统等。
2. 变压器运行期间,应保证变压器周围的通风口畅通无阻,确保正常的散热。
3. 在变压器运行过程中,应定期进行电气参数的测量,并记录,以便及时发现和解决问题。
4. 变压器的温度应在允许的范围内,一般不得超过50℃。
当温度超过限制时,应及时检查变压器的冷却系统,并采取措施降低温度。
5. 变压器运行期间,不得擅自停电或切断电源,以免对其他电气设备造成影响。
四、维护和检修规范1. 定期对变压器进行绝缘电阻测量和耐压试验,确保变压器的绝缘性能。
2. 定期清洁变压器外表面,防止灰尘、腐蚀物等对绝缘性能的影响。
3. 对变压器的冷却系统定期检查,确保冷却系统的正常运行。
4. 变压器维护和检修期间,应按照相关规程和工艺要求进行操作,确保安全和正确性。
5. 变压器维护和检修期间应戴绝缘手套和鞋,以确保人员安全。
五、变压器报废规范1. 变压器报废前应进行全面的检测和评估,确定是否可以继续使用。
2. 当变压器因各种原因无法继续使用时,应按照相关法规和环保要求进行报废处理。
3. 变压器报废处理应由专业的回收单位进行,确保安全和环保。
变压器检维修安全操作规程一、工作危害分析:二、检维修安全规程:1、检修注意事项1.开工前7天,向有关部门上报本次工作的材料计划;2.在工作前1天提交相关停电申请;3.开工前三天,准备好施工所需仪器仪表、工器具、相关材料、相关图纸及相关技术资料,仪器仪表、工器具应试验合格,满足本次施工的要求,材料应齐全,图纸及资料应附合现场实际情况;4.开工前确定现场工器具摆放位置,现场工器具摆放位置参考定置图,确保现场施工安全、可靠;5.根据本次作业内容和性质确定好检修人员,并组织学习,要求所有工作人员都明确本次工作的作业内容、进度要求、作业标准及安全注意事项;6.填写停电工作票,在开工前交值班员,工作票应填写正确,并严格按停送电管理办法执行;2、重大风险控制措施1.起重作业:吊装时起重臂下不能长时间逗留;2.高处作业:作业环境有油污,作业人员滑跌,清除作业点油污,按规定系好安全带;3.起重作业:起吊物脱落造成人员伤害,按要求进行起重作业;4.全部施工人员必须接受“三级”安全教育,进入现场必须严格劳保穿戴;5.严格执行电力部电业安全规程及公司的安全规定;6.现场动火时必须办理动火票,并准备充足的消防器材;7.各个施工项目应分工清楚,有专人负责;8.施工人员要统一行动、听从指挥;9.施工现场应按规定装设接地线、遮拦、标示牌等安全措施,所设安全措施应满足施工要求;10.非运行人员严禁靠近在运设备的控制装置及间隔,运行人员应作好在运设备的指示工作;11.检修过程中,如遇其他裸露带电体运行,注意与设备间保持安全距离,并装设遮拦;注:110kv>;35kV>1m;10kV、6kv>以下无具体要求,但必须确保无触碰带电体的可能附:停送电管理办法一、总则为确保设备维修、维护、清仓、清库等作业者人身和设备的安全,规范停送电程序,本着安全第一,预防为主的安全管理方针,根据集团下发的停送电管理办法,并结合公司实际,特制定本管理办法;二、范围本管理办法适用于本公司内所有工艺、机械、电仪工及其它工种检修或维护作业;三、内容1、管理规定1.1 现场任何涉及带电设备的检修或维护作业,以及影响系统正常运行的设备,如窑、磨、电收尘、大型风机管道等内部检查或检修作业,均必须办理停、送电手续,即作业前办理停电手续,作业完毕或试机时办理送电手续,严格遵守停送电“一支笔”原则;停送电“一支笔”原则:即停电申请人、送电申请人是一人;停电审批人、送电审批人是一人,且审批人是公司或分厂指定的部门主要领导;停送电操作人要严格按操作票执行;停送电必须填写“停送电申请单”,严禁口头、电话或预约停送电等行为;如涉及到两班或两班以上连续对同一项目检修时,需进行项目交接,原停电申请人要将申请联传递给接班检修负责人,并在备注栏签字确认,检修结束后须携带有公司或分厂指定的停送电负责人签字的申请联办理送电手续;若遇集中检修或日常计划检修,停送电申请单必须有申请人所属工段设备管理人员在备注栏内签字确认,最后由分厂主要领导签字审批;若操作票丢失,须补办书面情况说明,并由分厂主管领导确认后办理送电;同一台设备几个检修作业组同时作业时必须各自独立办理停送电手续,严禁搭车作业或简化手续,没有办理停送电手续的,一律视为设备没有停送电;检修结束后,由各检修作业组独自办理送电手续,当最后一个作业组申请送电时,必须有区域工段一把手或工段工艺管理人员在送电申请单的备注栏签字确认后,方可执行设备送电操作程序;对一张“停送电申请单”上有多台设备的情况,停送一台设备电后,应及时作出打“√”标识,防止漏停送电;同一张“停送电申请单”上只能填写5台同一电力室的设备;严禁在“停送电申请单”上随意更改、添加设备;停送电申请单一式三份,申请人一份,停送电负责人一份,操作人员一份;停送电登记表一式二份,申请人、操作人员各填写登记表一份;停送电申请单、登记表由操作人员所在部门保管,须保留三个月备查;停送电操作实行电气柜挂牌制度,各专业的停电检修牌以颜色区分;红色为电气牌;黄色为机械牌;蓝色为工艺牌,绿色为润滑牌;停电牌上标有不同编号;所有的停电作业或变压器等高压带电设备,都必须悬挂相应的警示牌;如:在停电的电源开关上悬挂“有人工作,禁止合闸”,变压器四周的遮拦上悬挂“止步,高压危险”等;各类警示牌应严格按照公司的安全规程要求进行悬挂;设备检修时,检修作业人员必须要将机旁按钮开关打至检修位置,检修结束后再打至运行位置;没有接地保护的设备,如潜水泵、电焊机、电动扳手、手电钻等移动设备,在送电后必须用验电笔检测外壳是否带电,确认无电后方可作业;在停电后也要进行验电方可移动;凡因不办理停、送电手续,造成人身、设备事故时,须严肃追究相关单位和人员的责任;2、申请停电及审批、操作程序、申请人在停电前,须对所检修、维护的设备名称及代号进行核实,防止错停或误停;.申请人到指定地点,办理停电申请手续,填写设备名称及代号和检修维护内容,并在申请单上签名,申请单不得涂改,如涂改视为无效;无效的申请单由申请人写上“作废”,并确认签名,不得随意撕毁“停送电申请单”;停送电申请人要对所停电的设备进行核实、无误后方可交停送电负责人审批,并由申请人做好登记手续;操作人员在接到申请单后,要确认停电申请单上设备名称及代号与控制柜代号是否一致,若有误必须由申请人核实,重新申请,无误后方可进行停电操作并验电,确认无电后,悬挂警示牌,停电后要在停电申请单操作栏签名,第一联留存,第二联操作票留于申请停电人,以便送电时携单核查;突发事件等紧急情况下如雷击、火灾等,操作人员接到电话或其他形式的通知时,要立即停送电,停送电后了解其情况,并要求通知者两个小时内补办停送电申请单;作业组只有拿到操作人员与申请人共同签名后的操作票方可开始作业,严禁未将停电申请单交给操作人员办理停电,就开始进入现场作业;任何停电作业,都应严格遵照操作票的要求进行;应采取停电、放电、验电、挂接地线、装设遮拦、悬挂警示牌等步骤,以确保人身安全;3、申请送电及审批、操作程序申请人在检修作业结束或试机时,须持停电第二联操作票办理送电申请单,填写送电申请单时,必须遵守“一支笔”的原则;停送电审批人负责审核是否确需送电或具备送电条件,有无交叉作业,并在申请单上注明;操作人员在接到送电申请单后,应对相关内容复核,对于同一设备有多作业组以及多项目交叉作业时,只要有一作业组未办理送电手续的,不得送电,并向申请人说明情况,在申请单上注明后交给申请人;能送电的,在电气室核对,确认无误后,取下警示牌,操作送电,并在申请单上签名交申请送电人;任何设备在恢复供电前,必须由检修负责人或区域工艺管理人员对检修作业区域进行全面的检查,确保接地线、短接线及各种安全保护设施全部拆除,且检修设备上不得遗留任何材料、工具、杂物等;四、停送电的安全规定1、高、低压变配电总降内受地调管辖的除外因检修或工作需要而停电时,要将断路器分断并拉出或空气开关分段及抽屉柜拖出,以及线路上或开关柜的隔离开关断开,并在设备可能存在感应电的部件挂接地线,带电容器的要接地放电,对设备进出线各相进行验电,确认无电后,悬挂警示牌;2、停送电作业时,要正确穿戴劳保用品,若高压作业时,须由专人负责或派人监护,严禁非电气专业人员进行停送电操作;3、放电作业时,应采用专用的导线,人体不得与放电导体接触,对高低压设备要充分放电,尤其是带电容器的设备,以防止残余电荷的存在;4、验电作业时,1应按照设备或线路的电压等级选择合适的验电器;2验电前,需先检查验电器的好坏,确认验电器的良好后方可使用;3验电时,不要用验电器直接触及设备的带电部分,而应逐渐靠近带电体,直至灯亮或语音提示为止,同时,应注意不要让验电器受到邻近带电体影响;4验电时,必须三相逐一验电,不可存在侥幸心理;5、挂地线作业时,1要先确认设备或线路无电后,选择多股软铜线,其截面积选择按照交流相线线径S<16mm2时,选用线径与相线相同;相线线径16≤S≤35mm2 ,其接地线线径选用16mm2;相线S>35mm2,选用相线线径的一半作为保护地线的线径;2悬挂顺序为先接接地端,后接导体端;3装拆临时接地线时,要穿戴好劳保用品,使用绝缘棒,天气恶劣的情况下,要穿绝缘鞋,戴绝缘手套4在开关柜间隔内悬挂临时接地线后,应装设“已接地”标示牌;凡带电容器的设备,未放电前不允许装设接地线;6、装设遮拦作业时,若进行部分停电作业,应使用遮拦将带电部分隔离起来,并要求检修作业人员与带电体之间保持一定的距离;吊装作业操作规程目的:保证人员、设备的安全;适用范围:吊装作业操作人员;1、检修中的起重吊装作业,严禁岗位人员指挥作业;2、大宗物件的吊装作业必须由内安人员操作;3、起重吊装作业,必须明确分工、统一指挥、使用统一规定的信号、旗语,禁止无人指挥或多头指挥;4、起重吊装作业前,所使用的起重机械、机具、索具等要进行仔细的检查和必要的实验;5、一般情况下,严禁利用生产设备、管道、管架、电杆及生产性建筑物、构筑物做吊装锚点;6、起重吊装的绳索不得影响交通及高压电器设备的安全;7、起重吊装工作人员包括起重机械、卷扬机等操作人员必须持证上岗;8、起重机械不得超负荷使用,禁止起吊埋在地下或与其设备相连接的物件;9、因吊装工作拆开平台格字板、护栏等地方,要有明显的警示标志,作业结束后要马上恢复,不得拖延;10、使用起重设备时,起重物、起重臂下严禁站人,并由专人负责指挥,起重物重量严禁超过起重设备起重能力,每次起重前必须进行试吊;11、使用电动葫芦时,应先检查葫芦的完好性、控制按扭的灵敏性,不完好、不灵敏不得使用;12、不允许铲车起吊重物,特殊情况需要起吊时,必须经部门领导签字同意并由内安起重工进行起吊工作;13、起重作业半径内,严禁无关人员进入,作业范围要设立隔离带,并悬挂警示标志牌;。
干式电力变压器检修工艺规程干式电力变压器检修工艺规程1 范围本规程规定了公司各低压配电室干式变压器的检修、维护周期、项目与质量要求。
本规程适用于公司各低压配电室干式变压器的维护及检修工作。
2 规范性引用文件GB/T 10228-2008 《干式电力变压器技术参数和要求》GB 1094.1-1996 《电力变压器》第1部分:总则》GB 1094.2-1996 《电力变压器》第2部分:温升》GB 1094.3-2003 《电力变压器》第3部分:绝缘水平和绝缘试验》GB/T 1094.4-2005 《电力变压器第4部分:电力变压器和电抗器的雷电冲击和操作冲击试验导则》GB 1094.5-2003 《电力变压器第5部分:承受短路的能力》GB/T 1094.10-2003 《电力变压器第10部分:声级测定》GB 1094.11-2007 《电力变压器第11部分:干式变压器》GB 311.1-1997 《高压输变电设备的绝缘配合》GB 5273-85 《变压器、高压电器和套管的接线端子》GB 4208-2008 《外壳防护等级》GB/T 7354-2003 《局部放电测量》JB/T 10088-2004 《6kV~500kV级电力变压器声级》GB 6450 干式电力变压器GB 147 高压电气施工及验收规范DL 408 电业安全工作规程DL/T 573 电力变压器检修导则DL/T 596 电力设备预防性试验规程JB/T 7631 变压器用电阻温度计ZBK 4103三相树脂绝缘干式电力变压器技术条件3 设备技术参数(1)全厂干式变压器技术参数名称 项目 锅炉变 汽机变综合水泵房变输煤变低压公用变综合办公楼变型 号SCB10--1250/6.3SCB10—1250/6.3 SCB10—1250/6.3 SCB10—2500/6.3 SCB10—1600/6.3 SCB10—800/6.3 容 量 1250K VA1250K VA1250K VA2500K VA1600K VA800额定 电压高 6300V6300V 6300V 6300V 6300V 6300V 低 400V 400V 400V 400V 400V 400V 额定 电流 高 147A 115A 115A 229A 147A 73.3A 低 2309A 1804A 1804A3608A 2309A 1155A相 数33333 3率50HZ 50HZ 50HZ 50HZ 50HZ 50HZ 接线组别Dyn11 Dyn11 Dyn11 Dyn11 Dyn11 Dyn11冷却方式AN/AF AN/AF AN/AF AN/AF AN/AF AN/AF制造厂家顺特电气设备有限公司顺特电气设备有限公司顺特电气设备有限公司顺特电气设备有限公司顺特电气设备有限公司顺特电气设备有限公司出厂日期2013.122013.102013.102013.102013.102013.10数量4 4 2 2 2 2名称 项目空冷工作变和备用变化学水变照明检修变空压机除尘变脱硫变型 号SCB10--2000/6.3SCB10—16000/6.3SCB10—500/6.3SCB10—1000/6.3SCB10—RL-1600/6.3容 量 2000K VA 1600K VA 500KV A 1000K VA 1600KVA额定 电压高 6300V6300V 6300V 6300V 6300V 低 400V 400V 400V 400V 400V 额定电流 高 183A 147A 45.8A 91.6A146.6A 低 2887A 2309A 722A1443A2309A数3 3 3 3 3 频率50HZ 50HZ 50HZ 50HZ 50HZ 接线组别Dyn11 Dyn11 Dyn11 Dyn11 Dyn11冷却方式AN/AF AN/AF AN/AF AN/AF AN/AF制造厂家顺特电气设备有限公司顺特电气设备有限公司顺特电气设备有限公司顺特电气设备有限公司江西大族电源科技有限公司出厂日期2013.122013.102013.102013.102013.10量8 2 2 2 2 (2)发电机励磁变技术参数项目名称#1励磁变型号ZSCB-3150/20 容量3150额定电压高20000 低690额定电流高90.9 低2635.7相数三相频率50HZ 接线组别Yd11 短路阻抗7.54% 重量8500KG 冷却方式AN制造厂家海南金盘电气有限公司出厂日期2014年01月4 检修周期日常维护:每天进行干式变压器的巡查。
小修周期:消除设备运行中发现的缺陷。
大修周期:每年进行一次大修。
5 检修项目1、日常维护项目:(1)观察变压器高压侧运行的电压为 6.3±5%KV,电流不超过额定电流值,三相电流不平衡度不超过±5%。
(2)观察变压器各部位应无局部过热迹象,温控器显示变压器温度不超过80℃。
变压器在三相负载平衡的情况下,三相温度应相差不大(通常B相稍高,与其它两相差不大于10℃)。
(3)注意变压器运行的声音,变压器正常运行时,一般有均匀的“嗡嗡”电磁声,声音不应过大,不应有异声。
(4)检查变压器固定平稳牢固,无歪斜、局部变形和振动,各处螺栓应无松动现象。
(5)检查变压器外箱应完整,各处连接无松动,外箱无碰坏。
(6)检查变压器的环境应清洁,无积水和妨碍安全运行的物品。
(7)变压器通风条件必须良好。
(8)检查干式变压器风机无剧烈振动、异常声音和不转到等现象。
(10)变压器温度超过80℃时,确认风机启动,若风机启动后,温度逐渐上升,此时必须检查负载大小及三相平衡度,做出相应的应急措施。
(11)遇到天气剧变时,应对室内变压器进行特殊检查:a、雷雨后:各部位有无放电声及放电痕迹。
b、天气剧冷或剧热时:检查变压器本体温度变化情况。
(12)变压器在过负荷情况下,每半小时检查一次,并将过负荷数值和时间、温度等记录在运行记录本内。
(13)各项检查内容应详细记录,缺陷及时消除。
2、小修项目:(1)检查变压器接地装置应完好;观察变压器引线位置应正常,支持应牢固,引线绝缘良好。
(3)检查接线,紧固松动螺栓。
(4)检查通风散热系统,清洁灰尘,(5)修复变压器变形的外罩和铭牌。
(6)检查中性点接地系统,紧固松动螺栓。
(7)紧固电压调节连接片的固定螺栓。
3、大修项目:(1)变压器清灰。
(2)检查铁芯。
(3)检查线圈。
(4)检查绝缘子。
(5)检查进出引线。
(6)检查各绝缘件,检查紧固件、连接件。
(7)变压器高温保护测试。
(8)干式变压器的预防性试验。
(9)检查通风散热系统。
6 检修工艺流程及质量标准项目检修工艺流程质量标准1变压器清灰用压缩空气清洁变压器铁芯和线圈缝隙及风机的灰尘。
表面无灰尘杂质2检查铁芯a)检查铁芯是否平整,绝缘漆膜是否脱落,叠片紧密程度。
b)检查铁芯上下夹件、方铁、压板的紧固程度,并用扳手逐个紧固上下夹件、方铁、压板等各部位紧固螺栓。
c)采用2500V绝缘电阻表测量铁芯对夹件及地的绝缘电阻。
d)用专用扳手紧固上下铁芯的穿心螺栓并用2500V绝缘电阻表测量穿心螺杆对铁芯及地绝缘电阻。
a)铁芯应平整,绝缘漆膜无脱落,叠片紧密,边侧的硅钢片不应翘起或成波浪状,铁芯各部表面应无灰尘和杂质,无生绣、腐蚀痕迹;片间应无短路、搭接现象,接缝间隙符合要求。
b)螺栓紧固,夹件上的正、反压钉和锁紧螺帽无松动,与绝缘垫圈接触良好,无放电烧伤痕迹。
c)铁芯对夹件及地的绝缘电阻≥5MΩ。
d)穿心螺栓紧固,穿心螺杆对铁芯及地绝缘电阻≥5MΩ。
3检查线圈a)检查线圈形变、绝缘是否完好。
b)检查高、低压线圈间风道是否通畅。
c)检查线圈引线及接头是否完好。
d)采用2500V兆欧表测量线圈绝缘电阻,一般情况下(温度:20~30℃,湿度a)线圈无变形、倾斜、位移,绝缘无破损、变色及放电痕迹。
b)高、低压线圈间风道无被杂物堵塞现象,高、低压线圈风道畅通,无杂物积存。
c)检查引线绝缘≤90%):完好,无变形、变脆,引线无断股情况,接头表面平整、清洁、光滑无毛刺,并不得有其它杂质;引线及接头处无过热现象,引线固定牢靠。
d)高压—低压及地≥300MΩ低压—地≥100MΩ4 检查绝缘子检查绝缘子是否完好。
绝缘子固定应牢靠,表面清洁,无爬电和碳化现象。
5检查进出引线检查进出引线是否完好。
引线相序正确,导电接触面无过热、灼伤痕迹,薄涂一层电力复合脂,连接紧固。
6检查各绝缘件、紧固件、连接件检查各绝缘件、紧固件、连接件是否完好。
表面有无爬电痕迹和炭化现象,绝缘无损坏。
紧固件、连接件不松动,螺栓齐全紧固,松动螺栓进行紧固。
7 变压器高温保护测试用电吹风吹温度传感器,检查温度仪温度显示是否正常。
温度超出130℃时,温控仪是否报警。
温度超出150℃时变压器检查温度仪温度显示正常。
温度超出130℃时,温控仪高温报警。
温度超出150℃时,变压器高压侧开关高压侧开关是否跳闸超温跳闸。
8干式变压器预防性试验1、高、低压线圈直流电阻测试。
2、线圈绝缘电阻及吸收比测试。
3、铁芯绝缘电阻测试。
4、线圈所有分接头的电压比。
5、线圈连同套管的交流耐压试验。
备注:干式变压器预防性试验工艺流程见《干式变压器预防性试验规程》1、高、低压线圈的直流电阻测试与原始值相比不超过2%,相间相差不超过2%。
2、用2500V绝缘电阻表测试:高压对低压及地≥300MΩ;低压对地≥100MΩ。
吸收比=R60〃/R15〃≥1.33、铁芯对夹件及地的绝缘电阻≥5MΩ;穿心螺杆对铁芯及地绝缘电阻≥5MΩ。
4、线圈所有分接头的电压比比值与铭牌值不应有显著差别且符合规律。
变压器电压比允许偏差为±1%。
5、大修时1min工频耐压试验电压为出厂试验电压的85%(变压器高压侧绕组出厂试验电压为35KV,低压侧绕组出厂试验电压为3KV),更换线圈时试验电压为出厂电压。
9检查通风散热系统检查干式变压器风机检查风机无剧烈振动、无异常声音、转动正常。
7 运行前的准备工作1、运行前的检查(1)检查变压器相序与电网相序是否一致。
(2)检查所有紧固件、连接件是否松动,并重新紧固一次。
(3)检查运输时拆下的零部件是否重新安装妥当,并检查变压器是否有遗物存在,如有过多的灰尘,需按11.2条清理。
4)检查风机,温控设备以及其它辅助器件能否正常运行。
对三相电源风机,应注意其转向,风机正常转向时,风从线圈底部向上吹入线圈,否则就为反转,参照其说明书及时变更电源的相序。
对温控、温显等其他辅助设备,参照其使用说明书正确可靠地接线。
2、运行前的试验变压器运行前应作如下试验:1)测量线圈在所有分接位置上的直流电阻。
2)按GB50150规定进行极性的判定和测量线圈在所有分接位置上的电压比,并进行联结组标号的判定。