土质路堑施工工艺流程框图
- 格式:doc
- 大小:35.50 KB
- 文档页数:2
主要工程施工流程图
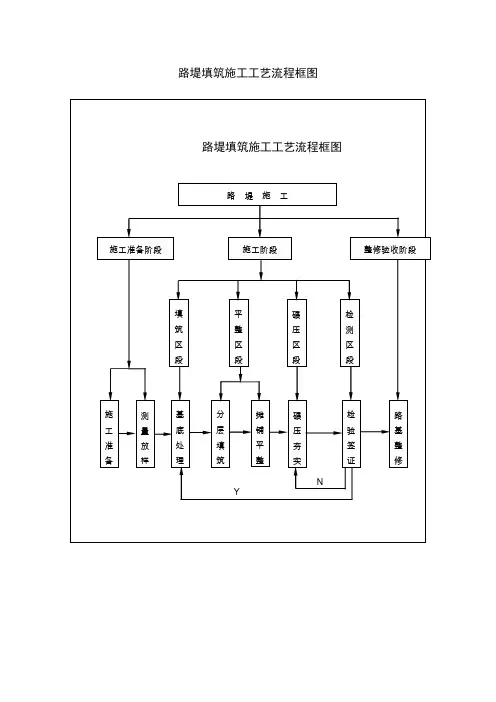
1、路基填筑施工工艺流程图
2、路堑开挖施工工艺流程图
3、钢波纹管涵施工工艺流程图
4、盖板涵施工工艺流程图(预制吊装)
5、钢筋砼拱涵施工工艺流程图
6、挡土墙施工工艺流程图
7、砌筑工程施工工艺流程图
8、锚喷网防护边坡工艺流程图
9、钻孔桩施工工艺流程图
10、承台施工工艺流程图
11、墩台身及顶帽施工工艺流程图
12、系梁施工工艺流程图
13、支架法浇注砼连续箱梁施工工艺流程图
14、先简支后连续(或连续刚构)T梁施工工艺流程图
15、架桥机施工工艺流程
16、后张梁施工工艺流程图
17、框架桥现浇施工工艺流程图
18、初期支护施工程序框图
19、钻进长大管棚施工工艺流程图
20、小导管注浆工艺流程图
21、光面爆破施工工艺流程图
22、湿喷混凝土施工工艺流程图
23、衬砌施工工艺流程图
1、路基填筑施工工艺流程图
16、后张梁施工工艺流程图
17 Array 18
19
20、小导管注浆工艺流程图
21、光面爆破施工工艺流程图。
挖方路基施工挖方路基一般分为土质路堑和石质路堑,土质路堑开挖应根据挖方数量大小及施工方法的不同确定开挖方案。
石质路堑开挖应根据岩石的种类和坚硬程度确定开挖方式。
土方开挖,不论开挖工程量和开挖深度大小,均应自上而下进行,不得乱挖超挖。
石方开挖,在不影响边坡稳定的情况下采用爆破施工,以满足路基施工质量技术标准要求。
一、土质路堑施工1.土质路堑施工工艺流程土质路堑施工工艺流程如图3-3-1所示。
图3-3-1 土质路堑施工工艺流程2.土质路堑施工作业方法路堑由天然地层构成,开挖后由于受到扰动和地面水及地下水的集中影响,边坡和开挖后的基底易发生变形和破坏,在路堑挖方地段常发生路基的一些病害,如滑坡、崩塌、路基翻浆等。
因此,施工方法与路堑的边坡及基底的稳定有着密切关系。
开挖方式应根据路堑的深度、纵向长度和地形、土质、土方调配情况以及机械设备条件等因素确定,达到保证工程质量、加快施工进度、提高工作效率的目的。
土质挖方路基根据挖方深度、纵向长度及现场施工条件,可采用的开挖方法有横向挖掘法、纵向挖掘法和混合式挖掘法。
(1)横向挖掘法。
1)单层横向全宽挖掘法。
从路堑的一端或两端按断面的全宽一次性挖到设计高程,逐渐向纵深挖掘,挖出的土方一般向两侧运送。
其适用于挖掘浅而短的路堑,如图3-3-2所示。
图3-3-2 单层横向全宽挖掘法1—路堑;2—路堤2)多层横向全宽挖掘法。
为增加工作面、加快施工进度,可以在不同高度处分几个台阶进行挖掘,其深度视施工操作便利和安全而定,一般每层挖掘台阶深度为3~4 m。
其适用于挖掘深而短的路堑,如图3-3-3所示。
图3-3-3 多层横向全宽挖掘法1—路堑;2—路堤(2)纵向挖掘法。
土质路堑纵向挖掘法可分为分层纵挖法、通道纵挖法和分段纵挖法三种。
1)分层纵挖法:沿路线全宽以深度不大的纵向分层挖掘前进,如图3-3-4所示。
该法适用于路堑宽度和深度均不大的情况。
当路堑长度较短(不超过100 m)、开挖深度较浅(不大于3 m)、地面横坡坡度较陡时,宜采用推土机作业;当路堑较长(超过100 m)时,宜采用铲运机或铲运机加推土机助铲作业。
空心板梁施工工艺
路基土方施工工艺框图
表5.3 路基填筑施工工艺框图
级配砾石施工工艺框图
路拌法石灰稳定土基层施工工艺框图
水泥稳定土、粒料厂拌施工工艺框图
级配砾石施工工艺框图
沥青路面面层施工工艺框图
表5.4 盖板涵施工工艺框图
沥青表处(层铺法)施工工艺框图
盐渍土路基处理施工工艺框图
水泥稳定基层路拌法施工工艺框图
水泥稳定砂砾基层(厂拌法)施工工艺框图
沥青路面面层施工工艺框图
级配砾石路拌法施工基层施工工艺框图
路面底基层施工工艺框图
天然级配砂砾底基层施工工艺框图
创优管理机构体系图
单位工程质量控制程序
预制钢筋砼简支梁(板)施工工艺框图
预制钢筋砼园管工艺框图
Y N
钢筋砼园管涵施工工艺框图
N
小桥施工工艺流程框图
质量检查组织机构框图
质量检查程序图
施工现场质量控制
安全保证体系
注:五同时是指在计划、布置、检查、总结、评比施工生产工作的同时要进行计划、布置、检查、总结、评比安全工作。
安全保障检查程序图
安全保障组织机构框图
工期进度管理程序框图
主要材料、设备控制程序。