高中物理20种电磁学仪器
- 格式:doc
- 大小:5.08 MB
- 文档页数:18
高中物理20种电磁学仪器1. 电视机原理1.电视机的显像管中,电子束的偏转是用磁偏转技术实现的.电子束经过电压为U的加速电场后,进入一圆形匀强磁场区,如图所示.磁场方向垂直于圆面.磁场区的中心为O,半径为r.当不加磁场时,电子束将通过O点而打到屏幕的中心M点.为了让电子束射到屏幕边缘P,需要加磁场,使电子束偏转一已知角度θ,此时磁场的磁感应强度B应为多少?2.电磁流量计2.电磁流量计广泛应用于测量可导电液体(如污水)在管中的流量(在单位时间内通过管内横截面的流体的体积).为了简化,假设流量计是如图所示的横截面为长方形的一段管道.其中空部分的长、宽、高分别为图中的a、b、c.流量计的两端与输送流体的管道相连接(图中虚线).图中流量计的上下两面是金属材料,前后两面是绝缘材料.现于流量计所在处加磁感应强度B的匀强磁场,磁场方向垂直前后两面.当导电流体稳定地流经流量计时,在管外将流量计上、下两表面分别与一串接了电阻R的电流表的两端连接,I表示测得的电流值.已知流体的电阻率为ρ,不计电流表的内阻,则可求得流量为()A.I cbRB aρ⎛⎫+⎪⎝⎭B.I baRB cρ⎛⎫+⎪⎝⎭C.I acRB bρ⎛⎫+⎪⎝⎭D.I bcRB aρ⎛⎫+⎪⎝⎭3.质谱仪3.如图是测量带电粒子质量的仪器工作原理示意图。
设法使某有机化合物的气态分子导入图中所示的容器A中,使它受到电子束轰击,失去一个电子变成正一价的分子离子。
分子离子从狭缝s1以很小的速度进入电压为U的加速电场区(初速不计),加速后,再通过狭缝s2、s3射入磁感强度为B的匀强磁场,方向垂直于磁场区的界面PQ。
最后,分子离子打到感光片上,形成垂直于纸面而且平行于狭缝s3的细线。
若测得细线到狭缝s3的距离为d,试导出分子离子的质量m的表达式。
解析:以m、q表示离子的质量电量,以v表示离子从狭缝s2射出时的速度,由功能关系可得射入磁场后,在洛仑兹力作用下做圆周运动,由牛顿定律可得式中R为圆的半径。
常用的磁测仪器有:磁通计、特斯拉计(又称为高斯计)、磁测仪。
磁通计用於测量磁感应通量,特斯拉计用於测量表面磁场强度或气隙磁场强度,磁测仪用於测量综合磁性能。
所有仪器使用之前应仔细阅读说明书,根据说明书的要求预热,预热之后按照说明书的要求进行操作。
二、应用特斯拉计(高斯计)测量特斯拉计一般可用於测量磁性材料的表面磁场强度,具体而言就是测量表面中心部位的场强。
测量之前应根据说明书的要求进行预热,然后检查、调整零点,使得非测量状态下的示值为"0"。
注意:在使用过程中一般不应调整霍尔电流。
更换探头时应根据探头的说明在仪器热态下调整霍尔电流,并在适当的部位标识霍尔电流参数值。
可以经常检查电流值,应为规定的数值。
测量表场的方法无法准确获得全面的磁参数(如剩磁、矫顽力、磁能积),通常以上下限标样的中心场资料作为参考资料来进行合格判别。
此种方法对n、m系列可用,对h以上系列准确度要差一些。
一般而言可以按照下述公式计算不同尺寸(圆柱或圆片)的中心场:h=br*k/√(1+5.28*k*k)(gs)式中:br--标称剩磁k--圆柱、圆片的长径比或方块磁化方向与另二个方向中较短边长之比。
对於长宽相差较大的产品k=取向长度/sqr(长*宽)更准确的计算公式:h=br*k/√(1+(4+32/l)*k*k)(gs)l--方块磁化方向的长度32--探头的测试系数参数(0.5*64)特斯拉计探头内霍尔片位置的确定:一般而言,霍尔片只有大约1*1~2*3平方毫米左右大小的面积,厚度约0.3~0.5毫米,且不在探头的最前部,有时需要确定霍尔片的位置,可以采用如下的方法来判断霍尔片的位置:将探头在充磁产品的表面,此时特斯拉计示值不为零,探头一直向外侧延伸探出,当特斯拉计示值为零时即为霍尔片的前边部,用铅笔或记号笔沿产品的外边界线标记记号;将探头向相反方向延伸(此时探头只有一小部分接触在磁体上),当特斯拉计示值为零时在做记号,两个记号的中位置即为霍尔片的实际位置。
电磁学实验大全电场1 库仑定律电场强度1、两种电荷间相互作用实验仪器:有机玻璃棒、丝绸、碎纸片、毛皮、橡胶棒(2支)教师操作:用橡胶棒与毛皮摩擦后,放于碎纸片附近观察橡胶棒吸引碎纸片情况。
实验现象:被橡胶棒吸起的纸片中,较大的纸片先落下来。
实验结论:橡胶棒与丝绸摩擦后就带电了,带电物体会吸引轻小物体;带电体在空气中不断放电,使它带电量不断减少,因而吸引轻小物体的力也相应减小,所以较大纸片先落下来。
教师操作:将橡胶棒摩擦过的毛皮靠近碎纸片。
实验现象:毛皮带上正电,也会吸引轻小物体。
教师操作:用云台支起一根橡胶棒,再将它与另一根橡胶棒并在一起,用毛皮摩擦它们的一端,使之带上同种电荷,再观察两端相互作用的情况,发现它们相斥,而且它们的距离越小斥力越大,过一会儿,它们间的作用力会明显减弱。
实验结论:它们带上了同种电荷,而电荷间作用的规律是同种电荷相斥,异种电荷相吸,斥力的大小与电荷间的距离有关,距离越小,斥力越大,反之,距离越大,斥力越小;斥力的大小还与电量有关,电量越大,斥力越大;由于放电的原因,棒上的电量不断减小,而斥力也随时间的增大而明显减小。
2、电荷量及元电荷实验仪器:密立根油滴仪(J2438)、猴头喷雾器、停表、钟表油密立根油滴仪:它的外形结构如图所示,这是一种专为中学设计的仪器。
它主要由电源、观察显微镜、油滴室、照明系统等组成。
仪器电源在底座内,它将交流220伏输入电压变为直流500伏和交流7伏;观察显微镜带有刻度分划板,便于读出油滴运动的距离,配合计时停表,可测定油滴运动速度,利用齿轮、齿条的调焦,能清晰观察油滴。
油滴室内是两块水平放置的平行金属板组成的电容器,电容器上的直流电压在0~500伏内连续可调,平行极板的极性由三挡换向电键转换,电压大小由直流电压表指示,改变电压的大小和方向可以控制油滴在电场中运动的快慢和方向;照明系统采用6~8伏,3瓦灯泡为光源,发热量小,发出的光经聚光镜将平行极板内的油滴照亮,它可绕转臂旋转,便于调节视场照度。
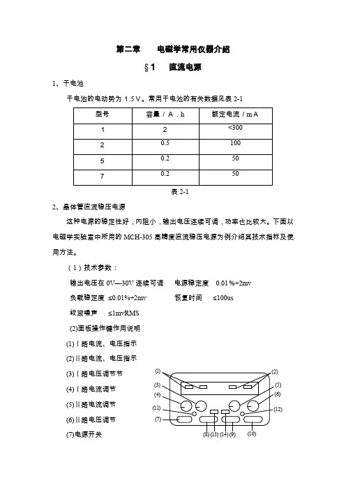
第二章电磁学常用仪器介绍§1直流电源1、干电池干电池的电动势为1.5V。
常用干电池的有关数据见表2-1表2-12、晶体管直流稳压电源这种电源的稳定性好,内阻小,输出电压连续可调,功率也比较大。
下面以电磁学实验室中所用的MCH-305高精度直流稳压电源为例介绍其技术指标及使用方法。
(1)技术参数:输出电压在0V—30V连续可调电源稳定度0.01%+2mv负载稳定度≤0.01%+2mv 恢复时间≤100us纹波噪声≤1mvRMS(2)面板操作键作用说明(1)Ⅰ路电流、电压指示(2)Ⅱ路电流、电压指示(3)Ⅰ路电压调节节(4)Ⅰ路电流调节(5)Ⅱ路电流调节(6)Ⅱ路电压调节(7)电源开关(8)Ⅰ路电压输出端(9)Ⅱ路电压输出端图2-1 MCH-305面板图(10)+5V固定电压输出端(11)Ⅰ路限流、稳压指示(12)Ⅱ路限流、稳压指示(13)、(14)串并联转换开关和跟踪调节开关(3)操作方法:①接上电源。
(AC220V)②将电源开关置天“ON”位置,指示灯为红色。
③调节“VOLTAGE”旋钮到需要的输出电压值。
④连接外部负载到“+”、“-”输出端子。
⑤当用在要求较高的地方,接线柱必须有一个要与GND接线柱可靠连接,这样可以减少输出纹波电压。
⑥恒流调节:先将电压调至3-10V任意值,将电流调节旋钮调到0,然后将电压输出端短路,再顺时针通过电流调节旋钮将电流值调到设定值,取消输出端短路,然后再调节电压旋钮到所需要的电压值即可。
⑦串联、并联、跟踪功能使用方法:(13)、(14)任意键按下,电压同步跟踪输出,由电位旋钮(6)控制。
当(13)、(14)同时按下时,(8)、(9)端电流会增加一倍。
当(13)键按下时,可获得“+-”电源使用或可取双倍电压使用。
(此功能只可在单独1路使用)§2 开关开关---是接通和切断电路的器件,通常以其刀数(接通或切断电路数)及每刀的掷数(即每刀可形成的通路数来)区分,通常有单刀、双刀、三刀的单掷和双掷开关和换向开关,还有一种常闭式按钮开关,它们在电路图中的标识见下图所示:单刀音掷开关单刀双掷开关双刀双掷开关双刀换向开关常闭开关常开开关选用开关的注意事项是根据需要选择耐压值及功率大小合适的开关。
高中物理实验仪器清单在高中物理实验教学中,合适的实验仪器是成功进行实验的关键。
以下是一份高中物理实验仪器清单,涵盖了进行各种物理实验所需的设备。
1、测量仪器尺子:用于测量长度、宽度、高度等。
温度计:用于测量温度。
计时器:用于测量时间。
天平:用于测量质量。
2、力学实验仪器斜面和小车:用于研究牛顿第二定律。
弹簧测力计:用于测量力的大小。
打点计时器:用于研究物体运动规律。
3、电学实验仪器电源:提供电能。
电阻箱:改变电阻,研究电流和电压的关系。
电表:测量电流和电压。
电灯泡:消耗电能,发出光和热。
4、光学实验仪器光源:提供光线。
光屏:显示光线的路径和反射、折射现象。
透镜:改变光线的传播路径。
望远镜:用于观察远处的物体。
显微镜:用于观察微小的物体。
5、声学实验仪器音叉:发出固定频率的声音。
话筒:接收声音并转换为电信号。
扬声器:将电信号转换为声音。
声波演示器:展示声波的传播。
6、磁场实验仪器磁铁:产生磁场。
导线线圈:在磁场中产生感应电流。
洛伦兹力演示器:展示带电粒子在磁场中的运动。
以上是高中物理实验中常用的一些仪器,熟悉并掌握这些仪器的使用方法,可以帮助我们更好地进行物理实验,理解物理现象和规律。
也需要注意,对于任何实验仪器,都要按照规定的操作方法进行使用和保养,以延长其使用寿命和提高实验的准确性。
高中物理教学仪器配备清单一、前言高中物理教学仪器的配备是提升物理教学质量的重要一环。
通过合理的仪器配备,学生可以更直观地理解物理原理,提高实践操作能力和科学探究的兴趣。
本文将详细列出高中物理教学仪器的配备清单,以供参考。
二、高中物理教学仪器配备清单1、力学仪器(1)基础力学仪器:如金属尺、游标卡尺、螺旋测微器、天平、秤砣等。
(2)运动学仪器:如计时器、秒表、光电门、频闪照相设备等。
(3)动力学仪器:如斜面、滑轮、绳索、摩擦力演示器等。
2、热学仪器(1)温度测量仪器:如温度计、热电偶温度计等。
(2)热机演示仪器:如蒸汽机模型、内燃机模型等。
8常见的电磁仪器一、常见的分立场电磁仪器例2.如图所示,一质量为m,电荷量为q的粒子从容器A下方小孔S1飘入电势差为U的加速电场,然后让粒子经过S3沿着与磁场垂直的方向进入磁感应强度为B的匀强磁场中,最后打到底片D上.下列说法不正确的是( )A.粒子在电场中加速,在磁场中偏转B.粒子进入磁场的速度是C.粒子在磁场中运动的轨道半径是D.该粒子带负电二、常见的叠加场电磁仪器1.速度选择器 2.磁流体发电机 3.电磁流量计 4.霍尔效应例3.如图所示为速度选择器,两平行金属板水平放置,板间存在相互垂直的匀强电场和匀强磁场,电场强度大小为E (图中未标出),磁感应强度大小为B。
一束带正电的粒子(不计重力)以速度v0从左端沿水平方向进入两板间,恰好做直线运动。
下列说法正确的是( )A.上极板带负电B.速度v0的大小满足v0=E/BC.只改变粒子的电性,粒子在两板间将做曲线运动D.使该粒子以速度v0从右端沿水平方向进入,粒子在两板间仍能做直线运动例4.磁流体发电机可简化为如下模型:两块长、宽分别为a、b的平行板,彼此相距L,板间通入己电离的速度为v 的气流,两板间存在一磁感应强度大小为B的磁场,磁场方向与两板平行,并与气流垂直。
如图所示,把两板与外电阻R连接起来,在磁场力作用下,气流中的正、负离子分别向两板移动形成电流。
设该气流的电阻率为ρ,则下列说法中错误的是( )A.该磁流体发电机模型的上表面电势高于下表面电势B.产生的感应电动势为C.流过外电阻R的电流强度D.该磁流体发电机模型的路端电压为例5.为了测量某化肥厂的污水排放量,技术人员在该厂的排污管末端安装了如图所示的流量计,该装置由绝缘材料制成,长、宽、高分别为a、b、c,左右两端开口,在垂直于上下表面方向加磁感应强度为B的匀强磁场,在前后两个内侧面固定有金属板作为电极,污水充满管口从左向右流经该装置时,电压表将显示两个电极间的电压U,若用Q表示污水流量(单位时间内排出的污水体积),下列说法正确的是( ) (多选)A.若污水中正离子较多,则前内侧面比后内侧面的电势高B.前内侧面的电势一定低于后内侧面的电势,与哪种离子多无关C.污水中离子浓度越高,电压表的示数越大D.污水流量Q与电压U成正比,与ab无关例6.据中新社北京某日报道:中国科学家首次在实验中发现量子反常霍尔效应,引起国际物理学界巨大反响,是具有诺贝尔奖级的成绩。
德钝市安静阳光实验学校电磁学实验大全电场1 库仑定律电场强度1、两种电荷间相互作用实验仪器:有机玻璃棒、丝绸、碎纸片、毛皮、橡胶棒(2支)教师操作:用橡胶棒与毛皮摩擦后,放于碎纸片附近观察橡胶棒吸引碎纸片情况。
实验现象:被橡胶棒吸起的纸片中,较大的纸片先落下来。
实验结论:橡胶棒与丝绸摩擦后就带电了,带电物体会吸引轻小物体;带电体在空气中不断放电,使它带电量不断减少,因而吸引轻小物体的力也相应减小,所以较大纸片先落下来。
教师操作:将橡胶棒摩擦过的毛皮靠近碎纸片。
实验现象:毛皮带上正电,也会吸引轻小物体。
教师操作:用云台支起一根橡胶棒,再将它与另一根橡胶棒并在一起,用毛皮摩擦它们的一端,使之带上同种电荷,再观察两端相互作用的情况,发现它们相斥,而且它们的距离越小斥力越大,过一会儿,它们间的作用力会明显减弱。
实验结论:它们带上了同种电荷,而电荷间作用的规律是同种电荷相斥,异种电荷相吸,斥力的大小与电荷间的距离有关,距离越小,斥力越大,反之,距离越大,斥力越小;斥力的大小还与电量有关,电量越大,斥力越大;由于放电的原因,棒上的电量不断减小,而斥力也随时间的增大而明显减小。
2、电荷量及元电荷实验仪器:密立根油滴仪(J2438)、猴头喷雾器、停表、钟表油密立根油滴仪:它的外形结构如图所示,这是一种专为中学设计的仪器。
它主要由电源、观察显微镜、油滴室、照明系统等组成。
仪器电源在底座内,它将交流220伏输入电压变为直流500伏和交流7伏;观察显微镜带有刻度分划板,便于读出油滴运动的距离,配合计时停表,可测定油滴运动速度,利用齿轮、齿条的调焦,能清晰观察油滴。
油滴室内是两块水平放置的平行金属板组成的电容器,电容器上的直流电压在0~500伏内连续可调,平行极板的极性由三挡换向电键转换,电压大小由直流电压表指示,改变电压的大小和方向可以控制油滴在电场中运动的快慢和方向;照明系统采用6~8伏,3瓦灯泡为光源,发热量小,发出的光经聚光镜将平行极板内的油滴照亮,它可绕转臂旋转,便于调节视场照度。
物理实验教学中的实用装备介绍物理实验教学是学生学习物理知识和培养动手能力的重要途径之一。
而在物理实验教学中,实用的装备起着至关重要的作用。
本文将介绍几种在物理实验教学中常用的实用装备。
1. 万用电表(Multimeter)万用电表是物理实验中最常用的测量仪器之一。
它可以测量电压、电流、电阻等多种物理量。
万用电表通常有直流和交流两种测量方式,能够满足不同电路实验的需求。
它的使用简单灵活,对于学生来说非常友好,是电路实验教学不可或缺的工具之一。
2. 示波器(Oscilloscope)示波器在物理实验教学中常用于观察和测量电信号波形。
它能够显示电压随时间的变化情况,帮助学生理解电信号的特性和变化规律。
示波器可以精确地测量电压的振幅、频率、相位等参数,对于电路实验、波动现象的研究等教学内容有着重要的应用。
3. 光电实验装置(Photoelectric Experiment Apparatus)光电实验装置常用于光电效应的研究与实验,其中包括光电管、光源、光电池等组件。
光电实验装置能够直观地展示光电效应的基本原理,帮助学生理解光电现象与光子学的相关知识。
通过实际操作,学生能够探索光电效应的特性,并深入理解光与物质的相互作用。
4. 气压计(Barometer)气压计是用于测量大气压力的重要工具。
在气体实验中,气压计可以帮助学生了解气体压强与体积、温度之间的关系。
通过实验操作,学生可以观察到气压的变化对气体性质产生的影响,进而深入了解气体的一些基本特性和行为。
5. 热传导实验设备(Thermal Conductivity Experiment Equipment)热传导实验设备常用于热传导的研究与实验。
其中包括热传导材料、热电偶、保温箱等组件。
热传导实验设备可以帮助学生直观地观察热传导现象,并测量热传导的相关参数。
通过实验操作,学生可以更好地理解热传导机制与热量的传递过程。
以上所介绍的装备只是物理实验教学中的一部分,当然还有更多其他类型的实用装备。
有关电磁场的仪器•霍尔效应霍尔效应(Hall effect)是指当固体导体放置在一个磁场内,且有电流通过时,导体内的电荷载子受到洛伦兹力而偏向一边,继而产生电压(霍尔电压)的现象嬮电压所引致的电场力会平衡洛伦兹力嬮通过霍尔电压的极性,可证实导体内部的电流是由带有负电荷的粒子(自由电子)之运动所造成。
霍尔效应于嬱嬸嬷嬹年由埃德温·赫伯特·霍尔(Edwin Herbert Hall)发现。
霍尔效应从本质上讲是运动的带电粒子在磁场中受到洛伦兹力作用而引起的偏转,所以可以用高中物理中的电磁学、力学、运动学等有关知识来进行解释嬮霍尔效应原理的应用常见的有:霍尔元件、磁流体发电机、电磁流量计、磁强计等嬮如下:外部磁场的洛伦兹力使运动的电子聚集在导体板的一侧,正电荷,从而形成横向电场,横向电场对电子施加与方向相反的•电磁流量计电磁流量计是根据导电流体通过外加磁场时感生的电动势来测量导电流体(一般为液体)流量的一种仪器,用非磁性材料制成,一般用于测量污水排放量,是霍尔效应的一种应用嬮根据霍尔效应其原理可解释为:如图嬲所示,一圆形导管直径为d,用非磁性材料制成,其中有可以导电的液体向左流动嬮导电液体中的自由电荷(正负离子)在洛伦兹力作用下横向偏转,a、b间出现电势差。
当自由电荷所受电场力和洛伦兹力平衡时,a、b间的电势差就保持稳定嬮由qvB嬽qE嬽q U d可得v嬽U bd流量:Q嬽Sv嬽πd2嬴·UBd嬽πdU嬴B电磁流量计电磁流量计广泛应用于测量可导电流体(如污水)在管中的流量(单位时间内通过管内横截面的流体的体积)嬮为了简化,假设流量计是如图嬳所示的横截面为长方形的一段管道,其中空部分的长、宽、高分别为图中的a、b、c嬮流量计的两端与输送流体的管道连接(图中虚线)嬮图中流量计的上下两面是金属材料,前后两侧面是绝缘材料嬮现于流量计所在处加磁感应强度为B的匀强磁场,磁场方向垂直于前后两面嬮当导电流体稳定地流经流量计时,在管外将流量计上、下两表面分别与一串接了电阻R的电流表的两端连接,I表示测得的电流值嬮已知流体的电阻率为ρ,不计电流表的内阻,则可求得流量为()•磁流体发电机磁流体发电机,又叫等离子发电机,是根据霍尔效应,用导电流体,例如空气或等离子体,与磁场相对运动而发电的一种设备,所以该模型下的物理题目多会存在外电路嬮磁流体发电技术是一种新型的高效发电方式,由于无需经过机械转换环节,所以也称之为直接发电,燃料利用效率显著提高,用燃料(石油、天然气、煤、核能等)直接加热工作介质,使之在高温下电离成导电的离子流,然后让其在磁场中高速流动。
现代科技中的应用一、质谱仪质谱仪是用来研究物质同位素的装置。
图为其结构意图。
N 为一离子源,S 1,S 2为加速电场,S 3的下方为一垂直纸面向外的匀强磁场B ,PP'之间另加有电场(PP'实际上就是一个速度选择器),从PP'无偏转岀来的粒子垂直进入匀强磁场做匀速圆周运动,即: 由于q ,B ,v 均为定值,则m 大的同位素其圆周运动的半径R 亦大,从而区别出各种同位素,并且测得R 后即可计算出该同位素的离子质量m 。
1.1930年劳伦斯制成了世界上第一台回旋加速器,其原理如图所示,这台加速器由两个铜质D 形盒D 1、D 2构成,其间留有空隙,下列说法正确的是( )A .离子由加速器的中心附近进入加速器B .离子由加速器的边缘进入加速器C .离子从磁场中获得能量D .离子从电场中获得能量 2.图是质谱仪工作原理的示意图。
带电粒子a 、b 经电压U 加速(在A 点初速度为零)后,进入磁感应强度为B 的匀强磁场做匀速圆周运动,最后分别打在感光板S 上的x 1、x 2处。
图中半圆形的虚线分别表示带电粒子a 、b 所通过的路径,则( )A .若a 与b 有相同的质量,打在感光板上时,b 的速度比a 大B .若a 与b 有相同的质量,但a 的电量比b 的电量小C .若a 与b 有相同的电量,但a 的质量比b 的质量大D .若a 与b 有相同的电量,但a 的质量比b 的质量小3.现代质谱仪可用来分析比质子重很多倍的离子,其示意图如图所示,其中加速电压恒定。
质子在入口处从静止开始被加速电场加速,经匀强磁场偏转后从出口离开磁场。
若某种一价正离子在入口处从静止开始被同一加速电场加速,为使它经匀强磁场偏转后仍从同一出口离开磁场,需将磁感应强度增加到原来的12倍。
此离子和质子的质量比约为( )A.11B.12C.121D.144 4.一台质谱仪的工作原理如图所示。
大量的甲、乙两种离子飘入电压为U 0的加速电场,其初速度几乎为0,经过加速后,通过宽为L 的狭缝MN沿着与磁场垂直的方向进入磁感应强度为B 的匀强磁场中,最后打到照相底片上。
电磁学实验大全(上)电场1 库仑定律 电场强度 1、两种电荷间相互作用实验仪器:有机玻璃棒、丝绸、碎纸片、毛皮、橡胶棒(2支)教师操作:用橡胶棒与毛皮摩擦后,放于碎纸片附近观察橡胶棒吸引碎纸片情况。
实验现象:被橡胶棒吸起的纸片中,较大的纸片先落下来。
实验结论:橡胶棒与丝绸摩擦后就带电了,带电物体会吸引轻小物体;带电体在空气中不断放电,使它带电量不断减少,因而吸引轻小物体的力也相应减小,所以较大纸片先落下来。
教师操作:将橡胶棒摩擦过的毛皮靠近碎纸片。
实验现象:毛皮带上正电,也会吸引轻小物体。
教师操作:用云台支起一根橡胶棒,再将它与另一根橡胶棒并在一起,用毛皮摩擦它们的一端,使之带上同种电荷,再观察两端相互作用的情况,发现它们相斥,而且它们的距离越小斥力越大,过一会儿,它们间的作用力会明显减弱。
实验结论:它们带上了同种电荷,而电荷间作用的规律是同种电荷相斥,异种电荷相吸,斥力的大小与电荷间的距离有关,距离越小,斥力越大,反之,距离越大,斥力越小;斥力的大小还与电量有关,电量越大,斥力越大;由于放电的原因,棒上的电量不断减小,而斥力也随时间的增大而明显减小。
2、电荷量及元电荷实验仪器:密立根油滴仪(J2438)、猴头喷雾器、停表、钟表油密立根油滴仪:它的外形结构如图所示,这是一种专为中学设计的仪器。
它主要由电源、观察显微镜、油滴室、照明系统等组成。
仪器电源在底座内,它将交流220伏输入电压变为直流500伏和交流7伏;观察显微镜带有刻度分划板,便于读出油滴运动的距离,配合计时停表,可测定油滴运动速度,利用齿轮、齿条的调焦,能清晰观察油滴。
油滴室内是两块水平放置的平行金属板组成的电容器,电容器上的直流电压在0~500伏内连续可调,平行极板的极性由三挡换向电键转换,电压大小由直流电压表指示,改变电压的大小和方向可以控制油滴在电场中运动的快慢和方向;照明系统采用6~8伏,3瓦灯泡为光源,发热量小,发出的光经聚光镜将平行极板内的油滴照亮,它可绕转臂旋转,便于调节视场照度。
广东省
新课程标准高中理科教学仪器配备
目录
(征求意见稿)
二○○四年二月
学科:物理
注:教学仪器按照教育部2000年颁布《中学理科教学仪器配备目录》配备基础上,并根据新课程的要求所增加的教学仪器配备。
学科:化学
注:1、仪器的配套数量是按每年级2个平行班,每班50人的需要量配备的,而电教设备配备的数量,是以每个化学实验室1套计。
(4个班1个实验室,2个班1套仪器,4个班1个实验员)。
2、教学仪器按照教育部2000年颁布《中学理科教学仪器配备目录》配备基础上,
并根据新课程的要求所增加的教学仪器配备。
学科:生物
学科:数学。
高中物理20 种电磁学仪器1. 电视机原理1. 电视机的显像管中,电子束的偏转是用磁偏转技术实现的. 电子束经过电压为U的加速电场后,进入一圆形匀强磁场区,如图所示. 磁场方向垂直于圆面. 磁场区的中心为O,半径为r. 当不加磁场时,电子束将通过O点而打到屏幕的中心M点. 为了让电子束射到屏幕边缘P,需要加磁场,使电子束偏转一已知角度θ,此时磁场的磁感应强度 B 应为多少?解析:如图所示,电子在磁场中沿圆弧ab 运动,圆心为O,半径为R,以v 表示电子进入磁= 场时的速度,m、e 分别表示电子的质量和电荷量,则12 eU mv2 evB2mvR又有tan2 rR由以上各式解得:B 1 2mvr etan22. 电磁流量计2. 电磁流量计广泛应用于测量可导电液体(如污水)在管中的流量(在单位时间内通过管内横截面的流体的体积).为了简化,假设流量计是如图所示的横截面为长方形的一段管道.其中空部分的长、宽、高分别为图中的a、b、c.流量计的两端与输送流体的管道相连接(图中虚线).图中流量计的上下两面是金属材料,前后两面是绝缘材料.现于流量计所在处加磁感应强度 B 的匀强磁场,磁场方向垂直前后两面.当导电流体稳定地流经流量计时,在管外将流量计上、下两表面分别与一串接了电阻R 的电流表的两端连接,I 表示测得的电流值.已知流体的电阻率为ρ,不计电流表的内阻,则可求得流量为()A. I cbRB aB.I baRB cC. I cR aB b D. I R bcB a2. 质谱仪3. 如图是测量带电粒子质量的仪器工作原理示意图。
设法使某有机化合物的气态分子导入图中所示的容器 A 中,使它受到电子束轰击,失去一个电子变成正一价的分子离子。
分子离子从狭缝s1以很小的速度进入电压为U 的加速电场区(初速不计),加速后,再通过狭缝s2、s3 射入磁感强度为 B的匀强磁场,方向垂直于磁场区的界面PQ。
最后,分子离子打到感光片上,形成垂直于纸面而且平行于狭缝s3 的细线。
若测得细线到狭缝s3 的距离为d,试导出分子离子的质量m的表达式。
解析:以m、q 表示离子的质量电量,以v 表示离子从狭缝s2射出时的速度,由功能关系可得射入磁场后,在洛仑兹力作用下做圆周运动,由牛顿定律可得式中R为圆的半径。
感光片上的细黑线到s3 缝的距离d=2R解得4. 磁流体发电3. 磁流体发电是一种新型发电方式,图1 和图 2 是其工作原理示意图。
图1 中的长方体是发电导管,其中空部分的长、高、宽分别为l 、a、b,前后两个侧面是绝缘体,上下两个侧面是电阻可略的导体电极,这两个电极与负载电阻R1相连。
整个发电导管处于图 2 中磁场线圈产生的匀强磁场里,磁感应强度为B,方向如图所示。
发电导管内有电阻率为ρ的高温、高速电离气体沿导管向右流动,并通过专用管道导出。
由于运动的电离气体受到磁场作用,产生了电动势。
发电导管内电离气体流速随磁场有无而不同。
设发电导管内电离气体流速处处相同,且不存在磁场时电离气体流速为v0,电离气体所受摩擦阻力总与流速成正比,发电导管两端的电离气体压强差△p维持恒定,求:(1)不存在磁场时电离气体所受的摩擦阻力F多大;(2)磁流体发电机的电动势E的大小;(3)磁流体发电机发电导管的输入功率P。
解析:(1)不存在磁场时,由力的平衡得(2)设磁场存在时的气体流速为v,则磁流体发电机的电动势回路中的电流电流I受到的安培力设F'为存在磁场时的摩擦阻力,依题意存在磁场时,由力的平衡得根据上述各式解得(3)磁流体发电机发电导管的输入功率由能量守恒定律得故3. 发电机5. 图1 中是一台发电机定子中的磁场分布图,其中N、S 是永久磁铁的两个磁极,它们的表面呈半圆柱面形状.M是圆柱形铁芯,它与磁极的柱面共轴.磁极与铁芯之间的缝隙中形成方向沿圆柱半径、大小近似均匀的磁场,磁感强度B=0.50T,图2 是该发电机转子的示意图(虚线表示定子的铁芯M).矩形线框abcd 可绕过ad、cb 边的中点并与图 1 中的铁芯M 共轴的固定转轴oo′旋转,在旋转过程中,线框的ab、cd 边始终处在图 1 所示的缝隙内的磁场中.已知ab 边长L1=20.0cm,ad 边长L2=10.0cm 线框共有N=8匝导线.将发电机的输出端接入图中的装置K后,装置K 能使交流电变成直流电,而不改变其电压的大小.直流电的另一个输出端与一可变电阻R相连,可变电阻的另一端P 是直流电的正极,直流电的另一个输出端Q是它的负极.图 3 是可用于测量阿伏加德罗常数的装置示意图,其中A、B 是两块纯铜片,插在CuSO4 稀溶液中,铜片与引出导线相连,引出端分别为x、y.现把直流电的正、负极与两铜片的引线端相连,调节R,使CuSO4 溶液中产生I=0.20A 的电流.假设发电机的内阻可忽略不计,两铜片间的电阻r 是恒定的,线圈转动的角速度ω=20 0rad/s ,求:(1)每匝线圈中的感应电动势的大小.(2)可变电阻R与A、B 间电阻r 之和.解析:(1)设线框边的速度为,则有:lv ,22一匝线圈中的感应电动势为:E1=2Bl 1v,代入数据解得:E1=0.31V(2)N匝线圈中的总感应电动势为:E=NE1由欧姆定律,得:E=I(r+R),代入数字解得:r+R=12Ω4. 加速度计6. 串列加速器是用来产生高能离子的装置,图中虚线框内为其主体的原理示意图,其中加速管的中部 b 处有很高的正电势U,a、c 两端均有电极接地(电势为零)。
现将速度很低的负一价碳离子从 a 端输入,当离子到达 b 处时,可被设在 b 处的特殊装置将其电子剥离,成为n 价正离子,而不改变其速度大小。
这些正n 价碳离子从 c 端飞出后进入一与其速度方向垂直的、磁感强度为B的匀强磁场中,在磁场中做半径为R的圆周运动,-26 已知碳离子的质量m=2.0×10 ㎏,U=7.5 ×105V,B=0.5V,B=0.50T,n=2,基元电荷e=1.6 ×10-19 C ,求R。
4. 电子称6. 在科技活动中某同学利用自制的电子秤来称量物体的质量,如图所示为电子秤的原理图,托盘和弹簧的电阻与质量均不计。
滑动变阻器的滑动端与弹簧上端连接,当托盘中没有放物体时,电压表示数为零。
滑动变阻器的总电阻为R,总长度为l ,电源电动势为E,内阻为r ,限流电阻的阻值为R0,弹簧劲度系数为k,不计一切摩擦和其他阻力,电压表为理想表,当长盘上放上某物体时,电压表的示数为U,求此时称量物体的质量。
解析:设托盘上放上质量为m的物体时,弹簧的压缩量为x,由题设知:,则由全电路欧姆定律知:,联立求解得5. 喷墨打印机7. 喷墨打印机的结构简图如图所示,其中墨盒可以发出墨汁微滴,此微滴经过带电室时被带上负电,带电的多少由计算机按字体笔画高低位置输入信号控制. 带电后的微滴以一定的初速度进入偏转电场后,打到纸上,显示出字体. 无信号输入时,墨汁微滴不带电,径直通过偏转板而注入回流槽流回墨盒. 设偏转板板长为L=1.6cm,两板间的距离为d=0.50cm,偏转板的右端距纸L1=3.2cm,若一个墨汁微滴的质量为m=1.6×10 0=20m/s 的初-10 kg,以v速度垂直于电场方向进入偏转电场,两偏转板间的电压是U=8.0×103V,若墨汁微滴打到纸上的点距原射入方向的距离是Y=2.0mm. 不计空气阻力和墨汁微滴的重力,可以认为偏转电场只局限在平行板电容器内部,忽略边缘电场的不均匀性.小题1: 上述墨汁微滴通过带电室带的电量是多少;小题2: 若用(1)中的墨汁微滴打字,为了使纸上的字体放大10%,偏转板间电压应是多大。
小题1: 墨汁微滴在平行板运动时,由电学知识可得:U=”Ed”墨汁微滴在竖直方向的加速度:a=2墨汁微滴在竖直方向的位移:y= at墨汁微滴在平行板运动时间:L=v0t由几何学知识可得:-13 ?联立可解得:q=1.25 ×10小题2: 要使字体放大10%,则墨汁微滴打到纸上的点距原射入方向的距离应是Y、=Y(1+10%)设此时墨汁微滴在竖直方向的位移是y‘,由几何知识可得:3可解得:U=8.8×10 (V)6. 电热毯8. 如图所示是某种型号的电热毯的电路图,电热毯接在交流电源上,通过装置p 使加在电热丝上的电压的波形如图所示.此时接在电热丝两端的交流电压表的读数为()A.110V B.156V C.220VD.311V9. 速度选择器5. 如图11-2-22 所示是某离子速度选择器的示意图,在一半径为R=10 cm的圆柱形桶-4 T 的匀强磁场, 方向平行于轴线, 在圆柱桶某一直径的两端开有小孔, 作为入射内有B=10孔和出射孔. 离子束以不同角度入射, 最后有不同速度的离子束射出. 现有一离子源发射比荷为γ=2×1011C/kg 的阳离子, 粒子束中速度分布连续. 当角θ=45°时, 出射离子速度v 的大小是( )A. B.C. D.解析: 由题意, 离子从入射孔以45°角射入匀强磁场, 离子在匀强磁场中做匀速圆周运动. 能够从出射孔射出的离子刚好在磁场中运动周期, 由几何关系可知离子运动的轨道半径, 又出射离子的速度大小为, 选项 B 正确.7. 电磁泵11、在原子反应堆中抽动液态金属或在医疗器械中抽动血液等导电液体时,由于不允许传动的机械部分与这些液体相关接触,常使用一种电磁泵,图11 为这种电磁泵的结构。
将导管放在磁场中,当电流穿过导电液体时,这种液体即被驱动。
问:⑴这种电磁泵的原理是怎样的?⑵若导管内截面积S = bh,磁场视为匀强磁场,宽度为L,磁感应强度为B,液体穿过磁场区域的电流强度为I ,求匀强磁场区域内长度为L 的导管两端形成的压强差为多少?解析:⑴这种电磁泵的原理是:当电流流过液体时,液体即成为截流导体,在磁场中将受到磁场力的作用,力的方向由左手定则判定知,液体将沿图中V方向流动。
⑵设驱动力形成的压强差为△p,则有△p? S=F即△p? bh = IhB所以△p=BI / b8. 冲击电流计9. 物理实验中,常用一种叫做“冲击电流计”的仪器测定通过电路的电荷量。
如图所示,探测线圈与冲击电流计G串联,线圈的匝数为n,面积为S,线圈与冲击电流计组成的回路电阻为R,利用上述电路可以测量被测磁场的磁感应强度。
现将线圈放在被测匀强磁场中,开始时让线圈平面与磁场垂直,然后把探测线圈翻转180°,此过程中,冲击电流计测出通过线圈的电荷量为q。
由上述数据可知:①该过程中穿过线圈平面的磁通变化量是____________;②被测磁场的磁感应强度大小为____________。