(参考)浆砌石验收批检验备查表
- 格式:doc
- 大小:42.50 KB
- 文档页数:5
说明主控项目1.混凝土、砌体所用钢筋、水泥、石料、砂等材料的品种、规格、质量应符合设计要求,其进场检验应符合《铁路路基工程施工质量验收标准》(TB10414─2003)附E的有关规定。
2.防护的布置方式应符合设计要求。
检验数量:施工单位、监理单位全部检查。
检验方法:观察。
3.基坑底面应无浮渣,基坑开挖高程、基坑地基承载力应符合设计要求。
检验数量:基坑开挖高程施工单位检验4点,基坑地基承载力施工单位检验2点,监理单位见证检验1点。
检验方法:基坑开挖高程施工单位水准测量、尺量。
土质基坑基坑地基承载力施工单位采用动力触探(N63.5),击数标准经试验确定或设计给定,试验时监理旁站;石质基坑采用现场目测鉴别方法。
4.混凝土(砌体砂浆)强度等级应符合设计要求。
检验数量:施工单位每100 m3混凝土(每100 m3砌体的砂浆)取1组试件,不足100 m3亦取1组试件。
监理单位按施工单位检验数量的10%平行检验,且不少于1组。
检验方法:试件作抗压强度试验。
5.混凝土、浆砌护坡(墙)局部超挖或凹陷处应挖成台阶,用与砌体相同的材料砌补,不得回填土、石或干砌片石。
检验数量:施工单位、监理单位全部检查。
检验方法:观察。
6.变截面护墙的变截面顶及底宽、分级平台位置及尺寸应符合设计要求。
检验数量:施工单位检验6~12处,监理单位见证检验2~4处。
检验方法:观察、尺量。
7.砌体沉降缝(伸缩缝)预留与塞封质量应符合设计要求,接缝平直,塞缝严密。
检验数量:施工单位全部检查。
监理单位按施工单位检验数的10%平行检验。
检验方法:观察、尺量。
8.泄水孔孔径尺寸、排水坡度应符合设计要求,排水应通畅。
检验数量:施工单位检验总数的10%。
监理单位见证施工单位检验数量的20%见证检验。
检验方法:炮棍法测排水坡、尺量。
9.墙背填筑应分层压实,其压实质量应符合设计要求。
检验数量:施工单位每夯填层检验3点。
监理单位每三层见证检验2点。
检验方法:轻型动力触探(N10),其击数标准经试验确定。
浆砌石砌筑单元工程质量检验评定表
表8
说明
保证项目:
检查数量:1项每50m3砂浆取1组试块。
(注:组砌砂浆要用扁铁、钢钎插捣密实,对于泵站
砌体砂浆、其强度要高于设计强度的15%)
2项每个料场抽样1~2组,每组6个试件。
3项全部检查。
检查方法:1项作试压试验。
2项普查后尺量。
3项现场观察。
基本项目:
检查数量:全数检查。
检查方法:现场检查、钢尺量。
允许偏差项目:
检查数量:1、5项全数检查。
2、3、4项每个单元不少于10处。
检验方法:1项经纬仪或拉线、尺量。
2项用水准仪测。
3、4项2m直尺检测。
5项钢尺量。
检表浆砌片石挡土墙质量检验表
承包单位: 合同段:
监理单位: 编号: 第页共页工程名称桩号及部位施工日期检测日期
项次检测项目
规定值或
允许偏差
检查方法和频率检测值
1 砂浆强度Mpa 在合格标准内按附录F检查
2 平面位置mm 50 经纬仪:
每20m检查墙顶外边线3点
3 顶面高程mm ±20 水准仪:
每20m检查1点
4 竖直度或坡度% 0.
5 吊垂线:
每20m检查2点
5 断面尺寸mm 不小于设计尺量:
每20m量2个断面
6 底面高程mm ±50 水准仪:
每20m检查1点
7 表面平整度mm 30 2m直尺:
每20m检查3处,每处检查竖直和墙长两个方向
外观检查
结论
检测:复核:质检负责人:年月日
【本文档内容可以自由复制内容或自由编辑修改内容期待你的好评和关注,我们将会做得更好】。
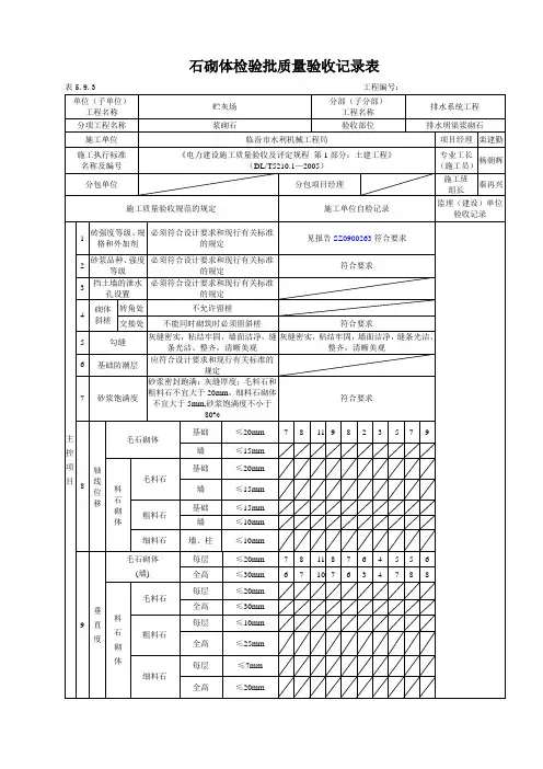
表5.9.3 工程编号:单位(子单位)工程名称贮灰场分部(子分部)工程名称排水系统工程分项工程名称浆砌石验收部位排水明渠浆砌石施工单位临汾市水利机械工程局项目经理栾建勤施工执行标准名称及编号《电力建设施工质量验收及评定规程第1部分:土建工程》(DL/T5210.1—2005)专业工长(施工员)杨朝辉分包单位分包项目经理施工班组长秦再兴施工质量验收规范的规定施工单位自检记录监理(建设)单位验收记录主控项目1砖强度等级、规格和外加剂必须符合设计要求和现行有关标准的规定见报告SZ0900263符合要求2砂浆品种、强度等级必须符合设计要求和现行有关标准的规定符合要求3挡土墙的泄水孔设置必须符合设计要求和现行有关标准的规定4砌体斜槎转角处不允许留槎交接处不能同时砌筑时必须留斜槎符合要求5 勾缝灰缝密实,粘结牢固,墙面洁净,缝条光洁、整齐,清晰美观灰缝密实,粘结牢固,墙面洁净,缝条光洁、整齐,清晰美观6 基础防潮层应符合设计要求和现行有关标准的规定7 砂浆饱满度砂浆密封跑满;灰缝厚度;毛料石和粗料石不宜大于20mm,细料石砌体不宜大于5mm,砂浆饱满度不小于80%符合要求8轴线位移毛石砌体基础≤20mm 7 8 11 9 8 2 3 5 7 9墙≤15mm料石砌体毛料石基础≤20mm墙≤15mm粗料石基础≤15mm墙≤10mm细料石墙、柱≤10mm9垂直度毛石砌体(墙)每层≤20mm 7 8 11 8 7 6 4 5 5 6全高≤30mm 6 7 10 7 6 3 4 7 8 8料石砌体毛料石每层≤20mm全高≤30mm粗料石每层≤10mm全高≤25mm细料石每层≤7mm全高≤20mm表5.9.1(续)工程编号:单位(子单位)工程名称贮灰场验收部位排水明渠浆砌石施工质量验收规范的规定施工单位自检记录监理(建设)单位验收记录一般项目1 组砌形式内外搭砌、上下错缝,拉接石、丁砌石交错设置;毛石墙拉结石0.7m²墙面至少一块内外搭砌、上下错缝,拉接石、丁砌石交错设置;符合要求2顶面标高偏差毛石砌体基础±25mm墙±15mm 2 2 -2 5 5 3 -3 3 2 4料石砌体毛石料基础±25mm墙±15mm粗料石基础±15mm墙±15mm墙、柱±20mm3砌体厚度偏差毛石砌体基础+30~0mm墙+20~-10mm 2 2 3 -4 4 5 5 2 -2 4料石砌体毛石料基础+30~0mm墙+20~-10mm粗料石基础+15~0mm墙+10~-5mm细料石墙、柱+10~-5mm4表面平整度清水墙、柱毛石砌体墙≤20mm料石砌体毛料石墙≤20mm粗料石墙≤10mm细料石墙、柱≤5mm混水墙、柱毛石砌体墙≤20mm 5 6 10 3 4 2 12 13 8 11料石砌体毛料石墙≤20mm粗料石墙≤15mm5清水墙水平缝平直缝粗石料墙≤10mm细石料墙≤5mm施工单位检查结果项目专业质量检查员:项目专业技术负责人:年月日监理(建设)单位验收结论专业监理工程师:(建设单位项目专业技术负责人) 年月日。
说明主控项目1.混凝土、砌体所用钢筋、水泥、石料、砂等材料的品种、规格、质量应符合设计要求,其进场检验应符合《铁路路基工程施工质量验收标准》(TB10414─2003)附E的有关规定。
2.防护的布置方式应符合设计要求。
检验数量:施工单位、监理单位全部检查。
检验方法:观察。
3.基坑底面应无浮渣,基坑开挖高程、基坑地基承载力应符合设计要求。
检验数量:基坑开挖高程施工单位检验4点,基坑地基承载力施工单位检验2点,监理单位见证检验1点。
检验方法:基坑开挖高程施工单位水准测量、尺量。
土质基坑基坑地基承载力施工单位采用动力触探(N63.5),击数标准经试验确定或设计给定,试验时监理旁站;石质基坑采用现场目测鉴别方法。
4.混凝土(砌体砂浆)强度等级应符合设计要求。
检验数量:施工单位每100 m3混凝土(每100 m3砌体的砂浆)取1组试件,不足100 m3亦取1组试件。
监理单位按施工单位检验数量的10%平行检验,且不少于1组。
检验方法:试件作抗压强度试验。
5.混凝土、浆砌护坡(墙)局部超挖或凹陷处应挖成台阶,用与砌体相同的材料砌补,不得回填土、石或干砌片石。
检验数量:施工单位、监理单位全部检查。
检验方法:观察。
6.变截面护墙的变截面顶及底宽、分级平台位置及尺寸应符合设计要求。
检验数量:施工单位检验6~12处,监理单位见证检验2~4处。
检验方法:观察、尺量。
7.砌体沉降缝(伸缩缝)预留与塞封质量应符合设计要求,接缝平直,塞缝严密。
检验数量:施工单位全部检查。
监理单位按施工单位检验数的10%平行检验。
检验方法:观察、尺量。
8.泄水孔孔径尺寸、排水坡度应符合设计要求,排水应通畅。
检验数量:施工单位检验总数的10%。
监理单位见证施工单位检验数量的20%见证检验。
检验方法:炮棍法测排水坡、尺量。
9.墙背填筑应分层压实,其压实质量应符合设计要求。
检验数量:施工单位每夯填层检验3点。
监理单位每三层见证检验2点。
检验方法:轻型动力触探(N10),其击数标准经试验确定。
表4.12.3浆砌石护坡外观质量检查
工序施工质量验收评定表
填表说明
填表时必须遵守“填表基本规定”,并符合以下要求。
1.单位工程、分部工程、单元工程名称及部位填写要与表4.12相同。
2.检验(测)方法及数量。
3.工序施工质量验收评定应提交下列资料。
(1)施工单位各班(组)的初检记录、施工队复检记录、施工单位专职质检员终检记录;工序中各施工质量检验项目的检验资料。
(2)监理单位对工序中施工质量检验项目的平行检测资料。
4.工序质量标准。
(1)合格标准。
1)主控项目,检验结果应全部符合SL634—2012的要求。
2)一般项目,逐项应有70%及以上的检验点合格,且不合格点不应集中分布。
3)各项报验资料应符合SL634—2012的要求。
(2)优良标准。
1)主控项目,检验结果应全部符合SL634—2012的要求。
2)—般项目,逐项应有90%及以上的检验点合格,且不合格点不应集中分布。
3)各项报验资料应符合SL634—2012的要求。
水利水电工程
表4.12.3 浆砌石护坡外观质量检查工序施工质量
验收评定表。