检验标准-国标
- 格式:xls
- 大小:15.00 KB
- 文档页数:1
产品质量检验通常可分成全数检验和抽样检验两种方法。
全数检验是对一批产品中的每一件产品逐一进行检验,挑出不合格品后,认为其余全都是合格品。
这种质量检验方法虽然适用于生产批量很少的大型机电设备产品,但大多数生产批量较大的产品,如电子元器件产品就很不适用。
产品产量大,检验项目多或检验较复杂时,进行全数检验势必要花费大量的人力和物力,同时,仍难免出现错检和漏检现象。
而当质量捡验具有破坏性时,例如电视机的寿命试验、材料产品的强度试验等,全数检验更是不可能的。
抽样检验是从一批交验的产品(总体)中,随机抽取适量的产品样本进行质量检验,然后把检验结果与判定标准进行比较,从而确定该产品是否合格或需再进行抽检后裁决的一种质量检验方法。
过去,一般采用百分比抽样检验方法。
我国也一直沿用原苏联40年代采用的百分比抽样检验方法。
这种检验方法认为样本与总体一直是成比例的,因此,把抽查样本数与检查批总体数保持一个固定的比值如5%,0.5%等。
可是,实际上却存在着大批严、小批宽的不合理性,也就是说,即使质量相同的产品,因检查批数量多少不同却受到不同的处理,而且随着检查批总体数量的增多,即使按一定的百分比抽样,样本数也是相当大的,不能体现抽样检验在经济性方面的优点。
因此,这种抽样检验方法已被逐步淘汰。
人们经过对百分比抽样检验方法的研究,获知百分比抽样检验方法不合理的根本原因是没有按数理统计科学方法去设计抽样方案。
因此,逐步研究和设计了一系列建立在概率论和数理统计科学基础上的各种统计抽样检验或统计抽样检查方案,并制订成标准抽样检查方案。
1949年,美国科学家道奇和罗米格首先发表了《一次抽样与二次抽样检查表》;1950年美国军用标准MIL-STD—105D是世界上有代表性的计数抽样检查方法标准;日本先后制定了JIS Z9002,JIS Z9015等一系列抽样检查方法标准;英国、加拿大等国也相继制订了抽检方法标准;ISO和IEC又分别制订了抽样检查方法国际标准,如ISO2859、IEC 410等。
基本概念抽样方案是由样本量和对样本的要求两部分组成。
抽样方案有计数型和计量型两种类型。
计数型抽样方案可记为:(n;),n表示样本量,c表示对样本的要求,即从一批产品中抽取n个样品,(n当然不能大于批量),逐个检验这n个产品,若在其中发现有d个不合格品,若d不大于C,判为总体可接收,若d大于C,判为总体不可接收。
计数型抽样方案又分为计件和计点两种情况。
编辑本段抽样方案类型抽样方案:计数型抽样方案(包括计件抽样和计点抽样)和计量型抽样方案:编辑本段抽样检验方案的设计依据抽样检验方案是根据对总体的质量要求,用数理统计理论设计出来的。
对总体的质量要求不同,对样本的要求也就必然不同。
例如要求总体不合格品率不超过万分之一,所用的抽样方案与要求总体不合格品率不超过百分之一所用的抽样方案必然不同。
所以说应先有对总体的质量要求,才能有抽样方案;如果没有对总体提出质量要求,抽样方案也无从谈起。
这里应特别指出,总体不合格品率与样本不合格品率是两个不同的概念,在数值上不能混为一谈。
例如从批量为10000的一批产品中抽取两件样品,样本不合格品率仅有三个值:0,50%,100%。
两件都合格样本不合格品率是零;其中有一件不合格,样本不合格品率为50%;两件都不合格样本不合格品率是100%,但总体不合格品率的真值可能不是上述三个值中的任何一个值,综上所述,样本不合格品率与总体不合格品率不一定相等。
抽样检验这门科学,就是用尽量少的样本量,来尽量准确的判断总体质量状况,这是一个很复杂的领域。
欲达到上述目的,根据不同种情况要用不同的抽样方案或抽样系统。
到目前为止,我国已正式颁布了20个关于抽样检验的国家标准,如下:GB2828—87逐批检查计数抽样程序及抽样表(适用于连续批的检查)GB2829—87周期检查计数抽样程序及抽样表(适用于生产过程稳定性的检查)GB6378—86不合格品率的计量抽样检查程序及图表GB8051—87计数序贯抽样检查及表GB8052—87单水平和多水平计数连续抽样检查程序及表GB8053—87不合格品率计量标准型一次抽样检查程序及表GB8054—87平均值计量标准型一次抽样检查程序及表GB/T13262—91不合格品率的计数标准型一次抽样检查程序及抽样表GB/T13263—91跳批计数抽样检查程序GB/T13264—91不合格品率的小批计数抽样检查程序及抽样表GB/T13546—92挑选型计数抽样检查程序及抽样表GB/T13732—92粒度均匀散料抽样检验通则GB/T14162—93产品质量监督计数抽样程序及抽样表(适用于每百单位产品不合格数为质量指标)GB/T14437—93产品质量计数一次监督抽样检验程序(适用于总体量较大的情形)GB/T14900—94产品质量平均值的计量一次监督抽样检验程序及抽样表GB/T15239—94孤立批计数抽样检验程序及抽样表GB/T15482—1995产品质量监督小总体计数一次抽样检验程序及抽样表GB/T13393—92抽样检查导则GB10111—88利用随机数骰子进行随机抽样的方法GB/T15500—1995利用电子随机数抽样品进行随机抽样的方法抽样检验的国家标准分类根据检验对象可分为两大类:1)分立个体的抽样检验;2)分散料的抽样检验,例如:一批水泥、一批化肥、一批粮食、一堆矿石都可视为散料,对散料类,又可分为粒度均匀散料和粒度不均匀散料编辑本段连续批和孤立批在抽样检验中将检验对象分为连续批和孤立批两种情况来讨论,是抽样检验从经验上升为科学的重要里程碑。
国标2828抽样标准国标2828抽样标准是指中国国家标准化管理委员会制定的一项用于产品抽样检验的标准。
该标准适用于对大批量产品进行抽样检验,以便对整批产品的质量进行评估。
国标2828抽样标准的制定旨在提高产品质量检验的效率和准确性,为消费者提供更加可靠的产品质量保障。
国标2828抽样标准的主要内容包括抽样方案的确定、抽样方法的选择、抽样数量的计算以及抽样检验的程序和要求等方面。
在实际应用中,根据不同的产品特点和质量要求,可以选择不同的抽样方案和方法,以确保抽样检验的科学性和有效性。
在确定抽样方案时,需要考虑产品的生产批次、生产工艺、质量特性等因素,以确定适合的抽样方案。
同时,还需要根据产品的质量要求和抽样检验的目的,选择合适的抽样方法,如随机抽样、等间距抽样、累计抽样等,以确保抽样的代表性和可靠性。
抽样数量的计算是国标2828抽样标准中的重要内容之一。
根据产品的生产批次、抽样方法和质量要求,可以通过国标2828抽样表或计算公式确定合理的抽样数量,以确保抽样检验的可靠性和经济性。
在抽样检验的程序和要求方面,国标2828抽样标准规定了抽样检验的具体步骤和操作要求,包括抽样方法的执行、样品的标识和保存、检验结果的判定等内容,以确保抽样检验的科学性和准确性。
国标2828抽样标准的实施对于产品质量监管和质量控制具有重要意义。
通过严格按照国标2828抽样标准进行抽样检验,可以有效提高产品质量监管的效率和准确性,为产品质量提供可靠的保障。
总之,国标2828抽样标准是一项重要的质量管理工具,对于产品质量监管和质量控制具有重要意义。
我们应当充分认识国标2828抽样标准的重要性,严格执行相关要求,以提高产品质量监管的效率和准确性,为消费者提供更加可靠的产品质量保障。
漆包铜扁线进厂检验国标漆包线检验标准 QZY-21.外观检验:表面光滑,色泽均匀,无漆瘤和白色润滑剂,2.尺寸检验:2.1 漆包线直径:标准参照GB/T6109 ,检验方法:千分尺2.2 导体直径: 标准参照GB/T6109,检验方法:千分尺2.3 漆包线直径:标准参照GB/T6109,检验方法:千分尺2.4 导体误差值:标准参照GB/T61093.机械特性:3.1 伸长率:标准参照GB/T6109,检验方法:拉长仪器,计算方法:(拉伸后的长度-拉伸前的长度)/拉伸前的长度的比;3.2 急拉断:标准按照每秒2米的速度急拉,检验漆膜无开裂,3.3 圆棒卷绕:将不同规格的漆包线与相对应的铜棒绕上十圈,检验漆膜无开裂,铜棒的直径参照GB/T6109要求;3.4 热冲击: 将卷绕漆包线放在烘箱中(悬挂在烘箱中间位置)烘0.5小时,烘箱温度与漆包线对应的规格要求,参照GB/T6109,烘完以后检验漆膜无开裂。
4.电性能:4.1 电阻:取要检验的漆包线1m, 将两端的漆膜刮去,测量漆包线的电阻,电阻测量值要与GB/T6109的要求电阻范围内;标准温度20度,换算公式:20度的电阻/234.5+标准温度=实际测量电阻/234.5+测量温度;4.2 盐浴测试:见盐浴测试标准4.3 击穿电压:取漆包线0.5m对折一次,将对折部位剪断并刮去四根线漆皮,然后再对折两次,并将对折后的漆包线扭成麻花状态,(两端各有两个线头)分别用高压仪测试同一端的两根线头的高压,(高压标准:参照附件国家2级标准)。
编制: 批准:漆包线盐浴检验标准1. 主题内容与适用范围:本标准适用于本企业漆包线检验之用。
2. 操作过程:配置溶液及接线:A. 配置盐水溶液:食盐30克,清水10公斤,浓度为3‰;B. 配置酚酞溶液:酒精100克,酚酞3克;C. 配置溶液:每10公斤盐水溶液加入20毫升酚酞溶液。
图1D. 按图1检查盐浴装置正负极接线是否正确。
文章主题:探讨9706.1新国标的出厂检验要求在这篇文章中,我们将探讨最新的国家标准9706.1,并重点关注其出厂检验要求。
随着社会和经济的快速发展,产品质量和安全问题越来越受到人们的重视。
制定出台国家标准,就是为了规范产品的生产和质量控制,确保产品的安全可靠,适用于广大消费者。
而出厂检验作为产品质量的第一道关口,其重要性不言而喻。
①了解9706.1新国标让我们了解一下9706.1新国标的背景和意义。
不久前国家发布了最新的《国家标准9706.1-2021》,该标准的发布对于提高设备的质量和可靠性,保障人身和财产安全,提高设备的生产效率和生产能力,有着非常重要的意义。
②深入解析出厂检验要求接下来,让我们深入解析《国家标准9706.1-2021》中的出厂检验要求。
出厂检验是指制造单位在产品出厂前的最后一道检验程序,其目的是确保产品质量,合格出厂。
新国标对出厂检验要求进行了细化和规范,主要包括产品外观、性能、质量和安全等多方面的要求。
对于产品的外观检验,新国标规定了外形、尺寸、表面状态、标志标识等方面的要求;对于产品的性能检验,包括了产品的功能性能、环境适应性和可靠性等方面的检验规定;而对于产品的质量和安全检验,则包括了材料和加工质量、产品的密封性、电气安全、防护性能等多个方面的详细要求。
③实践应用与个人观点接下来,让我们从实践应用的角度来看待这些出厂检验要求。
在实际生产中,制造单位应该严格按照新国标的出厂检验要求,加强产品质量管理,保证产品合格出厂。
只有如此,才能真正保障消费者的权益,树立企业的良好形象。
我们也应该认识到,出厂检验工作不仅是制造单位的责任,监管部门和第三方检验机构也应该加强对出厂检验的监督和抽查,促使企业提高产品质量,确保产品合格出厂。
新国标9706.1的出厂检验要求对于提高产品质量、保障消费者权益有着重要意义。
制造单位应严格执行出厂检验要求,确保产品质量,合格出厂。
监管部门和第三方检验机构也应加强对出厂检验的监督和抽查,共同维护市场秩序和消费者权益。
xxxxxxxxxxxxxxxxx产品检验实验标准文件编号:版本号:发行日期:编制:审核:审批:一、范围本标准适用于xxxxxxxxxxxxxxxx电动汽车动力蓄电池循环寿命、安全及电性能要求及其试验方法二、规范性引用文件1.GB/T31484-2015《电动汽车用动力蓄电池循环寿命要求及试验方法》2.GB/T31485-2015《电动汽车用动力蓄电池安全要求及试验方法》3.GB/T31486-2015《电动汽车用动力蓄电池电性能要求及试验方法》三、内容本标准共分为三篇:电动汽车用动力蓄电池循环寿命标准;电动汽车用动力蓄电池安全标准;电动汽车用动力蓄电池电性能标准第一篇:电动汽车用动力蓄电池循环寿命标准1 范围本标准规定了电动汽车用动力蓄电池的标准循环寿命的要求、试验方法、检验规则和工况循环寿命的试验方法和检验规则。
本标准适用于装在在电动汽车上的动力蓄电池(以下简称蓄电池)2 规范性引用文件下列文件对于本文件的应用时必不可少的。
凡是注日期的应用文件,仅注日期的版本适用于本文件。
凡是不注日期的引用文件,其最新版本(包括所有的修改单)适用于本文件。
GB/T31484-2015《电动汽车用动力蓄电池循环寿命要求及试验方法》3 术语和定义GB/T231484-2015中界定的以及下列术语和定义适用于本文件3.1单体蓄电池直接将化学能转化为电能的基本单元装置,包括电极、隔膜、电解质、外壳和端子,并被设计成可充电3.2蓄电池模块将一个以上单体蓄电池按照串联、并联或串并联方式组合,且只有一对正负极输出端子,并作为电源使用的组合体。
3.3蓄电池包通常包括蓄电池模块、蓄电池管理模块(不包含BCU)、蓄电池箱以及相应附件,具有从外部获得电能并可对外输出电能的单元3.4蓄电池系统一个或一个以上蓄电池包及相应附件(管理系统、高压电路、低压电路、热管理设备以及机械总成等)构成的能量储存装置3.5额定容量室温下完全充电的蓄电池以1I1(A)电流放电,达到终止电压时所放出的容量(Ah)3.6额定能量室温下完全充电的蓄电池以1I1(A)电流放电,达到终止电压时所放出的能量(Wh)3.7初始容量新出厂的动力蓄电池,在室温下,完全充电后,以1I1(A)电流放电至公司规定的放电终止条件时所放出的容量(Ah)。
GB/T2828.1或MIL-STD-105E抽样计划GB/T2828.1是根据美国军方抽样标准(也是全世界通用的抽样标准)变化而来的,用字母表示是:MIL-STD-105D,国标中带有T的表示是参照的意思,故这个标准并不怎么的认可和使用。
一般公司或工厂都是用美国军方这个抽样标准,但据我所知,好像是一样的,只是删减了些东西。
在这个国际抽样标准中,有一张表格的,先是规定了一批货物中,要抽出多少个样品,然后有个允收品质水准(AQL值),这个AQL值是根据自己的情况在标准中去选的,在AQL值中,将抽出的样品中检验出的不合格品分为:严重、主要、次要,三个档次,每个档次的不合格品有个接收和不接收和数量。
你所说的问题中:抽出要检验的数量是315PCS,那么就315个都要按检验项目一一的检验,每个不合格的检验样再分为三个档次,然后将不合格的总数加起来,按照你们的AQL标准进行对照,从来判定收货与否MIL-STD-105E抽样计划又称计数值的调整型抽样计划,二次大战期间美军军方采购军需武器装备时,对于供货商均以验收检验、制程检验、产品检验、出货检验等方式进行严格的检验以确保武器装备的品质,但由于产品与种类的急遽增多,且制程日益复杂庞大,先前的监督检验制度无法因应此一趋势,而改用稽查检验方式所开发出来的抽样计划。
1?抽样检验之术术语与符号1抽样检验:由一批产品或材料中,分散、随机抽取一定数量的样本,按规定项目加以检验或测试,将结果与判定基准比较,判定全批为合格或不合格的整个作业。
2批(LOT):同条件下生产之产品的集合。
3送验批:送来检验的批。
4批量(LOT SIZE):送验批中含有检验个体之总数,一般以N代表。
5样本(SAMPLE):由批中抽取作业检验对象的产品。
6抽样(SAMPLING):从批中抽取样本的工作。
7样本数(SAMPLE SIZE):样本之个数以n代表。
8合格判定个数:判定批为合格时,样本内容许含有之最高不良品个数,以Ac或c表示之。
国标38900-2020是一项非常重要的标准,涉及到检验项目的内容。
它对于各行各业的产品检验都有着重要的指导意义。
在这篇文章中,我将从多个角度深入探讨国标38900-2020检验项目的相关内容,并对其进行全面评估,以便读者能够更深入地理解这一主题。
1. 介绍国标38900-2020检验项目国标38900-2020是指对于检验项目的具体规范和要求进行明确的标准。
它包括了检验项目的定义、分类、要求、方法、标准等内容,旨在指导各行业对产品进行全面的检验。
国标38900-2020的发布对于提高产品质量、保障消费者权益、促进产业升级都具有重要作用。
2. 国标38900-2020在产品检验中的应用国标38900-2020在产品检验过程中具有举足轻重的作用。
它规范了检验项目的内容,明确了检验方法和标准,能够帮助各行业更加科学、客观地进行产品检验。
通过国标38900-2020的应用,可以保证产品的质量和安全,有效防范各种质量问题的发生。
3. 如何根据国标38900-2020进行检验项目的实施国标38900-2020提供了具体的指导原则和方法,但在实际的检验项目实施中,还需要结合实际情况进行具体操作。
对于不同行业、不同产品的检验项目,需要根据具体的要求和标准进行调整和实施。
还需要对检验过程中可能出现的问题和风险进行全面评估,确保检验项目的顺利进行。
4. 我对国标38900-2020检验项目的个人观点和理解作为一项重要的标准,国标38900-2020对于产品检验具有重要意义。
它不仅规范了检验项目的内容,还提供了科学的方法和标准,能够有效提升产品的质量和市场竞争力。
国标38900-2020也需要与时俱进,不断根据市场和技术的发展进行更新和完善,以适应不断变化的需求。
总结回顾:国标38900-2020检验项目作为一项重要的标准,对于各行业的产品检验具有重要的指导意义。
通过本文的全面评估,读者可以更深入地了解国标38900-2020的相关内容,以及在实际操作中的应用方法和意义。
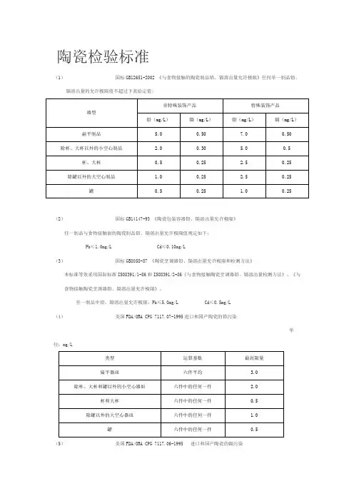
陶瓷检验标准(1)国标GB12651-2002 《与食物接触的陶瓷制品铅、镉溶出量允许极限》任何单一制品铅、镉溶出量的允许极限值不超过下表给定值:(2)国标GB14147-93 《陶瓷包装容器铅、镉溶出量允许极限》任一制品与食物接触面的陶瓷制品铅、镉溶出量允许极限值规定如下:Pb≤1.0mg/L Cd≤0.10mg/L(3)国标GB8058-87 《陶瓷烹调器铅、镉溶出量允许极限和检测方法》本标准等效采用国际标准ISO8391/1-86和ISO8391/2-86《与食物接触陶瓷烹调器铅、镉溶出量检测方法》、《与食物接触陶瓷烹调器铅、镉溶出量允许极限》。
任一制品中铅、镉溶出量允许极限:Pb≤5.0mg/L Cd≤0.5mg/L(4)美国FDA/ORA CPG 7117.07-1995进口和国产陶瓷的铅污染单位:mg/L(5)美国FDA/ORA CPG 7117.06-1995 进口和国产陶瓷的镉污染单位:mg/L(6)美国加州65规定(California Prop.65-2002)铅允许极限:单位:mg/L(7)以色列SI 1003-1999《陶瓷器皿金属溶出量和标识》铅、镉溶出量允许极限:单位mg/L(8)国际标准ISO6486/2[1999(E)] 《与食物接触陶瓷制品铅、镉溶出量允许极限》。
(9)德国DIN51032 《日用器皿中对健康有害物质溶出极限值》(10)斯里兰卡进口管理条例DOPL NO.326(2000年2月29日)斯里兰卡的陶瓷铅、镉溶出量允许极限采用国际标准ISO6486/2[1999(E)]的要求。
(11)ГOCT P 50186-92 俄罗斯联邦国家标准《同食品相接触的陶瓷器皿铅和镉的析出允许极限》(12) GB6566-2001《建筑材料放射性核素限量》A类产品 I Ra≤1.0和Iγ≤1.3B类产品 I Ra≤1.3和Iγ≤1.9C类产品 Iγ≤2.8(13) GB50325-2001《民用建筑工程室内环境污染控制规范》A类产品 I Ra≤1.0、Iγ≤1.3B类产品 I Ra≤1.3、Iγ≤1.9(14) CJ164-2002《节水型生活用水器具》节水型便器系统:每次冲洗周期大便冲洗用水量不大于6L;采用大小便分档冲洗的配件,小便冲洗用量不大于4.5L。
检测项目国家标准(仅供参考)1、吊白块参考标准:GB2760-2007《食品添加剂使用卫生标准》规定不允许吊白块用做食品添加剂;2001年10月,国家卫生部《关于禁止在食品中使用非食品添加剂的紧急通知》,明确规定不得在食品中加入甲醛次硫酸氢钠(吊白块)。
2、二氧化硫参考标准:国标GB 2760-2007《食品添加剂使用卫生标准》规定:啤酒≤10mg/kg;酸菜罐头、竹笋罐头、蘑菇、盐渍蔬菜、表面处理的鲜水果、复合调味料、果蔬菜、果酒、葡萄酒≤50mg/kg;水果干类、粉丝、粉条、饼干、可可制品、糖果、食糖≤100mg/kg;干制蔬菜、黄花菜、腐竹、油皮、淀粉糖≤200mg/kg;蜜饯、果脯≤350mg/kg。
3、甲醛参考标准:GB2760-2007《食品添加剂使用卫生标准》规定:甲醛不允许用做食品添加剂;GB18406.4-2001《农产品安全质量无公害水产品安全要求》:水产品中甲醛不得检出。
NY5172-2002《无公害食品水发水产品》规定:甲醛≤10.0mg/kg。
4、面粉过氧化苯甲酰参考标准:(GB 2760-1996)最大使用量为0.06g/kg5、双氧水参考标准:(1)、GB2760-2007《食品添加剂使用卫生标准》亦规定双氧水只可在牛奶中限量使用,且仅限于内蒙古和黑龙江两地,在其他食品中均不得有残留。
(2)、《农业部产品质量检验测试中心》规定:1.双氧水只能用于黑龙江和内蒙古的鲜牛乳中;2.双氧水在袋装豆腐干中不得有残留;3.双氧水在其他食品中使用必须经过卫生部的严格审批。
6、味精中谷氨酸钠参考标准:(GB 2720-1996)谷氨酸钠(%)≥807、亚硝酸盐参考标准:GB2760-2007《食品添加剂使用卫生标准》等国标中部分食品亚硝酸盐限量卫生标准暨本速测和使用的样品如下(以NaNO2记);➢火腿、腊肠、红肠、肉肠、咸肉、卤肉、熏肉和肴肉:≤30mg/kg;➢西式火腿(熏、烤火腿):≤70mg/kg,肉罐头≤50mg/kg;➢酱腌菜:≤20mg/kg。
国标玉米检测标准国标玉米检测标准1.引言本标准是为了规范玉米的检测工作,保证玉米的质量,促进生产、加工和市场的顺利发展。
2.适用范围本标准适用于玉米的检测和评价。
3.术语和定义3.1 玉米:玉米是玉米属(Zea mays)植物的种子,为大豆科植物。
3.2 相对湿度:空气中含水蒸气饱和度的百分比。
3.3 含水量:物料中存在的水分质量与物料干燥状态下的质量之比。
3.4 安全含水量:保证玉米质量的含水量。
3.5 酸价:单位质量油脂中,游离脂肪酸的含量。
4.特性4.1 外观特性玉米应干燥、无杂质,并且无臭味。
4.2 含水量根据不同的生产和储存条件,玉米的安全含水量也不同。
在干燥的气候中,玉米的安全含水量应在13% ~ 14.5%之间;在湿润的气候中,安全含水量应在12% ~13%之间。
4.3 酸价玉米脂肪中酸价的最大值应不超过3.5mg/g。
5.检测方法5.1 含水量的测定将样品在60℃到80℃的温度下在烘箱中干燥至恒定重量,记录干重m1,再在105℃至110℃温度下再次干燥至恒定重量,记录干重m2。
计算玉米的含水量:含水量(%)=(m1-m2)/m2×1005.2 酸价的测定将样品中的脂肪提取出来,用酸碱滴定法测定样品中的游离脂肪酸含量。
计算样品的酸价:酸价(mg/g)=0.1×(Vc-Vb)×N/K×mVb是用氢氧化钠溶液对空白样本进行滴定所用的体积;Vc是用氢氧化钠溶液对玉米样本进行滴定所用的体积;N是用氢氧化钠溶液进行滴定的标准浓度(mol/L);K是玉米样品中游离脂肪酸的摩尔质量;m是样品中涂料的质量(g)。
6.质量评价6.1 含水量如果玉米的含水量超过了安全含水量范围,那么它不能作为食品或者饲料,会影响玉米的保质期,甚至损害玉米的品质。
6.2 酸价如果玉米样品中的酸价超过了限定值,那么它不能作为食品或者饲料,可能会对人和动物的健康产生不利影响。
7.存储和运输7.1 存储玉米应该存放在干燥、通风、无污染的地方。