06、辅机2008题库第六章
- 格式:doc
- 大小:60.00 KB
- 文档页数:8
船舶辅机题库(一级轮机长)判断题索引:第一章船用泵(0)第二章活塞式空气压缩机(0)第三章渔船制冷装置(31题)第四章渔船空气调节装置(0题)第五章液压传动的基础知识(26题)第六章舵机(7题)第七章锚机(3题)第八章捕捞机械(3题)第三章、渔船制冷装置1.制冷系数是表示制冷系统工作效率的一个参数,所以它总是小于1。
(×)2.制冷系统中高压继电器可以控制压缩机的启停。
(×)3.制冷剂蒸发吸热是在冷凝器中完成的。
(×)4.制冷剂R22和压缩机的润滑油不能相互溶解。
(×)5.制冷剂经过制冷压缩机的前后制冷剂的状态都为气体。
(√)6.制冷系统中滑油分离器的作用是把制冷剂和润滑油分离的设备。
(√)7.制冷系统的气密试验合格可不再进行真空试验。
( × )8.冰鲜结合机械制冷保温时,鱼舱温度不得高于0℃。
( ×)9.在对鱼类进行微冻保鲜时应注意掌握鱼舱的温度不高于-4℃。
( ×)10.R22 由于破坏大气的臭氧层,所以目前已禁止使用。
( ×)11.一个循环过程中,单位质量制冷剂所吸收的热量与所消耗的机械功之比叫制冷系数。
( √)12.冷却水温度过高或断流会使制冷压缩机高压保护动作,停止压缩机运转。
( √)13.检漏灯检测到氟利昂泄露时火焰的颜色呈黄色。
( ×)14.正确选择膨胀阀的尺寸和调节其过热度,可得到较合理的蒸发压力和温度。
( √)15.当冷凝温度不变时,制冷系统的蒸发温度越低,则制冷系数越大。
( ×)16.制冷系统中如选用凝固点太高的润滑油,将会引起油堵。
( √)17.制冷装置的制冷效果下降可能的原因是制冷剂泄露。
( √)18.制冷系统的干燥器中常用的成分是硅胶,它可以再生使用。
( √)19.热力膨胀阀表面时而结冰,时而融化,说明阀口处产生脏堵。
( ×)20.热力膨胀阀主要作用是使液态制冷剂节流降压。
二类轮机管理题库08试题及答案您的姓名: [填空题] *_________________________________1.关于爱岗敬业的说法,较为合理的是()_。
[单选题] *A.市场经济鼓励人才流动,再提倡爱岗敬业已不合时宜B.即便在市场经济时代、也要提倡“干一行、爱一行、专一行”(正确答案)C.要做到爱岗敬业就应一辈子在岗位上无私奉献D.在现实中,我们不得不承认,“爱岗敬业”的观念阻碍了人们的择业自由2.柴油机运转中在气缸上部发生机械敲缸,不可能的原因是()_。
[单选题] *B.曲柄销轴承偏磨A.喷油器压缩弹簧断裂(正确答案)C.活塞环碰到气缸套上部磨台D.活塞连杆中心线与曲轴中心线不垂直3.()_不属于应急消防设备。
[单选题] *B.逃生孔A.燃油速闭阀C.机舱通风机应急开关(正确答案)D.应急消防泵4.根据《中华人民共和国船员违法记分办法》,法规培训应包括( )_等内容。
①水上交通安全相关法规②防治船舶污染相关法规③安全知识的教育④海事案例 [单选题] *A.②③B.②③④C.①②③④(正确答案)D.①③④5.船舶进出港及航行中,初稳性高度会有()。
[单选题] *A.一个B.两个C.三个D.许多个(正确答案)6.柴油机发生拉缸的原因十分复杂,既有设计、制造与装配上的原因,也有运转管理中的原因。
[单选题] *A.对(正确答案)B.错7.接班轮机员应提前_()分钟到达机舱,按巡回检查路线,认真检查舱机、电器设备、主辅机、轴系等的技术状况是否正常。
[单选题] *A.5B.10C.15(正确答案)D.208.船舶安全管理的基本方针是()_。
[单选题] *A.以人为本B.生产第一,安全第二C.诚实劳动、忠于职守D.安全第一,预防为主(正确答案)9.船舶各种漂浮状态时排开水的体积的中心称为()。
[单选题] *A.重心B.浮心(正确答案)C.稳心D.漂心10.船用生活污水生化处理装置运行管理最重要的是()——。
锅炉辅机检修工培训考试试题库2015 年9 月目录第一部分填空题 (1)第二部分单选题 (17)第三部分判断题 (53)第四部分简答题 (63)第五部分论述题 (77)第六部分操作题 (102)第一部分填空题1.风机出口扩散段的作用是提高风压,进一步均匀气流流速。
2.金属材料的硬度与强度之间有一定关系,通常硬度越高强度越大。
3.在铸铁中加入一些合金元素,这种铸铁称为合金铸铁。
4.齿轮常见的轮齿损坏形成有疲劳点蚀、齿面磨损、齿面胶合、塑性变形、轮齿折断。
5.一般转子不平衡的校验方法有动平衡、静平衡。
6.风机特性曲线是表示在一定转速下流量与压头及效率,功率之间的一组关系曲线。
7.筒式磨煤机的破碎原理是撞击和挤压。
8.20 号钢的允许工作温度≤450℃ ,12CrIMOV 的允许工作温度≤580℃。
9.风机叶轮叶片与外壳的间隙是指经过机械加工的外壳内径与叶片顶端之间应有的间隙。
10.滚动轴承内圈与轴的配合制度是基孔制,配合松紧靠改变轴的公差来表达,外圈与壳体孔的配合制度是基轴制。
11.过盈联接的装配方法有四种,即压入配合法,热胀配合法和冷却配合法,液压配合法。
12.滚动轴承的内径尺寸只有负偏差,没有正偏差.13.粗粉分离器的工作原理有重力分离,惯性分离和离心分离三种.14.离心式风机主要由叶轮,外壳,进风箱,集流器,导流器,轴及轴承等组成。
15.转机联轴器对轮找正常用量具有钢板尺,塞尺及千分尺,百分表等。
16.轴流式风机的工作原理是利用旋转叶片的挤压推进力使流体获得能量升高其压能和动能。
17.磨煤机是磨制和干燥燃料的主要设备。
18.制粉系统可分为直吹式和中间储仓式两种。
19.储仓式制粉系统是煤粉先储在煤粉仓中,根据负荷需要由给粉机把煤粉再送入炉膛燃烧。
20.泵与风机是把机械能转变为动能和势能的一种动力设备。
21.离心式风机按叶片出口角分为后弯式、前弯式和径向式。
22.灰浆泵轴封压力应比泵内液体压力高。
第三节船舶空调的自动控制1914 采用直接蒸发式空冷器的集中式船舶空调装置,夏季在外界空气温、湿度变化较大时,能使保持在一定范围内。
A.送风温度 B.舱室温度 C.制冷剂蒸发温度 D.A+B+C提示:直接蒸发式空调装置制冷压缩机设有能量调节装置,能在热负荷变化时将蒸发压力保持在一定范围内。
1915 采用间接冷却式空冷器的集中式船舶空调装置,夏季在外界空气温、湿度变化较大时,自动控制。
A.载冷剂压力 B.载冷剂流量 C.制冷剂蒸发温度 D.载冷剂温度提示:间接冷却式空冷器夏季根据回风(代表舱室温度)温度自动调节载冷剂流量,来调节冷却器换热量。
1916 集中式空调装置夏季工况气候条件变化。
A.自动改变送风量 B.舱室温度大致不变C.舱室温度随之浮动 D.送风温度大致不变提示:夏季要求舱室温度保持恒定,正常室风外温差为6~10℃,因为夏季人进出房间一般不加减衣服,温差大易感冒。
1917 集中式空调装置夏季工况时,制冷压缩机。
A.间断工作 B.排气量大致不变C.排气量自动调节 D.制冷量大致不变提示:夏季空冷器热负荷变化时,制冷剂蒸发量变化,压缩机自动调节能昨(排气量)以保持蒸发压力(温度)在合适范围内。
1918 有的空调制冷装置并联采用两组电磁阀和膨胀阀,通常是为了。
A.适应较大制冷量 B.互为备用,提高可靠性C.压缩机能量调节时,使膨胀阀容量与之适应D.应急时减半制冷量工作提示:空调装置热负荷变化较大时,为了使蒸发压力保持在合适范围内,压缩机的排气量(能量)需自动调节,这时热力膨胀阀的供液量也相应要改变,当一只膨胀阀的容量范围有限时,可用两只容量大小不等的膨胀阀来适应。
1919 许多直接蒸发式空调制冷装置采用温度继电器,在浊度太低时使电磁阀关闭,制冷压缩机停止工作。
A.新风 B.回风 C.送风 D.舱室提示:回风温度太低即表明舱室温度太低,可自动停止空调装置工作。
1920 间接冷却式空调制冷装置采用双位调节时,感受温度信号来控制载冷剂流量。
模块专业6:辅机自动控制系统及同期装置参考资料:《发电机辅助设备运行与维护》、《水电自动装置检修》国电贵州电力有限公司红枫水力发电厂运行维护岗(辅机自动控制系统及同期装置题库:模块专业6)一、填空(18题)1、同期并列的条件是并列开关两侧的电压相等,并列开关两侧电源的频率相同,并列开关两侧电压的相位角相同;并列开关两侧的相序相同。
2、同步检测继电器的作用防止非同期并列。
3、自动并列装置检测并列条件的电压人们常称为整步电压。
4、频率差调整的任务是将待并发电机的频率调整到接近于电网频率,使频率差趋向并列条件允许的范围,以促成并列的实现。
5、频率差检测是在恒定越前时间之前完成的检测任务,用来判别是否符合并列条件。
6、频率差调整的任务是将待并发电机的频率调整到接近于电网频率,使频率差趋向并列条件允许的范围,以促成并列的实现。
7、电压差调整的任务是在并列操作过程中自动调节待并发电机的电压值。
8、压油罐自动补气阀应具备自动补气、手动补气、排气三种功能。
9、水电厂的技术供水主要作用是:冷却、润滑,传递能量。
10、水电站供水包括技术供水、消防供水和生活供水。
11、油系统监测是对油质、油温和油位的监测,如质量指标不符合要求,应及时采取相应的技术措施,防止和减缓油的劣化。
12、压油槽充气的目的是保证操作中油压的稳定。
13、压油罐自动补气阀应具备自动补气、手动补气和排气3种功能。
14、发电机准同期并网时,若频率差大于允许值,自动准同期装置相应地发出增速或减速脉冲作用于调速器。
15、发电机准同期并网时,当电压差、频差均满足要求后,自动准同期装置选择合适的时刻发出合闸脉冲,使其在滑差电压为零时合闸。
16、油压装置的逆止阀可以防止压力油罐油流向集油槽。
17、水电厂技术供水的对象是水轮发电机组、水冷式变压器、水冷式空压机。
18、软起动器可以控制电动机平滑启动,减少启动电流,避免冲击电网,减小配电容量。
二、选择(30题)1、手动准同期并列操作时,若同步表指针在零位不稳定地来回晃动,(A)A、不能进行并列合闸B、应立即进行并列合闸C、应慎重进行并列合闸D、可手动合闸2、我国电网的额定频率为(C)。
培训辅机(脱硫)考试题班组:姓名:成绩:一、填空(每题2分,共30分)1.火力发电厂主要生产系统有()、( )和电气系统。
2.机械强度是指金属材料在受外力作用时( )和( )的能力。
3.锅炉的辅机设备包括吸、送风机,(),()及(),除灰设备、()等。
4.泵与风机是把机械能转变为流体的()和( )的一种动力设备。
5.筒式磨煤机的破碎原理是( )和( )。
6.轴承一般分为( )和( ),轴承主要承受转子的径向和轴向的载荷。
7.转动机械上的密封都是为了防止汽、水、油等被输送介质的泄露而设计的,起密封作用的零件如( )、( )和( )等都称为密封件。
8.轴承拆装的方法有四种,它们是(1)()和手锤法;(2)( )和手锤法(3)( )(4)( )。
9.应用热装法装配轴承时,可将轴承置于油中,将轴承加热后装配,加热温度控制在(80~100℃),最高不得超过( )。
10.转机联轴器对轮找正工具有(),(),()和扳手等。
11.转机联轴器对轮找正常用量具有()、()、()、百分尺等。
转机找正调整加垫时,厚的在下面,薄的在中间,较薄的在上面,加垫数量不允许超过3片。
12.()是用来防止介质倒流的安全装置,当介质倒流时,阀瓣能自动关闭。
13.转动机械对轮找中心要求径向.轴向偏差不超过()毫米,两对轮距离应为( )毫米。
14.离心式风机的工作原理是利用()原理对气体做功的。
15.HP磨煤机碾磨件由()和()组成。
二、选择题(每题2分,共30分)每题只有一个正确答案,将正确答案的序号填入括号内1.泵较长采用的是()调节。
A.入口节流B.出口节流C.出入口节流2.螺纹代号M30表示( ),直径30mm右旋。
A细牙螺纹B普通粗牙螺纹C梯形螺纹D锯齿形螺纹3.()用于保证供给锅炉燃烧时需要的空气量。
A引风机B送风机C排粉风机D烟气再循环风机4.链传动是依靠链条和链轮的( )。
A摩擦B啮合C摩擦和啮合D不确定5.百分表的表盘圆周有100格,每格为()mm。
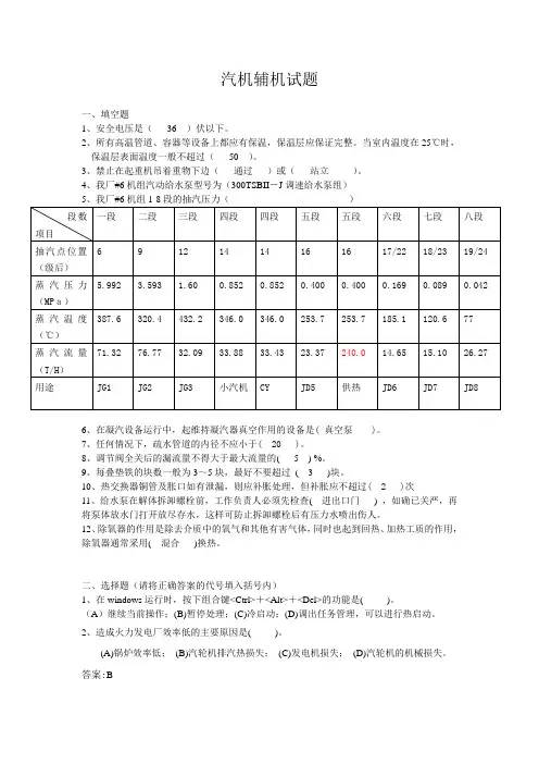
汽机辅机试题一、填空题1、安全电压是(36 )伏以下。
2、所有高温管道、容器等设备上都应有保温,保温层应保证完整。
当室内温度在25℃时,保温层表面温度一般不超过(50 )。
3、禁止在起重机吊着重物下边(通过)或(站立)。
4、我厂#6机组汽动给水泵型号为(300TSBII-J调速给水泵组)6、在凝汽设备运行中,起维持凝汽器真空作用的设备是( 真空泵 )。
7、任何情况下,疏水管道的内径不应小于( 20 )。
8、调节阀全关后的漏流量不得大于最大流量的( 5 ) %。
9、每叠垫铁的块数一般为3~5块,最好不要超过( 3 )块。
10、热交换器铜管及胀口如有泄漏,则应补胀处理,但补胀应不超过( 2 )次11、给水泵在解体拆卸螺栓前,工作负责人必须先检查( 进出口门) ,如确已关严,再将泵体放水门打开放尽存水,这样可防止拆卸螺栓后有压力水喷出伤人。
12、除氧器的作用是除去介质中的氧气和其他有害气体,同时也起到回热、加热工质的作用,除氧器通常采用( 混合)换热。
二、选择题(请将正确答案的代号填入括号内)1、在windows运行时,按下组合键<Ctrl>+<Alt>+<Del>的功能是( )。
(A)继续当前操作;(B)暂停处理;(C)冷启动;(D)调出任务管理,可以进行热启动。
2、造成火力发电厂效率低的主要原因是( )。
(A)锅炉效率低;(B)汽轮机排汽热损失;(C)发电机损失;(D)汽轮机的机械损失。
答案:B3、10号钢表示钢中含碳量为( )。
(A)百分之十;(B)千分之十;(C)百分之一;(D)万分之十。
4、在滑动轴承中不允许出现( )。
(A)边界摩擦;(B)液体摩擦;(C)干摩擦;(D)混合摩擦。
5、( )是为了消除密封面上的粗纹路,进一步提高密封面的平整度和降低表面粗糙度。
(A)粗研;(B)精研;(C)抛光;(D)磨削。
答案:B6、一般承压设备在检修时或安装后应进行( )。
大管轮轮机基础辅机部分题库大管轮轮机基础辅机部分题库第一部分工程热力学(21分)第01章工程热力学的基本概念(3%)1.将热能转化为机械能的设备称为:A、柴油机B、汽轮机C、热机D和蒸汽机2.把热量转化为功的媒介物称为______。
a、电源B.热源C.质量源D.工作介质3.把热能转化为机械能,通过______的膨胀来实现。
a、高温气体B.工作介质C.液体D.a、B和C不正确4.作为工作介质,应具有良好的。
a.流动性/多变性b.膨胀性/多变性c.膨胀性/分离性d.膨胀性/流动性5.蒸汽动力装置的工作介质必须具有良好的性能。
a.膨胀b.耐高温c.纯净d.导热6.工质必须具有良好的膨胀性和流动性,常用工质有:a.氟里昂b.润滑油c.水d.天然气7.燃气轮机动力装置的做功工质是:a、燃气蒸汽氧气水内燃机动力装置的工作介质是。
a、气体B.蒸汽C.燃料D.水9.封闭系统指的是________________。
a.与外界没有物质交换b.与外界没有热量交换c.与外界既没有物质交换也没有热量交换d.与外界没有功的交换10.开口系统是指______的系统。
a、与外部世界的物质交换b.与外部世界的热交换C.与外部世界的物质交换而不进行热交换D.与外部世界的有功功率交换11 _____________;必须与外部世界进行能量交换。
a、绝热系统b、孤立系统c、封闭系统d、开口系统12._____与外界肯定没有质量交换,但可能有热量交换。
a、隔热系统B、隔离系统C、封闭系统D、开放系统13以下哪个系统与外界没有质量交换,但可能有热交换?a.绝热系统b.孤立系统c.封闭系统d.开口系统14.与外界没有质量交换的系统是______,同时它也可能是______。
a、开放系统/隔离系统B.开放系统/绝缘系统C.封闭系统/隔离系统D.绝缘系统/隔离系统15.与外界进行质量交换的系统是开放系统。
同时,也可能是:a.封闭系统b.绝热系统c.孤立系统d.b+c16.蒸汽压缩制冷系统是______。
船舶辅机题库船用泵基础知识1. 泵的扬程大,不一定________就大。
A.克服吸、排管路阻力的能力 B.能吸上液体的高度C.能克服的吸、排液面压差 D.能排送液体的高度2. 下列泵中属于容积式泵的是________。
A.往复泵 B.旋涡泵 C.喷射泵 D.离心泵3. 关于泵的下列说法中不准确的是________。
A.泵的转速即为原动机转速B.泵的扬程通常大于能使液体上升的高度C.泵的工作扬程即为泵的排、吸口能头之差D.泵的流量通常标注单位时间排送液体体积4. 泵铭牌上标注的流量通常是________。
A.单位时间内排送液体的重量 B.单位时间内排送液体的质量C.单位时间内排送液体的体积 D.泵轴每转排送液体的体积5. 泵铭牌上标注的流量是指________流量。
A.实际排送的 B.可能达到的最大C.额定工况的 D.最低能达到的6. 锅炉汽压为 MPa,其水位比热水井水位高2 m,其给水泵排压为 MPa,吸压为 MPa,则该泵管路阻力约为________(设1 MPa≈100 m水柱高)。
A.2 m B.3 m C.8 m D.10 m7. 某水泵吸、排管径和压力表高度相同,工作时吸入压力为 MPa,排出压力为 MPa,其工作扬程约为________(设1 MPa≈100 m水柱高)。
A.60 m B.55 m C.50 m D.铭牌标示扬程8. 锅炉汽压为 MPa(≈51 m水柱高),其中水位距热水井液面高为2 m,锅炉给水泵的管路阻力以泵静扬程10%计,其工作扬程约为________。
A.2 m B.51 m C.53 m D. m9. 某水泵运行时进口压力为 MPa,排出口压力为 MPa,则水泵的扬程约为________(设1 MPa≈100 m水柱高)。
A.20 m B.25 m C.30 m D.35 m10. 当泵的工作管路和吸、排液面高度既定时,泵工作正常时工作扬程与________无关。
第1 题:齿轮泵不宜用来输水主要是因为________。
A.漏泄严重B.效率太低C.磨损严重D.锈蚀严重答案:C第2 题:关于齿轮泵的以下说法:Ⅰ.吸排方向取决于齿轮的转向、Ⅱ.齿轮退出啮合的一侧与排出管连通,其中________。
A.Ⅰ正确B.Ⅱ正确C.Ⅰ和Ⅱ都正确D.Ⅰ和Ⅱ都不正确答案:A第3 题:齿轮泵最主要的内漏泄发生在________。
A.齿轮端面间隙B.齿顶间隙C.啮合齿之间D.轴封答案:B第4 题:普通外啮合齿轮泵有________。
A.2只滚动轴承B.4只滚动轴承C.2只滑动轴承D.4只滑动轴承答案:B第5 题:齿轮泵轴承润滑通常靠________。
A.引自排出端的油B.端面间隙的漏油C.加润滑脂D.使用免润滑轴承答案:B第6 题:润滑齿轮泵轴承的油液________。
A.来自齿顶间隙的漏油,通至吸入口B.来自齿轮端面间隙的漏油,通至吸入口C.来自齿顶间隙的漏油,通至排出口D.来自齿轮端面间隙的漏油,通至排出口答案:B第7 题:以下关于齿轮泵轴承的说法中不正确的是________。
A.靠端面间隙的漏油润滑B.使用止推轴承承受径向和轴向力C.润滑油可被引回吸入端D.不允许使用滑动轴承答案:B第8 题:普通齿轮泵最常用的轴封是________。
A.软填料密封B.机械轴封C.唇形密封圈D.O形密封圈答案:C第9 题:油封(唇形密封圈)内径与轴径相比应________。
A.略大B.略小C.相等D.都可以答案:B第10 题:关于油封(唇形密封圈)不正确的说法是________。
A.内侧可置弹簧补偿唇边磨损B.靠油压使唇边保持密封C.不允许内侧油压过高D.安装时与轴接触面应涂油或油脂答案:B第11 题:内啮合齿轮泵中的齿轮和齿环的齿数________。
A.相等B.前者多C.后者多D.A、B、C都可能答案:C第12 题:内啮合齿轮泵主、从动元件转向________。
A.相同B.相反C.A、B都有D.顺时针转相同,逆时针转相反答案:A第13 题:内啮合齿轮泵中齿轮与齿环的转速________。
轴向柱塞泵的柱塞与缸体之间已发生磨损时,造成的结果是______。
泵体发热斜盘式轴向柱塞泵中采用静力平衡措施的元件不包括______。
柱塞柱塞式液压泵除主油管外,为了______,壳体上有直通油箱的油管。
向壳体供润滑油斜盘式轴向柱塞泵内漏泄不发生在______之间。
柱塞与油缸体CY14—1轴向柱塞泵配油盘中线相对斜盘中线______。
方向一致轴向柱塞泵负重叠配油盘吸排窗口间的封油角α与缸体底部窗口的配油角β间的关系为______。
β>α具有负封闭(负重叠)结构的配盘,泵的容积效率______。
有所增加轴向柱塞泵非对称配油盘设阻尼孔,有利于降低泵的______。
压力冲击斜盘式轴向柱塞泵推荐以辅泵向吸入侧供油,并不是为了______。
防止“气穴”现象关于斜盘式伺服变量轴向柱塞泵的以下说法对的是______。
滑履和斜盘间的油压压紧力和撑开力完全平衡斜盘式柱塞液压泵的非对称配油盘是指其______。
两配油口宽度不等斜盘式柱塞液压泵的负重迭型配油盘是指油缸配油口的包角______。
小于配油盘封油角斜盘式柱塞液压泵配油盘采用负重迭型可以______。
减轻液压冲击非对称安装的配油盘上设节流通孔且实现负重迭是为了______。
消除压力冲击采用非对称布置配流盘的液压泵,管理中要注意______。
转向不能搞错斜盘式柱塞液压泵配油盘采用设阻尼孔的非对称负重迭型可以______。
减轻液压冲击带阻尼孔的负重迭型非对称的斜盘式柱塞液压泵如果反转,将会______。
发生困油现象斜盘式轴向柱塞泵______的间隙摩损后能自动补偿。
柱塞与缸体轴向柱塞泵配流盘上的盲孔的作用为______。
改善润滑轴向柱塞变量泵与径向柱塞变量泵比较______。
可适用工作压力较高舵机伺服变量油泵中______部件与舵机操纵机构相连。
差动活塞轴向柱塞泵与径向柱塞泵相比,下列说法错的是______。
主要部件采取了静力平衡措施轴向柱塞泵与径向柱塞泵相比______。
第1 题:答案:B第2 题:三螺杆泵主、从动螺杆螺纹头数________。
A.都是单头B.都是双头C.前者单头、后者双头D.与C相反答案:B第3 题:三螺杆泵排油时从动螺杆是靠________。
A.油压力驱动B.齿轮驱动C.主动螺杆啮合传动D.皮带传动答案:A第4 题:三螺杆主滑油泵的旁通调压阀不适合用来________。
A.做安全阀用B.大范围调节流量C.适当调节工作压力D.关排出阀卸压启动答案:B第5 题:三螺杆泵的螺杆节圆直径为d,其理论流量________。
A.与d成正比B.与d2成正比C.与d3成正比D.与d无关答案:C第6 题:三螺杆泵的漏泄一般主要发生在________。
A.啮合线处B.轴封处C.螺杆顶圆与泵壳间D.螺杆端面间隙答案:C第7 题:一般螺杆泵直径越大,其他条件不变,则容积效率________。
A.越高B.越低C.不受影响D.都有可能答案:A第8 题:关于螺杆泵下列说法错误的是________。
A.工作中密封容腔形成后,与排出腔相通前其中压力不变B.额定排压高的则螺杆长径比大C.启动后排油前,从动螺杆受指向排出端的轴向力D.三螺杆泵工作时从动杆不靠主动螺杆直接推转答案:A第9 题:机械轴封的动密封面是在________之间。
A.动环与转轴B.静环与端盖C.动环与静环D.A和B和C答案:C第10 题:机械轴封的静环和动环是由________材料制成。
A.硬质材料(金属、陶瓷)B.软质材料(石墨、塑料等)C.前者A、后者BD.与C相反答案:C第11 题:关于机械轴封的下列说法中错误的是________。
A.动密封面磨损后能自动补偿B.能适用于使用滚动轴承和滑动轴承的泵C.一般不宜用于有悬浮颗粒的液体D.动环和静环必须使用不同的材料答案:B第12 题:双螺杆泵排油时从动螺杆是靠________。
A.油压力驱动B.齿轮驱动C.主动螺杆啮合传动D.皮带传动答案:B第13 题:关于外轴承式双螺杆泵的下列说法中错误的是________。
01下列泵中属于叶轮式泵的是(D)A齿轮泵 B叶片泵C水环泵 D旋涡泵02下列属于容积式泵的是(A)A往复泵 B旋涡泵C喷射泵 D离心泵03泵铭牌上标注的流量通常是指(C)A单位时间内排送液体的重量 B单位时间内排送液体的质量 C单位时间内排送液体的体积 D泵轴每转排送液体的体积04 泵的扬程是指泵(D)A吸上高度 B排送高度C 、A+B D、所送液体在排口和吸口的水头差05压头是指泵传给受单位重力(每牛顿)作用的液体的能量,其单位是(C)A牛顿 B帕 C米 D瓦06 泵的有效功率大小取决于(D)A工作扬程 B流量 C、A+B D、AxB07泵的轴功率是指(C)A原动机的额定输出功率 B泵传给液体的功率C泵轴所接受的功率 D泵排出的液体实际所得到的功率08 允许吸上真空度是反映泵的(C)A形成吸口真空的能力 B排液高度的能力C抗汽蚀能力 D密封完善程度09 泵的排出压力取决于(D)A形成吸口真空的能力 B排夜高度的能力C抗汽蚀能力 D 密封完善程度10 从泵铭牌上可直接知道的是(B)A额定质量流量 B额定溶积流量C最大允许吸高 D有效功率11 往复泵的作用数一般是指活塞在(D)的排水次数。
A每秒钟内 B每分钟内C电动机每转 D曲轴每转12 电动往复泵排量不均匀的直接原因在于(A)A活塞运动速度不均 B转速太慢C液体的惯性力大 D活塞作往复运动13往复泵设排出空气室的作用是(C)A降低泵的起动功率 B储存液体帮助自吸C降低流量和排出压力脉动力 D减小吸压脉动,防止“气穴现象”14 对解决往复泵流量脉动不起作用的措施是(D)A设置排出空气室 B增加泵的转速C采用吸入空气室 D、B+C15齿轮泵泄漏一般主要发生在(A)A齿轮端面间隙 B齿顶间隙C啮合齿之间 D轴封16 解决齿轮泵困油现象的最常用方法是(C)A减小压油口 B增大吸油口C开卸荷槽 D采用浮动端盖17 齿轮泵会产生困油现象的原因是(D)A排出口太小 B转速较高C齿轮端面间隙调整不当 D部分时间两对相邻齿轮同时啮合18带月牙形隔板的可逆转内啮合齿轮泵反转时(D)A吸、排方向改变,但隔板位置不动B吸、排方向不变,隔板位置不动C隔板反转过180’,吸、排方向改变D隔板反转过180’,吸、排方向不变19 齿轮泵在船上一般不用作(C)A驳油泵 B辅机滑油泵C货油泵 D 液压辅泵20 齿轮泵是齿轮端面间隙常用(D)测出A塞尺 B千分表C游标千尺 D压铅丝21 所谓密封型螺杆泵是指其(D)A.泵壳特别严密B.点击与泵壳在同一密封壳体内C.泵的容积效率相当高D.螺杆啮合线连续,能将吸、排腔完全隔开22 在①单螺杆泵:②双螺杆泵:③三螺杆泵中,属于密封型的是(B)A.①②③B. ①③C. ①②D. ②③23 三螺杆泵解决轴向液压力不平衡的方法不包括(C)A.设止推轴承 B. 采用双吸形式C. 设平衡孔或平衡管D. 设液力自动平衡装置24 径向液压力能够平衡的叶片泵有(B)A.单作用泵B. 双作用泵B.A+B D. A、B都不能25 单作用叶片泵与双作用叶片泵相比(D)A.流量较均匀 B. 适用于工作压力较高C. 径向液压力平衡D. 做成变量油泵轿容易26 叶片泵配油盘(A)开有三角形槽。
1.以下泵中属于叶轮式泵的是A.齿轮泵B. 叶片泵_D___。
C. 来去泵D.旋涡泵2.泵铭牌上一般标明 D A.容积 B. 水力效率。
C. 机械D.总3.泵铭牌上一般标明 D A.有效 B. 配套功率。
C. 水力D.轴4.从来去泵铭牌上可知道的性能参数是 C 。
A.输入轴的转速B. 额定扬程C.同意吸上真空高度D. 最大同意吸高5.从离心泵资料上一般可知道的性能参数是B。
A.有效汽蚀余量B.必要汽蚀余量C.额定排出压力D. 同意吸上几何高度提示:离心泵给出的性能参数一般是额定扬程、转速、轴功率、总效率和必要汽蚀余量。
6.泵的有效功率大小取决于A.工作扬程 B. 流量D。
C.A+B×B7.泵铭牌上标明的流量是指A.实质排送的C.额定工况的_C___流量。
B.D.可能达到的最大最低可能达到的8.泵铭牌上标明的流量往常是指A.单位时间内排送液体的重量___C__。
B.单位时间内排送液体的质量9.C.单位时间内排送液体的体积泵的扬程是指泵__D__。
A.吸上高度B.+BD. 泵轴每转排送液体的体积D. 所送液体在排口和吸口的水头排送高度差10.压头是指泵传给受单位重力(每牛顿)作用的液体的能量,其单位是C。
A.牛顿B.帕C.米D.瓦11.泵的轴功率是指 C 。
原动机的额定输出功率泵传给液体的功率C.泵轴所接受的功率D.泵排的液体实质所获得的功率12.泵的有效功率是指 D 。
原动机的额定输出功率泵传给液体的功率C.泵轴所接受的功率D.泵排出的液体实质所获得的功率13.泵的总效率是指 C 。
实质流量与理论流量之比实质扬程与理论扬程之比C.有效功率与轴功率之比D.传给液体的功率与输入功率之比14.同意吸上真空度是反应泵的A.形成吸口真空的能力C.抗汽蚀能力D C 。
B .排液高度的能力.密封完美程度15.对于泵的以下说法 D 是正确的。
泵的转速即为原动机转速泵的扬程即为泵使液体所增添的压力头泵的有效功率即泵传达给液体的功率D.泵的工作扬程即为泵的排吸口水头之差16.从泵铭牌上可直接知道的是B。
船舶辅机理论知识考试题库及答案一、单选题1 .在燃油供油单元FCM的自动控制系统中,在使用重油期间,下列说法正确的是A、.温度是变化的,黏度是不变的B、.温度是不变的,黏度是变化的、C、.温度和黏度都是不变的D、.温度和黏度都是变化的答案:D2.在ALFALAVAL公司生产的燃油共有单元FCM中,AFB是什么。
A、.黏度温度测量模块B、流量计模块C、自动滤器模块D、供油泵模块答案:C3.压缩制冷装置中制冷剂由低压变为高压是以元件为分界点。
A、电磁阀B、压缩机C、膨胀阀D、蒸发压力调节阀4.锅炉转杯式喷油器可换用不同的油杯,从而A、,改变火焰形状,适应不同形状火炉B、.改善雾化质量C、.适应不同油料D、.改善喷油量答案:A5.在燃油供油单元FCM的自动控制系统的控制器EPC~50B采用EVT~20C黏度传感器,处了黏度检测外,还有使用作为来补偿黏度测量的误差。
A、.PT1O∕温度检测B、PT1OO/温度检测C、PT1OO/零点校正D、热敏电阻/零点校正答案:B6.在燃油供油单元FCM的自动控系统中,当EPC-50B控制器操作面板上选择油泵工作模式为EPC时,其内部参数Pr=2表示.A、.1号泵运行,2号泵备用B、2号泵运行,1号泵备用C、.1号泵运行,2号泵停止D、2号泵运行,1号泵停止7.在大型油船辅锅炉的控制系统中,采用双冲水位调节器的目的是.A、.实现水位的定值控制B、实现给水压差的定值控制C、.克服蒸汽压力变化对水位的影响D、克服蒸汽流量变化对水位的影响答案:D8.E VT20黏度传感器电路板进行自检时,如果数码显示管显示8表明。
A、. 5V电源故障,电源下降到4. 65V以下B、.外部输入/输出电路测试失败C、J5V电源故障,电源下降到13VD、,软件故障答案:A9.在ALFALAVAL公司生产的燃油供油单元FCM中,控制器EPC-50B操作面板右面有四个按钮和对应的状态指示灯,上面第二个是 OA、.启动/停止按钮B、,柴油/重油转换按钮C、.过程信息按钮D、.报警复位按钮答案:B10.烟管锅炉的蒸发受热面不包括 oB、针形管C、烟管D、烟箱答案:D11.在ALFALAVAL公司生产的燃油共有单元FCM中,FTB是什么。
第1 题:喷射泵的部件中不包括________。
A.混合室
B.扩压室
C.吸入室
D.排出室
答案:D
第2 题:喷射泵中将压力能转换为速度能的元件是________。
A.喷嘴
B.吸入室
C.混合室
D.扩压室
答案:A
第3 题:喷射泵中将速度能转换为压力能的元件主要是________。
A.喷嘴
B.吸入室
C.混合室
D.扩压室
答案:D
第4 题:喷射泵中工作流体与引射流体的动量交换主要是在________中进行。
A.喷嘴
B.吸入室
C.混合室
D.扩压室
答案:C
第5 题:喷射泵中工作流体的引射作用主要是在________中完成。
A.喷嘴
B.吸入室
C.混合室
D.扩压室
答案:C
第6 题:下列泵中不采用电动机带动的是________。
A.往复泵
B.水环泵
C.喷射泵
D.旋涡泵
答案:C
第7 题:水喷射泵喷嘴的截面通常是________。
A.收缩形
B.圆柱形
C.缩放形
D.A和B
答案:D
第8 题:喷射泵的混合室通常是________。
A.圆柱形
B.收缩的圆锥形
C.扩张的圆锥形
D.A或B和A
答案:D
第9 题:喷射泵的扩压室通常是________。
A.圆柱形
B.收缩的圆锥形
C.扩张的圆锥形
D.A和C
答案:C
第10 题:关于水喷射泵的以下说法错误的是________。
A.流速最高处在喷嘴出口
B.压力最低处在喷嘴出口
C.压力最低处在混合室进口圆柱处
D.混合室进口呈圆锥形能量损失较小
答案:B
第11 题:喷射泵的性能曲线给出了________之间的关系。
A.流量-扬程
B.引射系数-扬程
C.引射系数-流量
D.引射系数-扬程比
答案:D
第12 题:喷射泵的流量比(引射系数)是指________体积流量之比。
A.工作流体与被引射流体
B.被引射流体与工作流体
C.工作流体与泵出口流体
D.泵出口流体与工作流体
答案:B
第13 题:喷射泵的喉嘴距是指喷嘴出口至________截面的距离。
A.混合室进口
B.混合室出口
C.混合室圆柱段开始处
D.引射的圆锥流束与混合室相交处
答案:A
第14 题:喷射泵的喉嘴面积比m是指________。
A.喷嘴出口面积与混合室进口截面积之比
B.混合室进口截面积与喷嘴出口面积之比
C.喷嘴出口面积与圆柱段截面积之比
D.圆柱段截面积与喷嘴出口截面积之比
答案:D
第15 题:水喷射泵效率低是因为________。
A.机械效率低
B.容积效率低
C.水力效率低
D.B和C
答案:C
第16 题:喉嘴面积比较大的喷射泵工作中最大的水力损失是________损失。
A.喷嘴
B.混合
C.混合室进口和摩擦
D.扩压
答案:B
第17 题:喉嘴面积比较小的喷射泵工作中最大的水力损失是________损失。
A.喷嘴
B.混合
C.混合室进口和摩擦
D.扩压
答案:D
第18 题:效率相对较高的水喷射泵喉嘴面积比m________。
A.较大
B.较小
C.适中
D.与效率无关
答案:C
第19 题:喉嘴面积比m大的水喷射泵________。
A.是高扬程喷射泵
B.是低扬程喷射泵
C.m与扬程无关
D.效率较高
答案:B
第20 题:喉嘴面积比m小的水喷射泵________。
A.是高扬程喷射泵
B.是低扬程喷射泵
C.m与扬程无关
D.效率较高
答案:A
第21 题:下列泵中自吸能力最强的是________。
A.螺杆泵
B.往复泵
C.齿轮泵
D.喷射泵
答案:D
第22 题:下列泵中效率最低的一般是________。
A.闭式旋涡泵
B.水环泵(排气)
C.喷射泵
D.离心泵
答案:C
第23 题:水喷射泵在船上一般不用作________。
A.应急舱底水泵
B.货舱排水泵
C.造水机排盐水泵
D.应急消防泵
答案:D
第24 题:水喷射泵常用作应急舱底水泵不是因为________。
A.自吸能力强
B.被水浸没也能工作
C.检修工作少
D.无运动件,效率高
答案:D
第25 题:关于水喷射泵的下列说法中错误的是________。
A.是自吸能力最好的泵
B.是工作噪声最低的泵
C.全部电源失效也能工作
D.被水浸没也能工作
答案:C
第26 题:喷射泵的喉嘴距过大将导致________。
A.工作水耗量增加
B.工作水耗量减小
C.引射流量过多,效率下降
D.引射流量过少,效率下降
答案:C
第27 题:喷射泵的喉嘴距过小将导致________。
A.工作水耗量增加
B.工作水耗量减小
C.引射流量过多,效率下降
D.引射流量过少,效率下降
答案:D
第28 题:喷射泵工作流体压力下降则引射流量急剧下降,是因为________。
A.扬程比降低
B.流量比降低
C.工作流体流量减少
D.B和C
答案:D
第29 题:水喷射泵在未达临界流量比之前,若其他条件不变,则________。
A.排出压力升高,则引射流量增加
B.吸入压力增加,则引射流量减少
C.工作水压增加,则引射流量增加
D.排出压力减少,则引射流量减小
答案:C
第30 题:不会使水喷射泵引射流量降低的是________。
A.工作水压降低
B.喉嘴距减小
C.排出压力降低
D.吸入液面降低
答案:C
第31 题:喷射泵使用日久后最容易磨损的是________。
A.喷嘴
B.吸入室
C.混合室
D.扩压室
答案:A
第32 题:水喷射泵工作液体或引射液体温度过高最容易在________处产生气穴现象。
A.喷嘴出口
B.吸入室进口
C.混合室喉部
D.扩压室出口
答案:C
第33 题:________不是使喷射泵工作能力降低的原因。
A.喷嘴和混合室不同心
B.喷嘴口径过度磨损
C.工作水温太高
D.工作水温太低
答案:D
第34 题:气体喷射器的喷嘴截面是________。
A.收缩形
B.扩张形
C.缩放形
D.三种都有
答案:C
第35 题:气体喷射器与液体喷射器不同的是________。
A.采用多喷嘴
B.喷嘴截面呈缩放形
C.引射系数比较小
D.引射系数比较大
答案:B
第36 题:关于水射抽气器的以下说法错误的是________。
A.质量引射系数很小
B.有设计成多喷嘴的
C.工作水温越高则抽气量和能达到的真空度越大
D.抽蒸汽比抽空气效果好
答案:C
第37 题:蒸汽喷射器的工作流体采用________。
A.湿蒸汽
B.饱和蒸汽
C.低过热度蒸汽
D.高过热度蒸汽
答案:C
第38 题:蒸汽冷凝器最常用________抽气以保持高真空。
A.水射抽气器
B.蒸汽抽气器
C.空气抽气器
D.水环泵
答案:B
第39 题:关于空气抽气器的以下说法中错误的是________。
A.可用来为离心泵引水
B.抽吸液体时不如蒸汽喷射器效率高
C.喷嘴截面呈缩放形
D.有用来为蒸汽冷凝器抽气的
答案:D
第40 题:关于蒸汽抽气器的以下说法中错误的是________。
A.常用来为离心泵引水。
B.抽吸液体时比用空气喷射器效率高。
C.喷嘴截面呈缩放形。
D.常用来为蒸汽冷凝器抽气。
答案:A
第41 题:空气喷射器在船上常用来________。
A.为造水机抽真空
B.为离心泵引水
C.为蒸汽冷凝器抽气
D.抽吸舱底水
答案:B
第42 题:B答案:B
第43 题:水射抽气器在船上常用来________。
A.为造水机抽真空
B.为离心泵引水
C.为蒸汽冷凝器抽气
D.抽吸舱底水
答案:A
第44 题:蒸汽喷射器在船上常用来________。
A.为造水机抽真空
B.为离心泵引水
C.为蒸汽冷凝器抽气
D.抽吸舱底水
答案:C。