机械制图与识图基础知识培训
- 格式:ppt
- 大小:7.98 MB
- 文档页数:2
一.零件图的作用与内容1.零件图的作用任何机械都是由许多零件组成的,制造机器就必须先制造零件。
零件图就是制造和检验零件的依据,它依据零件在机器中的位置和作用,对零件在外形、结构、尺寸、材料和技术要求等方面都提出了一定的要求。
2.零件图的内容一张完整的零件图应该包括以下内容:(1)标题栏位于图中的右下角,标题栏一般填写零件名称、材料、数量、图样的比例,代号和图样的责任人签名和单位名称等。
标题栏的方向与看图的方向应一致。
(2)一组图形用以表达零件的结构形状,可以采用视图、剖视、剖面、规定画法和简化画法等表达方法表达。
(3)必要的尺寸反映零件各部分结构的大小和相互位置关系,满足零件制造和检验的要求。
(4)技术要求给出零件的表面粗糙度、尺寸公差、形状和位置公差以及材料的热处理和表面处理等要求。
二、视图三、全剖半剖为了辅助了解物体内部结构及相关参数,有时候需要对物体进行剖切所得的视图分为全剖视图和半剖视图。
全剖视图:用剖切面完全的剖开物体所得到的剖视图称为全剖视图半剖视图:当物体具有对称平面时,向垂直于对称平面的投影面上投影所得的图形,可以对中心线为界,一半画成剖视图,另一半画成视图,称为半剖视图。
四、尺寸及其标注1、尺寸的定义:以特定单位表示线性尺寸值的数值2、尺寸的分类:1)基本尺寸通过它应用上、下偏差可计算出极限尺寸的尺寸。
2)实际尺寸通过测量获得的尺寸。
3)极限尺寸一个尺寸允许的两个极端,其中最大的一个称为最大极限尺寸;较小的一个称为最小极限尺寸。
4)尺寸偏差最大极限尺寸减其基本尺寸的所得的代数差称为上偏差;最小极限尺寸减其基本尺寸所得代数差称为下偏差。
上下偏差统称为极限偏差,偏差可正可负。
5)尺寸公差简称公差最大极限尺寸减去最小极限尺寸之差,它是允许尺寸的变动量。
尺寸公差永为正值例如:Φ20(+0.5~-0.31);其中Φ20为基本尺寸,0.81为公差。
0.5为上偏差,-0.31为下偏差。
20.5和19.69分别为最大最小极限尺寸。
机械制图基础知识培训一、培训范围主要讲述了机械制图中图纸幅面、比例、字体、图线、剖面符号、图样表达、尺寸标注、简单机械图样画法等的基本要求和规定。
二、培训目的了解机械制图中国家标准的有关规定,掌握识图中的各种注意事项,能够读懂基本的零件图、装配图,以及绘制简单的零件图。
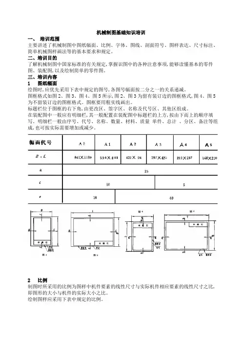
三、培训内容1 图纸幅面绘图时,应优先采用下表中规定的图号,各图号幅面按二分之一的关系递减。
图框格式如图2、图3、图4、图5所示,图2、图3为留有装订边的图框格式,图4、图5为不留装订边的图框格式。
图框要用粗实线画出。
标题栏位于图框的右下角,由更改区、签字区、名称及代号区、其他区组成。
在装配图中一般应有明细栏,其一般配置在装配图中标题栏的上方,按由下而上的顺序填写。
明细栏一般由序号、代号、名称、数量、材料、质量单件、总计、分区、备注等组成,也可按实际需要增加或减少。
2 比例制图时所采用的比例为图样中机件要素的线性尺寸与实际机件相应要素的线性尺寸之比,即图形的大小与机件的实际大小之比。
绘制图样应采用下表中规定的比例。
注意:1 绘制同一机件的各个视图应采用相同的比例,并在标题栏的比例一栏中填写。
当某个视图需要采用不同的比例时,必须另行标注。
2 当图纸中孔的直径或板的厚度等于或小于2mm以及斜度和锥度较小时,可不按比例而夸大画出。
3 画图时比列不可随意确定,应按照上表选取,尽量采用1:1的比例画图。
4 图样不论放大或缩小,图样上标注的尺寸均为机件的实际大小,而与采用的比例无关。
3 字体图样中书写的字体应做到:字体端正、笔画清楚、排列整齐、间隔均匀。
汉字应用长仿宋体书写。
字体的号数,即字体的高度单位为毫米 ,分为20、14、10、7、5、、七种。
字体的宽度约等于字体高度的三分之二。
用作指数、分数、极限偏差、注脚等的数字及字母,一般采用小一号字体。
4 图线各种图线的名称、型式、代号、宽度以及在图上的一般应用见下表。
粗实线:主要用于可见轮廓线和可见过渡线。