单面彩钢酚醛复合风管与镀锌铁皮风管的性能比较
- 格式:doc
- 大小:29.50 KB
- 文档页数:3
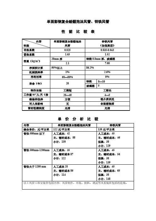
单面彩钢复合酚醛泡沫风管、锌铁风管性 能 比 较 表内容性能单面彩钢复合酚醛泡沫风管锌铁风管(加保温层)导热系数λ(w/m·k )0.0250.035-0.043蓄热系数 1.631.5220mm 厚锌铁0.8mm 厚,玻璃棉32k ,25mm 容重(kg/m 2)2.17.08净面积计算95%以上86.2%机械损耗率(造价)1% 2.6%再利用率60—80%0%锌铁8—10寿命(年)20玻璃棉5制作安装工期短工期长工作量m 2/人.天(按8小时计)20—404—5维修和保养方便视介质状况修补麻烦对人体影响无含致癌物质管材粗槽程度光滑光滑单 价 分 析 比 较内容单面彩钢复合酚醛泡沫风管锌铁风管综合单价:元/平方米122元/平方米139元/平方米管径500mm 以下人工成本:42主、辅材成本:88小计:130人工成本:45主、辅材成本:46保温:38小计:129管径500mm-1200mm人工成本:35主、辅材成本87小计:122人工成本:45主、辅材成本:56保温:38小计:139管径大于1200 mm人工成本28主、辅材成本86小计:114人工成本:45主、辅材成本:65保温:38小计:148以上风管工程安装价包括内容:风管制作、吊装、损耗、调试等风系统所包括的范围。
单面彩钢酚醛风管的性能介绍1 酚醛复合风管技术参数与传统风管相比,单面彩钢酚醛复合风管具有以下优势:(1)绝热性好可大大减少空调的散热损失酚醛泡沫闭孔率90%,导热系数为0.022-0.030W/m.K,材料导热系数小,且性能十分稳定,具有优良的隔热性能。
风管为一次加工直接复合成保温空调风管,防止因传统风管保温二次施工不当造成的冷桥。
(2)抗冲击能力强表面硬度好,可有效抵抗碰撞和冲击,避免了因交叉施工产生的破坏。
(3)防潮性能酚醛材料吸水率为3.7%,材料闭孔率高,阻湿性能好,复合铝箔后透湿率几乎为0,防潮性能好,比具有开孔结构的玻璃棉隔热材料阻湿能力强,使用寿命长。
复合保温风管与铁皮风管的比较随着空调行业的飞速发展,从而也带动了风管行业的快步前行。
从最初的铁皮风管到现如今的各类型复合风管,风管行业正在不断的更新。
以往常采用的铁皮风管,而保温层大多是玻璃纤维,含有大量致癌物质,易有冷凝水,铁皮易锈蚀,气密性差、工艺复杂、制作工序多,寿命短等不利因素也已经渐渐脱离市场。
双面压花铝箔酚醛复合风管具有无毒、保温隔热、防腐耐用、环保节能、吸音消声、避震安全、密封性好、安装方便、材质量轻、无凝结水、施工快捷。
造价经济等一系列优点,其性价比在目前市场上占有相当大的优势。
轻型复合风管系统源于铝箔酚醛风管专用板,它由铝箔和酚醛泡沫组合而成,中间层是难燃保温材料,底面层分别盖上一层铝箔。
因压花铝箔酚醛复合板的主要构造材料是硬质泡沫材质,所以风管不但重量轻,而且隔热保温功能较一般镀锌铁皮风管强。
工具全面为制作风管而特意设计,极大加快了施工进程。
简单而实用的附件系统技术确保了系统的完整性和实用性。
铝箔酚醛复合风管的优异性能基本表现在以下几个方面1. 保温节能该风管隔热效果优良,25℃时的导热系数仅0.028W(m·K)左右(有材质决定)热阻远远大于同等厚度的传统风管,节省了材料成本,极大避免了由于人工而带来的质量问题。
更有,减少了运行能量损耗,降低了暖通空调的运行费用。
2. 气密性风管一次成型,确保粘接紧密,有效保证了风管每一点温度相同,特殊的连接方式保证了系统优良的气密性,接近铁皮风管的8倍。
3.无微粒,保证身心健康该风管为双面铝箔结构,形成一层微粒阻隔屏障,有效阻止风管内粉尘为例的扩散流。
表面光滑流场,在25m/s的风速下,经测试没有发现有粉尘微粒脱落现象。
全系统非金属结构,彻底杜绝了水滴、冷桥等隐患,减少管壁微生物生长繁殖的机会。
4. 安全消防性能目前市场上大多数风管号称达到国家GB8624A级,实则不然。
双面铝箔复合风管通过国家难燃B1级认证,满足国家防火规范要求。
彩钢酚醛复合风管对比镀锌铁皮风管核心提示:镀锌铁皮风管的最内层为镀锌铁皮,外裹玻璃棉等保温材料(如采用橡塑保温材料,则防火性能大大下降),最外面再采用铝箔缠绕,这使镀锌铁皮风管的最内层为镀锌铁皮,外裹玻璃棉等保温材料(如采用橡塑保温材料,则防火性能大大下降),最外面再采用铝箔缠绕,这使得铁皮风管的自重大、施工安装费工费时、外观差、气密性低、输送过程冷/热量损失大。
与镀锌铁皮风管相比,彩钢酚醛风管具有以下优势:1、高效保温,节省能源消耗。
彩钢酚醛风管内层为享有“保温之王”称号的酚醛泡沫[2],因此其导热系数仅为0.022~0.026 W/(m·K),而铁皮风管的导热系数为0.035~0.043 W/(m·K);彩钢酚醛风管在工厂一次成型,而铁皮风管需在现场进行保温,容易形成冷桥,导致其保温效果迅速下降;彩钢酚醛风管特有的连接方式保证了通风系统具有优良的气密性,减少了冷/热空气输送过程中的泄漏。
据测算,在输送同样冷/热量时,铁皮风管的冷/热量损失为15%,而彩钢酚醛风管的冷/热量损失低于2%。
2、屏蔽粉尘,抑菌防水,保证健康环境。
彩钢酚醛风管不需现场保温,内表面复合铝箔,使气流与保温材料隔绝开来,形成严密的防粉尘屏障;铁皮风管需要在现场进行保温,施工过程中岩棉、玻纤棉会对工作人员健康造成影响。
彩钢酚醛风管的内壁涂有专用胶水,可抑制细菌在风管内孳生;铁皮风管由于冷桥的存在,容易形成冷凝水,使得风管内部容易起霉,从而对送风造成污染[3]。
3、吸声降噪,营造宁静空间。
酚醛泡沫可充分吸收气流中的各种噪声能量,而彩钢板的密度大,具有良好的隔音效果,因此彩钢酚醛风管具有类似管式消声器的消声效果。
铁皮风管由于需要在现场施工,其下料及咬口过程中可能会出现配合不匀的现象,因此在运行中将带来管道的震动及噪声。
4、自重轻,可降低建筑荷载。
彩钢酚醛风管的容重为2.98 kg/m2,而铁皮风管(0.8 mm 厚)的容重为7.08 kg/m2,因此采用彩钢酚醛泡沫就可以大大减轻建筑的结构荷载,增大建筑的安全系数,这对框架式钢结构建筑尤为有利。
单面彩钢酚醛铝箔复合风管应用比较摘要本文介绍酚醛保温泡沫材料的用于通风风管的优良特性,并分析了常见传统材料风管的不足之处;将单面彩钢酚醛复合风管在保温特性、强度特性、安全特性、加工与安装特性及综合经济性能等方面与常见传统材料风管进行全面比较分析;证明了单面彩钢酚醛复合风管的相对优越性;还说明了推广单面彩钢酚醛复合风管应用巨大的工程与经济意义。
关键词:单面彩钢酚醛风管;技术比较;经济比较在中央空调系统和通风系统中,风管材料的选材大致可分两大类:金属板和非金属板。
金属板又分为普通钢板、镀锌钢板、不锈钢板、铝板等;非金属板可分为硬聚氯乙烯、有机玻璃钢、无机玻璃钢以及近几年新崛起的复合型轻质保温风管,如酚醛、聚氨酯、聚苯乙烯、玻璃纤维等几类。
其中镀锌风管应用最为广泛。
1.酚醛泡沫材料简介随着社会的不断发展,建筑业对钢材消耗日益增加而导致原材料供应紧张,材料价格的不断上涨使得制作成本变得越来越高,因而在工程造价上所占比重将增大;并且安装后还需做保温层的施工,在保温上存在缺陷也不少。
如,铁皮风管保温层密封不干胶胶带稳定性较差且易脱落,外表面铝箔纸强度差极易破损;保温钉粘结不牢极易造成保温层脱落,冷量泄漏大且板材容易锈蚀,造成空调冷量的巨大浪费等等。
单面彩钢酚醛保温板风管是新型绿色环保材料,是目前复合风管的替代产品,又是镀锌铁皮风管的新一代进化产品,它除具有铁皮风管的刚度好、强度大的有点外,又具有复合风管的不需要二次保温、吸声降噪的性能。
风管外表面为0.2mm厚的高温烤漆彩色钢板,内表面为镀膜压花铝箔。
该材料克服了玻纤风管、酚醛风管、聚氨酯风管等铝箔风管强度弱,外壁易破损的弱点,发扬了镀锌铁皮优势,同时保温层为高密度酚醛保温板(或挤塑保温板),保留了消声、减震的优点。
彩钢酚醛复合风管采用先进的热固性树脂工艺和设备一次成型,一次成型的彩钢复合风管比二次复合彩钢复合风管的粘度高、均匀性好、使用寿命长等优点,更保证了施工工程质量。
央空调传统送风管道通常内层采用铁皮或玻璃钢,外裹保温材料,最外面用铝箔进行缠绕,这使得送风管自重大、施工安装费工费时、外观差、气密性低、能耗大。
与传统风管相比,酚醛复合风管具有以下优势:(1)绝热性好,可大大减少空调的散热损失酚醛复合风管的导热系数为0.016~0.036W/m•K,而镀锌钢板风管和玻璃钢风管的导热系数大得多。
另外,酚醛复合风管特有的连接方式保证了通风系统优良的气密性,接近镀锌钢板风管的8倍。
有资料表明,在输送同样热(冷)量时,镀锌钢板风管的散热损失为15%,玻璃钢风管的散热损失为8%,酚醛泡沫保温材料风管的散热损失低于2%。
(2)消声性好。
酚醛铝箔复合风管壁的夹层为相互贯通的多孔酚醛泡沫材料板,具有良好的消声性能。
在中央空调系统中,空调机组运行时产生的噪声在50~79dB范围,经过送风管道传递,形成室内噪声。
酚醛铝箔复合风管本身就是一个很好的管式消声器,不必再设置消声罩和消声弯头之类的消声配件。
(3)重量轻,可减轻建筑负荷,且安装方便酚醛铝箔复合风管的重量轻,大约为1.4 kg/m2,而镀锌钢板风管(0.8mm厚)和玻璃钢风管(3 mm厚)的容重分别为7.08 kg/m2和15~20 kg/m2,这就可以大大减轻建筑的负荷,且对风管的安装极为有利。
安装时只需每4 m左右设一个支架,便可有足够的支撑力。
这对支架、吊件等的承载力要求大大降低,使得运输和安装非常方便。
(4)经久耐用,使用寿命长镀锌钢板在潮湿环境中较易生锈,玻璃钢则易老化,易损坏,因此传统风管的使用寿命都不长,大约为5~10年,传统风管外包的保温层,如玻璃棉的使用寿命只有5年,而酚醛铝箔复合风管的使用寿命至少20年以上。
因此酚醛铝箔复合风管的使用寿命是传统风管使用寿命的3倍以上。
镀锌钢板风管与单面彩钢板复合风管分析由于通风空调系统的风管制作、安装施工与现场结合紧密,长期以来这项任务都是由工程施工单位完成。
但受巨大市场的吸引,许多厂家研发各种新材料风管希望涉足此行业。
近年来,市场上出现了种类繁多的复合材料风管,部分风管由于其突出特点,也在通风空调工程中得到了一定的推广。
例如:铝箔复合风管用作风管与风口的软接;玻璃钢风管在排毒系统中的应用。
但复合风管由于工艺不成熟,存在多方面技术缺陷未得到大规模推广。
镀锌钢板风管以其成熟的工艺和与现场的良好结合始终处于主导地位。
现在市场上出现了一种单面彩钢板复合风管,克服了复合风管的一些缺陷。
也得到了一定推广,但还是有部分工艺有待改善,现将镀锌钢板风管与双面彩钢板风管性能进行比较如下:综合上表可见:单面彩钢板复合风管在性能上与镀锌钢板风管相差不大,已可满足通风空调对风管的性能要求。
但工艺上仍然存在以下几点缺陷:1、板材的性能:板材采用机械统一加工,钢板厚度0.2mm左右,无法根据管径大小相应调整,且没有另外的加固措施,强度方面在应用到大管径风管上明显不足。
另外由于单层彩钢板折弯时边角不易折成90度,往往在边角有一弧度,这样彩钢和酚醛就发生分离,如接头处不严密,潮湿空气容易进入到内部,造成酚醛和彩钢板脱落。
会影响风管整体性能。
而镀锌钢板风管的钢板厚度和加固方法均可依据规范要求进行灵活调整。
2、法兰的形式:单面彩钢板风管采用PVC组合式法兰,此法兰易老化,存在接缝,影响漏风量且水易从接缝处渗入保温层。
法兰凸入风管内,加大了沿程阻力。
另外这种法兰形式无法直接与风机及机组接口,单面彩钢板风管与风口的连接也不好处理。
而镀锌钢板风管法兰为角钢法兰框,风管内壁平整,使得阻力小于双面彩钢板复合风管,与风机、机组及风口的接驳也有成熟工艺。
3、保温的形式:单面彩钢板复合风管采用夹层保温。
保温层的材质、厚度、充满程度以及胶水的环保与阻燃性能均无法直观检查。
如果保温层渗入水汽,会导致保温材料腐烂,腐烂的保温材料无法更换。
玻璃钢风管与镀锌钢板风管的性能比较玻璃钢风管与镀锌钢风管都是常用的风管,但是用途却不太一样,主要就是取决于它俩的性能不一样,有的防腐能力强,有的保温能力强,所以不同的场合选择的风管不一样,下面跟友安通风设备一起来看看玻璃钢风管与镀锌钢风管的性能有哪些区别。
1、消声性能:玻璃钢风管:无消声性能,必须加装消声器,且需要更大的空间(因消声器的外形尺寸比风管尺寸每边大出200mm)。
镀锌钢板风管:无消声性能,必须加装消声器,同玻璃钢风管一样,多占用空间。
玻璃钢风管镀锌钢板风管2、保温性能:无机玻璃钢风管:导热系数大,无保温性能,必须另外加包保温层及保温防护层,保温层特性同镀锌钢板风管。
镀锌钢板风管:导热系数大,无保温性能,需另外加包保温层。
名称/性能镀锌钢板风管玻璃钢风管导热系数7.25W/M.O C. 0.5W/M.O C.3、防火性能:无机玻璃钢风管:无机玻璃钢风管属不燃材料,但其保温材料是否燃烧要依材质而定,通常选用离心玻璃棉等不燃保温材料,而聚苯乙烯板等则不能满足要求。
镀锌钢板风管:镀锌钢板风管属不燃材料,其保温材料是否燃烧要依材质而定,通常要选用离心玻璃棉等不燃保温材料。
4、防潮性能:无机玻璃钢风管:无法与有机玻璃钢风管的防潮性能相比,受原料配比的制约,其防潮能力的稳定性较差;受市场竞争的影响,为降低成本,使目前市场上出现的无机玻璃钢风管绝大多数不能符合相关标准。
镀锌钢板风管:不适合在空气潮湿性大的环境使用、在此种环境使用易腐蚀生锈。
5、漏风量:《规范》规定:风管漏风量应根据管道长短及其气密程度,按系统风量的百分率计算。
风管漏风率宜采用10%(对于一般送排风系统)玻璃钢风管总长度50m以下时,其漏风率通常要达到8-10%,风管总长度增加时,漏风量要适当增加,当管内静压为500Pa时,风管单位面积漏风量为6m3 /h.m2 。
镀锌钢板:风管总长度50m以下时,其漏风量通常要达到8%,风管总长度增加时,漏风量要适当增加。
酚醛复合风管与镀锌铁皮风管外加保温性能及成本比较中央空调风管的作用是将冷风或热风从空调机组输送到用户需要的位置,由于风管输送的冷风或热风与环境存在着一定的温差,因此在输送过程中必然会产生热量的传递,使得输送的冷量或热量减少,从而造成了能量的损耗。
冷风或热风与环境之间热量的传递不仅与风管的导热系数相关,而且还与送风与环境的温差、空调的使用时间等具体情况相关,因此在计算风管使用过程的能耗中必须根据风管使用的具体情况进行分析。
一、风管全寿命能耗比较1.镀锌铁皮风管采用镀锌钢板加保温层的方式构成。
风管尺寸不一样,镀锌钢板的厚度也不一样,一般为0.5mm至1.5mm,而保温层厚度一般为20mm至50mm。
由此可以计算出:1㎡镀锌铁皮风管需要钢材8.58kg,橡塑泡沫保温材料2.145kg(计算中镀锌铁皮厚度取1mm;保温层采用橡塑泡沫材料,密度为65kg/m3,厚度取30mm;材料损耗系数取1.1)。
2.酚醛复合风管采用在酚醛泡沫材料表面覆盖铝箔或彩钢板的方式构成。
一般地,酚醛泡沫材料的厚度为20mm至30mm,密度为50kg/m3;铝箔采用双面覆盖的方式,铝箔厚度一般为40μm~60μm。
由此可以计算出:1㎡酚醛泡沫风管需要铝材0.297kg,酚醛泡沫保温材料1.375kg(计算中铝箔厚度取50μm;酚醛泡沫材料厚度取25mm;材料损耗系数取1.1)。
3.根据表1中数据,可以计算出:镀锌铁皮风管的含能为454.74MJ/㎡,酚醛复合风管的含能为135.96MJ/㎡(橡塑泡沫材料和酚醛泡沫材料的含能均按一般塑料的含能计算)。
即酚醛复合风管的含能只有镀锌铁皮风管的29.9%。
4.现阶段,我国每年大约需要增加中央空调风管面积1亿㎡,如果全国每年新增的1亿㎡风管全部采用采用酚醛泡沫风管,则每年大约可以减少3.1878*1010MJ的能源消耗,这约合120万吨标准煤。
如果按60吨一个火车车皮的装载量进行计算,则这些节约的标准煤可装满2万个左右的火车车皮。
镀锌铁皮风管无机玻璃钢风管复合玻纤板风管的比较之前比较全面的介绍了大川风管的玻镁风管与酚醛风管,这里我们继续以大川风管的三类风管进行全面的比较,由于其中有参数的设置,所以,产品尽量保持一致(1)大川镀锌铁皮风管的根本特色它是最早运用的风管管材之一,选用镀锌铁皮加工,合适含湿量小的通常性气体的运送,不耐腐蚀、易生锈,无保温文消声功用,有必要别的加包保温层及保温防护层,须设置消声器,制造、装置周期长、速度慢。
(2)大川无机玻璃钢风管的根本特色它是近十几年较新的风管管材,选用玻璃纤维增强无机资料制造,便是契合《中华人民共和国建材工业行业规范》JC646. 1996 的玻璃纤维氯氧镁水泥通风管道,遇火不燃、耐腐蚀,份量重,硬度大但较脆,受自重影响易变形,受质料制造影响和制约易酥裂,无保温文消声功用,有必要别的加包保温层及保温防护层,须设置消声器,制造、装置周期长、速度慢。
(3)大川复合玻纤板风管的根本特色它是近年最新的风管管材,以容重64 kg/ m3 、厚度25 mm 的离心玻纤板为基材,内复玻璃丝布,外复防潮铝箔布(进口板材为内涂热敏丙稀酸聚合物,外层为稀纹布/铝箔/牛皮纸),用专用防火粘结剂复合枯燥后,再经切开、开槽、粘结加固等工艺而制成,选用特种密封胶、压敏胶带、热敏胶带衔接密封,依据风管断面尺度、风压巨细再采纳恰当的加固办法。
具有消声、保温、防火、防潮、漏风量小、经济适用等长处,质料轻,转移吊挂简单,现场修正便利、易施工,拼装快捷,需密封的衔接点少,节约装置空间,热效高,操作安静,作业寿数长,功用价钱比最优,归纳造价低,要防止被水长时刻浸泡。
3 三种风管的功用比拟(1)消声功用镀锌铁皮风管:无消声功用,有必要加装消声器,且需求更大的空间(因消声器的外形尺度比风管尺度每边大出200 mm),且消声器要到达应有的作用,其设置方位有必定的需求,实践工程中很难做到,形成实践消声作用也难以包管。
并且在风速较高、单边长度较大又加强不敷、或与高中频风机配套时还会发生二次噪声,使得消声办法得不偿失。
复合风管与传统风管的比较0引言在中央空调系统和通风系统中,风管材料的选材大致可分为2大类:金属板和非金属板。
金属板中又以镀锌钢板用的居多,非金属板则是这几年新兴的复合型轻质保温风管,按材料分有酚醛、聚氨酯、聚苯乙烯、玻璃纤维等几类,其中酚醛和玻璃纤维使用最为广泛。
镀锌钢板风管由于这几年钢材价格的上涨,使制作成本越来越高,而且安装后还要做保温层的施工,不仅增加了成本,而且安装后还有因保温不善而造成维护费用,空调冷量的巨大浪费等等问题。
除了镀锌板材外,另一种比较常用的是无际玻璃钢风管,这种风管的主要成分是氧化镁(粉末状)、氯化镁、和玻璃纤维布按比例混合而成,氯化镁遇湿气,表明会出现返盐霜现象,时间长了会产生大量空洞,成为滋生细菌的温床。
从而影响空气的质量,对人体造成伤害。
因此,其他种类的复合风管随着科技发展就应运而生了。
而酚醛复合材料是应用最广泛,综合性能最好的一直复合风管,它有以下几个优点:1)保温、绝热性能,且防火等级可以达到国家标准不燃A级;2)洁净、环保,不会造成空气二次污染;3)制作简捷,摒弃了传统的风管施工工艺,大大缩短了施工工期;4)造型美观,经久耐用。
酚醛复合风管的主要材料是酚醛树脂,这种化学材料初中上化学实验课时候就曾制作过。
酚醛泡沫塑料的导热系数仅在0.018—0.022W/M.K之间,随着科技的发展,酚醛制作也添加了新工艺,采用了无氟发泡方法,提高了其在力学方面的性能,如抗弯、抗压等,使这种风管又有了广泛的生存空间,已经成为国内目前通风空调工程中发展最快的一种新型材料。
1复合风管与传统风管的性能指标的比较从表1和表2数据可以看出,酚醛风管的各项性能指标均优于传统的风管板材。
在性能上主要是以下几个方面:1)导热系数更低,保温性能优良。
不会出现结露现象,可以最大限度减少空的冷量损失,且安装时不需要另外再进行保温层的施工。
有资料表明,在输送同冷量时,镀锌钢板风管的散热损失为15%,玻璃钢风管的散热损失为8%,而酚醛铝箔风管的散热损失仅为2%,所以,酚醛复合风管在节能上具有优势。
央空调传统送风管道通常内层采用铁皮或玻璃钢,外裹保温材料,最外面用铝箔进行缠绕,这使得送风管自重大、施工安装费工费时、外观差、气密性低、能耗大。
与传统风管相比,酚醛复合风管具有以下优势:(1)绝热性好,可大大减少空调的散热损失酚醛复合风管的导热系数为0.016~0.036W/m•K,而镀锌钢板风管和玻璃钢风管的导热系数大得多。
另外,酚醛复合风管特有的连接方式保证了通风系统优良的气密性,接近镀锌钢板风管的8倍。
有资料表明,在输送同样热(冷)量时,镀锌钢板风管的散热损失为15%,玻璃钢风管的散热损失为8%,酚醛泡沫保温材料风管的散热损失低于2%。
(2)消声性好。
酚醛铝箔复合风管壁的夹层为相互贯通的多孔酚醛泡沫材料板,具有良好的消声性能。
在中央空调系统中,空调机组运行时产生的噪声在50~79dB范围,经过送风管道传递,形成室内噪声。
酚醛铝箔复合风管本身就是一个很好的管式消声器,不必再设置消声罩和消声弯头之类的消声配件。
(3)重量轻,可减轻建筑负荷,且安装方便酚醛铝箔复合风管的重量轻,大约为1.4 kg/m2,而镀锌钢板风管(0.8mm厚)和玻璃钢风管(3 mm厚)的容重分别为7.08 kg/m2和15~20 kg/m2,这就可以大大减轻建筑的负荷,且对风管的安装极为有利。
安装时只需每4 m左右设一个支架,便可有足够的支撑力。
这对支架、吊件等的承载力要求大大降低,使得运输和安装非常方便。
(4)经久耐用,使用寿命长镀锌钢板在潮湿环境中较易生锈,玻璃钢则易老化,易损坏,因此传统风管的使用寿命都不长,大约为5~10年,传统风管外包的保温层,如玻璃棉的使用寿命只有5年,而酚醛铝箔复合风管的使用寿命至少20年以上。
因此酚醛铝箔复合风管的使用寿命是传统风管使用寿命的3倍以上。
另外,酚醛铝箔复合风管的再利用率可达60%~80%,而传统风管几乎不能重复利用。
(5)降低层高传统的风管需要现场进行保温层施工,因此要求有一定的施工高度,这就对建筑的层高提出了额外的要求。
酚醛复合风管的缺点
1、单面彩钢酚醛复合风管,即:一面彩钢板,一面铝箔纸,内部是酚醛芯材。
风道正常运行时,内部的铝箔纸面在风压,风速的作用下易老化,铝箔纸脱落,酚醛芯材裸露在风道内,酚醛粉化会急速加快,从而吸收水分。
影响到整个风道的保温,时间一长,吸收的水分越多,会引起整体风道变形及脱落,有安全隐患。
2、单面彩钢酚醛复合风管,彩钢板与酚醛芯材的粘连,是通过胶水粘连,由于两种材质本身的性能决定,彩钢板与酚醛没有共聚性,酚醛本身就是粉末化,很容易吸收胶水的粘性,久而久之,胶水就失去原有粘连作用,彩钢板就与酚醛芯材脱离,中间形成间隙,冷空气进入,易结露,从而形成滴水,滴下的水珠会对天花板及设备产生污染和腐蚀。
3、单面彩钢酚醛复合风管在安装过程中,拼接处漏风是很常见的,风道在运行时,有风压,复合风管在风压的作用下易变形,风管与风管的拼接处,会有间裂缝,冷空气直接流出,此处极易结露。
容易造成风道最末端的供热或供冷,常常起不到应该达到供热或供冷的效果。
央空调传统送风管道通常内层采用铁皮或玻璃钢,外裹保温材料,最外面用铝箔进行缠绕,这使得送风管自重大、施工安装费工费时、外观差、气密性低、能耗大。
与传统风管相比,酚醛复合风管具有以下优势:(1)绝热性好,可大大减少空调的散热损失酚醛复合风管的导热系数为0.016~0.036W/m•K,而镀锌钢板风管和玻璃钢风管的导热系数大得多。
另外,酚醛复合风管特有的连接方式保证了通风系统优良的气密性,接近镀锌钢板风管的8倍。
有资料表明,在输送同样热(冷)量时,镀锌钢板风管的散热损失为15%,玻璃钢风管的散热损失为8%,酚醛泡沫保温材料风管的散热损失低于2%。
(2)消声性好。
酚醛铝箔复合风管壁的夹层为相互贯通的多孔酚醛泡沫材料板,具有良好的消声性能。
在中央空调系统中,空调机组运行时产生的噪声在50~79dB范围,经过送风管道传递,形成室内噪声。
酚醛铝箔复合风管本身就是一个很好的管式消声器,不必再设置消声罩和消声弯头之类的消声配件。
(3)重量轻,可减轻建筑负荷,且安装方便酚醛铝箔复合风管的重量轻,大约为1.4 kg/m2,而镀锌钢板风管(0.8mm厚)和玻璃钢风管(3 mm厚)的容重分别为7.08 kg/m2和15~20 kg/m2,这就可以大大减轻建筑的负荷,且对风管的安装极为有利。
安装时只需每4 m左右设一个支架,便可有足够的支撑力。
这对支架、吊件等的承载力要求大大降低,使得运输和安装非常方便。
(4)经久耐用,使用寿命长镀锌钢板在潮湿环境中较易生锈,玻璃钢则易老化,易损坏,因此传统风管的使用寿命都不长,大约为5~10年,传统风管外包的保温层,如玻璃棉的使用寿命只有5年,而酚醛铝箔复合风管的使用寿命至少20年以上。
因此酚醛铝箔复合风管的使用寿命是传统风管使用寿命的3倍以上。
另外,酚醛铝箔复合风管的再利用率可达60%~80%,而传统风管几乎不能重复利用。
(5)降低层高传统的风管需要现场进行保温层施工,因此要求有一定的施工高度,这就对建筑的层高提出了额外的要求。
.
镀锌铁皮风管、酚醛复合风管、玻璃钢风管优缺点对比
1、镀锌铁皮风管
优点:
风管防火不燃烧、制作方便,风管内壁光滑、阻力小、气密性好,承压强度高;钢板风管现场制作方便,承压强度高:强度较高,抗静压能力强,易搬运,受碰撞不会导致破损
缺点:
无消声性能,必须加装消声器,导热系数大,无保温性能,需另外加包保温层,不适合在空气潮湿性大的环境使用、在此种环境使用易腐蚀生锈
2、酚醛复合风管
优点:
具有环保、节能、安全、不燃、隔音、美观、清洁等多种优越性能
缺点:
复合风管在施工中的成品、半成品保护必须加强,否则稍不注意就会被弄坏了,时间长了里外的铝箔层就会自己裂开,很不好保护,突出的弊端是清洗问题
3、无机玻璃钢
优点:
遇火不燃,耐腐蚀,熔点高、耐高温,韧性与耐水性好
缺点:
降低成本使用高碱布遇卤水发生化反应,使之变为粉末物,发生塌陷、断裂。
氯化镁遇到空气和湿气,风管内外表面返盐霜。
长时间产生大量空洞(易滋生细菌),造成掉渣、塌陷,所以风管有渣屑脱落。
粉尘易被吸入呼吸道,对人体造成极大伤害。
质量重、不保温、造价高,容易酥裂,年久之后还会飘絮,对环境影响较大。