钢筋(条)
- 格式:doc
- 大小:31.00 KB
- 文档页数:1
一、钢筋送检、绑扎、焊接施工要求(一)钢筋送检要求:根据(钢筋送检规范)《钢筋混凝土热轧带肋钢筋》GBI499-1998、《钢筋混凝土热轧光圆钢筋》GB13013-91。
1、钢筋送检长度要求:550mm三根、450mm两根(分别做抗拉、冷弯、化学分析)。
2、送样要求:按钢筋进场的批号及直径分批送检,每60吨为一批,不足60吨按一批计,每批送检一组。
每批钢筋应由同一牌号、同一炉号、统一规格、同一交货状态的钢筋组成。
3、取样方法:拉伸2根,任取两根钢筋去掉端部100mm,切取长度约500mm或200+10d (32以上钢筋取长度约800mm)。
冷弯2根,任取两根钢筋切取长度约350mm或5d+150。
化学分析1根,任取一根钢筋切取中部长度约300mm-400mm。
4、每一单位工程基础和主体所使用的钢筋应分别送检(二)钢筋的搭接要求:依据《混凝土结构设计规范》钢筋连接有四种常用的连接方法:绑轧连接、焊接连接、冷压连接和螺旋连接。
依据《混凝土结构设计规范》规定:轴心受拉及小偏心受拉杆件的纵向受力钢筋不得采用绑扎搭接接头。
当受拉钢筋的直径d>25mm及受压钢筋直径d>28mm时候,不宜采用绑扎搭接接头.除个别情况(如不准出现明火)应尽量采用焊接连接,以保证质量、提高效率和节约钢材。
钢筋焊接分为压焊和熔焊两种形式。
压焊包括闪光对焊、电阻点焊和气压焊;熔焊包括电弧焊和电渣压力焊。
此外,钢筋与预埋件T形接头的焊接应采用埋弧压力焊等。
电弧焊系利用弧焊机使焊条与焊件之间产生高温电弧(焊条与焊件间的空气介质中出现强烈持久的放电现象叫电弧),使焊条和电弧燃烧范围内的焊件金属熔化,熔化的金属凝固后,便形成焊缝或焊接接头。
电弧焊应用范围广,如钢筋的接长、钢筋骨架的焊接、钢筋与钢板的焊接、装配式结构接头的焊接及其他各种钢结构的焊接等。
钢筋的搭接长度一般是指钢筋绑扎连接的搭接长度,也有是不严格的指钢筋焊接的焊缝长度。
七种建筑工程常用钢材简介及其性能标准的要求一、热轧钢筋用加热钢坯轧成的条型成品钢筋,称为热轧钢筋。
它是建筑工程中用量最大的钢材品种之一,主要用于钢筋混凝土的配筋。
热轧钢筋按表面形状分为热轧光圆钢筋和热轧带肋钢筋。
(一)热轧光圆钢筋经热轧成型,横截面通常为圆形,表面光滑的成品钢筋,称为热轧光圆钢筋(HPB)(图7.1)。
热轧光圆钢筋按屈服强度特征值分为235级、300级,其牌号由HPB和屈服强度特征值构成,分为HPB235、HPB300两个牌号。
热轧光圆钢筋的公称直径范围为6~22mm,《热轧光圆钢筋》(GB1499.1—2008)推荐的钢筋公称直径为6mm、8mm、10mm、12mm、16mm和20mm。
可按直条或盘卷交货,按定尺长度交货的直条钢筋其长度允许偏差范围为0~50mm;按盘卷交货的钢筋,每根盘条质量应不小于1000kg。
热轧光圆钢筋的屈服强度、抗拉强度、断后伸长率、最大拉力总伸长率等力学性能特征值应符合表7.5的规定。
表中各力学性能特征值,可作为交货检验的最小保证值。
按规定的弯心直径弯曲180°后,钢筋受弯部位表面不得产生裂纹。
图7.1热轧光圆钢筋表7.5热轧光圆钢筋的力学性能和工艺性能(GB1499.1─2008)(二)热轧带肋钢筋经热轧成型并自然冷却的横截面为圆形的且表面通常带有两条纵肋和沿长度方向均匀分布的横肋的钢筋,称为热轧带肋钢筋(图7.2)。
其包括普通热轧钢筋和细晶粒热轧钢筋两种。
图7.2热轧带肋钢筋热轧带肋钢筋按屈服强度特征值分为335、400、500级,其牌号由HRB和屈服强度特征值构成,分为HRB335、HRB400、HRB500三个牌号,细晶粒热轧钢筋的牌号由HRBF和屈服强度特征值构成,分为HRBF335、HRBF400、HRBF500三个牌号。
热轧带肋钢筋的公称直径范围为6~50mm,《热轧带肋钢筋》(GB1499.2—2007)推荐的钢筋公称直径为6mm、8mm、10mm、12mm、16mm、20mm、25mm、32mm、40mm和50mm。
1 范围1.0.1 本标准对于水电水利工程钢筋的材料、加工、接头、安装的有关标准做了规定。
1.0.2 本标准适用于水电水利工程中水工建筑物钢筋和锚筋的施工及质量检验。
1.0.3 本标准未规定的钢筋施工,按现行的有关国家标准或行业标准执行。
引言《水工混凝土施工规范》(SDJ207—82)对我国水电水利工程施工和保证工程质量起到了很好的指导作用。
但随着我国建筑业市场的不断发展,水电水利工程的施工大部分都已采用了招标、投标和建设监理体制,同时在水电水利工程钢筋施工中新增了许多新内容,工艺水平也有了长足的发展,并且许多相关标准也已进行了多次修订,原标准已经不能满足当前施工的要求,为了使施工标准适应新的管理体制、新施工技术、施工方法和施工工艺,对原标准进行了修订。
原《水工混凝土施工规范》(SDJ207—82)经修订后,分成了《水工混凝土施工规范》、《水电水利工程施工规范模板》和《水工混凝土钢筋施工规范》三个独立的标准。
12 引用标准下列文件中的条款通过本标准的引用而成为本标准的条款。
凡是注日期的引用文件,其随后的修改单或修订版均不适用于本标准,然而,鼓励根据本标准达成协议的各方研究是否可使用这些文件的最新版本。
凡是不注日期的引用文件,其最新版本适用于本标准。
标准所含的条文,通过在本标准中引用而成为本标准的条文。
本标准出版时,所示版本均为有效。
所有标准都会被修订,使用本标准的各方应探讨使用下列标准最新版本的可能性。
GB701 《低碳热轧圆盘条》GB1499 《钢筋混凝土用热轧带肋钢筋》GB13013 《钢筋混凝土用热轧光圆钢筋》GB13014 《钢筋混凝土用余热处理钢筋》GB13788 《冷轧带肋钢筋》DL/T5057 《水工混凝土结构设计规范》JGJ107 《钢筋机械连接通用技术规程》JGJ108 《带肋钢筋套筒挤压连接技术规程》JGJ109 《钢筋锥螺纹接头技术规程》JG/T3057 《镦粗直螺纹钢筋接头》23 总则3.0.1 为了规范施工和质量控制而制定本标准。
钢筋连接有四种常用的连接方法:绑轧连接、焊接连接、冷压连接和螺旋连接。
除个别情况(如不准出现明火)应尽量采用焊接连接,以保证质量、提高效率和节约钢材。
钢筋焊接分为压焊和熔焊两种形式。
压焊包括闪光对焊、电阻点焊和气压焊;熔焊包括电弧焊和电渣压力焊。
此外,钢筋与预埋件T形接头的焊接应采用埋弧压力焊等。
电弧焊系利用弧焊机使焊条与焊件之间产生高温电弧(焊条与焊件间的空气介质中出现强烈持久的放电现象叫电弧),使焊条和电弧燃烧范围内的焊件金属熔化,熔化的金属凝固后,便形成焊缝或焊接接头。
电弧焊应用范围广,如钢筋的接长、钢筋骨架的焊接、钢筋与钢板的焊接、装配式结构接头的焊接及其他各种钢结构的焊接等。
钢筋的搭接长度一般是指钢筋绑扎连接的搭接长度,也有是不严格的指钢筋焊接的焊缝长度.这里摘录一些绑扎连接的规定供你参考。
纵向的受拉钢筋最小搭接长度C15 C20~C25 C20C35 ≥\~C40光园钢筋HPB(I)级45d 35d 30d 25d带肋钢筋HRB(II)级55d 45d35d30dHRB400(III)级RRB400(III)级—-- 55d 40d 35d 35d注1:本表适用于纵向受拉钢筋的绑扎接头面积百分率不大于25%的情况;当绑扎接头面积百分率介于25%~50%之间时,表中数值乘以系数1.2取用;当绑扎接头面积百分率大于50%时,表中数值乘以系数1。
35取用;当最小搭接长度两根直径不同的钢筋搭接长度,以较细钢筋的直径计算;注2: 当带肋钢筋直径Φ>25 mm时,其最小搭接应按相应数值乘以系数1.1取用;对环氧树脂涂层的带肋钢筋,其最小搭接应按相应数值乘以系数1。
25取用;在混凝土凝固过程中易受扰动时(如采用滑升模板和爬升模板等方式施工),其最小搭接应按相应数值乘以系数1.1取用;对末端采用机械锚固措施的带肋钢筋,其最小搭接可按相应数值乘以系数0.7取用;当带肋钢筋混凝土保护层厚度大于搭接钢筋直径的三倍且配有箍筋时,其最小搭接可按相应数值乘以系数0.8取用;注3: 对有抗震设防要求的结构构件,其受力钢筋最小搭接长度对一、二级抗震等级应按相应数值乘以系数1。
1)公称直径范围及推荐直径钢筋的公称直径范围为6~25mm,标准推荐的钢筋公称直径为6、8、10、12、14、16、18、20、22、25、32、40、50mm;内径为5.8、7.7、9.6、11.5、13.4、15.4、17.3、19.3、21.3、24.2、31.0、38.7、48.52)带肋钢盘的表面形状(见附图)及尺寸允许偏差、带肋钢筋横肋应符合下列基本规定:横肋与钢盘轴线的夹角β不应小于45度,当该夹角不大于70度时,钢筋相对两面上横肋的方向应相反;横肋与间距l不得大于钢筋公称直径的0.7倍;横肋侧面与钢筋表面的夹角α不得小于45度;钢筋相对两面上横肋末端之间的间隙(包括纵肋宽度)总和不应大于钢筋公称周长的20%;当钢筋公称直径不大于12mm时,相对肋面积不应小于0.055;•公称直径为14mm和16mm,相对肋面积不应小于0.060;公称直径大于16mm时,相对肋面积不应小于0.065。
3)长度及允许偏差a、长度:钢筋通常按定尺长度交货,具体交货长度应在合同中注明;•钢筋以盘卷交货时,每盘应是一条钢筋,允许每批有5%•的盘数(不足两盘时可有两盘)由两条钢筋组成。
其盘重及盘径由供需双方协商规定。
b、长度允许偏差:钢筋按定尺交货时的长度允许偏差不得大于+50mm。
c、弯曲度和端部:直条钢筋的弯曲变应不影响正常使用,总弯曲度不大于钢筋总长度的40%;钢筋端部应剪切正直,局部变形应不影响使用。
4)重量允许偏差:直径6~12mm为±7%,14~20mm为±5%,22~50mm为±4%。
d-钢筋内径;α-横肋斜角;h-横肋高度;β-横肋与轴线夹角;h1-纵肋高度;θ-纵肋斜角;a-纵肋顶宽;l-横肋间距;b-横肋顶宽2.热轧光圆钢筋尺寸、外形:1). 钢筋的公称直径范围为8mm~20mm,推荐的钢筋公称直径为8、10、12、14、16、18、20mm.2). 钢筋的公称直径、横截面积列于下表:公称直径公称截面面积公称质量(mm)(mm2)(kg/m)8 50.27 0.39510 78.54 0.61712 113.1 0.88814 153.9 1.2116 201.1 1.5818 254.5 2.0020 314.2 2.473). 钢筋的直径允许偏差:A级精度+0.40mm B级精度+0.30mm C级精度+0.15mm 4). 通常长度:钢筋按直条交货时,其通常长度为3.5m~12mm,其中长度为3.5m至小于6 m 之间的钢筋不得超过每批质量的3%。
帮条焊宜采纳双面焊,当不可以进行双面焊时,可采纳单面焊。
帮条长度 l 应切合表 3-4 的规定。
当帮条钢筋级别与主筋同样时,帮条直径可与主筋同样或
小一个规格;当帮条直径与主筋同样时;帮条钢筋级别可与主筋同样或低一个级别。
钢筋帮条长度表 3-4 钢筋种类焊缝形式帮条长度 l
单面焊≥ 8d
HPB235
双面焊≥ 4d
单面焊≥ 10d HRB335及 HRB400
双面焊≥ 5d 注: d 为主筋直径( mm)。
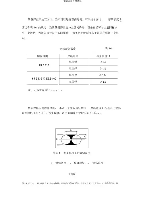
帮条焊接头的焊缝厚度,不该小于主筋直径的倍;焊缝宽度 b 不该小于主筋直径的倍(图 3-4),帮条焊时,两主筋端面的空隙应为 2~5mm。
图 3-4帮条焊接头的焊缝尺寸
b—焊缝宽度; s—焊缝厚度; d—钢筋直径
搭接焊
用于 HPB235、 HRB335 及 HRB400钢筋,焊接时宜采纳双面焊。
当不可以进行双面焊时,可采纳单面焊。
搭
接长度、焊缝厚度均与帮条长度同样。
搭接焊时,焊接端钢筋应预弯,并应使两钢筋的轴线在向来线上。
a) 帮条焊; b) 搭接焊; c )剖口焊; d )窄空隙焊; e )熔槽帮条焊
图 3-3 钢筋电弧焊的接头形式
d —钢筋直径;l —帮条长度;l '—搭接长度; c —焊缝余高。
钢筋(直条或盘条状钢材)钢筋性能1.普通热轧钢筋普通热轧钢筋按外形分为热轧光圆钢筋和热轧带肋钢筋。
(1)根据《钢筋混凝土用钢第1部分:热轧光圆钢筋》(GB 1499.1—2008)的规定,热轧光圆钢筋常用的牌号、力学性能及工艺性能见表1.1和表1.2。
(2)根据《钢筋混凝土用钢第2部分:热轧带肋钢筋》(GB 14992—2007)的规定,热轧带肋钢筋常用的牌号、力学性能及工艺性能见表1.3、表1.4、表1.5。
有较高要求的抗震结构适用牌号为:在表1.3中已有牌号后加E(例如:HRB400E、HRBF400E)的钢筋。
该类钢筋除应满足以下要求外,其他要求与相应的已有牌号钢筋相同。
①钢筋的实测抗拉强度与实测屈服强度之比不小于1.25。
②钢筋的实测屈服强度与表1.4规定的屈服强度特征值之比不大于1.3。
③钢筋的最大总伸长率不小于9%。
2.冷拉钢筋冷拉钢筋的力学性能如表1.6所示。
3.冷轧带肋钢筋冷轧带肋钢筋的力学性能如表1.7所示。
钢筋验收1 钢筋进场验收进入施工现场的钢筋必须进行质量验收,经进场质量验收合格的钢筋方可在工程中使用。
钢筋进场时施工单位应及时通知监理单位到场共同进行检查验收,并各自记录所有进场钢筋的批次、数量、种类。
验收时应检查以下内容:(1)能够代表该批待验收钢筋质量情况的产品质量证明书。
钢筋进场时,“产品质量证明书”必须随钢筋同时进场,且能代表该批钢筋质量。
钢筋包装、标志和“产品质量证明书”等应符合《型钢验收、包装、标志及质量证明书的一般规定》(GB 2101—89)等国家标准中的相关要求;否则,钢筋不得进入施工现场。
钢筋进场重量与生产厂家提供的“产品质量证明书”钢筋重量一致的,施工单位应留置“产品质量证明书”原件。
钢筋进场重量少于生产厂家提供的“产品质量证明书”钢筋重量的,施工单位应按下列要求留置“产品质量证明书”原件或复印件;否则,钢筋不得进入施工现场。
①提供“产品质量证明书”原件的,原件上必须注明进货重量、规格和时间,经办人签字后加盖经销单位公章。
钢材及其焊接件取样方法一、原材料(一) 钢筋1、取样规则(1) 热轧光圆钢筋、余热处理钢筋每批由重量不大于60t的同一牌号、同一炉罐号、同一规格、同一交货状态的钢筋组成。
(2) 热轧带肋钢筋、低碳钢热轧圆盘条每批由重量不大于60t的同一牌号、同一炉罐号、同一规格的钢筋组成。
(3) 碳素结构钢每批由重量不大于60t的同一牌号、同一炉罐号、同一等级、同一品种、同一尺寸、同一交货状态的钢筋组成。
(4) 冷轧带肋钢筋每批由同一牌号、同一外形、同一规格、同一生产工艺和同一交货状态的钢筋组成,每批不大于60t。
2、取样数量钢筋的试样数量根据其供货形式的不同而不同。
(1) 直条钢筋:每批直条钢筋应做2个拉伸试验、2个弯曲试验。
用《碳素结构钢》(CB/T700-1988)验收的直条钢筋每批应做1个拉伸试验、1个弯曲试验。
(2) 盘条钢筋:每批盘条钢筋应做1个拉伸试验、2个弯曲试验。
(3) 冷轧带肋钢筋:逐盘或逐捆做1个拉伸试验,牌号CRB550每批做2个弯曲试验,牌号CRB650及其以上每批做2个反复弯曲试验。
3、取样方法拉伸和弯曲试验的试样可在每批材料中任选两根钢筋切取。
钢筋试样不需作任何加工。
(二) 型钢1、样坯的切取根据中华人民共和国国家标准《钢及钢产品力学性能试验取样位置及试样制备》(GB/T2975-1998)的要求:样坯应在外观尺寸合格的钢产品上切取。
取样时,应对抽样产品、试料、样坯和试样作出标记,以保证始终能识别取样的位置及方向。
取样时,就防止过热、加工硬化而影响力学性能。
用烧割法切取样坯时,从样坯切割线至试样边缘必须留有加工余量,一般应不小于钢产品的厚度或直径,但不得小于20mm。
冷剪样坯所留的加工余量,按表1选取。
表1 冷剪样坯加工余量2、试样的制备制备试样应避免由于机加工使钢表面产生硬化及过热而改变其力学性能,机加工最终工序应使试样的表面质量、形状和尺寸满足相应试验方法标准的要求。
当要求标准状态热处理时,应保证试样的热处理制度与样坯相同。
钢筋连接方式及钢筋施工质量通病37条一、钢筋连接方式钢筋直螺纹接头在同一连接区段内有接头的受力钢筋截面面积占受力钢筋总截面面积的百分率(以下简称接头百分率),应符合下列规定:1、接头宜设置在结构构件受拉钢筋应力较小部位,当需要在高应力部位设置接头时,在同一连接区段内Ⅲ级接头的接头百分率不应大于25%;Ⅱ级接头的接头百分率不应大于50%;Ⅰ级接头的接头百分率可不受限制。
2、接头宜避开有抗震设防要求的框架的梁端、柱端箍筋加密区;当无法避开时,应采用Ⅰ级接头或Ⅱ级接头,且接头百分率不应大于50%。
3、受拉钢筋应力较小部位或纵向受压钢筋,接头百分率可不受限制4、对直接承受动力荷载的结构构件,接头百分率不应大于50%。
5、接头连接件的屈服承载力和受拉承载力的标准值不应小于被连接钢筋的屈服承载力和受拉承载力标准值得(1.10)倍。
6、钢筋机械连接的连接区段长度按35d计算7、钢筋直螺纹加工应符合下列规定:钢筋端部应切平或镦平后加再工螺纹,墩粗头不得有与钢筋轴线相垂直的横向裂纹;8、钢筋丝头长度应满足企业标准中产品设计要求,公差应为0~2.0p(p为螺距):钢筋丝头宜满足6f级精度要求,应用专用直螺纹量规检验,通规能顺利旋入并达到要求的拧入长度,止规旋入不得超过3p。
抽检数量10%,检验合格率不应小于95%。
9、安装接头时可用管钳扳手拧紧,应使钢筋丝头在套筒中央位置相互顶紧。
标准型接头安装后的外露螺纹不宜超过2p。
10、直螺纹接头安装时的最小拧紧扭矩值11、钢筋机械连接接头的现场检验应按验收批进行。
同一施工条件下采用同一批材料的同等级、同形式、同规格接头,应以(500)个为一个验收批进行检验与验收,不足(500)个也应作为一个验收批12、对接头的每一验收批,必须在工程结构中随机截取3个接头试件作抗拉强度试验,按设计要求的接头等级进行评定。
如有1个试件的抗拉强度不符合要求,应再取(6)个试件进行复检。
复检中如仍有1个试件的抗拉强度不符合要求,则该验收批应评为不合格13、现场检验连续10个验收批抽样试件抗拉强度试验一次合格率为100%时,验收批接头数量可扩大(1)倍现场截取抽样试件后,原接头位置的钢筋允许采用同等规格的钢筋进行搭接连接,或采用焊接及机械连接方法补接对抽检不合格的接头验收批,应由建设方会同设计等有关方面研究后提出处理方案14、钢筋端部不得有影响螺纹加工局部弯曲;钢筋丝头长度应满足设计要求,使拧紧后的钢筋丝头不得相互接触,丝头加工长度公差应为—0.5p~1.5p;钢筋丝头的锥度和螺距应使用专用锥螺纹量规检验;抽检数量10%,检验合格率不应小于95%。
钢材主要是5种类型:建材、板材、管材、型材和原材料。
建材又分为两种:螺纹钢、线材1.定义:热轧带肋钢筋的牌号由HRB和牌号的屈服点的最小值构成。
2.分类:钢筋混凝土用钢筋按外形分为:光圆钢筋和变形钢筋,按交货状态分为:直条和盘圆。
光圆钢筋实际上就是普通低碳钢的小圆钢和盘钢。
变形钢筋是表面带肋的钢筋,带有两道纵肋和沿长度方向分布的横肋,横肋的形状有人字形,月牙形,螺旋形。
3.规格:8.10.12.14.16.18.20.22.25.28.32.36.40.50mm4.含钒新三级螺纹钢的优点:经济,强度高、韧性好,易焊接,抗震,施工方便。
5.交货定尺:9米和12米定尺。
二、线材圆钢1.定义:截面呈圆形的实心长条钢铁。
2.分类:热轧,锻制,冷拉3.规格:10.12.14.16.18.20.22.25.28.30.32.34.35.36.38.40.42mm4.钢种:Q215,Q235线材1.定义:直径5-10mm的热轧圆钢和10mm以内的螺纹钢统称为线材。
2.分类:普通低碳钢轧盘条,电焊盘条,爆破线用盘条,调制螺纹盘条,优质盘条。
3.用途:钢筋混凝土的配筋和焊接构件或再加工原料,螺栓,螺钉等。
普线1.定义:普通低碳钢热轧圆盘条2.规格:普线的规格:6.5mm,8mm,10mm 盘螺:6mm,8mm,10mm3.普线与高线的区别:高线是采用高速线材轧机进行轧制,生产节奏快,速度在80-160米/秒,盘重大,包装比较紧匝,漂亮,表面光洁度好,一捆线材只有一个接头,一捆线材是整的没有断开。
普线在普通轧机上轧制,速度在20-60米/秒,一捆线材有4-6个接头,包装较松,凌乱。
优质线材1.定义:优质碳素结构钢热轧盘条。
2.规格:08f、10、35mn、50mn、65、75mn钢绞线1.材质:SWRS82B2.分类:镀锌钢绞线,预应力钢绞线3.用途:镀锌钢绞线主要能用于承力索,拉线,加强芯等。
预应力钢绞线主要用于铁路轨枕,高速公路,桥梁,城市立交等。
钢筋重量表一览篇一:钢筋理论重量表1、钢筋:2、低碳钢钢材圆盘条:3、常用材料密度:4、常用材料土壤湿度:指单位容积内物体的重量,常用于工程上指一立方的重量5、常用钢丝5、预应力混凝土用钢绞线:采用相应牌号的密度.6、热轧圆钢:篇二:钢筋重量表中-钢筋符号大辞典2021钢筋重量表一览钢筋符号大全钢筋就是指钢筋混凝土用和预应力钢筋混凝土用钢材,其横截面为圆形,有时为具有圆角的方形。
包含光圆钢筋、拎肋钢筋、改变钢筋。
钢筋种类很多,通常按化学成分、生产工艺、合金钢外形、供应形式、直径大小,以及在结构中的用途展开分类。
建筑材料研报表明:钢筋混凝土用钢筋就是指钢筋混凝土分体式筋用的直条或盘条状钢材,其外形分成光圆钢筋和变形钢筋两种。
钢筋在混凝土中主要忍受扎形变。
变形钢筋由于肋的促进作用,和混凝土存有很大的导电能力,因而能够更好地忍受外力的促进作用。
钢筋广为用作各种建筑结构、特别就是大型、重型、轻型薄壁和高层建筑结构。
下面去看一看钢筋重量表中。
2021钢筋重量表一览钢筋符号大全钢材理论重量排序钢材理论重量计算的计量单位为公斤(kg)。
其基本公式为:w(重量,kg)=f(割断面积mm2)×l(长度,m)×ρ(密度,g/cm3)×1/1000各种钢材理论重量计算公式如下:名称(单位)计算公式符号意义计算举例圆钢盘条(kg/m)w=0.006165×d×dd=直径mm直径100mm的圆钢,求每m重量。
每m重量=0.006165×1002=61.65kg螺纹钢(kg/m) w=0.00617×d×dd=断面直径mm断面直径为12mm的螺纹钢,谋每m重量。
每m重量=0.00617×122=0.89kg方钢(kg/m) w=0.00785×a×aa=边阔mm边宽20mm的方钢,求每m重量。
每m重量=0.00785×202=3.14kg扁钢(kg/m)w=0.00785×b×db=边宽mmd=薄mm边宽40mm,厚5mm的扁钢,求每m重量。
钢筋实验取样长度标准(一)热轧钢筋1、组批规则以同一牌号、同一炉罐号、同一规格、同一交货状态,不超过60 吨为一批。
2、取样方法拉伸检验:任选两根钢筋切取。
两个试样,试样长500mm 。
冷弯检验:任选两根钢筋切取两个试样,试长度按下式计算:L=1.55*(a+d)+140mm式中: L—试样长度a—钢筋公称直径d—弯曲试验的弯心直径;按下表取用钢筋牌号 (强度等级 )HPB235( Ⅰ级 )HRB335HRB400HRB500公称直径 (mm)8 ~ 206 ~2528 ~506 ~2528 ~506 ~ 2528~ 50弯心直径 d1a3a4a4a5a6a7a在切取试样时,应将钢筋端头的 500mm 去掉后再切取。
(二) 低碳钢热轧圆盘条1、组批规则以同一牌号、同一炉罐号、同一品种、同一尺寸、同一交货状态,不超过60 吨为一批。
2、取样方法:拉伸检验:任选一盘,从该盘的任一端切取一个试样,试样长500mm 。
弯曲检验:任选两盘,从每盘的任一端各切取一个试样,试样长200mm 。
在切取试样时,应将端头的 500mm 去掉后再切取。
(三) 冷拔低碳钢丝1、组批规则甲级钢丝逐盘检验。
乙级钢丝以同直径 5 吨为一批任选三盘检验。
2、取样方法从每盘上任一端截去不少于 500mm 后,再取两个试样一个拉伸,一个反复弯曲,拉伸试样长 500mm ,反复弯曲试样长 200mm 。
(四) 冷轧带肋钢筋1、冷轧带肋钢筋的力学性能和工艺性能应逐盘检验,从每盘任一端截去 500mm 以后,取两个试样,拉伸试样长 500mm ,冷弯试样长 200mm 。
2、对成捆供应的 550 级冷轧带肋钢筋应逐捆检验。
从每捆中同一根钢筋上截取二个试样,其中,拉伸试样长 500mm ,冷弯试样长 250mm 。
如果,检验结果有一项达不到标准规定。
应从该捆钢筋中取双倍试样进行复验。
(五)钢筋焊接接头的取样A、取样规定 [ 根据《钢筋焊接及验收规程》(JGJ18-2003)]1、钢筋闪光对焊接头取样规定a 在同一台班内,由同一焊工完成的 300 个同牌号、同直径钢筋焊接接头应作为一批。
关于钢筋检测得补充规定国家标准《混凝土结构工程施工质量验收规范》GB/T 50204-200局部修订条文已于2011年8月1日开始实施。
根据标准修改条文及相应说明,现对钢筋委托检测事项特做补充规定如下:一、有抗震要求得钢筋得检验检测委托单上一定要注明相应得抗震要求,否则按普通钢筋进行检测。
检查数量:按进场得批次与产品得抽样检验方案确定。
检测参数:屈服强度、抗拉强度、最大力下总伸长率、重量偏差。
样品要求:直径25mm及25mm以下得钢筋,取6根580mm~600mm、9根550mm左右(至少520mm)得钢筋;直径25mm~32mm得钢筋,取6根650mm~670mm、9根550mm左右(至少520mm)得钢筋。
取样切割钢筋时,必须保证钢筋两端切口平整并与钢筋轴线垂直,以免影响重量偏差得检测。
(详见附件)二、调直钢筋得检验盘卷钢筋与直条钢筋调直后检验时,在检测委托单上须写明“调直钢筋”。
(详见附件)三、其她钢筋检测委托单得填写、送检数量等维持不变。
附件:《混凝土结构工程施工质量验收规范》局部修订得条文及条文说明如有问题,请咨询:1、收样室:62847111-8058,628426842、总师办:62847111-80513、检测室:62847111-8031上海同纳建设工程质量检测有限公司二0一一年七月二十九日关于发布国家标准《混凝土结构工程施工质量验收规范》局部修订得公告第849号现批准《混凝土结构工程施工质量验收规范》GB50204-2002局部修订得条文,自2011年8月1日起实施。
其中,第5.2.1、第5、2、2条为强制性条文,必须严格执行。
经此次修改得原条文同时废止。
中华人民共与国住房与城乡建设部2010年12月20日国家标准《混凝土结构工程施工质量验收规范》局部修订得条文及条文说明5、2原材料主控项目5.2.1钢筋进场时,应按国家现行相关标准得规定抽取试件作力学性能与重量偏差检验,检验结果必须符合有关标准得规定。
5.3.5 受力钢筋的弯折应符合下列规定:1 光圆钢筋末端应作180°弯钩,弯钩的弯后平直部分长度不应小于钢筋直径的3 倍。
作受压钢筋使用时,光圆钢筋末端可不作弯钩;2 光圆钢筋的弯弧内直径不应小于钢筋直径的2.5 倍;3 335MPa 级、400MPa 级带肋钢筋的弯弧内直径不应小于钢筋直径的5 倍;4 直径为28mm 以下的500MPa 级带肋钢筋的弯弧内直径不应小于钢筋直径的6 倍,直径为28mm 及以上的500MPa 级带肋钢筋的弯弧内直径不应小于钢筋直径的7 倍;5 框架结构的顶层端节点,对梁上部纵向钢筋、柱外侧纵向钢筋在节点角部弯折处,当钢筋直径为28mm 以下时,弯弧内直径不宜小于钢筋直径的12 倍,钢筋直径为28mm 及以上时,弯弧内直径不宜小于钢筋直径的16 倍;6 箍筋弯折处的弯弧内直径尚不应小于纵向受力钢筋直径。
5.3.6 除焊接封闭箍筋外,箍筋、拉筋的末端应按设计要求作弯钩。
当设计无具体要求时,应符合下列规定:1 箍筋、拉筋弯钩的弯弧内直径应符合本规范第5.3.5 条的规定;2 对一般结构构件,箍筋弯钩的弯折角度不应小于90°,弯折后平直部分长度不应小于箍筋直径的5 倍;对有抗震设防及设计有专门要求的结构构件,箍筋弯钩的弯折角度不应小于135°,弯折后平直部分长度不应小于箍筋直径的10 倍和75mm 的较大值;3 圆柱箍筋的搭接长度不应小于钢筋的锚固长度,两末端均应作135°弯88钩,弯折后平直部分长度对一般结构构件不应小于箍筋直径的5 倍,对有抗震设防要求的结构构件不应小于箍筋直径的10 倍;4 拉筋两端弯钩的弯折角度均不应小于135°,弯折后平直部分长度不应小于拉筋直径的10 倍。
5.3.7 焊接封闭箍筋宜采用闪光对焊,也可采用气压焊或单面搭接焊,并宜采用专用设备进行焊接。
焊接封闭箍筋下料长度和端头加工应按不同焊接工艺确定。
之樊仲川亿创作钢筋连接有四种经常使用的连接方法:绑轧连接、焊接连接、冷压连接和螺旋连接。
除个别情况(如禁绝出现明火)应尽量采取焊接连接,以包管质量、提高效率和节约钢材。
钢筋焊接分为压焊和熔焊两种形式。
压焊包含闪光对焊、电阻点焊和气压焊;熔焊包含电弧焊和电渣压力焊。
此外,钢筋与预埋件T形接头的焊接应采取埋弧压力焊等。
电弧焊系利用弧焊机使焊条与焊件之间发生高温电弧(焊条与焊件间的空气介质中出现强烈持久的放电现象叫电弧),使焊条和电弧燃烧范围内的焊件金属熔化,熔化的金属凝固后,便形成焊缝或焊接接头。
电弧焊应用范围广,如钢筋的接长、钢筋骨架的焊接、钢筋与钢板的焊接、装配式结构接头的焊接及其他各种钢结构的焊接等。
钢筋的搭接长度一般是指钢筋绑扎连接的搭接长度,也有是不严格的指钢筋焊接的焊缝长度。
这里摘录一些绑扎连接的规定供你参考。
纵向的受拉钢筋最小搭接长度C15 C20~C25 C20C35 ≥\~C40光园钢筋 HPB(I)级 45d 35d 30d 25d带肋钢筋 HRB(II)级 55d 45d35d30dHRB400(III)级RRB400(III)级 --- 55d 40d 35d 35d注1:本表适用于纵向受拉钢筋的绑扎接头面积百分率不大于25%的情况;当绑扎接头面积百分率介于25%~50%之间时,表中数值乘以系数1.2取用;当绑扎接头面积百分率大于50%时,表中数值乘以系数1.35取用;当最小搭接长度两根直径分歧的钢筋搭接长度,以较细钢筋的直径计算;注2:当带肋钢筋直径Φ>25 mm时,其最小搭接应按相应数值乘以系数1.1取用;对环氧树脂涂层的带肋钢筋,其最小搭接应按相应数值乘以系数1.25取用;在混凝土凝固过程中易受扰动时(如采取滑升模板和爬升模板等方式施工),其最小搭接应按相应数值乘以系数1.1取用;对末端采取机械锚固措施的带肋钢筋,其最小搭接可按相应数值乘以系数0.7取用;当带肋钢筋混凝土呵护层厚度大于搭接钢筋直径的三倍且配有箍筋时,其最小搭接可按相应数值乘以系数0.8取用;注3:对有抗震设防要求的结构构件,其受力钢筋最小搭接长度对一、二级抗震等级应按相应数值乘以系数1.15取用,对三级抗震等级应按相应数值乘以系数1.05取用,对四级抗震等级的结构构件不作调整;在任何情况下受拉钢筋的最小搭接长度不该小于300mm。
1.石料的要求:石料应符合设计规定的类别和设计强度:⑴抗冻性指标系指材料在含水饱和状态下经-15℃的冻结与融化的循环次数.试验后的材料应无明显损伤(裂缝,脱层),其强度不低于试验前的0.75倍.⑵片石:厚度不应小于150mm ⑶块石:厚度200-300mm,宽度约为厚度的 1.0-1.5倍,长度约为厚度的1.5-3.0倍.
2.石料的力学性能试验方法: 石料的单轴抗压强度试验:试样:石料试验,采用立方体试件,边长为70mm ±2mm,每组试件6个.试验步骤:对试件编号,用卡尺量取试件尺寸,计算其承压面积.试件的含水状态可根据需要选择烘干状态,天然状态,饱和状态.试件强制饱和:①煮沸法饱和试件:煮沸6h 以上,静置2h.②真空抽气法饱和试件:不少于4h.⑶按岩石强度性质,选定合适的压力机.以0.5-1.0MPa/s 的速率进行加荷直至破坏,记录破坏荷载及加载过程中出现的现象.抗压试件试验的最大荷载记录以N 为单位,精度1%.岩石抗压强度计算公式: )12...6,...2,1(i i i A P R =;Kp=Rw/Rd
3.石料抗冻性试验:冻融次数规定:在严寒地区(最冷月的平均气温低于-15℃)为25次,在寒冷地区(最冷月的月平均气温低于-15℃---5℃)为15次.
4.混凝土试件形状及数量选取:抗压强度:标准试件立方体150×150×150;轴芯抗压强度:棱柱体150×150×300,圆柱体∮150×300;劈裂抗拉强度:圆柱体∮150×300;立方体150×150×150;抗折强度:棱柱体150×150×550.
5.钢材:按其分类可分为型材,棒材(或线材)
和异型材(特种型材)等三类.线材主要包括钢筋,预应力钢筋,高强钢丝和钢绞线等. 6.钢材的主要力学性能:⑴强度:是钢材力
学性能的主要指标,包括屈服强度和抗拉强度.①屈服强度也称屈服极限,它是钢材开始丧失对变形的抵抗能力,并开始产生大量塑性变形时所对应的应力.中碳钢和高碳钢
没有明显的屈服点,通常以残余变形0.2%的应力作为屈服强度.极限强度(抗拉强度)是钢材所能承受的最大拉应力.即当拉应力达
到强度极限时,钢材完全丧失了对变形的抵抗能力而断裂.屈服比:是屈服强度与抗拉强度的比值,屈服比越小,结构可靠性越高,但钢材的利用率降低.⑵塑性:是钢材在受力破坏前可以经受永久变形的性能,用伸长率表示.伸长率是钢材受拉发生断裂时所能承受的永久变形能力.试件拉断后标准长度的增量与原标准长度之比的百分率即伸长率.⑶冷弯性能:是钢材在常温条件下承受规定弯曲程度的弯曲变形能力,并可在弯曲中显示钢材缺陷的一种工艺性能,规定试件在规定的弯曲角度,弯心直径及反复弯曲次数后,试件弯曲处不产生裂纹,断裂和起层等现象时,即认为合格. 光圆钢筋:强度等级R235屈服点235,抗拉强度370,带肋钢筋HRB335(400,500)屈服强度335(400,500),抗拉强度490(570,630). 7.钢筋的力学性能检测:⑴组批规则:每批应由同一牌号,同一外形,同一规格,同一生产工艺和同一交货状态的钢筋组成,每批不大于60t.⑵取样数量:热轧带肋钢筋(热轧光圆,低碳热轧圆盘条,冷扎带肋筋);拉伸试验两根(两根,两根,逐盘一个);弯曲试验两根(两根,两根,每批两个),反复弯曲试验一根(无,无,两根),取两个试验的(低碳钢热轧圆盘条冷弯试件出外),均应从任意两
根(两盘)中分别切取,每根钢筋上切取一个拉伸试件,一个冷弯试件.低碳钢热轧圆盘条,冷弯试件应取自同盘的两端;试件切取时应在钢筋或盘条的任意一端截去500mm 后切取.试件截取长度为:拉伸试件:L ≥10d+200mm,弯曲试件:L ≥5d+150mm.试验步骤:在试件上画标距,估算试验所需最大力.调试试验机,选择合适的量程.试件破坏荷载必须大于试验机全量程的20%且小于试验机全量程的80%,试验机的测量精度为±1%;测量屈服强度和抗拉强度.钢筋拉伸试验在试验机上进行时,当侧力度盘的指针停止转动后恒定负载或第一次回转的最小负荷即
为所求屈服点的荷载. 屈服强度0
A Fs s =δ(MPa). 中碳钢和高碳钢没有明显的屈服点,采用分级加荷,求出弹性直线段相应于小等级负荷平均伸长增量,由此计算出偏离直线段后各
级负荷的弹性伸长.从总伸长中减去弹性伸长即为残余伸长.通常以残余伸长0.2%的应力作为屈服强度, 表示为02.02.0A F =δ. 抗拉强度是向试件连续加荷直至拉断,由侧力度盘或拉伸曲线上读出最大负荷F b,抗拉 强度以MPa 表达:0A F b b =δ. 伸长率测量:工程中钢材塑性指标通常伸长率和断面收缩表示,当试件拉断后标距长度的增量与原标距长度之比的百分率. %100001⨯-=L L L n δ. 冷弯性能试验:冷弯是评定钢材塑性和工艺性能的重要依据,用以检验钢材在常温下承受规定弯曲程度的弯曲变形的能力,弯曲试验可在配备弯曲装置的压力机或万能试验机上进行.试验时将试样放在满足条件以上的设备上缓慢加力,弯曲至规定的弯曲角度.弯曲试验是将试样从起始位置向右(左)弯曲90o 后返回至起始位置.作为第一次弯曲,再由起始位置向左(右)弯曲90度,试样返回起始位置,作为第二次弯曲,依次连续,反复弯曲,折断的最后一次弯曲不计. 8.屈服强度,抗拉强度和伸长率评定:均应符合相应标准中规定的指标.在作拉力检验的两根试验中,如一根试件的屈服强度,抗拉强度,伸长率三个指标中有一个指标不符合标准时,即为拉力试验不合格,应取双倍试件重新测定;在第二次拉力试验中,指标
不合格,则为不合格品.试验中出现下列之一情况,试验结果无效:1.试件断在标距外(伸长率无效)2.操作不当,影响试验结果3.试验记录有误或设备发生故障. 9.冷弯试验评定:冷弯试验后,弯曲外侧表面无裂纹,断裂或起层,几判为合格.做冷弯的两根试件中,如有一根试件不合格,可取双倍数量试件重新做冷弯试验,第二次冷弯试验中,如仍有一根不合格,即判断为不合格品.弯曲表面金属体上出现的开裂,其长度大于2mm,小于等于5mm,宽度大于0.2mm,小于0.5mm 时称裂纹.。