入户门质量检验批
- 格式:doc
- 大小:46.00 KB
- 文档页数:4
1.13入户门、钢制防火门1.13.1适用部位适用于钢门窗、铝合金门窗、涂色镀锌钢板门窗等金属门窗安装工程的质量验收。
1.13.2工艺流程弹线找规矩→门洞口检查→安装连接件检查→钢制门外观检查→钢制门及框安装→门框四周嵌缝收口→安装五金配件→安装验收→临时成品保护措施→交付前清理1.13.3 分项验收规范1.13.3.1依据:《建筑装饰装修工程质量验收规范(GB50210-2001)》1.13.3.2主控项目1)金属门窗的品种、类型、规格、尺寸、性能、开启方向、安装位置、连接方式及铝合金门窗的型材壁厚应符合设计要求。
金属门窗的防腐处理及填嵌、密封处理应符合设计要求。
检验方法:观察;尺量检查;检查产品合格证书、性能检测报告、进场验收记录和复验报告;检查隐蔽工程验收记录。
2)金属门窗框和副框的安装必须牢固。
预埋件的数量、位置、埋设方式、与框的连接方式必须符合设计要求。
检验方法:手扳检查;检查隐蔽工程验收记录。
3)金属门窗扇必须安装牢固,并应开关灵活、关闭严密,无倒翘。
推拉门窗扇必须有防脱落措施。
检验方法:观察;开启和关闭检查;手扳检查。
4)金属门窗配件的型号、规格、数量应符合设计要求,安装应牢固,位置应正确,功能应满足使用要求。
检验方法:观察;开启和关闭检查;手扳检查。
1.13.3.3一般项目1)金属门窗表面应洁净、平整、光滑、色泽一致,无锈蚀。
大面应无划痕、碰伤。
漆膜或保护层应连续。
检验方法:观察。
2)铝合金门窗推拉门窗扇开关力应不大于100N。
检验方法:用弹簧秤检查。
3)金属门窗框与墙体之间的缝隙应填嵌饱满,并采用密封胶密封。
密封胶表面应光滑、顺直,无裂纹。
检验方法:观察;轻敲门窗框检查;检查隐蔽工程验收记录。
4)金属门窗扇的橡胶密封条或毛毡密封条应安装完好,不得脱槽。
检验方法:观察;开启和关闭检查。
5)有排水孔的金属门窗,排水孔应畅通,位置和数量应符合设计要求。
检验方法:观察。
6)钢门窗安装的留缝限值、允许偏差和检验方法应符合表2.11的规定。
门窗的检验批划分1.同一品种、类型和规格的木门窗、金属门窗、塑料门窗及门窗玻璃门100樘应划分为一个检验批,不足100樘也应划分为一个检验批。
2.木门窗、金属门窗。
塑料门窗及门窗玻璃,每个检验批应至少抽查5%,并不得少于3樘,不足3樘时应全书检查;高层建筑的外窗,每个检验批应至少抽查10%,并不得少于6樘,不足6樘时应全书检查。
3.同一品种、类型和规格的特种门每50樘应划分为一个检验批,不足50樘也应划分为一个检验批。
4.特种门每个检验批应至少抽查50%,并不得少于10樘,不足10樘时应全数检查。
饰面板的检验批的划分和抽检数量1.相同材料、工艺和施工条件的室内饰面板(砖)工程每50间(大面积房间和走廊按施工面积30㎡为一个)应划分为一个检验批,不足50件也应划分为一个检验批。
2.相同材料、工艺和施工条件的室外饰面板(砖)工程每500~1000㎡应划分为一个检验批,不足500㎡也应划分为一个检验批。
3.室内每个检验批应至少抽查10%,并不得少于3间;不足3间时应全数检查。
4.室外每个检验批每100㎡应至少抽查一处,没处不得小于10㎡吊顶的检验批的划分与检查数量1.同一品种的吊顶工程每50间(大面积房间和走廊按吊顶面积30㎡为一间)应划分为一个检验批,不足50间也应划分为一个检验批。
2.每个检验批应至少抽查10%,并不得少于3间;不足3间时应全数检查。
地下室卷材防水(一)、地板防水层施工1.检查基层的含水率不得大于9%,将表面清洁干净,有灰渣铲掉,达到表面清洁、平整、不空鼓、不起沙并且所有阴阳角均抹成钝角或圆角。
2.涂刷基层处理剂;经搅拌均匀后用滚刷均匀涂布在干净干燥的基层上,经干燥后方可进行下到工序施工。
3.附加层的施工;待基层处理剂干燥后,在转角处铺贴一道附加层。
4.地板卷材铺设前应根据基坑尺寸确定卷材铺设的位置,并拉线找好方正,先铺一趟卷材,其后卷材根据第一趟卷材位置搭设铺设。
电梯坑铺设应根据实际尺寸进行剪裁。
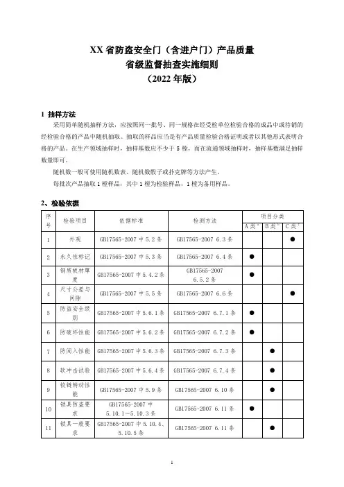
XX省防盗安全门(含进户门)产品质量省级监督抽查实施细则(2022年版)1 抽样方法采用简单随机抽样方法,应按照同一批号、同一规格在经受检单位检验合格的成品中或待销的经检验合格的产品中随机抽取。
抽取的样品应当是有产品质量检验合格证明或者以其他形式表明合格的产品。
在生产领域抽样时,抽样基数应不少于5樘,而在流通领域抽样时,抽样基数满足抽样数量即可。
随机数一般可使用随机数表、随机数骰子或扑克牌等方法产生。
每批次产品抽取1樘样品,其中1樘为检验样品,1樘为备用样品。
2、检验依据3 判定规则3.1依据标准GB17565-2007 防盗安全门通用技术条件相关的法律法规、部门规章和规范经标准公示平台公示的现行有效的企业标准及产品明示质量要求3.2判定原则3.2.1单项判定执行国家标准的产品判定原则如下:永久性标记、钢质板材厚度、防破坏性能、锁具防盗要求属于A类不合格项目;软冲击试验、悬端吊重性能、撞击障碍物试验、铰链转动性能、锁具一般要求属于B类不合格项目;其它项目属于C类不合格项目。
3.2.2 综合判定若被检产品明示的质量要求高于本细则中检验项目依据的标准要求时,应按被检产品明示的质量要求判定。
若被检产品明示的质量要求低于本细则中检验项目依据的强制性标准要求时,应按照强制性标准要求判定。
若被检产品明示的质量要求低于或包含本细则中检验项目依据的推荐性标准要求时,应以被检产品明示的质量要求判定,但应在检验报告备注中进行说明。
若被检产品明示的质量要求缺少本细则中检验项目依据的强制性标准要求时,应按照强制性标准要求判定。
若被检产品明示的质量要求缺少本细则中检验项目依据的推荐性标准要求时,该项目不参与判定,但应在检验报告备注中进行说明。
有下列情况之一时,判定产品为不合格:(1)有一项A类不合格;(2)有二项B类不合格;(3)有三项C类不合格;(4)有一项B类和二项C类不合格。
门窗的检验批划分1.同一品种、类型和规格的木门窗、金属门窗、塑料门窗及门窗玻璃门100樘应划分为一个检验批,不足100樘也应划分为一个检验批。
2.木门窗、金属门窗.塑料门窗及门窗玻璃,每个检验批应至少抽查5%,并不得少于3樘,不足3樘时应全书检查;高层建筑的外窗,每个检验批应至少抽查10%,并不得少于6樘,不足6樘时应全书检查。
3.同一品种、类型和规格的特种门每50樘应划分为一个检验批,不足50樘也应划分为一个检验批.4.特种门每个检验批应至少抽查50%,并不得少于10樘,不足10樘时应全数检查。
饰面板的检验批的划分和抽检数量1.相同材料、工艺和施工条件的室内饰面板(砖)工程每50间(大面积房间和走廊按施工面积30㎡为一个)应划分为一个检验批,不足50件也应划分为一个检验批。
2.相同材料、工艺和施工条件的室外饰面板(砖)工程每500~1000㎡应划分为一个检验批,不足500㎡也应划分为一个检验批。
3.室内每个检验批应至少抽查10%,并不得少于3间;不足3间时应全数检查。
4.室外每个检验批每100㎡应至少抽查一处,没处不得小于10㎡吊顶的检验批的划分与检查数量1.同一品种的吊顶工程每50间(大面积房间和走廊按吊顶面积30㎡为一间)应划分为一个检验批,不足50间也应划分为一个检验批.2.每个检验批应至少抽查10%,并不得少于3间;不足3间时应全数检查。
地下室卷材防水(一)、地板防水层施工1.检查基层的含水率不得大于9%,将表面清洁干净,有灰渣铲掉,达到表面清洁、平整、不空鼓、不起沙并且所有阴阳角均抹成钝角或圆角。
2.涂刷基层处理剂;经搅拌均匀后用滚刷均匀涂布在干净干燥的基层上,经干燥后方可进行下到工序施工。
3.附加层的施工;待基层处理剂干燥后,在转角处铺贴一道附加层.4.地板卷材铺设前应根据基坑尺寸确定卷材铺设的位置,并拉线找好方正,先铺一趟卷材,其后卷材根据第一趟卷材位置搭设铺设。
电梯坑铺设应根据实际尺寸进行剪裁。
入户门安装工程检验批质量验收记录
单位(子单位)工程名称
分部(子分部)工程名称入户防盗门验收部位所有门业及五金件
施工单位项目经理
分包单位/分包项目经理/
施工执行标准名称及编号建筑装鉓装修工程施工质量工艺标准ZQ00-SG-001-2013 施工质量验收规范的规定施工单位检查评定记录监理(建设)单位验收记录
主控项目1 门质量和性能第5.5.2条
2 门品种规格、方向位置第5.5.3条
3 机械、自动和智能化装置第5.5.4条
4 安装及预埋件第5.5.5条
5 配件、安装及功能第5.5.6条
一般项目1 表面装饰第5.5.7条
2 表面质量第5.5.8条3
入户门留缝限值及允许
偏差
第5.5.9条
4 入户门门感应时间限值第5.5.10条
5 入户门框安装允许偏差第5.5.11条
施工单位检查评定结果
专业工长(施工员) 施工班组长
项目专业质量检查员:年月日
监理(建设)单位验收结论
专业监理工程师:
(建设单位项目专业技术负责人) 年月日
入户防盗门制作与安装工程报验申请表
工程名称:编号:
致:
我单位已完成了入户防盗门制作与安装工程工作,现报上该工程报验申请表,请予以审查和验收。
附件:
《入户门安装工程检验批质量验收记录表》
承包单位(章):XXXXXXX有限公司
项目经理:
日期:
审查意见:
项目监理机构:
总/专业监理工程师:
日期:。
国家房屋质量验收标准规定一、入户门检查1. 检验标准(1)门表面应洁净,不得有划痕、碰伤;(2)门的割角、拼缝应严密平整;(3)门与墙体间缝隙的填嵌应饱满;(4)门制作的允许偏差:门框翘曲允许偏差为3mm,门扇翘曲允许偏差为2mm,门扇的表面平整度允许偏差为2mm,门框门扇对角线长度允许偏差为3mm;(5)安装的留缝限值、允许偏差:门扇对口缝、门扇与门扇与门框立缝宽度为1.5~2.5mm;(6)毛坯房入户门与地面的留缝宽度不应小于3.5cm。
2. 业主如何查验入户门是否符合房屋质量验收标准通常情况下,业主应当对入户门的以下方面进行检查:(1)门框检查:门框安装是否牢固平整,门框与墙体连接是否密闭严实,门框表面有无异常毛刺、开裂、破损等情况;(2)门扇检查:门扇有无无变形、开裂问题,面漆外观是否完好、表面是否平整,有无明显划痕,磕撞,距离地面是否考虑预留地面装修做法;(3)门锁检查:门锁安装是否牢固,钥匙插拔是否平滑、锁芯转动是否自如,各方向锁舌伸缩,锁孔位置是否正常;(4)开启检查:门开闭是否平稳,有无异常阻力,及磨损,门锁紧后是否有晃动;(5)门把手检查:安装是否牢固,旋转时有无异常阻力,表面有无缺损、变形;(6)密封检查:门扇掩缝是否在2.5mm以内。
一般业主关注比较多的问题是门的外观质量问题,如门表面轻微的小刮花、碰伤等,严重的有面板开裂、深长的划痕等,可能是施工过程中对门造成了损坏,小问题的损坏可以通过现场修补和补油漆进行修复,严重的损坏可以将门反厂维修;入户门与地面的留缝宽度不满足要求(小于3.5cm)时可以要求反厂锯短处理(注:关于返厂维修和锯短处理的确定一般尽量由物业现场说服业主,一般不随便允诺业主决定,可请地产工程部评判决定);门锁的问题一般会出现在装修使用期间,入发现钥匙可以通用,锁打不开等问题,经过现场确认出现质量问题的可以要求更换。
二、铝合金门窗检验1. 检验标准(1)铝合金门窗质量:表面应洁净、平整、光滑,色泽一致,无锈蚀;大面应无划痕、碰伤;(2)铝合金门窗安装允许偏差:门窗框的正、侧面垂直度允许偏差为2.5mm,门窗横框的水平允许偏差为2mm,门窗横框标高允许偏差为5mm,门窗竖向偏离中心允许偏差为5mm;(3)铝合金门窗框与墙体之间的缝隙应填嵌饱满,并用密封胶密封。
防盗门和金属门窗安装工程检验批质量验收记录表GB50210--2001CO3-9—03_030302-1_00情感语录1.爱情合适就好,不要委屈将就,只要随意,彼此之间不要太大压力2.时间会把最正确的人带到你身边,在此之前,你要做的,是好好的照顾自己3.女人的眼泪是最无用的液体,但你让女人流泪说明你很无用4.总有一天,你会遇上那个人,陪你看日出,直到你的人生落幕5.最美的感动是我以为人去楼空的时候你依然在6.我莫名其妙的地笑了,原来只因为想到了你7.会离开的都是废品,能抢走的都是垃圾8.其实你不知道,如果可以,我愿意把整颗心都刻满你的名字9.女人谁不愿意青春永驻,但我愿意用来换一个疼我的你10.我们和好吧,我想和你拌嘴吵架,想闹小脾气,想为了你哭鼻子,我想你了11.如此情深,却难以启齿。
其实你若真爱一个人,内心酸涩,反而会说不出话来12.生命中有一些人与我们擦肩了,却来不及遇见;遇见了,却来不及相识;相识了,却来不及熟悉,却还要是再见13.对自己好点,因为一辈子不长;对身边的人好点,因为下辈子不一定能遇见14.世上总有一颗心在期待、呼唤着另一颗心15.离开之后,我想你不要忘记一件事:不要忘记想念我。
想念我的时候,不要忘记我也在想念你16.有一种缘分叫钟情,有一种感觉叫曾经拥有,有一种结局叫命中注定,有一种心痛叫绵绵无期17.冷战也好,委屈也罢,不管什么时候,只要你一句软话,一个微笑或者一个拥抱,我都能笑着原谅18.不要等到秋天,才说春风曾经吹过;不要等到分别,才说彼此曾经爱过19.从没想过,自己可以爱的这么卑微,卑微的只因为你的一句话就欣喜不已20.当我为你掉眼泪时,你有没有心疼过。
门窗的检验批划分1.同一品种、类型和规格的木门窗、金属门窗、塑料门窗及门窗玻璃门100樘应划分为一个检验批,缺乏100樘也应划分为一个检验批。
2.木门窗、金属门窗。
塑料门窗及门窗玻璃,每个检验批应至少抽查5%,并不得少于3樘,缺乏3樘时应全书检查;高层建筑的外窗,每个检验批应至少抽查10%,并不得少于6樘,缺乏6樘时应全书检查。
3.同一品种、类型和规格的特种门每50樘应划分为一个检验批,缺乏50樘也应划分为一个检验批。
4.特种门每个检验批应至少抽查50%,并不得少于10樘,缺乏10樘时应全数检查。
饰面板的检验批的划分和抽检数量1.相同材料、工艺和施工条件的室内饰面板〔砖〕工程每50间〔大面积房间和走廊按施工面积30㎡为一个〕应划分为一个检验批,缺乏50件也应划分为一个检验批。
2.相同材料、工艺和施工条件的室外饰面板〔砖〕工程每500~1000㎡应划分为一个检验批,缺乏500㎡也应划分为一个检验批。
3.室内每个检验批应至少抽查10%,并不得少于3间;缺乏3间时应全数检查。
4.室外每个检验批每100㎡应至少抽查一处,没处不得小于10㎡吊顶的检验批的划分与检查数量1.同一品种的吊顶工程每50间〔大面积房间和走廊按吊顶面积30㎡为一间〕应划分为一个检验批,缺乏50间也应划分为一个检验批。
2.每个检验批应至少抽查10%,并不得少于3间;缺乏3间时应全数检查。
地下室卷材防水(一)、地板防水层施工1.检查基层的含水率不得大于9%,将外表清洁干净,有灰渣铲掉,到达外表清洁、平坦、不空鼓、不起沙并且全部阴阳角均抹成钝角或圆角。
2.涂刷基层处理剂;经搅拌均匀后用滚刷均匀涂布在干净枯燥的基层上,经枯燥前方可进行下到工序施工。
3.附加层的施工;待基层处理剂枯燥后,在转角处铺贴一道附加层。
4.地板卷材铺设前应依据基坑尺寸确定卷材铺设的位置,并拉线找好方正,先铺一趟卷材,其后卷材依据第一趟卷材位置搭设铺设。
电梯坑铺设应依据实际尺寸进行剪裁。
门窗的检验批划分1.同一品种、类型和规格的木门窗、金属门窗、塑料门窗及门窗玻璃门100樘应划分为一个检验批,不足100樘也应划分为一个检验批。
2.木门窗、金属门窗。
塑料门窗及门窗玻璃,每个检验批应至少抽查5%,并不得少于3樘,不足3樘时应全书检查;高层建筑的外窗,每个检验批应至少抽查10%,并不得少于6樘,不足6樘时应全书检查。
3.同一品种、类型和规格的特种门每50樘应划分为一个检验批,不足50樘也应划分为一个检验批。
4.特种门每个检验批应至少抽查50%,并不得少于10樘,不足10樘时应全数检查。
饰面板的检验批的划分和抽检数量1.相同材料、工艺和施工条件的室内饰面板(砖)工程每50间(大面积房间和走廊按施工面积30㎡为一个)应划分为一个检验批,不足50件也应划分为一个检验批。
2.相同材料、工艺和施工条件的室外饰面板(砖)工程每500~1000㎡应划分为一个检验批,不足500㎡也应划分为一个检验批。
3.室内每个检验批应至少抽查10%,并不得少于3间;不足3间时应全数检查。
4.室外每个检验批每100㎡应至少抽查一处,没处不得小于10㎡吊顶的检验批的划分与检查数量1.同一品种的吊顶工程每50间(大面积房间和走廊按吊顶面积30㎡为一间)应划分为一个检验批,不足50间也应划分为一个检验批。
2.每个检验批应至少抽查10%,并不得少于3间;不足3间时应全数检查。
地下室卷材防水(一)、地板防水层施工1.检查基层的含水率不得大于9%,将表面清洁干净,有灰渣铲掉,达到表面清洁、平整、不空鼓、不起沙并且所有阴阳角均抹成钝角或圆角。
2.涂刷基层处理剂;经搅拌均匀后用滚刷均匀涂布在干净干燥的基层上,经干燥后方可进行下到工序施工。
3.附加层的施工;待基层处理剂干燥后,在转角处铺贴一道附加层。
4.地板卷材铺设前应根据基坑尺寸确定卷材铺设的位置,并拉线找好方正,先铺一趟卷材,其后卷材根据第一趟卷材位置搭设铺设。
电梯坑铺设应根据实际尺寸进行剪裁。