YL-50150苏木原料检验操作规程
- 格式:docx
- 大小:33.61 KB
- 文档页数:3
1、目的通过对进厂原料进行验证,确保进厂原料满足规定要求。
2、适用范围本程序适用于对与生产有关原料的验证3、工作内容3.1、取样:3.1.1原料车(船)进厂后,司机立即到采购部报车(船)号。
3.1.2采购部采购员根据司机报号情况及时下达原料化验通知单。
3.1.3化验室在接到原料化验通知单后,及时安排人员穿戴好劳保用品(至少两名)前去抽查验证,。
3.1.4检验人员根据验证情况报出验证结果(原料:水分、颗粒度)。
3.1.5化验室负责人根据检验结果,开出初检报告单,并同检验人员一起在报告单上签字。
3.1.6采购部采购员在初检报单上签字后,把报告单送到仓储部。
3.1.7仓储部过磅人员根据报告单,安排车(船)是否进厂卸货。
3.2、筛分析:(颗粒度)3.2.1把具有代表性的试样放入烘箱中在105℃洪干。
3.2.2半小时后从烘箱中取出试样,冷却至室温。
3.2.3在台式天平上准确称取一定数量(200g)试样。
3.2.4把称量好的试样放入选择好的标准筛中过筛。
3.2.5)称量筛余物,并算处各粒度的比例。
3.3、水分分析:3.3.1在千分之一天平上,称取一定量(10g)具有代表性的试样G1。
3.3.2把该试样放入烘箱中烘干。
3.3.3半小时后,取出该样并冷却至室温。
3.3.4称时烘干后的试样G2。
3.3.5根据公式(G1-G2)/G1×100%,算出水分含量。
3.4做完分析的试样不能随意丢弃影响环境,应集中后统一处理。
美文欣赏1、走过春的田野,趟过夏的激流,来到秋天就是安静祥和的世界。
秋天,虽没有玫瑰的芳香,却有秋菊的淡雅,没有繁花似锦,却有硕果累累。
秋天,没有夏日的激情,却有浪漫的温情,没有春的奔放,却有收获的喜悦。
清风落叶舞秋韵,枝头硕果醉秋容。
秋天是甘美的酒,秋天是壮丽的诗,秋天是动人的歌。
2、人的一生就是一个储蓄的过程,在奋斗的时候储存了希望;在耕耘的时候储存了一粒种子;在旅行的时候储存了风景;在微笑的时候储存了快乐。
物料检验规程1.目的本规程旨在确保车间采购的原材料、部件或产品符合质量标准,规范外购、外协物料的检验作业,确保物料入库合格,防止不合格品的非预期使用,保证公司生产质量。
2.范围本规程适用于[产品]所需采购的物料和产品的检验。
3.编制依据J BT5936-2018工程机械机械加工件通用技术条件QB/T 4494-2013 自锁式聚酰胺扎带《工业凡士林》(GB/T 9106-2018)GB/T 33509-2017机械密封通用规范4.职责4.1.采购部4.1.1.采购部按采购计划要求采购,负责采购材料的质量保证文件的收集,并确保其真实性、及时性。
4.1.2.负责与供应商进行沟通,说明物料不合格的原因,并要求供应商进行处理。
4.2.质检部4.2.1.负责外购原材料的外观、物理、化学检验等全面检验,4.2.2.根据检验结果给出合格或不合格的评定,并制作检验报告。
4.2.3.将检验报告提交给采购部门。
4.3.库管部4.3.1.必须确认材料的检验结果是合格的,方能接受材料入库,按采购计划与送货清单核对数量、规格、型号等,并进行存储保管。
4.3.2.负责不合格品隔离及登账等工作。
4.4.生产车间4.4.1.在生产过程中,发现原材料有质量问题的,须立即通知质控部。
5.检验项目、方法及判定详情查看《附表:检验项目、方法及判定》。
6.检验记录6.1.将检验结果以表格形式记录。
记录表格详见《物料检验记录》,记录包括物料的名称、规格、供应商、检验结果等信息。
6.2.每次检验工作结束后,将所有记录表格装订成册归档。
6.3.物料检验记录应真实、准确、完整,并由相关人员签字确认。
6.4.物料检验记录保存至少三年,以备审核和追溯需要。
7.处理不合格物料的流程7.1.如果物料不合格,库管部和质检部将及时通知采购部。
7.2.采购部需要与供应商进行沟通,说明物料不合格的原因,并要求供应商进行处理。
7.3.供应商需要采取相应的措施进行整改,并将不合格物料进行退回或重新供应。
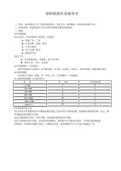
原料检验作业指导书
一、目的:本标准规定了入厂原料的检验项目,检验方法,抽样数量,判定标准及储存方式。
二、适用范围:本标准适用于本公司所用的聚乙烯及其他原料。
三、细则
3.1外观检验
3.1.1标识:产品应附有产品标识,其包括:
A、制造厂名、厂址
B、产品名称、商标、型号
C、产品合格证
D、生产日期、批号
E、检验员代号
3.1.2卫生
A、外包装要清洁,无破损,封口应牢固
B、原料干净、卫生,无杂质
3.2性能检验(上机试验)
原料经机器加工成型后,应平整光滑、无气泡、无痕迹、无斑点、杂质等缺陷(排除调机因素)。
3.3检验规则
以连续生产的同一材料、同一型号,同一工艺参数为一个检验批。
3.5批质量判定方案
3.5.1样本中外观检验项不合格样品数不超过上表中的不合格判定数,则该批外观质量合格。
反之,则外观检验项判别这不合格。
3.5.2性能检验中若有一项不合格,则该批质量判别为不合格。
3.5.3合格批中的不合格,应由供需协商解决,拒收批中不合格未经处理,不得再次提供检验。
3.6储存:本原料应放置于清洁、干燥的库房内,储存期限至生产之日起不得超过一年。
原材料检验作业指导书一、概述原材料检验是确保企业产品质量的重要环节之一。
本作业指导书旨在为负责原材料检验工作的人员提供操作指导,以确保原材料的质量稳定和符合企业的要求。
二、检验目的1. 确保原材料的质量符合标准要求,以防止缺陷产品进入生产环节。
2. 验证供应商提供的原材料的准确性和可靠性。
3. 降低生产过程中的不良率,提高产品的质量和可靠性。
4. 减少不必要的生产成本和资源浪费。
三、检验步骤1. 接受原材料交付a. 检查原材料交付单,验证原材料的品名、规格、数量等信息。
b. 检查原材料的包装是否完好,有无破损、变形等情况。
c. 仔细检查原材料外观,确认无异样或污染。
2. 取样检验a. 按照规定的取样标准和方法,从原材料批次中取样。
b. 确保取样过程的卫生和准确性。
c. 将取样的原材料送到实验室进行分析和检测。
3. 实验室检测a. 根据检测要求,将取样的原材料送到实验室进行化学、物理、机械性能等方面的检测。
b. 仔细记录检测结果和相关细节。
4. 数据分析a. 对实验室检测结果进行分析和比对,判定原材料的质量是否符合规定要求。
b. 如果发现原材料存在质量问题,及时通知供应商进行问题解决。
c. 记录检测数据和分析结果,建立数据记录档案。
5. 检验报告a. 根据实验室检测结果,编制检验报告。
b. 将检验报告送交给有关部门,以支持后续决策。
四、质量控制1. 供应商质量管理a. 定期评估供应商的质量管理体系,确保供应商的质量水平符合要求。
b. 对供应商进行合格评估,建立供应商库,及时更新供应商评估结果。
2. 内部质量控制a. 建立严密、科学的质量管理体系,确保原材料检验工作的准确性和可靠性。
b. 定期复核检验标准和方法,及时更新并加以执行。
c. 建立质量异常处理流程,对发现的异常情况进行分析和处理。
五、安全注意事项1. 操作人员必须穿戴好个人防护设备,包括防护眼镜、手套、防尘口罩等。
2. 操作人员应严格遵守工作规程,确保操作过程的准确性和规范性。
原材料检验作业指导书一、背景介绍原材料作为产品生产的基础,其质量直接影响着产品的品质。
因此,在生产过程中必须对原材料进行严格的检验,确保原材料的合格率和稳定性。
本作业指导书旨在规范原材料检验的流程和方法,提高检验的准确性和效率。
二、检验准备1. 检验仪器和设备的准备检验仪器和设备是进行原材料检验的关键工具,包括但不限于显微镜、测量仪器、波谱仪等。
在进行检验之前,需要确保这些仪器和设备的正常工作状态,并校准其准确性。
2. 样品的准备根据实际需要,选择代表性的原材料样品,并根据相关标准或要求,将样品进行标识、编码。
确保样品的存储环境良好,防止污染和变质。
三、检验流程原材料检验的流程可以分为以下几个步骤:1. 样品接收和检查将接收到的原材料样品与样品清单进行核对,确保接收的样品与订单一致。
同时,检查样品的包装是否完好无损,是否存在破损或泄漏的情况。
2. 外观检验外观检验是对原材料外观特征的评估和记录,包括颜色、形态、气味等。
根据产品的要求,判断原材料样品外观是否合格,并记录检验结果。
3. 物理性质检验物理性质检验主要针对原材料的物理特性,如密度、硬度、粘度等进行测定。
根据产品的要求,使用相应的仪器进行检测,并记录检测结果。
4. 化学成分检验化学成分检验是对原材料中的化学组成进行分析和测定。
根据产品的要求,选择合适的分析方法,如质谱、红外光谱等,对原材料进行定性和定量分析。
5. 微生物检验对于需要无菌或低微生物含量的原材料,需要进行微生物检验。
通过采样和培养方法,检验原材料中的微生物数量和种类,确保原材料符合卫生标准。
6. 性能检验性能检验是对原材料特定性能的评测和测试,如强度、韧性、导电性等。
根据产品的要求,使用相应的测试方法进行性能检验,并记录测试结果。
7. 结果判定与记录根据检验结果,对原材料进行合格与否的判定,并填写相应的检验报告。
将检验报告按照规定归档,并及时通知相关部门和供应商。
四、质量控制1. 质量控制指标的制定根据产品的特性和市场需求,制定原材料的质量控制指标。
原材料检验作业指导书一、检验目的原材料检验是一项非常重要的工作,它的主要目的是确保生产过程中使用的原材料符合质量标准和要求,以保证最终产品的质量和安全。
本作业指导书旨在对原材料检验的具体操作进行详细说明,以帮助检验员进行准确、高效的原材料检验工作。
二、检验范围原材料检验涉及到各种不同类型的原材料,包括但不限于化学品、金属材料、食品原料等。
本作业指导书适用于各种原材料的检验工作,具体操作可根据不同的材料进行相应的调整。
三、检验准备1. 确定检验项目:根据产品的要求,确定需要检验的项目,包括外观、尺寸、化学成分、物理性能等。
2. 准备检验设备和工具:根据检验项目的要求,准备相应的检验设备和工具,如称量器、试剂、显微镜、卡尺等。
3. 制定检验方案:根据检验项目的不同,制定相应的检验方案,包括样品的采集方式、检验方法和标准等。
四、检验步骤1. 样品采集:根据检验方案,采集符合要求的样品,并确保样品的代表性和完整性。
2. 外观检验:将样品放在适当的位置进行外观检验,根据产品的要求检查样品的表面是否平整,是否有破损或污染等。
3. 尺寸检验:使用卡尺等工具对样品的各项尺寸进行准确测量,并与产品要求进行对比,确保尺寸符合要求。
4. 化学成分检验:根据产品的要求,采用化学分析方法对样品的化学成分进行检验,比如使用滴定法、吸光光度法等。
5. 物理性能检验:根据产品的要求,使用相应的设备和方法对样品的物理性能进行检验,如强度、硬度、粘度等。
6. 检验结果记录:将每次检验的结果准确记录,并进行归档,为今后的参考和追溯提供依据。
五、检验风险和注意事项在进行原材料检验过程中,检验员需要注意以下事项,以最大程度地避免风险和错误:1. 个人保护:操作过程中需要佩戴适当的个人防护装备,如手套、护目镜等,以确保人身安全。
2. 样品处理:根据不同的材料和检验项目,确保样品的正确处理,以避免样品的污染或损坏。
3. 仪器操作:使用仪器设备需要按照操作说明进行,确保操作正确、稳定,以获得准确的检验结果。
原材料检验规程1.目的为规范本公司所采用原材料质量的检验,保证所采购的原材料合格,确保公司产品质量,符合国家相关标准,需要时可追溯,制定本规程。
2.适用范围本制度适用与公司所外购原材料的检验。
3.职责3.1采购部按要求采购,负责采购材料的质量保证文件的收集,并确保其真实性,及时性。
负责对进厂的原材料初检、入库、记录。
3.2实验室为原材料检验规程的技术部门,负责原材料的外观.、性能检验,并出具检验结果。
3.3仓库管理人员,必须确认材料的结果是合格的,方能接受材料入库,按采购计划与送货清单核对品名、数量等。
4.原材料检验本公司原材料采购、检验所依据的标准有:GB/T 3682-2000 《热塑性塑料熔体质量流动速率和熔体体积流动速率的测》GB/T 9345.1-2008 《塑料灰分的测定第1部分:通用方法》GB/T 2914-2008 《塑料氯乙烯均聚和共聚树脂挥发物(包括水)的测定》GB/T 20022-2005 《塑料氯乙烯均聚和共聚树脂挥发物(包括水)的测定》GB/T 1033.1-2008 《塑料非泡沫塑料密度的测定》5.原材料检验流程采购部按要求,综合库存,编制采购计划,经总裁批准后进行采购采购部对进厂的原材料进行初检,合格后,书面通知实验室,实验室对原材料进行外观、性能检验,并出具检验结果,递交采购部——采购部按检验结果,办理下步手续,合格品入库,标识、做台帐;不合格品作退货处理。
6.采购部的初检项目6.1.1供货商提供的质量证明书为原件,应清晰易辨,不得涂改,生产厂定的质量检验公章应清楚,不得被其它文字、印章遮盖,供货商在空白处应加盖公章;如供货商提供的质量证明书为复印件,其要求同原件,供货商并注明原版质量证明书存放处;否则作退货处理。
6.1.2原材料的批次号与质量证明书上的批次号必须一致,如不一致作退货处理;6.1.3原材料名称、数量与采购计划必须一致,如不一致作退货处理;6.1.4原材料价格与采购计划必须一致,如不一致需作进一步处理,并呈报总裁批示。
原材料检验操作规程一、目的和范围1.1目的:为确保原材料的质量,保证产品的质量稳定和合规要求,制定原材料检验操作规程。
1.2范围:适用于所有使用原材料进行生产的企业。
二、术语和定义2.1原材料:指用于生产产品的物质或物质组合。
2.2检验:对原材料进行外观、尺寸、化学成分、物理性能等方面的测试和分析。
三、检验设备和仪器3.1外观检验:显微镜、显微相机等。
3.2尺寸检验:卡尺、游标卡尺、光学比较仪等。
3.3化学成分检验:能谱仪、液相色谱仪等。
3.4物理性能检验:拉力测试机、硬度计等。
四、检验项目和方法4.1外观检验:检查原材料的表面是否有明显的瑕疵、污染等。
4.2尺寸检验:根据产品的要求,测量原材料的长度、宽度、高度等尺寸参数。
4.3化学成分检验:按照相应的标准或方法,测试原材料中的元素、化合物等成分。
4.4物理性能检验:测试原材料的强度、耐磨性、耐腐蚀性等物理性能。
五、操作步骤5.1收样:从供应商处收集原材料样品。
5.2样品准备:按照检验要求,对样品进行处理和制备。
5.3检测方法选择:根据需要选择相应的检验方法和设备。
5.4检验操作:进行相应的检验操作,如外观检查、尺寸测量、化学成分分析等。
5.5结果记录:记录检验结果,并标明检验时间、检验人员等相关信息。
5.6结果评定:根据标准和要求,对检验结果进行评定并记录。
5.7处理结果:对不合格的原材料进行处理,如退货、更换等。
5.8结果报告:将检验结果及时报告给相关部门,并保存相关记录。
六、质量控制6.1严格执行操作规程,做到按照检验要求进行检验,并确保检验设备和仪器的准确性和可靠性。
6.2检验人员应熟悉相关标准和要求,具备相关的专业知识和技能。
6.3监督检查:定期对检验过程和结果进行监督和抽样检查。
6.4风险控制:加强原材料供应商管理,确保供应商的质量稳定和合规要求。
七、相关记录和文件7.1原材料检验记录:包括检验时间、检验项目、检验方法、检验结果等信息。
1.目的:建立附子检验操作规程,保证检验人员操作规范化、标准化,确保公司产品质量。
2 范围:本规程适用于生产用原料药附子的检验。
3.责任:质量部、QC检验员、QC主管、QA主管。
4.执行标准:《中国药典》2010年版一部第271页、TL-YL-050-1。
5.内容:5.1性状5.1.1盐附子呈圆锥形,长4~7cm,直径3~5cm。
表面灰黑色,被盐霜,顶端有凹陷的芽痕,周围有瘤状突起的支根或支根痕。
体重,横切面灰褐色,可见充满盐霜的小空隙和多角形形成层环纹,环纹内侧导管束排列不整齐。
气微,味成而麻,刺舌。
5.1.2黑顺片为纵切片,上宽下窄,长1.7~5cm,宽0.9~3cm.厚0.2~0.5cm。
外皮黑褐色,切面暗黄色,油润具光泽,半透明状,并有纵向导管束。
质硬而脆,断面角质样。
气微,味淡。
5.1.3白附片无外皮,黄白色,半透明,厚约0.3cm。
5.2鉴别取本品粉末2g,加氨试液3ml润湿,加乙醚25ml,超声处理30分钟,滤过.滤液挥干,残渣加二氯甲烷0.5ml使溶解,作为供试品溶液。
另取苯甲酰新乌头原碱对照品、苯甲酰乌头原碱对照品、苯甲酰次乌头原碱对照品,加异丙醇一二氯甲烷(1:1)混合溶液制成每1ml各含1mg的混合溶液,作为对照品溶液(单酯型生物碱)。
再取新乌头碱对照品、次乌头碱对照晶、乌头碱对照品,加异丙醇一二氯甲烷(1:1)混合溶液制成每Iml各含1mg的混合溶液,作为对照品溶液(双酯型生物碱)。
照薄层色谱法(SOP-ZL-TZ009-1)试验,吸取供试品溶液和对照品溶液各5~lOμl,分别点于同一硅胶G薄层板上,以正己烷-乙酸乙酯-甲醇(6.4:3.6:1)为展开剂,置氨蒸气饱和20分钟的展开缸内,展开,取出,晾干,喷以稀碘化铋钾试液。
供试品色谱中,盐附子在与新乌头碱对照品、次乌头碱对照品和乌头碱对照品色谱相应的位置上,显相同颜色的斑点;黑顺片或白附片在与苯甲酰新乌头原碱对照品、苯甲酰乌头原碱对照品、苯甲酰次乌头原碱对照品色谱相应的位置上,显相同颜色的斑点。
原材料检验指导书一、引言原材料是产品制造的基础,其质量的稳定性和可靠性对产品的最终性能和品质起着至关重要的作用。
为了确保原材料的安全性和有效性,及时发现和排除潜在的质量问题,制定一份合理且可操作的原材料检验指导书是非常必要的。
本指导书旨在标准化和规范化原材料检验的流程和方法,以便确保生产过程中的原材料的可靠性和一致性。
二、适用范围本指导书适用于所有公司内的原材料检验工作,包括但不限于:化学原料、食品原料、机械配件等。
三、检验标准1. 外观检验:对原材料的外观进行观察和描述,如颜色、形状、质地等,以确保无明显的异物或不良状况。
2. 化学成分检验:通过化学分析方法,检测原材料中的主要成分及其含量,以确保符合产品设计和制造要求。
3. 物理性能检验:通过物理测试方法,检测原材料的强度、硬度、密度等物理性能,以确保其满足产品使用的要求。
4. 导电性检验:对需要具备导电性的原材料进行测试,以确保其导电性能符合产品要求。
5. 环保检验:检测原材料中的有害物质含量,以确保符合环保法规和产品质量标准。
6. 其他检验项目:根据具体原材料的特性和产品要求,制定相应的检验标准。
四、检验流程1. 采样:按照抽样标准,从原材料批次中随机抽取样品。
2. 样品准备:将样品进行标识并进行必要的预处理工作,如研磨、溶解等。
3. 检验前准备:检查检验设备和试剂的有效性和准确性,进行必要的校准和调试。
4. 检验操作:按照标准方法和技术规范进行检验操作,记录测量结果。
5. 结果分析:对测量结果进行统计和分析,与标准要求进行对比,判断原材料的合格与否。
6. 结果记录:将检测结果记录到检验报告中,并进行归档保存。
7. 异常处理:对不合格的原材料进行分类和处理,必要时进行追溯和调查。
五、检验设备和工具1. 化学分析仪器:例如原子吸收光谱仪、气相色谱仪等。
2. 物理测试设备:例如拉力试验机、硬度计、密度计等。
3. 导电性测试仪器:例如导电仪、电阻计等。
耐火材料厂原料检验作业指导书一、检验目的:1.确保原料的质量合格,符合产品需求;2.确保生产过程中材料的安全性和稳定性;3.防止次品和不合格品进入生产流程;4.维护厂内环境的安全和卫生。
二、检验原则:1.依据相关法规、标准和企业的技术要求进行检验;2.采用合理的检验方法和仪器设备;3.确保检验结果准确可靠;4.严格按照检验标准和要求进行判定;5.并对检验过程进行记录和归档。
三、检验工作流程:1.接收原料:a.原料进厂应与送货单据进行比对,确保物料名称、规格、数量等信息一致;b.对于检验项目特殊的原料,要求提供供应商提供的证明文件或技术资料。
2.样品采集:a.对于散装原料,按照规定的比例进行样品采集;b.对于密封包装的原料,选择符合要求的包装进行检验;c.样品采集时要注意避免污染和误判的情况。
3.检验项目:a.根据产品的特点和要求,确定需要进行的检验项目;b.包括外观检查、化学成分分析、物理性能测试、热稳定性测试等。
4.检验方法和仪器设备:a.根据项目的要求,选择适当的检验方法;b.配备合适的仪器设备,并进行定期的校验和维护;c.对于特殊检验项目,可以委托第三方实验室进行检测。
5.检验结果:a.根据检验结果判定原料是否合格;b.对于不合格的原料,需要进行原因分析,并采取相应的措施,如退货、追责等。
6.记录和归档:a.对检验过程中的数据进行准确记录;b.对于不合格的原料和处理结果进行归档,以备查验。
四、安全措施:1.严格遵守厂区的安全操作规程;2.检验过程中要佩戴个人防护用品;3.对于有害物质的检验,要加强通风和防护措施;4.对于易燃或易爆物品的检验,要采取相应的防爆措施。
五、责任与考核:1.原料检验工作由指定人员负责;2.定期检查和考核检验工作的情况;3.整理归档检验记录和结果,以便于管理和追溯。
以上是一份针对耐火材料厂原料检验的作业指导书,具体操作可根据实际情况进行调整和完善。
原材料检验操作手册1. 引言本操作手册旨在指导原材料检验的具体操作步骤以及相关注意事项,确保原材料的质量和安全性。
2. 检验流程2.1. 取样- 根据生产计划和检验需求,确定取样数量和频率。
- 使用适当的取样工具,从原材料批次中随机取样。
- 将取样标本妥善包装,避免污染和损坏。
2.2. 检验项目- 根据原材料的特性和使用要求,确定需要检验的项目,并编制检验清单。
- 检验项目需涵盖原材料的物理性质、化学成分、微生物质量等方面。
- 使用合适的检验方法和设备进行检测,确保结果准确可靠。
2.3. 检验标准- 参考国家和行业相关标准,制定适用的检验标准。
- 确保检验标准与原材料的质量要求相一致,保证产品的合格性。
- 根据实际情况,可以制定内部标准以补充外部标准的不足。
2.4. 检验记录- 在检验过程中,详细记录每个检验项目的结果,包括合格和不合格情况。
- 记录中应包括检验时间、检验员、检验方法、检验设备等相关信息。
- 不合格项目应及时通知生产部门,并采取相应的处理措施。
2.5. 检验报告- 根据检验记录,生成检验报告。
- 检验报告应包括样品信息、检验项目、检验结果和评定等内容。
- 检验报告应及时提供给相关部门,并进行归档。
3. 质量控制3.1. 校准与验证- 定期对检验设备进行校准和验证,确保其准确性和可靠性。
- 校准和验证记录应妥善保存,作为质量控制的证据。
3.2. 质量评估- 根据检验结果和评定标准,对原材料的质量进行评估。
- 定期统计和分析检验数据,评估原材料的整体质量水平。
- 针对不合格情况,制定相应的纠正措施,提高原材料的质量。
4. 安全措施- 在检验过程中,严格遵守相关的安全规定和操作规程。
- 使用个人防护装备,确保检验人员的安全。
- 对于有毒、易燃等危险原材料,需采取特殊的安全措施,确保检验过程的安全性。
5. 结论本操作手册提供了原材料检验的具体操作步骤和注意事项,旨在确保原材料的质量和安全性。
原药材检验标准操作规程目的:建立一个中药饮片原药材检验标准操作程序,确保检验结果准确可靠。
适用范围:中药原药材。
责任人:质量保证部主任、质量控制部主任、化验员。
标准来源:《中华人民共和国药典》2010年版一部、《安徽省中药饮片炮制规范》。
内容:1、性状取本品适量,放入白瓷盘中,用眼观察,可见以下性状特征:本品叶片多皱缩卷曲、破碎,完整者展平后呈卵圆形,长4~11cm,宽2.5~9cm。
先端长尖或急尖,基部圆形或宽楔形,边缘具圆锯齿。
两面紫色或上表面绿色,下表面紫色,疏生灰白色毛,下表面有多数凹点状的腺鳞。
叶柄长2~7cm,紫色或紫绿色。
质脆。
带嫩枝者,枝的直径2~5mm,紫绿色,断面中部有髓。
气清香,味微辛。
2、鉴别主要使用仪器:电子分析天平、电子显微镜等。
2.1显微鉴别:2.1.1 试液配制2.1.1.1 水合氯醛试液:取水合氯醛50克,加水15毫升与甘油10毫升使溶解,即得。
2.1.1.2 甘油醋酸试液:取甘油、醋酸及水各等份混匀,即得。
2.1.1.3 稀甘油:取甘油33毫升,加水稀释至100毫升,再加樟脑一小块或液化苯酚1滴,即得。
2.1.2 供试品制备2.1.2.1 取本品10g,研细后取少量粉末,置载玻片上,滴加水合氯醛搅拌均匀,置酒精灯上加热透化;加稀甘油数滴,搅拌均匀,分装2~3片,加盖玻片,即得。
2.1.2.2 取研细的粉末少量置载玻片上,加甘油醋酸试液,搅拌均匀,加盖玻片,即得。
2.1.2.3取研细后取少量粉末,置载玻片上,滴加水搅拌均匀,同时滴加少许稀甘油,加盖玻片,即得。
2.1.3 置显微镜下观察可见本品叶的表面制片:表皮细胞中某些细胞内含有紫色素,滴加10%盐酸溶液,立即显红色;或滴加5%氢氧化钾溶液,即显鲜绿色,后变为黄绿色。
2.2薄层鉴别2.2.1取[含量测定]项下的挥发油,加正己烷制成每1 ml 含10 μl 的溶液,作为供试品溶液。
另取紫苏醛对照品,加正己烷制成每1 ml含10 μl的溶液,作为对照品溶液。