电机外置式电动滚筒说明书pdf
- 格式:docx
- 大小:37.16 KB
- 文档页数:2
电动滚筒说明书(总9页)--本页仅作为文档封面,使用时请直接删除即可----内页可以根据需求调整合适字体及大小--目录产品概述 (1)安装及调试 (2)日常维护与保养 (5)电动滚筒的拆卸 (6)电动滚筒的组装 (7)常见故障排除及排除方法 (7)售后服务 (8)电动滚筒1 产品概述电动滚筒是一种将电动机、减速机系统、滚筒体组合的新型驱动装置。
主要与带式输送机配装使用。
本公司为满足市场需要,从九十年代初就参照机械部JB/T7330-1994标准,先后设计了YD TN (即TD75)、DY 1、JDY 、QD 、Y J B T N 、JA T N 、JX T N 、WD T N 、WX T N 等10个系列8000多个规格产品,大批量售往国外。
本公司设计的电动滚筒,有内置式、外置式、移动式三种安装形式;有定轴齿轮、摆线针轮、行星齿轮三种传动类型;各种规格均可包胶,胶面有平面、人字、菱形花纹;绝大多规格可附加逆止功能;如用于衣服是环境,筒体等外露部分可使用耐磨腐蚀材料制作,如不锈钢等,同时必须选用相应耐腐蚀的密封件;外置式选配隔爆电机,可适合于有隔爆要求的场所;可选配HL 型弹性柱销联轴器、YOX 型液力耦合器、电力液压块式制动器;配套功率可从到160KW ;电动滚筒型号及表示方法:电机安装形式或冷却方式传动形式代号(如定轴齿轮等)特殊性能代号(如逆止、隔爆等)电机功率P(kw)筒体表面线速度(m/s)滚筒名义直径(mm)胶带宽度B(mm)带逆止器时滚筒旋向N(S)关于滚筒型式代号的几点说明:(1)电机安装形式及冷却方式:电机内置时一般标注电机冷却方式:油冷式(Y)、油浸式(J)电机外置时标注电机安装冷却方式:卧式电机直列型(W I)、立式电机直联型(W II)、卧式电机垂直型(W III)(2)传动形式代号:定轴齿轮传动(D)(硬齿轮面定轴齿轮标A)、摆线针轮传动(B)(功率37kw向下)、行星齿轮传动(X)(3)特殊性能代号:通用型(T可不标注)、逆止型(N)、移动型(Y1或JYD)、防爆型(B)、防腐蚀型(F)等;外装滚筒还可下标:弹性柱销联轴器型(G)、液力耦合器型(Y)、电力液压块式制动型(Z)本公司生产的电动滚筒,具有结构紧凑、体积小、密封性好使用维修方便等优点,可用于粉尘大、潮湿、泥泞、露天等环境恶劣场所;但下列工作条件不宜适用:输送高温物料,温度超过60℃;海拔高度超过1000米;环境温度超过-10℃—40℃如遇以上情况,请与本公司技术研发中心联系。
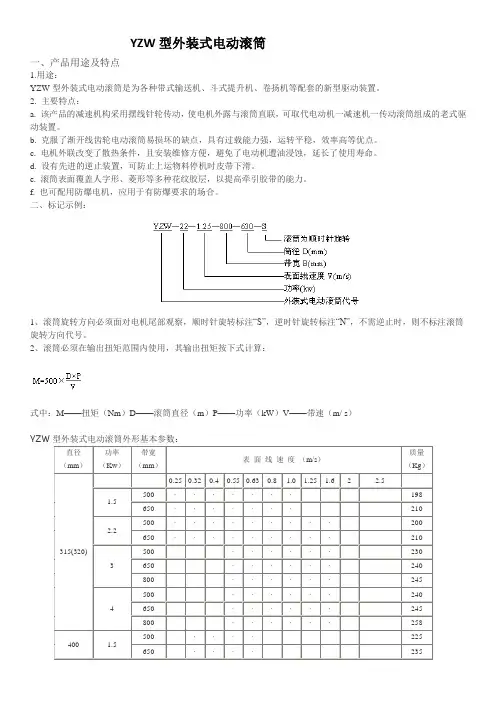
YZW型外装式电动滚筒
一、产品用途及特点
1.用途:
YZW型外装式电动滚筒是为各种带式输送机、斗式提升机、卷扬机等配套的新型驱动装置。
2. 主要特点:
a. 该产品的减速机构采用摆线针轮传动,使电机外露与滚筒直联,可取代电动机一减速机一传动滚筒组成的老式驱动装置。
b. 克服了渐开线齿轮电动滚筒易损坏的缺点,具有过载能力强,运转平稳,效率高等优点。
c. 电机外联改变了散热条件,且安装维修方便,避免了电动机遭油浸蚀,延长了使用寿命。
d. 设有先进的逆止装置,可防止上运物料停机时皮带下滑。
e. 滚筒表面覆盖人字形、菱形等多种花纹胶层,以提高牵引胶带的能力。
f. 也可配用防爆电机,应用于有防爆要求的场合。
二、标记示例:
1、滚筒旋转方向必须面对电机尾部观察,顺时针旋转标注“S”,逆时针旋转标注“N”,不需逆止时,则不标注滚筒旋转方向代号。
2、滚筒必须在输出扭矩范围内使用,其输出扭矩按下式计算:
式中:M——扭矩(Nm)D——滚筒直径(m)P——功率(kW)V——带速(m/ s)
YZW
YZW型外装式电动滚筒外形及安装尺寸。
目录产品概述 (1)安装及调试 (2)日常维护与保养 (5)电动滚筒的拆卸 (6)电动滚筒的组装 (7)常见故障排除及排除方法 (7)售后服务 (8)电动滚筒1 产品概述1.1电动滚筒是一种将电动机、减速机系统、滚筒体组合的新型驱动装置。
主要与带式输送机配装使用。
本公司为满足市场需要, 从九十年代初就参照机械部JB/T7330-1994标准, 先后设计了YD TN(即TD75)、DY1、JDY、QD、YJ B TN、JA TN、JX TN、WD TN、WX TN等10个系列8000多个规格产品, 大批量售往国外。
1.2 本公司设计的电动滚筒, 有内置式、 外置式、 移动式三种安装形式; 有定轴齿轮、 摆线针轮、 行星齿轮三种传动类型; 各种规格均可包胶, 胶面有平面、 人字、 菱形花纹; 绝大多规格可附加逆止功能; 如用于衣服是环境, 筒体等外露部分可使用耐磨腐蚀材料制作, 如不锈钢等, 同时必须选用相应耐腐蚀的密封件; 外置式选配隔爆电机, 可适合于有隔爆要求的场所; 可选配HL 型弹性柱销联轴器、 YOX 型液力耦合器、 电力液压块式制动器; 配套功率可从0.55KW 到160KW;1.3 电动滚筒型号及表示方法:电机安装形式或冷却方式传动形式代号(如定轴齿轮等)特殊性能代号(如逆止、隔爆等)电机功率P(kw)筒体表面线速度(m/s)滚筒名义直径(mm)胶带宽度B(mm)带逆止器时滚筒旋向N(S)关于滚筒型式代号的几点说明:( 1) 电机安装形式及冷却方式:电机内置时一般标注电机冷却方式: 油冷式(Y)、 油浸式( J)电机外置时标注电机安装冷却方式: 卧式电机直列型( WI) 、 立式电机直联型( WII) 、 卧式电机垂直型( WIII)( 2) 传动形式代号:定轴齿轮传动( D) ( 硬齿轮面定轴齿轮标A) 、摆线针轮传动(B)(功率37kw向下)、行星齿轮传动( X)( 3) 特殊性能代号:通用型( T可不标注) 、逆止型( N) 、移动型( Y1或JYD) 、防爆型( B) 、防腐蚀型( F) 等; 外装滚筒还可下标: 弹性柱销联轴器型( G) 、液力耦合器型( Y) 、电力液压块式制动型( Z)1.4 本公司生产的电动滚筒, 具有结构紧凑、体积小、密封性好使用维修方便等优点, 可用于粉尘大、潮湿、泥泞、露天等环境恶劣场所; 但下列工作条件不宜适用:1.4.1输送高温物料, 温度超过60℃;1.4.2 海拔高度超过1000米;1.4.3 环境温度超过-10℃—40℃如遇以上情况, 请与本公司技术研发中心联系。
简介:直流24V无级调速驱动型DGBL微型电动滚筒,是为了应付今日工业更灵活、更安全、更节能、更大动力的要求而研制,采用先进的高效钕铁硼永磁同步电动机作动力源,克服了常规三相和单相交流电动滚筒效率低,功率小,调速范围窄,温升高等缺点,它大大增加了输送机设计的灵活性,以及和外界电控的联系功能。
使驱动型的小直径电动滚筒有了新的突破,目前我公司定型产品有Φ50 Φ60 Φ76系列,功率35W-100W。
品质特点:1 、内置高效钕铁硼永磁同步电动机高效钕铁硼永磁同步电动机比常规的交流电机转换效率高,相同负载情况下,比常规的交流电机可以节省32%的电能;无负载情况下,节省的电能高达47%。
由于采用了高效钕铁硼永磁,得到了更高扭矩,并且电机的温升降低了。
在恒扭距的情况下,无级调速范围达到了65%。
2 、安全工作电压内置电动机采用的是一个24VDC安全工作电压,没有触电的危险,操作人员是在一个安全电压下的工作。
由于工作电压低,电机的可靠性加强了,对于有些特殊的场合,例如需要冲洗,和潜水工作的电动滚筒,安全工作电压是最佳的选择。
3 、24VDC无级调速驱动型智能驱动器驱动器提供了面板按纽控制、开关信号控制和0-5V模拟量信号控制三种方式,可直接连接到电脑,条形码阅读器,红外线侦测等先进的控制输送场合。
光电数码管可以直观显示电机转速。
旋钮或0-5V模拟量信号可以无级调速到需要的速度。
4、耐用的金属齿轮 。
内部减速装置采用行星齿轮结构,所有的齿轮都是钢的,包括齿圈,高硬度和高耐磨性保证了电动滚筒的使用寿命。
5、 无论连续运行,间歇运行,甚至频繁起停,都能轻松应付(最大可以30次/每分钟)。
DC24V无级调速驱动型智能驱动器:1.控制器电源范围:DC18 –28 V,2.控制器输出电压:最大功率:100W3.控制器绝缘电阻:500V/2MΩ4.控制器使用环境条件:a.海拔不得超过2000 米、b.环境温度-20℃-+60℃、c.相对湿度≤95%5.控制器保护功能:过流,过载保护。
EQUBR电动滚筒说明书xx年ydb电动滚筒使用说明书ExdI 隔爆油冷式电动滚筒使用说明书本公司通过了方圆标志认证集团的质量管理体系认证。
管理体系符合:GB/T-200/ISO9001-200 标准要求。
集安佳通用机械有限公司2013年07月版目录一、概述........................................................................1 二、主要用途与适用范围 (1)三、主要规格及技术参数……………………………………………1 四、产品的主要结构…………………………………………………1 五、吊运与保管………………………………………………………2 六、安装、调整及试运转……………………………………………2 七、生产使用..................................................................3 八、维护与保养 (3)九、滚动轴承与橡胶油封目录………………………………………4 十、电动滚筒常见故障及排除方法…………………………………4 、订货代号………………………………………………………4 十二、注意事项………………………………………………………5 一、概述隔爆型油冷式电动滚筒(以下简称电动滚筒)是带式输送机的新型驱动装置,与外部装置比较,具有以下优点: 1.1由于电动滚筒全部零件放入滚筒空腔内,故结构紧凑、占地少;外观整齐、操作安全、维护方便。
1.2 重量轻、节约金属材料。
隔爆型电动滚筒根据外形尺寸和参数的不同分为支座式和滑块式,详见3.1和3.2。
本说明书将该系列产品的用途、结构、安装、操作、维护、检修及选用等方面向用户作以介绍,以便在使用过程中引起重视,保证产品的使用寿命和工作可靠性。
该系列产品的执行标准是/T7330—200《电动滚筒》标准与Q/JXTY003—2012企业标准。
INSPIRED BY EFFICIENCY目录电动滚筒 DM 0080符号电动滚筒改向滚筒选件配件目录英特诺集团4英特诺核心产品和解决方案 6高效的皮带驱动 8英特诺电动滚筒平台 10电动滚筒 DM 0080 12选件 38配件 62应用指南72英特诺集团英特诺集团揜抐歮❐毽㠨嫛₩㧉⧉嫛₩▔守✛挽㟎抮抡嫛₩Ⓟ抯₩◊䠦嫛₩英特诺集团是世界领先的内部物流核心技术和关键设备供应商。
在瑞士交易所上市的英特诺,总部位于瑞士圣安东尼奥,在全球拥有 32 家公司和 2,000 名员工。
控股公司全球技术中心销售、生产和服务区域技术中心英特诺核心产品和解决方案运输及配送如今,每天都有成千上万的物品流转于世界的各个角落,因此确保时间和地点的准确性至关重要。
这种趋势要求物流系统拥有强大功能,并提供高效的物流解决方案。
英特诺创新性的输送机模块和子系统随时服务于客户系统的重要场合:• 交叉带式分拣机• 皮带转弯输送机和皮带合流机• 零压力积放式输送机模块• 滚筒输送机• 皮带输送机精确预装、快速配送,使现场安装更便捷(即插即用)。
输送机模块和子系统确保为客户提供:卓越的可用性,同时操作简便;即使在处理量极低的时候亦有出色的效率;高效投资,投资回报周期短;适应各种变化场合。
存储和分拣经济和人性化:动态仓储解决方案采用无动力设计,专为需要拣选并快速运抵客户的快速消费品(如杂货)而设计。
原理简单而巧妙:FIFO(先进先出),即保证先存放的货物先取出;或 LIFO(后进先出),即最后存放的货物先取出。
意味着最小空间得到了最大的利用。
由于客户的需求和产品都是变化莫测的,因此我们的• 托盘式动态仓储系统• 箱盒式动态仓储系统外围子系统提供无限的设计选项。
不耗费分拣时间。
经营者将在二至三年内收回投资成本,并使投资回报与“准时制”相结合。
英特诺核心产品和解决方案英特诺采用全球标准化的平台打造核心产品,为客户提供应对日常物流挑战的解决方案。
外置式电动滚筒
外置式电动滚筒是将电动机装在滚筒体的外面,减速机构装在滚筒体内部的一种新型电动驱动装置。
它不但具有原电动滚筒的所有优点,而且客服了电动机散热条件差,容易烧损,使用功率受到限制的弱点,其功率可达160kw甚至更大。
外置式电动滚筒有Ⅰ型、Ⅱ型和Ⅲ型三种安装形式,可满足不同场合的安装需要;内部减速传动结构目前也有三种:定轴齿轮、摆线针轮、行星齿轮,每一种都经过精心设计,使用安全可靠。
配套动力采用Y系列标准电机,如选用YB系列隔爆型电机,则可应用于有隔爆要求的场合,因此外置式电动滚筒各种型号均可生成隔爆型。
本公司生产的外置式电动滚筒配用(GB5014-85)HL型弹性柱销式联轴器,对于大功率的,为改善启动性能,可采用YOX限矩型液力偶合器代替联轴器;有制动要求的可加装制动器,制动器采用YWZ型电力液力块式制动器,并对应配套使用带制动轮的同等规格联轴器或偶合器,有单向逆止要求的可加配逆止器。
本公司可为用户设计电动机支架和制动器、联轴器、液力偶合器防护罩等,设计系根据用户要求进行。
外置式电动滚筒已广泛应用于港口、矿山、冶金、电力等各部门的大。
中型带式输送机上,受到用户的一致好评。
滚筒体部分外形及安装尺寸表:
WⅠ驱动部分安装尺寸:
WⅡ驱动部分安装尺寸:
WⅢ驱动部分安装尺寸:。
电机外置式电动滚筒是一种新型驱动装置,大大改善了电动机的散热条件,适用范围更大,且装拆、维修方便,是各类带式输送机理想的驱动装置。
以下是电机外置式电动滚筒的简要说明:
一、产品概述
电机外置式电动滚筒主要由滚筒、驱动装置两个部分组成。
其中,驱动装置为二级齿轮,减速机置于筒形外壳内,外接立式电动机。
该设计不仅改善了电动机的散热条件,还使得装拆、维修更为便捷。
二、主要特点
1. 结构紧凑:采用先进的的设计理念,使得整个装置结构紧凑,占地面积小。
2. 高效散热:电动机外置,有利于散热,提高了电动机的工作效率和使用寿命。
3. 易于维护:驱动装置外置,方便日常检查和维护,降低了维修成本。
4. 适用范围广:适用于各种带式输送机,满足不同工况的需求。
三、使用注意事项
1. 在安装和使用前,请仔细阅读本说明书,确保正确理解和掌握各部件的功能和使用方法。
2. 定期对电动滚筒进行检查和维护,确保其处于良好的工作状态。
3. 如遇故障或异常情况,请立即停止使用,并及时联系专业维修人员进行处理。
4. 请勿私自拆卸或改装电动滚筒,以免影响其性能和安全性。
四、维护与保养
1. 保持电动滚筒的清洁,定期清除表面的灰尘和杂物。
2. 定期检查各部件的紧固情况,确保无松动现象。
3. 定期更换润滑油,保证减速机的正常运转。
4. 定期对电动机进行检查和维护,确保其性能稳定。
以上内容仅供参考,如需获取更详细的信息,建议查阅产品说明书或咨询厂家技术人员。
INSPIRED BY EFFICIENCY操作说明书Interroll 电动滚筒DM 系列型号 2.2 (07/2018) zh原操作手册译文制造商Interroll Trommelmotoren GmbHOpelstr. 341836 Hueckelhoven/Baal德国电话: +49 2433 44 610内容我们认真编辑本文件中的内容,尽力确保信息的正确性、时效性和完整性。
但我们不对这些信息提供任何形式的保证。
对于与使用本文件相关的任何形式的损失和后续损失,我们明确不承担任何责任。
我们保留随时变更以文档记录的产品和产品信息的权利。
著作权法/知识产权保护法文字、图片、图表和类似内容及其排列方式受著作权法和其他保护性法规的约束。
禁止以任何形式复制、修改、传输或公布本文件的部分或全部内容。
本文件的作用仅限于提供信息和按规定使用,不包括仿制相关产品的授权。
本文件中包含的所有标识(受保护的商标,比如标志和企业名称)是 Interroll Trommelmotoren GmbH 或者第三方的财产,未经事先书面同意,禁止使用、复制或传播。
型号 2.2 (07/2018) zh原操作手册译文Interroll DM 系列电动滚筒型号 2.2 (07/2018) zh 原操作手册译文3内容目录操作说明书的使用提示 (6)此操作说明书的内容 (6)此操作说明书是产品的一部分 (6)安全 (7)技术发展最新水平 (7)按规定使用 (7)违规使用 (7)人员资质 (8)操作者 (8)维修人员 (8)专业电工 (8)危险 (8)人身伤害 (8)电力 (8)油 (8)旋转零件 (8)高温的电机部件 (8)工作环境 (9)运行故障 (9)维护 (9)不正常的电机起动 (9)与其他设备的接口 (9)一般技术信息 (10)产品说明 (10)选项 (10)DM 系列电动滚筒的尺寸 (10)技术参数 (12)产品识别 (12)恒温保护 (13)标准配置:温度限制器,自动换挡 (13)可选配置:PTC(电阻的正温度系数) (14)DM 系列异步 1 相产品信息 (15)DM 系列异步 1 相铭牌 (15)DM 系列异步 1 相电气参数 (17)DM 0080 系列异步 1 相 (17)DM 0113 系列异步 1 相 (17)DM 系列异步 1 相连接图 (18)电缆连接 (18)接线盒中的连接 (18)DM 系列异步 3 相产品信息 (19)DM 系列异步 3 相铭牌 (19)DM 系列异步 3 相电气参数 (21)DM 0080 系列异步 3 相 (21)DM 0080 异步,部分载荷优化 (22)DM 0113 系列异步 3 相 (23)DM 0113 异步,部分载荷优化 (24)DM 0138 系列异步 3 相 (25)DM 系列异步 3 相连接图 (26)电缆连接 (26)Interroll DM 系列电动滚筒内容目录带插接件的接口 (27)接线盒中的连接 (28)DM 系列异步产品信息 (29)DM 系列异步铭牌 (29)DM 系列异步电气参数 (31)DM 0080 同步 (31)DM 0113 同步 (32)DM 系列异步连接图 (33)电缆连接 (33)带插接件的接口 (33)接线盒中的连接 (34)选项和配件 (35)DM 系列异步 3 相电磁制动器 (35)DM 系列异步 3 相制动整流器 (37)制动整流器 - 连接 (37)制动整流器 - 尺寸 (39)带变频器的异步电动滚筒 (41)与输入频率有关的扭矩 (41)变频器参数 (41)适用于 DM 系列的 BMB-6202 SKF 型编码器 (43)技术参数 (43)连接 (44)最理想的连接方法 (45)适用于 DM 系列的 RM44-RLS 型编码器 (46)技术参数 (46)连接 (47)信号连接 (47)RE-15-1-LTN型分解器 (48)技术参数 (48)连接 (48)阻抗 (49)DM 系列 SKS36/SEK37 Hiperface 型编码器 (50)技术参数 (50)连接 (51)运输和存放 (52)运输 (52)存放 (53)装配和安装 (54)有关安装的警告提示 (54)电动滚筒的安装 (54)电动滚筒的定位 (54)装配传送带 (55)传送带宽度/外壳长度 (55)传送带调整 (55)绷紧传送带 (56)传送带张力 (57)传送带延伸 (57)测量传送带延伸量 (58)计算传送带延伸量 (58)滚筒涂层 (59)链轮 (59)4型号 2.2 (07/2018) zh原操作手册译文Interroll DM 系列电动滚筒内容目录型号 2.2 (07/2018) zh 原操作手册译文5电气安装的警告提示 (60)电动滚筒的电气连接 (60)电动滚筒的连接-电缆选项 (60)电动滚筒的连接 - 带插接件 (60)电动滚筒的连接-接线盒选项 (60)单相电机 (61)外部电机防护 (61)集成恒温保护 (61)变频器 (61)防倒转装置 (61)电磁制动器 (62)调试和运行 (63)首次调试 (63)首次调试之前进行检查 (63)运行 (64)每次调试之前进行检查 (64)出现意外或故障时的应对措施 (64)维护和清洁 (65)维护和清洁的警告提示 (65)维护和清洁的准备工作 (65)维护 (65)检查电动滚筒 (65)在电动滚筒上更换润滑油 (66)清洁 (67)使用高压清洗机清洁电动滚筒 (67)卫生清洁 (68)故障帮助 (69)故障排除 (69)停机和废料处理 (75)停止运行 (75)废料处理 (75)附录 (76)缩写目录 (76)电气参数 (76)连接图 (77)颜色编码 (77)安装声明 (78)Interroll DM 系列电动滚筒操作说明书的使用提示本说明书对以下型号的电动滚筒进行了说明:•DM 系列此操作说明书的内容本操作说明书包含电动滚筒在不同运行阶段的重要提示和信息。
YWD型外装式电动滚筒产品使用说明书江苏泰隆减速机股份有限公司外装式摆线滚筒与普通电动滚筒驱动之间的胶带输送机的新型驱动装置,与电机一一减速机一一传动滚筒的外部驱动装置相比,具有以下优点:外装式油冷式电动滚筒是一种介于电机一一减速机一一传动滚筒的开式传动1.由于电动滚筒全部零部件放入滚筒内腔内,故结构紧凑简单,占地面积小;外观整齐,操作安全,维修方便。
2.重量轻,消耗金属材料少。
与普通内装式电动滚筒相比,具有以下优点:1.滚筒体内仅有硬齿面摆线针轮减速装置,结构更紧凑。
2.因为电机安装在滚筒外部,可以增设逆止器联轴器及液力偶合器等装置,使用性能更安全可靠,维修更换拆卸更方便。
3.电机安装在滚筒外面,电机散热性能好,因此更适用于大功率的使用场合。
故外装式电动滚筒在国民经济中获得广泛应用。
本说明书将该系列产品的用途。
结构、性能、安全、操作、维护、检修及选用等方面向用户作以介绍以便在使用过程中引起重视,保证机器的使用寿命和工作可靠性。
一、外装电动滚筒的用途外装式电动滚筒是胶带输送机的驱动装置,用以拖动胶带使主机运转,它可以广泛代替目前使用的电动机一一减速机所构成的外驱动装置,同时因为电机外置,散热性能好,较适用于要求大功率输送的场所。
1.油冷式电动滚筒密封性良好,因此可以用于粉尘大的潮湿泥泞的场所。
2.油冷式电动滚筒的密封结构的接线盒,因此可随主机安装在露天或室内工作。
3.电动滚筒采用B级绝缘的普通电动机,电机使用滴点较高的润滑脂,以及耐油高温的橡胶油封,因此当环境温度不超过40°C时,能够安全运转。
4.电动滚筒不适用于高温物料输送机。
5.电动滚筒不能应用于具有防爆要求的专场。
二、结构特点1.电动滚筒的主机安装应符合TD75型通用固定式胶带输送机及移动式胶带输送机产品的使用说明书提出之要求。
2.内部减速机构采用硬齿面摆线针轮传动,结构更紧凑,传动噪声小,寿命比齿轮滚筒更长。
3.试运转:新安装或大修后的输送机在安装完毕后,应进行2小时空车运转及8小时负载试运转,并做好如下检查工作:1.试输检查:(1)检查接线盒内接线是否正常可靠。
WD型外装式电动滚筒是二级齿轮,减速机构置于筒形外壳内,外接立式电动机,用于带式输送机的一种新型驱动装置,大大改善了电动机的散热条件,适用范围更大,且装拆、维修方便,是各类带式输送机理想的驱动装置。
WD型具有单向旋转,反向逆止功能。
WD 型外装式电动滚筒系列参数表:
订货说明:
订货注意事项:
(1).因目前外装式电动滚筒尚未制定相关行业标准,本厂将该型号电动滚筒首位代号用W(“外装”的首位汉语拼音)表示。
外装式电动滚筒外置电机可分为立式电机和卧式电机,用户订购时请加以说明;(2).用户订购逆止电动滚筒时,须注明旋转方向,如不注明则为任意方向。
其表示方法为在特性代号后加“S”(表示在电机引出线一侧观察,端盖应顺时针旋转)或“N”(表示在电机引出线一侧观察,端盖应逆
时针旋转);。
动力滚筒线使用及维护说明
一、简介及使用说明
动力滚筒输送机是一种应用于自动化总装生产线的输送设备。
其主要由机架、滚筒、电机及传动系统等几部分组成。
根据产品工艺要求,运用电机驱动,带动滚筒转动,实现对物品的输送功能。
二、维护保养
本设备维护保养分一级维护保养和二级维护保养。
(一)一级维护保养
日常维护保养主要由岗位工人完成,每天进行。
1.每天上班生产前检查有无物料、工具、杂物堆放在输送线上,会否影响正常运行。
2.每天下班前停机后,对输送线各工作区清除因当天工作时留下的各种废渣。
(二)、二级维护保养
二级维护保养应由专人(专班)定期进行,一般一至二个个月进行一次。
1.检查滚筒是否有弯曲;
2.检查滚筒安机架是否有弯曲变形,滚筒、支架等结构件连接螺丝是否松动,给予调整;
3.检查滚筒转动是否灵活,有无明显异常噪声。
4.检查链条是否松脱,滑落,断裂,如有断裂需及时更换。
5.检查电机、减速机转动有无异常,温度是否过高。
三、润滑
设备机械运动部件保持良好的润滑,是保证设备良好运行和正常寿命的基本前提:
1.每半年对减速箱润滑油进检查或者更换。
2.每月对轴承进行加油。
四、安全注意事项
1.在线体运行过程中,不要将手、脚伸入滚筒之间,否则,可能出现伤害事故;
2.禁止将工具、杂物放在线体上;
3.放置工件(工装板)至输送线上时,应轻放在线体中部,避免强硬冲击损伤滚筒表
面;
4.员工岗前应经过安全知识培训合格。
电机外置式电动滚筒说明书pdf 电机外置式电动滚筒是一种大型机电设备,广泛应用于矿山、工矿企业和港口等领域的物料输送系统。
其主要功能是通过驱动电机带动滚筒转动,将物料沿着滚筒的输送带运输到目的地。
本产品采用的电机外置式设计,使得电机与滚筒分离,从而有效降低设备的故障率和维修难度,提高了设备的稳定性和使用寿命。
针对本产品的特点和使用需求,我们提供以下使用和维护指南:
1.设备安装:
在安装本设备时,请务必遵循以下指导:
①安装时应该保证滚筒和输送带的中心线完全一致,否则会造成物料偏跑或者堵塞。
②在安装过程中,要严格按照图纸中的安装图进行安装,并确保设备的整体平稳和牢固。
③对于电机和减速器的安装,应该按照设备的设计要求进行选择并安装合适的弹性联轴器或者万向节等装置,以避免因为缺乏弹性变形而导致的设备振动和故障。
2.操作要点:
在正常使用中,请务必注意以下事项:
①电机外壳要保持干燥和清洁,避免油污和杂质对电机的损坏。
②滚筒的传动部分需要定期注油和保养,保证其正常运作。
③在启动设备前,先检查各部位的输送带是否被杂物堵塞,检查各个接口是否牢固,确保设备可以平稳运行。
3.维护保养:
本设备属于重型机械设备,需要定期进行检修和维护。
以下是我们推荐的维护保养周期:
①检查电机的电缆和接线,确保电气系统的正常运行。
②定期检查滚筒的传动部分和轴承的润滑情况,及时排除问题。
③检查输送带和其辅助装置的磨损和损坏情况,及时更换。
总的来说,电机外置式电动滚筒属于高效稳定的大型机电设备,在使用和维护过程中需要特别注意安全和细节。
我们希望本使用和维护指南能够给您带来帮助,使得设备能够长期、安全、高效地运行。