《建筑现场施工安全检查标准》JGJ
- 格式:docx
- 大小:21.75 KB
- 文档页数:9
《建筑施工安全检查标准》(jgj59)《建筑施工安全检查标准》(JGJ59)是建设部颁布的一部施工安全的行业一般技术规范,适用于建筑施工安全检查,原名为《建筑施工文库安全检查标准》。
本标准包括全部建筑施工工程安全检查项目,提出安全检查内容、程序和要求,包括安全投资管理、施工现场安全管理、安全检查与评价等。
一、安全投资管理:1、生产经营单位投资施工安全,应参照安全技术投资管理规范,编制安全投资管理计划,并实行安全投资管理工作;2、生产经营单位应建立施工安全管理内容;3、生产经营单位建立安全监督检查机制,严格安全监督检查制度;4、施工单位应根据生产经营单位要求,建立安全检查机制实行安全检查工作,定期参加施工安全大型专题技术培训。
二、施工现场安全管理1、施工现场安全管理应严格实施,要求按照施工安全技术要求,积极推行施工安全管理;2、施工人员应保持施工现场安全卫生,现场标准明确;3、施工单位应定期开展安全检查,防止事故的发生;4、任何单位不得擅自改变施工工艺或及设备;5、施工单位应采取有效措施,防止施工设备、检修材料出现损坏;6、施工工人应按照施工规程必须完成施工,施工过程中使用的安全用具必须有效,根据要求而定的安全设备应规范使用;7、所有施工人员应穿着安全用具,如安全帽、矿山鞋、安全服、矿山手套等,要做到有安全用具才能上岗。
三、安全检查与评价1、安全检查能够确定施工安全状况良好;2、安全检查要确立检查细节,应当随时监督和检查;3、安全检查应当考虑到工程生产经营及安全和环境卫生等多项技术要求;4、安全检查应及时及有效地识别和分析施工安全风险突出状况;5、安全检查应当结合当地情况,按照安全要求,缜密检查施工现场安全状况。
本标准旨在保证安全施工的质量,为项目施工管理工作提供了一个行业标准的参考。
确保在施工过程中,遵守所有安全保护规定,减少违反规定的风险,保护人身安全,使工程施工安全、质量达到最高要求。
精品文档
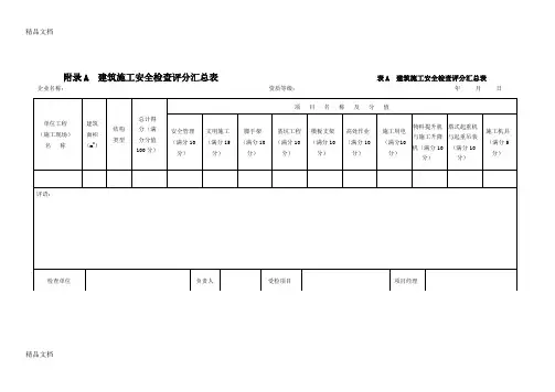
精品文档附录A 建筑施工安全检查评分汇总表表A 建筑施工安全检查评分汇总表
企业名称:资质等级:年月日
附录B 建筑施工安全分项检查评分表
表B.2 文明施工检查评分表
表B.3 扣件式钢管脚手架检查评分表
表B.5 碗扣式钢管脚手架检查评分表
表B.6 承插型盘扣式钢管脚手架检查评分表
表B.7 满堂脚手架检查评分表
表B.8 悬挑式脚手架检查评分表
表B.9 附着式升降脚手架检查评分表
表B.10 高处作业吊篮检查评分表
表B.11 基坑工程检查评分表
表B.12 模板支架检查评分表
表B.13 高处作业检查评分表
表B.14 施工用电检查评分表
表B.18 起重吊装检查评分表
表B.19 施工机具检查评分表。
建筑施工安全检查标准jgj59-2021建筑施工安全检查标准(JGJ59-2021)是我国建筑行业的重要法规之一,旨在规范建筑施工现场的安全管理,保障施工现场的安全与卫生,预防和减少安全事故的发生。
本文将对JGJ59-2021标准进行简要解析,以帮助建筑企业和施工人员更好地理解和实施这一标准。
一、建筑施工安全检查标准概述建筑施工安全检查标准是我国建筑行业安全管理的基础性规范,适用于各类建筑施工现场。
该标准规定了建筑施工安全检查的基本要求、检查内容、检查方法和管理措施等,旨在加强对施工现场的安全监管,提高施工现场的安全水平。
二、JGJ59-2021新标准的主要变化与旧版标准相比,JGJ59-2021标准在以下几个方面进行了修订:1.明确了建筑施工安全的定义,强调了以人为本、预防为主、综合治理的原则。
2.增加了建筑施工安全检查的分类,包括例行检查、专项检查、季节性检查等。
3.优化了建筑施工安全检查评分体系,更加注重施工现场的安全管理。
4.完善了建筑施工安全检查的相关规定,强化了对施工现场的安全监管。
三、建筑施工安全检查标准的具体内容JGJ59-2021标准主要包括以下几个部分:1.范围:规定了本标准适用的建筑施工现场。
2.规范性引用文件:列出了与本标准有关的其他法规和标准。
3.术语和定义:介绍了建筑施工安全、施工现场管理等关键词语和定义。
4.基本要求:明确了建筑施工安全检查的基本要求和原则。
5.检查内容:详细列出了建筑施工安全检查的主要内容,包括施工现场、设施设备、人员管理、材料物资等。
6.检查方法:介绍了建筑施工安全检查的方法,如现场查看、查阅资料、访谈等。
7.检查频次:明确了不同类型建筑施工安全检查的频次要求。
8.评分办法:介绍了建筑施工安全检查的评分体系,包括评分标准、评分方法和评分周期等。
9.结果处理:规定了建筑施工安全检查结果的处理方式,如整改、复查、通报等。
四、如何实施建筑施工安全检查标准1.建立健全建筑施工安全检查制度,明确检查职责和分工。
《建筑施工安全检查标准》JGJ59-2011标准的主要技术内容是:▪ 1. 总则;▪ 2. 术语;▪ 3. 检查评定项目;▪ 4. 检查评分办法;▪ 5. 检查评定等级以及相关附录。
▪▪ 1. 增设“术语”章节;▪ 2. 增设“检查评定项目”章节;▪ 3. 将原“检查分类及评分方法”一章调整为“检查评分方法”和“检查评定等级”两个章节,并对评定等级的划分标准进行了调整;▪ 4. 将原“检查评分表”一章调整为附录;▪ 5. 将“建筑施工安全检查评分汇总表”中的项目名称及分值进行了调整;▪ 6. 删除“挂脚手架检查评分表”、“吊篮脚手架检查评分表”;▪7. 将“‘三宝’、‘四口’防护检查评分表”改为“高处作业检查评分表”,并新增移动式操作平台和悬挑式钢平台的检查内容;▪8. 新增“碗扣式钢管脚手架检查评分表”、“承插型盘扣式钢管脚手架检查评分表”、“满堂脚手架检查评分表”、“高处作业吊篮检查评分表”;▪9. 依据现行法规和标准对检查评分表的内容进行了调整。
▪10.增加了强制性条文。
▪标准的主要章节▪ 1 总则▪ 2 术语▪ 3 检查评定项目▪ 3.1 安全管理▪ 3.2 文明施工▪ 3.3 扣件式钢管脚手架▪ 3.4 门式钢管脚手架▪ 3.5 碗扣式钢管脚手架▪ 3.6 承插型盘扣式钢管脚手架▪ 3.7 满堂脚手架▪ 3.8 悬挑式脚手架▪ 3.9 附着式升降脚手架▪ 3.10 高处作业吊篮▪ 3.11 基坑工程▪ 3.12 模板支架▪ 3.13 高处作业▪ 3.14 施工用电▪ 3.15 物料提升机▪ 3.16 施工升降机▪ 3.17 塔式起重机▪ 3.18 起重吊装▪ 3.19 施工机具▪ 4 检查评分方法▪ 5 检查评定等级▪附录A 建筑施工安全检查评分汇总表▪附录B 建筑施工安全分项检查评分表▪本标准用词说明▪引用标准名录▪附:条文说明安全管理检查评分表保证项目(2011版)安全生产责任制(10分):▪未建立安全生产责任制,扣10分▪安全生产责任制未经责任人签字确认,扣3分▪未备有各工种安全技术操作规程,扣2~10分▪未按规定配备专职安全员,扣2~10分▪工程项目部承包合同中未明确安全生产考核指标,扣5分▪未制定安全生产资金保障制度,扣5分▪未编制安全资金使用计划或未按计划实施,扣2~5分▪未制定伤亡控制、安全达标、文明施工等管理目标,扣5分▪未进行安全责任目标分解,扣5分▪未建立对安全生产责任制和责任目标的考核制度,扣5分▪未按考核制度对管理人员定期考核,扣2~5分施工组织设计及专项施工方案(10分):▪施工组织设计中未制定安全技术措施,扣10分▪危险性较大的分部分项工程未编制安全专项施工方案,扣10分▪未按规定对超过一定规模危险性较大的分部分项工程专项施工方案进行专家论证,扣10分▪施工组织设计、专项施工方案未经审批,扣10分▪安全技术措施、专项施工方案无针对性或缺少设计计算,扣2~8分▪未按施工组织设计、专项施工方案组织实施,扣2~10分安全技术交底(10分):▪未进行书面安全技术交底,扣10分▪未按分部分项进行交底,扣5分▪交底内容不全面或针对性不强,扣2~5分▪交底未履行签字手续,扣4分安全检查(10分):▪未建立安全检查制度,扣10分▪未有安全检查记录,扣5分▪事故隐患的整改未做到定人、定时间、定措施,扣2~6分▪对重大事故隐患整改通知书所列项目未按期整改和复查,扣5~10分安全教育(10分):▪未建立安全教育培训制度,扣10分▪施工人员入场未进行三级安全教育培训和考核,扣5分▪未明确具体安全教育培训内容,扣2~8分▪变换工种或采用新技术、新工艺、新设备、新材料施工时未进行安全教育,扣5分▪施工管理人员、专职安全员未按规定进行年度教育培训和考核,每人扣2分应急救援(10分):▪未制定安全生产应急救援预案,扣10分▪未建立应急救援组织或未按规定配备救援人员,扣2~6分▪未定期进行应急救援演练,扣5分▪未配置应急救援器材和设备,扣5分分包单位安全管理(10分):▪分包单位资质、资格、分包手续不全或失效,扣10分▪未签订安全生产协议书,扣5分▪分包合同、安全生产协议书,签字盖章手续不全,扣2~6分▪分包单位未按规定建立安全机构或未配备专职安全员,扣2~6分持证上岗(10分):▪未经培训从事施工、安全管理和特种作业,每人扣5分▪项目经理、专职安全员和特种作业人员未持证上岗,每人扣2分生产安全事故处理(10分):▪生产安全事故未按规定报告,扣10分▪生产安全事故未按规定进行调查分析、制定防范措施,扣10分▪未依法为施工作业人员办理保险,扣5分安全标志(10分):▪主要施工区域、危险部位未按规定悬挂安全标志,扣2~6分▪未绘制现场安全标志布置图,扣3分▪未按部位和现场设施的变化调整安全标志设置,扣2~6分▪未设置重大危险源公示牌,扣5分文明施工▪文明施工检查评定应符合现行国家标准《建设工程施工现场消防安全技术规范》GB50720和现行行业标准《建筑施工现场环境与卫生标准》JGJ146、《施工现场临时建筑物技术规范》JGJ/T188的规定。
建筑施工安全检查标准jgj59-2021建筑施工安全检查标准JGJ59-2021是我国建筑行业中重要的标准之一,它规定了建筑施工过程中的安全检查要求和标准。
本文将介绍该标准的主要内容和要求。
一、标准的适用范围建筑施工安全检查标准JGJ59-2021适用于各类建筑施工工程,包括住宅、商业、工业等各个领域。
它的目的是为了保障工人的安全和减少施工过程中的安全事故。
二、施工现场安全检查标准要求在施工现场进行定期的安全检查,包括对施工场地、施工设备、临时设施以及作业人员的安全情况进行检查。
检查内容包括施工现场的布置、施工设备的运行状态、作业人员的劳动保护措施等。
对于发现的安全隐患和问题,要及时整改或采取相应的措施。
三、施工作业安全措施标准要求在施工作业过程中,必须采取相应的安全措施,包括使用符合安全要求的施工设备和工具、佩戴个人防护装备、设置安全警示标识等。
同时,对于高空、深基坑、脚手架等特殊作业环境和设备,还要进行专项的安全检查和措施。
四、安全培训和教育标准强调了安全培训和教育的重要性,要求施工单位和项目负责人对作业人员进行必要的安全培训和教育。
培训内容包括施工安全知识、操作规程、事故应急处理等。
培训后还要进行考核,确保作业人员掌握必要的安全知识和技能。
五、安全管理制度标准要求建立健全的安全管理制度,包括安全责任制、安全管理人员的职责和权限、安全检查和记录等。
施工单位和项目负责人要加强对安全管理制度的执行,确保施工过程中的安全。
六、安全事故处理标准明确了安全事故的分类和处理办法。
对于发生的轻微事故要及时处理,对于重大事故要立即报告并进行调查和处理。
同时,要对事故进行分析和总结,找出事故原因,并采取相应的措施防止类似事故再次发生。
总结起来,建筑施工安全检查标准JGJ59-2021是我国建筑行业中的重要标准,它对建筑施工过程中的安全进行了规范和要求。
施工单位和项目负责人要严格按照标准进行安全检查和管理,确保施工过程中的安全和工人的健康。
《建筑施工安全检查标准》(JGJ59-2011)的内容解读【摘要】《建筑施工安全检查标准》(JGJ59—2011)是我国建筑施工中,在安全的管理领域里,一项非常重要的标准,而且为了适应新的建筑安全形势,已经历经了很多次的修订。
其不仅在施工现场的安全生产方面有很好的表现,而其在文明的施工方面,也发挥了极其重要的作用。
下面就对新版的标准进行解读,为以后的建筑安全生产打下扎实的基础。
【关键词】建筑施工;安全检查标准随着我多经济环境进入到一个高速发展的形式,我国的施工建筑也和之前有了非常明显的改变,但是对建筑的安全保障是没有变的,为了适应新的建筑技术和方法,对《建筑施工安全检查标准》的不断更新是非常有必要的,因为安全检查对促进建筑工程在施工现场的安全生产工作,有着非常重要的意义。
下面就对《建筑施工安全检查标准》做进一步的解读和分析。
一、修订的中心内容1.1适用的主要范围想新版方标准中明确规定说“本标准适用于房屋建筑工程施工现场安全生产的检查评定”。
这是这套文件的第1.0.2条所阐述的,和原版的建筑施工安全检查标准中所述的“本标准适用于建筑施工企业及其主管部门对建筑施工安全工作的检查和评价”,这是原版的第 1.0.2表明的,它们之间相比较,新的规定对这个标准适用施工工程类别的界定变得更加清晰,它不仅明确了使所适用的对象,对象是“房屋建筑工程施工现场”,而且还细化了其安全责任的划分。
除此之外,原来版本的标准条文中,还把其标准所适用的群体明确的限定了,这部分群体是“建筑施工企业及其主管部门”,但是更新版本的标准,并没有继续使用这样的表述方式,也没有明确限定这个标准所适用的具体群体,所以新的建筑施工安全检查标准的使用范围更加的扩大了,这和原来版本的规定标准相比较,是一个非常大的进步,因为范围的进一步扩大,行业内可以有更多的专业技术人员来对其进行使用和参考对这些标准的有关条文可以完全的使用,而不是像之前那样,只是局限在使用安全生产工作当中的检查评价内容,所以不仅更好的发挥了这个标准对在建筑领域中,对施工安全生产工作的指导,而且还促进了这个标准在使用中的推广和普及。
jgj59-2024建筑施工安全检查标准建筑施工安全检查是确保施工现场安全和预防施工事故发生的重要环节。
2024年,随着建筑施工行业的发展,施工安全的重要性进一步凸显。
为此,制定一套科学、全面的施工安全检查标准势在必行。
一、施工现场的安全环境检查1.安全通道的设置是否合理,通道是否畅通。
2.施工现场是否设置了安全警示标志,是否有明确的安全区域划分。
3.是否设有完善的安全隔离设施,保证施工过程中的人员和设备的安全。
4.施工现场是否存在突出的安全隐患,例如高处作业、防护设施等。
二、施工人员的安全检查1.施工人员是否具备相应的安全技术资格证书,是否接受过必要的安全培训。
2.施工人员是否佩戴必要的个人防护装备,如安全帽、安全鞋、安全带等。
3.施工人员是否遵守安全操作规程,例如高处作业时是否使用防护设备。
4.是否存在违反安全规定行为的人员,并及时进行整改和处罚。
三、施工机械设备的安全检查1.施工机械设备是否经过定期检修和维护,是否达到安全使用标准。
2.是否有专人负责施工机械设备的使用和维护,并进行必要的培训。
3.施工机械设备是否设置了必要的保险装置和警示装置,以保证施工过程中的安全。
4.是否存在使用不符合规范的施工机械设备,并及时进行整改和更换。
四、施工材料的安全检查1.施工材料是否具有相应的安全合格证书,是否符合国家相关标准。
2.施工材料是否储存合理,避免引发火灾、爆炸等安全事故。
3.是否存在使用劣质材料的行为,并及时进行整改和更换。
4.施工材料是否使用符合要求的安全工具和设备进行操作。
五、施工过程中的安全检查1.施工过程中是否进行严格的操作规程,防止产生危险行为。
2.是否有足够的人员进行监督和指导,并及时纠正不安全状态。
3.是否存在违反施工计划、施工程序的行为,及时调整和完善。
4.是否存在危险物品的正确储存和处置措施,避免危险物品的泄漏和事故。
以上所提及的标准仅是建筑施工安全检查的基本要点,具体的标准应根据不同的项目和施工情况进行适当调整。
《建筑施工安全检查标准》jgj59-2011中各检查表检查项目的构成为科学评价建筑施工现场安全生产,预防生产安全事故的发生,保障施工人员的安全和健康,提高施工管理水平,实现安全检查工作的标准化,因此编制了《建筑施工安全检查标准》,规范规定了建筑施工安全检查项目的构成、评定内容、评分方法、评定等级。
一、各检查表检查项目的构成及内容1.安全管理(1)安全管理检查评定应符合国家现行有关安全生产的法律、法规、标准的规定。
(2)安全管理检查评定保证项目应包括:安全生产责任制、施工组织设计及专项施工方案、安全技术交底、安全检查、安全教育、应急救援。
一般项目应包括:分包单位安全管理、持证上岗、生产安全事故处理、安全标志。
2. 文明施工(1)文明施工检查评定应符合现行国家标准《建设工程施工现场消防安全技术规范》GB50720和《建筑施工现场环境与卫生标准》JGJ146、《施工现场临时建筑物技术规范》JGJ/T188的规定。
(2)文明施工检查评定保证项目应包括:现场围挡、封闭管理、施工场地、材料管理、现场办公与住宿、现场防火。
一般项目应包括:综合治理、公示标牌、生活设施、社区服务。
3.扣件式钢管脚手架(1)扣件式钢管脚手架检查评定应符合现行行业标准《建筑施工扣件式钢管脚手架安全技术规范》JGJ130的规定。
(2)扣件式钢管脚手架检查评定保证项目应包括:施工方案、立杆基础、架体与建筑结构拉结、杆件间距与剪刀撑、脚手板与防护栏杆、交底与验收。
一般项目应包括:横向水平杆设置、杆件连接、层间防护、构配件材质、通道。
4.门式钢管脚手架(1)门式钢管脚手架检查评定应符合现行行业标准《建筑施工门式钢管脚手架安全技术规范》JGJ128的规定。
(2)门式钢管脚手架检查评定保证项目应包括:施工方案、架体基础、架体稳定、杆件锁臂、脚手板、交底与验收。
一般项目应包括:架体防护、构配件材质、荷载、通道。
5.碗扣式钢管脚手架(1)碗扣式钢管脚手架检查评定应符合现行行业标准《建筑施工碗扣式钢管脚手架安全技术规范》JGJ166的规定。
建筑施工现场安全检查标准(JGJ59-99)应用释疑目录文明施工检查标准和应用实例表3.0.3 按照167号国际劳工公约《施工安全与卫生公约》的要求,施工现场不但应该做到安全生产不发生事故,同时还应做到文明施工,整齐有序,为此,本标准将现场围挡、封闭管理,施工场地,材料堆放、现场住宿、现场防火等列作保证项目作为检查重点。
表中凡是“不符合卫生要求”的条款均以国家及当地卫生部门颂发的有关规定、标准为依据。
高层建筑是指30m以上的建筑物,应随层设消防水源管道,用2寸立管,设加压水泵,每层留有消防水源接口。
一、场围挡1、市区主要路段(含机场、码头、车站)沿街工地围挡高度应不低于2.5m。
2、市区一般路段的工地周围围挡高度应不低于1.8m。
3、挡应采用砌块、夹板、瓦楞板、彩钢板等坚固、稳定、整洁美观的硬质材料。
围挡等临设施工应有详图,详图中应反映出围挡位置、高度、材质、基础、压顶、涂料颜色等要素。
围挡设计时,宜结合工程概况、企业业绩、门头企业标志等,统筹考虑。
4、围挡应沿工地一周连续设置,结合工地内施工便道和周围环境设置主大门及附门。
围挡不应超建筑红线,若因施工需要,在办理好相应许可证的前提下,可超红线,临时占用人行道等。
二、管理1、施工现场的出入口应设置大门,一般宜设置无横梁的大门,有横梁的大门2、高度应考虑运输车辆的装载通行高度。
3、施工现场应设立门卫,并制定门卫制度。
4、进入施工现场应佩戴工作卡,并且用不同的工作卡标志各工种人员。
5、大门应设置统一的企业标志。
三、施工场地1、工地地面应硬地化处理,硬地化处理是在打桩、基础施工前浇筑混凝土地面,留出打桩孔和泥浆沟渠,并将施工机械置于地面上作业,方能有效地控制泥浆的污染。
结合考虑成本因素,泥浆车辆、建筑材料车辆行走干道混凝土地面厚度应在150mm左右;群桩部位的混凝土地坪厚度应在80mm左右;桩位较稀的部位混凝土地坪厚度应在50mm 左右,也可采用振动灌浆地坪。
建筑施工安全检查标准》jgj59建筑施工是一个复杂而又危险的行业,施工现场安全问题一直备受关注。
为了保障建筑施工人员的生命安全和身体健康,提高施工质量,保护环境,减少事故的发生,国家相关部门制定了《建筑施工安全检查标准》(JGJ59),该标准对建筑施工过程中的安全管理、安全检查等方面进行了详细规定。
首先,建筑施工安全检查标准要求施工单位必须建立健全安全管理制度,明确安全管理责任人,制定安全生产规章制度,建立健全安全管理档案。
施工单位要加强对施工现场的安全管理,严格执行安全操作规程,加强对施工人员的安全教育和培训,确保施工人员具备相应的安全生产知识和技能。
其次,施工单位要对施工现场进行定期的安全检查,及时发现并消除安全隐患。
安全检查包括对施工场地、施工设备、施工工艺等方面的全面检查,确保施工现场的安全生产条件符合标准要求。
同时,要建立健全安全检查记录和台账,及时处理安全检查中发现的问题,确保施工现场的安全生产状态。
另外,建筑施工安全检查标准还要求施工单位要加强对施工人员的安全防护。
施工单位要为施工人员配备必要的安全防护用品,如安全帽、安全鞋、安全带等,并对施工人员进行安全防护培训,提高施工人员的安全防护意识和能力。
此外,建筑施工安全检查标准还对施工现场的消防安全、施工现场的危险化学品管理、施工现场的机械设备安全等方面进行了详细规定。
施工单位要严格按照标准要求,加强对这些方面的安全管理和检查,确保施工现场的安全生产。
总之,《建筑施工安全检查标准》(JGJ59)是建筑施工安全管理的重要依据,施工单位要严格遵守该标准的要求,加强对施工现场的安全管理和检查,保障施工人员的生命安全和身体健康,促进建筑施工行业的健康发展。
希望全行业的从业人员都能以安全第一的理念,严格执行相关标准,共同营造一个安全、和谐的建筑施工环境。
jgj 59-2011 建筑施工安全检查标准该标准规定了建筑施工安全检查的原则、内容、方法、程序和要求。
1. 原则建筑施工安全检查应坚持以下原则:(1)预防为主,防范为先。
(2)综合治理,防范措施措施要有针对性。
(3)注意事故隐患,及时发现并处理。
(4)依法治理,做到法规依据合理,程序规范。
2. 检查内容建筑施工安全检查包括以下内容:(1)施工组织设计、安全生产管理制度是否建立并实施。
(2)施工场地周边环境是否安全,交通是否有序。
(3)施工现场是否有完整的规划和分期施工计划,并严格执行。
(4)承包、分包、转包等合同是否符合安全生产法律法规和技术规范要求。
(5)施工现场安全防护设施是否到位,是否有效运行。
(6)人员安全意识是否到位,是否存在人员出勤不全,无安全证书上岗等情况。
(7)机械设备是否安全可靠,是否定期维护、保养、检修。
(8)在作业过程中的安全,是否有足够的安全保障措施。
3. 检查方法建筑施工安全检查可采取以下方法:(1)现场巡查,实地查看施工现场情况。
(2)查阅相关文件资料,了解施工过程和规划。
(3)询问现场管理人员,了解施工过程中的风险点。
(4)组织现场演练,检验应急处理能力。
4. 检查程序建筑施工安全检查程序包括以下步骤:(1)确定检查对象和检查时间。
(2)召集相关人员,进行现场检查。
(3)记录检查内容和发现的问题。
(4)对问题进行整理,制定整改方案。
(5)跟踪整改情况,确保问题得到解决。
5. 要求建筑施工安全检查要求:(1)检查人员应具有较强的安全意识和专业知识。
(2)检查结果应及时通知施工方,并制定整改措施。
(3)问题整改应有明确的时间表和责任人。
(4)检查过程中应做好记录工作,便于跟踪整改情况。
(5)定期对施工现场进行安全检查,确保安全生产常态化。
建筑施工检查标准jgj 59-2011实施指南摘要:1.建筑施工安全检查标准JGJ 59-2011 的背景与重要性2.JGJ 59-2011 的主要内容与适用范围3.JGJ 59-2011 实施指南的具体要求4.建筑施工安全检查的重要性与意义5.如何有效地实施建筑施工安全检查标准JGJ 59-2011正文:建筑施工安全检查标准JGJ 59-2011 实施指南建筑施工安全检查标准JGJ 59-2011 是由我国住房和城乡建设部颁布的一项重要标准,旨在规范建筑施工现场的安全生产管理,保障施工人员的安全与健康,提高施工管理水平。
本文将围绕JGJ 59-2011 实施指南展开讨论,以期为建筑施工安全检查提供有效的实施方法。
1.建筑施工安全检查标准JGJ 59-2011 的背景与重要性随着我国城市化进程的加速推进,建筑施工行业呈现出快速发展的态势。
然而,在建筑施工现场,安全事故时有发生,不仅给施工人员带来严重的伤害,还给国家和企业造成巨大的经济损失。
为降低安全事故发生率,确保建筑施工的顺利进行,我国颁布了建筑施工安全检查标准JGJ 59-2011。
该标准对于加强建筑施工安全管理,提高安全生产水平具有重要意义。
2.JGJ 59-2011 的主要内容与适用范围JGJ 59-2011 规定了建筑施工安全检查的具体内容,包括安全生产责任制、施工组织设计及专项施工方案、安全技术交底、安全检查、安全教育、应急救援等方面。
适用于房屋建筑工程施工现场安全生产的检查评定。
3.JGJ 59-2011 实施指南的具体要求根据JGJ 59-2011 实施指南,建筑施工单位应建立完善的安全生产责任制,明确各级管理人员的职责和任务;在施工组织设计及专项施工方案中,应充分考虑安全生产因素,制定相应的安全技术措施;安全技术交底应落实到每一个施工人员,确保施工人员了解并遵守安全规定;定期进行安全检查,发现隐患及时整改;开展安全教育活动,提高施工人员的安全意识和自我保护能力;建立完善的应急救援体系,确保在突发事件发生时能够迅速应对。
《建筑施工安全检查标准》(JGJ59—99)及相应规范的基本要求一、该检查标准出台的目的、作用:1、目的:提高建筑施工安全生产工作和文明施工的管理水平,预防和减少生产安全事故的发生,确保职工的生命和财产安全。
2、作用:对建筑施工现场安全生产状况进行科学的评价。
使建筑施工安全评价工作实现科学化、标准化、规范化的管理。
二、检查分类和评定要求:1、建筑施工的检查分类:检查标准将建筑施工现场各部位施工分成十个方面进行管理和控制:(1)安全管理;(2)文明工地;(3)脚手架;(4)基坑支护与模板工程;(5)“三宝”“四口”防护;(6)施工用电;(7)物料提升机与外用电梯;(8)塔吊;(9)起重员吊装;(10)施工工机具。
2、检查要求:(1)在建筑施工安全检查十个方面,其中有八个方面设定了保证项目(除“三宝”“四口”防护,施工机具),保证项目是检查的重点和关键。
(2)在八个方面设定保证项目(除:安全管理、文明工地),其余6个方面在施工作业前必须编制和审批合格的专项施工安全技术措施方案。
3、评分方法:(1)检查评分时将不得采用负分值,总分用100分制方法进行评定;(2)在检查评分时,当有保证项目的方面,首先检查保证项目,因保证项目是检查的重点和关键;当保证项目中任何一个子项得零分或保证项目得分小计<40分时,此项检查评分表不应得分。
4、建筑施工现场安全生产状况的评价分为三个等级:优良、合格、不合格。
(2.0.10条)优良:保证项目得分必须≥40分,汇总表得分在80分及其以上。
合格:(1)保证项目得分≥40分,汇总表得分在70分及其以上;(2)有一分表未得分,汇总表得分在75分以及其以上;(3)当起重吊装检查评分表或施工机具检查评分表未得分,汇总表得分在80分及其以上。
不合格:(1)汇总表得分不足70分;(2)有一份表未得分,汇总表得分在75分以下;(3)当起重吊装检查评分表或施工机具检查评分表未得分,汇总表得分在80分以下。
《建筑施工安全检查标准》JGJ59-2011标准的主要技术内容是:▪ 1. 总则;▪ 2. 术语;▪ 3. 检查评定项目;▪ 4. 检查评分办法;▪ 5. 检查评定等级以及相关附录。
▪▪ 1. 增设“术语”章节;▪ 2. 增设“检查评定项目”章节;▪ 3. 将原“检查分类及评分方法”一章调整为“检查评分方法”和“检查评定等级”两个章节,并对评定等级的划分标准进行了调整;▪ 4. 将原“检查评分表”一章调整为附录;▪ 5. 将“建筑施工安全检查评分汇总表”中的项目名称及分值进行了调整;▪ 6. 删除“挂脚手架检查评分表”、“吊篮脚手架检查评分表”;▪7. 将“‘三宝’、‘四口’防护检查评分表”改为“高处作业检查评分表”,并新增移动式操作平台和悬挑式钢平台的检查内容;▪8. 新增“碗扣式钢管脚手架检查评分表”、“承插型盘扣式钢管脚手架检查评分表”、“满堂脚手架检查评分表”、“高处作业吊篮检查评分表”;▪9. 依据现行法规和标准对检查评分表的内容进行了调整。
▪10.增加了强制性条文。
▪标准的主要章节▪ 1 总则▪ 2 术语▪ 3 检查评定项目▪安全管理▪文明施工▪扣件式钢管脚手架▪门式钢管脚手架▪碗扣式钢管脚手架▪承插型盘扣式钢管脚手架▪满堂脚手架▪悬挑式脚手架▪附着式升降脚手架▪高处作业吊篮▪基坑工程▪模板支架▪高处作业▪施工用电▪物料提升机▪施工升降机▪塔式起重机▪起重吊装▪施工机具▪ 4 检查评分方法▪ 5 检查评定等级▪附录A 建筑施工安全检查评分汇总表▪附录B 建筑施工安全分项检查评分表▪本标准用词说明▪引用标准名录▪附:条文说明安全管理检查评分表保证项目(2011版)安全生产责任制(10分):▪未建立安全生产责任制,扣10分▪安全生产责任制未经责任人签字确认,扣3分▪未备有各工种安全技术操作规程,扣2~10分▪未按规定配备专职安全员,扣2~10分▪工程项目部承包合同中未明确安全生产考核指标,扣5分▪未制定安全生产资金保障制度,扣5分▪未编制安全资金使用计划或未按计划实施,扣2~5分▪未制定伤亡控制、安全达标、文明施工等管理目标,扣5分▪未进行安全责任目标分解,扣5分▪未建立对安全生产责任制和责任目标的考核制度,扣5分▪未按考核制度对管理人员定期考核,扣2~5分施工组织设计及专项施工方案(10分):▪施工组织设计中未制定安全技术措施,扣10分▪危险性较大的分部分项工程未编制安全专项施工方案,扣10分▪未按规定对超过一定规模危险性较大的分部分项工程专项施工方案进行专家论证,扣10分▪施工组织设计、专项施工方案未经审批,扣10分▪安全技术措施、专项施工方案无针对性或缺少设计计算,扣2~8分▪未按施工组织设计、专项施工方案组织实施,扣2~10分安全技术交底(10分):▪未进行书面安全技术交底,扣10分▪未按分部分项进行交底,扣5分▪交底内容不全面或针对性不强,扣2~5分▪交底未履行签字手续,扣4分安全检查(10分):▪未建立安全检查制度,扣10分▪未有安全检查记录,扣5分▪事故隐患的整改未做到定人、定时间、定措施,扣2~6分▪对重大事故隐患整改通知书所列项目未按期整改和复查,扣5~10分安全教育(10分):▪未建立安全教育培训制度,扣10分▪施工人员入场未进行三级安全教育培训和考核,扣5分▪未明确具体安全教育培训内容,扣2~8分▪变换工种或采用新技术、新工艺、新设备、新材料施工时未进行安全教育,扣5分▪施工管理人员、专职安全员未按规定进行年度教育培训和考核,每人扣2分应急救援(10分):▪未制定安全生产应急救援预案,扣10分▪未建立应急救援组织或未按规定配备救援人员,扣2~6分▪未定期进行应急救援演练,扣5分▪未配置应急救援器材和设备,扣5分分包单位安全管理(10分):▪分包单位资质、资格、分包手续不全或失效,扣10分▪未签订安全生产协议书,扣5分▪分包合同、安全生产协议书,签字盖章手续不全,扣2~6分▪分包单位未按规定建立安全机构或未配备专职安全员,扣2~6分持证上岗(10分):▪未经培训从事施工、安全管理和特种作业,每人扣5分▪项目经理、专职安全员和特种作业人员未持证上岗,每人扣2分生产安全事故处理(10分):▪生产安全事故未按规定报告,扣10分▪生产安全事故未按规定进行调查分析、制定防范措施,扣10分▪未依法为施工作业人员办理保险,扣5分安全标志(10分):▪主要施工区域、危险部位未按规定悬挂安全标志,扣2~6分▪未绘制现场安全标志布置图,扣3分▪未按部位和现场设施的变化调整安全标志设置,扣2~6分▪未设置重大危险源公示牌,扣5分文明施工▪文明施工检查评定应符合现行国家标准《建设工程施工现场消防安全技术规范》GB50720和现行行业标准《建筑施工现场环境与卫生标准》JGJ146、《施工现场临时建筑物技术规范》JGJ/T188的规定。
《建筑施工安全检查标准》(JGJ59-99)自1999-5-1起执行目?录??????????前?言根据建设部(98)建标工[便]第16号文的要求,标准编制组在广泛调查研究,认真总结实践经验,参考有关国际标准和国外先进标准,并广泛征求意见基础上,制定了本标准。
本标准的主要技术内容是:1.总则;2.检查分类及评分方法;3.检查评分表。
修订的主要技术内容是增加了文明施工、基坑支护、模板工程、外用电梯和起重吊装五部分检查表。
本标准由建设部建筑安全标准技术归口单位北京中建建筑科学技术研究院归口管理,授权由建设部建筑管理司负责具体解释。
本标准负责具体解释单位是:建设部建筑管理司(地址:北京西郊百万庄三里河路9号,邮政编码:100835)。
本标准主编单位:天津建工集团总公司本标准参编单位:中国工程标准化协会施工安全专业委员会、上海市建设工程安全监督总站、哈尔滨市建设工程安全监察站、嘉兴市建筑安全监督站、杭州市建筑工程安全监督站、深圳市施工安全监督站、北京建工集团、山西省建筑安全监督站。
本标准主要起草人名单:秦春芳刘嘉福戴贞洁丁传波姜敏关海欧戴宝荣夏静姚天玮孙锦强叶松荣唐伟康琮1999年2月1总?则1.0.1为了科学地评价建筑施工安全生产情况,提高安全生产工作和文明施工的管理水平,预防伤亡事故的发生,确保职工的安全和健康,实现检查评价工作的标准化、规范化,制定本标准。
1.0.2本标准适用于建筑施工企业及其主管部门对建筑施工安全工作的检查和评价。
1.0.3本标准主要采用安全系统工程原理,结合建筑施工中伤亡事故规律,依据国家有关法律法规、标准和规程而编制。
1.0.4在按本标准检查时,除应符合本标准外,尚应符合国家现行有关强制性标准的规定。
2检查分类及评分方法2.0.1对建筑施工中易发生伤亡事故的主要环节、部位和工艺等的完成情况做安全检查评价时,应采用检查评分表的形式,分为安全管理、文明工地、脚手架、基坑支护与模板工程、“三宝”“四口”防护、施工用电、物料提升机与外用电梯、塔吊、起重吊装和施工机具共十项分项检查评分表和一张检查评分汇总表。
注:1.“三宝”系指安全帽、安全带和安全网。
2.“四口”系指通道口、预留洞口、楼梯口、电梯井口。
2.0.2在安全管理、文明施工、脚手架、基坑支护与模板工程、施工用电、物料提升机与外用电梯、塔吊和起重吊装八项检查评分表中,设立了保证项目和一般项目,保证项目应是安全检查的重点和关键。
2.0.3各分项检查评分表中,满分为100分。
表中各检查项目得分应为按规定检查内容所得分数之和。
每张表总得分应为各自表内各检查项目实得分数之和。
2.0.4在检查评分中,遇有多个脚手架、塔吊、龙门架与井字架等时,则该项得分应为各单项实得分数的算术平均值。
2.0.5检查评分不得采用负值。
各检查项目所扣分数总和不得超过该项应得分数。
2.0.6在检查评分中,当保证项目中有一项不得分或保证项目小计得分不足40分时,此检查评分表不应得分。
2.0.7汇总表满分为100分。
各分项检查表在汇总表中所占的满分分值应分别为:安全管理10分、文明施工20分、脚手架10分、基坑支护与模板工程10分、“三宝”、“四口”防护10分、施工用电10分、物料提升机与外用电梯10分、塔吊10分、起重吊装5分和施工机具5分。
在汇总表中各分项项目实得分数应按下式计算:在汇总表中各分项目实得分数=汇总表中该项应得满分分值×该项检查评分表实得分数/100(2.0.7)2.0.8检查中遇有缺项时,汇总表总得分应按下式计算:遇有缺项时汇总表总得分=实查项目在汇总表中按各对应的实得分值之和/实查项目在汇总表中应得满分的分值之和×100(2.0.8)2.0.9多人对同一项目检查评分时,应按加权评分方法确定分值。
权数的分配原则应为:专职安全人员与其他人员:专职安全人员的权数为0.6,其他人员的权数为0.4。
建筑施工安全检查评分,应以汇总表的总得分及保证项目达标与否,作为对一个施工现场安全生产情况的评价依据,分为优良、合格、不合格三个等级。
1.优良保证项目分值均应达到第2.0.6条规定得分标准,汇总表得分值应在80分及其以上;2.合格1)保证项目分值均应达到第2.0.6条规定得分标准,汇总表得分值应在70分及其以上;2)有一分表未得分,但汇总表得分值必须在75分及其以上;3)当起重吊装检查评分表或施工机具检查评分表未得分,但汇总表得分值在80分及其以上。
3.不合格1)汇总表得分值不足70分;2)有一分表未得分,且汇总表得分在75分以下;3)当起重吊装检查评分表或施工机具检查评分表未得分,且汇总表得分值在80分以下。
3检查评分表3.0.13.0.23.0.33.0.43.0.53.0.63.0.73.0.83.0.9建筑施工安全检查评分汇总表表3.0.1安全管理检查评分表表3.0.2续表文明施工检查评分表表3.0.3续?表续表落地式外脚手架检查评分表表3.0.4-1续表续?表悬挑式脚手架检查评分表表3.0.4-2续?表门型脚手架检查评分表表3.0.4-3续?表挂脚手架检查评分表吊篮脚手架检查评分表续?表附着式升降脚手架(整体提升架或爬架)检查评分表表3.0.4-6续?表续?表基坑支护安全检查评分表表3.0.5续?表模板工程安全检查评分表表3.0.6续?表“三宝”、“四口”防护检查评分表表3.0.7施工用电检查评分表表3.0.8续表物料提升机(龙门架、井字架)检查评分表表3.0.9续?表续?表外用电梯(人货两用电梯)检查评分表表塔吊检查评分表表续?表起重吊装安全检查评分表表续?表施工机具检查评分表表续?表条文说明1总则1.0.1本标准编制的目的。
1.0.2规定了本标准的用途和适用范围。
主管部门在考核工程项目和建筑施工企业的安全情况、评选先进、企业升级、项目经理资质时,都必须依本标准为考核依据。
1.0.3说明本标准编制时采用的方法和依据。
1.0.4说明本标准与相关标准的关系。
2检查分类及评分方法2.0.1本标准采用系统工程学的原理,将施工现场作为一个完整的系统,利用数理统计的方法,对五年来发生的职工因工死亡的810起事故的类别、原因、发生的部位等进行了统计分析,得到主要发生在高处坠落(占44.8%)、触电(占16.6%)、物体打击(占12%)、机械伤害(占7.2%)、坍塌事故(占6%)这五类事故占总数的86.6%。
为此,根据统计分析的结果,将消除以上事故确定为整体系统的安全目标。
这些事故集中在安全管理、文明施工、脚手架、基坑支护与模板工程、“三宝”利用及“四口”防护、施工用电、物料提升机与外用电梯、塔吊、起重吊装和施工机具等十个方面。
列为十七张检查表(安全管理检查评分表、文明施工检查评分表、落地式外脚手架检查评分表、悬挑式脚手架检查评分表、门型脚手架检查评分、挂脚手架检查评分表、吊篮脚手架检查评分表、附着式脚手架(整体提升脚手架或爬架)、基坑支护检查评分表、模板工程检查评分表、“三宝”、“四口”防护检查评分表、施工用电检查评分表、物料提升机(龙门架、井字架)检查评分表、外用电梯(人货两用电梯)检查评分表、塔吊检查评分表、起重吊装检查评分表、施工机具检查评分表)。
因此,把这十个部分列为本标准的检查评分内容,以检查表的形式用定量的方法,为安全评价提供了直观数字和综合评价标准。
2.0.2分项检查评分表的结构形式分为两类,一类是自成整体的系统,如脚手架、施工用电等,列出的各检查项目间有内在的联系。
按其结构重要程度的大小,对其系统的安全检查情况起到制约的作用,在这类检查评分表中,影响安全的关键项目列为保证项目,其他的项目列为一般检查项目。
另一类是各检查项目之间无相互联系的逻辑关系,因此,没有列出保证项目,如“三宝”、“四口”防护和施工机具。
2.0.3是说明分项检查评分表中的评分2.0.6在分项检查评分表中,列在保证项目中的项目对系统的安全情况,起着关键的作用,为了突出这些项目的地位,而制定了保证项目的评分原则。
2.0.7汇总表也采用百分制。
各分项内容在汇总表中所占分值,依据对因工伤亡事故类型的统计分析结果而确定。
且考虑了计算简便,将除文明施工分表(20分)起重吊装分表(5分)施工机具分表(5分)外,其它各分表分值都确定为10分。
由于起重吊装只是施工中的一个工序过程,在组织检查中遇到机会较少;施工机具近些年有较大改观,防护装置日趋完善,所以各确定为5分;而文明施工是独立的一个方面,也是施工现场整体面貌的体现和树立建筑业现象综合反映,所以确定为20分。
2.0.82.0.9在组织检查时,遇到意见不统一的情况,为了突出安全专职人员的作用,采用加权评分的方法。
根据检查评分汇总表实得分数,确定了整体系统(即一个工地)的安全生产工作的等级,分为优良、合格、不合格等三个等级。
等级划分的原则是:优良的标准为在施工现场内无重大事故的隐患,各项工作达到行业平均先进水平。
合格的标准为达到施工现场保证安全的基本要求。
对于有一分项检查表不得分的,汇总表总得分为75分以上的,也定为合格,是考虑有一项工作存在隐患,其他工作都比较好。
本着帮助和督促企业做好安全工作的精神,也定为合格。
不合格的标准为施工现场隐患多,出现重大伤亡事故的几率比较大。
如汇总表得分不足70分,就说明施工现场重大事故隐患较多,随时可能导致伤亡事故的发生,因此定为不合格。
考虑到起重吊装与施工机具检查评分值仅为5分,因此确定为这两项检查表未得分,汇总表得分值必须在80分以上时为合格。
3检查评分表3.0.13.0.2安全管理检查评分表是考核施工中安全管理工作的,在事故类别分析中没有分析安全管理工作,但管理不善是造成伤亡事故的主要原因之一。
在我们分析的事故中有89%都不是因技术解决不了造成的,都是因违章所致。
其中由于没有安全技术措施、缺乏安全技术知识、不作安全技术交底、安全生产责任制不落实、违章指挥、违章作业造成的。
因此,把管理工作中的关键部分列为保证项目,保证项目能够做好,整体的安全工作也就有保证了。
一般在较大的工地应该设安全人员,主要任务是负责施工现场安全工作的监督检查,施工现场应实行目标管理,制定总的安全目标(如伤亡事故控制目标、安全达标、文明施工目标)年、月都要制定达标计划,进行目标分解到人,责任落实,考核到人。
表中专业性较强的项目要单独编制专项安全技术措施,主要指:脚手架工程、施工用电、基坑支护、模板工程、起重吊装作业、塔吊、物料提升机及其它垂直运输设备。
专职安全员应按建设部的规定,每年集中培训40学时,经考试合格才能上岗。
施工管理人员按建设部规定每年也要进行安全培训。
3.0.3文明工地检查评分表。
按照167号国际劳工公约《施工安全与卫生公约》的要求,施工现场不但应该做到安全生产不发生事故,同时还应做到文明施工,整齐有序,把过去建筑施工以“脏、乱、差”为主要特征的工地,改变为城市文明的“窗口”。