三端稳压器7912
- 格式:doc
- 大小:45.00 KB
- 文档页数:2
第18章直流稳压电源一、填空题1、如单相桥式整流电路中,设变压器次级的交流电压有效值为10V,则负载电阻R L上的直流平均电压等于__________V。
2、小功率直流稳压电源由________、________、________和稳压四部分组成。
3、三端集成稳压电源W7815正常工作时,输出电压是V,它的输入电压应该比输出电压。
(高或低)4、小功率直流稳压电源的稳压电路部分是由、、和取样电路四部分组成。
5、如果变压器二次(副边)电压的有效值为10V,单相桥式整流后若无电容滤波,则输出电压为V,此时二极管所承受的最大反向电压为V。
6、在电源变压器次级电压相同且无电容滤波的情况下, 桥式整流电路输出直流平均电压是半波整流电路输出直流平均电压的________倍。
7、W7805系列集成稳压器,其输出稳定电压为_______V。
8、一种并联型稳压电源如图18-1-8所示,设稳压二极管D Z的工作电压U Z=5.3V,三极管的U BE=0.7V,则输出电压U O为______V。
图18-1-8 图18-1-99、在图18-1-9的桥式整流电路中,若二极管D2或D4断开,负载电压的波形为_________。
若D2或D4接反,后果为_______________________;若D2或D4因击穿或烧坏而短路,后果为____________________________;若变压器副边误接整流电路的直流接线端,负载电阻接整流电路的交流接线端,后果为___________________________。
10、单相桥式整流电路中,流过每只整流二极管的平均电流是负载平均电流的_______。
二、选择题1、在有电容滤波的桥式整流电路中,若变压器次级电压为t U u ωsin 2=则整流后输出的平均电压值一般为 。
A 、 U 2.1B 、U 9.0C 、U 45.0D 、U2、在无电容滤波的单相半波整流电路中,已知变压器次级电压为U 2,则负载上得到的平均电压及二极管两端的最高反向电压是 。
洛阳理工学院 模拟电子技术 试卷(总)一、单选题1. 杂质半导体中,多数载流子的浓度取决于(B )。
A.温度;B.杂质浓度;C.电子空穴对数目;D 其它 2. 稳压二极管稳压时应工作在(C )状态。
A .正向导通;B .反向截止;C .反向电击穿 ;D .反向热击穿3. N 型半导体是在本征半导体中掺入(C );P 型半导体是在本征半导体中掺入(A )。
A.三价元素,如硼等; B.四价元素,如锗等;C.五价元素,如磷等4.PN 结加正向电压时,有(A )形成电流,其耗尽层(D );加反向电压时,由(B )形成电流,其耗尽层(C )。
A.扩散运动; B.漂移运动; C. 变宽; D.变窄5.当温度升高时,二极管的反向饱和电流(A )。
A.增大; B.不变; C.减小6.一个平衡PN 结,用导线将P 区和N 区连起来,而导线中( B )。
A.有微弱电流B.无电流C.有瞬间微弱电流 7.晶体管在大电流工作时,随Ic 的增加β值将( B )。
A.增加; B.下降; C.不变8.某三极管各电极电位如图1.1所示,由此可判断该三极管处于(A )。
A .放大状态B .截止状态C .饱和状态 9. 双极型三极管用于放大时,应使(B )。
A .发射结正偏、集电结反偏;B .发射结、集电结均正偏;C .发射结反偏、集电结正偏;D .发射结、集电结均反偏10. 共射放大电路输出电压出现饱和失真时,是由于(B )造成的。
A .静态工作点过低; B.静态工作点过高; C.信号频率过高; D.信号频率过低11.共射、共基、共集三种组态放大电路中,既有电压放大作用,又有电流放大作用的是(A )组态。
A .共射; B. 共基; C. 共集; D.三种都是12. 测得NPN 型三极管各电极对地的电位分别为V e =2.1V ,V b =2.8V ,V c =4.4V ,说明此三极管工作在(A )。
A .放大区;B .饱和区;C .截止区;D .反向击穿区 13. 下列放大电路输入电阻高、输出电阻低的是(B )。
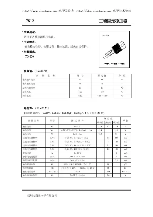
三端固定稳压器7812主要用途:*适用于各种电源稳压电路。
主要特点:*输出稳定性好、使用方便、输出过流、过热自动保护。
封装形式:* TO-220极限值:℃ ( Tc=25)电特性:℃ ( Tc=25)除非特别说明: ( V I ;=19V I O ;=0.5A C I ;=0.33µF C O ;℃<=0.1µF 0T j <℃125)深圳市商岳电子有限公司参数名称符号额定值单位最大输入电压V I35V 最大输出电流Io1.5A 最大耗散功率PD20 W 最高结温Tjm 150℃贮存温度Tstg-~55150℃参数名称 符号 测试条件规范值单位最小值典型值最大值输出电压 VO ℃T =25j 11.51212.5V 输出电压 V O≤≤;~14.5V V 27V I =5mA 1AI O11.412.6V 输入电压 VI ≤I 1.5AO 12.535V 负载电压调整率 △VO℃;~ T =25I =5mA 1.5Aj O1.6240mV 负载电压调整率 △VO ℃;~ T =25I =0.25A 0.75Aj O 1120mV 线路电压调整率 △VO℃;≤≤ T =2514.5V V 30VjI7.5240 mV 线路电压调整率△V O℃;≤≤ T =2516V V 22VjI2.2120mV静态电流 Iq ℃ T =25j 8 mA静态电流变化量 △Iq ≤≤15V V 30VI1 mA 静态电流变化量△Iq≤≤5mA I 1AO0.5mA输出噪声电压 VN ≤≤;℃10H f 100KH T =25Z Z j 10µV 纹波抑制比 RR ≤≤;;℃ 15V V 25V f =120H T =25I Z j60dB 输出电压温漂△/△V TO I =1AO- 0.8/℃mV 输入输出电压差 VD ℃;T =25I =1Aj O2.0VTO-220输入接地输出1.I2.G3.O-外形尺寸图TO 220单位:mm深圳市商岳电子有限公司。
LM7912中文资料(引脚图,电气特性参数,应用电路)
负12V,1A三端稳压器LM7912中文资料(引脚图,电气特性参数,应用电路) LM7912引脚图及外形图:
图1 LM7912外形引脚排列图管脚图
LM7912内部电路图:
图2 79XX内部电路图
LM7912电气特性参数:
Electrical Characteristics 电气特性(MC7912)
(VI = -18V, IO = 500mA, 0℃ ≤TJ ≤ +125℃, CI =μF, CO =1μF, unless otherwise specif ied.)
Parameter 参数Symbol 符号Value 数值单位
(for VO =5V to 18V)VI 35 V Input Voltage输入电压
(for VO =24V)VI 40 V
5 ℃/ Thermal Resistance Junction-Cases 热阻(结到壳) (TO-220)
RθJC
W
65 ℃/ Thermal Resistance Junction-Air热阻(结到空气) (TO-220)
RθJA
W Operating Temperature Range工作温度范围TOPR 0 ~ +125 ℃Storage Temperature Range储存温度范围TSTG -65 ~ +150 ℃
图3 输出电压图4 负载调节率曲线图
图5 电压差曲线图图6 静态电流曲线图
图7 短路电流曲线图
LM7912应用电路:
图8 LM7912典型应用电路
图9 与78XX系列三端稳压构成的正负对称输出电压应用电路。
W7812为三端固定正12V输入的集成稳压器,7812引脚图如下图所示.7812主要参数有:输出直流电压 U0=+12V,输出电流 L:0.1A,M:0.5A,电压调整率 10mV/V,输出电阻 R0=0.15Ω,输入电压UI的范围15~17V 。
因为一般UI 要比 U大3~5V ,才能保证集成稳压器工作在线性区。
图1 三端稳压器7812引脚图及外形图图2 是用三端式稳压器W7812构成的单电源电压输出串联型稳压电源的实验电路图。
其中整流部分采用了由四个二极管组成的桥式整流器成品(也叫整流堆,型号为2W06),当然也可以自已用四个速流二极管(如,IN4001)组成。
滤波电容C1、C2一般选取几百~几千微法。
当稳压器距离整流滤波电路比较远时,在输入端必须接入电容器C3(数值为0.33μF ),以抵消线路的电感效应,防止产生自激振荡。
输出端电容C4(0.1μF)用以滤除输出端的高频信号,改善电路的暂态响应。
由7812构成的串联型稳压电源负12V,1A三端稳压器LM7912中文资料(引脚图,电气特性参数,应用电路)LM7912引脚图及外形图:图1 LM7912外形引脚排列图管脚图LM7912内部电路图:图2 79XX内部电路图LM7912电气特性参数:Electrical Characteristics 电气特性(MC7912)三端稳压集成电路极限参数:图3 输出电压图4 负载调节率曲线图图5 电压差曲线图图6 静态电流曲线图图7 短路电流曲线图LM7912应用电路:图8 LM7912典型应用电路图9 与78XX系列三端稳压构成的正负对称输出电压应用电路图12正负12V稳压电源_电路图7812/7912正负12V稳压电源_电路图7812和7912三端稳压器是电子设备中常用的线性稳压集成电路,最大输出电流1.5A (需加散热器)。
下面是用这两种稳压IC制作的正负稳压电源典型电路,供大家参考。
初学者特别应注意7812正电源稳压IC与7912负电源稳压IC的引脚功能是不一样的,有关详细说明见:三端稳压器7912引脚功能,电路接法7812/7912正负12V稳压电源从电路中可以看到,7812/7912的输入输出端都接有电容,而且是一大一小,大容量电容是低频滤波作用,小容量电容是高频滤波用。
高职电工电子综合模拟试题满分100分,考试时间60 分钟。
考试结束后,将本卷和答题卡一并交回。
选择题(本大题50个小题,每小题2分,共100分。
)1.两个阻值为60kΩ的电阻并联后与20kΩ的电阻串联,接到15V的稳恒电源上,则20kΩ电阻两端电压为()A.6VB.4VC.3VD.9V2.通常用于剪切电子元件引线的工具是()A.钢丝钳 B电工刀 C.斜口钳 D.剥线钳3.电源的电动势为1.5V,内阻为0.5Ω,若外接负载电阻为37Ω,电路电流和电源端电压为()A.40mA.1.48 VB.40mA,0.02 VC.4mA,1.5 VD.4mA.0 V4.双踪示波器不能实现的功能是()A.测量电信号的周期B.测量电信号的峰一峰值C.比较两个电信号的波形D.测量电路的输人和阻抗5.三相对称负载在线电压是380V的三相电源上作三角形联结,则()A.每相负载两端电压为220 VB.相电流为线电流的3倍C.每相有功功率相同D.总的有功功率为单相有功功率的Γ3倍6.某四色环电阻,两端加3V电压时通过的电流为0.01A,则其前三条色环的颜色顺序为( )A.橙黑黑B.棕黑黑C.橙黑棕D.棕黑棕7.下列物理量与单位对应错误的是()A.磁导率H/mB.磁通量WbC.磁感应强度TD.磁场强度H8.如图所示电路,A点的电位VA为()A.18V B.21VC.24V D.19V9. 已知两个正弦量i1=10sin(314t-60°) A i2=10cos(314t-30°) A,则()A.i1超前i2 30° B.i1滞后i2 30°C.i1超前i2 90° D.i1滞后i2 120°10.用测电笔测不发光的白炽灯的两端,均不能使测电笔发光,则()A.相线断B.中性线断C.相线、中性线均断D.相线、中性线均正常11.如图所示的电路图中,当滑动变阻器的滑片P向下滑动时,下列判断哪个是完全正确的()A.电流表的示数变大,电压表的示数变小,电灯L变亮B.电流表的示数变小,电压表的示数变小,电灯L变暗C.电流表的示数变小,电压表的示数变大,电灯L变暗D.电流表的示数变大,电压表的示数变小,电灯L变亮12.构成半导体二极管的PN结的数目是()A.4B.3C.2D.113.能够实现“有0 出1,全1出0”逻辑功能的逻辑门是()A.与门B.或门C.与非门D.异或门14.PN结具有单向导电性,即电流只能是()A.从发射区流向集电区B.从P区流向N 区C.从N区流向P区D.从集电区流向发射区15.用指针式万用表检测普通二极管的极性,操作正确的是()A.选用RX10挡B.选用RX10k挡C.选用RX100挡D.选用RX1挡16.二极管单相桥式整流电容滤波电路中,已知电源变压器二次侧电压为U2,负载两端输出电压的平均值U L的估算公式为()A U L≈1.2U2 B. U L≈U2 C. U L≈0.9U2 D. C. U L≈0.45U217.关于并联型稳压电路,说法正确的是()A.应使稳压管工作在反向击穿状态B.稳压电路的输入电压可直接采用交流电压C.稳压管可直接用普通二极管代替D.稳压管要同负载串联18.关于电烙铁焊接技术,说法错误的是()A.可采用松香作为助焊剂B.每个焊点焊锡越多越好C.烙铁头氧化会影响焊接质量D.每次焊接时间不易过长19.关于TTL门电路,说法正确的是()A.电源的正负极性可互换B.与非门多余输入端可直接接地C.输出端不允许直接接地D.或门多余输入端可直接接高电平20.三极管的电流放大作用是指()A.集电极电流很大B.发射极电流很大C.基极电流很小D.基极电流微小变化引起集电极电流较大变化21.三端集成稳压器7912的输出电压是()A.- 12 VB.12VC.2VD.9V22.按反馈信号在输出端的取样方式,反馈可以分为()A.正反馈和负反馈B.电压反馈和电流反馈C.申联反馈和并联反馈D.交流反馈和直流反馈23.决定电流互热器一次电流大小的因素是()A.二次侧所接电流表的量程B.互感器的变流比C.被测电路的电流大小D.二次侧是否接电流表24.三相异步电动机的磁路不包括()A.机座B.定子铁芯C.转子铁芯D.气隙25.具有过载保护的接触器联锁控制线路中,能起到短路保护作用的电器是A.热继电器B.接触器C.熔断器D.刀开关26.不属于PLC功能图组成部分的是()A.步B.转移条件C.有向线段D.状态图27.FX2N系列PLC中,M8013时钟发生器的脉冲周期是()A. 10msB.100msC.1SD.1min28.PLC中的继电器,能驱动外部负载的是()A.输人继电器B.辅助继电器C.输出继电器D.计数器29.在FX2N系列PLC控制程序中,用于表示计数器十进制常数的是()A.KB.FC.ED.H30.变频器中Pr.79设定值1对应的操作模式是 ( )A.PUB.外部C.PU/外部组合D.外部/PU 组合31.FX 2N 系列中将计数器、定时器和数据寄存器内容清零的指令是 ( )A.SETB.PLSC.PLFD.RST32.十进制数25转换成二进制数是 ( )A (10101)2 B(10001) 2 C.(11001) 2 D.(10011) 233.能使变压器输入功率减小的方法是 ( ) A.只减小负载电阻 B.只减小原边匝数 C.只增大负载电阻 D.只增加副边匝数 34.某三相电动机的额定电流为12A ,现用按钮、接触器控制,其主电路的熔断器应选( )A.RL1-60/15B.RL1-60/30C.RL1-60/40D.RL1-60/6035.关于低频功率放大器,说法错误的是 ( ) A.输出功率要大 B.效率要高 C 非线性失真要小 D.工作在小信号状态36.在下列选项中,不是电路组成部分的是 ( ) A .电源 B .电流 C .控制装置 D .负载37. RLC 串联电路,电路为电感性电路的条件是 ( )A. R=4欧 , X L =1欧 , Xc=2欧B. R=4欧 , X L=0欧 , Xc=2欧C. R=4欧 , X L=3欧 ,Xc=2欧D. R=4欧 , X L=3欧 , Xc=3欧38.如图所示的电路中,二极管VD1、VD2的工作状态是 ( )A 、VD1、VD2都截止B 、VD1截止、VD2导通C 、VD1、VD2都导通D 、VD1导通、VD2截止39.三极管的各极电位如图所示,工作于截止状态的三极管是 ( )AB 2K VD16V12VVD240.下降沿触发的集成J K 触发器,J=1,K=0,在CP 脉冲高电平期间,触发器将( )A .置零B .置1C .保持D .翻转41.LED 显示器的共阴极接法中,需要将所有发光二极管的阴极接 ( )A .地B .+5VC .译码器D .+10V42.逻辑函数B A B A B A AB +++,化简后结果是 ( )A .1B .0C .A +BD .AB43. 城市电车一般应用的直流电动机类型是 ( )A 、他励B 、并励C 、串励D 、复励44. 具有失压欠压保护的电器是 ( )A 、交流接触器B 、热继电器C 、熔断器D 、闸刀开关45.关于栈指令MPS 和MPP 不正确的是 ( )A 、不带操作数B 、必须成对使用C 、连续使用必须少于11次D 、栈指令之后的指令一定是LD 或LDI 46. FX2N 系列PLC 中,初始化脉冲继电器的动合触点为 ( )A.M8012B.M8002C.M8003D.M800147.指令(D )MOV (P )中,D 表示 ( )A.32位数据指令B.16位数据指令C.脉冲执行方式D.连续执行方式 48. 51单片机复位后SP 堆栈指针寄存器的值为 ( )A.00HB. 07HC.02HD.FFH49. 51单片机外部中断0输入引脚为 ( ) A.P3.0 B.P3.1 C.P3.2 D.P3.350. 51单片机访问片外存储时低八位地址由( )提供 ( ) A.P0口 A.P1口 A.P2口 A.P3口参考答案。
(单选题)1: 射随器适合做多级放大电路的中间隔离级,是因为射随器的()
A: 输入电阻高
B: 输出电阻低
C: 输入电阻高,输出电阻低
正确答案: C
(单选题)2: 放大器的输入电阻高,表明其放大微弱信号能力()
A: 强
B: 弱
C: 一般
正确答案: A
(单选题)3: 用一只稳压二极管和一只普通二极管串联,可得到的稳压值有()
A: 两种
B: 三种
C: 四种
D: 五种
正确答案: A
(单选题)4: 在桥式整流电阻负载中,理想二极管承受最高反压是()
A: 2U2
B: 3U2
C: 4U2
D: 5U2
正确答案: A
(单选题)5: 功率放大电路的最大输出功率是在输入电压为正弦波时,输出基本不失真情况下,负载上可能获得的最大()。
A: 交流功率
B: 直流功率
C: 平均功率
正确答案: A
(单选题)6: 差分放大电路RE上的直流电流IEQ近似等于单管集电极电流ICQ()倍。
A: 1
B: 2
C: 3
正确答案: C
(单选题)7: 通用型集成运放的输入级多采用()
A: 共基接法
B: 共集接法
C: 共射接法
D: 差分接法。
模拟电子技术基础试卷及答案一、填空(18分)1.二极管最主要的特性是 单向导电性 . 3.差分放大电路中,若u I1=100μV ,u I 2=80μV 则差模输入电压u Id =20μV;共模输入电压u Ic=90μV 。
4.在信号处理电路中,当有用信号频率低于10 Hz 时,可选用 低通 滤波器;有用信号频率高于10 kHz 时,可选用 高通 滤波器;希望抑制50 Hz 的交流电源干扰时,可选用 带阻 滤波器;有用信号频率为某一固定频率,可选用 带通 滤波器。
6.乙类功率放大电路中,功放晶体管静态电流I CQ 0 、静态时的电源功耗P DC = 0 。
这类功放的能量转换效率在理想情况下,可达到 78。
5% ,但这种功放有 交越 失真.二、选择正确答案填空(20分)1.在某放大电路中,测的三极管三个电极的静态电位分别为0 V ,—10 V ,-9。
3 V ,则这只三极管是( A )。
A .NPN 型硅管 B.NPN 型锗管C.PNP 型硅管 D 。
PNP 型锗管 2.某场效应管的转移特性如图所示,该管为( D )。
A .P 沟道增强型MOS 管 B 、P 沟道结型场效应管C 、N 沟道增强型MOS 管D 、N 沟道耗尽型MOS 管 3.通用型集成运放的输入级采用差动放大电路,这是因为它的( C )。
A .输入电阻高B 。
输出电阻低C.共模抑制比大D.电压放大倍数大 6。
RC 桥式正弦波振荡电路由两部分电路组成,即RC 串并联选频网络和( D )。
A. 基本共射放大电路 B 。
基本共集放大电路 C.反相比例运算电路 D.同相比例运算电路7。
已知某电路输入电压和输出电压的波形如图所示,该电路可能是( A ). A.积分运算电路 B.微分运算电路 C 。
过零比较器 D 。
滞回比较器8.与甲类功率放大方式相比,乙类互补对称功放的主要优点是( C )。
a .不用输出变压器b .不用输出端大电容c .效率高d .无交越失真 9.稳压二极管稳压时,其工作在( C ),发光二极管发光时,其工作在( A )。
三端稳压器(7812,7085等)并联扩流电路三端稳压器(7812,7085等)并联扩流电路用78xx系列三端稳压器设计一款最大1A输出电流的稳压器很简单,但当输出电流高于1A 时,就会出现许多问题。
为提供大输出电流,稳压器通常使用并联的功率晶体管。
这些功率晶体管的工作点(operating point )很难设计。
因为晶体管的集极和射极需要必不可少的功率电阻来设计直流工作点,而功率晶体管和功率电阻都要消耗很大功率,因此设计中要加散热措施。
本设计实例是一个可提供大输出电流的简单稳压器。
基本的构想是并联多个三端稳压器。
每只78xx系列稳压器能提供1A电流,并且有5 、 6 、8 、9 、12 、15 、18和24V多种电压版本。
本文以7812为例.图1显示两只并联的7812 。
图1 :两只7812并联,将输出电流加倍至2A。
图2 :用20只7812将图1中电路的输出能力提升至20A。
两只7812独立工作,每只提供最大1A电流。
D1和D2完成两只稳压器的隔离。
输出电压为稳压器的标称输出电压减去二极管压降:VOUT=VREG –VD 。
在COM端接地(0V)情况下,稳压器的输出电压为VOUT 。
若要将图1中的输出电压提高到与三端稳压器标称值一致,COM端电位必须比接地高出一个二极管压降。
C 、C1和C2为滤波电容。
图2显示了一个使用20只7812 ,可提供20A电流的稳压器。
所有的二极管均为1N4007 。
C=47000 μ F ,所有带编号的电容均为4700 μ F 。
7812均固定到一个散热片上,并用一个小风扇降温。
采用这种设计概念,可以将电路的输出电流扩充至数百安培。
(1)概述PC电源从80年代初出现,伴随PC的演变而不断发展,约有20年的历史了,它的基本作用就是从供电电网中获取能量然后转变为适合PC使用的低压直流电能,同时完成必要的安全隔离功能。
PC电源是一种开关电源,采用了PWM方式的开关变换技术,从电网获取的能量要经过整流、滤波、斩波、降压、再整流、滤波等转换过程,并采用负反馈技术使得输出电压保持稳定。
∙如何正确理解三端稳压器数据手册中各个参数的含义∙发布时间:2010-8-9 10:22:07 | 来源: 第一价值网| 查看: 1554次| 收藏 | 打印TAG:三端稳压器7805、7809、7812数据参数|输出电压|线性调整率|负载调整率|静态电流|静态电流变化量|输出噪声电压78系列三端稳压器是最常见的电子元件,很多初学者最先接触到的就是这类器件,但是,能够系统全面的介绍三端稳压器知识的书籍甚少,很多朋友都是一知半解,本想系统总结一下线性稳压器的各种参数及其意义,想了好久,还是没有头绪,就先从7805的数据手册上写的一些参数入手,来讨论一下各参数的意义吧。
LM7805是国家半导体开发出来比较成熟,较早的一种线性稳压半导体器件,现在仍然还有很多公司在使用,个人也用得比较多,因为很便宜且性能比较稳定。
常提到的三端稳压块7805就是指它了。
拿它作为例子很有代表性。
参数一:输出电压最简单的一个参数,就是稳压器的输出电压,能稳定在多少V,7805输出电压稳定在5V参数二:线性调整率稳压器的输入电压一般都比较宽,在该范围内,输入如果变化输出电压的变化有多大呢?该参数就是描述这种变化的一个参数。
很显然输出电压的变化是越小越好了,一般都是几毫伏。
拿7805作为例子来说吧,参考Data Sheet就可以知道,在常温,输出500mA电流的情况下,输入电压在7~25V之间变化的时候,输出电压的变化典型值为3mV,最大值为50mV参数三:负载调整率负载发生变化时,输出电压也会相应的发生变化,一般是负载越重,输出电压会有所下降,负载越轻输出电压会有所上升。
负载调整率就是反应这种变化的一个量。
看7805的Data Sheet可知,在负载变化在5mA~1.5A时,输出电压的变化范围在10~50mV参数四:静态电流对于线性稳压器来说是一个非常重要的参数。
该电流为驱动大功率调整管所必须的,它不流向负载,而是直接流向地,因此该电流是越小越好。
7812中文资料三端稳压集成电路使用时要求输入电压比输出电压值至少大 2V 以上,即丨U1 | - | U2 | >=2V,但也不宜过大。
另外还有自地端流过的静态电流IQ=8mA 。
W7812为三端固定正12V 输入的集成稳压器,7812引脚图如下图所示•7812主要参数有:输出直流电压 U0 = + 12V ,输出电流 L:, M:,电压调整率 10mV/V ,输 出电阻 R0= Q,输入电压UI 的范围15〜17V 。
因为一般UI 要比U0大3〜5V ,才能保证 集成稳压器工作在线性区。
图1三端稳压器7812引脚图及外形图图2是用三端式稳压器 W7812构成的单电源电压输出串联型稳压电源的实验电路图。
其中整流部分采用了由四个二极管组成的桥式整流器成品(也叫整流堆,型号为2W06),当然也可以自已用四个速流二极管(如,IN4001)组成。
滤波电容 C1、C2一般选取几百〜几千微法。
当 稳压器距离整流滤波电路比较远时,在输入端必须接入电容器 C3(数值为 卩F ),以抵消线路的电感效应,防止产生自激振荡。
输出端电容 C4^ F 用以滤除输出端的高频信号,改善电路的暂态响应。
由7812构成的串联型稳压电源 Electrical Characteristics电气特性(MC7812)(LM7812)(参照测试电路 ,0 ° < TJ < 125 C,Parameter 参数Sym bol 符号Conditions 条件MC7812 LM7812单 位最小 典型 最大Output Voltage 输出电 压VOTJ =+25C12Vw IO w PC X 15W VI =1221 O 匸W78X X 1 2 3请问7812的输入输出端连接电容的目的是什么1•滤波,虑除交流噪声是输出电流更平稳;2•提供储备电流,当需要突发大电流时变压器不够用时电解电容可以补充瞬间的不足。
三端稳压、基准源、低压差7805 5V 1A TO-220 7806 6V 1A TO-220 7808 8V 1A TO-220 7809 9V 1A TO-220 7810 10V 1A TO-220 7812 12V 1A TO-220 7815 15V 1A TO-220 7818 18V 1A TO-220 7820 20V 1A TO-220 7824 24V 1A TO-220 7905 ~5V 1A TO-220 7906 ~6V 1A TO-220 7908 ~8V 1A TO-220 7909 ~9V 1A TO-220 7910 ~10V 1A TO-220 7912 ~12V 1A TO-220 7915 ~15V 1A TO-220 7918 ~18V 1A TO-220 7920 ~20V 1A TO-220 7924 ~24V 1A TO-220 78L05 5V 0.1A TO-92 78L06 5V 0.1A TO-92 78L07 7V 0.1A TO-92 78L08 8V 0.1A TO-92 78L09 9V 0.1A TO-92 78L10 10V 0.1A TO-92 78L12 12V 0.1A TO-92 78L15 15V 0.1A TO-92 78L18 18V 0.1A TO-92 78L20 20V 0.1A TO-92 78L24 24V 0.1A TO-92 79L05 ~5V 0.1A TO-92 79L06 ~6V 0.1A TO-92 79L07 ~7V 0.1A TO-92 79L08 ~8V 0.1A TO-92 79L09 ~9V 0.1A TO-9279L10 ~10V 0.1A TO-92 79L12 ~12V 0.1A TO-92 79L15 ~15V 0.1A TO-92 79L18 ~18V 0.1A TO-92 79L20 ~20V 0.1A TO-92 79L24 ~24V 0.1A TO-92 78L05H 金封TO-5 78T05 5V 3A TO-220 78M12 12V 0.5A TO-220 79M12 ~12V 0.5A TO-220 78N04 4V 0.3A TO-126 78N05 5V 0.3A TO-126 78N08 8V 0.3A TO-126 78N09 9V 0.3A TO-126 78N12 12V 0.3A TO-126 78N15 15V 0.3A TO-126 79N06 ~6V 0.3A TO-126 79N09 ~9V 0.3A TO-126 AN6610 20V 1.2A TO-126 T7815BT 15V 1.5A TO-220 LM138K 12.V~32V 5A ±% TO-3 LM217LZ 1.2V~37V 0.1A TO-92 LM217M 1.2V~37V 0.5A TO-252 LM285Z-1.2 1.2V 10UA-20MA ±% TO-92 LM285Z-2.5 2.5V 10UA-21MA ±% TO-92 LM309K 5V 1A TO-3 LM317LZ 1.2V~37V 0.1A TO-92 LM317M 1.2V~37V 0.5A TO-252 LM317H 1.2V~37V 0.5A TO-5 LM317T 1.2V~37V 1.5A TO-220 LM317K 1.2V~37V 1.5A TO-3 LM323K 5V 3A TO-3 LM337LZ ~1.2V至~37V 0.1A TO-92 LM337T ~1.2V至~37V 1.5A TO-220 LM337K ~1.2V至~37V 1.5A TO-3 LM338T 1.2V~32V 5A TO-220 LM338K 1.2V~32V 5A TO-3LM350T 1.2V~33V 3A TO-220 LM350K 1.2V~33V 3A TO-3 LM320K-12 ~12V 1.5A TO-3 LM320K-15 ~15V 1.5A TO-3 LM340K-5 5V 1.5A TO-3 LM340K-15 15V 1.5A TO-3 LM396K 1.25V~15V 10A TO-3 LM34DZ TO-92 LM35DZ TO-92 LM334Z TO-92 LM335Z TO-92 W7909金封~9V 1.5A TO-3 LM129AH 6.9V 600UA-15MA10PPM TO-46 CA3420T 八脚TO-5 LM236AH-5.0 5.0V ±2% TO-46 LM236H-5.0 5.0V ±4% TO-46 LM385-1.2 1.2V 15UA-20MA ±% TO-92 LM385-2.5 2.5V 15UA-20MA ±% TO-92 LM336-2.5 2.5V 400UA-10MA TO-92 LM336-5 5V 400UA-10MA TO-92 LM1086CT-3.3 3.3V 1.5A TO-220 LM2435T 五脚TO-220 LM2439T 五脚TO-220 LM2930Z-5 5V 0.15A TO-92 LM2931-3.3 3.3V 0.1A TO-92 LM2931AZ-5 5V 0.1A TO-92 LM2931AT-5 5V 0.1A TO-220 LM2931CT 3V~24V 0.1A TO-220 LM2936Z-5 5V 50MA TO-92 LM2937ET-5 5V 0.5A TO-220 LM2940CT-5 5V 1A TO-220 LM2940T-5 5V 1A TO-220 LM2940T-8 8V 1A TO-220 LM2940T-9 9V 1A TO-220 LM2940CT-12 12V 1A TO-220 LM2940T-12 12V 1A TO-220 LM2940CT-15 15V 1A TO-220LM2940T-10 10V 1A TO-220 LM2940S-5 5V 1A 贴片TO-263 LM2940CS-12 12V 1A 贴片TO-263 LM2941CS ADJ 1A 贴片TO-263 LM2941CT ADJ 1A 五脚TO-220 LM2990T-5 5V 1A TO-220 LM2575T-5 5V 1A TO-220 LM2575HVT-5 5V 1A TO-220 LM2575T-12 12V 1A TO-220 LM2575T-15 15V 1A TO-220 LM2575T-ADJ 1.23V-37V 1A TO-220 LM2576T-5 5V 3A TO-220 LM2576T-12 12V 3A TO-220 LM2576T-ADJ 1.23V-37V 3A TO-220 LM2576HVT-5.0 1.23V-57V 3A TO-220 LM2576HVT-ADJ 1.23V-57V 3A TO-220 LM2575HVS-ADJ 1.23V-57V 1A 贴片TO-263 LM3999Z 6.95V 5PPM TO-92 LM431ACZ 2.5V-36V 0.15A TO-92 LM431AIZ 2.5V-36V 0.15A TO-92 TL431 2.5V-36V 0.1A TO-92 TL431I 2.5V-36V 0.1A TO-92 TA76431S 2.5V-36V 0.15A TO-92L LP2950-3.3 3.3V 0.1A TO-92 LP2950CZ-5 5V 0.1A TO-92 LT1009CZ 2.5V TO-92 LT1033CT ~1.2V至-32V 3A TO-220 LT1584CT ADJ 7A TO-220 UPC574J 31V-35V 10MA TO-92 KA33V 31V-35V 10MA TO-92 KA336-2.5 2.5V 电压基准源TO-92 KA336-5.0 5V 电压基准源TO-92 KA7545Z 4.5V 电压基准源TO-92 MC34064P-5 5V 电压基准源TO-92 IL8069 2.5V 电压基准源TO-92 S3052V 5V 3A TO-3P S8054 TO-92S3122V 12V 3A TO-3P AS273TL9480VB TO-220 BA033ST 3.3V 五脚TO-220F 8033J 3.4V 3A 五脚TO-220。
利用7812、7912设计一个输出±12V、1A的直流稳压电源
±12V、1A 直流稳压电源结构原理
±12V、1A 直流稳压电源原理图如图1所示,由电源插头、可调电阻R1、电流表I、桥式整流器BR1、电容器C1、7812 IC、电抗器L1、7912 IC等元件组成。
该直流稳压电源的工作原理如下:
1.电源插头将交流电源输入给桥式整流器BR1,桥式整流器BR1将交流电源转换成直流电源,其输出电压为约为18V。
2.由可调电阻R1控制输入电压,电阻R1将输入电压降到R1的电压幅度,以稳定7812和7912的工作电压。
3.7812和7912 IC分别为稳压管芯片。
7812为正向稳压IC,可调节出正12V的输出电压;7912则为反向稳压IC,能输出调出负12V的电压。
4.C1是一个电源抗拒电容,将直流稳定电压输入7812和7912 IC。
5.电流表I检测负载输出电流,电流测量范围为-1A至+1A;电抗器L1是稳压电源的稳压控制元件,稳定7812和7912 IC的工作电压,保证±12V直流稳压电源的稳定性。
1.该电源的输出电压调节范围非常宽,可调出±12V的正负电压;
2.电路结构简单,元件少,便于安装和调试;
3.稳压精度高,可满足精密电子设备的使用要求。
电工电子技术与技能智慧树知到课后章节答案2023年下鄄城县第一职业中等专业学校鄄城县第一职业中等专业学校第一章测试1.下列不属于电路状态的是()答案:回路2.在电路的基本组成中,用于将电能转化为其它形式能的装置是()答案:负载3.在电路中一定为电源的是()答案:发电机4.电流的形成是指()答案:电荷的定向移动5.单位相同的两个物理量是()答案:电动势、电位6.当电路参考点改变后,能够改变的物理量是()答案:电位7.平时所说的“负载过大”是指()答案:负载向电源索取的功率大于电源的额定功率8.若用电压表测得电源端电压为电源电动势,这说明()答案:外电路断路9.导体的长度和直径都增大为原来的2倍,其阻值变为原来的()答案:0.5倍10.线性电阻两端的电压为U时,电阻为R,当电阻两端的电压升高到2U时,电阻为()答案:R11.电源的电动势为1.5V,内阻为0.5 Ω,若外接负载电阻为37 Ω,电路电流和电源端电压为()答案:40 mA,1.48V12.如图所示,R=9 Ω,则R ab为()答案:12 Ω13.如图所示,a、b两端的等效电阻为()答案:3.5 Ω14.如图所示电路,节点和回路数分别是()答案:4,715.将毫伏表改装成一个大量程的伏特表需()答案:串联一个合适的电阻16.两个电阻R1和R2串联,若R1∶R2=1∶2,则通过它们的电流I1∶I2为()答案:1∶117.两个电阻R1和R2并联,若R1=2R2,R1消耗的功率为1 W,则R2消耗的功率为()答案:2 W18.两个100 Ω的电阻并联后串联一个50 Ω的电阻,其阻值为()答案:100 Ω19.戴维宁定理等效时是指对()答案:B.外电路20.戴维宁定理只适用于线性电路,对“线性电路”的理解正确的是()答案:有源二端网络必须是线性的,负载可以是线性的,也可以是非线性的第二章测试1.电容器上标有“30 uF、600V”的字样,600V是指()答案:额定电压2.某电容器充电后两极电压为10V,所带电量为9 C,则它不带电时的电容为()答案:0.9 F3.给一电容充电,电压从2V充到4V,则()答案:电荷量增加一倍4.一只电容器容量标示为“104”,它的电容量为()答案:10×104 pF5.电容器的基本作用是()答案:储存6.选择电容器时,除考虑标称容量之外,还要考虑其()答案:额定电压7.判断载流导体在磁场中受力的方向用()答案:左手定则8.左手定则可以判断通电导体在磁场中()答案:受力方向9.磁通量的单位为()答案:韦伯10.下列物理量与单位对应错误的是()答案:磁场强度H11.判断感应电流产生的磁场方向应采用()答案:安培定则12.匀强磁场中各点磁感应强度的特点是()答案:大小相同,方向相同13.当穿过线圈的磁通发生变化时,线圈两端感应电动势的大小与之成正比的是()答案:磁通变化率14.下列电器设备中,利用电磁感应原理工作的为()答案:发电机15.一个电感线圈,当通过的电流为10 A时,电感L为40 mH;若通过的电流变为5 A,则()答案:电感线圈的电感L保持不变16.电感的单位是()答案:亨利17.与线性电感的电感量有关的因素是()答案:形状、尺寸和匝数18.电感线圈产生的自感电动势,总是与线圈中的电流()答案:变化趋势相反19.下列不是根据电磁感应原理制造的电器是()答案:白炽灯第三章测试1.关于描述正弦量u=380sin(100πt-)V,说法正确的是()答案:1 s内交流电压有100次到达最大值2.对于正弦交流电,下列说法正确的是()答案:初相位与计时起点的选择有关3.反映交流电变化快慢的物理量为()答案:角频率4.正弦量的三要素是()答案:频率、最大值、初相位5.家庭普遍使用电度表计量的电能,其对应功率是()答案:有功功率6.下面关于纯电容电路说法正确的是()答案:在一个周期内消耗的有功功率为零7.交流电路的无功功率,表示储能元件与电源之间能量交换的()答案:最大值8.在纯电容电路中,关于电压与电流的相位关系,说法正确的是()答案:电流超前电压90°9.在RLC串联电路中,当X L=X C时,电路的总无功功率是()答案:0Var10.在日光灯电路两端并联适当的电容,则电路中()答案:总电流减小11.在RLC串联电路中,以下能发生串联谐振的是()答案:R=4 Ω、X L=3 Ω、X C=3 Ω12.在RLC串联电路中,U R=120V,U L=180 V,U C=100V,则该电路属于()答案:电感性电路13.一灯泡串联一空心线圈后通入交流电能正常发光,如果在线圈中放入铁心,则灯泡亮度()答案:变暗14.工频动力供电线路中,采用星形联接的三相四线制供电,线电压为380V,则()答案:线电压为相电压的倍15.中性线俗称()答案:零线16.关于三相对称交流电动势描述错误的是()答案:瞬时值相等17.在线电压是380V的三相四线制供电线路中,任意相线与中性线的电压为()答案:相电压,有效值为220V18.关于三相对称电动势说法正确的是()答案:最大值均相等19.某三相负载,毎相均为RL串联电路,阻抗值都为10 Ω,则该三相负载()答案:不一定是三相对称负载20.关于中性线,说法正确的是()答案:中性线是从三相电源中性点引出的导线第四章测试1.下列不是高压输电电压等级的是()答案:10 kV2.国家提倡节能环保,大力推广的家庭照明灯具是()答案:节能灯3.下列不是我国高压配电线路额定电压的为()答案:35 kV4.关于照明灯具的特点,下列说法错误的为()答案:日常生活中,应急照明一般采用碘钨灯5.开灯后发现日光灯灯管两端灯丝烧红,但中间不亮,其原因是()答案:启动器内电容短路6.60 W白炽灯和60 W节能灯相比较,下列说法不正确的是()答案:两者亮度相同7.如图所示电路,变压器的变压比K=10,则电压表V的读数为()答案:0V8.降压变压器的结构特点是()答案:一次绕组匝数多,线径细9.变压器的外特性与负载的大小和性质有关,随负载的增大,对电容性负载来说,其端电压将()答案:上升10.变压器的同名端()答案:取决于绕组的绕向11.变压器中起传递电能作用的是()答案:主磁通12.双绕组变压器的绕组特点是()答案:高压绕组匝数多,线径细13.变压器的各种损耗中,取决于负载电流大小的为()答案:铜损耗14.关于降压变压器说法正确的是()答案:B.K>115.关于变压器,说法正确的是()答案:K<1时为升压变压器16.对于保护单台电动机的熔断器,熔体额定电流是电动机额定电流的()答案:1.5~2.5倍17.复合按钮是一种常用的主令电器,按下按钮时动作特点是()答案:动断触点先断,动合触点再合18.热继电器的热元件应()答案:串联在主电路中19.不属于低压电器的是()答案:电工刀20.某三相电动机的额定电流为12 A,现用按钮、接触器控制,其主电路的熔断器应选()答案:RL1-60/30第五章测试1.三相异步电动机的额定功率是指在额定状态下()答案:转轴上输出的机械功率2.三相异步电动机的转速达到最高时,转轴上产生的电磁转矩()答案:最小3.某三相异步电动机的p=3,接在工频380V的三相交流电源上,则其转子转速为()答案:970 r/min4.不属于三相异步电动机组成部分的是()答案:热继电器5.三相异步电动机在起动过程中,转速和定子电流的变化情况为()答案:转速越来越高,定子电流越来越小6.单相异步电动机起动后切除起动绕组,则电动机的转速将()答案:不变7.家用空调广泛使用的单相异步电动机的类型是()答案:单相电容起动与运行异步电动机8.关于单相单绕组异步电动机的起动。