顶管施工记录表
- 格式:xls
- 大小:21.00 KB
- 文档页数:2
顶管注浆记录表范文顶管注浆记录表范文项目名称:某地铁工程管道编号:TG-001注浆日期:2021年5月20日注浆位置:A区段,距离起点100米处施工人员:张三、李四、王五注浆材料:1.水泥:P.O 42.5号水泥,用量10袋;2.砂浆:混凝土砂浆,用量5立方米;3.添加剂:注浆专用添加剂,用量1桶。
注浆设备:1.搅拌机:型号XX-01,数量1台;2.输送泵:型号XX-02,数量1台;3.灌浆机:型号XX-03,数量1台。
施工流程:1.对管道进行清理和检查,确保管道表面无松动物质和裂缝。
2.将搅拌机放置在施工现场,并将水泥、砂浆和添加剂按比例加入到搅拌机中进行搅拌。
3.将混合好的砂浆通过输送泵输送到灌浆机中。
4.在灌浆机上设置好流量和压力值,并开始进行注浆作业。
先从距离起点100米处开始注入,在注入过程中,要注意控制流量和压力值,确保注浆均匀。
5.在注浆作业完成后,对注浆管道进行检查和清理,并将设备进行清洗和维护。
施工记录:1.注浆前,对管道进行了清理和检查,并发现无异常情况。
2.在搅拌机中混合了10袋P.O 42.5号水泥、5立方米混凝土砂浆和1桶注浆专用添加剂。
3.在灌浆机上设置好流量和压力值,并开始进行注浆作业。
整个注浆过程持续了2小时,共使用了2000升的砂浆。
4.注浆后,对管道进行了检查,发现无渗漏现象。
同时对设备进行了清洗和维护。
总结:本次顶管注浆作业顺利完成,施工人员严格按照规定操作,保证了施工质量。
同时,在施工过程中也及时发现并处理了问题。
希望在后续的施工中能够继续保持高标准的操作要求。
顶管工程施工全套资料表格主要包括以下几个方面:一、工程概况表1. 工程名称:XXX项目顶管工程2. 工程地点:XXX地区3. 工程规模:顶管长度、管径、管材等4. 工程性质:给水、排水、燃气等5. 施工单位:XXX公司6. 设计单位:XXX公司7. 监理单位:XXX公司二、施工准备资料表1. 施工方案:顶管施工工艺、施工步骤、施工要点等2. 施工图纸:顶管工程图纸、施工详图等3. 施工预算:工程量清单、材料清单、人工费用等4. 施工组织设计:施工现场布置、施工人员配置、施工进度计划等5. 安全文明施工措施:安全防护、环境保护、文明施工等三、施工过程资料表1. 施工记录:每天施工情况、天气情况、施工进度等2. 质量检查记录:顶管质量检查、焊接质量检查、防腐质量检查等3. 隐蔽工程验收记录:隐蔽工程验收报告、验收合格证等4. 材料检验记录:管材、焊接材料、防腐材料等检验报告5. 施工试验记录:顶管试验、焊接试验、防腐试验等四、施工验收资料表1. 工程验收记录:工程验收报告、验收合格证等2. 质量保证资料:质量证明书、合格证等3. 施工资料移交清单:施工资料移交报告、移交清单等4. 施工总结:施工经验、施工问题及解决方法等五、安全生产资料表1. 安全生产管理制度:安全生产责任制、安全生产规章制度等2. 安全生产培训记录:施工人员安全培训、特种作业人员培训等3. 安全事故应急预案:安全事故应急预案及演练记录4. 安全生产费用支付记录:安全生产费用预算、支付凭证等六、环境保护资料表1. 环境保护措施:环境保护方案、环境保护设施等2. 环境保护监测记录:环境保护监测报告、监测数据等3. 环境保护费用支付记录:环境保护费用预算、支付凭证等以上是顶管工程施工全套资料表格的主要内容。
在实际施工过程中,还需根据具体情况添加或调整相关表格。
希望对大家有所帮助。
顶管管道施工检验批质量验收记录表GB 50268-20082 主控项目的计数检验项先填写“检验批主控项目计数检验记录表”(G1-1-1);检验批一般项目计数检验数据较多时,可先填写“检验批一般项目计数检验记录表”(G1-1-2),然后将计数检验结果填写在本表相应的检查结果栏内。
将两表作为本表的附页。
3 D i--管道内径(mm); L为顶进长度(mm); △ S--曲线顶管相邻管节接口允许的最大间隙与最小间隙之差(mm);R--曲线顶管的设计曲率半径(mm)顶管管道施工质量验收标准(GB 50268-2008)6.7.3顶管管道应符合下列规定:主控项目1管节及附件等工程材料的产品质量应符合国家有关标准的规定和设计要求;检查方法:检查产品质量合格证明书、各项性能检验报告,检查产品制造原材料质量保证资料;检查产品进场验收记录。
2接口橡胶圈安装位置正确,无位移、脱落现象;钢管的接口焊接质量应符合本规范第5章的相关规定,焊缝无损探伤检验符合设计要求;检查方法:逐个接口观察;检查钢管接口焊接检验报告。
3无压管道的管底坡度无明显反坡现象;曲线顶管的实际曲率半径符合设计要求;检查方法:观察;检查顶进施工记录、测量记录。
4管道接口端部应无破损、顶裂现象,接口处无滴漏;检查方法:逐节观察,其中渗漏水程度检查按本规范附录F第F. 0. 3条执行。
一般项目5管道内应线形平顺、无突变、变形现象;一般缺陷部位,应修补密实、表面光洁;管道无明显渗水和水珠现象;检查方法:按本规范附录F第F. 0. 3条、附录G勺规定逐节观察。
6管道与工作井出、进洞口的间隙连接牢固,洞口无渗漏水;检查方法:观察每个洞口。
7钢管防腐层及焊缝处的外防腐层及内防腐层质量验收合格;检查方法:观察;按本规范第5章的相关规定进行检查。
8有内防腐层的钢筋混凝土管道,防腐层应完整、附着紧密;检查方法:观察。
9管道内应清洁,无杂物、油污;检查方法:观察。
10顶管施工贯通后管道的允许偏差应符合表6. 7. 3的规定。
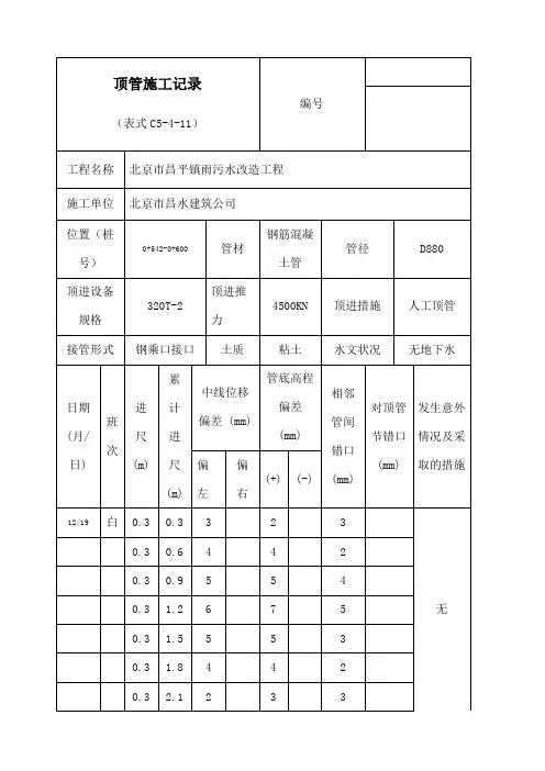
顶管工程顶进记录
施工表19 工程名称:泗洪县城北污水处理厂厂外管网工程顶管工作坑位置: 洪中路
在工作坑内要有一个固定坡度起点;3、后视坑内水准点的高程一般为坡度起点的管内测量人:底设计标高;4、9~10若得正值记录11,9~10若负值记入12;5、每测一次记录一行,交班:
各栏均需认真填写;6、备注栏内可填写纠偏情况.
顶管工程顶进记录
施工表19 工程名称:泗洪县城北污水处理厂厂外管网工程顶管工作坑位置:洪中路
注:1、表中7~14栏单位毫米;2、表中5×6=7向下游坡度记(+),向上游坡度记(—) 接班:在工作坑内要有一个固定坡度起点;3、后视坑内水准点的高程一般为坡度起点的管内测量人:底设计标高;4、9~10若得正值记录11,9~10若负值记入12;5、每测一次记录一行, 交班:
各栏均需认真填写;6、备注栏内可填写纠偏情况.
顶管工程顶进记录
施工表19 工程名称:泗洪县城北污水处理厂厂外管网工程顶管工作坑位置:洪中路
注:1、表中7~14栏单位毫米;2、表中5×6=7向下游坡度记(+),向上游坡度记(-)接班: 在工作坑内要有一个固定坡度起点;3、后视坑内水准点的高程一般为坡度起点的管内测量人:底设计标高;4、9~10若得正值记录11,9~10若负值记入12;5、每测一次记录一行,交班:
各栏均需认真填写;6、备注栏内可填写纠偏情况。
施工技术交底记录 - 顶管工程一、项目简介顶管工程是一种先进的管道施工技术,常用于城市道路、河道等地下管线的布设。
顶管工程采用的是地下推力方法,通过推动顶管来完成管线的铺设工作。
本文档将详细记录顶管工程的施工技术交底内容,旨在确保施工人员对此工程的工艺流程、安全要求和质量标准等方面有全面的了解。
二、工程流程1. 工艺流程顶管工程的工艺流程主要包括以下步骤:(1)现场准备:包括施工场地的勘测、土壤分类和测试、设备的调试与检查等。
(2)管道预制:根据设计要求预制顶管,包括管道的制作、预应力张拉等。
(3)开挖施工:根据设计要求进行地面的开挖,包括开挖断面的控制、围护结构的施工等。
(4)顶管铺设:利用推力机推动顶管,逐节铺设管道,包括管道的出土、定位、连接等。
(5)管道回填:在管道安装完成后进行回填,包括回填材料的选择和回填工艺的控制等。
(6)管道验收:进行管道的检查、测试和试验,确保管道的质量和安全。
2. 安全要求在顶管工程的施工过程中,必须严格执行下列安全要求:(1)施工现场应设置明显的警示标志,确保施工区域的安全。
(2)施工人员必须穿戴个人防护装备,包括安全帽、防护眼镜、耳塞、手套、防护靴等。
(3)施工现场应保持通风良好,防止有害气体积聚。
(4)施工过程中严禁将桩、管或其他物件放置在未进行足够坚固支撑的地方。
(5)施工人员必须严格执行防火措施,避免火源接近施工现场。
(6)施工机械设备必须经过检修和维护,并符合使用标准。
3. 质量标准顶管工程的质量标准应符合以下要求:(1)顶管的尺寸、材质和预制工艺应符合设计要求,且无破损、裂缝等缺陷。
(2)顶管的连接应牢固,不得出现渗漏情况。
(3)地面开挖和回填应符合正常施工规范,确保地面的平整和稳定。
(4)管道回填材料的选择应符合要求,且回填的过程应合理控制,避免对管道造成损害。
(5)管道的验收应符合相关标准和规范,包括可视检查、水压试验等。
三、技术交底内容在本次施工技术交底中,施工人员应了解以下内容:1. 工程图纸和设计要求:包括地面布置图、顶管参数、管道的材质和尺寸要求等。
顶管施工技术交底记录施工技术交底记录施管表5年月日合肥方兴大道(沪蓉高速~始信路)综工程名称分部工程管道主体工程合建设工程分项工程名称工作井围护结构、工作井、管道接口连接、顶管管道交底内容:一、预埋件与导轨的安装及其精度控制1、结合本工程的情况,预埋件应牢固地固定在混凝土垫层表面上,起上表面应保持同一水平面,预埋件应交错排放,其中心间距控制在530mm.2、导轨安装在前方,接近穿墙管处。
它的作用是支托未入土的管段和顶铁,起导向的作用,导轨采用大于管壁厚的工字钢。
牢固地固定在底板上,底板上应有预埋板与导轨连接。
导轨对管道的支撑角一般选用60?。
导轨安装应顺直、平行,等高或略高与该处管道的设计高程,其纵坡应与管道的设计一致,导轨间距严格控制在530mm。
3、导轨安装的允许偏差为:轴线位置:左右3mm;顶面高程:0,+3mm;两间距:?2mm。
二、顶进设备及后背墙的安装及精度控制1、安装在工作坑内的顶推设备称为顶进系统,其中主要设备是主油缸,其作用是造成强大的顶力将管道沿着设计轴线顶出工作坑。
管道轴线离底板的高度(管内径加导轨高度)确定以后,主油缸的合力中心高度也相应确定。
顶进设备安装时均应以此为依据.顶进设备包括:导轨、主油缸、顶铁、后背及后座。
本工程采用装配公式后背墙,应符合下列规定:?装配式后背墙采用方木,型钢和钢板等组装,组装后的后背墙应有足够的强度和刚度;(2)后背土体壁面应平整,并与管道顶进方向垂直;(3)装配式后背墙的低端宜在工作坑以下,不宜小于50cm;(4)后背土体壁面应与后背墙贴紧,有空隙时应采用沙石料填塞密实; (5)装配式后背墙的构件在同层内的规格应一致,各层之间的接触应紧贴,并层层固定。
(6)顶管工作坑及装配式后背墙的墙面应与管道轴线垂直,其施工允许偏差应符合下表的规定:项目允许偏差工作坑内径不小于施工设计规定垂直度 0.1%H 装配式生背墙水平扭转度 0.1%L注:1、H为装配式后背墙的高度(mm)2、L为装配式后背墙的长度(mm)三、施工顶进1、顶进前应检查全部设备,是否处于良好的状态,工具管是否在导轨的中心线上,坡度和高程符合规范和设计要求后即可顶进施工。
G2-15顶管管道施工检验批质量验收记录表GB 50268-2008工程名称施工单位单位工程名称分部工程名称分项工程名称验收部位工程数量项目经理技术负责人制表人质量检验员施工负责人交方班组接方班组检验日期检查项目质量要求、允许偏差或允许值(mm)检查结果主控项目1 管节及附件等工程材料产品质量应符合国家有关标准的规定和设计要求2 橡胶圈安装安装位置正确,无位移、脱落现象;3 钢管接口焊接焊接质量应符合GB 50268-2008第5章的相关规定,焊缝无损探伤检验符合设计要求4 无压管道管底坡度无明显反坡顶管曲率曲线顶管的实际曲率半径符合设计要求5 管道接口接口端部应无破损、无顶裂,接口处无滴漏续上表检查项目质量要求、允许偏差或允许值(mm)检查结果/实测点偏差值或实测值1 2 3 4 5 6 7 8 911112131415应测点数合格点数合格率%一般项目1 管道外观1)管道内线形平顺、无突变、变形;2)一般缺陷应修补密实、表面光洁;3)管道无明显渗水和水珠;4)管道内应清洁,无杂物、油污2管道与工作井出、进洞口间隙连接连接牢固,洞口无渗漏水3 钢管防腐层防腐层及焊缝处的内、外防腐层质量合格4 钢筋混凝土管道内防腐层防腐层应完整、附着紧密5直线顶管水平轴线顶进长度<300m 50300m≤顶进长度<1000m 100顶进长度≥1000m L/106 直线顶顶进长度D i<300m +30,-40管内底高程<300m D i≥1500m +40,-50300m≤顶进长度<1000m +60,-80顶进长度≥1000m +80,-100续上表检查项目质量要求、允许偏差或允许值(mm)检查结果/实测点偏差值或实测值1 2 3 4 5 6 7 8 911112131415应测点数合格点数合格率%一般项目7曲线顶管水平轴线R≤150Di水平曲线150竖曲线150复合曲线200R>150Di水平曲线150竖曲线150复合曲线1508曲线顶管内底高程R≤150Di水平曲线+100,-150竖曲线+150,-200复合曲线±200R>150Di水平曲线+100,-150竖曲线+100,-150复合曲线±2009 相邻管间错口钢管、玻璃钢管≤2钢筋混凝土管15%壁厚,且≤201 0 钢筋混凝土管曲线顶管相邻管间接口的最大间隙与最小间隙之差≤ΔS续上表检查项目质量要求、允许偏差或允许值(mm)检查结果/实测点偏差值或实测值1 2 3 4 5 6 7 8 911112131415应测点数合格点数合格率%一般项目11钢管、玻璃钢管道竖向变形≤0.03D i 12对顶时两端错口50 一般项目平均合格率(%)施工单位检查评定结果项目专业质量检查员:年月日监理(建设)单位验收结论专业监理工程师:(建设单位项目专业技术负责人)年月日注:1 主控项目、一般项目的检查结果,需用语言描述的项,应按GB50268-2008的要求详实描述。