装配式预制构件吊装梁及吊具计算书
- 格式:doc
- 大小:248.50 KB
- 文档页数:8
预制构件吊具(吊梁、吊架)计算书1前置参数钢材牌号选用Q345,吊装动力系数为1.5,重力荷载分项系数为1.3。
2吊梁计算2.1.吊梁几何尺寸吊梁长5米,耳板间距3m,下挂板吊孔间距250mm,吊孔直径60mm。
2.2.吊梁验算吊梁截面选用热轧H型钢200x200x8x12,吊梁单位自重为49.9kg/m,梁下挂板单位自重为22kg/m,则吊梁自重为:()⨯W=49.9+225/1000=0.36t吊梁自重设计值为:⨯⨯⨯G=0.36 1.5 1.310=7.01KN2.2.1.预制墙2#地块A户型YWQ26验算2.2.1.1.外力计算构件重量为6.61t,构件自重设计值为6.61x1.5x1.3x10=128.9KN,总重量设计值为:G=128.9+7.01=135.9KN1上部钢丝绳竖向拉力:T=135.9/2=68.0KN1上部钢丝绳水平拉力:2T =135.9/2tan30=39.2KN ⨯︒上部钢丝绳拉力:T=135.9/2/sin30=78.5KN ︒2.2.1.2. 耳板验算根据《钢结构设计标准》GB 50017-2017第11.6条,设计耳板尺寸为:a=70mm ,b=50mm ,d 0=60mm ,厚度t=14mm ,具体如下图:a. 尺寸验算:214164450b/t=50/14=3.57444a=704458.733e e b b mm b mm =⨯+=≤=≤≥=⨯=,满足要求,满足要求,满足要求b. 强度验算取N=T=78.1KN 。
1) 耳板孔净截面处的抗拉强度:121min(216,)303=93.4305N/mm 2d b t b mm N f tb σ=+-==≤=2) 耳板端部截面抗拉(劈开)强度:20=93.4305N/mm 223Nf t a d σ=≤=-(/)3) 耳板抗剪强度:2V 95.4=29.4175N/mm 2Z mm N f tZσ===≤=故耳板尺寸、强度均满足要求。
20t吊具计算书一、吊具横梁的计算吊具供有3种工况,以对横梁最不利的横梁中间钩头起吊20t重物为例进行计算。
1.载荷G=20t=2000kg,计算载荷Q=n.G,其中n=1.5为实验载荷系数,则Q=30000kg,吊点间距L=5000mm=500cm;横梁中部截面如图1所以(不考虑补强板),截面惯性矩Ix=615474.66cm4,梁中心高Z1=470mm=47cm。
2.计算过程如下梁的校核刚度校核截面惯性矩Jx 615474.66 cm^4支撑点间距L 500 cm载荷Q 30000 kg弹性模量E 2100000 kg/cm^2刚度f 0.06 cm校核8271.98强度校核中心高Z147 cm抗弯截面系数13095.20553Wx=Jx/Z1弯矩M=GL/4 3750000弯曲应力σ=M/Wx 286.3643485 kg/cm^2弯曲应力σ=M/Wx Mpa其中刚度f=8271.98,远大于800(起重机设计规范规定的主梁刚度值),弯曲应力σMpa<345MPa(Q345B板材的屈服强度)3.计算结果,吊具横梁具有足够的刚度和强度,可以满足招标文件要求的工况。
二、吊具上方吊轴的计算1.吊具上方2侧各有1个吊轴,则单个吊轴的受力为Q1=Q/2=15000kg,L=230mm=23cm,截面抗弯截面系数Wz=149.311 cm3。
2.计算过程如下:集中载荷F 15000 kg支点距离L 230 mm弯矩M 8452500 Kg.mm轴颈d 115 mm抗弯截面系数Wz 149311.5514工作应力σMPa许用应力[σ] 710(材质40Cr)MPa安全系数n3.销轴的安全系数足够,强度计算通过。
三、其他件的强度计算书。
其余件的计算方法与上述两种工件的计算类似,可根据贵公司需要,在发货时提供。
吊具设计设计及受力验算荷载:30m梁重为91t,分配到每端为45.5t;40m梁重为143t,分配到每端为71.5t。
按最重者验算受力,考虑1.2的安全系数储备,则要求吊具具备负重85t的能力。
吊具端部销接点距离设计为200cm。
横吊梁强度验算根据设计横吊梁类似于受集中荷载的简支梁,则:P=85t,L=2mM=1/4*850*2=425KN〃m[σ]=1.2*145=174MPa吊具采用两块δ=3cm厚的钢板组焊而成,跨中部分计算高度取值为45cm,两端部分高度为24.5cm,则跨中截面抵抗距为:W=bh2/3=2*3*45*45/3=4050cm3σ=M/ W =425*106/4050*1000=104.9MPa<[σ]强度验算满足要求。
连接销受力验算主吊点受力850KN,销子直径为100mm,分力销板按照40mm厚配置,则承受压应力为850000/2/100/40=106.25MPa,小于140 MPa的容许应力值;销子所受最大剪力为Q=425KN,销子的容许剪应力[τ]=125MPa(45号钢),τ=4/3×Q/A=4/3×(425×103)/(3.14159×502)=72.2Mpa<[τ],剪力验算满足要求。
端部两个副吊点受力为425KN,销子直径选用80mm,剪力验算同样满足要求。
另外,注意施工中做好吊板(6号板)与主板(1号板)之间的焊接连接,要求双面均施焊、焊缝饱满。
钢丝绳选用计算设计及受力验算40m梁重为143t,分配到每端为71.5t。
钢丝绳破断拉力=715*6=4290KN(安全载重系数取值为6.0)钢丝破断拉力总和=4290/0.82=5232KN(换算系数取值为0.82)钢丝总断面面积=5232000/1700=3078mm2(钢丝绳的公称抗拉强度为1700MPa)则在每端提升71.5t的重物须钢丝绳的总断面面积为3078mm2,选用双绳兜吊,则每绳需要断面面积为3078/4=767 mm2,查阅相关手册得出,选用公称抗拉强度为1700MPa,6×37(股为1+6+12+18,绳纤维芯),直径47.5mm、丝径2.2mm以上规格的钢丝绳(钢丝总断面面积为843.47 mm2)可以满足使用要求。
预制构件吊点计算书
预制构件吊点计算书是施工现场进行吊装作业时必备的文件之一,它
是为了保证吊装作业的安全可靠而编制的。
下面是一份关于预制构件吊点
计算书的范例,超过1200字来详细说明该文件的内容。
预制构件吊点计
算书对于吊装作业起到了重要的指导作用,下面我们来详细了解一下。
首先,预制构件吊点计算书应包含以下几个方面的内容:
1.构件信息:列出被吊装的预制构件的名称,规格和数量等基本信息。
这是为了确保将要吊装的构件的准确性和完整性。
2.设计参数:列出吊装过程中需要用到的设计参数,如构件的自重,
集中荷载,摩阻系数,安全系数等。
这些参数是计算吊点位置和吊装方案
的基础。
3.吊点位置计算:根据构件的几何形状,计算出合适的吊点位置。
吊
点位置的确定需要考虑到构件的重心位置,避免出现过大的偏心距。
4.吊点承载力计算:根据吊装过程中施加在吊点上的静力和动力荷载,计算吊点的承载力。
这样可以确保吊点能够承受所施加的载荷而不发生破坏。
5.吊装方案:根据吊点位置计算结果,结合实际施工条件,制定出具
体的吊装方案。
吊装方案应包括吊装序列,吊装工具和设备的选择以及施
工安全措施等。
6.安全评估:对吊装过程中存在的安全隐患进行评估和分析。
评估的
内容包括吊装作业中的人身安全,设备安全,周围环境安全等。
总之,预制构件吊点计算书是在吊装作业前必须编制的一份文件,它包含了吊装作业中的各项参数计算及安全评估内容。
编制该文件能够确保吊装作业的安全可靠,最大程度地避免意外事故的发生,并保证吊装作业按计划进行。
吊具设计设计及受力验算荷载:30m梁重为91t,分配到每端为45.5t;40m梁重为143t,分配到每端为71.5t。
按最重者验算受力,考虑1.2的安全系数储备,则要求吊具具备负重85t的能力。
吊具端部销接点距离设计为200cm。
横吊梁强度验算根据设计横吊梁类似于受集中荷载的简支梁,则:P=85t,L=2mM=1/4*850*2=425KN〃m[σ]=1.2*145=174MPa吊具采用两块δ=3cm厚的钢板组焊而成,跨中部分计算高度取值为45cm,两端部分高度为24.5cm,则跨中截面抵抗距为:W=bh2/3=2*3*45*45/3=4050cm3σ=M/ W =425*106/4050*1000=104.9MPa<[σ]强度验算满足要求。
连接销受力验算主吊点受力850KN,销子直径为100mm,分力销板按照40mm厚配置,则承受压应力为850000/2/100/40=106.25MPa,小于140 MPa的容许应力值;销子所受最大剪力为Q=425KN,销子的容许剪应力[τ]=125MPa(45号钢),τ=4/3×Q/A=4/3×(425×103)/(3.14159×502)=72.2Mpa<[τ],剪力验算满足要求。
端部两个副吊点受力为425KN,销子直径选用80mm,剪力验算同样满足要求。
另外,注意施工中做好吊板(6号板)与主板(1号板)之间的焊接连接,要求双面均施焊、焊缝饱满。
钢丝绳选用计算设计及受力验算40m梁重为143t,分配到每端为71.5t。
钢丝绳破断拉力=715*6=4290KN(安全载重系数取值为6.0)钢丝破断拉力总和=4290/0.82=5232KN(换算系数取值为0.82)钢丝总断面面积=5232000/1700=3078mm2(钢丝绳的公称抗拉强度为1700MPa)则在每端提升71.5t的重物须钢丝绳的总断面面积为3078mm2,选用双绳兜吊,则每绳需要断面面积为3078/4=767 mm2,查阅相关手册得出,选用公称抗拉强度为1700MPa,6×37(股为1+6+12+18,绳纤维芯),直径47.5mm、丝径2.2mm以上规格的钢丝绳(钢丝总断面面积为843.47 mm2)可以满足使用要求。
同安西福三路道路工程K1+396埭头溪桥扒杆法吊装方案与计算福建来宝建筑工程开发公司同安西福三路(纵一路~丙洲大桥段)项目部2007年11月一、工程概况:埭头溪桥位于路线中心桩号K1+396直线上,斜交角25°。
桥梁上部结构形式为5*20m预应力钢筋砼空心板,每片空心板梁主体宽0.99m,高0.9m,其中中板重27.8t,边板重30.8t;空心板按斜交板预制,每孔空心板板长相等。
全桥体系布设:在0#、5#台桥台设置伸缩缝,其它墩均设置桥面连续。
二、机械设备的选择:根据空心板的长度,重量以及现场的实际情况,拟采用卷扬机四台三、吊装前的准备工作①检查支座垫石的高程、位置、以及橡胶支座是否安放正确。
②测量标出每榀板梁的端线及边线于盖梁或台帽处,并用红漆示出。
③检查构件的长宽高三个方向尺寸是否正确,构件的堆放位置装车是否方便。
④检查运输及吊装道路是否按要求铺设。
四、现场布置及空心板吊装:埭头溪桥的吊装顺序为5跨4跨3跨2跨1跨。
为了保证吊装顺利进行应如平面布置图,在5号台后设置一地垄用来锚固5号台卷扬机,结构尺寸如图示一,卷扬机的牵进引力为2吨。
在3号墩后设置地垄(如图示二)用于锚固在4号墩帽上的人字扒杆的缆风。
另外还要填平5号台后,在5号台后形成6%的斜坡至背墙顶部。
同时,为保证各种吊钩和空心板的良好连接,应在吊环处用两根大于φ19.5钢丝绳与空心板成大于60度角后与空心板连接。
1.第五跨的吊装①分别在4号盖梁和5号台帽上各安装一人字扒杆,每个人字扒杆每边各设置两道缆风。
②5号台帽上的人字扒杆缆风一边锚固在4号墩盖梁上另一边锚固在台后第二排空心板吊环上。
4号盖梁上的人字扒杆缆风分别锚固在5号台帽上和3号盖梁上。
每道缆风上设置一手葫芦,以调节缆风的松紧。
③用两个龙门架分别放在备用.④把人字扒杆上动滑轮下的吊钩均钩住空心板前端的吊环上的钢丝绳。
同时通过卷扬机A和B收紧两根钢丝绳,然后解除牵引空心板的吊钩(如图二)。
平衡梁为吊装机具的重要组成部分,在起重工程中被广泛应用。
平衡梁又称铁扁担,可用于保持被吊物体的平衡,使被吊物体受力合理;减少物体起吊时所承受的水平压力,避免损坏被吊物体。
某装配式项目,预制主梁长10.68m,重达5.55t,预制主梁设置4只吊耳。
为确保吊装顺利进行,采用H型钢平衡梁,材料为Q235B,平衡梁长6000mm,宽300mm,高300mm,厚度为15mm,平衡梁每一米设置一道钢板肋。
1 大型预制梁吊装方法在起吊前对主梁钢筋、次梁结合预埋钢筋机械连接接头及键槽位置、方向、编号进行检查。
确认预制构件深化图中的预制梁吊装顺序图。
主梁吊装前,标示好次梁安装基准线,作为次梁吊装定位的依据。
柱头高程误差超过容许值,若柱头高程太低,则于吊装主梁前应于柱头置放铁片调整高差;若柱头高程太高,则于吊装主梁前须先将柱头修正至设计标高。
预制梁安装时,主梁和次梁伸入支座的长度与搁置长度应符合设计要求。
预制次梁与预制主梁之间的凹槽应在预制叠合板安装完成后采用不低于预制梁混凝土强度等级的材料填实。
吊装时钢丝绳与构件夹角不得小于45°,钢丝绳实际受力最大为5.55/sin45°/2=3.9吨。
钢丝绳选择绳径28.0,丝径1.3,钢丝破断拉力为46.08t,钢丝绳安全载重力=钢丝绳破断拉力/安全载重系数(4.0)=46.08/4=11.52>3.9,满足要求。
超10m预制梁吊装模拟2 平衡梁有限元受力分析对平衡梁进行计算分析,主要分析吊耳位置钢材的应力及吊点处钢材的变形,确保平衡梁的强度、刚度满足要求。
按照《钢结构设计规范》(GB 50017-2017)进行吊装阶段检算:平衡梁截面形式平衡梁Z向位移图1平衡梁吊装应力图从平衡梁吊装时位移图可读取,吊耳位置最大位移为0.6mm<L/400=15mm,形变量满足要求;最大应力出现在上部吊耳位置,最大拉应力为129N/mm2<215N/mm2,吊耳受力满足要求。
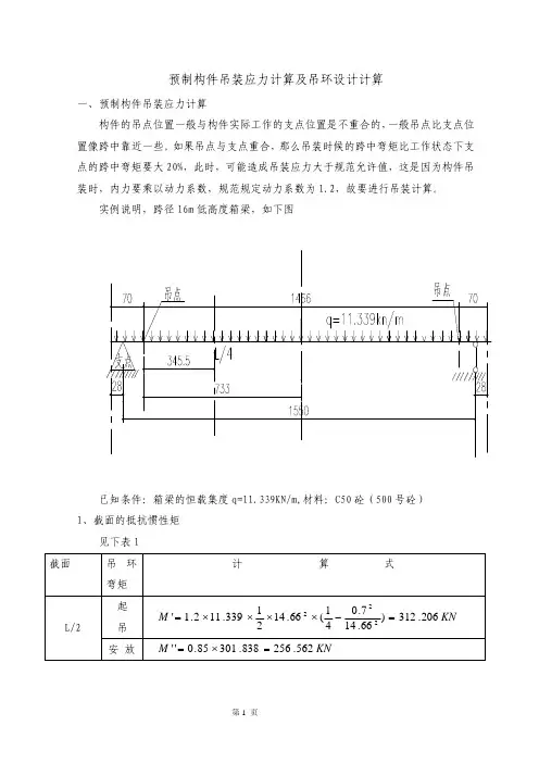
预制构件吊装应力计算及吊环设计计算一、预制构件吊装应力计算构件的吊点位置一般与构件实际工作的支点位置是不重合的,一般吊点比支点位置像跨中靠近一些。
如果吊点与支点重合,那么吊装时候的跨中弯矩比工作状态下支点的跨中弯矩要大20%,此时,可能造成吊装应力大于规范允许值,这是因为构件吊装时,内力要乘以动力系数,规范规定动力系数为1.2,故要进行吊装计算。
实例说明,跨径16m低高度箱梁,如下图已知条件:箱梁的恒载集度q=11.339KN/m,材料:C50砼(500号砼)1、截面的抵抗惯性矩见下表1截面吊环弯矩计算式L/2起吊KN M206.312)66.147.041(66.1421339.112.1'222=-⨯⨯⨯⨯=安放KNM562.256838.30185.0''=⨯=L/4起吊--⨯⨯+⨯⨯⨯⨯=)66.147.0455.3()66.14455.321[(66.1421339.112.1'2MKN08.323235.2692.1]66.14455.322=⨯=安放KNM85.228082.32385.0''=⨯=吊点起吊KN M334.327.0339.112.1'2-=⨯⨯-=安放KN M361.2082.32385.0''-=⨯-=2、构件吊装时应力计算,见表2截面截面换算模量HW预应力引起的应力σhy起吊弯矩'M起吊应力HWM'±起吊应力组合(3+5)安装弯矩''M安装应力HWM''±安装应力组合(3+8)123456789L/2上缘112372-0.37536220.60.322-0.04325656.20.228-0.147下缘74861 2.376-1.484 1.892-0.343 2.033L/2上缘112372-0.34032308.20.288-0.052228850.204-0.136下缘74861 2.207-0.432 1.775-0.306 1.91吊环上缘112372-0.179-333.4-0.003-0.182-236.1-0.002-1.81下缘748610.9190.0040.9230.0030.922设计要求,预应力钢筋放张时,构件砼的强度为设计值的80%(即放张、起吊),构件设计强度为C50砼(500号砼),放张时为大于C40砼,此时砼允许压应力为2/1.22875.0cmKNha=⨯=σ大于设计值2.033KN/cm2(跨中截面)砼允许拉应力2/182.082.1267.0cmKNMPaha==⨯=σ=设计值(吊环截面上缘)计算满足规范要求,既设计选定的砼标号、预应力钢筋放张时砼要达到的强度,都是合适的。
吊装方案计算书1.吊车荷载计算Pkmax=(Ta+Tb)/4=(1400+350)*10/4=5KNTa 为单元板块重量(kg)Tb 为小车自重2.横向水平荷载Tk=η(Q+Q1)*10/2N=0.2*(2+0.35)*10/4=1.175KN η系数,取为0.2Q为吊车额定起重量Q1为吊车重量N为吊车一侧车轮数3.纵向水平荷载Tkl=0.1ΣPmax=0.1*4*5=2KN4.吊车梁荷载设计值吊车梁的强度和稳定 P=αβγPkmax=1.05*1.03*1.4*5=7.57KNT=γTk=1.4*1.175=1.65KN 局部稳定 P=αγPkmax=1.05*1.4*5=7.35KN吊车梁的竖向桡度 P=βPkmax=1.03*5=5.15KN5.强度计算:选用普工20σ=Mx/ψWx=4PL/4/0.9*237000=7.57*4.8*1000000/0.9*237000=170.4MPa≤f=215MPa强度满足要求!6.稳定计算:σ=Mx/ψφWx=7.35*4.8*1000000/0.9*237000=157.7MPa≤f=215MPa稳定性满足要求!7.桡度计算:Vx=PL3/48EI+5QL4/384EI=5.15*1000*4800^3/48*210000*23700000+ 5*0.3*4800^4/384*210000*23700000=2.38+0.41=2.79mm≤L/800=4800/800=6mm桡度满足要求!8. 160x80x4钢方管强度校核校核公式:σ=N/A+M/γW<[fa]=215N/mm^2悬挑梁最危险截面特性:截面面积:A=1856mm^2惯性矩:Ix=6235800mm^4抵抗矩:Wx=77950mm^3弯矩:Mmax=3231200N*mm轴力:N=0Nσmax=N/A+Mmax/γW=0/2400+3231200/1.05*77950=39.478 N/mm^2<215N/mm^2强度能够满足要求。
装配式预制构件吊装梁及吊具计算书一、引言本计算书旨在为装配式预制构件吊装梁及吊具的设计和计算提供依据。
本计算书基于相关标准和规范,结合实际情况,对吊装梁和吊具进行详细的分析和计算。
二、计算依据1.《钢结构设计规范》(GB50017-2003)2.《建筑结构荷载规范》(GB50009-2012)3.《建筑抗震设计规范》(GB50011-2010)4.《装配式混凝土结构技术规程》(JGJ1-2014)5.其他相关标准和规范三、基本参数1.构件尺寸:长L,宽W,高H2.构件重量:G(单位:吨)3.吊装梁长度:L_beam(单位:米)4.吊装梁截面尺寸:a×b(单位:米)5.吊具类型:如吊钩、吊环等6.吊具材料:如钢、合金钢等7.其他相关参数四、计算步骤1.确定吊装梁的截面尺寸和材料。
根据构件重量、吊装梁长度和跨度等因素,选择合适的截面尺寸和材料。
2.计算吊装梁的强度。
根据《钢结构设计规范》,采用适当的公式计算吊装梁的强度。
考虑荷载组合、弯矩、剪力等因素。
3.计算吊装梁的刚度。
根据《钢结构设计规范》,采用适当的公式计算吊装梁的刚度。
考虑自重、横向荷载、纵向荷载等因素。
4.确定吊具的类型和材料。
根据构件重量、吊装方式、使用环境等因素,选择合适的吊具类型和材料。
5.计算吊具的强度和刚度。
根据《钢结构设计规范》和其他相关标准,采用适当的公式计算吊具的强度和刚度。
考虑荷载组合、弯矩、剪力等因素。
6.进行稳定性分析。
根据《钢结构设计规范》和其他相关标准,对吊装梁和吊具进行稳定性分析。
考虑风荷载、雪荷载、地震荷载等因素。
7.进行疲劳验算。
根据构件的使用环境和疲劳极限,对吊装梁和吊具进行疲劳验算。
考虑循环荷载、交变荷载等因素。
8.进行连接节点设计。
根据《钢结构设计规范》和其他相关标准,对吊装梁和吊具的连接节点进行设计。
考虑焊接、螺栓连接等方式。
9.进行其他必要的附加分析。
如防雷接地设计、防腐措施等。
五、结论与建议根据以上计算和分析结果,得出以下结论和建议:1.确定合适的吊装梁截面尺寸和材料,满足强度和刚度要求。
一、工程概述本工程为一项装配式建筑项目,主要涉及预制构件的吊装作业。
预制构件包括梁、板、柱等,需要进行吊装。
为了确保吊装作业的安全性和可靠性,需要进行吊装梁及吊具的计算。
二、吊装梁设计1.吊装梁的选用根据预制构件的尺寸和重量,选用合适的吊装梁。
本工程中,我们选用的是Q235钢制的吊装梁,其抗拉强度为235MPa,能够满足工程需要。
1.吊装梁的长度和跨度吊装梁的长度和跨度需根据预制构件的尺寸和吊装现场的实际情况进行设计。
在本工程中,我们根据预制构件的尺寸和吊装现场的实际情况,计算出吊装梁的长度和跨度。
1.吊装梁的加固为了确保吊装梁的稳定性和可靠性,需要对吊装梁进行加固。
本工程中,我们采用了增加横梁和纵梁的方式对吊装梁进行了加固。
三、吊具设计1.钢丝绳的选用根据预制构件的重量和吊装梁的承载能力,选用合适的钢丝绳。
本工程中,我们选用的是6×19+1的钢丝绳,其抗拉强度为1770MPa,能够满足工程需要。
1.钢丝绳的长度和连接方式钢丝绳的长度和连接方式需根据预制构件的尺寸和吊装现场的实际情况进行设计。
在本工程中,我们根据预制构件的尺寸和吊装现场的实际情况,计算出钢丝绳的长度和连接方式。
1.钢丝绳的加固为了确保钢丝绳的稳定性和可靠性,需要对钢丝绳进行加固。
本工程中,我们采用了增加钢丝绳卡扣和防旋转装置的方式对钢丝绳进行了加固。
四、计算书详细的计算书包括以下内容:1.预制构件重量统计表;2.吊装梁承载能力计算表;吊装梁承载能力计算表注:以上数据仅供参考,实际承载能力需根据具体工况条件和操作规范进行计算。
3.钢丝绳承载能力计算表;4.吊装梁加固措施说明;1.吊装梁加固措施的目的吊装梁加固措施的目的是为了提高吊装梁的承载能力和稳定性,以确保吊装作业的安全性和可靠性。
由于吊装作业需要承受较大的重量和外部力,因此对吊装梁进行加固是非常必要的。
2.吊装梁加固措施的方法(1)增加梁的截面积:通过增加梁的截面积可以有效地提高梁的承载能力和稳定性。
装配式预制构件吊装梁及吊具计算书附件1:预制构件安装吊装体系验算书⼀、两个吊点吊装梁及吊绳计算书此装配式预制构件吊装梁限载8吨,其稳定性验算主要包括主梁、钢丝绳、吊具。
计算中采⽤的设计值为恒载标准值的1.2倍与活载标准值的1.4倍。
有关计算参数:预制构件⾃重密度为25kN/m3,吊装梁的材质为Q235钢,f=215Mpa,截⾯型式采⽤⼀对20⼯字钢,截⾯⾯积为2*2880=5760mm2,回转半径i=78.6mm。
表1 吊装所⽤钢丝绳的主要技术数据1.主梁稳定性验算预制构件的⾃重为80 kN,其⾃重设计值为G=80*1.2=96 kN。
吊装梁受⼒⽰意如图1所⽰。
图1 吊装梁受⼒⽰意图则钢丝绳对吊装梁的拉⼒T=Ty/sin60o=0.5G/ sin60o=48/ sin60o=55.425KN⽔平分⼒Tx=Ty/tan60o=0.5G/ tan60o=48/ tan60o=27.715kN,即吊装梁轴⼼受压,压⼒⼤⼩为Tx,需对其做稳定性验算。
根据国家标准《冷弯薄壁型钢结构技术规范》,可按轴⼼受压稳定性要求确定吊装梁的允许承载⼒。
吊装梁的长细⽐:26.506.7839501=?==ilµλ由计算的26.50=λ查轴⼼受压构件的稳定系数表得856.0=φ吊装梁的容许承载⼒为:f A N 2φ==0.856×5760×215=1060kN>27.715kN=Tx 。
那么吊装梁满⾜设计要求,其承载⼒⾜够。
2.焊缝强度验算按吊装梁最⼤内⼒值27.715kN 计算,焊脚尺⼨h f 为9mm ,故焊缝有效厚度h c =0.7h f =6.3mm ,焊缝长度应为L w =N/(h c*f f w )=27715/(6.3×160)=27.5mm 。
实际焊缝长度⼤于100 mm ,满⾜要求。
3.钢丝绳抗拉强度验算图1 双吊点预制墙板吊装⽰意图如图1所⽰,⾃上⽽下对钢丝绳进⾏编号,钢丝绳1的直径为26 mm ,共计2根,位于吊装梁上⽅;钢丝绳2的直径为18.5 mm ,共计2根,位于吊装梁下⽅。
混凝土等级C30混凝土轴心抗压强度设计值f c=14.3N/mm 2混凝土轴心抗压强度标准值f ck =20.1N/mm 2混凝土轴心抗拉强度设计值 f t = 1.43N/mm 2混凝土轴心抗拉强度标准值f tk = 2.01N/mm 2混凝土弹性模量E c =30000N/mm 2钢筋牌号HRB400钢筋弹性模量E s =200000N/mm 2钢筋抗拉强度设计值f y =360N/mm 2钢筋强度标准值f yk =400N/mm 2三. 叠合筋分析3.1叠合筋模型(一)预制叠合板计算-6点起吊一. 混凝土材料信息:二.钢筋材料信息楼板宽度l 0=1860mm 楼板厚度H =140mm 预制板板厚t pcf =60mm 板内受力筋直径d =8mm 板分布筋直径d 1=8mm 楼板保护层厚度c =15mm 上弦筋钢筋牌号HRB400上弦筋直径d c =12mm 下弦筋钢筋牌号HRB400下弦筋直径8mm 斜筋钢筋牌号HPB300斜筋直径d r =6mma sb =27mm a st =37mm 预制叠合板断面板底至上弦筋形心的距离h =103mm 与叠合筋平行的板内分布筋形心到上弦筋形心的距离h 1=76mm 下弦筋和上弦筋的形心距离h s =76mm 相邻叠合筋上弦筋形心间距a =600mm 相邻叠合筋下弦筋形心间距a 0=520mm 下弦筋形心间距b 0=80mm 当a 0<l 0时,b a =(0.5-0.3a 0/l 0)a 0b a =216.39mm 当a 0≥l 0时,b a =0.2l 0B =S b a +b 0 但B ≤aB =512.77mm桁架筋宽度B范围内板内与叠合筋平行的板内分布钢筋数量5下弦筋数量2上弦筋面积A sc=113.04mm2宽度B范围内板分布筋面积A1=251.20mm2下弦筋面积A s=100.48mm2斜筋单肢面积A f=28.26mm2钢筋与预制叠合板混凝土的弹性模量之比a E= 6.67中性轴(含叠合筋合成截面)y0=31.46mmI0=13163819.26mm4截面抵抗矩(含叠合筋合成截面):组合梁对应于上弦筋受压边缘的弹性抵抗矩W c=I0/(h-y0)184014.51mm3组合梁对应于混凝土受拉边缘的弹性抵抗矩W0=I0/y0418388.54mm3 3.2许容值计算3.2.1预制楼板混凝土开裂许容弯矩(考虑叠合筋作用)M cR=W0*f tk0.84KN·m 3.2.2脱模时叠合板混凝土开裂许容弯矩:(考虑砼强度达到70%)0.59KN·m 3.2.3桁架上弦筋屈服许容弯矩7.36KN·m 3.2.4桁架上弦筋失稳许容弯矩:l-上弦筋长细比,l=l/i r,其中l为上弦筋焊接节点间距,取l=200mm;l=200mm 钢筋回转半径i r=d c/4 3.00mm长细比l=66.67<107长细比影响系数h= 2.129mms sc=258.09N/mm2桁架上弦筋失稳许容弯矩M tc=A sc s sc h s 2.22KN·m 3.2.5桁架下弦筋及分布筋屈服弯矩M cy=(A1f1yk h1+A s f sky h s)/1.57.13KN·m3.2.6桁架斜筋失稳许容剪力:b 0=80mmH=94.00mmf=43.25°j=66.98°t R=37.00mmsin f=0.69sin j=0.92l r=84.28mmi r=d r/4 1.50mml=39.33<99长细比影响系数h=0.3415钢筋的屈服强度标准值f yk =300N/mm 2钢筋的弹性模量E s =210000N/mm 2s sr =286.57N/mm 2N =s sr A f8.10KN 6.81KN四、桁架预制板计算:4.1构件基本参数a 板总长(支座长度方向)L x =3420mm 板总宽(高度方向)L y =1860mm 板厚度h =60mm板混凝土体积V =0.38m 3构件重量G k =10.02kNb 短暂工况动力系数取值脱模 1.2运输、吊装1.5脱模时,模板吸附力取值1.5kN/m 24.2设计工况内力取值-短暂设计工况1.取构件自重标准值x 动力系数+脱模吸附力21.56kN2.构件自重标准值x1.515.03kN 取1、2项最大值21.56kN 构件自重标准值x1.515.03kN 4.3基本内力计算取B 范围板带作为计算单元:L 0=1.00m 考虑吊点与荷载沿构件中心对称,故采用下图荷载简图计算q L = 3.39KN/m考虑运输吊装荷载,取动力系数1.5脱模验算等效静力荷载标准值取最大值m=0.46ml= 1.20ml=m/l0.38M A=0.36KN.mM B=0.43KN.m跨中弯矩M=q L l2/8-(M A+M B)/20.22KN.m取最大值M max0.43KN.mR A= 3.53KNR B= 2.09KN取最大值V max 3.53KN4.4预制构件短暂工况下验算考虑吊点在桁架筋600宽度,故仅对桁架筋位置截面进行计算。
装配式预制构件吊装梁及吊具计算书
一、引言
本文旨在为装配式预制构件吊装梁及吊具的设计和计算提供指导。
在装配式建筑中,预制构件的吊装是一个关键环节,而吊装梁和吊具的选择和设计对于确保施工安全和效率至关重要。
本文将详细介绍吊装梁和吊具的计算方法,以确保其满足施工要求并保证施工安全。
二、吊装梁设计
1.确定吊装梁的跨度:根据预制构件的尺寸和吊装位置,确定吊装梁的跨度。
2.选择合适的截面形式:根据吊装梁的跨度和荷载情况,选择合适的截面形
式,如矩形、工字形等。
3.计算吊装梁的承载能力:根据吊装梁的截面形式和荷载情况,计算其承载
能力,确保满足施工要求。
三、吊具设计
1.选择合适的吊具类型:根据预制构件的尺寸和重量,选择合适的吊具类型,
如钢丝绳、链条等。
2.确定吊具的规格和长度:根据预制构件的尺寸和重量,确定吊具的规格和
长度,确保其能够满足施工要求。
3.计算吊具的承载能力:根据吊具的类型和规格,计算其承载能力,确保满
足施工要求。
四、计算方法
1.弹性力学方法:通过弹性力学方法计算吊装梁和吊具的承载能力,确保其
满足施工要求。
2.有限元分析方法:通过有限元分析方法对吊装梁和吊具进行详细的分析和
计算,确保其满足施工要求。
五、结论
本文详细介绍了装配式预制构件吊装梁及吊具的计算方法,包括吊装梁和吊具的设计、选择和计算方法。
通过合理的计算和设计,可以确保吊装梁和吊具满足施工要求并保证施工安全。
在未来的工作中,我们将继续关注和研究新的技术和方法,以进一步提高装配式建筑的安全性和效率。
装配式预制构件安装板及安装工具计算书1. 引言本文档描述了装配式预制构件的安装板及安装工具的计算方法和设计要求。
装配式预制构件安装板用于支撑和固定预制构件,保证安装的牢固和稳定。
安装工具用于方便安装板的安装和调整。
本文档的目的是为了确保装配式预制构件的安装过程安全可靠。
2. 装配式预制构件安装板计算2.1. 载荷计算安装板需要能够承受预制构件的重量和外部载荷。
根据实际情况和设计要求,计算装配式预制构件安装板的承载能力,包括静载荷和动力载荷。
2.2. 尺寸计算根据安装板的承载能力和预制构件的尺寸,计算安装板的尺寸和布置方式,保证每个预制构件都能够得到适当的支撑和固定。
2.3. 材料选择根据安装板的计算结果和设计要求,选择适当的材料用于安装板的制造。
材料应具备足够的强度和稳定性,能够满足负荷和使用条件要求。
3. 安装工具计算3.1. 功能要求安装工具的功能是帮助安装板的安装和调整。
根据需要,确定安装工具的基本功能和特点,包括支撑、固定、调节和安全性等。
3.2. 尺寸计算根据安装工具的功能要求和实际使用情况,计算安装工具的尺寸和布置方式,确保其能够正确地配合安装板进行安装和调整。
3.3. 材料选择根据安装工具的计算结果和设计要求,选择适当的材料用于安装工具的制造。
材料应具备足够的强度和耐用性,能够满足使用条件和要求。
4. 总结本文档介绍了装配式预制构件安装板及安装工具的计算方法和设计要求。
通过正确的载荷计算、尺寸计算和材料选择,可以确保装配式预制构件的安装过程安全可靠。
同时,合理的安装工具设计和制造也可以提高安装效率和质量。
在实际的工程中,应根据具体情况进行细化和改进,并满足相关的法规和标准要求。
预制构件吊点计算书
一、工程概况
xx工程位于xx市xx路,由xx建筑工程有限公司招投标承担,主要
工程内容为xx。
二、预制构件信息
本工程预制构件吊装项目的构件主要为xx,其型号·尺寸为:xx,
预制构件经专业检测后,计算得出其质量和容许载荷。
三、吊装要求
1、预制构件采用吊装方法运输及安装,严禁其他不规范方式介入,
以确保安全。
4、起重机的运行必须在专人操作和专人监护下完成,运行时应有一
定的安全距离,避免发生事故。
5、吊装构件时,须严格按照图纸要求安装,以保证预制构件的安装
效果。
四、吊装实施
1、在安装构件前需要进行现场检查,以确保吊装构件的安全。
2、预制构件根据图纸的要求进行安装,吊装设备应按要求安装在构
件上,并进行绑扎处理,以保证构件的牢固,并符合吊装要求。
3、吊装过程中,应特别注意构件的安全,以及摩擦力等方面的变化,以便及时采取措施,防止发生危险和事故。
预制构件起重机计算书
1. 引言
本文档旨在为设计和使用预制构件起重机提供计算依据和指导。
预制构件起重机是一种特殊的起重设备,用于在建筑和工程领域中
搬运和安装预制构件。
该计算书将涵盖起重机的基本参数、载荷计
算和稳定性分析。
2. 起重机基本参数
起重机基本参数是开展计算的重要前提。
在本节中,将列出起
重机的相关参数,包括额定起重量、最大起升高度、起升速度等。
3. 载荷计算
本节将介绍起重机载荷计算的方法和步骤。
载荷计算是确定起
重机工作范围和限制的关键,涉及到多个因素,如预制构件的重量、尺寸、吊装点、工作半径等。
4. 稳定性分析
为确保起重机的安全运行,稳定性分析是必不可少的。
本节将
介绍起重机的稳定性计算方法,并提供计算实例和注意事项。
5. 结论
根据上述计算和分析,可以得出预制构件起重机的使用条件和限制。
同时,建议合理选择和配置起重机设备,确保施工安全和效率。
以上是《预制构件起重机计算书》的主要内容和提纲。
本文档的编制旨在为设计师、工程师和使用者提供参考,帮助他们合理设计和使用预制构件起重机。
请注意,本计算书提供的计算结果仅供参考,实际使用中应结合实际情况进行验证和调整。
参考文献:
1. XXX
2. XXX
3. XXX。
附件1:预制构件安装吊装体系验算书一、两个吊点吊装梁及吊绳计算书此装配式预制构件吊装梁限载8吨,其稳定性验算主要包括主梁、钢丝绳、吊具。
计算中采用的设计值为恒载标准值的1.2倍与活载标准值的1.4倍。
有关计算参数:预制构件自重密度为25kN/m3,吊装梁的材质为Q235钢,f=215Mpa,截面型式采用一对20工字钢,截面面积为2*2880=5760mm2,回转半径i=78.6mm。
表1 吊装所用钢丝绳的主要技术数据1.主梁稳定性验算预制构件的自重为80 kN,其自重设计值为G=80*1.2=96 kN。
吊装梁受力示意如图1所示。
图1 吊装梁受力示意图则钢丝绳对吊装梁的拉力T=Ty/sin60o=0.5G/ sin60o=48/ sin60o=55.425KN水平分力Tx=Ty/tan60o=0.5G/ tan60o=48/ tan60o=27.715kN,即吊装梁轴心受压,压力大小为Tx,需对其做稳定性验算。
根据国家标准《冷弯薄壁型钢结构技术规范》,可按轴心受压稳定性要求确定吊装梁的允许承载力。
吊装梁的长细比:26.506.7839501=⨯==ilμλ由计算的26.50=λ查轴心受压构件的稳定系数表得856.0=φ吊装梁的容许承载力为:f A N 2φ==0.856×5760×215=1060kN>27.715kN=Tx 。
那么吊装梁满足设计要求,其承载力足够。
2.焊缝强度验算按吊装梁最大内力值27.715kN 计算,焊脚尺寸h f 为9mm ,故焊缝有效厚度h c =0.7h f =6.3mm ,焊缝长度应为L w =N/(h c*f f w )=27715/(6.3×160)=27.5mm 。
实际焊缝长度大于100 mm ,满足要求。
3.钢丝绳抗拉强度验算图1 双吊点预制墙板吊装示意图如图1所示,自上而下对钢丝绳进行编号,钢丝绳1的直径为26 mm ,共计2根,位于吊装梁上方;钢丝绳2的直径为18.5 mm ,共计2根,位于吊装梁下方。
1)钢丝绳1抗拉强度验算根据规范可知,用于起重安装钢丝绳安全系数为5.0,而单根直径26 mm 钢丝绳1可承受破断拉力为517 kN (见表1),所以设计可承受拉力为517/5=103.4 kN>T=55.425 kN 。
则钢丝绳1满足设计要求。
3)钢丝绳2抗拉强度验算根据规范可知,用于起重安装钢丝绳安全系数为5.0,而单根直径18.5 mm 钢丝绳2可承受破断拉力为257 kN (见表1),所以设计可承受拉力为257/5=51.4 kN> G/2=48 kN 。
则钢丝绳2满足设计要求。
二、三个吊点吊装梁及吊绳计算书 2. 主梁稳定性验算预制构件的自重为80kN ,其自重设计值为G=80*1.2=96kN 。
吊装梁受力示意如图1示。
图1 吊装梁受力示意图则钢丝绳对吊装梁的拉力T=Ty/sin60o =0.5G/ sin60o =48/ sin60o =55.425kN ,水平分力Tx=Ty/tan60o =0.5G/ tan60o =48/ tan60o =27.715kN ,即吊装梁轴心受压,压力大小为Tx ,需对其做稳定性验算。
根据国家标准《冷弯薄壁型钢结构技术规范》,可按轴心受压稳定性要求确定吊装梁的允许承载力。
吊装梁的长细比:3.766.7860001=⨯==ilμλ由计算的2.38=λ查轴心受压构件的稳定系数表得714.0=φ吊装梁的容许承载力为:f A N 2φ==0.714×5760×215=884kN>27.715kN=Tx 。
那么吊装梁满足设计要求,其承载力足够。
2.焊缝强度验算按吊装梁最大内力值27.715kN计算,焊脚尺寸h f为9mm,故焊缝有效厚度h c=0.7h f=6.3 mm,焊缝长度应为L w=N/(h c*f f w)=27715/(6.3×160)=27.5mm。
实际焊缝长度大于100 mm,满足要求。
3.钢丝绳抗拉强度验算图2 三吊点预制墙板吊装示意图如图2所示,自上而下对钢丝绳进行编号,钢丝绳1的直径为26 mm,共计2根,位于吊装梁上方;钢丝绳2的直径为18.5 mm,共计3根,位于吊装梁下方。
1)钢丝绳1抗拉强度验算根据规范可知,用于起重安装钢丝绳安全系数为5.0,而单根直径26 mm钢丝绳1可承受破断拉力为517 kN(见表1),所以设计可承受拉力为517/5=103.4 kN>T=55.425 kN。
则钢丝绳1满足设计要求。
3)钢丝绳2抗拉强度验算根据规范可知,用于起重安装钢丝绳安全系数为5.0,而单根直径18.5 mm 钢丝绳2可承受破断拉力为257 kN (见表1),所以设计可承受拉力为257/5=51.4 kN> G/3=32kN 。
则钢丝绳2满足设计要求。
三、四个吊点吊装梁及吊绳计算书 1. 主梁稳定性验算预制墙体的自重为80kN ,其自重设计值为G=80*1.2=96kN 。
吊装梁受力示意如图1所示。
图1 吊装梁受力示意图则钢丝绳对吊装梁的拉力T=Ty/sin60o =0.5G/ sin60o =48/ sin60o =55.425kN ,水平分力Tx=Ty/tan60o =0.5G/ tan60o =48/ tan60o =27.715kN ,即吊装梁轴心受压,压力大小为Tx ,需对其做稳定性验算。
根据国家标准《冷弯薄壁型钢结构技术规范》,可按轴心受压稳定性要求确定吊装梁的允许承载力。
吊装梁的长细比:3.766.7860001=⨯==ilμλ由计算的52=λ查轴心受压构件的稳定系数表得714.0=φ吊装梁的容许承载力为:f A N 2φ==0.714×5760×215=884kN>27.715kN=Tx 。
那么吊装梁满足设计要求,其承载力足够。
2.焊缝强度验算按吊装梁最大内力值27.715kN 计算,焊脚尺寸h f 为9mm ,故焊缝有效厚度h c =0.7h f =6.3 mm ,焊缝长度应为L w =N/(h c*f f w )=27715/(6.3×160)=27.5 mm 。
实际焊缝长度大于100 mm ,满足要求。
3.钢丝绳抗拉强度验算图3 四吊点预制墙板吊装示意图如图3所示,自上而下对钢丝绳进行编号,钢丝绳1的直径为26 mm,共计2根,位于吊装梁上方;钢丝绳2的直径为18.5 mm,共计4根,位于吊装梁下方。
1)钢丝绳1抗拉强度验算根据规范可知,用于起重安装钢丝绳安全系数为5.0,而单根直径26 mm钢丝绳1可承受破断拉力为517 kN(见表1),所以设计可承受拉力为517/5=103.4 kN>G/2=48 kN。
则钢丝绳1满足设计要求。
3)钢丝绳2抗拉强度验算根据规范可知,用于起重安装钢丝绳安全系数为5.0,而单根直径18.5 mm钢丝绳2可承受破断拉力为257 kN(见表1),所以设计可承受拉力为257/5=51.4 kN> G/4=24kN。
则钢丝绳2满足设计要求。
四、预制楼梯吊装有关计算参数:预制楼梯最大自重设为4吨,其自重为40KN,自重设计值G=40*1.2=48KN,预制楼梯自重密度为25kN/m3,吊装梁的材质为Q235钢,f=215Mpa,截面型式采用一对20#槽钢翼缘向内,截面面积为2*2880=5760mm2,回转半径i=78.6mm。
1.钢丝绳抗拉强度验算图4 预制楼梯吊装示意图如图4所示,自上而下对钢丝绳进行编号,钢丝绳1为塔吊构件主吊绳;钢丝绳2的直径为18.5 mm,位于吊装梁上方,共计2根;钢丝绳3的直径为18.5 mm,位于吊装梁下方,共计4根。
1)钢丝绳1抗拉强度验算根据规范可知,用于起重安装钢丝绳安全系数为5.0,而单根直径26mm 钢丝绳1可承受破断拉力为517 kN(见表1),所以设计可承受拉力为517/5=103.4 kN>G=48kN。
则钢丝绳1满足设计要求.2)钢丝绳2抗拉强度验算根据规范可知,用于起重安装钢丝绳安全系数为5.0,而单根直径18.5 mm钢丝绳2可承受破断拉力为257 kN(见表1),所以设计可承受拉力为257/5=51.4 kN>G/2=24kN。
则钢丝绳2满足设计要求。
3)钢丝绳3抗拉强度验算根据规范可知,用于起重安装钢丝绳安全系数为5.0,而单根直径18.5 mm钢丝绳3可承受破断拉力为257 kN(见表1),所以设计可承受拉力为257/5=51.4 kN> G/4=12kN。
则钢丝绳3满足设计要求。
2.吊具抗拉强度验算预制楼梯吊装时首先将楼梯预埋的内螺纹螺母与吊具通过高强螺栓连接好,再将钢丝绳穿过吊具顶部的吊装孔来实现楼梯与吊装梁之间可靠的固定。
每个楼梯布设了4个吊装预埋件,则每个楼梯安装4个吊具。
吊具中使用8.8级高强螺栓直径为20 mm。
吊具竖直拉力N=40*1.2/4=12kN,M20螺栓的小径d=17.294 mm,截面面积A=23438 mm2,安全系数取为5,另8.8级高强螺栓的抗拉强度设计值为830 MPa,M20螺栓所受拉应力为12/338.1=51.1MPa<f t b/S=830/5 MPa=166 MPa,满足设计要求。
所以,预制构件吊装梁及吊具满足设计要求。