原材料进场报验单
- 格式:doc
- 大小:24.00 KB
- 文档页数:1
工程项目名称: 滨洲线
表 A. 0. 7进场材料/构配件
K413地道桥工程项目经理部
/ 设备报验表
施工合同段:II 标段编号:
致黑龙江中铁建设监理有限公司(项目监理机构):
下列原材料 / 构件 / 设备经自检符合技术规范要求,报请检验并准予在指定的部位使
用。
附件 : 1. 出厂质量保证书(产品合格证)
2. 出厂检验报告;
3. 自检试验报告。
;
施工单位(章) :
项目负责人 :
技术负责人 :
日期 :年月日名称河砂水泥块石
规格及型号中砂P.0 42.5/
本批数量400m 3200t/
供货单位扎兰屯市富华沙场扎兰屯市龙北水扎兰屯市福鑫采石场
泥有限公司
到达时间2017.10.102017.10.102017.10.10
合格证Xk08-001-01135
来源或产地扎兰屯扎兰屯扎兰屯
使用工点及部位K413 地道桥一、二阶K413 地道桥一、K413 地道桥一、二阶
挡墙二阶挡墙挡墙
自取样地点及日期施工现场, 2017.10.6施工现场,施工现场, 2017.10.6检2017.10.6
情检查人及检查日期韩文杰 2017.10.6韩文杰 2017.10.6韩文杰 2017.10.6
况
合格合格合格检查结果
使用日期2017.10.112017.10.112017.10.11
监理检验意见
审查结论 :
专业监理工程师:
日期:年月日。
工程物资进场报验表B2-02工程名称编号致(监理单位)现报上关于工程的物资进场检验记录,该批物资经我方检验符合设计、规范程及合同要求,请予以批准使用。
物资名称主要规格单位数量委托单编号使用部位附件:名称页数编号1. 出厂质量证明文件 1 页2. 进场检验记录 1 页3. 进场试验报告页施工单位检查意见:经检验产品质量合格,同意使用。
施工单位名称:技术负责人(签字):年月日审查意见:经检验产品质量合格,同意使用。
监理单位名称:监理工程师(签字):年月日材料、构配件进场检验记录C3-01工程名称检验日期施工单位序生产厂家名称规格型号进场数量外观质量结果号合格证号12345678910111213141516171819202122施工技术施工负责人:质检员:材料员:工程物资进场报验表B2-02工程名称编号致(监理单位)现报上关于工程的物资进场检验记录,该批物资经我方检验符合设计、规范程及合同要求,请予以批准使用。
物资名称主要规格单位数量委托单编号使用部位附件:名称页数编号1. 出厂质量证明文件 1 页2. 进场检验记录 1 页3. 进场试验报告页施工单位检查意见:经检验产品质量合格,同意使用。
施工单位名称:技术负责人(签字):年月日审查意见:经检验产品质量合格,同意使用。
监理单位名称:监理工程师(签字):年月日材料、构配件进场检验记录C3-01工程名称检验日期施工单位序规格型生产厂家外观质名称进场数量结果号号合格证号量12345678910111213141516171819202122施工技术施工负责人:质检员:材料员:。
说明:本表一式3 份,由承包人填写。
监理机构审核后、发包人1份,监理机构1份、承包人1 份。
说明:本表一式3 份,由承包人填写。
监理机构审核后、发包人1份,监理机构1份、承包人1 份。
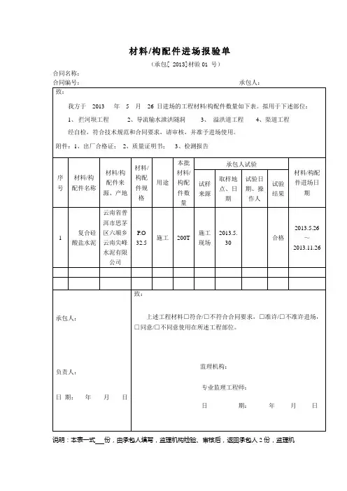
(承包南龙[2015]材验24号)
(南龙[2015]材验25号)
说明:本表一式3 份,由承包人填写。
监理机构审核后、发包人1份,监理机构1份、承包人1 份。
(南龙[2015]材验26号)
说明:本表一式3 份,由承包人填写。
监理机构审核后、发包人1份,监理机构1份、承包人1 份。
说明:本表一式3 份,由承包人填写。
监理机构审核后、发包人1份,监理机构1份、承包人1 份。
说明:本表一式3 份,由承包人填写。
监理机构审核后、发包人1份,监理机构1份、承包人1 份。
说明:本表一式3 份,由承包人填写。
监理机构审核后、发包人1份,监理机构1份、承包人1 份。
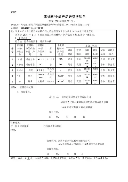
(华龙 [2018]报验001号)
合同名称:河南省人民胜利渠灌区续建配套与节水改造项目2018年度工程施工II标
合同编号:RMSLQGQXJ[2018]-SG-02
说明:本表一式4 份,由承包人填写。
监理机构审签后,承包人2份,监理机构、发包人各1份。
(华龙 [2018]报验002号)
合同名称:河南省人民胜利渠灌区续建配套与节水改造项目2018年度工程施工II标
说明:本表一式4 份,由承包人填写。
监理机构审签后,承包人
(华龙 [2018]报验003号)
合同名称:河南省人民胜利渠灌区续建配套与节水改造项目2018年度工程施工II标合同编号:RMSLQGQXJ[2018]-SG-01
说明:本表一式4 份,由承包人填写。
监理机构审签后,承包人
(华龙 [2018]报验004号)
合同名称:河南省人民胜利渠灌区续建配套与节水改造项目2018年度工程施工II标
说明:本表一式4 份,由承包人填写。
监理机构审签后,承包人2份,监理机构、发包人各1份。
CB07
原材料/中间产品进场报验单
(华龙 [2018]报验005号)
合同名称:河南省人民胜利渠灌区续建配套与节水改造项目2018年度工程施工II标
说明:本表一式4 份,由承包人填写。
监理机构审签后,承包人2份,监理机构、发包人。
进场工程原材料报验单
一、项目名称:
二、工程地点:
三、报验部位:
四、报验原材料:
(说明原材料名称、规格、数量等详细信息)
五、原材料进场检验情况:
1.原材料入场日期:
3.原材料供货单位:
4.运输方式:
5.原材料检验单位及检验方法:
6.原材料检验结果:
(填写原材料检验报告,并注明是否合格)
六、原材料验收情况:
1.原材料验收日期:
2.验收人员:
3.原材料外观检查情况:
4.原材料尺寸检查情况:
5.原材料数量确认情况:
6.原材料质量合格证明:
(如有合格证明,请提供证明文件编号)
七、问题及处理情况:
(如有原材料存在问题,请详细描述,并说明处理措施及验收结果)八、报验结论:
(填写原材料是否合格,并注明原因)
九、备注:
(填写其他需要说明的事项)
承办单位负责人签名:。
进场原材料报验单报验单号:报验日期:报验单位:报验人:供应厂商:原材料名称:规格型号:产地:数量:生产日期:批号:进口/国产:包装形式:验收标准:验收结果:备注:一、进场原材料基本信息1.原材料名称:填写原材料的正式名称。
2.规格型号:填写原材料的详细规格和型号。
3.产地:填写原材料的生产地点。
4.数量:填写原材料的进场数量。
5.生产日期:填写原材料的生产日期。
6.批号:填写原材料的批号,用于追溯产品质量。
7.进口/国产:填写原材料是进口还是国产。
8.包装形式:填写原材料的包装形式,如散装、袋装、桶装等。
9.验收标准:填写原材料的验收标准,包括外观、化学成分、物理性质等指标。
二、原材料外观检查1.包装完好:检查原材料的包装是否完好,无破损、漏液、变形等现象。
2.无异味:闻气味,检查是否有异常异味。
3.无外来物:检查原材料包装内是否有杂质、异物等。
4.外观无污染:检查原材料的外观是否有污染、油污等现象。
三、原材料化学成分检测根据原材料的特性,选择相应的化学成分检测方法。
例如,金属材料可以通过光谱仪进行成分分析,化学试剂可以通过化学分析方法进行检测。
四、原材料物理性质检测根据原材料的特性,选择相应的物理性质检测方法。
例如,粉末材料可以通过粒度分析仪进行粒度检测,液体材料可以通过密度计进行密度检测。
五、原材料送样及留样1.样品编号:为原材料取样,标明样品编号。
2.样品数量:填写取样数量。
3.样品保存:将部分样品留样,保存至少30天以上。
六、验收结果及备注1.验收结果:填写原材料的验收结果,如合格、不合格等。
2.备注:针对原材料的特殊情况和问题进行备注。
七、负责人签字报验单位负责人签字确认报验结果的准确性和完整性。
以上是关于进场原材料报验单的说明,该报验单主要用于对进场原材料进行检查和测试,以确保原材料符合质量要求,进一步保证产品质量。
在填写报验单时,需要准确记录原料的基本信息、外观检查、化学成分检测、物理性质检测、样品保存以及验收结果等重要内容,以便于后续分析和追溯。