2006年捷达Jetta型电路图2006-7
- 格式:pdf
- 大小:277.34 KB
- 文档页数:14
第六章捷达轿车电气元器件位置与电气线路图第一节捷达轿车电气元器件位置图捷达轿车电气元器件位置如图6-1-1~图6-1-2所示。
图6-1-1 发动机电控系统主要元器件的安装位置图6-1-2 ABS系统各元件的安装位置1-ABS控制器2-总泵助力器3-自诊断接口4-ABS警报灯K47 5-后轮转速传感器G44/G46 6-制动灯开关7-前轮转速传感器G45/G47第二节捷达系列轿车电气线路图一、捷达都市先锋轿车电气线路图捷达都市先锋轿车继电器、保险丝的布置见图6-2-1和图6-2-2所示,其含义见表6-2-1和表6-2-2所示。
捷达都市先锋轿车电气线路图如图6-2-3~图6-2-22所示。
图6-2-1 继电器盘正面布置图6-2-2 继电器盘背面布置A1-8孔插头(黄色),前大灯线束A2-8孔插头(黄色),前大灯线束B-6孔插头(绿色),用于前大灯清洗系统C-8孔插头(黄色),用于任选线束D-12孔插头(绿色),用于附加设备E-5孔插头(绿色),仪表线束F-9孔插头(白色)发动机舱右侧线束G1-12孔插头(白色)发动机舱右侧线束G2-12孔插头(白色)发动机舱右侧线束H1-10孔插头(红色),转向柱开关线束H2-8孔插头(红色),转向柱开关线束J-10孔插头(红色),转向柱开关线束K-12孔插头(黑色),尾部线束L-7孔插头(黑色),尾部线束M-6孔插头(黑色),尾部线束N-6孔插头(绿色),空调线束P-9孔插头(蓝色),后风窗及前雾灯开关线束Q-6孔插头(蓝色),仪表线束R-10孔插头(蓝色),灯光开关线束S-5孔插头(白色)发动机舱右侧线束T-2孔插头(绿色)U1-14孔插头(蓝色),仪表板线束U2-14孔插头(蓝色),仪表板线束V-4孔插头(绿色),多功能指示器线束W-6孔插头(绿色),ABS线束X-8孔插头(绿色),警报指示灯(拖挂设备、ABS系统)线束Y-单孔插头,接线柱30 Z1-单孔插头Z2-单孔插头,接线柱31 30-单孔插头,接线柱30 30B-单孔插头表6-2-1 保险丝的布置图6-2-3 电控燃油喷射系统控制原理图F60-怠速开关G2-水温传感器G6-汽油泵G28-发动机转速传感器G39-λ传感器G40-霍尔传感器 G61、G66-爆震传感器 G62-水温传感器 G69-节气门电位计 G70-空气流量计 G72-进气温度传感器 G88-怠速节气门电位计 J17-汽油泵继电器 J220-控制单元 J338-节气门控制单元 N-2、3缸点火线圈N30~N33-1~4缸喷嘴 N79-曲轴箱通风加热电阻 N80-活性碳罐电磁阀 N122-终端能量输出极 N128-1、4缸点火线圈 P-火花塞插头 Q-火花塞 S15、S18-保险丝 T16-自诊断接口 V60-怠速电机 Z19-λ传感器加热器 A-发动机转速信号 B-空调压缩机信号 C-空调装置信号 D-车速信号图6-2-4 电控燃油喷射系统电路图(1)A-蓄电池G2-冷却液温度传感器G40-霍尔传感器G62-冷却温度传感器J220-多点喷射控制单元N79-加热电阻(曲轴箱通风)N152-点火线圈P-火花塞插头Q-火花塞T4-4孔插头T8-8孔插头T80-80孔插头-接地点,在气缸盖上–接地连接点1,在发动机舱线束内–接地连接点(传感器接地),在发动机线束内–正极连接点1(15),在发动机舱经线束内–连接点1,在多点喷射控制单元线束内图6-2-5 电控燃油喷射系统电路图(2)F60-怠速开关G61-爆震传感器①G69-节气门电位计G72-进气温度传感器G88-节气门调节器电位计G220-多点喷射控制单元G338-节气门控制单元T80-80孔接头V60-节气门调节器图6-2-6 电控燃油喷射系统电路图(三)B-起动机ws-白色D-点火开关sw-黑色G28-发动机转速传感器ro-红色G66-爆震传感器2 br-棕色J220-多点喷射控制单元gn-绿色T3-3孔插头,靠近发动机转速传感器bl-蓝色T80-80孔插头gr-灰色-接地点,在发动机舱左侧li-紫色–接地连接点(传感器接地),在发动机线束内ge-黄色图6-2-7 电控燃油喷射系统电路图(4)G39-λ传感器 G70-空气流量计 J17-燃油泵继电器 J220-多点喷射控制单元 N30-1缸喷油阀 N31-2缸喷油阀 N32-3缸喷油阀 N33-4缸喷油阀 N4a-4孔插头 T80-80孔插头 TV2-30号接线柱,分线器,在继电器盘后–连接点(喷油阀),在发动机舱线束内图6-2-8 电控燃油喷射系统电路图(5)A-蓄电池ws-白色G-燃油表传感器sw-黑色G6-燃油泵ro-红色J32-空调继电器,在继电器盘上br-棕色J220-多点喷射控制单元gn-绿色N25-空调装置电磁离合器bl-蓝色N80-活性碳罐电磁阀1 gr-灰色S51-保险丝li-紫色T8-8孔插头ge-黄色T16-16孔插头,V.A.G1551自诊断接口T80-80孔插头–接地连接地1,在仪表板线束内*-散热器风扇接通控制单元图6-2-9 电控燃油喷射系统电路图(6)F1-机油压力开关ws-白色F22-机油压力开关(30kPa)sw-黑色G1-燃油表ro-红色G3-冷却度表br-棕色K-仪表板gn-绿色T8-8孔插头bl-蓝色T28-28孔插头,在仪表板上gr-灰色li-紫色ge-黄色图6-2-10 自动变速器控制系统电路图B/50-起动机(接线柱50)D/50-点火开关(接线柱50)F-制动灯开关F8-强制低速档开关F125-多功能开关G28-发动机转速传感器G38-变速器转速传感器G68-车速传感器G69-节气门电位计G93-变速器机油温度传感器J226-启动锁和倒车灯继电器J-发动机控制单元J217-自动变速器控制单元L19-挡位指示板照明灯M16/M17-倒车灯M9/M10-制动灯和尾灯N88-电磁阀 1 N89-电磁阀 2 N90-电磁阀 3 N91-电磁阀 4 N92-电磁阀5 N93-电磁阀6 N94-电磁阀7 N110-变速杆锁止电磁阀S14-保险丝;附加信号:1-变速杆位置指示板、2-速度调节装置、3-空调装置图6-2-11 ABS系统控制电路图A/- -蓄电池负极A/+-蓄电池正极F-制动灯开关G44-后右轮转速传感器G45-前右轮转速传感器G46-后左轮转速传感器G47-前左轮转速传感器J104-ABS电子控制单元K47-ABS警报灯M9-左制动灯M10-右制动灯N55-ABS/EBD液压控制单元N99-前右轮ABS常开阀N100-前右轮ABS常闭阀N101-前左轮ABS常开阀N102-前左轮ABS 常闭阀N133-后右轮ABS常开阀N134-后左轮ABS常闭阀N135-后左轮ABS常开阀N136-后左轮ABS常闭阀S4-保险丝(15A)S14-保险丝(10A)S20-保险丝(10A)S123-液压泵保险丝(30A)S124-电磁阀保险丝(30A)TV14-故障阅读器接口V64-ABS液压泵电机ws-白色sw-黑色ro-红色gn-绿色br-棕色bl-蓝色gr-灰色li紫色ge-黄色图6-2-12 仪表板连接、油压开关、冷却液温度传感器电路图F1-油压开关G-燃油表传感器ws-白色bl-蓝色K2-发电机警报灯–搭铁连接点,在发动机舱线束内sw-黑色gr-灰色F22-油压开关* K5-转向警报灯ro-红色li-紫色K1-远光警报灯T28-28孔插头,在仪表板上br-棕色ge-黄色G2-冷却液温度表传感器gn-绿色图6-2-13 仪表板(燃油表、冷却液温度表、油压报警、时钟、转速表)电路图G1-燃油表ws-白色G3-冷却液温度表sw-黑色G5-转速表ro-红色G54-速度传感器(仪表板内)br-棕色J6-稳压器gn-绿色J243-油压和冷却液报警及转速表控制单元bl-蓝色K3-油压警报灯gr-灰色K28-冷却液温度警报灯li-紫色L8-时钟照明灯ge-黄色L10-仪表板照明灯L1d-单孔插接件,继电器盒后面T11-11孔插接件,控制器J243上T28-28孔插接件,仪表板旁Y2-数字式时钟图6-2-14 手制动和制动液液面报警电路图F9-手制动指示灯开关ws-白色F345-制动液面警报开关sw-黑色K7-双管路制动及手制动指示灯ro-红色–接地点,发动机舱线束内br-棕色–接地连接,前大灯线束内gn-绿色bl-蓝色gr-灰色li-紫色ge-黄色图6-2-15 点烟器、收放机电路图L16-空调控制板照明灯ws-白色L28-点烟器照明灯sw-黑色T1c-单孔插接件,继电器盒后面ro-红色T3a-3孔插接件,仪表板后br-棕色–接地连接,仪表线束内gn-绿色–接地点,前大灯线束内bl-蓝色–接地点,前大灯线束内gr-灰色U1-点烟器li-紫色ge-黄色图6-2-16 车内灯、行李舱照明灯、牌照灯电路图F2-左前门联锁开关W3-行李舱灯ws-白色F3-右前门联锁开关W15-室内灯sw-黑色F5-行李舱照明灯开关X-牌照灯ro-红色F10-左后门联锁开关–接地点,继电器盒旁br-棕色F11-右后门联锁开关-接地点,行李舱左侧gn-绿色T1e-单孔插接件,继电器盒上部–接地点,行李舱左侧bl-蓝色T10-单孔插接件,继电器盒上部gr-灰色T2e-2孔插接件,行李舱左后部li-紫色T21-2孔插接件,行李舱左侧ge-黄色图6-2-17 前大灯、停车灯、变光及转向灯开关电路图E4-变光及转向灯开关ws-白色L1-左前大灯双丝灯sw-黑色L2-右前大灯双丝灯ro-红色M1-左停车灯br-棕色M3-右停车灯gn-绿色T5b-5孔插接件,转向柱开关后面bl-蓝色–接地连接点,前大灯线束内gr-灰色–接地连接点,前大灯线束内li-紫色ge-黄色图6-2-18 转向灯及遇险警报灯开关、驻车灯开关电路图E2-转向灯开关ws-白色E3-遇险警报开关sw-黑色E19-驻车灯开关ro-红色J2-遇险警报灯继电器br-棕色K6-遇险警报灯gn-绿色T4c-4孔插接件,转向柱开关后bl-蓝色T5b-5孔插接件,转向柱开关后gr-灰色T7a-7孔插接件,转向柱开关后li-紫色ge-黄色图6-2-19 转向信号灯、尾灯电路图M2-右尾灯T2b-2孔插接件,左减振器支柱后ws-白色M4-左尾灯T6a-6孔插接件,左尾灯sw-黑色M5-左前转向灯T6b-6孔插接件,右尾灯ro-红色M6-左后转向灯–接地点,行李舱锁下端br-棕色M7-右前转向灯–接地点,行李舱锁下端gn-绿色M8-右后转向灯–接地点,左尾灯灯架处bl-蓝色M18-左侧停车转向灯–接地点,右尾灯灯架处gr-灰色M19-右侧停车转向灯–接地连接点,前大灯线束内li-紫色T1i-单孔插接件,左减振器支柱后–接地连接点,前大灯线束内ge-黄色图6-2-20 车灯开关、制动灯电路图E1-车灯开关ws-白色E20-车灯控制开关和仪表sw-黑色F-制动灯开关ro-红色L9-车灯开关照明灯br-棕色M9-左制动灯gn-绿色M10-右制动灯bl-蓝色T6a-6孔插接件,左尾灯上gr-灰色T6b-6孔插接件,右尾灯上li-紫色–接地点,左尾灯灯架处ge-黄色–接地点,右尾灯灯架处图6-2-21 倒车灯、后风窗加热、双音喇叭电路图E15-后风窗加热开关T2b-2孔插接件,继电器盒后面ws-白色F4-倒车灯开关T2e-6孔插接件,行李舱左后侧sw-黑色H1-双音喇叭T6a-6孔插接件,左尾灯上ro-红色J4-双音喇叭继电器T6b-6孔插接件,右尾灯上br-棕色K10-后风窗加热指示灯Z1-后风窗加热gn-绿色L39-后风窗加热开关照明灯–接地点,行李舱右侧bl-蓝色M16-左倒车灯–接地点,左尾灯灯架上gr-灰色M17-右倒车灯–接地点,左尾灯灯架上li-紫色–电源线连接点,双音喇叭线束内ge-黄色图6-2-22 前后雾灯电路图E23-前后雾灯开关L22-左前雾灯ws-白色K13-后雾灯指示灯L23-右前雾灯sw-黑色L20-后雾灯灯泡T2b-2孔插接件,右前大灯附近ro-红色L40-前、后雾灯开关照明灯T2h-2孔插接件,左前大灯附近br-棕色T2g-2孔插接件,左后悬挂上–接地点,前大灯线束内gn-绿色T6a-6孔插接件,左尾灯上J5-雾灯继电器bl-蓝色–接地点,右尾灯灯架gr-灰色li-紫色ge-黄色。
Jetta CIX2006/EOBD►062006接地点位置继电器位置保险丝位置1/1 1/31/5蓄电池,发电机,点火开关,X卸荷继电器起动机,保险丝保险丝保险丝主供电继电器,制动踏板开关,制动灯开关,离合器踏板开关,高位制动灯组合仪表,转速传感器,油压开关组合仪表,手制动开关,制动液位传感器,防盗器读出线圈点烟器,行李舱照明灯,牌照灯,行李箱机械开关,行李箱开启电机前组合大灯,前转向灯,前驻车灯,大灯继电器变光及转向开关,驻车灯开关后转向灯,尾灯,倒车灯,制动灯,后雾灯雾灯继电器,前雾灯,右侧转向灯清洗-刮水自动间歇控制器,雨刷开关,喇叭按钮,前风窗清洗泵大灯旋转开关收音机,天线,扬声器2/12/22/32/42/52/62/72/82/92/102/112/122/132/142/152/16鼓风机,鼓风机开关,调速电阻,温度开关,空调内循环风扇高低压传感器,空调控制单元,双温开关,散热器风扇,电磁离合器3/13/2 (ABS)ABS控制单元,转速传感器ABS控制单元,ABS液压泵4/14/2倒车灯开关,喇叭,喇叭继电器,大灯亮度调整开关副仪表组合开关,后风窗加热电阻2/17诊断接口2/18安全气囊6/1蓄电池,发电机,点火开关,X卸荷继电器7/1发动机控制单元,主供电继电器,转速传感器,爆震传感器7/2发动机控制单元,燃油泵继电器,氧传感器,活性炭罐电磁阀7/3发动机控制单元,燃油泵,油门踏板位置传感器,喷油器7/4发动机控制单元,点火线圈,制动踏板开关,离合器踏板开关7/5发动机控制单元,节流阀体7/6蓄电池,发电机,点火开关中控锁左前门电动窗开关,左前门电动窗升降电机,玻璃升降器继电器右前门电动窗开关,右前门电动窗升降电机8/18/28/38/4左后和右后电动窗开关,左后和右后电动窗升降电机8/5室内灯,联锁开关8/6Nr.1/1接地点位置用电器G1G2G3G4G5G6G7G8G9G10G11蓄电池—车身变速箱—车身左转向灯,洗涤电机,喇叭,鼓风机,左大灯,左雾灯左前转向灯,左侧转向灯ABS(ECU8,ECU24)继电器支架旁车身雨刮开关/继电器,转向开关,大灯开关/继电器,自诊断组合仪表,警报闪光继电器,A/C继电器,点烟器,里程表,ABS控制灯,雾灯开关/继电器行李舱左侧燃油泵,牌照灯,行李箱灯行李舱右侧后风窗加热行李舱锁下部左尾灯,右尾灯,高位刹车灯前流水槽左侧ECM(1,2),TCM1左前翼子板(A柱下)风扇,ZKG(加热,曲轴箱通风),ECM120,空调离合器,空调控制器,防盗控制器(4,5),点火线圈,多功能开关,起动断开开关气缸盖上温度传感器右前纵梁,前大灯线束右大灯,右雾灯,右前转向灯,右侧转向灯继电器支架旁车身处电动后视镜开关,左前中央门锁,室内灯10T10b10T10c6T6b10T10d10T10g6T6c10T10e10孔插头T10f,灰色/1551010101010101010101051010101010101015(A) S22S23S24S26S27S28S29S30S31S32S33S35S36S37S38S39S40S41S42SUw s =b r =g r =CC—发电机A —蓄电池D —点火开关J18—X 触点卸荷继电器J293—空调控制器P—主保险丝盒,位于蓄电池上方—螺栓连接(30),在继电器支架上—接地点,蓄电池—接地线,变速箱—连接,在车内线束内1516171819202122232425262728w s=b r=g r=2930313233343536373839404142w s=b r=g r=MMsw/ge sw/ge sw swbl中控锁空调燃油泵继电器T10d —10孔红色插头,继电器支架上-正极连接(15a ),在车内线束内T10d/44344454647484950515253545556w s=b r=g r=MM2.5T10b —10孔棕色插头,继电器支架上—正极连接(30a),车内线束内w s =b r =g r =F —制动灯开关J361—Simos 发动机控制单元F36—离合器踏板开关F47—制动踏板开关—接地点,行李舱锁下部—接地连接,车身线束内J458—主供电继电器T10—10孔黑色插头,ABS 单元旁—线束连接,车身线束内T10a —10孔蓝色插头,继电器支架上—线束连接,车内线束内T9—9孔插头,插接主供电继电器M25—高位制动灯灯泡J104—ABS 控制单元w s =b r =g r =T10b/9J361T121/9F1—油压开关J361—Simos 发动机控制单元T10b —10孔棕色插头,继电器支架上T10c —10孔黑色插头,继电器支架上G22—转速传感器J285—组合仪表水温燃油油位传感器T10d —10孔红色插头,继电器支架上—接地点,在继电器支架旁车身处—正极连接(58b),在仪表板线束内—蓝色32孔插头,仪表板内8586878889909192939495969798w s=b r=g r=o r=F34—制动液液位传感器F9—手制动灯开关J285J285—组合仪表0.50.5br/gebr/ge K—自诊断K 线连接T32a/190.75or/br T32a/200.75or/sw CAN-H CAN-LT32a/2T32a/17D2T32—蓝色32孔插头,仪表板内—绿色32孔插头,仪表板内D2—防盗器读出线圈w s =b r =g r =h,L28—点烟器照明灯U1—点烟器—接地连接点,仪表板线束内—接地点,行李舱左侧—接地点,继电器支架旁车身处T10e—10孔紫色插头,继电器支架上X —牌照灯—接地连接点,仪表板线束内—接地连接点,车内线束内—正极连接(58b),在仪表板线束内L16—空调面板照明灯—接地点,行李箱锁下F8—行李箱机械开关W3—行李舱照明灯V9—行李箱开启电机L18—烟缸照明灯—接地连接点,车内线束内1.5br ws/swws/ge0.5gr/sw1.0ge1.0ge/sw1.0ws/swge/sw0.5gr/ro1.0ge ro/sw1.5br2.5br1.0ge/sw T9a/51.5sw 0.5br 0.5ws1.5ge 1.5sw/bl 1.5ge/sw 1.5sw/bls w =g n =L i =127128129130131132133134135136137138139140w s=b r=g r=1.5ro/geT4c/3T5a/4T5a/2wssw jk0.5 1.0 1.5brw s=b r=g r=0.35sw/ws 1.0sw/ws brbr1.0sw/ws 0.5gr/swi 1.0ro/gr 142143144145146147148149150151152153154141gr/ro sw/gn1.0br1.0br155156157158159160161162163164165166167168w s=b r=g r=,w s=b r=g r=169170171172173174175176177178179180181182sw/blT10d/2121.0swF4—倒车灯开关H1—喇叭T10d —10孔红色插头,继电器支架上/EOBDw s=b r=g r=T5c/1T5c/3T5c/5T7a/11.5br/ro 1.0gn 0.5br/sw 1831841851861921931941951961.5brT4c/1T4c/2T5c/2gn/ro2006Nr.2/15 197198199200201202203204205206207208209210大灯旋转开关w s=白色s w=黑色r o=红色b r=棕色g n=绿色b l=蓝色g r=灰色l i=紫色g e=黄色E1-灯开关E18-雾灯开关K17-前雾灯指示灯L9-灯开关照明灯泡-17孔插接件,在大灯旋转开关后面-正极连接(58b),在仪表板线束内w s=b r=g r=ro/swgr/blblbr/bl 21121.0ws 1.0ws ro br/ws11.0ro 1.0br/ws2T8/7T8/6T8a/6T8a/5T8a/3T8/5T8/8T8a/1T8a/2T8a/41.5br1.0ro/gn1.0br/swT8a/7T8a/81.0ws/gnbr/ro0.5ro/gn1.0ro/br211212213214215216217218219220221222223224T8/4s w=g n=L i=239240241243245246248w s =b r =g r =Nr.2/18T10b —10孔棕色插头,继电器支架上—接地点,在继电器支架旁车身处—自诊断K 线连接—16孔插头1234567891011121314w s=b r=g r=o r=2006ws=白色sw=黑色ro=红色br=棕色gn=绿色bl=蓝色gr=灰色li=紫色ge=黄色X—螺栓连接(30),在继电器支架上—正极连接(15),车身线束内J293—空调控制单元T10c—10孔黑色插头,继电器支架上T10z—10孔对接插头,空调线束内J361—Simos发动机控制单元线路图Nr.3/2 G65—高低压传感器T121/68N25—电磁离合器F18—双温开关V7—散热器风扇T4z—4孔插头,插接空调控制单元—正极连接,车身线束内—接地点,前流水槽左侧/50XT10b—10孔棕色插头,继电器支架上T10y—10孔插头,插接空调控制单元G721918B—起动机ABSs w=g n=l i=20061516171819202122232425262728w s=b r=g r=1.0sw/roD /15Nr.4/2J104—ABS 控制单元V64—ABS 液压泵F —手制动开关T10—10孔插头,ABS 单元旁—正极连接,车内线束内—线束连接,车内线束内—连接,车内线束内2112122132142152162172182192202212222232243015X 31F138-安全气囊卷簧J361-Simos 发动机控制单元J234-安全气囊控制单元N95-驾驶员侧安全气囊引爆装置N131-副驾驶员侧安全气囊引爆装置TV -自诊断接口T3g -3孔插头,插接驾驶员侧安全气囊引爆装置T6b -6孔粉色插头,在继电器支架上-正极连接(15),在车内线束内-接地连接,在安全气囊线束内-接地点,在A 柱下方T75-75孔插头,插接安全气囊控制单元w s =白色s w =黑色r o =红色b r =棕色g n =绿色b l =蓝色g r =灰色l i =紫色g e =黄色Nr.6/10.5*-适用于仅装备司机正面安全气囊的车辆T10a -10孔蓝色插头,在继电器支架上T16-16孔插头,插接自诊断接口w s =b r =gr =o r =XT10c —10黑色插头,继电器支架上Nr.7/130A D /X301531J361—Simos 发动机控制单元D /SU D /P301531T4—4孔插头B —起动机T10d —10红色插头,继电器支架上s w=g n=l i=G28br/wsG61Nr.7/2J361—Simos 发动机控制单元J458—主供电继电器G28—发动机转速传感器G2—冷却液温度传感器(仪表)G62—冷却液温度传感器(发动机)G61—爆震传感器T10a —10孔插头,蓝色,继电器支架上—接地点,左前翼子板(A 柱下)—气缸盖上0.5brJ285—组合仪表w s =b r =g r =o r =123015310.35N80sw21342134G40—凸轮轴位置传感器G130—后氧传感器T121/31T121/14T121/4T121/35T121/16T121/5T121/70T121/89T121/105T121/84T121/80—10孔插头,棕色,继电器支架上—连接,车内线束内434445464748495051525354w s=b r=g r=o r=6970575859606162636465666768s w=g n=l i=G65—高低压传感器J285—组合仪表8384717273747576777879808182s w=g n=l i=V60—节气门翻板电机—接地点,前流水槽左侧w s =b r =g r =2.5br25.0sw0.5br Nr.8/1D301531A -蓄电池B -起动机C -发电机D -点火开关J285-组合仪表P -主保险丝盒,位于蓄电池上方S01-主保险丝盒上保险丝-1-S02-主保险丝盒上保险丝-2-S03-主保险丝盒上保险丝-3-S04-主保险丝盒上保险丝-4-S05-主保险丝盒上保险丝-5-S06-主保险丝盒上保险丝-6-T4-4孔插头连接-32孔插头连接,插接组合仪表-正极连接,仪表板线束内-螺栓连接(30),在继电器支架上-接地线,变速箱-接地点,蓄电池301531w s =白色s w =黑色r o =红色b r =棕色g n =绿色b l =蓝色g r =灰色l i =紫色g e =黄色ee1516171819202122232425262728V56-左前门中控锁模块V57-右前门中控锁电机V58-左后门中控锁电机V59-右后门中控锁电机S112-中控锁供电保险T4b -4孔插头,插接左前中控锁模块1.5301531E40-左前门玻璃升降开关E81-右前门玻璃升降开关,司机侧S111-电动窗升降电机供电保险3015311.5301531w s =白色s w =黑色r o =红色b r =棕色g n =绿色b l =蓝色g r =灰色l i =紫色g e =黄色-司机侧玻璃升降电机T4a -4孔对接插头T5y -5孔插头,插接左前门电动窗开关T5z -5孔插头,插接司机侧右前门电动窗开关J110-玻璃升降器供电继电器-接地点,继电器支架旁车身处T10e -10孔紫色插头,继电器支架上301531E107-右前门电动窗开关电路图右前门电动窗开关,右前门电动窗升降电机w s =白色s w =黑色r o =红色b r =棕色g n =绿色b l =蓝色g r =灰色l i =紫色g e =黄色Nr.8/4T3-3孔对接插头4746454443545352494850515556T3/21.5ee E107V148V148-副司机侧玻璃升降电机301531V26-左后门玻璃升降电机V27-右后门玻璃升降电机T3a -3孔对接插头T3b -3孔对接插头电路图w s =白色s w =黑色r o =红色b r =棕色g n =绿色b l =蓝色g r =灰色l i =紫色g e =黄色Nr.8/56160595857686766636264656970ee E52-左后门电动窗开关E54-右后门电动窗开关301531F2-左前门联锁开关F3-右前门联锁开关F10-左后门联锁开关F11-右后门联锁开关电路图室内灯,联锁开关w s =白色s w =黑色r o =红色b r =棕色g n =绿色b l =蓝色g r =灰色l i =紫色g e =黄色Nr.8/6eS21-保险丝支架上21号保险丝-接地点,左侧A 柱下端1.5ro/bl301531T10e -10孔紫色插头,继电器支架上-室内灯。
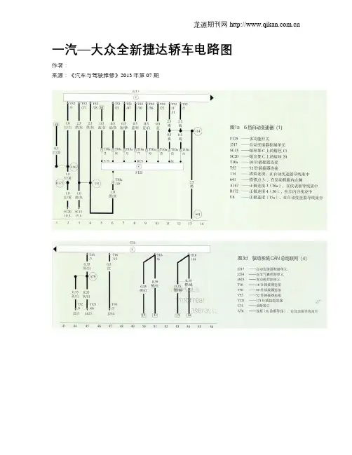
一汽—大众全新捷达轿车电路图作者:
来源:《汽车与驾驶维修》2013年第07期
全新捷达于2013年3月9日上市。
该车搭载最新一代EA211系列发动机,根据不同排量分别匹配6挡Tiptronic自动变速器和5挡MQ系列手动变速器。
同时,全新捷达还具有定速巡航系统、双开启模式电动防夹天窗、电动随速助力转向、第四代在线防盗系统和WOKS安全头枕等高科技装备。
为了方便广大非特约维修站的维修人员了解该车,在此对该车部分电路图进行了整理。
(任杰)
(1)6挡自动变速器电路图(图1)
(2)防抱死制动系统电路图(图2)(3)驱动系统CAN总线电路图(图3)。
维修手册Jetta2006年型►06年7月版捷达2006年型目录Jetta电器系统电路图说明:本资料适用于捷达2006年型汽油车(E3) 2006年7月版电路图目录(PDC)系统(2006年5月28日起采用)蓄电池,发电机,点火开关驻车辅助控制单元,报警蜂鸣器驻车辅助控制单元,驻车传感器9/19/29/3电动窗中央锁系统(2006年6月26日起采用)电动后视镜,自动防眩目车内后视镜中控锁/电动窗控制单元,中央门锁,天线司机侧车门中控锁/电动窗开关电动窗开关电动窗升降电机8/28/38/48/58/6蓄电池,发电机,点火开关8/1室内灯,联锁开关8/7Jetta 2006年型-电路图-2006年6月版编制说明:1、本版电路图适用于2006年5月28日后生产的Jetta 2006年型GIF 车型。
2、本版电路图仅针对新设计及更改的电器部分的电路进行描述,未描述电器部分的电路图与原Jetta2005年型电路图完全一致,电路图中所有连接点的定义与原Jetta 2005年型电路图完全一致。
3、本版电路图对原Jetta 2005年型电路图进行如下更改及补充:●新增驻车距离报警系统(PDC)(控制单元零件号:1GD 919283)注:原Jetta 2005年型电路图指以下电路图:《Jetta 2005年型电路图》及2005年12月之前的各版《Jetta 2005年型电路图(补充)》。
售后服务维修手册编制说明维修手册编制说明Jetta200612345678910111213w s=b r=g r=142.5brA25.0swP6.0ro4.0ro2.5brT4/1C16.0sw0.5br0.5br/ws0.35T4/20.5blD /30B /301516171819202122232425262728w s=b r=g r=T16a/20.35li/ws2930313233343536373839404142w s=b r=g r=T12/5T12/9J446—驻车辅助控制单元G203—左后驻车辅助传感器Jetta 2006年型-电路图-2006年7月版编制说明:1、本版电路图适用于2006年6月26日后生产的Jetta 2006年型CIF 和GIF 车型。
Jetta NF电路图编号12 / 101.2015多功能方向盘自2013 年3 月起Jetta NF电路图编号12 / 2BS2-012020115ws=白色sw=黑色ro=红色rt=红色br=褐色gn=绿色bl=蓝色gr=灰色li=淡紫色vi=淡紫色ge=黄色or=橘黄色rs=粉红色方向盘中的左侧多功能按钮, 安全气囊卷簧和带滑环的复位环, 信号喇叭控制, 多功能方向盘控制单元, 保险丝架C 上的保险丝6E440-方向盘中的左侧多功能按钮F138-安全气囊卷簧和带滑环的复位环H-信号喇叭控制J453-多功能方向盘控制单元SC6-保险丝架C 上的保险丝6T4c- 4 芯插头连接T12-12 芯插头连接T16y-16 芯插头连接44-搭铁点,左侧A 柱下部234-接地连接,在转向柱开关导线束中367-接地连接2,在主导线束中605-搭铁点,在上部转向柱上B278-正极连接2(15a),在主导线束中Jetta NF电路图编号12 / 3BS2-012030115J519E441N95J234*0.355*2*3ws=白色sw=黑色ro=红色rt=红色br=褐色gn=绿色bl=蓝色gr=灰色li=淡紫色vi=淡紫色ge=黄色or=橘黄色rs=粉红色方向盘中的右侧多功能按钮, 安全气囊卷簧和带滑环的复位环, 安全气囊控制单元, 多功能方向盘控制单元, 车载电网控制单元, 驾驶员侧安全气囊引爆装置E441-方向盘中的右侧多功能按钮F138-安全气囊卷簧和带滑环的复位环J234-安全气囊控制单元J453-多功能方向盘控制单元J519-车载电网控制单元N95-驾驶员侧安全气囊引爆装置T4c- 4 芯插头连接T12-12 芯插头连接T16y-16 芯插头连接T50-50 芯插头连接T73-73 芯插头连接T73b-73 芯插头连接B528-连接1(LIN 总线),在主导线束中*-仅用于带高端基本装备(AW1)的汽车*2-仅用于带低端基本装备(AW0)的汽车*3-自2014 年7 月起。
第六章捷达轿车电气元器件位置与电气线路图第一节捷达轿车电气元器件位置图捷达轿车电气元器件位置如图6-1-1~图6-1-2所示。
图6-1-1 发动机电控系统主要元器件的安装位置图6-1-2 ABS系统各元件的安装位置1-ABS控制器2-总泵助力器3-自诊断接口4-ABS警报灯K47 5-后轮转速传感器G44/G46 6-制动灯开关7-前轮转速传感器G45/G47第二节捷达系列轿车电气线路图一、捷达都市先锋轿车电气线路图捷达都市先锋轿车继电器、保险丝的布置见图6-2-1和图6-2-2所示,其含义见表6-2-1和表6-2-2所示。
捷达都市先锋轿车电气线路图如图6-2-3~图6-2-22所示。
图6-2-1 继电器盘正面布置图6-2-2 继电器盘背面布置A1-8孔插头(黄色),前大灯线束A2-8孔插头(黄色),前大灯线束B-6孔插头(绿色),用于前大灯清洗系统C-8孔插头(黄色),用于任选线束D-12孔插头(绿色),用于附加设备E-5孔插头(绿色),仪表线束F-9孔插头(白色)发动机舱右侧线束G1-12孔插头(白色)发动机舱右侧线束G2-12孔插头(白色)发动机舱右侧线束H1-10孔插头(红色),转向柱开关线束H2-8孔插头(红色),转向柱开关线束J-10孔插头(红色),转向柱开关线束K-12孔插头(黑色),尾部线束L-7孔插头(黑色),尾部线束M-6孔插头(黑色),尾部线束N-6孔插头(绿色),空调线束P-9孔插头(蓝色),后风窗及前雾灯开关线束Q-6孔插头(蓝色),仪表线束R-10孔插头(蓝色),灯光开关线束S-5孔插头(白色)发动机舱右侧线束T-2孔插头(绿色)U1-14孔插头(蓝色),仪表板线束U2-14孔插头(蓝色),仪表板线束V-4孔插头(绿色),多功能指示器线束W-6孔插头(绿色),ABS线束X-8孔插头(绿色),警报指示灯(拖挂设备、ABS系统)线束Y-单孔插头,接线柱30 Z1-单孔插头Z2-单孔插头,接线柱31 30-单孔插头,接线柱30 30B-单孔插头表6-2-1 保险丝的布置图6-2-3 电控燃油喷射系统控制原理图F60-怠速开关G2-水温传感器G6-汽油泵G28-发动机转速传感器G39-λ传感器G40-霍尔传感器 G61、G66-爆震传感器 G62-水温传感器 G69-节气门电位计 G70-空气流量计 G72-进气温度传感器 G88-怠速节气门电位计 J17-汽油泵继电器 J220-控制单元 J338-节气门控制单元 N-2、3缸点火线圈N30~N33-1~4缸喷嘴 N79-曲轴箱通风加热电阻 N80-活性碳罐电磁阀 N122-终端能量输出极 N128-1、4缸点火线圈 P-火花塞插头 Q-火花塞 S15、S18-保险丝 T16-自诊断接口 V60-怠速电机 Z19-λ传感器加热器 A-发动机转速信号 B-空调压缩机信号 C-空调装置信号 D-车速信号图6-2-4 电控燃油喷射系统电路图(1)A-蓄电池G2-冷却液温度传感器G40-霍尔传感器G62-冷却温度传感器J220-多点喷射控制单元N79-加热电阻(曲轴箱通风)N152-点火线圈P-火花塞插头Q-火花塞T4-4孔插头T8-8孔插头T80-80孔插头-接地点,在气缸盖上–接地连接点1,在发动机舱线束内–接地连接点(传感器接地),在发动机线束内–正极连接点1(15),在发动机舱经线束内–连接点1,在多点喷射控制单元线束内图6-2-5 电控燃油喷射系统电路图(2)F60-怠速开关G61-爆震传感器①G69-节气门电位计G72-进气温度传感器G88-节气门调节器电位计G220-多点喷射控制单元G338-节气门控制单元T80-80孔接头V60-节气门调节器图6-2-6 电控燃油喷射系统电路图(三)B-起动机ws-白色D-点火开关sw-黑色G28-发动机转速传感器ro-红色G66-爆震传感器2 br-棕色J220-多点喷射控制单元gn-绿色T3-3孔插头,靠近发动机转速传感器bl-蓝色T80-80孔插头gr-灰色-接地点,在发动机舱左侧li-紫色–接地连接点(传感器接地),在发动机线束内ge-黄色图6-2-7 电控燃油喷射系统电路图(4)G39-λ传感器 G70-空气流量计 J17-燃油泵继电器 J220-多点喷射控制单元 N30-1缸喷油阀 N31-2缸喷油阀 N32-3缸喷油阀 N33-4缸喷油阀 N4a-4孔插头 T80-80孔插头 TV2-30号接线柱,分线器,在继电器盘后–连接点(喷油阀),在发动机舱线束内图6-2-8 电控燃油喷射系统电路图(5)A-蓄电池ws-白色G-燃油表传感器sw-黑色G6-燃油泵ro-红色J32-空调继电器,在继电器盘上br-棕色J220-多点喷射控制单元gn-绿色N25-空调装置电磁离合器bl-蓝色N80-活性碳罐电磁阀1 gr-灰色S51-保险丝li-紫色T8-8孔插头ge-黄色T16-16孔插头,V.A.G1551自诊断接口T80-80孔插头–接地连接地1,在仪表板线束内*-散热器风扇接通控制单元图6-2-9 电控燃油喷射系统电路图(6)F1-机油压力开关ws-白色F22-机油压力开关(30kPa)sw-黑色G1-燃油表ro-红色G3-冷却度表br-棕色K-仪表板gn-绿色T8-8孔插头bl-蓝色T28-28孔插头,在仪表板上gr-灰色li-紫色ge-黄色图6-2-10 自动变速器控制系统电路图B/50-起动机(接线柱50)D/50-点火开关(接线柱50)F-制动灯开关F8-强制低速档开关F125-多功能开关G28-发动机转速传感器G38-变速器转速传感器G68-车速传感器G69-节气门电位计G93-变速器机油温度传感器J226-启动锁和倒车灯继电器J-发动机控制单元J217-自动变速器控制单元L19-挡位指示板照明灯M16/M17-倒车灯M9/M10-制动灯和尾灯N88-电磁阀 1 N89-电磁阀 2 N90-电磁阀 3 N91-电磁阀 4 N92-电磁阀5 N93-电磁阀6 N94-电磁阀7 N110-变速杆锁止电磁阀S14-保险丝;附加信号:1-变速杆位置指示板、2-速度调节装置、3-空调装置图6-2-11 ABS系统控制电路图A/- -蓄电池负极A/+-蓄电池正极F-制动灯开关G44-后右轮转速传感器G45-前右轮转速传感器G46-后左轮转速传感器G47-前左轮转速传感器J104-ABS电子控制单元K47-ABS警报灯M9-左制动灯M10-右制动灯N55-ABS/EBD液压控制单元N99-前右轮ABS常开阀N100-前右轮ABS常闭阀N101-前左轮ABS常开阀N102-前左轮ABS 常闭阀N133-后右轮ABS常开阀N134-后左轮ABS常闭阀N135-后左轮ABS常开阀N136-后左轮ABS常闭阀S4-保险丝(15A)S14-保险丝(10A)S20-保险丝(10A)S123-液压泵保险丝(30A)S124-电磁阀保险丝(30A)TV14-故障阅读器接口V64-ABS液压泵电机ws-白色sw-黑色ro-红色gn-绿色br-棕色bl-蓝色gr-灰色li紫色ge-黄色图6-2-12 仪表板连接、油压开关、冷却液温度传感器电路图F1-油压开关G-燃油表传感器ws-白色bl-蓝色K2-发电机警报灯–搭铁连接点,在发动机舱线束内sw-黑色gr-灰色F22-油压开关* K5-转向警报灯ro-红色li-紫色K1-远光警报灯T28-28孔插头,在仪表板上br-棕色ge-黄色G2-冷却液温度表传感器gn-绿色图6-2-13 仪表板(燃油表、冷却液温度表、油压报警、时钟、转速表)电路图G1-燃油表ws-白色G3-冷却液温度表sw-黑色G5-转速表ro-红色G54-速度传感器(仪表板内)br-棕色J6-稳压器gn-绿色J243-油压和冷却液报警及转速表控制单元bl-蓝色K3-油压警报灯gr-灰色K28-冷却液温度警报灯li-紫色L8-时钟照明灯ge-黄色L10-仪表板照明灯L1d-单孔插接件,继电器盒后面T11-11孔插接件,控制器J243上T28-28孔插接件,仪表板旁Y2-数字式时钟图6-2-14 手制动和制动液液面报警电路图F9-手制动指示灯开关ws-白色F345-制动液面警报开关sw-黑色K7-双管路制动及手制动指示灯ro-红色–接地点,发动机舱线束内br-棕色gn-绿色–接地连接,前大灯线束内bl-蓝色gr-灰色li-紫色ge-黄色图6-2-15 点烟器、收放机电路图L16-空调控制板照明灯ws-白色L28-点烟器照明灯sw-黑色T1c-单孔插接件,继电器盒后面ro-红色T3a-3孔插接件,仪表板后br-棕色–接地连接,仪表线束内gn-绿色–接地点,前大灯线束内bl-蓝色–接地点,前大灯线束内gr-灰色U1-点烟器li-紫色ge-黄色图6-2-16 车内灯、行李舱照明灯、牌照灯电路图F2-左前门联锁开关W3-行李舱灯ws-白色F3-右前门联锁开关W15-室内灯sw-黑色F5-行李舱照明灯开关X-牌照灯ro-红色F10-左后门联锁开关–接地点,继电器盒旁br-棕色F11-右后门联锁开关-接地点,行李舱左侧gn-绿色T1e-单孔插接件,继电器盒上部–接地点,行李舱左侧bl-蓝色T10-单孔插接件,继电器盒上部gr-灰色T2e-2孔插接件,行李舱左后部li-紫色T21-2孔插接件,行李舱左侧ge-黄色图6-2-17 前大灯、停车灯、变光及转向灯开关电路图E4-变光及转向灯开关ws-白色L1-左前大灯双丝灯sw-黑色L2-右前大灯双丝灯ro-红色M1-左停车灯br-棕色M3-右停车灯gn-绿色T5b-5孔插接件,转向柱开关后面bl-蓝色–接地连接点,前大灯线束内gr-灰色–接地连接点,前大灯线束内li-紫色ge-黄色图6-2-18 转向灯及遇险警报灯开关、驻车灯开关电路图E2-转向灯开关ws-白色E3-遇险警报开关sw-黑色E19-驻车灯开关ro-红色J2-遇险警报灯继电器br-棕色K6-遇险警报灯gn-绿色T4c-4孔插接件,转向柱开关后bl-蓝色T5b-5孔插接件,转向柱开关后gr-灰色T7a-7孔插接件,转向柱开关后li-紫色ge-黄色图6-2-19 转向信号灯、尾灯电路图M2-右尾灯T2b-2孔插接件,左减振器支柱后ws-白色M4-左尾灯T6a-6孔插接件,左尾灯sw-黑色M5-左前转向灯T6b-6孔插接件,右尾灯ro-红色M6-左后转向灯–接地点,行李舱锁下端br-棕色M7-右前转向灯–接地点,行李舱锁下端gn-绿色M8-右后转向灯–接地点,左尾灯灯架处bl-蓝色M18-左侧停车转向灯–接地点,右尾灯灯架处gr-灰色M19-右侧停车转向灯–接地连接点,前大灯线束内li-紫色T1i-单孔插接件,左减振器支柱后–接地连接点,前大灯线束内ge-黄色图6-2-20 车灯开关、制动灯电路图E1-车灯开关ws-白色E20-车灯控制开关和仪表sw-黑色F-制动灯开关ro-红色L9-车灯开关照明灯br-棕色M9-左制动灯gn-绿色M10-右制动灯bl-蓝色T6a-6孔插接件,左尾灯上gr-灰色T6b-6孔插接件,右尾灯上li-紫色–接地点,左尾灯灯架处ge-黄色–接地点,右尾灯灯架处图6-2-21 倒车灯、后风窗加热、双音喇叭电路图E15-后风窗加热开关T2b-2孔插接件,继电器盒后面ws-白色F4-倒车灯开关T2e-6孔插接件,行李舱左后侧sw-黑色H1-双音喇叭T6a-6孔插接件,左尾灯上ro-红色J4-双音喇叭继电器T6b-6孔插接件,右尾灯上br-棕色K10-后风窗加热指示灯Z1-后风窗加热gn-绿色L39-后风窗加热开关照明灯–接地点,行李舱右侧bl-蓝色M16-左倒车灯–接地点,左尾灯灯架上gr-灰色M17-右倒车灯–接地点,左尾灯灯架上li-紫色–电源线连接点,双音喇叭线束内ge-黄色图6-2-22 前后雾灯电路图E23-前后雾灯开关L22-左前雾灯ws-白色K13-后雾灯指示灯L23-右前雾灯sw-黑色L20-后雾灯灯泡T2b-2孔插接件,右前大灯附近ro-红色L40-前、后雾灯开关照明灯T2h-2孔插接件,左前大灯附近br-棕色T2g-2孔插接件,左后悬挂上–接地点,前大灯线束内gn-绿色T6a-6孔插接件,左尾灯上J5-雾灯继电器bl-蓝色–接地点,右尾灯灯架gr-灰色li-紫色ge-黄色。
组合仪表概述在组合仪表中集成有以下部件:t组合仪表中的控制单元 -J285-t防盗锁止系统控制单元 -J362-t车速表 -G21-t转速表 -G5-t燃油表 -G1-t冷却液温度表 -G3-t燃油存量显示传感器 -G-t车外温度传感器t多功能显示器t指示灯→用户使用手册组合仪表中有一个由组合仪表中的控制单元 -J285- 控制的报警蜂鸣器,用以配合显示器上的显示发出报警声。
所有指示灯均装有发光二极管(LED)。
组合仪表无法维修。
如果需要,可以整体更换组合仪表→ Kapitel。
数据总线诊断接口 -J533- 并不是组合仪表中的组成部分→ Kapitel。
故障识别和故障显示组合仪表中带有自诊断系统。
查找故障时必须使用车辆诊断测试仪中的“引导型故障查询”功能。
更换组合仪表“更换组合仪表”的操作步骤如下:t如果车内安装了新的组合仪表,就必须根据不同的装备特征匹配组合仪表内的控制单元 -J285-。
t为匹配内置的防盗锁止系统控制单元 -J362- 和发动机控制单元-J623-,必须在更换的组合仪表内存储发动机控制单元 -J623- 的数据。
t此外,在安装了新的组合仪表后,必须匹配所有的点火钥匙。
执行下列作业:–连接车辆诊断测试仪。
–选择运行模式引导型故障查询。
–通过跳转键选择“功能/部件选择”并按照下列顺序依次选择菜单项:t底盘t电气系统t01 - 自诊断t组合仪表t组合仪表的功能t更换组合仪表/对组合仪表进行编码拆卸和安装组合仪表提示不需要拆卸方向盘。
–调整方向盘至合适位置并锁止。
–拉出转向柱饰板上部件的槽型盖板-1-。
拧紧力矩:1.5 Nm–根据导线长度,从仪表板中拉出组合仪表。
–从车内取出组合仪表。
安装安装大体以倒序进行,同时注意以下事项:组合仪表的背面组合仪表上的插头接口分布组合仪表上的插头接口分布请参见→电路图、故障查寻与安装位置。
页码,1/1组合仪表上的插头接口分布。
二、捷达/捷达王轿车电气线路图捷达/捷达王轿车电气线路如图6-2-23~图6-2-49所示。
图6-2-23 发电机、蓄电池、起动机、点火开关电路图A-蓄电池J59-X-触点卸荷继电器ws-白色 bl-蓝色B-起动机T1a-单孔接头——蓄电池附近 sw-黑色 gr-灰色C-发电机①接地线,蓄电池——车身 ro-红色 li-紫色C1-电压调节器②接地线,变速器——车身 br-棕色 ge-黄色D-点火开关–接地连接点1,前大灯线束内 gn-绿色图6-2-24 散热器风扇、自动阻风门、进气歧管预热电路图F 18-散热器风扇温度开关 F 26-自动阻风门温度开关* F 35-进气管预热温度开关* F 87-风扇起动温度开关 J 81-进气管预热继电器 J 138-散热器风扇起动控制单元 N 1-自动阻风门 N 52-加热电阻(部分负荷处喉管加热-化油器) N 69-冷起动热时间阀 T 1n -单孔插头,左前大灯附近 T 2a -两孔插头,左前大灯附近 V 7-散热器风扇–接地连接点,发动机接地,右前线束内–接地连接点1,前大灯线束内-正极连接点(30),左前线束内–正极连接点(15),化油器线束内注:*不适用1.8L 发动机图6-2-25 进气歧管预热、点火系统、超速切断电路图G 40-霍尔传感器 J 130-超速切断控制器单元,仅用于1.8L 发动机 N-点火线圈 N 41-晶体管点火系统控制单元,压力通风舱左侧 N 51-进气管预热加热电阻 N 68-怠速-超速控制阀 O-分电器 P-火花塞插头 Q-火花塞 -接地点,发动机舱左侧–接地连接点1,发动机舱线束内图6-2-26 仪表板连接、油压开关、冷却液温度传感器电路图F 1-油压开关*(180kPa ) F 22-油压开关*(30 kPa ) G-燃油表传感器G 2-冷却液温度表传感器 K 1-远光警报灯 K 5-转向警报灯 T28-28孔插头,在仪表板上 –搭铁连接点1,在发动机舱线束内注:*不适用1.8L 发动机图6-2-27 仪表板(燃油表、油压报警、时钟、转速表)电路图G 1-燃油表 G 3-冷却液温度表 G 5-转速表 G 54-速度传感器(仪表板内) J 6-稳压器 J 243-油压和冷却液报警及转速度表控制单元 K 3-油压警报灯 K 28-冷却液温度警报灯 L 8-时钟照明灯 L 10-仪表板照明灯 T 1d -单孔插接件,继电器盘后面 T11-11孔插接件,控制器J 243上 T28-28孔插接件,仪表板旁 Y 2-数字式时钟图6-2-28 手制动和制动液液面警报、磁带盒照明电路图F 9-手制动指示灯开关 F 34-制动液面警报开关 K 7-双管路制动及手制动指示灯 L 66-磁带盒照明灯 T 2i -两孔插接件,仪表板后–接地点1,继电器盘旁 –接地点1,发动机舱线束内–接地连接1,前大灯线束内图6-2-29 点烟器、收放机、鼓风机电路图E 9-鼓风机开关 L 16-空调控制板照明灯 L 28-点烟器照明灯 N 23-鼓风机串联电阻 R-收放机插头 S 24-过热保险丝 T 1b -单孔插接件,继电器盘后面 T 1c -单孔插接件,继电器盘后面 T 1m -单也插接件,仪表板的右后面 T2V-两孔插接件,鼓风机串联电阻上 T 3a -3孔插接件,仪表板后 T5e-5孔插接件,鼓风机串联电阻上 T8-8孔插接件,收放机上 U 1-点烟器 V 2-鼓风机–连接点(30),仪表线束 -接地点,接线柱A 左下面 –接地连接1,仪表线束内图6-2-30 车内灯、行李仓照明灯、牌照灯电路图F 2-左前门联锁开关 F 3-右前门联锁开关 F 5-行李舱照明灯开关 F 10-左后门联锁开关 F 11-右后门联锁开关 T 1e -单孔插接件,继电器盘上部 T 10-单孔插接件,继电器盘上部 T 2e -2孔插接件,行李舱左后部 T 21-2孔插接件,行李舱左侧 W 3-行李舱灯 W 15-带延迟关闭的内饰灯(室内灯) X-牌照灯 –接地点1,继电器盘旁 –接地点,行李舱左侧–接地点,后挡板右侧图6-2-31 前大灯远近光调节电路图E 102-灯光距离调节器 L 54-灯光调节器照明灯 T 2f -2孔插接件,车身左前围板上 V 48-左灯光调节电机 V 49-右灯光调节电机–接地点1,断电器盘附近 –接地点1,前大灯线束内–接地点2,前大灯线束内图6-2-32 前大灯、停车灯、变光及转向灯开关电路图E 4-变光及转向灯开关 L 1-左前大灯双丝灯 L 2-右前大灯双丝灯 M 1-左停车灯 M 3-右停车灯 T5b-5孔插接件,转向柱开关后面 –接地连接点1,前大灯线束内 -接地连接点2,前大灯线束内图6-2-33 转向信号和危险警报灯、驻车灯开关电路图E 2-转向灯开关 E 3-遇险警报灯开关 E 19-驻车灯开关 J 2-遇险警报灯继电器(闪光器) K 6-遇险警报灯 T4c-4孔插接件,转向柱开关后 T5b-5孔插接件,转向柱开关后 T7a –7孔插接件,转向柱开关后图6-2-34 转向灯、尾灯电路图M 2-右尾灯 M 4-左尾灯 M 5-左前转向灯 M 6-左后转向灯 M 7-右前转向灯 M 8-右后转向灯 M 18-左侧停车转向灯 M 19-右侧停车转向灯 T 1i -单孔插接件,左减震器支柱后 T 2d -2孔插接件,左减振器支柱后 T6a-6孔插接件,左尾灯 T6b-6孔插接件,右尾灯 – 接地点,行李舱盖左侧-接地点,行李舱盖右侧 –接地点,左尾灯灯架处 - 接地点,右尾灯灯架处–接地连接点1,前大灯线束内 -接地点2,前大灯线束内图6-2-35 车灯开关、制动灯电路图E 1-车灯开关 E 20-车灯控制开关和仪表 F-制动灯开关 L 9-车灯开关照明灯 M 9-左制动灯 M 10-右制动灯 T 1m -单孔插接件,插在继电器位置10触点3上 T6a-6孔插接件,左尾灯上 T6b-6孔插接件,右尾灯上-接地点,左尾灯灯架上 - 接地点,右尾灯灯架上图6-2-36 倒车灯、后窗加热、双音喇叭电路图E 15-后风窗加热开关F 4-倒车灯开关 H 1-双音喇叭 J 4-双音喇叭继电器 K 10-后风窗加热指示灯 L 39-后风窗加热开关照明灯 M 16-左倒车灯 M 17-右倒车灯 T 2b -2孔插接件,继电器盘后面 T 2e -2孔插接件,行李舱左后侧 T6a-6孔插接件,左尾灯上 T6b-6孔插接件,右尾灯上 Z 1-后风窗加热–接地点,行李舱右侧 -接地点,左尾灯灯架上 -接地点,右尾灯灯架上–接地连接点,双音喇叭线束内 –电源线连接点,双音喇叭线束内图6-2-37 后雾灯电路图E 23-前后雾灯开关 K 13-后雾灯指示灯 L 20-后雾灯灯泡 L 40-前、后雾灯开关照明灯T 2g -2孔插接件,左后悬架上 T6a-6孔插接件,左尾灯上 - 接地点,右尾灯灯架图6-2-38 前风窗刮水器、清洗装置电路图E 22-间歇工作的前风窗雨刷器开关 H 1-喇叭开关 J 31-清洗/刮水-间歇自动控制继电器 T4c-4孔插接件,转向柱开关后 T5c-5孔插接件,转向柱开关后 T7a-7孔插接件,转向柱开关后 V-前风窗雨刷电机图6-2-39 后风窗刮水器、清洗装置、杂物箱照明灯电路图J 30-后风窗雨刷器和清洗器继电器 T 2 c -2孔插接件,仪表板右后部 T 2k -2孔插接件,行李舱左后部 V 12-后风窗雨刷电机 V 59-前、后风窗洗涤泵 W 6-杂物箱照明灯 –接地点,后挡板右侧–接地连接点1,仪表线束内图6-2-40 空调开关、鼓风机电路图A-蓄电池 E 9-鼓风机开关 E 33-蒸发器温度开关(温度低开+1℃时断开) E 35-空调开关 F 73-制冷液管路低压开关(压力低于200kPa 时断开) J 32-空调继电器 N 23-鼓风机串联电阻N 62-怠速提升双通阀 S 23-主保险丝 S 24-过热保险丝 T 1a -单孔插接件,仪表板后 T 1c -单孔插接件,仪表板后 T 2a -2孔插接件,仪表板后 T 21-2孔插接件,发动机舱前 T 3a -3孔插接件,仪表板后 T5a-5孔插接件,仪表板后 T5b-5孔插接件,仪表板后 V 2-鼓风机–接地点1,继电器盘附近 –接地点1,仪表线束内图6-2-41 电磁离合器、压力开关、散热器风扇电路图F 18-散热器风扇热敏开关 F 23-空调管路上的高压开关 J 69-起动继电器 J 138-散热器风扇控制单元 N 25-空调电磁离合器 T 1b -单孔插接件 T 2c -2孔插接件,发动机舱前 T 2e -2孔插接件,发动机舱前 T 2f -2孔插接件,发动机舱前 T 2g -2孔插接件,发动机舱前 T 21-2孔插接件,发动机舱前 V 7-散热器风扇 –接地端1,左前线束内图6-2-42 前后雾灯开关、前雾灯电路图E 23-前后雾灯开关 J 5-前雾灯继电器 K 13-后雾灯指示灯 L 22-左前雾灯 L 23-右前雾灯 L 40-前后雾灯开关照明灯 T 2b -2孔插接件,右前大灯附近 T 2g -2孔插接件,右前大灯附近 T 2h -2孔插接件,左前大灯附近 –接地端1,前大灯线束内图6-2-43 收放机、前扬声器、拉杆天线电路图D-点火开关 E 20-开关及仪表照明调节器 K-仪表部件 L 16-空调调节器照明灯 L 28-点烟器照明灯 L 39-后风窗加热开关照明灯 L 40-前、后雾灯开关照明灯 R-带双音调谐的收放机 R 2-左前扬声器 R 3-右前扬声器 R 11-天线 T 1-单孔插接件,继电器盘后 T 2-2孔插接件,仪表板中后部 T8-8孔插接件,收音机上 T8a-8孔插接件,收音机上 T28-28孔插接件,收音机上 U 1-点烟器–接地点,接线柱A-右下部 –电源正极连接点(30a ),仪表板线束内图6-2-44 多点喷射控制单元、点火系统、冷却液温度传感器电路图A-蓄电池 G 2-冷却液温度传感器 G 40-霍尔传感器 G 62-冷却温度传感器 J 220-多点喷射控制单元 N 79-加热电阻(曲轴箱通风) N 152-点火线圈 P-火花塞插头 Q-火花塞 T4-4孔插头 T8-8孔插头 T80-80孔插头 –接地点,在气缸盖上–接地连接点1,在发动机舱线束内 –接地连接点(传感器接地),在发动机线束内 –正极连接点1(15),在发动机舱线束内–连接点1,在多点喷射控制单元线束内图6-2-45 多点喷射控制单元、节气门控制单元、爆震传感器1、进气温度传感器电路图 F 60-怠速开关 G 61-爆震传感器1 G 69-节气门电位计 G 72-进气温度传感器 G 88-节气门调节器电位计 J 220-多点喷射控制单元 J 338-节气门控制单元 T80-80孔接点 V 60-节气门调节器图6-2-46 多点喷射控制单元、发动机转速传感器、爆震传感器电路图B-起动机 D-点火开关 G 28-发动机转速传感器 G 66-爆震传感器2 J 220-多点喷射控制单元 T3-3孔插头,靠近发动机转速传感器 T80-80孔插头 -接地点,在发动机舱左侧 –接地连接点(传感器接地),在发动机线束内 ws-白色 sw-黑色 ro-红色 br-棕色 gn-绿色 bl-蓝色 gr-灰色 li-紫色 ge-黄色图6-2-47 多点喷射控制单元、空气流量计、燃油泵继电器、喷油器电路图G 39-λ传感器 G 70-空气流量计 J 17-燃油泵继电器 J 220-多点喷射控制单元 N 30-1缸喷油器 N 31-2缸喷油嘴 N 32-3缸喷油器 N 33-4缸喷油器 N4a-4孔插头 T80-80孔插头TV2-30号接线柱,分线器,在继电器盘后 –连接点(喷油阀),在发动机舱线束内 ws-白色 sw-黑色 ro-红色 br-棕色 gn-绿色 bl-蓝色 gr-灰色 li-紫色 ge-黄色图6-2-48 多点喷射控制单元、燃油泵电路图A-蓄电池 G-燃油表传感器 G 6-燃油泵 J 32-空调继电器,在继电器盘上 J 220-多点喷射控制单元 N 25-空调装置电磁离合器 N 80-活性磁罐电磁阀 1 S 51-保险丝 T8-8孔插头 T16-16孔插头,V .A.G1551自诊断接口 T80-80孔插头 –接地连接点1,在仪表板线束内 ws-白色 sw-黑色 ro-红色 br-棕色 gn-绿色 bl-蓝色 gr-灰色 li-紫色 ge-黄色注*散热器风扇接通控制单元图6-2-49 仪表板电路图F 1-机油压力开关 F 22-机油压力开关(30kPa )G 1-燃油表 G 3-冷却液温度表 K-仪表板 T8-8孔插头 T28-28孔插头,在仪表板上 ws-白色 sw-黑色 ro-红色 br-棕色 gn-绿色 bl-蓝色 gr-灰色 li-紫色 ge-黄色。
捷达捷达王轿车电气线路图二、捷达/捷达王轿车电气线路图捷达/捷达王轿车电气线路如图6-2-23~图6-2-49所示。
图6-2-23 发电机、蓄电池、起动机、点火开关电路图A-蓄电池J59-X-触点卸荷继电器ws-白色bl-蓝色B-起动机T1a-单孔接头——蓄电池附近sw-黑色gr-灰色C-发电机①接地线,蓄电池——车身ro-红色li-紫色C1-电压调节器②接地线,变速器——车身br-棕色ge-黄色D-点火开关–接地连接点1,前大灯线束内gn-绿色图6-2-24 散热器风扇、自动阻风门、进气歧管预热电路图F18-散热器风扇温度开关F26-自动阻风门温度开关* F35-进气管预热温度开关* F87-风扇起动温度开关J81-进气管预热继电器J138-散热器风扇起动控制单元N1-自动阻风门N52-加热电阻(部分负荷处喉管加热-化油器)N69-冷起动热时间阀T1n-单孔插头,左前大灯附近T2a-两孔插头,左前大灯附近V7-散热器风扇–接地连接点,发动机接地,右前线束内–接地连接点1,前大灯线束内-正极连接点(30),左前线束内–正极连接点(15),化油器线束内注:*不适用1.8L发动机图6-2-25 进气歧管预热、点火系统、超速切断电路图G40-霍尔传感器J130-超速切断控制器单元,仅用于1.8L发动机N-点火线圈N41-晶体管点火系统控制单元,压力通风舱左侧N51-进气管预热加热电阻N68-怠速-超速控制阀O-分电器P-火花塞插头Q-火花塞-接地点,发动机舱左侧–接地连接点1,发动机舱线束内图6-2-26 仪表板连接、油压开关、冷却液温度传感器电路图F1-油压开关*(180kPa)F22-油压开关*(30 kPa)G-燃油表传感器G2-冷却液温度表传感器K1-远光警报灯K5-转向警报灯T28-28孔插头,在仪表板上–搭铁连接点1,在发动机舱线束内注:*不适用1.8L发动机图6-2-27 仪表板(燃油表、油压报警、时钟、转速表)电路图G1-燃油表G3-冷却液温度表G5-转速表G54-速度传感器(仪表板内)J6-稳压器J243-油压和冷却液报警及转速度表控制单元K3-油压警报灯K28-冷却液温度警报灯L8-时钟照明灯L10-仪表板照明灯T1d-单孔插接件,继电器盘后面T11-11孔插接件,控制器J243上T28-28孔插接件,仪表板旁Y2-数字式时钟图6-2-28 手制动和制动液液面警报、磁带盒照明电路图F9-手制动指示灯开关F34-制动液面警报开关K7-双管路制动及手制动指示灯L66-磁带盒照明灯T2i-两孔插接件,仪表板后–接地点1,继电器盘旁–接地点1,发动机舱线束内–接地连接1,前大灯线束内图6-2-29 点烟器、收放机、鼓风机电路图E9-鼓风机开关L16-空调控制板照明灯L28-点烟器照明灯N23-鼓风机串联电阻R-收放机插头S24-过热保险丝T1b-单孔插接件,继电器盘后面T1c-单孔插接件,继电器盘后面T1m-单也插接件,仪表板的右后面T2V-两孔插接件,鼓风机串联电阻上T3a-3孔插接件,仪表板后T5e-5孔插接件,鼓风机串联电阻上T8-8孔插接件,收放机上U1-点烟器V2-鼓风机–连接点(30),仪表线束-接地点,接线柱A左下面–接地连接1,仪表线束内图6-2-30 车内灯、行李仓照明灯、牌照灯电路图F2-左前门联锁开关F3-右前门联锁开关F5-行李舱照明灯开关F10-左后门联锁开关F11-右后门联锁开关T1e-单孔插接件,继电器盘上部T10-单孔插接件,继电器盘上部T2e-2孔插接件,行李舱左后部T21-2孔插接件,行李舱左侧W3-行李舱灯W15-带延迟关闭的内饰灯(室内灯)X-牌照灯–接地点1,继电器盘旁–接地点,行李舱左侧–接地点,后挡板右侧图6-2-31 前大灯远近光调节电路图E102-灯光距离调节器L54-灯光调节器照明灯T2f-2孔插接件,车身左前围板上V48-左灯光调节电机V49-右灯光调节电机–接地点1,断电器盘附近–接地点1,前大灯线束内–接地点2,前大灯线束内图6-2-32 前大灯、停车灯、变光及转向灯开关电路图E4-变光及转向灯开关L1-左前大灯双丝灯L2-右前大灯双丝灯M1-左停车灯M3-右停车灯T5b-5孔插接件,转向柱开关后面–接地连接点1,前大灯线束内-接地连接点2,前大灯线束内图6-2-33 转向信号和危险警报灯、驻车灯开关电路图E2-转向灯开关E3-遇险警报灯开关E19-驻车灯开关J2-遇险警报灯继电器(闪光器)K6-遇险警报灯T4c-4孔插接件,转向柱开关后T5b-5孔插接件,转向柱开关后T7a –7孔插接件,转向柱开关后图6-2-34 转向灯、尾灯电路图M2-右尾灯M4-左尾灯M5-左前转向灯M6-左后转向灯M7-右前转向灯M8-右后转向灯M18-左侧停车转向灯M19-右侧停车转向灯T1i-单孔插接件,左减震器支柱后T2d-2孔插接件,左减振器支柱后T6a-6孔插接件,左尾灯T6b-6孔插接件,右尾灯–接地点,行李舱盖左侧-接地点,行李舱盖右侧–接地点,左尾灯灯架处- 接地点,右尾灯灯架处–接地连接点1,前大灯线束内-接地点2,前大灯线束内图6-2-35 车灯开关、制动灯电路图E1-车灯开关E20-车灯控制开关和仪表F-制动灯开关L9-车灯开关照明灯M9-左制动灯M10-右制动灯T1m-单孔插接件,插在继电器位置10触点3上T6a-6孔插接件,左尾灯上T6b-6孔插接件,右尾灯上-接地点,左尾灯灯架上- 接地点,右尾灯灯架上图6-2-36 倒车灯、后窗加热、双音喇叭电路图E15-后风窗加热开关F4-倒车灯开关H1-双音喇叭J4-双音喇叭继电器K10-后风窗加热指示灯L39-后风窗加热开关照明灯M16-左倒车灯M17-右倒车灯T2b-2孔插接件,继电器盘后面T2e-2孔插接件,行李舱左后侧T6a-6孔插接件,左尾灯上T6b-6孔插接件,右尾灯上Z1-后风窗加热–接地点,行李舱右侧-接地点,左尾灯灯架上-接地点,右尾灯灯架上–接地连接点,双音喇叭线束内–电源线连接点,双音喇叭线束内图6-2-37 后雾灯电路图E23-前后雾灯开关K13-后雾灯指示灯L20-后雾灯灯泡L40-前、后雾灯开关照明灯T2g-2孔插接件,左后悬架上T6a-6孔插接件,左尾灯上- 接地点,右尾灯灯架图6-2-38 前风窗刮水器、清洗装置电路图E22-间歇工作的前风窗雨刷器开关H1-喇叭开关J31-清洗/刮水-间歇自动控制继电器T4c-4孔插接件,转向柱开关后T5c-5孔插接件,转向柱开关后T7a-7孔插接件,转向柱开关后V-前风窗雨刷电机图6-2-39 后风窗刮水器、清洗装置、杂物箱照明灯电路图J30-后风窗雨刷器和清洗器继电器T2 c-2孔插接件,仪表板右后部T2k-2孔插接件,行李舱左后部V12-后风窗雨刷电机V59-前、后风窗洗涤泵W6-杂物箱照明灯–接地点,后挡板右侧–接地连接点1,仪表线束内图6-2-40 空调开关、鼓风机电路图A-蓄电池E9-鼓风机开关E33-蒸发器温度开关(温度低开+1℃时断开)E35-空调开关F73-制冷液管路低压开关(压力低于200kPa时断开)J32-空调继电器N23-鼓风机串联电阻N62-怠速提升双通阀S23-主保险丝S24-过热保险丝T1a-单孔插接件,仪表板后T1c-单孔插接件,仪表板后T2a-2孔插接件,仪表板后T21-2孔插接件,发动机舱前T3a-3孔插接件,仪表板后T5a-5孔插接件,仪表板后T5b-5孔插接件,仪表板后V2-鼓风机–接地点1,继电器盘附近–接地点1,仪表线束内图6-2-41 电磁离合器、压力开关、散热器风扇电路图F18-散热器风扇热敏开关F23-空调管路上的高压开关J69-起动继电器J138-散热器风扇控制单元N25-空调电磁离合器T1b-单孔插接件T2c-2孔插接件,发动机舱前T2e-2孔插接件,发动机舱前T2f-2孔插接件,发动机舱前T2g-2孔插接件,发动机舱前T21-2孔插接件,发动机舱前V7-散热器风扇–接地端1,左前线束内。
⼤众捷达全车维修⼿册电路图安装位置:插头Jetta NF安装位置编号805 / 1
版本03.2013插头接线板和对接插头
连接插头⼀览
1 -阳光照射光电传感器的对接插头,-T4ac-
安装位置→章节
2 -副驾驶员侧A 柱旁的对接插头,-T28-
安装位置→章节
3 -驾驶员侧B 柱旁的对接插头,-T28b-
安装位置→章节
4 -副驾驶员侧B 柱旁的对接插头,-T28c-
安装位置→章节
5 -诊断接⼝-U31-,-T16-
安装位置→章节
6 -驾驶员侧A 柱旁的对接插头,-T28a-
安装位置→章节
7 -发电机对接插头,-T4-
安装位置→章节
8 -发动机对接插头,-T14a-
安装位置→章节
9 -散热器风扇对接插头,-T3a-
安装位置→章节
阳光照射光电传感器-G107-的对接插头
A -4 芯⿊⾊连接插头-T4ac-
副驾驶员侧A 柱旁的对接插头
A -28 芯⿊⾊连接插头-T28-
副驾驶员侧B 柱旁的对接插头
1 -28 芯⿊⾊连接插头-T28c-
1 -28 芯⿊⾊连接插头-T28b-
诊断接⼝-U31-
A -16 芯连接插头-T16-
A -28 芯连接插头-T28a-
发电机接线板
A -4 芯⿊⾊连接插头-T4-
发动机对接插头
A -14 芯⿊⾊连接插头-T14a-散热器风扇对接插头
1 -散热器风扇控制单元-J293-
连接插头:
-A/B-3 芯插头连接-T3a-。
维修手册Jetta2006年型►06年7月版捷达2006年型目录Jetta电器系统电路图说明:本资料适用于捷达2006年型汽油车(E3) 2006年7月版电路图目录(PDC)系统(2006年5月28日起采用)蓄电池,发电机,点火开关驻车辅助控制单元,报警蜂鸣器驻车辅助控制单元,驻车传感器9/19/29/3电动窗中央锁系统(2006年6月26日起采用)电动后视镜,自动防眩目车内后视镜中控锁/电动窗控制单元,中央门锁,天线司机侧车门中控锁/电动窗开关电动窗开关电动窗升降电机8/28/38/48/58/6蓄电池,发电机,点火开关8/1室内灯,联锁开关8/7Jetta 2006年型-电路图-2006年6月版编制说明:1、本版电路图适用于2006年5月28日后生产的Jetta 2006年型GIF 车型。
2、本版电路图仅针对新设计及更改的电器部分的电路进行描述,未描述电器部分的电路图与原Jetta2005年型电路图完全一致,电路图中所有连接点的定义与原Jetta 2005年型电路图完全一致。
3、本版电路图对原Jetta 2005年型电路图进行如下更改及补充:●新增驻车距离报警系统(PDC)(控制单元零件号:1C0919283B )注:原Jetta 2005年型电路图指以下电路图:《Jetta 2005年型电路图》及2005年12月之前的各版《Jetta 2005年型电路图(补充)》。
售后服务维修手册编制说明维修手册编制说明Jetta200612345678910111213w s=b r=g r=142.5brA25.0swP6.0ro4.0ro2.5brT4/1C16.0sw0.5br0.5br/ws0.35T4/20.5blD /30B /301516171819202122232425262728w s=b r=g r=T16a/20.35li/ws2930313233343536373839404142w s=b r=g r=T12/5T12/9J446—驻车辅助控制单元G203—左后驻车辅助传感器Jetta 2006年型-电路图-2006年7月版编制说明:1、本版电路图适用于2006年6月26日后生产的Jetta 2006年型CIF 和GIF 车型。
2、本版电路图仅针对新设计及更改的电器部分的电路进行描述,未描述电器部分的电路图与原Jetta2005年型电路图完全一致,电路图中所有连接点的定义与原Jetta 2005年型电路图完全一致。
3、本版电路图对原Jetta 2005年型电路图进行如下更改及补充:●新设计的中央门锁/电动窗控制单元(控制单元零件号:1GD 959875E /1GD 959875F )●取消了Lin 总线通讯功能●取消了电动窗防夹功能注:原Jetta 2005年型电路图指以下电路图:《Jetta 2005年型电路图》及2005年12月之前的各版《Jetta 2005年型电路图(补充)》。
售后服务维修手册编制说明维修手册编制说明Jetta2006w s =b r =g r =2.5br25.0sw0.5br Nr.8/1D301531A -蓄电池B -起动机C -发电机D -点火开关J285-组合仪表S04-主保险丝盒上保险丝-4-S05-主保险丝盒上保险丝-5-S06-主保险丝盒上保险丝-6-T4-4孔插头连接T32-32孔插头连接,插接组合仪表301531J200-电动后视镜调整开关V20-左电动后视镜V21-右电动后视镜S6-保险丝支架上6号保险丝-正极连接(58),在车内线束内w s=白色s w =黑色r o =红色b r =棕色g n =绿色b l =蓝色g r =灰色l i =紫色g e =黄色e15201918171627262522212324T10-10孔插头,插接电动后视镜调整开关28T10f -10孔灰色插头,在继电器支架上T10e -10孔紫色插头,在继电器支架上Y7-自动防眩目后视镜-连接(RF),车身线束内301531301531w s =白色s w=黑色r o =红色b r =棕色g n =绿色b l =蓝色g r =灰色l i =紫色g e =黄色e2930313233343536373839404142J386-中央门锁/电动窗控制单元V56-左前门中控锁电机V57-右前门中控锁电机V58-左后门中控锁电机V59-右后门中控锁电机R11-遥控锁天线S10-保险丝支架上10号保险丝S26-保险丝支架上26号保险丝-连接(自诊断K 线),在仪表板线束内T10e -10孔紫色插头,在继电器支架上T10f -10孔灰色插头,在继电器支架上T15-15孔插头,插接中控锁/电动窗控制单元T23-23孔插头,插接中控锁/电动窗控制单元T24-24孔插头,插接中控锁/电动窗控制单元A 49301531E39-后车门玻璃升降器联锁开关E40-左前门玻璃升降开关E53-左后门玻璃升降开关,司机侧E55-右后门玻璃升降开关,司机侧E81-右前门玻璃升降开关,司机侧E150-车内锁开关,司机侧L76-左前门玻璃升降开关照明J386-中央门锁/电动窗控制单元S111-电动窗升降电机供电保险S112-中央锁/电动窗单元供电保险T10e -10孔紫色插头,在继电器支架上T16-16孔插头,插接左前门玻璃升降开关T15-15孔插头,插接中控锁/电动窗控制单元T23-23孔插头,插接中控锁/电动窗控制单元司机车门中控锁/电动窗开关w s =白色s w =黑色r o =红色b r =棕色g n =绿色b l =蓝色g r =灰色l i =紫色g e =黄色E150E55L76E53E81L76E40L76E39ee43444546474835363738394041424.0-连接(56b),夜光指示照明1.51.5301531E52-左后门电动窗开关E54-右后门电动窗开关E107-右前门电动窗开关-中央门锁/电动窗控制单元T10e -10孔紫色插头,在继电器支架上T23-23孔插头,插接中控锁/电动窗控制单元电动窗开关w s =白色sw =黑色r o =红色b r =棕色gn =绿色b l =蓝色g r =灰色l i =紫色g e =黄色T5r -5孔插头,插接右前门电动窗开关T5s -5孔插头,插接左后门电动窗开关T5t -5孔插头,插接右后门电动窗开关61605958576867666362646569700.5sw 0.5sw0.5swT10e/3-正极连接(58),在车内线束内-连接(56b),夜光指示照明gr/ro0.5gr/bl3015 31J386-中央门锁/电动窗控制单元V26-左后门玻璃升降电机V27-右后门玻璃升降电机V147-司机侧玻璃升降电机V148-副司机侧玻璃升降电机T5m-5孔对接插头T5n-5孔对接插头T5p-5孔对接插头T5q-5孔对接插头T6m-6孔插头,插接司机侧玻璃升降电机T6n-6孔插头,插接副司机侧玻璃升降电机T6p-6孔插头,插接左后门玻璃升降电机T6q-6孔插头,插接右后门玻璃升降电机T23-23孔插头,插接中控锁/电动窗控制单元T15-15孔插头,插接中控锁/电动窗控制单元w s=白色s w=黑色r o=红色b r=棕色g n=绿色b l=蓝色g r=灰色l i=紫色g e=黄色e7574737271828180777678798384 0.50.5li/ws0.50.50.50.50.5ge/bl0.5li0.5li/ws1.51.51.51.50.5ge/bl0.5li0.5li/ws1.5 1.50.5ge/bl0.5li0.5li/ws1.51.51.51.50.5ge/bl0.5li0.5li/ws1.51.51.51.5301531F2-左前门联锁开关F3-右前门联锁开关F10-左后门联锁开关F11-右后门联锁开关J386-中央锁/电动窗控制单元W15-室内灯室内灯,联锁开关w s =白色s w =黑色r o =红色b r =棕色g n =绿色b l =蓝色g r =灰色l i =紫色g e =黄色1.00.5bl/roeS21-保险丝支架上21号保险丝T15-15孔插头,插接中控锁/电动窗控制单元T23-23孔插头,插接中控锁/电动窗控制单元-接地点,左侧A 柱下端。