无铅焊锡丝烙铁温度设定
- 格式:docx
- 大小:15.67 KB
- 文档页数:1
文件編号:DG-QA-032 版本/版次修改事项/摘要生效日期A/1 初版发行。
编制:职位:生产部经签署:______________ 日期:审核:职位:总经理签署:______________ 日期:批准:职位:总经理签署:______________ 日期:此文件若盖有红色“受控发行”的印章,则是正式文件.任何员工不得私自影印,请妥善保管好正式文件!正本印章受控发行印章文件編号:DG-QA-0321.目的规范生产线在手工焊接时的使用电烙铁正确性,确保产品的焊接质量。
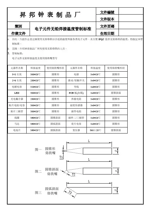
2.适用范围 适用于公司 3.规范内容:3.1烙铁温度设置参数:序号 元件类别 烙铁温度(℃)(有铅) 烙铁温度(℃)(无铅) 焊接时间 1 电阻、电容、电感360±20 380±20 5秒以内 2 排针 360±20 380±20 5秒以内 3 电源线 420±20 440±20 3秒以内 4 晶振、三极管330±10 350±10 5秒以内 5 跳线 360±20 380±20 5秒以内 6 PCI 插槽 360±20 380±20 5秒以内 7 LED 灯 260±20 320±20 3秒以内 8插座360±20380±205秒以内3.2烙铁咀的选型序号元件类别选用类型烙铁咀示图1 焊接连接线,插件元件,IC 管脚等 尖咀2 SMD 小料,如0402的电阻电容、电感等 特尖咀3 镍片,粗的连接线(φ>3mm)等 扁咀4 软线路板等平咀5屏蔽盖、滑动开关、排插、排线等三角咀3.3.1 焊接前检查电源插头有无松脱、短路,电源连接线是否完好无损 3.3.2 检查烙铁咀有无氧化文件編号:DG-QA-032 4.焊接步骤4.1准备:把烙铁及锡线拿近焊锡材料,做好随时可焊锡的准备好焊锡丝和烙铁4.2 检查烙铁保护套是否失效、铁头部要保持干净,如无问题,则将电烙铁电源接通预热4.3 检查海绵是否有水,如无水则要加适量的水4.4 待烙铁咀热后,在清洁的海绵上擦干净附在烙铁咀上的杂物4.5温度根据材料类型参照3.1中温度设定表值设定温度值5.焊接作业步骤及注意事项:5.1 预热:将烙铁咀成45°角左右轻轻地压住被焊部件的结合部位进行加热5.2上锡:送给结合部适量的锡,使熔锡充分裹住结合体: (手持锡线方法是:拇指自然地压住,以中指、无名指、食指来支持。
连接器无铅波峰焊温度标准
连接器无铅波峰焊温度标准通常设定在260℃左右。
这个温度标准是基于无铅波峰焊接工艺的要求和无铅焊料的特性来确定的。
在无铅波峰焊接过程中,需要将熔融的焊料通过波峰输送到连接器与PCB之间,形成电气连接。
为了确保焊接质量和可靠性,需要控制焊接温度和时间。
具体来说,无铅波峰焊接温度标准需要考虑到以下几个因素:
1.焊料的熔点和润湿性:无铅焊料的熔点通常比有铅焊料高,因此需要更
高的焊接温度才能实现良好的润湿性。
同时,为了确保焊料在焊接过程
中不出现氧化、分解等问题,也需要控制焊接温度。
2.连接器的材质和结构:连接器的材质和结构不同,其热传导性和对温度
的适应性也会有所不同。
因此,需要根据连接器的具体情况来确定焊接
温度。
3.PCB的材质和厚度:PCB的材质和厚度也会影响热传导和温度分布。
较厚
的PCB可能需要更高的焊接温度才能实现良好的润湿性。
4.焊接时间和冷却速度:焊接时间和冷却速度也会影响焊接质量和可靠
性。
过快的冷却速度可能导致连接器与PCB之间的焊点出现空洞或缺
陷,而过慢的冷却速度则可能导致焊点过度结晶或脆化。
综上所述,无铅波峰焊接温度标准的确定需要考虑多个因素,包括焊料的熔点和润湿性、连接器的材质和结构、PCB的材质和厚度以及焊接时间和冷却速度等。
在实际生产过程中,需要根据具体情况进行试验和调整,以确定适合的焊接温度标准。
烙铁、焊枪资料一. 焊枪头、烙铁头使用参数:二: 锡丝熔解温度:烙铁烙铁烙铁架锡丝架温控烙铁电源错误拔取方法 电源正确拔取方法三. 烙铁使用方法:右手拿烙铁,左手拿锡丝.如拿笔的形式.待烙铁头达到一定温度后,焊锡于零件脚与PCB 板铜箔面之间,焊锡完成后,依次将锡丝,烙铁头移开焊点,待焊点完全凝固后才可移开被焊物.且将烙铁放入烙铁架,待下次使用.(注:焊锡前须用潮湿且清洗干凈的海棉擦拭烙铁头上的脏物,焊环保产品时须用锡丝清洗烙铁头)四. 焊枪使用方法:将锡丝装入锡丝管内,食指扣扳机,形如拿手枪的样子.待焊枪头达到一定温度后,焊锡于零件脚与PCB 板铜箔面之间,焊锡完成后,将焊枪头移开焊点,待焊点完全凝固后才可移开被焊物.且将焊枪放入焊枪架,待下次使用.(注:焊锡前须用潮有铅焊枪 无铅焊枪湿且清洗干凈的海棉擦拭焊枪头上的脏物,焊环保产品时须用锡丝清洗焊枪头)五. 无铅焊枪、烙铁与有铅焊枪、烙铁的区分:(1)无铅焊枪,烙铁在外壳上贴有环保标签: 绿底黑字.环保(2)普通焊枪,烙铁无有环保标示.备注:在使用焊枪和烙铁时一定要分有铅和无铅,千万不能混用,产线从员工到干部必须了解公司推广无铅制程的重要性,对相关材料、物品、工具进行严格管制.六. 焊枪、烙铁注意事项:(1)焊枪,烙铁只能用来焊锡之用,不可作其它之用.(2)由于焊枪,烙铁温度很高,固在使用时不可碰到别的东西如:人体.化学药品,易燃物品等,以免引起工安事故.(3)禁止摔、碰、扔焊枪烙铁.(4)禁止手提、拉电源线.(5)须用螺丝刀更换焊枪头(烙铁头),禁止用剪刀或其它的东西更换,且更换时必须关闭电源.(6)在借用焊枪烙铁时须检查电源线,外壳有无破损.经生技ME人员确认电阻是否在规定范围内后,方可使用.(7)焊枪、烙铁如有20分钟以上不用时必须关闭电源.(8)应根据基板的种类、PCB大小、形状、零件脚粗细不同来选择烙铁、焊枪温度及合适之工具,以免因使用不当而产生PCB板跷皮、零件及线材烧损、焊点不良等不良现象的发生.备注:更换新的发热丝在使用第一次时,有时会出现冒烟现象,为正常现象.新的烙铁头(焊枪头)在使用第一次时,要用海棉清洁,并镀锡于焊枪,烙铁头上,以防止氧化.。
手工焊接的烙铁温度设定Hessen was revised in January 2021手工焊接的烙铁温度设定(2010-05-25 08:24:27)一、手工焊接的原理:常见的手工焊接工艺就是通过烙铁头传热,熔化焊锡,来使焊接件(电子元器件等)与焊盘(被焊件)连接接合。
手工焊接要素:电源(焊台或烙铁)、加热体(发热芯)、烙铁头、焊锡、焊接件等;二、无铅焊接知识以前的焊锡是锡铅合金,如63/37(锡63%,铅37%),熔点为183度。
因铅对环境的有毒性,ROHS等法规规定电子产品中禁用。
所以出现了替代的无铅焊锡。
无铅焊锡相对有铅焊锡:1、熔点升高约34-44度;2、焊锡中锡含量增加了;3、上锡能力差(可焊性差),无铅焊锡的焊锡扩散性差,扩散面积差不多是共晶焊锡的1/3;三、手工焊接温度公式:焊接作业最适合的温度是在使用的焊锡的熔点+50度。
烙铁头的设定温度,由于焊接部分的大小,电烙铁的功率和性能,焊锡的种类和线型的不同,在上述温度的基础上还要增加X度(通常为100)为宜。
即为:烙铁头温度=焊锡熔点+50+X(损耗)。
如:有铅焊锡63/37常用焊接温度:183+50+100=333左右,无铅锡铜为:227+50+100=377度。
因为不同产品焊点大小、不同焊锡、不同环境及操作习惯等影响,此处X变化很大,所以焊接温度有从350-450的使用情况。
四、烙铁头损耗原理:烙铁头尖端结构大致为;铜-镀铁层-镀锡层,焊接时,加热的情况下,镀铁层会与焊锡中的锡之间发生物理化学反应,使得铁被溶解腐蚀掉,而且这个过程随着温度升高会加速。
所以,无铅焊接时,因为焊接温度普遍升高,同时焊锡中的锡含量也大幅度增加,于是烙铁头的寿命急剧减少。
五、无铅手工焊接常见问题:1、使用高温时,容易损坏元器件;2、烙铁或焊台热回复性不好的话,容易出现虚焊假焊,不良率增加;3、烙铁头氧化损耗增加;六、无铅手工焊接常见对策:1、使用无铅专用烙铁头(本身镀无铅锡,适当增厚镀铁层来延缓腐蚀,延长寿命,同时不影响导热);2、使用无铅专用焊台(大功率、快速回温,使得温度更稳定,并能使用低温进行焊接);七、无铅焊台知识:由焊接原理可知,焊接工艺是靠热量的传递来完成的。
一、电烙铁温度的设定:1) 温度由实际使用决定,以焊接一个锡点3秒最为合适。
平时观察烙铁头,当其发紫时候,温度设置过高。
2) 有铅制程:有铅恒温烙铁温度一般控制在280~360℃之间,缺省设置为330±10℃,焊接时间小于3秒。
焊接时烙铁头同时接触在焊盘和元件引脚上,加热后送锡丝焊接。
部分元件的特殊焊接要求:3) SMD器件:焊接时烙铁头温度为:300±10℃;焊接时间:每个焊点1~3秒。
拆除元件时烙铁头温度:310~350℃(注:根据CHIP件尺寸不同请使用不同的烙铁嘴。
)4) DIP器件:焊接时烙铁头温度为:330±10℃;焊接时间:2~3秒;注:当焊接大功率(TO-220、TO-247、TO-264等封装)或焊点与大铜箔相连,上述温度无法焊接时,烙铁温度可升高至360℃,当焊接敏感怕热零件(LED、LCD、传感器等)温度控制在260~300℃。
5) 无铅制程:无铅恒温烙铁温度一般控制在340~380℃之间,缺省设置为360±10℃,焊接时间小于3秒,要求烙铁的回温每秒钟就可将所失的温度拉回至设定温度。
6) 特殊物料,需要特别设置烙铁温度。
光耦、晶体、咪头、蜂鸣器等要用含银锡线,温度一般在270度到290度之间。
7) 焊接大的元件脚,温度不要超过380度,但可以增大烙铁功率(80-100w)。
二、元件焊接步骤:1) 预热:烙铁头与PCB板成45度角,顶住焊盘和元件脚。
预先给元件脚和焊盘加热。
烙铁头的尖部不可顶住PCB无铜皮位置,这样可能将板烧成一条痕迹;烙铁头最好顺线路方向;烙铁头不可塞住过孔;预热时间为1~2秒。
2) 上锡:将锡线从元件脚和烙铁接触面处引入;锡线熔化时,掌握进线速度;当锡散满整个焊盘时,锡线不可从直接靠在烙铁套上,以防止助焊剂烧黑。
3) 拿开锡线:拿开锡线,锡线放在焊盘上;时间大概为1~2秒。
4) 拿开烙铁:当焊锡只有轻微烟雾冒出时候,即可拿开烙铁;焊点凝固。
对于任何手工焊接过程,正确的焊接温度对于形成良好的焊点都是至关重要的。
焊接温度/时间与焊点可靠性的关系通过检查焊点IMC的厚度与内部金相结构,可以清楚地分析出焊接中传递给被焊物的热量是否正确,而焊点表面可以反映出在电路板焊盘上形成的焊点是否良好。
控制IMC的厚度对于形成可靠的连接是很重要的,焊点内部IMC形成速率与焊接温度和时间有关。
烙铁提供的热量过大会增大焊点IMC的厚度,导致焊点变脆;提供的热量过小会使焊料不能完全熔化,形成冷焊(见图1)。
图2所示焊脚处的焊点形状与外观可以反映出焊点的质量,不幸的是,无铅焊接与有铅焊接的焊脚外观很不一样。
无铅焊接的焊脚外观颜色暗(图2左图),且有比较大的湿润角度;图2右图为锡铅焊接焊脚外观,颜色发亮。
选择合适的助焊剂烙铁传输的热量正确与否也影响到助焊剂的使用。
酒精与部分酸的沸点低于普通的手工焊接温度,因此,为了避免助焊剂过早地挥发,使助焊剂有充分的时间起作用,保证焊接时烙铁不提供过多的热量从而使焊接面的温度过高是很重要的。
助焊剂的选择对于形成良好的焊点也是很重要的。
随着焊接温度的提高,氧化的速度也会相应地加快,由于无铅焊接具有较弱的润湿力,需要助焊剂有较“强”的活性,所以焊锡丝中的助焊剂含量应该从锡铅焊锡丝的1%提高到2%。
使用较强活性的助焊剂,需要更多地对PCB上的残留物进行清洗,由于很多企业已经采用免清洗焊锡膏,残留物的清洗势必增加相应的工序和成本。
焊接温度曲线为了形成良好的焊点,在熔点温度以上40℃的时间必须保持2-5秒,因此我们需要烙铁提供相当的热量。
大部分企业在进行无铅焊接时选用的焊锡丝是SAC387合金,它的熔点为217℃, 焊接温度相应为257℃(选择SAC305合金为260℃)。
由此我们可以得到以下的理论温度曲线:当烙铁头与焊锡丝/被焊物接触时,我们从上图可以看到温度迅速上升,在这段时间助焊剂挥发并起作用。
当温度升到熔点以上时,焊料开始熔化,之后维持大约4秒时间,烙铁移开,焊点凝固。
铁络丝最高温度
铁络丝一般指电烙铁,它的最高温度通常在300多度左右,因为锡的熔点是231.9度,所以说焊铝是不行的,铝的熔点是660.2度,焊铝应该使用气焊。
平时在使用电烙铁时,可以通过观察烙铁头的颜色来设置合适的温度,当烙铁头发紫时,说明温度设置过高。
对于一般直插电子料,将烙铁头的实际温度设置为(330—370度);对于表面贴装物料(SMC)物料,将烙铁头的实际温度设置为(300—320度)。
需要注意的是,特殊物料可能需要特别设置烙铁温度,因此在进行焊接操作之前,请务必仔细阅读相关的说明书或操作指南,以确保操作的安全性和有效性。
焊锡丝融化的温度焊锡丝,也被称为焊锡或焊料,是一种用于电子焊接的重要材料。
在焊接过程中,焊锡丝的主要作用是连接两个或多个金属部件,形成一个持久的电气和机械连接。
为了实现这一功能,焊锡丝必须能够在焊接过程中融化,以填充和连接金属部件之间的缝隙。
焊锡丝的融化温度是决定焊接质量的关键因素之一。
通常,焊锡丝的融化温度介于183°C(对于低熔点的焊锡丝)到250°C(对于高熔点的焊锡丝)之间。
具体的融化温度取决于焊锡丝的成分和制造工艺。
在焊接过程中,焊锡丝通过焊接烙铁或焊接机的热量作用开始融化。
当焊锡丝接触到预热到适当温度的金属部件时,它会迅速融化并流动,填充缝隙并形成连接。
这个过程中,焊接烙铁或焊接机的温度必须足够高,以确保焊锡丝能够完全融化,并且金属部件也能够被适当地加热,以便焊锡能够与其形成良好的连接。
然而,如果焊接温度过高,可能会导致焊接过程中的热应力增加,从而增加焊接部件变形的风险。
此外,过高的温度还可能导致焊接接头的机械性能下降,影响其使用寿命。
因此,在选择焊锡丝和设置焊接温度时,需要根据具体的金属类型、焊接接头的形状和大小以及焊接条件来仔细考虑。
除了融化温度外,焊锡丝的其他物理和化学性质也对焊接质量产生重要影响。
例如,焊锡丝的导电性、导热性、耐腐蚀性和机械强度等特性都需要考虑。
此外,焊锡丝的表面处理、形状和尺寸等因素也会影响焊接过程的稳定性和焊接接头的质量。
总之,焊锡丝的融化温度是焊接过程中的关键因素之一。
了解焊锡丝的融化温度以及如何根据具体情况选择合适的焊锡丝和设置适当的焊接温度,对于确保焊接质量和提高生产效率至关重要。
同时,也需要注意焊锡丝的其他物理和化学性质,以全面考虑和优化焊接过程。
在未来的发展中,随着焊接技术和材料的不断进步,焊锡丝的性能和应用也将得到不断提升和拓展。
例如,新型焊锡丝材料可能具有更高的熔点、更低的热应力、更好的导电性和耐腐蚀性等特点,以满足更广泛和严苛的焊接需求。
最近有网友咨询小编,电烙铁的正常温度是多少,电烙铁在使用时的最高温度是多少?针对这个问题,小编通过与一些老电工沟通交流,也算是了解并掌握了电烙铁温度相关的一些知识,现分享给各位电工朋友。
电烙铁最高温度是多少?350度——400度之间。
电烙铁头温度超不过400,但接触点温度散热不是很快的话,温度会逐渐升高,烙铁头及其上加热体的工作温度(300℃-350℃),仅近略高于焊锡的熔化温度(220℃)。
电烙铁是电子制作和电器维修的必备工具,主要用途是焊接元件及导线,按机械结构可分为内热式电烙铁和外热式电烙铁,按功能可分为无吸锡电烙铁和吸锡式电烙铁,根据用途不同又分为大功率电烙铁和小功率电烙铁。
电烙铁一般温度有多少?如果是化锡的电烙铁,它的最高温度是300多度左右,因为锡的熔点是231.9度,所以说焊铝是不行的,铝的熔点是660.2度,焊铝应该使气焊。
电烙铁正常温度是多少?电烙铁在焊不同东西的时候,温度是不一样的,焊铜和焊铁,温度就不一样,具体得看实际情况。
一般情况下都是在350度到400度之间,只要高于焊锡的熔点就可以了。
最高温度一般在480摄氏度,但是一般设置到320~400度左右就可以了,再高的话烙铁头容易氧化。
W数大小也决定它的温度:220V20W 400℃25W 450℃30W 500℃40W 530℃50W 580℃60W 600℃家电维修的一般在30W左右的,学工20W就可以。
附1,恒温电烙铁的温度标准在什么范围中?GB/T 7157-2008号文件,怎么没有显示温度是多少?没有明确规定,凭经验、感觉,依据为:一. 使用步骤:1. 确认石棉潮湿。
2. 清除发热管表面杂质。
3. 确认烙铁螺丝锁紧无松动。
4. 确认220V电源插座插好。
5. 将电源开关切换至ON位置。
6. 调整温度设定调整钮至300℃,待加热指示灯熄灭后,用温度计测量烙铁头温度是否为300℃±10℃以内;再加热至所需之工作温度。
电烙铁的温度是多少
描述
电烙铁的温度是多少
电烙铁的温度是300-400℃。
具体来说,需要直插电子料时,烙铁头的温度应该设置在330-370度之间,如果是表面贴装物料,温度适宜在300-320度之间,蜂鸣器的维修需要270-290度的温度,大的组件脚的焊接温度不能超过380度,另外,对于特殊物料,还需要对温度进行特别设置。
电烙铁分为外热式和内热式两种:
外热式电烙铁由烙铁头、烙铁芯、外壳、木柄、电源引线、插头等部分组成。
由于烙铁头安装在烙铁芯里面,故称为外热式电烙铁。
烙铁芯是电烙铁的关键部件,它是将电热丝平行地绕制在一根空心瓷管上构成,中间的云母片绝缘,并引出两根导线与220V交流电源连接。
内热式电烙铁由手柄、连接杆、弹簧夹、烙铁芯、烙铁头组成。
由于烙铁芯安装在烙铁头里面,因而发热快,热利用率高,因此,称为内热式电烙铁。
内热式电烙铁的常用规格为20W、50W几种。
由于它的热效率高,20W内热式电烙铁就相当于40W左右的外热式电烙铁。
内热式电烙铁的后端是空心的,用于套接在连接杆上,并且用弹簧夹固定,当需要更换烙铁头时,必须先将弹簧夹退出,同时用钳子夹住烙铁头的前端,慢慢地拔出,切记不能用力过猛,以免损坏连接杆。
电烙铁40w是多少温度
电烙铁40w焊锡熔点大约在250度-300度之间。
电烙铁的功率越大温度则越高。
焊锡丝的温度范围会受到多种因素的影响,例如焊锡丝的成分、直径、焊接对象的材料等。
一般来说,常见的焊锡丝温度范围在 180℃至 400℃之间。
不同类型的焊锡丝可能需要不同的温度来达到最佳的焊接效果。
例如,含铅焊锡丝通常需要较低的温度,而无铅焊锡丝可能需要稍高的温度。
在进行焊接时,需要根据具体的焊接任务和焊锡丝的规格来调整焊接温度。
需要注意的是,过高或过低的温度都可能导致焊接质量问题,如焊点不牢固、焊接不良等。
因此,在使用焊锡丝进行焊接时,最好参考焊锡丝的产品说明书或咨询专业人士,以确保选择合适的温度范围并获得良好的焊接效果。
电烙铁焊接温度
电烙铁是我们日常生活和工作中常用的工具之一,用于焊接电子元器件、金属线路板等工作。
然而,在使用电烙铁进行焊接时,温度是一个非常重要的因素。
一般来说,电烙铁的工作温度应该在250°C至450°C之间。
这个温度范围的选择取决于焊接的工作材料、焊接点的大小和形状以及焊接的要求等因素。
如果焊接点较小或需要较高的精度,则应选择较低的温度。
如果焊接点较大或需要较强的焊接连接,则应选择较高的温度。
此外,有些特殊的材料需要特定的焊接温度,如铅锡焊接需要的温度范围在230°C至280°C之间。
在使用电烙铁进行焊接时,还应该注意避免过度加热,否则会对元器件和线路板造成损害。
同时,也要注意保持电烙铁的清洁和及时更换烙铁头,以保证焊接质量和工作效率。
总之,选择合适的焊接温度对焊接质量和工作效率有着至关重要的影响,需要根据实际情况合理选择。
- 1 -。
焊锡电烙铁操作方法焊锡电烙铁是一种用于焊接电子元件、电路板等的工具。
正确操作焊锡电烙铁可以确保焊接工作的质量和安全。
以下是焊锡电烙铁的操作方法:1. 准备工作:在使用焊锡电烙铁之前,我们需要做一些准备工作。
首先,确保工作区域通风良好,以免吸入有害气体。
其次,检查焊锡电烙铁的插头和电线,确保其没有损坏。
最后,检查锡头是否紧固,如果松动,可以使用扳手或者扳手扳下,并用砂纸或砂轮轻轻打磨锡头,以便焊锡更均匀地涂在焊点上。
2. 加热焊锡电烙铁:将焊锡电烙铁插入电源插座,并拨动开关将其加热至合适的温度。
一般来说,焊锡电烙铁的温度控制在250-400之间,不同焊接对象和焊锡的要求会有不同的温度要求。
新手使用焊锡电烙铁时,可以以中等温度(约300)开始,然后根据实际需要调整温度。
3. 预热焊接对象:焊接之前,需要将需要焊接的元件或电路板加热至适宜的温度。
可以使用热风枪或电热板等方法进行预热。
这样可以提高焊接效果,并减少损坏焊接对象的可能性。
4. 上锡:当焊锡电烙铁加热至适宜温度后,可以开始上锡。
使用焊锡之前,先将焊锡头轻轻擦拭于湿润的海绵上,以去除锡头上的污渍和氧化物。
然后,将焊锡头对准焊点,使焊接对象与焊锡头的接触面积最大,并迅速将焊锡头放在焊点上,使锡点和焊点接触。
此时,焊锡会迅速融化,并涂在焊点上,形成光滑的锡点。
5. 熔化时机:在焊接时,不需要等待锡头上的锡完全融化,而是应及时收回焊锡电烙铁。
适当的时间是锡点融化后的1-2秒。
过长的接触时间会导致焊点过多的锡量,造成短路或焊点之间的连线。
6. 接触焊点:焊接完成后,需要等焊点冷却后再取下焊锡电烙铁。
在取下前不要移动焊点,以免引起焊点的变形。
此时,焊点应该是平整或微凹的,有一定的光泽度。
7. 清洁锡头:在使用焊锡电烙铁之前和之后,可以用起毛刷将焊锡头上的残渣刷去,然后稍微擦拭湿润的海绵或特制清洁球。
这样可以去除氧化物和焊锡残渣,延长焊锡头的使用寿命。
8. 注意事项:操作焊锡电烙铁时需要注意安全。