2014结构考试简答计算
- 格式:docx
- 大小:1.67 MB
- 文档页数:5
2014年10月高等教育自学考试《混凝土结构设计》试题课程代码:02440一、单项选择题(本大题共20小题,每小题2分,共40分)1.承载能力极限状态设计时,荷载效应组合应取( A )。
A. 基本组合和偶然组合 B.基本组合和标准组合C. 基本组合和准永久组合D. 标准组合和准永久组合2.下列系数中,取值必然大于1.0的是( C )。
A. 结构重要性系数B. 可变荷载组合值系数C. 材料分项系数 D.永久荷载分项系数3.关于场地液化,下列说法中不正确的是( D )。
A. 液化层的厚度愈薄,愈不容易液化B.液化层埋藏愈深,愈不容易液化C. 地下水位愈低,愈不容易液化D.标准贯人锤击数实测值低于临界值愈多,愈不容易液化4.确定建筑结构的水平地震影响系数a时,不需要考虑的因素是( B )。
A. 设防烈度 B.建筑重要性类别C. 场地类别 D.设计地震分组5. 单层厂房排架结构计算时,为简化计算,假定柱两端的约束条件为( B )。
A. 与屋架固接、与基础铰接 B.与屋架铰接、与基础固接C. 与屋架、基础铰接 D.与屋架、基础固接6.当采用单吊点吊装单层厂房变阶柱时,吊点的位置应取( D )。
A. 柱顶 D.柱底C. 柱中 D.变阶处7.采用D值法计算框架结构内力时,各柱剪力的分配取决于( B )。
A. 柱截面惯性矩之比 B.抗侧刚度之比C. 柱截面面积之比 D.梁柱线刚度之比8.非抗震设计时,高层与多层建筑结构的主要区别在于,影响结构内力与变形的主要荷载(作用)是( A )。
A. 水平风荷载 B.竖向活荷载C. 温度作用 D.竖向恒荷载9.一般情况下,下列结构体系中抗侧刚度最小的是( A )。
A. 框架结构 B.筒体结构C. 剪力墙结构 D.框架剪力墙结构10.用D值法计算壁式框架时,对剪切变形和刚域的处理原则是( C )。
A. 考虑剪切变形的影响,忽略梁柱节点处刚域的影响B.忽略剪切变形的影响,考虑梁柱节点处刚域的影响C. 考虑剪切变形和梁柱节点处刚域的影响D.忽略剪切变形和梁柱节点处刚域的影响11.计算水平荷载作用下剪力墙内力和侧移时,需考虑局部弯曲应力影响的是( B )。
2014年一级注册建筑师执业资格考试《建筑结构》力学真题与答案14-1、图示平面体系的几何组成为:A、几何可变体系B、几何不变体系,无多余约束C、几何不变体系,有1个多余约束D、几何不变体系,有2个多余约束【解析】如题14-1解图所示,ABC是一个三铰拱,是属于静定结构,而铰链D和链杆E 也是一个静定结构。
FG可以看做一个二力杆,属于多余约束。
【答案】C14-2、图示结构的超静定次数为A、1次B、2次C、3次D、4次【解析】如题14-2解图所示,去掉2个二力杆AB和CD,就可以得到两个悬臂刚架AE和BG,故有2个多余约束,是2次超静定。
【答案】B14-3、图示几何不变体系,其多余约束为:A、1次B、2次C、3次D、4次【解析】如题14-3解图所示,去掉一个链杆AB,就得到一个由标准铰接三角形组成的静定桁架结构,与地面以简支梁的方式连接,故AB杆为多余约束,是1次超静定。
【答案】A14-4、图示结构的超静定次数为:A、1次B、2次C、3次D、4次【解析】如题14-4解图所示去掉一个支座链杆A,相当于去掉一个约束,再从刚结点B处截开,相当于去掉3个约束,就可以得到一个静定的悬臂结构。
故有4个多余约束,是4次超静定结构。
【答案】D14-5、图示对称桁架,在两种荷载作用下,内力不同的杆件数量为:A、1根B、3根C、5根D、7根【解析】首先由整体受力分析可知,结构对称、荷载对称,支座反力是对称的,两个桁架支座反力相同。
因此两个支座联系的4根杆件内力相同。
其余5根杆件受力不同,内力也不同。
【答案】C14-6、图示结构在外力P作用下,零杆数量为:A、0B、1根C、2根D、3根【解析】首先,对整个结构进行受力分析,可知其支座反力的方向如题14-6解图所示。
其中A点可以看作是无外力作用的三杆节点。
由桁架结构的零杆判别法可知,AD杆是零杆。
把零杆AD杆去掉之后,再看D点则是无外力作用的两杆节点。
由零杆判别法可知,CD杆和BD杆均为零杆。
一级注册结构工程师基础部分下午考试试题及答案解析(八)一、单选题(本大题117小题.每题1.0分,共117.0分。
请从以下每一道考题下面备选答案中选择一个最佳答案,并在答题卡上将相应题号的相应字母所属的方框涂黑。
)第1题对厚度为240mm的砖墙,当梁跨度大于或等于( )时,其支承处宜加设壁柱或采取其他加强措施?A 4.8mB 6.0mC 7.5mD 4.5m【正确答案】:B【本题分数】:1.0分【答案解析】[点评] 《砌体结构设计规范》第6.2.5条。
第2题木材的( )是四个中最高的。
A 顺纹抗压强度B 顺纹抗拉强度C 顺纹抗弯强度D 横纹切断强度【正确答案】:B【本题分数】:1.0分【答案解析】[点评] 木材是典型的各向异性材料,顺纹强度和横纹强度相差很大,其中顺纹抗拉强度是各强度中最高的,顺纹抗压强度也较高,顺纹抗弯强度介于顺纹抗拉和顺纹抗压强度之间,横纹切断强度是抗剪强度中最高的,但低于顺纹抗拉强度。
第3题图示刚架各杆EI为常数,则结点A的垂直位移为( )。
【正确答案】:D【本题分数】:1.0分【答案解析】[解析] 作出M图、Mp图如下,由图乘法得:故选项(D)正确。
[点评] 本题考察荷载作用下静定结构的位移计算,注意单位广义力的施加与所求位移相对应。
第4题下列不属于图乘法的适用条件的是( )。
A 杆件的轴线为直线B 杆件的EI为常数C M和Mp中至少有一个是直线图形D 不仅可以用于等截面直杆,而且可以用于拱式结构【正确答案】:D【本题分数】:1.0分【答案解析】[解析] 图乘法的适用条件有三点:(1) 杆件的轴线为直线;(2) 杆件的EI为常数;(3) M1图和MP图中至少有一个是直线,竖标y应取自直线弯矩图中,其中y0为Mp图(或M1图)的形心位置对应的M1图(Mp图)中的竖标。
拱结构的杆轴为曲线,显然不能用图乘法进行求解。
因此选项(D)正确。
[点评] 本题考察图乘法的适用条件。
第5题对回弹仪进行率定(标定)时,下列要求不正确的是( )。
2014年二级注册结构工程师专业部分上午试题真题(总分:100.00,做题时间:90分钟)一、单项选择题(总题数:17,分数:40.00)某五层中学教学楼,采用现浇钢筋混凝土框架结构,框架最大跨度9m,层高均为3.6m,抗震设防烈度7度,设计基本地震加速度0.10g,建筑场地类别Ⅱ类,设计地震分组第一组,框架混凝土强度等级C30。
(分数:5.00)(1).试问,框架的抗震等级及多遇地震作用时的水平地震影响系数最大值αmax,选取下列何项正确?(分数:1.00)A.三级、αmax=0.16B.二级、αmax=0.16C.三级、αmax=0.08D.二级、αmax=0.08√[解析] 根据《抗震设防分类标准》第6.0.8条,中学教学楼的抗震设防类别应不低于重点设防类。
又依据第3.0.3条,重点设防类应按高于本地区抗震设防烈度一度的要求加强其抗震措施,同时,应按本地区抗震设防烈度确定其地震作用。
确定抗震等级时,根据《抗规》表6.1.2,设防烈度按8度,高度<24m,不属于大跨框架,框架抗震等级为二级。
根据《抗规》表5.1.4-1,多遇地震作用时的水平地震影响系数最大值αmax=0.08。
本题要求考生掌握抗震设防分类要点,对于中小学教学楼抗震设防类别应不低于重点设防类;对于重点设防类建筑,抗震措施应按提高一度的要求确定,但地震作用仍按本地区设防烈度确定。
1.根据《建筑工程抗震设防分类标准》GB 50223—2008第6.0.8条,中学的教学楼抗震设防类别应不低于重点设防类;第3.0.3条,重点设防类应按高于本地区抗震设防烈度一度的要求加强其抗震措施。
同时,应按本地区抗震设防烈度确定其地震作用。
2.查《建筑抗震设计规范》GB 50011—2010表6.1.2,按提高一度的设防烈度8度,高度<24m,确定框架的抗震等级为二级;如果未能按重点设防类提高一度确定抗震措施,则框架的抗震等级会错选成三级。
3.查《建筑抗震设计规范》GB 50011—2010表5.1.4-1,设防烈度7度多遇地震时水平地震影响系数最大值αmax =0.08。
2014年10月高等教育自学考试全国统一命题考试结构力学(二) 试卷(课程代码02439)本试卷共6页。
满分l00分。
考试时间l50分钟。
考生答题注意事项:1.本卷所有试题必须在答题卡上作答。
答在试卷上无效,试卷空白处和背面均可作草稿纸。
2.第一部分为选择题。
必须对应试卷上的题号使用2B铅笔将“答题卡”的相应代码涂黑。
3.第二部分为非选择题。
必须注明大、小题号,使用0.5毫米黑色字迹签字笔作答。
4.合理安排答题空间,超出答题区域无效。
第一部分选择题一、单项选择题(本大题共l0小题,每小题2分,共20分)在每小题列出的四个备选项中只有一个是符合题目要求的。
请将其选出并将“答题卡”的相应代码涂黑。
未涂、错涂或多涂均无分。
1.均布荷载作用下的直杆段,其弯矩图图形为A.折线 B.二次抛物线C.斜直线 D.与杆轴平行的直线2.图示梁D截面弯矩等于5.同一结构的两种单位支座位移状态如图所示,由反力互等定理可知6.已知图示结构么截面弯矩为,若EI值增加一倍,则等于7.图示结构由于支座位移引起的弯矩图图形为8.图示连续梁C支座反力的影响线形状为9.图示结构的结点荷载矩阵为(顺时针方向为正)10.欲使图示结构的自振频率增大,可以增大第二部分非选择题二、填空题(本大题共l0小题.每小题2分。
共20分)请在答题卡上作答。
11.图示桁架,l杆的轴力=_____________。
12.图示多跨静定梁,基本部分为_____________段。
13.图示结构(EI=常数),杆端弯矩=_________。
14.图示结构的超静定次数为____________。
15.力矩分配法中传递系数表示____________的比值。
16.用力矩分配法计算超静定结构时,最终杆端弯矩等于固端弯矩、分配弯矩和____________之和。
19.无阻尼单自由度体系,自振频率为,受简谐荷载作用,已知,动力系数=___________。
20.二自由度体系的质量矩阵为[M],振型为,振型对质量的正交表达式为__________。
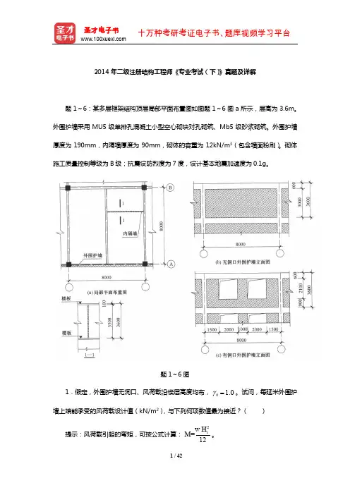
2014年二级注册结构工程师《专业考试(下)》真题及详解题1~6:某多层框架结构顶层局部平面布置图如图题1~6图a 所示,层高为3.6m 。
外围护墙采用MU5级单排孔混凝土小型空心砌块对孔砌筑、Mb5级砂浆砌筑。
外围护墙厚度为190mm ,内隔墙厚度为90mm ,砌体的容重为12kN/m 3(包含墙面粉刷)。
砌体施工质量控制等级为B 级;抗震设防烈度为7度,设计基本地震加速度为0.1g 。
题1~6图1.假定,外围护墙无洞口、风荷载沿楼层高度均布,。
试问,每延米外围护墙上端能承受的风荷载设计值(kN/m 2),与下列何项数值最为接近?( )提示:风荷载引起的弯矩,可按公式计算:。
0 1.0γ=2i H M=12w式中:ω—沿楼层高均布荷载设计值(kN/m 2);H i —层高(m )。
A .0.20B .0.30C .0.40D .0.50【答案】C 【解析】外围护墙上端仅受到风荷载引起的弯矩,风荷载引起的弯矩设计值为:。
根据《砌体结构设计规范》(GB 50003—2011)第3.2.2条表3.2.2可得,MU5单排孔混凝土砌块、Mb5砂浆砌体沿通缝的弯曲抗拉强度为:。
根据第5.4.1条式(5.4.1)计算,受弯构件的承载力:2190=0.0510006=300833N mm/m=0.3kN m/mtm f W ⨯⨯∙ 可承受的风荷载设计值为:由此可知,C 项数值最为接近。
2.假定,外围护墙无洞口、风荷载沿楼层高度均布,墙下端由风荷载引起的弯矩设计值为0.375kN ·m/m ,墙的计算高度H 0为3m 。
试问,每延米外围护墙下端的承载力设计值(kN/m ),与下列何项数值最为接近?( )A .88212i H M w =0.05tm f MPa =22212/12300833/30000.40/i M H kN m ω==⨯=B .77C .66D .55【答案】C 【解析】外围护墙下端受到墙体自重压力和风荷载引起的弯矩的作用,承载力按压弯构件计算。
***************************************************************************************试题说明本套试题共包括1套试卷每题均显示答案和解析注册结构工程师考试_专业考试一级_真题及答案_上午2014(40题)***************************************************************************************注册结构工程师考试_专业考试一级_真题及答案_上午20141.[单选题]已知,框架梁中间支座截面有效高度h0=530mm,试问,图(A)框架梁KL1(2)配筋有几处违反规范的抗震构造要求,并简述理由。
( )提示:x/h0A)无违反B)有一处C)有二处D)有三处答案:C解析:2.[单选题]试问,图(A)剪力墙Q1配筋及连梁LL1配筋共有几处违反规范的抗震构造要求,并简述理由。
()提示:LL1腰筋配置满足规范要求。
A)无违反B)有一处C)有二处D)有三处答案:C解析:3.[单选题]框架柱KZ1剪跨比大于2,配筋如图(B)所示,试问,图中KZ1有几处违反规范的抗震构造要求,并简述理由。
( )提示:KZ1的箍筋体积配箍率及轴压比均满足规范要求。
A)无违反B)有一处C)有二处D)有三处答案:C解析:该框架柱的配筋违反以下规范的抗震构造要求:①根据《混凝土结构设计规范》(GB 50010-2010)第11.4.12条表11.4.12-1可得,KZ1的纵筋最小配筋百分率为0.75%,KZ1的纵筋截面面积为:As=4×314.2+12×254.5=4311mm2<800×800×0.75%=4800mm2,故其违反《混凝土结构设计规范》(GB 50010-2010)第11.4.12条的规定;②KZ1非加密区箍筋间距为200mm>10×18=180mm,故其违反《混凝土结构设计规范》(GB 50010-2010)第11.4.18条的规定,对二级抗震框架柱加密区以外箍筋间距不应大于10d(d为纵向钢筋直径)。
二级注册结构工程师钢筋混凝土结构考试试题及答案解析一、案例分析(共95小题,共95.0分)第1题某钢筋混凝土五跨连续梁,其计算简图及B支座配筋如图2-1所示:混凝土强度等级为C30,ft =1.43N/mm2,ftk=2.01N/mm2,Ec=3.0×104N/mm2;纵筋采用HRB400级热轧钢筋,Es=2.0×105N/mm2。
已知梁截面有效高度h=660mm,B支座处梁上部纵向钢筋拉应力标准值σsk=220N/mm2,纵向受拉钢筋配筋率ρ=9.92×10-3,按有效受拉混凝土截面面积计算的纵向受拉钢筋配筋率σte =0.0187。
梁在该支座处的短期刚度Ba最接近于( )N·mm2。
A 9.79×1013B 9.27×1013C 1.31×1014D 1.15×1014【正确答案】:D 【本题分数】:1.0分【答案解析】[解析]第2题假定AB跨(即左端边跨)按荷载效应标准组合并考虑长期作用影响的跨中最大弯矩截面的刚度和B支座处的刚度,依次分别为B1=8.4×1013N·mm2,B2=6.5×1013N·mm2,作用在梁上的永久荷载标准值qGk =15kN/m,可变荷载标准值qQk=30kN/m。
AB跨中点处的挠度值f(mm)最接近于下列( )项数值。
提示:在不同荷载分布作用下,AB跨中点挠度计算式如图2-2所示。
A 20.5B 22.6C 30.4D 34.2【正确答案】:C【本题分数】:1.0分【答案解析】。
一级注册结构工程师基础部分下午考试试题及答案解析(十五)一、单选题(本大题118小题.每题1.0分,共118.0分。
请从以下每一道考题下面备选答案中选择一个最佳答案,并在答题卡上将相应题号的相应字母所属的方框涂黑。
)第1题在钢筋混凝土构件的挠度计算时,其构件的刚度建议采用( )。
A 在同号弯矩区段内取弯矩最大截面的刚度B 在同号弯矩区段内取弯矩最小截面的刚度C 在同号弯矩区段内取平均刚度D 在同号弯矩区段内取最大刚度【正确答案】:A【本题分数】:1.0分【答案解析】[点评] 《混凝土结构设计规范》第8.2.1条。
第2题居住用地土地使用权出让最高年限为( )。
A 70年B 60年C 50年D 40年【正确答案】:A【本题分数】:1.0分【答案解析】[解析] 土地使用权出让最高年限按用途分为:(1)居住用地70年;(2)工业用地50年;(3)教育科技、文化、卫生、体育50年;(4)商业、旅游娱乐用地40年;(5)综合或其他用地50年。
[点评] 本题考察土地使用权出让的最高年限。
第3题在用砂量相同的情况下,要使混凝土达到相同的流动度,使用( )砂配制混凝土需要的水泥浆量最少。
A 粗砂B 中砂C 细砂D 特细砂【正确答案】:A【本题分数】:1.0分【答案解析】[点评] 在用砂量相同的情况下,由于砂的粗细不同可具有不同的几何表面积,细砂的总表面积较大,粗砂的总表面积较小,所以用粗砂配制混凝土要比用细砂配制混凝土所需的水泥浆量要少。
第4题进行正常使用极限状态的验算时,荷载和材料强度应取( )。
A 荷载和材料强度均采用标准值B 荷载和材料强度均采用设计值C 荷载采用设计值,材料强度采用标准值D 荷载采用标准值,材料强度采用设计值【正确答案】:A【本题分数】:1.0分【答案解析】[点评] 结构构件不满足正常使用极限状态对生命财产的危害性比不满足承载力极限状态的要小,故《规范》规定,正常使用极限状态的验算,应按荷载的标准组合并考虑长期作用影响。
一级注册结构工程师基础部分下午考试试题及答案解析(七)一、单选题(本大题118小题.每题1.0分,共118.0分。
请从以下每一道考题下面备选答案中选择一个最佳答案,并在答题卡上将相应题号的相应字母所属的方框涂黑。
)第1题某地基土试验中,测得土的干重度γd=15.7kN/m3,含水量w=19.3%,土粒相对密度ds =2.71。
液限wL=28.3%,塑限wp=16.7%。
则该土的塑性指数、液性指数以及该土的名称为( )。
A ( 11.6,0.4),粉质黏土B ( 9.6,0.224),粉土C ( 11.6,0.224),粉质黏土D ( 9.6,0.4),粉土【正确答案】:C【本题分数】:1.0分【答案解析】[解析] 塑性指数为:IFP =ωFL-ωFP=28.3-16.7=11.6塑性指数为:因为10<IFP <17,0<IFL<0.25,故该土为硬塑的粉质黏土。
[点评] 液限和塑限的差值,称为塑性指数即:IFP =ωFL-ωFP,土的塑性界限也称为稠度界限,因为液限是土从流动状态变为可塑状态的界限含水量,塑限是从可塑状态变为半面体状态的界限含水量;它们的差值正好是黏性土处于可塑状态的上、下限值,所以塑性指数表示了土处在可塑状态的含水量变化的范围,是衡量土的可塑性大小的重要指标。
液性指数是黏性土的天然含水量和塑限的差值与塑性指数之比,表示黏性土的软硬程度。
根据《建筑地基基础设计规范》,塑性指数小于或等于10,粒径大于0.075mm的颗粒含量不超过总质量50%的土命名为粉土。
将塑性指数大于10的土命名为黏性土。
第2题关于高层建筑结构的受力特点,下列叙述正确的是( )。
A 竖向荷载和水平荷载均为主要荷载B 水平荷载为主要荷载,竖向荷载为次要荷载C 竖向荷载为主要荷载,水平荷载为次要荷载D 不一定【正确答案】:A【本题分数】:1.0分第3题图示桁架结构口杆轴力(拉力为正)为( )。
A 0B -0.707FpC -FpD -0.5Fp【正确答案】:A【本题分数】:1.0分【答案解析】[解析] 由图示桁架的受力特点,可以方便地直观判定图中1、2杆均为零杆,因此可以进一步判定。
一级注册结构工程师基础部分下午考试试题及答案解析(十四)一、单选题(本大题119小题.每题1.0分,共119.0分。
请从以下每一道考题下面备选答案中选择一个最佳答案,并在答题卡上将相应题号的相应字母所属的方框涂黑。
)第1题为( )。
图示结构取(b)所示的力法基本体系,EI为常数,则δ22A.2l3/3EIB.5l3/3EIC.l/3EID.4l3/3EI【正确答案】:D【本题分数】:1.0分【答案解析】考查力法的基本概念及应用,作出图,利用图乘法求得第2题图示结构的M图中B点的弯矩是( )。
A.零B.内侧受拉C.外侧受拉D.以上三种都有可能【正确答案】:D【本题分数】:1.0分【答案解析】刚架尺寸未标注,故选D第3题一钢筋混凝土矩形截面简支梁,原设计采用410的Ⅱ级钢筋,因现场无Ⅱ级钢筋,需进行代换,代换后的钢筋需验算( )。
A.裂缝宽度及承载力B.裂缝宽度及挠度C.承载力及挠度D.裂缝宽度、挠度及承载力【正确答案】:D【本题分数】:1.0分【答案解析】钢筋级别、数量、直径均有变化,这与承载力、挠度及裂缝宽度均有关,故选D 第4题根据施工质量控制等级,砌体结构材料性能的分项系数rf取为( )。
A.B级rf =1.6;C级rf=1.8B.B级rf =1.5;C级rf=1.6C.B级rf =1.5;C级rf=1.8D.B级rf =1.6;C级rf=1.7【正确答案】:A【本题分数】:1.0分【答案解析】《砌体结构设计规范》第4.1.5条的设计规定第5题对于高度、截面尺寸、配筋及材料强度完全相同的柱,以支承条件为( )时,其轴心受压承载力最大。
A.两端不动铰支B.一端自由,一端嵌固C.两端嵌固D.一端不动铰支,一端嵌固【正确答案】:C【本题分数】:1.0分【答案解析】同样条件下,两端嵌固的轴压构件计算长度最小,长细比最小,稳定系数也最小,因此承载力最大,故选C第6题水准测量中,水准尺倾斜所引起的读数误差属于( )。
二级注册结构工程师总则考试试题及答案解析一、单选题(本大题11小题.每题1.0分,共11.0分。
请从以下每一道考题下面备选答案中选择一个最佳答案,并在答题卡上将相应题号的相应字母所属的方框涂黑。
)第1题关于正常使用极限状态下荷载效应组合设计值S的表达式,下列叙述不正确的是( )。
A 所有组合的第一项,即永久荷载效应采用标准值效应B 对于标准组合,除可变荷载效应最大的取标准值以外,其余均采用可变荷载效应的组合值C 对于频遇组合,可变荷载效应采用荷载的频遇值效应D 对于准永久组合,可变荷载效应采用荷载的准永久值效应【正确答案】:C【本题分数】:1.0分【答案解析】[解析] 根据《建筑结构荷载规范》(GB 50009-2001)(2006年版)第3.2.8~3.2.10条及其条文说明可知,对于频遇组合,仅可变荷载效应组合的设计值S的第二项,即可变荷载效应最大的采用荷载的频遇值效应,而其他可变荷载效应均采用荷载的准永久值效应。
第2题关于荷载代表值的概念,下列叙述错误的是( )。
A 永久荷载标准值相当于其概率分布的0.5分位值B 楼面活荷载标准值相当于设计基准期最大荷载平均值μqt 加α倍标准差σqtC 对住宅、办公楼楼面活荷载,荷载准永久值相当于取其设计基准期任意时点荷载概率分布的0.5分位值D 可变荷载的荷载频遇值相当于取其设计基准期任意时点荷载概率分布的0.1分位值【正确答案】:D【本题分数】:1.0分【答案解析】[解析] 根据《建筑结构可靠度设计统一标准》(GB 50068-2001)第4.0.8条及其条文说明,荷载频遇值是对可变荷载而言的,主要用于正常使用极限状态的频遇组合中。
根据国际标准ISO 2394:1998,频遇值是设计基准期内荷载达到和超过该值的总持续时间与设计基准期的比值小于0.1的荷载代表值。
第3题如果所设计的民用建筑的房间不包括在《建筑结构荷载规范》(GB50009-2001)(2006年版)表4.1.1之内,但调查发现该房间有可能活动的人很集中,有时很挤或有较重的设备,则楼面均布活荷载标准值(kN/m2)比较合适的取值范围是( )。
一级注册结构工程师基础部分下午考试试题及答案解析(四)一、单选题(本大题120小题.每题1.0分,共120.0分。
请从以下每一道考题下面备选答案中选择一个最佳答案,并在答题卡上将相应题号的相应字母所属的方框涂黑。
)第1题图所示刚架结构,不计分布质量,动力自由度个数为( )。
(A) 2(B) 3(C) 4(D) 5【正确答案】:B【本题分数】:1.0分【答案解析】[解析] 自由度个数有三个;因此正确答案为(B)。
第2题静定结构由于支座沉降(位移),结构内部将( )。
(A) 有应变、有位移(B) 无应变、有位移(C) 有应变、五位移(D) 无应变、无位移【正确答案】:B【本题分数】:1.0分【答案解析】[解析] 支座沉降使静定结构产生刚体位移,不产生变形,无应变,因此正确答案为(B)。
第3题超筋粱破坏时,受拉钢筋应变εs 和压区边缘混凝土应变εc的关系为( )。
(A) εs >εy,εc=εcu(B) εs <εy,εc=εcu(C) εs <εy,εc>εcu(D) εs >εy,εc>εcu【正确答案】:B【本题分数】:1.0分【答案解析】[解析] 超筋梁破坏时,压区边缘混凝土应变达到极限压应变,而钢筋应变小于屈服应变。
第4题图所示体系的多余联系个数为( )。
(A) 4(B) 5(C) 6(D) 7【正确答案】:B【本题分数】:1.0分【答案解析】[解析] 去掉一根链杆(一个约束)、切开两个铰节点(共四个约束),总共去掉五个约束后变成静定结构,因此多余联系的个数为五。
故正确答案选择(B)。
第5题。
2014年一级注册结构工程师专业部分上午真题(总分:120.00,做题时间:90分钟)一、单项选择题(总题数:15,分数:120.00)某现浇钢筋混凝土异形柱框架结构多层住宅楼,安全等级为二级,框架抗震等级为二级。
该房屋各层层高均为3.6m,各层梁高均为450mm,建筑面层厚度为50mm,首层地面标高为±0.000m,基础顶面标高为-1.000m。
框架某边柱截面如图1所示,剪跨比λ>2。
混凝土强度等级:框架柱为C35,框架梁、楼板为C30,梁、柱纵向钢筋及箍筋均采用,纵向受力钢筋的保护层厚度为30mm。
图1(分数:12.00)(1).假定,该底层柱下端截面产生的竖向内力标准值如下:由结构和构配件自重荷载产生的NGk =980kN;由按等效均布荷载计算的楼(屋)面可变荷载产生的NQk=220kN,由水平地震作用产生的NEhk =280kN,试问,该底层柱的轴压比μN与轴压比限值[μN]之比,与下列何项数值最为接近?(分数:3.00)A.0.67B.0.80C.0.91 √D.0.98解析:根据《抗规》第5.1.3条和第5.4.1条,轴压力设计值为:N=1.2(NGk +0.5NQk)+1.3NEhk=1.2×(980+0.5×220)+1.3×280=1672kN根据《抗规》第6.3.6条或《异形柱规》第6.2.2条,查《异形柱规》表6.2.2,二级T形框架柱的轴压比限值为:[μN]=0.55 μN /[μN ]=0.50/0.55=0.911.异形柱结构可以避免框架柱在室内凸出,少占建筑空间,在多层或小高层住宅建筑中使用较多,但《建筑抗震设计规范》GB50011—2010中的“框架”不包括“异形柱框架”。
2.限制框架柱的轴压比主要是为了保证柱的塑性变形能力和保证框架的抗倒塌能力。
3.本题主要考查以下几方面内容:1)考虑地震作用时重力荷载代表值的计算;2)框架柱轴压力、轴压比的计算及异形柱框架轴压比限值的确定。
一级注册结构工程师基础部分下午考试试题及答案解析(十一)一、单选题(本大题113小题.每题1.0分,共113.0分。
请从以下每一道考题下面备选答案中选择一个最佳答案,并在答题卡上将相应题号的相应字母所属的方框涂黑。
)第1题用一台望远镜视线水平时,盘左竖盘读数为90°,望远镜视线向下倾斜时读数减少的J6级经纬仪,观测目标,得盘左盘右竖盘读数为L=124°03'30",R=235°56'54",则竖盘指标差为( )。
A -12"B +12"C -24"D -24"【正确答案】:A第2题单向压缩分层总和法的假设条件包括( )。
(1)基底附加应力认为是作用于地表的局部柔性荷载(2)计算地基中的附加应力时,将地基当作均质地基进行计算(3)计算土层压缩变形引起的地基沉降时,只考虑竖向附加应力作用(4)土层压缩时不发生侧向变形A (1) (2)B (1) (2) (3)C (1) (3)D (1) (2) (3) (4)【正确答案】:D【答案解析】[解析] 分层总和法在计算中作了如下假设条件:(1)地基土是一个均匀、等向的半无限空间弹性体。
在建筑物荷载作用下,土中的应力与应变成直线关系,这样就可以应用弹性理论方法计算地基中的附加应力;(2)基础沉降量根据基础中心点下土体所受的附加应力进行计算,实际上各点的附加应力不同;(3)地基土层受荷载作用只产生垂直方向压缩变形,侧向不能膨胀,即在侧限条件下发生变形。
这样就可以应用侧限压缩试验的指标;(4)一般地基的沉降量可认为等于基础底面下某一深度(即受压层)范围内各土层压缩量的总和。
理论上应计算至无限深度,但由于附加应力随深度而减小,超过其一深度后的土层沉降量很小可以忽略不计。
但当受压层下有软弱上层时,则应计算其沉降量至软弱土层底部。
[点评] 地基最终沉降量是指地基土层在荷载作用下,达到压缩稳定时地基表面的沉降量。
三、简答题
1、简述混凝土强度回弹仪的检定要求
答:3.2.1回弹仪具有下列情况之一时,应送授权计量检定机构检定:
1 新回弹仪启用前;
2 超过检定有效期限(回弹仪检定有效期为半年);
3 数字式回弹仪数字显示的回弹值与指针直读示值相差大于1;
4 经保养后在钢砧上的率定值不合格;
5 遭受严重撞击或其他损害。
2、以百分表为例说明量测仪器的基本组成及各部分的功能
答:百分表是机械式量测仪表,量测仪器一般由感受部分、放大部分、显示记录部分三个部分组成。
百分表一般三个部分在同一仪表内。
感受部分的作用:直接与被测对象联系,感受被测参数的变化并将此变化传给放大部分;放大部分的作用:将感受部分传来的被测量通过各种方式进行放大;
显示记录部分的作用:将放大部分传来的量测结果通过指针或电子数码管、屏幕等进行显示或通过记录设备将试验数据或曲线记录下来。
3、简述钻芯法检测单个构件混凝土抗压强度的芯样数量要求及推定值确定方法。
答:钻芯法确定单个构件的混凝土强度推定值时,有效芯样试件的数量不应少于3个;对于较小构件,有效芯样试件的数量不得少于2个。
抗压试验的芯样试件宜使用标准芯样试件,其公称直径不宜小于骨料最大粒径的3倍,也可采用小直径芯样试件,但其公称直径不应小于70mm且不得小于骨料最大粒径的2倍。
单个构件的混凝土强度推定值不再进行数据的舍弃,而应按有效芯样试件混凝土抗压强度值中的最小值确定。
4、简述超声法检测混凝土缺陷的基本原理。
答:缺陷检测系指对混凝土内部空洞和不密实区的位置和范围、裂缝深度、表面损伤层厚度、不同时间浇筑的混凝土结合面质量、灌注桩和钢筋混凝土中的缺陷进行检测。
超声法(超声脉冲法)系指采用带波形显示功能的超声波检测仪,测量超声脉冲波在混凝土中的传播速度(简称声速)、首波幅度(简称波幅)和接收信号主频率(简称主频)等声学参数,并根据这些参数及其相对变化,判定混凝土中的缺陷情况。
5、简述结构荷载试验对加载设备的基本要求。
答:1、实验室试验加载所使用的各种试验机应符合标准精度的要求,并应定期检验校准、有处于有效期内的合格证书;非实验室条件进行的预制构件试验、原位加载试验等受场地、条件时,可采用满足试验要求的其他加载方式,加载量值的允许误差为±5%。
2、实验室加载用试验设备的精度、误差应符合以下列规定:(1)万能试验机、拉力试验机、压力试验机的精度不应低于1级;(2)电液伺服结构试验系统的荷载量测允许误差为量程的±1.5%。
6、简述原位轴压法检测砌体抗压强度正式测试的加载过程。
答:(1)正式测试前,应进行加荷载测试,试加荷载值可取预估破坏荷载的10%.应检查测试系统的灵活性和可靠性,以及上下压板的砌体受压面接触是否均匀密实。
经试加荷载,测试系统正常后应卸载,并应开始正式测试。
(2)正式测试时,应分级加荷。
每级荷载可取预估破坏荷载的10%,并应在1min~1.5min 内均匀加完,然后恒载2 min。
加荷至预估破坏荷载的80%后,应按原定加荷速度连续加荷,直至槽间砌体破坏。
当槽间砌体裂缝急剧扩展和增多,油压表的指针明显回退时,槽间砌体达到极限状态。
(3)测试过程中,发现上下压板与砌体承压面接触不良,致使槽间砌体呈局部受压或偏心受压状态时,应停止测试,并应调整测试装置,重新测试,无法调整时应更换测点。
7、锚固承载力现场破坏性检验抽检数量有何要求?
答:现场破坏性检验宜选择描固区以外的同条件位置,应取每一检验批锚固件总数的0.1%且不少于5件进行检验。
锚固件为植筋且数量不超过100件时,可取3件进行检验。
8、用于混凝土应变测试的应变计标距有何要求,为什么?
答:量测混凝土应变的应变计或电阻片的长度不应小于50mm和4倍粗骨料粒径。
因为应变计标距越长测得数据是一个区域的平均值,并且混凝土是非匀质材料,所以应选大标距的应变计。
9、钻芯法检测混凝土抗压强度对芯样直径有何要求?
答:抗压试验的芯样试件宜使用标准芯样试件,其公称直径不宜小于骨料最大粒径的3
倍;也可采用小直径芯样试件,但其公称直径不应小于70mm 且不得小于骨料最大粒径的2倍。
芯样试件的实际高径比(H/d )小于要求高径比的0.95或大于1.05
时,相应测试数据无效;沿芯样试件高度的任一直径与平均直径相差大于2mm
,相应测试数据无效。
10、超声法检测混凝土的不密实区或空洞时,对被测部位有何要求?
答:检测不密实区和空洞时构件的被测部位应满足下列要求:(1)被测部位应具有一对
(或两对)相互平行的测试面;(2)测试范围除应大于有怀疑的区域外,还应有同条件的正常混凝土进行对比,且对比测点数不应少于20。
11、简述砌体检测原位轴压法的用途
答:1、检测普通砖和多孔砖砌体的抗压强度;2、火灾、环境侵蚀后的砌体剩余抗压强
度。
12、简述纵向钢筋保护层厚度的允许偏差
答:1、钢筋保护层厚度检验时,纵向受力钢筋保护层厚度的允许偏差,对梁类构件为
+10、-7mm;对板类构件为+8、-5mm ;对柱类构件为+10、-7mm 。
计算题
1、有一计算跨度8m 的钢筋混凝土梁,正常使用状态均布荷载为q=3.5KN/m ,现要。
方式进行静载实验,要求跨中弯矩等效,采用两点分配集中加载,现有分配梁有效长度2m (见下图),请
1)确定最大实验荷载P ;(6分)
2)选择千分表应变计的合适标距使应变测量可分辨至5μt 。
(4分)
解答:
2、用钻芯法对回弹法检测混凝土抗压强度进行修正,下表为相关数据。
3、贯入法检测砌体砂浆强度,某批6个构件的砂浆抗压强度换算值分别为:5.3、5.5、
4.8、
5.8、
6.1、5.2MPa,请计算该批砌体构件的砂浆抗压强度推定值。
4、一钢筋混凝土梁做静载实验,采用两点分配集中荷载(如下图),梁计算跨度为8m,分配梁有效跨度1m,设计均布线荷载为3.5KN/m,若实验要求跨中弯。
矩等效,请计算等效实验荷载P
解答:M q=ql2/8=3.5*82/8=28kN.m
图示采用两点分配集中荷载时,跨中弯矩M中=(P/2)*(8/2-1/2)=1.75P (kN.m)
令M q=M中,得P=16KN
5、用钻芯法对回弹法检测混凝土抗压强度进行修正,下表为相关数据。
2)其中有一构件布置10个测区,测区混凝土强度换算值分别为27.8、27.3、27.5、28.0、29.1、28.2、28.3、27.8、29.0、28.8MPa,试计算经芯样修正后的各测区混凝土强度换算值。
3)计算2)中构件的现龄期混凝土强度推定值。
以上即是《回弹法规程》公式7.0.2-2,第14页。
6、贯入法检测砌体砂浆强度,某批6个构件的砂浆抗压强度换算值分别
为:5.3、5.5、4.8、5.8、6.1、5.2MPa,请计算该批砌体构件的砂浆抗压强度推定值。
该题同A卷第3题。