土工击实检验原始记录
- 格式:xls
- 大小:29.50 KB
- 文档页数:7
土工试验、水质分析原始记录表式编制审核批准江苏常州地质工程勘察院检测中心土工试验记录表式目录CKCS-JL-TG-01-2015开样记录、密度试验记录(环刀法)□1.《土工试验方法标准》GB/T50123-1999 □2.《土工试验规程》SL237-1999 □3.《公路土工试验规程》JTG E40-2007 □4.《铁路工程土工试验规程》TB 10102-2010注:1、使用仪器设备:电子天平;2、检定/校准合格,检查正常方参与试验。
记录:检查:CKCS-JL-TG-02-2013含水率试验记录(烘干法)□1.《土工试验方法标准》GB/T50123-1999 □2.《土工试验规程》SL237-1999□3.《公路土工试验规程》JTG E40-2007 □4.《铁路工程土工试验规程》TB 10102-2010 工程名称:工程编号:环境温度:℃湿度:% 试验日期:注:1、使用仪器设备:烘箱、电子天平;2、检定/校准合格,检查正常方参与试验。
试验:检查:CKCS-JL-TG-03-2013液、塑限联合测定记录□1.《土工试验方法标准》GB/T50123-1999 □2.《土工试验规程》SL237-1999□3.《公路土工试验规程》JTG E40-2007 □4.《铁路工程土工试验规程》TB 10102-2010 工程名称:工程编号:注:1、使用仪器设备:电子天平、烘箱、液塑限联合测定仪;2、检定/校准合格,检查正常方参与试验。
试验:检查:CKCS-JL-TG-04-2013固结试验记录(快速法)□1.《土工试验方法标准》GB/T50123-1999 □2.《土工试验规程》SL237-1999 □3.《公路土工试验规程》JTG E40-2007 □4.《铁路工程土工试验规程》TB 10102-2010注:仪器编号指固结仪各联的实验室编号,仪器状态栏正常打√,不正常打×。
试验: 检查:CKCS-JL-TG-04-2013固结试验记录□1.《土工试验方法标准》GB/T50123-1999 □2.《土工试验规程》SL237-1999 □3.《公路土工试验规程》JTG E40-2007 □4.《铁路工程土工试验规程》TB 10102-2010注:仪器编号指固结仪各联的实验室编号,仪器状态正常方参与试验。
土工击实检验检测原始记录项目名称:xxxx日期:xxxx年xx月xx日1.项目背景本项目为土工击实检验检测,旨在评估土壤抗压能力和击实程度,为土地开发、基础工程设计提供参考数据。
2.实验设备和材料2.1设备-土工工具箱-松动度计-土壤密度计-钻孔设备(包括钻机、钻桶、钻头等)-压实仪器2.2材料-土样:从实验区域采集的土壤样品3.实验过程3.1土壤采样根据设计要求,在实验区域进行钻孔取样。
选取标准钻孔位置,在钻孔深度的不同位置采集土样。
每个位置采集的土样数量为3个,并取平均值作为该位置的土壤样品。
3.2土样处理将采集的土样放入土工工具箱中,并封存。
在实验室中,对每个土样进行筛分、干燥等操作,以准备后续实验。
3.3松动度测试取一部分分析土样,按照标准操作步骤,使用松动度计进行测试。
记录每次测试的松动度值,并计算平均值。
3.4土壤密度测试取一部分分析土样,在土壤密度计上进行测试。
严格按照设备说明书操作,计算每次测试的土壤密度,并计算平均值。
3.5压实试验选取一部分土样进行压实试验。
参照标准操作流程,使用压实仪器进行试验,计算得到不同荷载条件下的压实度。
4.数据处理与分析收集所有实验数据,并进行整理和统计分析。
计算出土壤的松动度、土壤密度和压实度,可以评估土壤的击实程度。
5.结果与讨论根据实验数据-土壤松动度为XX,说明土壤在压实过程中的适度-土壤密度为XX,符合设计要求范围内-压实度达到XX,土壤击实程度良好6.结论与建议根据实验结果,可得出以下结论:-本实验区域土壤的击实程度符合设计要求,可满足后续工程需要-建议在施工过程中进行合理的压实控制,以确保土壤的稳定性和承载能力7.实验总结本次土工击实检验检测结果准确,符合设计要求。
通过实验可以获得土壤的击实程度和力学性质等重要参数,为后续工程提供了有价值的参考数据。
在实验过程中,我们严格按照操作规程进行实验,确保了实验结果的可靠性。
以上为土工击实检验检测原始记录,总字数XXXX字。
土工试验、水质分析原始记录表式编制审核批准江苏常州地质工程勘察院检测中心土工试验记录表式目录CKCS-JL-TG-01-2015开样记录、密度试验记录(环刀法)□1.《土工试验方法标准》GB/T50123-1999 □2.《土工试验规程》SL237-1999 □3.《公路土工试验规程》JTG E40-2007 □4.《铁路工程土工试验规程》TB 10102-2010注:1、使用仪器设备:电子天平;2、检定/校准合格,检查正常方参与试验。
记录: 检查:CKCS-JL-TG-02-2013含水率试验记录(烘干法)□1.《土工试验方法标准》GB/T50123-1999 □2.《土工试验规程》SL237-1999□3.《公路土工试验规程》JTG E40-2007 □4.《铁路工程土工试验规程》TB 10102-2010 工程名称: 工程编号:环境温度: ℃湿度: % 试验日期:注:1、使用仪器设备:烘箱、电子天平;2、检定/校准合格,检查正常方参与试验。
试验: 检查:CKCS-JL-TG-03-2013液、塑限联合测定记录□1.《土工试验方法标准》GB/T50123-1999 □2.《土工试验规程》SL237-1999□3.《公路土工试验规程》JTG E40-2007 □4.《铁路工程土工试验规程》TB 10102-2010 工程名称: 工程编号:注:1、使用仪器设备:电子天平、烘箱、液塑限联合测定仪;2、检定/校准合格,检查正常方参与试验。
试验: 检查:CKCS-JL-TG-04-2013固结试验记录(快速法)□1.《土工试验方法标准》GB/T50123-1999 □2.《土工试验规程》SL237-1999 □3.《公路土工试验规程》JTG E40-2007 □4.《铁路工程土工试验规程》TB 10102-2010注:仪器编号指固结仪各联的实验室编号,仪器状态栏正常打√,不正常打×。
试验: 检查:CKCS-JL-TG-04-2013固结试验记录□1.《土工试验方法标准》GB/T50123-1999 □2.《土工试验规程》SL237-1999 □3.《公路土工试验规程》JTG E40-2007 □4.《铁路工程土工试验规程》TB 10102-2010注:仪器编号指固结仪各联的实验室编号,仪器状态正常方参与试验。
土工击实试验检验原始记录实验目的:本实验旨在通过土工击实试验来研究土壤的击实性能,并通过检验原始记录进行进一步分析和验证。
实验原理:土工击实试验是一种常见的土壤力学试验方法,用于研究土壤的击实性能。
在试验过程中,通过利用落锤的冲击力作用于土层,从而提高土壤的密实度,进一步改善土壤的工程性质。
实验中采用击实规范指导实施试验,以确保数据的准确性和可靠性。
实验设备:实验中所需的设备有落锤、击实针、土柱、刻度尺、天平、室内水桶等。
实验步骤:1.准备土柱:将土壤样品装入环形模具中,保证土柱的高度和直径满足规范要求。
2.落锤冲击:将落锤从一定高度自由下落,冲击击实针,使其插入土柱中。
3.记录击实次数:记录击实针插入土柱的深度,以及每次冲击后击实针的回弹高度。
4.重复冲击:依次重复上述步骤,直到击实针插入土柱的深度不再发生明显变化。
实验数据记录:冲击次数,深度1 (mm) ,深度2 (mm) ,深度3 (mm) ,深度4 (mm) ,深度5 (mm)--------,------------,------------,------------,------------,------------1,10,12,8,11,92,19,21,17,20,183,25,26,24,27,254,30,33,29,32,315,34,36,33,35,34数据分析和讨论:根据实验数据的记录,可以观察到每次冲击后击实针插入土壤的深度逐渐增加,并在一定次数后趋于稳定。
由此可以得出结论,土壤在经过一定次数的冲击后,已经较为密实,难以继续增加密实度。
进一步通过计算平均深度和回弹高度,可以得到更加具体的数据:平均深度,平均回弹高度------------,-----------------27mm , 7mm通过分析平均深度和回弹高度,可以评估和比较不同试验条件下的击实性能差异。
深度的增加代表了冲击的力度和击实效果,而回弹高度则反映了土壤的弹性恢复情况。
土工试验、水质分析原始记录表式编制审核批准江苏常州地质工程勘察院检测中心土工试验记录表式目录CKCS-JL—TG—01-2015开样记录、密度试验记录(环刀法)□1.《土工试验方法标准》GB/T50123-1999 □2.《土工试验规程》SL237—1999 □3.《公路土工试验规程》JTG E40—2007 □4.《铁路工程土工试验规程》TB 10102—2010注:1、使用仪器设备:电子天平;2、检定/校准合格,检查正常方参与试验。
记录:检查:CKCS—JL-TG—02-2013含水率试验记录(烘干法)□1.《土工试验方法标准》GB/T50123-1999 □2.《土工试验规程》SL237—1999□3.《公路土工试验规程》JTG E40—2007 □4.《铁路工程土工试验规程》TB 10102—2010 工程名称:工程编号:环境温度:℃湿度:%试验日期:注:1、使用仪器设备:烘箱、电子天平;2、检定/校准合格,检查正常方参与试验。
试验:检查:CKCS—JL—TG-03—2013液、塑限联合测定记录□1.《土工试验方法标准》GB/T50123-1999 □2.《土工试验规程》SL237-1999□3.《公路土工试验规程》JTG E40—2007 □4.《铁路工程土工试验规程》TB 10102-2010 工程名称:工程编号:注:1、使用仪器设备:电子天平、烘箱、液塑限联合测定仪;2、检定/校准合格,检查正常方参与试验。
试验: 检查:CKCS—JL-TG-04-2013固结试验记录(快速法)□1.《土工试验方法标准》GB/T50123-1999 □2.《土工试验规程》SL237-1999 □3.《公路土工试验规程》JTG E40—2007 □4.《铁路工程土工试验规程》TB 10102-2010注:仪器编号指固结仪各联的实验室编号,仪器状态栏正常打√,不正常打×。
试验: 检查:CKCS-JL—TG-04-2013固结试验记录□1.《土工试验方法标准》GB/T50123-1999 □2.《土工试验规程》SL237—1999 □3.《公路土工试验规程》JTG E40—2007 □4.《铁路工程土工试验规程》TB 10102—2010注:仪器编号指固结仪各联的实验室编号,仪器状态正常方参与试验。
土工试验原始记录试验目的:通过土工试验,对土壤的物理力学性质进行初步测定,为土地利用和工程设计提供参考依据。
试验时间:2024年5月1日试验地点:实验室试验设备:1.土壤含水量测定仪2.杨氏模量仪3.压缩试验仪试验材料:1.取自实际工程现场的土壤样本2.砂子试验过程:1.土壤含水量测定1.取土样本约100g,放入烘箱中以100℃烘干至恒重。
2.取出烘干的土样本,冷却至室温。
3.称取烘干土样本的质量,记录为m14.将称取好的土样本置于密闭器中,加入一定量的甲苯。
5.震动4小时,使土壤充分饱和。
6.取出土样本,将多余的甲苯通过纸巾吸干。
7.称取饱和土样本的质量,记为m28.将土样本放入烘箱中以100℃烘干至恒重。
9.得到烘干后的土样本质量,记为m310.计算土壤含水量:w=(m2-m3)/(m3-m1)。
2.杨氏模量测定1.取一小块土样本,放入池中加水饱和。
2.用细砂填充钢管,在钢管的顶部和底部各放置一个负载传感器,上面负载传感器的负荷不超过500N。
3.通过读数器记录水平刚度随应力的变化。
4.根据杨氏模量的定义,计算杨氏模量。
3.压缩试验1.准备一个圆筒形土样,直径为5厘米,高度为10厘米。
2.在加重机上加载土样,使负荷为0.1MPa。
3.使用千斤顶继续加载土样,记录负荷和变形的关系。
4.根据结果绘制一条压缩曲线。
试验结果:1.土壤含水量:w=15%2.杨氏模量:E=5GPa3.压缩曲线如下:负荷(MPa),变形(mm)------------,-----------0.1,0.20.2,0.40.3,0.60.4,0.80.5,1.0结论:通过本次土工试验,我们初步测定了土壤的物理力学性质。
土壤含水量为15%,属于一定含水量下的标准土壤。
杨氏模量为5GPa,说明土壤的紧密度较高,具有较好的承载能力。
压缩试验中的曲线显示了土壤的压缩性能,随着负荷的增加,土壤的变形也在增加。
以上结果仅为本次试验的初步测定,仍需进一步的试验和分析,以得到更准确的土壤性能参数。
土的含水率试验记录(一)(烘干法:标准方法,适用于各类土)样品编号记录编号委托编号委托日期取样地点试验日期仪器设备及环境条件仪器设备名称型号管理编号示值范围分辨力温度(℃)相对湿度(%)样品状态描述采用标准土样描述试样编号称量盒号称量盒质量(g)盒加湿土质量(g)盒加干土质量(g)湿土质量m0(g)干土质量m d(g)含水率ω=(m0/m d-1)×100(%)单个值平均值附注:试验计算复核土的含水率试验记录(二)(酒精燃烧法:适用于含有机质的砂类土、粉土和黏性土)样品编号记录编号委托编号委托日期取样地点试验日期仪器设备及环境条件仪器设备名称型号管理编号示值范围分辨力温度(℃)相对湿度(%)样品状态描述采用标准土样描述试样编号称量盒号称量盒质量(g)盒加湿土质量(g)盒加干土质量(g)湿土质量m0(g)干土质量m d(g)含水率ω=(m0/m d-1)×100(%)单个值平均值附注:试验计算复核土的含水率试验记录(三)(碳化钙减量法:适用于各类土)样品编号记录编号委托编号委托日期取样地点试验日期仪器设备及环境条件仪器设备名称型号管理编号示值范围分辨力温度(℃)相对湿度(%)样品状态描述采用标准土样描述试样编号反应容器与研杵的质量m1(g)反应前反应后产生乙炔气体质量mC2H2=m A-m B(g)含水率ω=[(mC2H2×1.385)/(m-mC2H2×1.385)]×100(%)反应容器与研杵加湿土样总质量m2(g)湿土样质量m=m2-m1(g)反应容器与研杵加湿土样和碳化钙粉末总质量m A(g)碳化钙粉末质量m3=m A-m2(g)反应容器与研杵和混合物总质量m B(g)单个值平均值附注:试验计算复核土的密度试验记录样品编号记录编号委托编号委托日期取样地点试验日期仪器设备及环境条件仪器设备名称型号管理编号示值范围分辨力温度(℃)相对湿度(%)样品状态描述采用标准(1)环刀法(适用于粉土和黏性土)试样编号环刀号环刀质量(g)环刀容积V(cm3)环刀加湿土质量(g)湿土质量m0(g)试样湿密度ρ(g/cm3)含水率ω(%)⑷试样干密度ρd(g/cm3)⑸=⑶/[1+0.01⑷]⑴⑵⑶=⑵/⑴单值均值(2)蜡封法(适用于环刀难以切削并易碎裂的土。
重庆市XX区建设工程质量监督站检测所
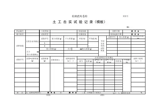
土壤击实检测原始记录
第页共页委托编号样品编号
土样种类□页岩土□砂土□粘土□素土□其它
样品说明
检测标准《土工试验方法标准》GB/T50123-1999
击实方法□重型击实□轻型击实
检测信息
检测日期2015年月日大于40mm颗粒含量% 室温℃序号 1 2 3 4 5 6
筒+土质量(g)
筒质量(g)
湿土质量(g)
湿密度(g/cm3)
盒号 1 2 3 4 5 6 7 8 9 10 11 12 盒质量(g)
盒+湿土质量(g)
盒+干土质量(g)
水质量(g)
干土质量(g)
含水率(%)
平均含水率(%)
干密度(g/cm3)
最佳含水率(%)最大干密度(g/cm3)
主要仪器设备名称及编号□LD-3多功能击实仪
主要仪器设
备运行情况
□正常
□检测前(中、后)有故障。
故障情况
见运行记录,故障设备:
备注最佳含水率和最大干密度由以上数据制成的图表所得。
校核:检测:。