模块7:集中实训1
- 格式:ppt
- 大小:1.27 MB
- 文档页数:30
《城市轨道交通服务礼仪》教学⼤纲《城市轨道交通服务礼仪》课程教学⼤纲⼀、课程基本信息1.课程编码:2. 学分:3. 学时:4. 适⽤专业:⼆、课程教学⽬标及学⽣应达到的能⼒“城市轨道交通服务礼仪”是城市轨道交通专业的专业课,主要培养学⽣的通⽤职业能⼒,具体是根据学⽣的职业活动的特点,将礼仪与服务有机结合,提⾼学⽣的综合素质。
三、课程教学内容与基本要求模块1 服务礼仪概述主要内容:1.1 服务的含义和特性1.2 礼仪的基本知识1.3 中国礼仪的形成与发展1.4 中西⽅礼仪的差异基本要求(1)了解服务的含义和特征。
(2)了解礼仪的含义、内容、分类、特征及原则。
(3)熟悉中国礼仪的形成与发展。
(4)了解中西⽅礼仪的差异。
模块2 城市轨道交通服务礼仪的基础知识主要内容:2.1 城市轨道交通服务礼仪的含义和特征2.2 城市轨道交通服务礼仪的内容和意义2.3 城市轨道交通客运服务⼈员的礼仪素养和素质要求基本要求(1)能够描述城市轨道交通服务礼仪的含义和特征。
(2)熟悉城市轨道交通服务礼仪的内容。
(3)了解城市轨道交通服务礼仪的意义。
模块3 城市轨道交通客运服务⼈员的仪容仪表礼仪主要内容:3.1 仪容仪表礼仪的基础知识3.2 仪容仪表修饰的原则和要求3.3 城市轨道交通客运服务⼈员仪容仪表的具体要求基本要求:(1)熟悉仪容仪表礼仪的基础知识。
(2)掌握仪容仪表修饰的原则和要求。
(3)掌握城市轨道交通客运服务⼈员仪表的具体要求。
模块4 城市轨道交通客运服务⼈员的服饰礼仪主要内容:4.1 服饰礼仪的基础知识4.2 男⼠西服的穿着规范与禁忌4.3 ⼥⼠职业装的选择、穿着规范与禁忌4.4 饰品佩戴礼仪基本要求(1)了解服饰礼仪的作⽤、影响与要求。
(2)熟悉服饰礼仪的基本原则与禁忌。
(3)掌握男⼠服饰的穿着规范和禁忌。
(4)掌握⼥⼠服饰的选择、穿着规范和禁忌。
(5)熟悉饰品佩戴的原则。
(6)了解常见饰品的佩戴礼仪。
模块5 城市轨道交通客运服务⼈员的举⽌体态礼仪主要内容:5.1 站姿礼仪5.2 坐姿礼仪5.3 蹲姿礼仪5.4 ⾏姿礼仪5.5 指引⼿势礼仪5.6 递物和接物礼仪基本要求(1)掌握站姿礼仪的基本要领,熟悉站姿的种类,牢记站姿的禁忌,掌握站姿的训练⽅法。
《学前儿童语言教育活动指导》课程标准一、课程基本信息课程代码:课程类别:专业必修课适应专业:学前教育专业适用学期:第三学期、第四学期(三年高职专业)先修与后续课程:1.先修课程:《幼儿教育心理学》2.后续实践课程:见习,实习课程简介:《学前儿童语言教育活动指导》是学前教育专业职业技能必修课之一,专门研究学前儿童语言发展及其教育的应用性课程。
是在理论指导下培养学前教育专业学生在教育、教学过程中组织实施语言活动的能力的实践性很强的课程。
1.课程性质:本课程是高职学前教育专业的一门必修的专业基础课程。
本课程是一门理论与实践相结合,用理论指导实践,以训练为主的课程。
本课程是一门培养学生语言教育教学活动组织实施能力的职业技能课程。
2.课程任务:本课程主要任务是讲授学前儿童语言教育的有关理论知识,培养和锻炼学生实际组织语言教育活动的能力。
本课程旨在提高学生从事学前儿童语言教育实践和研究的专业素养。
提高学生口语表达水平,培养合格师资。
促进学生的全面发展,提高素质。
为以后从事幼儿园教学工作打下坚实的专业技能基础。
课程总学时:64(理论学时32,实践32学时)课程总学分:4授课教材:《学前儿童语言教育活动指导》,张加蓉、卢伟主编,复旦大学出版社出版,普通高等教育“十一五”国家级规划教材。
.2010年7月第2版参考书目:1,《学前儿童语言教育》,张明红编著,华东师范大学出版2,《学前儿童语言教育》,祝士媛著,北京师范大学出版社出版二、课程教学目标与基本要求(一)教学目标通过学前儿童语言教育的有关理论知识讲授和学生实际组织教育活动能力的训练,提高学生从事学前儿童语言教育实践和研究的专业素养和教育教学能力,使学生能够独自设计并组织实施学前儿童语言教育教学活动。
1.能力目标:(1)能正确认识各年龄段学前儿童的学习与发展目标。
(2)能用较为科学的方法设计和组织实施幼儿园语言教育教学活动。
(3)能正确分析幼儿语言发展特点并会采取相应方法应对学前儿童语言发展中的问题。
一、实训目的1. 熟悉信息模块的组成及功能。
2. 掌握信息模块的安装方法和步骤。
3. 了解信息模块在综合布线系统中的作用。
4. 培养动手能力和团队协作精神。
二、实训内容1. 信息模块的组成及功能2. 信息模块的安装方法和步骤3. 信息模块在综合布线系统中的应用三、实训环境1. 综合布线实训室2. 信息模块、双绞线、剥线钳、压线钳、网络测试仪等设备四、实训步骤1. 信息模块的组成及功能信息模块是综合布线系统中连接设备与网络的接口设备,主要由以下几部分组成:(1)模块本体:用于连接双绞线,实现信号传输。
(2)模块底座:固定模块本体,确保模块稳定。
(3)模块面板:保护模块本体,便于安装和拆卸。
信息模块的功能:(1)实现设备与网络的连接。
(2)提供信号传输接口。
(3)便于维护和扩展。
2. 信息模块的安装方法和步骤(1)准备工具:剥线钳、压线钳、网络测试仪等。
(2)剥线:使用剥线钳在双绞线末端剥除约5cm的线皮。
(3)整理线序:根据线序标准(如568A或568B)整理双绞线线序。
(4)压接:使用压线钳将整理好的双绞线压接在信息模块上。
(5)测试:使用网络测试仪测试信息模块的连通性。
(6)固定:将信息模块固定在信息模块底座上,并确保稳定。
(7)安装面板:将模块面板安装在信息模块底座上。
3. 信息模块在综合布线系统中的应用信息模块在综合布线系统中具有以下应用:(1)实现设备与网络的连接,如计算机、服务器、交换机等。
(2)为用户提供网络接入服务。
(3)便于维护和扩展,提高综合布线系统的可靠性。
五、实训心得与体会1. 通过本次实训,我对信息模块的组成、功能及安装方法有了更深入的了解。
2. 在实际操作过程中,我学会了如何使用剥线钳、压线钳等工具,提高了动手能力。
3. 在团队协作中,我学会了与同学们沟通、交流,共同完成任务,培养了团队精神。
4. 实训过程中,我认识到信息模块在综合布线系统中的重要性,为今后从事相关工作打下了基础。
Unit 7Can I speak to Wang Yang教学内容:Unit 7: Lead in; Listening and Speaking; Reading and Writing; Language in use语言知识目标:学生能够理解并运用正确的打电话用语,并正确使用现在进行时态表达正在进行的动作,了解部分与体育相关的词汇。
语言技能目标:听——学生能够听懂打电话用语。
说——学生能够使用正确的方式打电话。
读——学生能够读懂介绍正在进行的动作或行为的与体育相关的文章。
写——学生能够运用正在进行时态写出正确的句子。
学习策略:学生能够将动词词组与名词词组进行正确的搭配。
文化意识:学生能够了解英语中打电话的习惯用语与汉语的打电话用语的区别。
情感态度:学生能够了解和正确运用英语与他人通电话。
单元任务:学生就最喜欢的体育明星作报告。
Lesson One教学内容: Lead in; Listen and Speaking Dialogue A教学目标:1 知识目标: words and expressions; Making and answering a phone call2能力目标: Understand talks about sports.Describe actions教学重点: Understand an e-mail on sports games;Write a report on a famous player教学难点: Four-skill words and expressions教学方法:启发式,互动式教学工具:教科书,收音机德育要点:学生能够了解和正确运用英语与他人通电话。
教学步骤:Step One: Presentation教师活动: Look and match.看图,将下列北京奥运会的运动项目图标与项目名称搭配。
volleyball baseball badminton footballswimmingtable tennis basketballStep 2Lead in学生活动: Read and tick.选出每组中更适合用于打电话的语句。
四层次七模块的实践教学体系2019-08-13摘要:实践教学对培养⼯科专业本科⽣的⼯程实践能⼒和创新能⼒具有重要意义。
基于此,⽂章以⽢肃农业⼤学农业⽔利⼯程专业为例,构建了“四层次(基础实践教学层、专业实践教学层、综合性实践教学层、科技创新实践教学层)、七模块(基础实验实践模块、社会实践环节、专业实验实践模块、课程设计模块、专业综合性实践模块、⾃主研究性实践模块、科技创新模块)”的实践教学体系。
同时,⽂章结合该体系的实践教学模块和各环节特征,加强实践教学平台分类建设,取得了较好的应⽤效果。
期待⽂章的研究,可实现实践教学校内与校外、课内与课外、应⽤与创新的有效结合,并有利于强化学⽣⼯程实践能⼒和创新能⼒的培养。
关键词:实践教学;⼯程实践;创新能⼒;农业⽔利⼯程专业实践教学是学⽣深⼊领会理论知识和锻炼才⼲的有效途径,对⾼等院校⼯科专业⾼级⼯程技术创新⼈才的培养具有重要⽀撑作⽤[1];它将课程实验、实习实训、社会实践、科学研究等融为⼀体,是培养学⽣⼯程实践能⼒、创新意识和团队协作能⼒的重要平台[2]。
然⽽长期以来,受教育观念和资源投⼊等因素的限制,我国⼯科专业实践教学在⽬标制定、教学体系设计、教学⽅法、教学条件等⽅⾯存在诸多问题[3]。
⽬前,许多本科院校的实践教学⽬标仍以验证理论知识、掌握实验⽅法和技能为主,缺乏设计性、开发性等综合实验环节,再加上针对学⽣创新意识和团队协作精神的培养空间有限[4]、科研能⼒和科研⽅法的训练⽋缺[5][6],导致学⽣的⼯程实践能⼒和创新能⼒严重不⾜。
近年来,随着招聘单位对本科毕业⽣实践创新能⼒的要求不断提⾼,如何将⼯程实践教育与创新教育有机结合,科学构建现代实践教学体系,加强实践教学平台的实战化建设⽔平,成为了我国⼯科类本科专业亟待研究、解决的重要课题。
为此,本研究以⽢肃农业⼤学农业⽔利⼯程专业为例,构建了“四层次、七模块”的实践教学体系,并结合该体系的实践教学模块和各环节特征,加强实践教学平台分类建设,取得了较好的应⽤效果。
数控技术专业《机械制图》教学内容及模式的探索与实践王国永【摘要】为了提高高职高专数控技术专业学生在制图方面动手能力与技能,依据数控技术专业岗位分析和能力要求,将数控技术专业《机械制图》课程内容和教学模式进行教学改革,改变传统的教学方法,实施教、学、做一体化的教学模式.采用“任务驱动”组织教学,建立多元化的考核机制.《机械制图》课程教学内容和教学模式的改革实施,极大提高了学生读图和绘图以及工程实践能力.【期刊名称】《承德石油高等专科学校学报》【年(卷),期】2018(020)001【总页数】5页(P74-77,94)【关键词】机械制图;教学内容及模式;课程改革;测绘案例【作者】王国永【作者单位】承德石油高等专科学校机械工程系,河北承德067000【正文语种】中文【中图分类】TH126-42《机械制图》课程内容丰富、与企业结合密切,从数控技术专业人才培养的总体要求,我们将课程教学内容和教学模式进行改革,开发实践了基于工学结合、“教、学、做一体化”的《机械制图》课程的教学内容和教学模式,提高了学生的手动绘图、读图、2D绘图以及工程实践能力。
1 课程教学内容选择1.1 数控技术专业岗位能力分析通过对高职高专数控技术类毕业生的就业情况分析,确定了数控技术专业的毕业生岗位[1-2]:主要在数控车间生产第一线,从事数控机床操作、数控加工工艺制定及编程、数控设备安装与调试、数控设备的维护与维修、机械产品设计加工与制造等方面的岗位工作。
其职业岗位群分析如图1所示。
通过数控技术专业岗位群分析,可以发现:数控机床操作员岗位、数控加工工艺员岗位和数控机床编程员岗位,需要具有读懂和绘制零部件图的能力,以便能够进行零部件的加工、工艺分析以及零部件加工中的程序编写;数控机床的调试维修岗位在机床调试和维修时需要读懂机床零部件的图纸,以便顺利进行机床的维修和调试,机械产品设计加工制造岗位更需要具有读懂和绘制零部件图纸的能力;相关工作岗位中的数控机床销售岗位和车间生产组织与管理工作岗位同样也是如此。
话剧与小品选修课课程标准一、课程性质与任务:为了充分利用学生的课余时间,发挥小组学习的优势,调动学生的学习积极性,促进学生的特长与能力协调发展,充实学生的课余生活,以增强自信心,能够独立进行舞台演出作最高目标,现制定如下的教学计划:二、教学目标:通过本兴趣小组的学习,学生能了解小品与话剧的理论知识,并提高相应的表演技巧,以及在指导教师的指导下根据学生自己的特点能够基本表演一些简单的小品和话剧。
【知识与技能】(1)了解小品与话剧的理论知识;(2)基本表演一些简单的小品和话剧。
【情感态度与价值观】(1)培养学生动手能力、表演能力以及口头表达能力(2)通过让学生自己表演,让学生有一定的成就感,增强学生沟通能力。
三、教学原则和方法:1、教学原则:在教学过程中履行“以学生自信教育为本”的教育思想,突出培养学生的自信心和实践表演能力。
教学内容具有大胆张扬个性,与社会生活相联系,做到学有所得,学有所长。
2、教学方法:利用网络媒体搜寻适合的小品、话剧视频,通过播放讲解、模拟表演、进而初步学会创作表演。
3.教学活动建议:结合教学内容,利用校内外的心理健康教育资源,在课堂教学和综合实践活动中,有计划地组织学生开展团体辅导、个别咨询、心理行为训练等活动,同时,在实习实训中渗透心理健康教育,通过校园文化活动等普及心理健康知识。
开展实践活动要从实际出发、量力而行,要精心设计、精心准备、精心组织、确保安全、追求实效。
活动要体现学生的主体作用,老师要对学生活动给予及时引导。
要通过讨论、总结和撰写活动报告等方式,组织学生交流心得体会,展示教学效果。
四、报名要求(1)热爱表演,对小品以及话剧有浓厚的兴趣。
(2)思想健康,能遵守校规校纪,服从指导教师的安排。
(3)学习态度端正。
话剧与小品选修课教学计划:本学期小品与话剧兴趣小组计划安排时间为14年9月上旬至15年1月中旬结束,每周2课时(每星期四下午第七、八节课)。
课堂讲授与学生实践相结合。
《电子商务综合技能实训》课程标准课程编码: 03030045课程类别:职业必修课程学时: 60(3W)适用专业:电子商务专业一、概述(一)课程性质电子商务专业/职业的综合技能实训课程电子商务专业职业必修课程《电子商务综合技能实训》是我院电子商务专业职业必修课程,也是电子商务专业职业综合技能实训课程。
《电子商务综合技能实训》课程主要从经济、贸易和技术的角度进行电子商务的综合技能训练,旨在学习电子商务的基础课程和专业技能课程的基础上,综合应用所学知识进行电子商务技能的全方位提高。
为学生将来进入社会从事电子商务相关岗位工作打下坚实的基础。
通过本课程学习,并为学生搭建起电子商务整体知识框架后,再进一步提升学生的电子商务相关岗位核心能力。
如《企业资源计划(ERP)应用》将强调企业的营销、生产、运作、采购、财务等多方面的全面电子商务信息化整合管理;《ERP沙盘模拟》将感受企业发展的典型历程,感悟正确的经营思路和管理理念等等,所有这些后续课程都将是对电子商务整体工作框架延续的最好诠释。
同时,本门课程是《电子商务实务》、《网络营销》、《网络工程》、《电子商务网站建设与管理》、《电子商务安全与管理》、《网上支付与结算》、《物流配送中心设计与管理》等电子商务专业课程的综合应用课程,在学生具备电子商务各岗位核心能力基础上,再通过本课程的学习,学生将对职业岗位有更深入的认识,更将能提升其各项岗位核心能力。
另外,再通过毕业前到各实训基地的顶岗实习,让学生在真实的工作情境下,进入真正的职业工作状态,履行其职业岗位责任,在真实的职业活动中提高其综合职业能力、岗位适应能力和后继发展能力。
(二)课程基本理念《电子商务综合技能实训》课程设计以《教育部关于全面提高高等职业教育教学质量的若干意见》(教高[2006] 16号)和《教育部关于启动高等学校教学质量与教学改革工程精品课程建设工作的通知》(教高[2003]14号)文件精神为指导,以电子商务职业岗位需求为导向,以电子商务师(三级)国家职业资格标准为依据,通过与行业企业合作课程开发,设计以职业能力为导向的学习情景,依托校内实训室和校外实训基地,创造最佳的学习环境和实训条件,调动学生的学习积极性,培养学生自主学习、分析问题和创新的能力,不断提高学生的就业竞争力。
测试题——实训场景7:出货作业管理1、出货作业是指把拣取分类完成的物品经过后,装入容器和做好标示,再运到配货准备区,待装车后发送。
(配货检查)2、出货作业是指把拣取分类完成的物品经过配货检查后,和做好标示,再运到配货准备区,待装车后发送。
(装入容器)3、出货作业是指把拣取分类完成的物品经过配货检查后,装入容器和,再运到配货准备区,待装车后发送。
(做好标示)4、出货方式的种类主要有、自动分类机、旋转架分类等。
(人工目视处理)5、出货方式的种类主要有人工目视处理、、旋转架分类等。
(自动分类机)6、出货方式的种类主要有人工目视处理、自动分类机、等。
(旋转架分类)7、人工目视处理全由人工依或传票判断来进行分货。
(订单)8、人工目视处理全由人工依订单或判断来进行分货。
(传票)9、为应对品种少量订货的市场趋势,有了自动分类机的兴起,且正被广泛运用。
(多)10、为应对多品种量订货的市场趋势,有了自动分类机的兴起,且正被广泛运用。
(少)11、自动分类机的种类非常多,依其滑出方式大体可分为两种:将载物部分倾斜滑落的和水平分出处理式。
(倾倒式)12、自动分类机的种类非常多,依其滑出方式大体可分为两种:将载物部分倾斜滑落的倾倒式和处理式。
(水平分出)13、以易破损物品而言,采用会有较大的损害概率,因而适合水平分出处理。
(倾倒式)14、以易破损物品而言,采用倾倒式会有较大的损害概率,因而适合处理。
(水平分出)15、在选择自动分类机时,最好从以下五个主要角度来衡量:、物品形状、重量分析、容器尺寸分析、易损坏品分析。
(物品数量)16、在选择自动分类机时,最好从以下五个主要角度来衡量:物品数量、、重量分析、容器尺寸分析、易损坏品分析。
(物品形状)17、在选择自动分类机时,最好从以下五个主要角度来衡量:物品数量、物品形状、、容器尺寸分析、易损坏品分析。
(重量分析)18、出货方式的旋转架分类,分类时只要于电脑输入各客户的。
(代号)19、出货方式的旋转架分类,作业人员依照每格位上的自行旋转寻找,以便将物品放入正确储位中。
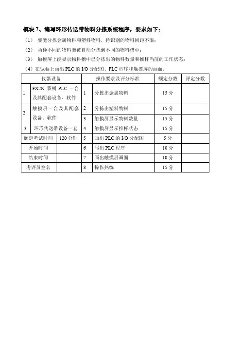
模块七总结与反馈简介模块七是我在学习过程中的最后一个模块,通过这个模块的学习,我对于某一特定领域的知识有了更深入的了解,并且也在实践中提升了自己的技能。
本文将对我在模块七中的学习进行总结与反馈,以便今后的学习能够更加高效和有效。
学习总结在模块七中,我学习了以下几个重点知识:1. 深入学习特定领域的知识在模块七中,我选择了一个特定领域进行学习和实践。
通过对这个领域的深入了解,我学习了许多与之相关的概念、原理和技巧。
这让我对该领域的理解更加深入和全面。
2. 掌握特定领域的实践技能除了理论知识,我在模块七中还进行了一些实践操作,提升了自己在特定领域的实践技能。
通过实践,我能够更加熟练地运用所学知识解决实际问题,并且也更加了解该领域的实际应用。
3. 学习并实践相关工具和技术在模块七中,我还学习了一些特定领域相关的工具和技术,这些工具和技术在该领域的应用非常广泛。
通过学习并实践这些工具和技术,我不仅加深了对特定领域的理解,还提升了自己的技术能力。
学习反馈在模块七的学习中,我遇到了一些挑战和困难。
下面是我对这些问题的反思和总结:1. 学习计划安排不合理在模块七的学习中,我发现我的学习计划安排存在一些问题。
有时候我会在一段时间内过于集中地学习,造成学习负担过重;而在另一段时间内,我又会放松对学习的要求,导致学习效果不佳。
因此,我需要更加合理地安排自己的学习计划,确保学习负载适中,并且保持持续的学习态度。
2. 缺乏针对性的学习资源在模块七的学习中,我发现有时候我会花费较多的时间在寻找适合自己的学习资源上。
这可能是因为我没有明确自己的学习目标,也没有找到合适的学习途径。
因此,我需要更加明确自己的学习目标,寻找与之匹配的学习资源,并且灵活运用各种学习方式和途径。
3. 缺乏项目实践经验在模块七的学习中,我发现我在项目实践方面的经验相对较少。
这导致我在实践过程中容易遇到问题,并且解决问题的效率较低。
因此,我需要更多地参与项目实践,积累实践经验,并且提升自己的问题解决能力。
汽车底盘实训报告总结篇一:汽车底盘集中实训报告模块一、离合器从动盘的更换实训目的:1. 掌握离合器的工作原理;2. 掌握离合器的各个组成部分;实训要求:1. 了解离合器从动盘更换的流程及注意事项;2. 能独立完成离合器从动盘的更换。
实训内容: 1.准备工作准备好常用维修工具、专用维修工具、检测工具和易耗材料,将待修车辆用汽车举升器顶起,检查车辆在举升器上是否安放牢固可靠。
2.外围部件的拆卸断掉汽车的蓄电池负极拆下离合器拉线拔下倒车灯开关和里程表传感器插头;拆下变速器操纵机构;拆下上端变速器固定螺栓;拆下起动机;升起汽车拆下两半轴;用托盘千斤顶托住变速器拆下变速器下端的固定螺栓,拆下变速器。
3、离合器总成的分解。
4、更换离合器从动盘后按相反顺序装复。
实训目的:能按规范的步骤,完成两轴式变速器的拆装检修作业。
实训要求:1.能认识所拆卸两轴式变速器的零部件;2.能了解两轴式变速器的工作原理和各零部件的作用;实训内容:变速器的分解:固定变速器,将润滑油放出,锁紧输入轴。
拆下变速器壳体盖,拆下六颗螺栓,取下盖体,拆下中转接管、五挡拨叉同步器及齿轮、用拉马取出五挡从动齿轮。
拆变速器壳体,拆下五挡锁止螺栓、选挡换挡轴止动螺栓,并按如下步骤进行:①用火花塞扳手拧下选挡换挡轴端盖螺栓;②将换挡拨叉置于空挡位置,拔出选挡换挡轴;③拧下倒挡轴的六角锁止螺栓;④从驱动法兰上拆下端盖、弹性挡圈和碟形弹簧;⑤拉出驱动法兰,用专用工具通过长孔将两个M8 x 30的六角螺栓拧到驱动法兰上拉出;⑥驱动法兰和油封匹配为18 mm , 16mm两种宽度;⑦用专用工具拉出变速器壳体。
拆输入输出轴,拆出换挡杆28、换挡拨叉总成26。
把输入、输出轴整体拆出。
实训目的:1.掌握变速器的拆装方法、步骤及相关技术要求。
2.熟悉变速器的变速传动机构的结构及其装配关系。
实训要求:1.掌握变速器的换档操纵机构的结构与工作原理。
2.熟悉同步器的结构及工作过程。
《电子商务基础》课程标准一、课程名称《电子商务基础》二、适用专业电子商务三、建议学时72四、课程定位与课程设计1.课程的性质与作用1)课程性质《电子商务基础》是电子商务专业的一门先导性的专业基础课,是理论与实践相融合的综合性课程。
目的是让学生初步掌握涉及电子商务的全面的基础性知识,对电子商务中涉及到的技术及商务问题有个清晰的认识,为其他专业课的学习建立一个系统与明确的观点,奠定基础。
2)课程作用本课程是对电子商务专业所需掌握的知识和技能做总体性的介绍,是对其他专业课程的总论,通过本课程的学习,可以使学生更加深入地了解电子商务专业学生毕业后所从事的工作领域,为学生学习专业课程打下坚实的基础。
2.课程设计理念遵循就业导向的现代职业教育指导思想,根据电子商务职业岗位(群)的任职要求,结合课程培养目标开发本课程。
贯彻“理论够用、重在实践、强化职业素养”的职业教育理念,充分考虑高职学生的智力特点,做到因材施教,注重对学生实践能力和职业素养的培养,教育学生树立终身学习理念,提高实践能力、创造能力、就业能力和创业能力,使学生能顺利胜任未来的岗位。
3.课程设计思路《电子商务概论》课程是对电子商务专业所需掌握的知识和技能做总体性的介绍。
整个课程分认知电子商务、电子商务网络技术基础、电子支付、网络营销、电子商务与物流、电子商务的法律问题、电子商务应用系统建设、移动电子商务八个模块,在教学过程中主要以自主创业为主线,围绕自主创业介绍电子商务相关基础知识,并从以下几个方面组织教学。
(1)感性认知:通过在校内实训室进行认识实践使学生对电子商务有一个感性认识。
(2)理论与实践交叉教学:通过完整的理论与实践交叉教学过程,“教中学、学中做、做中悟、悟中行”为学生讲授电子商务基本知识和操作技能。
(3)采用“教、学、做”一体模式组织教学。
本课程在教学的组织过程中,根据电子商务的工作过程和应具备的基本知识、技能设计组织教学,实践教学环节主要采用“教、学、做”一体化的教学模式,让学生在做中学,教师在做中教,学生先知其然,然后知其所以然。