最新常用玻璃量器检定规程资料
- 格式:docx
- 大小:5.53 MB
- 文档页数:23
玻璃量器检定规程本规程适用于新制造和使用中的滴定管、分度吸管、单标线吸管、单标线容量瓶的检定。
本规程引用GB/T6682-92分析实验室用水规格和试验方法。
TTG196-90常用玻璃量器检定规程。
这些标准规程通过在本标准引用而构成本标准的条文,所有标准规程都会被修订,使用本标准的各方应探讨上列标准,规程量新版本的可能性。
一、技术要示1.外观1.1量具外观不允许有影响计量读数及使用强度等缺陷。
1.2分度线与量的数值应清晰、完整、耐久。
1.3分度线应平直,分格均匀,相邻两分度线的中心距离大于1mm。
1.4单标线量器必须刻(或印)围线。
1.5量具应有下列标记。
1.5.1厂名或商标。
1.5.2标准温度(20℃)。
1.5.3用法标识:量入试用“1n”,量出试用“Ex”,吸出试用“吹”或“Biow out”。
1.5.4等待时间+××S。
1.5.5标称总容量与单位。
1.5.6准确度等级:A或B。
二、结构1.滴定管和吸管的流液咀应是逐渐地向管口缩小,流液口必须磨平倒角或熔光,口部不应突然缩小,内孔不应偏斜。
2. 密合性2.1滴定管玻璃活塞的密合性要求:当水注至最高标线时,活塞在任意关闭情况下(不涂油脂)停留20min后,漏水量不超过一小格。
2.2容量瓶的口与塞之间的密合性要求:当水注入至最高标线,塞子盖紧后颠10次,不应有水渗出。
3.容量允差:在标准温度20℃时,滴定管分度吸管的标称总容量和零至任意分量,以及任意两检定点之间的最大误差,均应符合表3和表6的测定,量瓶和单标吸管的标称总容量允差应符合表4和表6的规定。
三、检定条件1.检定的工作室温度不宜超过(20±2)℃,室内温度变化不能大于1℃/h,水温与室温之差不应超过1℃。
2.介质水应符合GB/T6682-92分析实验室用水规格和试验方法。
3. 检定设备:3.1三等砝码3.2分度值0.2S的秒表。
3.31×10倍放大镜。
常用玻璃器皿检定规程1 引用标准1.1 本标准等同采用JJG 196-90《常用玻璃器皿检定规程》。
1.2 本标准适用于新制造和使用中的滴定管、分度吸管、单标线吸管、单标线容量瓶、量筒、量杯等实验室常用玻璃量器(以下简称量器)的检定。
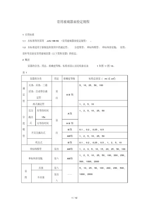
2 概述量器的分类、用法、准确度等级、标称容量以及结构参见表1和图1~图10。
表1量器的分类用法准确度等级标称总容量(ml或cm3)滴定管无塞、具塞、三通活塞、自动零位滴定管量出A B级5,10,25,50,100 座式滴定管1,2,5,10分度吸管完全流出式有等待时间15s量出A级1,2,5,10,25,50无等待时间 A B级不完全流出式B级0.1,0.2,0.25,0.5AB级1,2,5,10,25,50吹出式B级0.1,0.2,0.25,0.5,1,2,5,10单标线吸管量出AB级1,2,3,5,10,15,20,25,50,100 单标线容量瓶量入AB级1,2,5,10,25,50,100,200,250,500,1000,2000量筒具塞量入——5,10,25,50,100,200,250,500,1000,2000不具塞量出入量杯量出——5,10,25,50,100, 250,500,1000,2000注:(1)分度吸管又称分度吸量管;单标线吸管又称单标线吸量管;单标线容量瓶简称量瓶。
(2)表中未列的特种量器和标称总容量可根据使用要求,相应比照本规程的要求,并必须得到当地计量部门的批准和检定。
3 技术要求3.1 材质与理化性能3.1.1 制造量器的玻璃应清澈、透明;耐水等级应小于三级。
3.1.2 滴定管、分度吸管和量筒允许有蓝线、乳白衬背的双色玻璃管制成。
3.1.3 量器必须经过良好的退火处理,其内应力不得超过表2的规定。
表2名称残余内应力量器(滴定管除外)单位厚度光程差应≤100nm/cm2滴定管的活塞芯和量瓶、量筒的瓶塞单位厚度光程差应≤120nm/cm23.2 外观3.2.1 量器不允许有影响计量读数及使用强度等缺陷,包括密集的气线(气泡)、破气线(气泡)、擦伤、铁屑和明显的直梭线等(具体要求按国家现行标准)3.2.2 分度线与量的数值3.2.2.1 分度线和量的数值应清晰、完整、耐久。
中华人民共和国国家计量检定规程JJG 196-200×常用玻璃量器Working Glass Container(征求意见稿)200X-XX-XX发布200X-XX-XX实施国家质量技术监督检验检疫总局发布常用玻璃量器检定规程Verification Regulation of Working Glass ContainerJJG 196-200代替 JJG 196-1990本检定规程经国家质量监督检验检疫总局于年月日批准,并自年月日起施行。
归口单位:全国流量容量计量技术委员会起草单位:河南省计量科学研究院参加单位:中国计量科学研究院上海市计量测试技术研究院濮阳市龙兴石油仪器厂本规程委托全国流量容量计量技术委员会负责解释JJG 196—200×本规程主要起草人:杜书利(河南省计量科学研究院)张志清(河南省计量科学研究院)参加起草人:张珑(中国计量科学研究院)张缨(上海市计量测试技术研究院)王庆彬(濮阳市龙兴石油仪器厂)JJG 196—200×目录1 范围 (1)2 引用文献 (1)3 术语和计量单位 (1)4 概述 (2)5 通用技术要求 (4)5.1 材质与理化性能 (4)5.2 外观 (4)5.3 结构 (6)5.4 密合性 (6)6 计量性能要求 (7)6.1 水的流出时间和等待时间 (7)6.2 容量允差 (7)7 计量器具控制 (12)7.1 检定条件 (12)7.2 检定项目 (12)7.3 检定方法 (13)7.4 检定结果的处理 (19)7.5 检定周期 (19)附录A:衡量法用表(不同容量的纯水与砝码平衡质量值和差值) (20)附录B:纯水密度表 (58)附录C:常用玻璃量器检定记录 (59)常用玻璃量器检定规程1 范围本规程适用于新制造和使用中的滴定管、分度吸管、单标线吸管、单标线容量瓶、量筒、量杯等实验室常用玻璃量器(以下统称量器)的首次检定、后续检定和使用中的检验。
常用玻璃量器校验规程1、检定范围本规程适用于滴定管、移液管,比重瓶、容量瓶、量筒、量杯等玻璃量器的校验。
2、检定依据JJG196-2006《常用玻璃量器检定规程》JJF 1071国家计量校准规范编写规则JJF 1001 通用计量术语及定义GBT/T 8170 数值修约规则与极限数值的表示和判定3、检定条件及检定用仪器设备3.1 检定条件3.1.1 进行检定的工作室,温度应为20℃±5℃,室内温度变化不能大于1℃/h,水温与室温之差不应超过20℃。
3.1.2 检定所用介质为纯水(蒸馏水)。
3.2检定设备3.2.1 天平:其称量误差应小于被检量器允差的1/10。
3.2.2 温度计:范围0~100℃,分度值为0.1℃。
3.2.3 有盖称量瓶。
4、检定程序4.1滴定管的检定(衡量法)4.1.1清洗量器可用重铬酸钾饱和溶液和等量的浓硫酸混合剂或清洁剂进行清洗,然后用水冲净。
管壁不应有挂水等沾污现象,使液面下降或上升时与管壁接触处形成正常弯液面。
洗净的量器应提前放入工作室,使其与室温尽可能接近。
4.1.2检定a.取一容量大于被检滴管的洁净有盖称量瓶,进行空称量平衡。
b.将被检滴管垂直而稳固地夹在检定架上,充水至最高标线以上约几毫米处,慢慢将液面调至零点。
完全开启活塞,纯水应无阻塞地放入称量瓶。
当液面至被检分度线上约5mm ,等待30s ,然后在10s 内将液面正确地调至被检分度线。
c.称量得到纯水质量(m0)。
d.在调整被检滴管液面时,应观察水温读数,应准确到0.1℃,量瓶可在称完后将温度计直接插入瓶内测温。
然后在衡量法用表中查得质量值(m)。
e.量器在标准温度20℃时的实际容量按下式计算: 式中:W V V ρ-+=mm 0020V 20─滴管在20℃时的实际容量,mL V 0─滴管的标称容量,mL m 0─称得的纯水质量,gm ─衡量法用表中查得的质量值,gρw ─t ℃时纯水密度值,近似为1g/cm 3凡使用需要实际值的检定,其检定次数至少二次,二次检定数据的差值应不超过被检容量允差的1/4(见表1),取其二次平均值。
常用玻璃器皿检定规程1 引用标准1.1 本标准等同采用JJG 196-90《常用玻璃器皿检定规程》。
1.2 本标准适用于新制造和使用中的滴定管、分度吸管、单标线吸管、单标线容量瓶、量筒、量杯等实验室常用玻璃量器(以下简称量器)的检定。
2 概述量器的分类、用法、准确度等级、标称容量以及结构参见表1和图1~图10。
表1注:(1)分度吸管又称分度吸量管;单标线吸管又称单标线吸量管;单标线容量瓶简称量瓶。
(2)表中未列的特种量器和标称总容量可根据使用要求,相应比照本规程的要求,并必须得到当地计量部门的批准和检定。
3 技术要求3.1 材质与理化性能3.1.1 制造量器的玻璃应清澈、透明;耐水等级应小于三级。
3.1.2 滴定管、分度吸管和量筒允许有蓝线、乳白衬背的双色玻璃管制成。
3.1.3 量器必须经过良好的退火处理,其内应力不得超过表2的规定。
表23.2 外观3.2.1 量器不允许有影响计量读数及使用强度等缺陷,包括密集的气线(气泡)、破气线(气泡)、擦伤、铁屑和明显的直梭线等(具体要求按国家现行标准)3.2.2 分度线与量的数值3.2.2.1 分度线和量的数值应清晰、完整、耐久。
3.2.2.2 分度线应平直、分各均匀,必须与器轴相垂直;相邻两分度线的中心距离应大于1mm。
3.2.2.3 分度线的宽度和分度值见表3表8。
表3 滴定管表4 单标线吸管表5 分度吸管表6 单标线容量瓶表7 量筒表8 量杯3.2.2.4 分度线的长度1)短线为圆周长的10%~20%;2)中线不短于短线的1.5倍;3)长线不短于短线的2倍。
3.2.2.5 单标线量器必须刻(或印)围线;印线允许有不超过圆周长10%的间隙。
3.2.2.6 分度吸管的管尖缩小部分和量筒、量杯自底部起至总容量的1/10处可不刻(或印)分度线。
3.2.2.7 分度线的断口1)分度线的断口最大为1mm,但不允许影响读数。
2)滴定管和分度吸管在同一条线上只允许1处断口,在分度表上不得多于总线条的2%;10ml以下的分度吸管,其分度表上的断口最多只允许2处。
玻璃量器计量检定操作规程玻璃量器是一种用于测量液体体积的常见工具,广泛应用于实验室、医院、工厂等场所。
为了保证玻璃量器的准确性和可靠性,进行定期的计量检定是必要的。
下面是玻璃量器计量检定操作规程的详细说明。
一、设备准备1.检定仪器:玻璃量器、测量仪器(如密度计、电子天平等)、温度计、光源等。
2.校准物资:标准液体、标准温度计、标准电阻、标准光源等。
二、检定环境要求1.检定室应保持清洁、整齐,温度和湿度应符合标准要求。
2.检定仪器和校准物资应放置在干燥、常温环境中,以免影响检定结果。
三、检定前的准备工作1.清洁玻璃量器:使用清水和清洁剂,轻轻擦拭玻璃量器的内外表面,并用纯净水洗净。
3.检查玻璃量器:检查玻璃量器是否完好无损、刻度是否清晰可辨认。
四、检定操作步骤1.玻璃量器的外观检查:仔细检查玻璃量器的外观,确认没有破损或变形。
2.测量容量:使用标准液体,根据玻璃量器的刻度进行测量。
分别使用不同液位进行测量,记录并计算偏差。
3.测量温度:使用标准温度计测量玻璃量器内液体的温度。
记录并计算偏差。
4.测量密度:使用密度计测量标准液体的密度,并计算出玻璃量器内液体的密度。
5.其他测量:根据需要,可以使用其他测量方法对玻璃量器进行进一步的计量检定。
6.计算结果:根据测量结果进行计算,并与国家或行业标准进行比较。
如果偏差超出规定范围,则需要进行调整或更换。
五、检定记录和报告1.记录测量结果:将每次检定的测量结果记录在检定记录表中,包括测量日期、测量值、标准值、偏差等。
2.编写检定报告:根据检定记录和测量结果,编写检定报告,包括测量结果总结、偏差分析和建议等。
3.存档和备份:对检定记录和检定报告进行存档和备份,以备日后查阅和追溯。
六、定期验证和跟踪1.定期验证:按照规定的时间间隔,对玻璃量器进行定期的计量检定,确保其准确性和可靠性。
2.跟踪记录:对每次检定的结果进行跟踪记录,以便分析和判断玻璃量器的使用寿命和性能变化。
常用玻璃量器计量检定操作规程1 目的本规程规定了实验室常用玻璃量器的计量检定操作规程。
2 范围本规程适用于新制造和使用中的滴定管、分度吸量管、单标线吸量管、单标线容量瓶、量筒和量杯等实验室常用容量仪器的首次检定、后续检定和使用中的检验。
3 术语和定义玻璃量器材质:通常采用钠钙玻璃或硼硅玻璃,用硼硅玻璃制成的玻璃量器应表“B”字样。
标记:标准温度20℃,量入式用“In”,量出式用“Ex”,吹出式用“吹”或“Blow out”,等待时间“+xxs”,标称容量与单位“xxmL”,准确度等级“A或B”(未标注按B级处理)。
4 引用文件中华人民共和国国家计量检定规程常用玻璃量器 JJG 196-20065 职责5.1 质量保证部工程师负责本规程的制定与维护。
6 程序6.1 原理:玻璃量器的校正就是通过称量量入或量出玻璃量器的水的重量,和一定温度下对应的水的密度,从而计算出玻璃量器的准确容积。
不同温度中水的密度见表1。
计算公式为:V20=m/ρw[1+β(20-t)]式中:V20—标准温度20℃时的被检玻璃量器的实际容量,ml;m—被检玻璃量器内所能容纳水的质量,g;ρw—纯化水t℃时的密度,g/ml;β—被检玻璃量器的体胀系数,℃-1(钠钙玻璃的体胀系数为25×10-6℃-1,硼硅玻璃的体胀系数为10×10-6℃-1);t —检定时纯化水的温度,℃。
表1 不同温度中水的密度表(单位g/L)6.2 检定条件6.2.1 环境条件:室温(20±5)℃,且室温变化不得大于1℃/h;水温与室温只差不得大于2℃;校正介质为纯化水。
6.2.2 检定设备分析天平(分度值:0.1mg、0.01g),温度计(分度值:0.1℃),秒表(分辨力0.1秒)。
6.3 计量性能要求6.3.1 滴定管、分度吸量管、单标线吸量管、单标线容量瓶、量筒和量杯计量要求见表2-7。
表2 滴定管计量要求一览表表5 单标线容量瓶计量要求一览表6.3.2 容量允差在标准温度20℃时,滴定管、分度吸量管的标称容量和零至任意分量以及任意两检定点之间的最大误差,均应符合表2和表4的规定。
JJG 196-2006 常用玻璃量器JJG 196-2006 是我国制定的玻璃量器校准规范,该规范适用于常用的吸管式玻璃容器、均质瓶、移液管、分液漏斗、容量瓶和比重瓶等常用的玻璃量器,为保证玻璃量器的准确性和精度,该规范对于玻璃量器的精度、校准、检验、使用和维护等方面做了详细的规定。
标准要求: JJG 196-2006 对于常用玻璃量器的校准和检验要求严格,每个玻璃量器的容积、允差、误差限等都需要进行定期检验和校准。
具体的要求如下:1.玻璃量器的容积应符合国家标准规定,一般分别为1ml、2ml、5ml、10ml、20ml、25ml、50ml、100ml、250ml、500ml、1000ml等,其中1ml 至10ml的玻璃量器的容积应控制在0.03ml以内。
2.玻璃量器的允差应符合国家标准规定,即允许误差不超过±(0.05+0.0005V)ml(V为容积值),其中10ml及以下的玻璃量器允差本身不超过0.03ml。
3.玻璃量器的使用前应进行预热,以消除由于温度变化而引起的误差。
4.玻璃量器应定期进行校准和检验,保证其准确度和精度,一般建议为每年至少进行一次检验和校准。
5.玻璃量器在使用过程中,应严格按照使用规范进行使用,并注意保护玻璃量器的外观,避免碰撞和摔落。
常见问题及解决方法:1.玻璃量器容积不准确:应进行校准和检验来确定真实的容积,并对玻璃量器进行相应的调整。
2.玻璃量器出现破损、龟裂等现象:应立即停止使用,并更换新的玻璃量器,避免继续使用造成相关影响。
3.玻璃量器表面沾有不溶于水的样品或脏污:应用适当的清洗剂进行清洗,避免对测量结果产生影响。
4.玻璃量器的使用时间较长或存放时间久导致校准不准确:应进行更换或重新校准,以确保其精度和准确度。
总结:可以看出,JJG 196-2006 对于常用玻璃量器的校准和检验要求十分严格和细致,为使用者提供了明确和详尽的使用指导,使得测量结果更加准确和可靠,也保障了实验研究的科学性和精度。
常用玻璃量器检定规程
常用玻璃量器检定规程可以根据不同国家或地区的标准和规范而有所不同。
以下是一个通用的玻璃量器检定规程的概述:
1. 检查外观:首先,对玻璃量器进行外观检查,确保没有明显的损坏、裂纹或污垢。
2. 清洁处理:如果玻璃量器有污垢或残留物,应进行清洁处理。
通常使用适当的溶剂或清洁剂进行清洗,并确保彻底冲洗干净。
3. 标定:使用已知准确度的标准量器对待检定的玻璃量器进行标定。
标定时需要测量一系列已知体积的溶液或物质,并与玻璃量器的读数进行比较。
根据比较结果,可以确定玻璃量器的准确度和偏差。
4. 容量检查:使用标准溶液或物质,将其倒入玻璃量器中,并记录读数。
根据已知溶液的准确体积和玻璃量器的读数,计算出实际容量与标称容量之间的差异。
5. 温度修正:如果检定规程要求,在进行容量检查时,还需要考虑温度修正。
通常使用温度修正表或公式,根据玻璃量器的温度和标定温度,对读数进行修正。
6. 记录结果:将检定结果记录在检定证书或检定报告中。
记录包括玻璃量器的标识信息、检定日期、检定人员、标定值、实测值、修正值(如果适用)以及检定结论等。
7. 定期检定:为了确保玻璃量器的准确性和可靠性,需要按照规定的周期对其进行定期检定。
定期检定的频率可以根据具体需求和使用环境确定。
请注意,以上是一个常见的玻璃量器检定规程的概述,具体的检定要求和程序可能会因国家、行业或具体应用而有所不同。
建议根据实际情况参考相关的国家标准或行业规范进行具体操作。
专用玻璃量器检定规程一、目的为了确保专用玻璃量器的检定结果准确可靠,提高测量精度,保证使用效果,制定专用玻璃量器检定规程。
二、适用范围本规程适用于各类专用玻璃量器的检定工作,包括但不限于量筒、烧杯、试管等特种实验玻璃制品的检定。
三、检定器具及设备1. 检定台:检定台应具备水平度高、稳定性好的特点,检定平台面应平整,无明显划痕或凹凸。
2. 量具:应具有较高的测量精度和稳定性,且在使用过程中不易受到外部因素的影响。
3. 温度计:用于测量环境温度,应具备较高的测量精度和反应速度。
4. 测量液体:用于检定玻璃量器时的校准液体,应具备稳定的性质和合适的浓度。
四、检定步骤1. 清洁检定器具:将待检定的专用玻璃量器进行清洗,并用去离子水冲洗干净,确保器具表面无杂质和水渍残留。
2. 测量环境温度:使用温度计测量检定环境的温度,并记录下来作为检定结果的参考数据。
3. 实施检定操作:将经过清洁处理的专用玻璃量器置于检定台上,准确地测量所需的液体,并记录所测结果。
4. 校准结果计算:根据测量结果和测量液体的浓度,计算出专用玻璃量器的校准结果,并确定其误差范围。
五、检定标准1. 量具准确度:专用玻璃量器的准确度应符合国家相关标准规定,误差范围应在允许范围内。
2. 检定结果记录:检定结果应详细记录,包括被检定器具的型号、规格、校准数据、校准人员等信息。
3. 归档保存:检定完成后,将检定结果的记录资料进行归档保存,便于今后的查询和追溯。
六、检定频率1. 定期检定:专用玻璃量器应定期进行检定,以确保其测量精度的稳定性。
2. 年度检定:每年对专用玻璃量器进行一次全面的检定,检测器具的准确度和稳定性。
3. 使用前检定:在使用专用玻璃量器之前,要进行检定操作,确保器具的准确性。
七、检定结果处理1. 合格证书:对通过检定的专用玻璃量器发放合格证书,证明器具符合相关标准并可正常使用。
2. 不合格处理:对未通过检定的专用玻璃量器,应及时进行维修或更换,确保仪器的正常使用。
常用玻璃量器计量检定操作规程1 目的本规程规定了实验室常用玻璃量器的计量检定操作规程。
2 范围本规程适用于新制造和使用中的滴定管、分度吸量管、单标线吸量管、单标线容量瓶、量筒和量杯等实验室常用容量仪器的首次检定、后续检定和使用中的检验。
3 术语和定义玻璃量器材质:通常采用钠钙玻璃或硼硅玻璃,用硼硅玻璃制成的玻璃量器应表“B”字样。
标记:标准温度20℃,量入式用“In”,量出式用“Ex”,吹出式用“吹”或“Blow out”,等待时间“+xxs”,标称容量与单位“xxmL”,准确度等级“A或B”(未标注按B级处理)。
4 引用文件中华人民共和国国家计量检定规程常用玻璃量器 JJG 196-20065 职责5.1 质量保证部工程师负责本规程的制定与维护。
6 程序6.1 原理:玻璃量器的校正就是通过称量量入或量出玻璃量器的水的重量,和一定温度下对应的水的密度,从而计算出玻璃量器的准确容积。
不同温度中水的密度见表1。
计算公式为:V20=m/ρw[1+β(20-t)]式中:V20—标准温度20℃时的被检玻璃量器的实际容量,ml;m—被检玻璃量器内所能容纳水的质量,g;ρw—纯化水t℃时的密度,g/ml;β—被检玻璃量器的体胀系数,℃-1(钠钙玻璃的体胀系数为25×10-6℃-1,硼硅玻璃的体胀系数为10×10-6℃-1);t —检定时纯化水的温度,℃。
表1 不同温度中水的密度表(单位g/L)6.2 检定条件6.2.1 环境条件:室温(20±5)℃,且室温变化不得大于1℃/h;水温与室温只差不得大于2℃;校正介质为纯化水。
6.2.2 检定设备分析天平(分度值:0.1mg、0.01g),温度计(分度值:0.1℃),秒表(分辨力0.1秒)。
6.3 计量性能要求6.3.1 滴定管、分度吸量管、单标线吸量管、单标线容量瓶、量筒和量杯计量要求见表2-7。
表2 滴定管计量要求一览表表5 单标线容量瓶计量要求一览表6.3.2 容量允差在标准温度20℃时,滴定管、分度吸量管的标称容量和零至任意分量以及任意两检定点之间的最大误差,均应符合表2和表4的规定。
常用玻璃量器检定操作规程(衡量法)常用玻璃量器检定操作规程(衡量法) 1.依据依据中华人民共和国国家计量检定规程JJG196-2006《常用玻璃量器》。
2. 技术要求及检定条件 2.1 检定条件 2.1.1 环境条件2.1.1.1室温(20±5)℃,且室温变化不得大于1℃/h。
2.1.1.2水温与室温之差不得大于2℃。
2.1.1.3检定介质为纯水(蒸馏水或去离子水),应符合GB6682-1992要求。
2.1.2 检定设备仪器设备名称电子天平精密温度计秒表附件测量范围(0~210)g (0~50)℃技术要求分度值:0.01mg 分度值:0.1℃分辨力:0.1s 有盖的称量杯等2.2 检定项目序号1 2 3 4 检定项目外观密合性流出时间容量示值首次检定+ + + + 后续检定+ + + + 使用中检验+ + + +注:“+”表示应检项目 2.3 技术要求 2.3.1 外观玻璃应清澈透明,量器不允许有影响计量读数及使用强度等缺陷;分度线应清晰、完整、平直。
第1页共5页2.3.2 密合性滴定管玻璃活塞的密合性要求:当水注到最高标线时活塞在关闭情况下(不涂油脂)停留20分钟后,渗漏量应不大于最小分度值。
具塞量筒及量瓶的密合性要求:当水注到最高标线时塞子盖紧后颠倒10次,每次颠倒时,在倒置状态下至少停留10s,不应有水渗出。
2.3.3 流出时间滴定管、分度吸量管和单标线吸量管的流出时间应符合计量要求一览表的规定。
2.3.4 容量示值滴定管、分度吸量管、A级单标线吸量管和A级容量瓶采用衡量法检定,也可采用容量比较法检定,但以衡量法为仲裁检定方法。
3. 检定方法 3.1 检定前准备3.1.1 检定前须对量器进行清洗,清洗的方法为:用重铬酸钾的饱和溶液和浓硫酸的混合液(调配比例为1:1)或20%发烟硫酸进行清洗。
然后用水冲洗,器壁上不应有挂水等玷污现象,使液面与器壁接触处形成正常弯月面。
3.1.2 清洗干净的被检量器须在检定前4小时放入实验室内。
目的:规范玻璃量器的检定操作,保证实验用量器的准确性,从而确保分析结果的准确性。
适用范围:适用于滴定管、分度吸量管、单标线吸量管、单标线容量瓶的首次检定和后续检定。
责任人:质量控制实验室人员对本规程的执行负责。
内容:1 容量玻璃量器1.1 容量玻璃量器是指在容量分析中需要准确容积的玻璃量器。
各种容量量器的容积并不完全与它所标出的大小相符合,因此在使用前应当先检验容量器具的确实容积。
1.2 常用的容量玻璃量器包括:滴定管、分度吸量管、单标线吸量管、单标线容量瓶。
1.3 校正周期:首次使用前校正,过有效期的重新校正。
1.4 校正有效期:两年,其中无塞滴定管为1年。
1.5 对校正不合格的玻璃量器不得使用。
1.6 校正合格后的容量玻璃量器应贴有合格标签,注名编号、校正日期、有效期至、等级。
2 检定条件2.1 环境条件2.1.1 室温(20±5)℃,且室温变化不得大于1℃/h。
2.1.2 水温与室温之差不得大于2℃。
2.1.3 检定介质为纯水(蒸馏水或去离子水),应符合GB6682-1992要求。
2.2 检定设备2.2.1 电子天平2.2.2 温度计(温度范围0~50℃、分度值为0.1℃)2.2.3 秒表(分度值为0.1秒)2.2.4 称量杯、检定架、具塞锥形瓶3 检定内容3.1 外观3.1.1 玻璃量器不允许有影响计量读数及使用强度等缺陷。
3.1.2 分度线与量的数值应清晰、完整、耐久。
3.1.3 分度线的宽度和分度值见表1~表4。
3.1.4 玻璃量器应具有下列标记3.1.4.1 厂名或商标;3.1.4.2 标准温度(20℃);3.1.4.3 型式标记:量入式用“In”, 吹出式用“吹”或“Blow out”;3.1.4.4 等待时间:+××s;3.1.4.5 标称总容量与单位:××ml;3.1.4.6 准确度等级:A或B。
有准确度等级而未标注的玻璃量器,按B级处理;3.1.4.7 非标准的口与塞,活塞芯和外套,必须用相同的配合号码。
JJG 196—200×常用玻璃量器检定规程1 范围本规程适用于新制造和使用中的滴定管、分度吸管、单标线吸管、单标线容量瓶、量筒、量杯等实验室常用玻璃量器(以下统称量器)的首次检定、后续检定和使用中的检验。
2 引用文献JJG 20―2001 标准玻璃量器GB 12803~12808―1991 实验室玻璃仪器玻璃量器GB/T 12810―1991 实验室玻璃仪器玻璃量器的容量校准和使用方法GB/T 15726―1995 玻璃仪器内应力检验方法GB 6682―1992 实验室用水规格和试验方法QB 2107―1995 实验室玻璃仪器吸量管颜色标记使用本规程时应注意使用上述引用文献的现行有效版本。
3 术语和计量单位3.1 量出式用于测量自量器内排出的液体的体积,量出式符号用“Ex”表示。
3.2 量入式用于测量注入量器(内壁干燥)内液体的体积。
量入式符号用“In”表示。
3.3 容量单位量器的容量单位为立方厘米(cm3)或毫升(ml)。
毫升(ml)为立方厘米(cm3)的专用名称。
3.4 标准温度量器的标准温度为20℃。
3.5 标称容量:量器上所标出的标线和数字,称为量器在标准温度20℃时的标称容量。
3.6 流出时间量出式量器内液体充至全量标线,通过流液嘴使量器内液体全部自然流出所需用的时间。
3.7 等待时间JJG 196—200×量出式量器,当液体流至所要读数的标线以上约5mm处时,需要等待的一定时间。
4 概述4.1 量器的分类、用法、准确度等级及标称容量常用玻璃量器包括滴定管、分度吸管、单标线吸管、单标线容量瓶、量筒和量杯。
量器按其用途不同分为量入式和量出式两种。
量器按其准确度不同分为A级和B级,其中量筒和量杯不分级。
量器的分类、用法、准确度等级及标称容量见表1。
JJG 196—200×4.2 量器的结构量器的结构参见图1~图10。
JJG 196—200×5 通用技术要求5.1 材质与理化性能5.1.1 制造量器的玻璃应清澈、透明;耐水等级应小于等于三级。
JJG 196 — 200 X常用玻璃量器检定规程量出式量器内液体充至全量标线,通过流液嘴使量器内液体全部自然流出所需用的 时间。
3.7等待时间1范围 本规程适用于新制造和使用中的滴定管、分度吸管、单标线吸管、单标线容量瓶、 量筒、量杯等实验室常用玻璃量器(以下统称量器)的首次检定、后续检定和使用中的 检验。
2引用文献JJG 20-2001 标准玻璃量器GB 12803〜12808—1991 实验室玻璃仪器 玻璃量器 GB/T 12810—1991实验室玻璃仪器玻璃量器的容量校准和使用方法GB/T 15726—1995 玻璃仪器内应力检验方法 GB 6682—1992实验室用水规格和试验方法 QB 2107—1995实验室玻璃仪器吸量管颜色标记使用本规程时应注意使用上述引用文献的现行有效版本。
3术语和计量单位 3.1 3.2 量出式 用于测量自量器内排出的液体的体积,量出式符号用“ Ex ”表示。
量入式 用于测量注入量器(内壁干燥)内液体的体积。
量入式符号用“ In ”表示。
容量单位 量器的容量单位为立方厘米(cm 3)或毫升(ml )。
毫升(ml )为立方厘米(cm 3)的 专用名称。
3.3 3.4 3.5 3.6标准温度 量器的标准温度为20C 。
标称容量:量器上所标出的标线和数字,称为量器在标准温度 20C 时的标称容量。
流出时间JJG 196 — 200 X量出式量器,当液体流至所要读数的标线以上约5mm处时,需要等待的一定时间。
4概述 4.1量器的分类、用法、准确度等级及标称容量常用玻璃量器包括滴定管、分度吸管、单标线吸管、单标线容量瓶、量筒和量杯。
量器按其用途不同分为量入式和量出式两种。
量器按其准确度不同分为A级和B级,其中量筒和量杯不分级。
量器的分类、用法、准确度等级及标称容量见表1。
* 1JJG 196 — 200 X4.2量器的结构量器的结构参见图1〜图10。
滴定管33a-\1图3单标线吸管圈5量筒图6量杯JJG 196 — 200 X0 It iiffl7 «边活塞自动罡零位滴定管图8侧边三通活塞自动定零位滴定管 图9三通活塞自动定零位滴定管 图】0座成滴定管5通用技术要求 5.1材质与理化性能 5.1.1 制造量器的玻璃应清澈、透明;耐水等级应小于等于三级。
常用玻璃量器检定规程jjg196-2016中华人民共和国质量技术监督局2016-11-30发布出台的《玻璃量器校正、检定等规范技术操作规程》(JJG196-2016)共24条,总结以下:第一条定义1、玻璃量器:指用玻璃容器装有精密机械框架及相应的标尺和注量装置的一种测量仪器,可以各种液体及气体测定体积值。
2、玻璃量器校准:指在特定条件下,将精度较高的标准玻璃量器和待校准玻璃量器比较,误差大于规定值时,通过调整标样玻璃量器,使两者误差满足要求的过程。
第二条原则1、校准、检定,应符合《精度检测技术要求》第三部分《精度检测实施规则》和相关法规的要求。
2、玻璃量器的检定工作,应遵循以下原则:① 检定的操作(包括自检、他检和校标)应有良好的连续性,不影响检定结果的准确性。
②检定过程中,如存在量器本身或仪器准备等偏差,应及时校正或更换仪器。
③在测量液体和气体体积时,除改变气压外,其余条件保持稳定。
④ 检定结果,应满足有关计量法规范要求,同时达到技术指标指标要求。
第三条用品1、玻璃量器。
2、装有精密标准体积表达装置的标准玻璃量器。
3、装有精密机械框架及相应标尺和注量装置的校标玻璃量器。
4、用以测量体积的有关仪器(如:压力表、温度计等)5、用于盛装液体和气体的精密容器。
第四条玻璃量器校正、检定1、采用玻璃量器与标准玻璃量器进行比较校正;或采用玻璃量器与校标玻璃量器进行比较检定;2、校正时需根据玻璃量器的量程设置一定的测量体积,两个玻璃量器的读数误差必须在规定的容许值范围内;3、检定时需分别测量三个量程,玻璃量器的误差必须在规定的容许值范围内;4、完成校正或检定之后,可对玻璃量器进行不合格品的处理或将调节的结果进行登录。
第五条符号解释CN:玻璃量器内注入液体(或气体)的次数;Vi:玻璃量器上所读取的体积值(单位mL);Vh:标准玻璃量器上所读取的体积值(单位mL);e:误差=Vi-Vh;e^:相对误差=e/Vh;Δm:加液量;m1:1次加液量;m2:2次加液量;sws:误差限值,单位mL;Swr:相对误差限值,单位%。
常用玻璃量器检定规程JJG196—2006目录1范围 (3)2引用文献 (3)3术语和计量单位 (3)4概述 (4)4 .1玻璃量器的分类、型式、准确度等级及标称容量 (4)4.2 玻璃量器的结构 (4)5通用技术要求 (6)5.1材质 (6)5 .2 外观 (6)5.3 结构 (7)5.4 密合性 (7)6 计量性能要求 (8)6.1 流出时间和等待时间 (8)6.2 容量允差 (8)7计量器具控制 (11)7.1检定条件 (11)7.2 检定项目 (11)7.3 检定方法 (11)7.4检定结果的处理 (14)7.5检定周 (14)附录A (15)附录B (18)附录C (20)附录D (21)附录E (22)常用玻璃量器检定规程1范围本规程适用于新制造和使用中的滴定管、分度吸虽量管、单标线吸量管、单标线容量瓶、量筒、量杯等常用玻璃量器(以下统称玻璃量器)的首次检定、后续检定和使用中的检验。
2引用文献JJG 20—2001标准玻璃量器GB/T 15726-1995玻璃仪器内应力检验方法GB 6682—I992分析实验室用水规格和试验方法使用本规程时应注意使用上述引用文献的现行有效版本。
3术语和计量单位3.1流出式分度吸量管outflow graduated pipette对于分度吸量管,当液体自然流至流液口端不流时,口端应保留残留液。
3.2吹出式分度吸量管blowing graduated pipette对于分度吸量管,当液体自然流至流液口端不流时,即将流液口残留液排出。
3.3具塞滴定管burette with stopcock用直通活塞连接量管和流液口的滴定管。
3.4无塞滴定管burette without stopcock用内孔带有玻璃小球的胶管连接量管和流液口的滴定管。
3.5三通活塞自动定零位滴定管automatic burette with three-way stopcocks用三通活塞连接量管和流液口、带有自动定位装置的滴定管。
3.6侧边活塞自动定零位滴定管automatic burette with side stopcock直通活塞在侧边,带有自动定零位装置的滴定管。
3.7侧边三通活塞自动定零位滴定管automatic burette wit h side three-way stopcock三通活塞在侧边,带有自动定零位装置的滴定管。
3.8座式滴定管burette with seat带有辅助注液管,并有底座支撑的滴定管。
3.9夹式滴定管burette with holder带有辅助注液管,安装在支架上的滴定管。
3.10残留液remaining liquid对于吸量管,当液体自然流至流液口端不流时,流液口内残流的液体。
3.11容量单位capacity unit玻璃量器的容量单位为立方厘米(cm³)或毫升(mL),毫升(mL)为立方厘米(cm³)的专用名称。
4概述4 .1玻璃量器的分类、型式、准确度等级及标称容量常用玻璃量器包括滴定管、分度吸量管、单标线吸量管、单标线容量瓶、量筒和量杯。
玻璃量器按其型式分为量入式和量出式两种。
玻璃童器按其准确度不同分为A级和B级,其中量筒和量杯不分级。
玻璃量器的分类、型式、准确度等级及标称容量见表14.2 玻璃量器的结构玻璃量器的结构参见图1—图125通用技术要求5.1材质5.1.1玻璃量器通常采用钠钙玻璃或硼硅玻璃制成。
5.1.2滴定管、分度吸量管和量筒允许由蓝线、乳白衬背的双色玻璃管制成。
5 .1 .3玻璃器必须经过良好的退火处理,其内应力不得超过表2的规定。
表2 内应力5 .2 外观5 .2.1 玻璃量器不允许有影响计量读数及使用强度等缺陷,具体要求应符合现行国家标准。
5 .2.2 分度线与量的数值应清晰、完整、耐久,具体要求应符合现行国家标准。
5 .2.3 分度线的宽度和分度值见表3—表85 .2.4 玻璃量器应具备有下列标记(见图13)5 .2.4.1 厂名或商标;5 .2 .4.2 标准温度(20℃)5 .2 .4.3型式标记:量入式用“In”,量出式用“Ex”,吹出式用“吹”或“Blow out”;5 .2 .4.4等待时间:+××s;5 .2 .4.5 标称总容量与单位:××ml;5 .2 .4.6准确度等级:A或B。
有准确度等级而未标注的玻璃量器,按B级处理;5 .2 .4.7 用硼硅玻璃制成的玻璃量器,应标“Bsi”字样;5 .2 .4.8非标准的口与塞,活塞芯和外套,必须用相同的配合号码。
无塞滴定管的流液口与管下部也应标有同号。
5.3 结构5.3.1 玻璃量器的口应与玻璃量器轴线相垂直,口边要平整光滑不得有粗糙处及未经熔光的缺口。
5.3.2 滴定管和吸量管的流液口,应是逐渐地向管口缩小,流液口必须磨平倒角或熔光,口部不应突然缩小,内孔不应偏斜。
5.3.3 量筒、量杯的倒液嘴应能使量筒、量杯内液体呈细流状倒出而不外溢。
当分度表面对观察者时,倒液嘴的位置:量筒的嘴位于左侧;250ml以下的量杯(包括250ml)位于右侧;500ml以上的量杯位于左侧。
5.3.4 量杯、量筒和量瓶放置的平台上时,不应摇动。
空量杯、空量筒(不带塞)和大于25ml(包括25ml)的空量瓶(不带塞)放置在与水平面成15°的斜面上时,不应跌倒。
5.4 密合性5.4.1 滴定管玻璃活塞的密合性要求:当水注至最高标线时,活塞在关闭情况下停留20min后,渗漏量应不大于最小分度值。
5.4.2 滴定管塑料活塞的密合性要求,当水注至最高标线时,活塞在关闭情况下停留50min后,渗漏量应不大于最小分度值。
5.4.3 具塞量筒、量瓶的口与塞之间的密合性要求:当水注入至最高标线,塞子盖紧后颠倒10次。
每次颠倒时,在倒置状态下至少停留10s,不应有水渗出。
6 计量性能要求6.1 流出时间和等待时间滴定管、分度吸量管和单标线吸量管的流出时间与等待时间见表3—表56.2 容量允差在标准温度20℃时,滴定管、分度吸量管的标称容量和零至任意分量,以及任意两检定点之间的最大误差,均应符合表3和表5的规定。
单标线吸量管和量瓶的标称容量允差,应符合表4和表6的规定。
量筒和量杯的标称容量和任意分量的容量允差,应符合表7和表8的规定。
7计量器具控制计量器具控制包括玻璃玻璃量器的首次检定、后续检定和使用中检验。
7.1检定条件7.1.1环境条件7.1.1.1室温(20-±5)℃,且室温变化不得大于1℃/h。
7.1.1.2水温与室温之差不得大于2℃。
7.1.1.3检定介质为纯水(燕馏水或去离子水),应符合GB 6682—1992要求。
7.1.2 检定设备7.2 检定项目7.3 检定方法7.3.1 外观用目力观察,可借助放大镜和斜面进行,应符合5.2,5.3的规定。
7.3.2 应力调整应认力仪零点,置入全波片,将被检量器平直或垂直放入起偏镜与检偏之间的视场中,轴向转动量器,找到最大应力点,然后引入1/4波片,此时有应力处出现亮区,旋转检偏镜,使亮区逐渐消失,消失程度的判断,应以蓝灰色刚好被褐色取代为止。
读旋转角度,关测量被测点厚度。
单位长度光程差按下式计算:dφδ⎰=式中:δ——单位长度光程差,mn/cm ;φ——检偏镜旋转角度,(0); f ——仪器转换系数,3.14nm/(0); d ——被测部位通光处的总厚度,cm 。
玻璃量器内应力应符合5.1.4的规定。
7 .3 .3密合性 7.3.3.1具塞滴定管1) 将不涂油脂的活塞芯擦干净后用水润湿,插入活塞套内,滴定管应垂直地夹在检定架上,然后充水至最高标线处,活塞在关闭情况下静置20min (塑料活塞静置50min ),渗漏量应符合第5.4条规定。
2)对于三通活塞的滴定管,除了进行上述方法的检定外,对进液孔也应进行相同方法的检定。
检定时把滴定管内的水排空,进液孔与一支充有水的进水管连接,进水管的液位高于被检滴定管最高标线250mm ,活塞在任意关闭状态下静置20min ,渗漏量应符合5.4条的规定。
3)对于座式滴定管和夹式滴定管,将水充至最高标线,去掉注液管活塞以上的水,垂直静置20min 后,两只活塞渗漏量应符合第5.4条的规定。
7.3.3.2 量瓶和具塞量筒将水充至最高标线,塞子应擦干,不涂油脂,盖紧后用手指压住塞子,颠倒十次。
每次颠倒时,在倒置状态下至少停留10s ,不应有水渗出。
7.3.4 流出时间 7.3.4.1 滴定管1)将滴定管垂直夹在检定架上,活塞芯涂上一层薄而均匀的油脂,不应有水渗出。
2)充水于最高标线,流液口不应接触水器壁。
3)将活塞完全开启并计时(对于无塞滴定管应用力挤压玻璃小球),使水充分地从流液口流出,直到液面降至最低标线为止的流出时间应符合表3的规定。
7.3.4.2 分度吸量管和单标线吸量管1)注水至最高标线以上约5mm ,然后将液面调至最高标线处。
2)将吸量管垂直放置,并将流液口轻靠接水器壁,此时接水器倾斜约30°,在保持不动的情况下流出并计时,以流至口端不流时为止,其流出时间应符合表4和表5的规定。
7.3.5 容量示值滴定管、分度吸量管、A 级单标线吸量管和A 级容量瓶采用衡量法检定,也可采用容量比较法检定,但以衡量法为仲裁检定方法。
各种玻璃量器容量检定操作步骤详见附录A 。
容量检定前须对量器进行清洗,清洗的方法为:用重铬酸钾的饱和溶液和浓硫酸的混合液(配比比例为1:1)或20%发烟硫酸进行清洗。
然后用水冲洗,器壁上不应有挂水等沾污现象,使液面与器壁接触处形成正常弯月面。
清洗干净的被检量器须在检定前4h 放入实验室内。
7.3.5.1衡量法1)取一只容量大于被检玻璃量器的洁净有盖称量杯,称得空杯质量。
2)将被检玻璃量器内的纯水放入称量后,称得纯水质量。
3)调整被检玻璃量器液面的同时,应观察测温筒内的水温,读数应准确到0.1℃。
4)玻璃量器在标准标准温度20℃时的实际容量按下式计算:V 20=)()(m A W B A ρρρρρβ--[1+β(20-t)] (2)式中:V 20——标准温度20℃时的被检玻璃量器的实际容量,mL ; ρB ——砝码密度,取8.00g/cm 3;ρA ——测定时实验室内空气密度,取0.0012g/cm 3; ρW ——蒸馏水t ℃时的密度,g/cm 3; β——被检玻璃量器的体胀系数,℃-1; t ——检定时蒸馏水的温度,℃;m ——被检玻璃量器内所能容纳水的表观质量,g 。
为简便计算过程,也可将式(2)化为下列形式:V 20=m.K(t) (3) 其中:K(t)=)()(A W B A ρρρρρβ--[1+β(20-t)]K (t )值列于附录B 中。