机电传动控制设计题汇总
- 格式:doc
- 大小:2.97 MB
- 文档页数:14
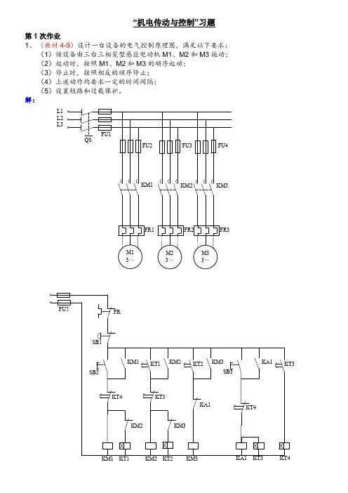
“机电传动与控制”习题第1次作业1、 (教材4-9)设计一台设备的电气控制原理图,满足以下要求:(1)该设备由三台三相笼型感应电动机M1、M2和M3拖动; (2)起动时,按照M1、M2和M3的顺序起动; (3)停止时,按照相反的顺序停止; (4)上述动作均要求一定的时间间隔; (5)设置短路和过载保护。
解:L1L2L32、 (教材4-13)托盘由一台电动机驱动,试设计其电气控制原理图,要求如下:(1)按下起动按钮,托盘由原地A 起动,前进到B 点碰到行程开关SQ2后停止;(2)过一时间后,按下返回按钮,才能从B 点起动,后退碰到原位行程开关SQ1后停止,即回到原地A 点;(3)托盘在前进或后退过程中可在中间任意位置停止;(4)托盘停在中间任意位置,按下复位按钮,能够回到原地。
(5)设置短路和过载保护。
解:KM2L1L2L3第2次作业1、 以下为一条自动运输线的控制电路,该运输线由两台电动机拖动,M1拖动运输机,M2拖动卸料机。
请完成:(1)分析控制电路的动作过程;(2)主电路和控制电路有哪些保护,简述保护过程; (3)针对运输线,控制电路有哪些功能。
3~50Hz 380V解:(1)控制电路的动作过程:①从主电路可以看出,电动机M1的通断电由接触器KM1控制,电动机M2的通断电由接触器KM2控制; ②在控制电路中,按SB1,KM1自锁,可实现电动机M1的起动;KT③在控制电路中,按SB2,必须KM1已经通电,接触器KM2才能通电,电动机M2才能起动; ④按SB4,接触器KM2断电,电动机M2单独停机,电机M1保持运行状态;⑤按SB3,时间继电器KT1通电并自锁,此时KT1的常闭触点断开,KM2马上断电,电动机M2马上停机;KT1通电一段时间后,其通电延时断开常闭触点打开,接触器KM1断电,电动机M1停机;(2)主电路和控制电路的保护 ①有熔断器短路保护和过载保护。
②短路保护:熔断器有FU1~FU4,当某支路短路时,相应支路的熔断器熔断,断开该支路电源。
《机电传动控制》课程习题集一、单选题1. 机电传动的发展大体上经历的阶段顺序是 ( )A .单电机拖动、双电机拖动、成组拖动B .成组拖动、单电机拖动、多电机拖动C .单电机拖动、多电机拖动、成组拖动D .成组拖动、单电机拖动、网络拖动 2. 电动机运行状态如图所示,当L M T T 〉时,判断正确的是 ( )A .匀速B .减速C .加速D .不确定3. 电动机运行状态如图所示,当L M T T =时,判断正确的是 ( )A .匀速B .减速C .加速D .不确定4. 电动机运行状态如图所示,当L M T T =时,判断正确的是 ( )A .匀速B .减速C .加速D .不确定5. 电动机稳定匀速运行时,其拖动转矩与负载转矩的关系为 ( )A .拖动转矩比负载转矩略大,方向相反;B .拖动转矩比负载转矩小,方向相反;C .拖动转矩与负载转矩相等,方向相反;D .拖动转矩与负载转矩都为零。
6. 恒转矩型机械设备的机械特性是: ( )A .拖动转矩是常数B . 负载转矩是常数C .拖动转矩是转速的函数D . 负载转矩是转速的函数7. 如图,1为电动机的机械特性,2为生产机械的机械特性,关于平衡点正确的是 ()))A .拖动转矩B .负载转矩C .转动惯量D .飞轮转矩 11. 直流电动机的制动方法中不采用的有 ( ) A .反馈制动B .反接制动C .能耗制动D .直接制动 12. 直流发电机中的电磁转矩方向与转子的旋转方向 ( ) A .相同B .相反C .成45度角D .随换向器而变化 13. 直流发电机将电枢绕组感应的交流电动势转换成直流电动势的是 ( ) A .换向极 B .电刷装置 C .换向器D .主磁极 14. 直流电动机的启动方法主要有 ( )。
A .直接启动B .降压启动C .∆-Y 启动D .励磁电路串接外加电阻启动 15. 直流电动机中的电磁转矩方向与转子的旋转方向( )A .相同B .相反C .成45度角D .随换向器而变化16. 关于直流电动机调速方法正确的有( ) A .变极调速 B .变频调速 C .改变转差率调速D .改变电枢电压调速 17. 直流电动机将外加直流电流转换为电枢绕组交流电流的是( )A .换向极B .电刷装置C .换向器D .主磁极18. 直流电机运行于电动机状态时的电磁转矩是( )A .拖动转矩,其方向与转动方向相同B .制动转矩,其方向与转动方向相反C .拖动转矩,其方向与转动方向相反D .制动转矩,其方向与转动方向相同19. 要改变直流电动机的转动方向,可采用的措施是( )A .增大或减小线圈中的电流强度B .改变线圈中的电流方向,或对调磁铁的磁极C .增强或减弱电动机里的磁场D .改变线圈中的电流方向,同时对调磁铁的磁极 20. 生活中常见的下列电器中哪些装有直流电动机?( )A .电冰箱B .洗衣机C .电热器D .VCD 影碟机21. 通电导体在磁场中因受力而运动时( )A .消耗了电能,得到了机械能B .消耗了机械能,得到了电能C .消耗了机械能,得到了内能D .消耗了化学能,得到了电能22.直流发电机的作用是()A.将电能转换成机械能 B.将机械能转换成电能C.电能和机械能互相转换 D.将机械能转换成化学能23.直流发电机的电磁转矩为()A.拖动转矩 B.阻转矩 C. 位能转矩 D 势能转矩24.直流电动机电枢感应电动势的方向与电枢电流的方向()A.相反B.相同C.随换向器的换向而变化D.随电刷的通断而变化25.直流电动机的作用是()A. 将电能转换成机械能B. 将机械能转换成电能C.电能和机械能互相转换 D. 将化学能转换成机械能26.直流电动机工作在电动状态时的电磁转矩为()A.拖动转矩B.阻转矩C.制动转矩D.位能转矩27.直流发电机工作在发电状态时电枢感应电动势为()A.电源电动势B.反电动势C.输入相电压D.输入线电压28.在外界的作用下,直流电动机电枢外加电压和感应电动势的极性相同的这种工作状态称为()A.反接制动状态B.反馈制动状态C.能耗制动状态 D 加速状态29.直流电动机调速系统,若想采用恒功率调速,则可改变()A.电势常数B.主磁通量C.电枢外加电压D.电枢电流30.直流电动机能自动改变线圈中电流方向的器件是()A.电刷B.换向器C.定子D.转子31.在直流电动机运行中,为了减小电动机的转速,正确的是()A.调换磁铁的极性B.增大流过线圈的电流强度C.改变线圈中的电流方向D.以上都不能减小电动机的转速32.直流电动机工作在电动状态时电枢感应电动势为()A.电源电动势B.反电动势C.输入相电压D.输入线电压33.当直流电动机的实际转速大于空载转速时,这种状态称为()A.反接制动状态B.反馈制动状态C.电动状态D.能耗制动34.直流电动机调速系统,若想采用恒转矩调速,则可改变()A.电势常数 B.励磁磁通量 C.电枢外加电压 D.电枢回路串电阻35.直流发电机与直流电动机的电磁转矩的作用是()A.都是驱动转矩B.都是阻转矩C.发电机是阻转矩D.电动机是阻转矩36.他励电动机的人为机械特性在额定电压额定磁通时与它的固有机械特性比()A.转速降降低,特性变软B.转速降降低,特性变硬C.转速降增大,特性变软D.转速降增大,特性变硬37.直流电动机规定的电枢瞬时电流不得大于额定电流的()A.0.5-1倍B.1.5-2倍C.2.5-3倍D.3.5-4倍38.针对直流电机,我国标准的电气控制柜设计的快速启动原则中启动电阻为()A.1-2段B.2-3 段C.3-4段D.4-5段39.在特定负载下,改变机械特性而得到的转速称为()A .速度变化B .速度调节C .加速度D .减速度40. 关于直流电机能耗制动原理叙述正确的是( )A .接入直流电源产生作用相反的转矩B .输入电枢的电压产生反向转矩C .系统机械能转变成电能消耗在电阻上D .接入交流电源产生作用旋转的转矩 41. 计算额定转矩时,公式NN N n P T 55.9=中N P 的代入单位是( ) A .kW B .W C .J D .N42. 直流电机反馈制动中电枢电路串接附加电阻的大小与电机转速的关系是( )A .附加电阻越大,电机转速越大B .附加电阻越大,电机转速越小C .附加电阻越小,电机转速越大D .附加电阻越小,电机转速不变43. 直流电机换向极的作用是 ( )A .削弱主磁场B .增强主磁场C .抵消电枢反应D .产生主磁场 44. 直流发电机与直流电动机的电磁转矩的作用是( )A .都是驱动转矩B .都是阻转矩C .发电机是驱动转矩D .电动机是驱动转矩 45. 电动机负载转矩发生变化,而引起的电动机转速变化称为( )A .速度变化B .速度调节C .加速度D .减速度46. 直流电动机改变电枢电路外串电阻的调速方法存在的优点是( )A .实现无级调速困难B .空载轻载时调速范围不大C .消耗大量电力D .结构简单 47. 下面针对直流电动机改变电枢电压调速的特点正确的是( )A .实现无级调速困难B .调速范围小C .机械特性硬度不变D .启动时要用启动设备 48. 下面针对普通直流电动机改变主磁通调速的特点正确的是( )A .实现无级调速困难B .调速范围大C .机械特性硬度不变D .适合于恒功率调速 49. 直流电机倒拉反接制动中电枢电路串接附加电阻的大小与下降速度的关系是( )A .附加电阻越大,下降速度越大B .附加电阻越大,下降速度越小C .附加电阻越小,下降速度越大D .附加电阻越小,下降速度不变50. 直流电动机反接制动时,当电机转速接近于零时就应立即切断电源,防止( )。
机电传动控制设计题汇总文档编制序号:[KK8UY-LL9IO69-TTO6M3-MTOL89-FTT688]1、要求三台电动机lM 、2M 、3M 按一定顺序启动:即1M 启动后,2M 才能启动,2M 启动后3M 才能启动;停车时则同时停。
试设计此控制线路 试用PLC 设计出控制程序。
解:此题的关键技术在于:将前一台电动机的交流接触器的辅助常开触点串接在下一台电动机的交流接触器线圈回路中。
继电器-接触器控制线路图如下;PLC 外部接线图如下; 梯形图及程序;2、试设计一台电动机的控制线路。
要求能正反转并能实现能耗制动。
3、设计一台异步电动机的控制线路。
要求:①能实现启、停的两地控制; ③)能实现点动调整;②能实现单方向的行程保护; ④要有短路和长期过载保护;4、试设计一条自动运输线,有两台电动机,1M 拖动运输机,2M 拖动卸料机。
要求: ①1M 先启动后,才允许2M 启动;②2M 先停止,经一段时间后1M 才自动停止,且2M 可以单独停止;③两台电动机均有短路、长期过载保护。
试用PLC 设计出控制程序。
1SB 、2SB 分别是1M 、2M 的启动按纽,4SB 是2M 的单独停止按纽,3SB 是停止按纽。
5、下图为机床自动间歇润滑的控制线路图,其中接触器KM 为润滑油泵电动机启停用接触器(主电路未画出,控制线路可使润滑有规律地间歇工作。
试分析此线路的工作原理,并说明开关S SB 的作用 试用PLC 设计出控制程序。
答:这是一个自动间歇润滑的控制线路。
开关S 1SB 的作用及电路的工作过程如下:(1)S 是进行自动间歇润滑的控制开关,1KT-决定润滑时间,2KT-决定不润滑时间,电路的工作过程:合上开关S ,KM 的线圈得电,电动机M 转动,进行润滑;1KT 的线圈得电,触点1KT 延时后闭合,K 的线圈得电,常开触点K 闭合,自锁;常闭触点K 断开,KM 线圈失电,停止润滑;1KT 的线圈失电。
《机电传动技术基础》试卷二参考答案一:判断选择题:(从下列各题备选答案中选出正确答案,每小题2分,共30分 I B 2 A 3 B 4 C 5 D 6A 7D 8C 9D 10 D II B 12 B 13 A 14 B 15 A二、阅读分析题: 1、是一台三相异步电动机降压启动的控制电路。
其工作过程:(1) 按1SB, 1KM 的线圈得电,1KM 常开触点闭合,自锁、M 的定子中接入电阻R 降压启动。
KT 的线圈得电延时,KT 常开触点闭合,2KM 的线圈得电,2KM 常闭触点断开,1KM 的线圈 失电,1KM 常开触点断开,2KM 常开触点闭合,M 正常运转。
(2) 按2SB, 2KM 的线圈失电,M 停转。
三. 改错题(将图中不合理或错误或不可编程的地方改正, 四、计算题:(选做一道题,要求写出主要计算步骤及结果,共15分) 1、答案:(1)额定转矩p17x103T N = 9.55 工=9.55 -------- Nm = 1O8.2N 〃?Nn N 1500(2)直接启动时的启动电流(3) 电枢串入启动电阻后的启动电流Ra + R«d2、用F-40M 型PLC 的指令 写出其指令语句表:LD 400 LD 500 ANI 401PLS 102 LD 402 LD 501 ANI 403 OUT 210 ORBLD502 ANI 404 SFT 210 LD 405 LD 102 LD 406 RST 210 ANI 407LD 213 ORBOUT 530 OR430LD 217 OUT 430 OUT 537要求画出改好的图,6分)220022A =1000A END故 R ad >^-R a =0.99Q uu c r u而启动转矩 T'st = K t ^N I stTT _ T D其中 K,(^N =9.55K e ^N =9.55 N ~ N a此时的启动转矩T'st =K t ^N xll N =23\Nm(4)降压启动时故电源电压 U =21 N R a =2x91x0.22 = 4072.答案:(1) E 〔= 4.44耻0> = 4.44x50x320x0.023 = 1634V(1)转子绕组开路时,转子电路电流12=0,转子转速〃 =0,转子绕组电动势频 率h= L =50Hz ,故开路电压:E 20 =4.44f 2iV 2® = 4.44f 1iV 2O =4.44 x50x20x 0.023 = 102V(3) f 2 = S N f x = 0.028x50 = 1.43HzE 2N = 4.44/2A^20> = 4.44 xl.43x20x 0.023 = 0.29V五、设计题:(第1题10分,第2题15分,共25分)220-91x0.221500=\21Nm!ALD 401 OR 430 ANI 400 OUT 430 LD 402 OR 431 ANI 400 AND 430 OUT 431 LD 403 OR 432 ANI 400 AND 431 OUT 432 END2、。
1.设计一个三相异步电动机正—反—停的主电路和控制电路,并具有短路、过载保护。
说明其工作原理。
2.采用PLC控制两台三相异步电动机M1、M2的运行,要求M1、M2可分别起动和停止,也可实现同时起动和停止,并具有短路、过载保护。
请画出主电路、PLC接线图、PLC梯形图。
3.某机床主轴工作和润滑泵各由一台电机控制,要求主轴电机必须在润滑泵电机运行后才能运行,主轴电机能正反转,并能单独停机,有短路、过载保护。
试采用PLC控制,请画出主电路、PLC接线图、PLC梯形图。
4.一台小车由一台三相异步电动机拖动,动作顺序如下:1)小车由原位开始前进,到终点后自动停止。
2)在终点停留20s后自动返回原位并停止。
要求在前进或后退途中,任意位置都能停止或起动,并具有短路、过载保护,设计主电路和控制电路。
说明其设计思想。
5.设计一个PLC控制的三相异步电动机正反转控制线路。
请画出主电路、PLC接线图、PLC梯形图。
(有必要的保护措施)。
6.某机床有两台三相异步电动机,要求第一台电机起动运行5s后,第二台电机自行起动,第二台电机运行10s后,两台电机停止;两台电机都具有短路、过载保护,设计主电路和控制电路。
说明其设计思想。
7.某机床主轴工作和润滑泵各由一台电机控制,要求主轴电机必须在润滑泵电机运行后才能运行,主轴电机能正反转,并能单独停机,有短路、过载保护,设计主电路和控制电路。
8.设计两台三相异步电动机M1、M2的主电路和控制电路,要求M1、M2可分别起动和停止,也可实现同时起动和停止,并具有短路、过载保护。
9.用PLC控制一个工作台运行,其动作程序为:工作台由原位开始前进,到终端后自动停止;在终端停留2min后自动返回原位停止;要求能在前进或后退途中任意位置都能停止或再次起动;电网停电后再来电工作台不会自行运动。
10.某机床有两台三相异步电动机,要求第一台电机起动运行5s后,第二台电机自行起动,第二台电机运行10s后,两台电机停止;两台电机都具有短路、过载保护。
机电传动控制习题库完整《机电传动控制》习题库一、填空题:1.直流电动机常用的调速方法有、和。
2.电气控制系统中常设的保护环节有、和。
3.三相鼠笼式异步电动机的启动方法有和。
4.F-40型PLC的部等效继电器有、、、、几类。
5.晶闸管的导通条件是与,晶闸管由导通转变为阻断的条件是,阻断后它所承受的电压大小决定于。
6.PLC的硬件主要由、和三部分组成。
7.直流电动机的启动方法有和。
8.晶闸管的几个主要参数是、、。
9.通电延时的时间继电器有两个延时动作的触点,即符号为和符号为;而断电延时的时间继电器有两个延时动作的触点,即符号为和符号为。
10.三相鼠笼式异步电动机降压启动的方法有和。
11.晶闸管可控整流电路的负载常有、、和。
12.交流接触器主要由、、等三部分组成。
13.电磁继电器主要由、等二部分组成。
14.生产机械对电动机调速系统提出的主要静态技术指标有和。
15.PLC硬件的核心部分是;存储器用来和,它分为和两大部分。
16.生产机械对电动机调速系统提出的主要动态技术指标有、和。
17.三相鼠笼式异步电动机的电气停转制动方法有和。
18.。
一台4级三相异步电动机,由工业频率供电,其同步转速为。
19.一台4级三相异步电动机,由工业频率供电,额定负载时的转差率为0。
02,则电动机的额定转速为20.一台4级三相异步电动机,由工业频率供电,额定负载时的转差率为0。
02,则电动机转子转速为转子电流频率为。
21.有一台三相异步电动机,电源频率50Hz,额定转速1470r/min,在额定负载下运行,定子旋转磁场对定子的转速为。
22.有一台三相异步电动机,电源频率50Hz,额定转速1470r/min,在额定负载下运行,定子旋转磁场对转子的转速为。
23.有一台三相异步电动机,电源频率50Hz ,额定转速1470r/min ,在额定负载下运行,转子旋转磁场对转子的转速为。
24.有一台三相异步电动机,电源频率50Hz ,额定转速1470r/min ,在额定负载下运行,转子旋转磁场对定子的转速为。
机电传动与控制(总10页)--本页仅作为文档封面,使用时请直接删除即可----内页可以根据需求调整合适字体及大小--习题及答案一、填空题1.多轴拖动系统折算为单轴系统时,转矩折算依据折算前后功率不变的原则,转动惯量和飞轮转矩与运动系统的动能有关,可根据动能守恒原则进行折算。
2.生产机械的典型机械特性可以归纳为以下几种:恒转矩型、恒功率型、离心式通风机型和直线型。
3.要有效地缩短机电传动系统过渡过程的时间,应设法减小转动惯量和提高动态转矩。
4.机电传动系统中,低速轴的转矩大,高速轴的转矩小。
5.生产机械对电动机调速系统提出的主要静态技术指标有调速范围、静差度、和平滑性。
6.直流电动机通过改变电源的正负极性来改变旋转方向,交流电动机通过改变定子三相交流电的通电相序来改变旋转方向。
7.直流电动机常用的调速方法有改变电枢电压U 、改变电枢电路外串电阻Rad 和改变电动机主磁通?。
8. 三异步电动机主要由定子和转子构成。
定子又称磁极,转子又称电枢。
9.一台三相异步电动机接入50Hz三相对称电源,额定运行时S=,则此时转子感应电流的频率为 2 Hz。
10.三相交流异步电动机按照转子的结构可分为绕线式异步电动机和鼠笼式式异步电动机。
11.三相鼠笼式异步电动机的制动方法有回馈制动、反接制动和能耗制动三种。
12.单相异步电动机无自启动能力,常采用电容分相法和罩极法进行启动。
13.测速发电机是一种将转速信号变换成电信号的元件,它的输出电压与转速成正比。
14.同步电动机常采用异步启动法进行启动。
15.晶闸管的导通条件是阳极加正向电压与控制极加正向电压,晶闸管由导通转变为阻断的条件是阳极正向电压降低到一定值(或断开或反向)。
16.变频调速系统可以分为交交变频调速与交直交变频调速两大类。
二、判断题1.要加快机电传动系统的过渡过程,应设法减小飞轮惯量和加大动态转矩。
(√)2.位能性恒转矩是一种转矩方向随转速方向的改变而改变的转矩。
西南科技大学成教学院德阳教学点《机电传动控制》练习题姓名:学号:班级:成绩:一、单项选择题1.机电传动的发展大体上经历的阶段顺序是:()A.单电机拖动、双电机拖动、成组拖动 B.成组拖动、单电机拖动、多电机拖动C.单电机拖动、多电机拖动、成组拖动 D.成组拖动、单电机拖动、网络拖动2、机电传动系统稳定工作时中如果TM >TL,电动机旋转方向与TM相同,转速将产生的变化是。
()A.减速 B.加速 C.匀速 D.停止3、机电传动系统中如果TM <TL,电动机旋转方向与TM相同,转速将产生的变化是。
()A.加速B.匀速C.减速 D.停止4、机电传动系统稳定工作时,如果TM =TL,电动机旋转方向与TM相同,转速将产生的变化是。
()A.减速 B.加速 C.匀速 D.停止5、设电动机某一转动方向的转速n为正,则约定电动机转矩T M与n_________的方向为_________。
()A.一致、正向 B.一致、反向 C.相反、正向 D.以上都不对6、_________的作用方向恒定,与运动方向无关。
()A.反抗转矩 B.离心式转矩 C.位能转矩 D.恒功率转矩7、起重机吊一个重物升降时,负载的机械特性是_________。
()A.恒功率型B.位能型恒转矩C.反抗型恒转矩 D.直线型机械特性8、下面哪个部分是属于直流电动机的定子部分?()A.换向器 B.电枢绕组 C.励磁绕组 D.风扇9、复励直流电机的励磁绕组和电枢绕组是。
()A.串联 B.并联C.单独分开连接 D.一部分串联其他的并联10、直流电动机最常用的启动方式是_________。
()A.串电阻启动 B.降压启动 C.直接启动 D.调节励磁启动11、三相异步电动机带动一定负载运行时,若电源电压降低了,此时电动机转矩_________。
()A.增加B.不变 C.减小 D.等于零12、鼠笼式异步电动机不采用_________方法启动。
()A.全压启动 B.逐级切除启动电阻 C.延边三角形启动D.Y- 降压启动13、不是三相异步交流电动机固有机械特性曲线的四个特殊点。
1、要求三台电动机lM、2M、3M按一定顺序启动:即1M启动后,2M才能启动,2M启动后3M才能启动;停车时则同时停。
试设计此控制线路? 试用PLC设计出控制程序。
解:此题的关键技术在于:将前一台电动机的交流接触器的辅助常开触点串接在下一台电动机的交流接触器线圈回路中。
继电器-接触器控制线路图如下;PLC外部接线图如下;梯形图及程序;LD 401 OUT 431OR 430 LD 403ANI 400 OR 432OUT 430 ANI 400LD 402 AND 431OR 431 OUT 432ANI 400 ENDAND 4302、试设计一台电动机的控制线路。
要求能正反转并能实现能耗制动。
3、设计一台异步电动机的控制线路。
要求:①能实现启、停的两地控制;③)能实现点动调整;②能实现单方向的行程保护;④要有短路和长期过载保护;4、试设计一条自动运输线,有两台电动机,1M拖动运输机,2M拖动卸料机。
要求:①1M先启动后,才允许2M启动;②2M先停止,经一段时间后1M才自动停止,且2M可以单独停止;③两台电动机均有短路、长期过载保护。
试用PLC设计出控制程序。
LD 400 ANI 403OR 430 ANI 450ANI 450 OUT 431OUT 430 LD 402LD 430 OR 450OUT 200 OUT 450MC 200 MCR 200LD 401 ENDOR 4311SB、2SB分别是1M、2M的启动按纽,4SB是2M的单独停止按纽,3SB是停止按纽。
5、下图为机床自动间歇润滑的控制线路图,其中接触器KM为润滑油泵电动机启停用接触器(主电路未画出),控制线路可使润滑有规律地间歇工作。
试分析此线路的工作原理,并说明开关S和按钮SB的作用? 试用PLC设计出控制程序。
答:这是一个自动间歇润滑的控制线路。
开关S、按钮1SB的作用及电路的工作过程如下:(1)S是进行自动间歇润滑的控制开关,1KT-决定润滑时间,2KT-决定不润滑时间,电路的工作过程:合上开关S,KM的线圈得电,电动机M转动,进行润滑;1KT的线圈得电,触点1KT延时后闭合,K的线圈得电,常开触点K闭合,自锁;常闭触点K断开,KM线圈失电,停止润滑;1KT的线圈失电。
机电传动控制试题及答案(总22页)--本页仅作为文档封面,使用时请直接删除即可----内页可以根据需求调整合适字体及大小--21、如图所示,判断哪组是正确的。
(a )L M T T > (b) L M T T = (c) L M T T <A :图(a )M T 为正,是拖动转矩,加速状态B :图(b )M T =L T ,匀速状态C :图(c )M T 为正,L T 为负,减速状态2、关于交流电动机调速方法正确的有:A :变频调速;B :改变磁通调速;C :改变转差率调速;D :定子串电阻调速3、三相异步电动机正在运行时,转子突然被卡住,这时电动机的电流会。
A :减少;B :增加;C :等于零。
4、三相鼠笼异步电动机在相同电源电压下,空载启动比满载启动的启动转矩 。
A :相同; B :大; C :小。
5、如下图所示,曲线1和曲线2分别为电动机和负载的机械特性。
试问:电动机能否在A 点稳定运行?A :能;B :不能;C :不能确定6.恒功率型机械特性为负载转矩与转速成:A 正比;B 反比。
7、有一台三相异步电动机,正常运行时为∆接法,在额定电压下启动,其N st T T 2.1=,若采用∆-Y 换接启动,试问当负载转矩N L T T %35=,电动机能否启动?A:能; B:不能; C:不能确定8.三相异步电动机的何种制动又叫发电制动。
A 反接制动;B反馈制动; C 能耗制动9.晶体管直流脉宽调速系统比晶闸管直流调速系统动态响应速度:A高;B 低;C 一样。
10、直流电动机当电枢回路中串接电阻后,其固有的机械特性曲线是:A:由(0,no)出发的一簇向下倾斜的直线;B:一簇平行于固有特性曲线的人为特性曲线;C:;由(0,no)出发的一簇向上倾斜的直线;D:不确定;11、下列方法中哪一个不是消除交流伺服电动机“自转”的方法:A:增大转子转动惯量; B:增大转子电阻;C:减小转子转动惯量12.直流发电机E与Ia的方向:A相同;B 相反;C 不一定。
机电传动控制总结题1.直流电机的启动原理⽅法,制动⽅法:1.降压启动:11sta U I R =,U 降低,所以启动电流1st I 降低 2.串电阻启动:1N st a adU I R R =+,显然增加Rad 以后,启动电流降低 3.制动⽅法:反馈制动,反接制动,能耗制动2.交流电机的启动⽅法、制动⽅法1.直接启动2.串电阻或电抗降压启动3.Y- 启动4.⾃耦变压器降压启动5.延边三⾓形启动制动⽅法:1.反馈制动2.反接制动3.能耗制动3.既然在电动机的主电路中装有熔断器,为什么还要装热继电器?装有热继电器是否可以不装熔断器?为什么?答:熔断器和热继电器的作⽤各不相同,在电动机为负载的电路中,熔断器是⼀种⼴泛应⽤的最简单有效的短路保护电器,它串联在电路中,当通过的电流⼤于规定值时,使熔体熔化⽽⾃动分断电路,它分断的电流⼤,作⽤的时间短,以保护负载。
⽽热继电器是⼀种利⽤流过继电器的电流所产⽣的热效应⽽反时限动作的过载保护电器,在电动机为负载的电路中,热继电器⽤来对连续运⾏的电动机进⾏过载保护,以防⽌电动机过热⽽造成绝缘破坏或烧毁电动机。
因此,若使熔断器作⽤的电流很⼤,但过载电流不⾜以使其作⽤,此时需靠热继电器来进⾏保护作⽤,所以它不能代替热继电器实施过载保护。
此外,由于热惯性,虽然短路电流很⼤,但也不能使热继电器瞬间动作,因此它不能代替熔断器⽤作短路保护。
综上可知,在电动机主电路中既要装熔断器,实现短路保护,也要装热继电器,实现过载保护。
2.电动机的启动电流很⼤,当电动机启动时,热继电器会不会动作?为什么?答:在热继器电流值设定正常时,是不会动作的。
因为电动机启动只是短时间电流过⼤,热继电器主要过载保护,需要持续⼀定时间的过电流热继电器才会动作。
热继电器的动作是靠电流产⽣热量来控制的,由于热惯性,虽然短路电流很⼤,但也不能使热继电器瞬间动作,当电流超过设定值,电流⾦属⽚发热,持续⼀定时间⾦属⽚就会变形,此时才会触发继电器动作。
5. 用PLC控制电动机Y—△起动电路;
按动SB2,KM1通电自锁,电动机正向起动,KM4闭合,Y起动,经过定时器3s,KM3闭合△起动,实现正向△起动;按下SB3,KM2通电自锁,电动机反向起动,KM4闭合,Y起动,经过定时器3s后,KM3闭合△起动,实现反向△起动;按下SB1,电动机停止。
6. 设计工作台自动循环的PLC控制电路
I0.0 SB1 正向起动按钮I0.5 SQ3 前进位置检测
I0.1 SB2 反向起动按钮I0.6 SQ4 前进位置保护
I0.2 SB3 停止开关Q0.0 KM1 正转接触器
I0.3 SQ1 始位置检测Q0.1 KM2 反转接触器
I0.4 SQ2 始位置保护
7. 自动送料装车系统的控制要求:
初始状态:绿灯(L1)亮,红灯(L2)灭,表示允许汽车开进装料,此时,进料阀门(K1),料斗阀门(K2),电动机(M1,M2,M3)皆为OFF状态。
当汽车到来时,检测开关S3接通(负载板上未设,可从通用器件板选取),红色信号灯L2亮,绿色L1灭,传送带驱动电动机M3运行;2s后,电动机M2运行;再经过2s,M1运行,依次顺序起动送料系统。
电动机M3运行后,进料阀门K1打开料斗进料,料斗装满时,检测开关S1=1,进料阀门K1关闭(设1料斗物料足够装满1车);料斗出料阀门K2在M1运行及料满(S1=1)后,打开放料,物料通过传送带的传送,装入汽车。
当装满汽车后,称重开关S2动作,料斗出料阀门K2关闭,同时电动机断电停止,2s后M2停止,再过2s,M1停止,L1亮,L2灭,表示汽车可以开走。
1.在机电传动控制系统中,实现速度闭环控制的主要目的是什么?A.提高系统稳定性B.减小系统静态误差C.实现精确的位置控制D.提高系统动态响应速度2.直流电动机的调速方法中,哪一种方法不改变电动机的固有机械特性?A.电枢串电阻调速B.弱磁调速C.变压调速D.变频调速3.在交流电动机的起动过程中,为了减小起动电流,常采用什么方法?A.串入电阻B.并联电阻C.串入电感D.并联电感4.机电传动控制系统中,传感器的主要作用是什么?A.接收输入信号B.控制执行机构C.反馈系统状态D.提供电源供电5.在闭环控制系统中,如果反馈信号与实际输出信号之间存在偏差,说明系统处于什么状态?A.静态误差B.动态误差C.稳态误差D.瞬态误差6.在选择电动机时,若要求电动机的起动转矩大且起动电流小,应选择哪种类型的电动机?A.直流电动机B.异步电动机C.同步电动机D.伺服电动机7.在机械传动系统中,当传递的功率较大且传动比稳定时,通常选择哪种传动方式?A.带传动B.链传动C.齿轮传动D.蜗杆传动8.在PLC(可编程逻辑控制器)控制系统中,若要实现定时功能,应使用什么指令?A.计数指令B.定时指令C.移位指令D.比较指令9.在机电传动控制系统中,若要实现精确的位置控制,常采用什么控制方式?A.闭环控制B.开环控制C.程序控制D.逻辑控制10.变频器在机电传动控制系统中的主要作用是什么?A.改变电动机的转向B.改变电动机的转速C.改变电动机的功率D.改变电动机的电压。
在机电传动控制系统中,常用的速度控制方法是哪种?A. 电流控制B. 电压控制C. 频率控制D. 电阻控制在选择步进电机时,下列哪个参数是必须要考虑的?A. 电机重量B. 电机颜色C. 步进角D. 电机产地直流电机调速中,哪种方法可以实现平滑调速?A. 改变电枢电压B. 改变磁通量C. 改变电源频率D. 改变电机结构在交流电机控制中,变频器的作用是什么?A. 改变电源极性B. 改变电源相序C. 改变电源频率D. 改变电源波形在机电传动控制系统中,为了避免电机过载,通常采取什么措施?A. 减小电机转速B. 增大电源电压C. 安装过载保护器D. 改变电机类型填空题机电传动控制系统中,常用的传感器类型有__________、__________和光电传感器等。
直流电机调速系统中,常用的调速方法有改变电枢电压、__________和改变磁通量。
交流电机调速时,常用的变频器类型有__________变频器和矢量控制变频器。
伺服电机控制系统中,__________是实现精准位置控制的关键。
在选择传动装置时,需要考虑的主要参数有传动比、__________和传动效率。
设计一个基于PLC的直流电机控制系统,要求能够实现电机的正反转、启停和速度控制。
请画出系统框图,并简要说明控制过程。
某交流电机控制系统采用变频器进行调速,当电机负载增大时,电机转速下降。
请分析可能的原因,并提出改进措施。
设计一个步进电机控制系统,用于精确控制一个机械手臂的位置。
请说明如何选择合适的步进电机和驱动器,并给出控制系统设计方案。
某机电传动控制系统中,电机在运行时出现异常振动。
请分析可能的原因,并给出故障诊断和排除的步骤。
阐述在机电传动控制系统中,如何实现电机的过载保护和过热保护,并给出具体的实现方案。
1、要求三台电动机lM 、2M 、3M 按一定顺序启动:即1M 启动后,2M 才能启动,2M 启动后3M 才能启动;停车时则同时停。
试设计此控制线路? 试用PLC 设计出控制程序。
解:此题的关键技术在于:将前一台电动机的交流接触器的辅助常开触点串接在下一台电动机的交流接触器线圈回路中。
继电器-接触器控制线路图如下;PLC 外部接线图如下;梯形图及程序;2、试设计一台电动机的控制线路。
要求能正反转并能实现能耗制动。
LD 401 OUT 431 OR 430 LD 403 ANI 400 OR 432 OUT 430 ANI 400 LD 402 AND 431 OR 431 OUT 432 ANI 400 END AND 4303、设计一台异步电动机的控制线路。
要求:①能实现启、停的两地控制; ③)能实现点动调整;②能实现单方向的行程保护; ④要有短路和长期过载保护;4、试设计一条自动运输线,有两台电动机,1M 拖动运输机,2M 拖动卸料机。
要求:①1M 先启动后,才允许2M 启动;②2M 先停止,经一段时间后1M 才自动停止,且2M 可以单独停止;③两台电动机均有短路、长期过载保护。
试用PLC 设计出控制程序。
1SB 、2SB 分别是1M 、2M 的启动按纽,4SB 是2M 的单独停止按纽,3SB 是停止按纽。
LD 400 ANI 403 OR 430 ANI 450 ANI 450 OUT 431 OUT 430 LD 402 LD 430 OR 450 OUT 200 OUT 450 MC 200 MCR 200 LD 401 END OR 4315、下图为机床自动间歇润滑的控制线路图,其中接触器KM 为润滑油泵电动机启停用接触器(主电路未画出),控制线路可使润滑有规律地间歇工作。
试分析此线路的工作原理,并说明开关S 和按钮SB 的作用? 试用PLC 设计出控制程序。
答:这是一个自动间歇润滑的控制线路。
机电传动控制试题一、填空:(30分每空2分)1.他励直流电动机机械特性的一般表达式为。
2.直流电动机可启动和启动。
3.异步电动机的转差率为。
4.三相异步电动机调速方法有、和三大类。
5.暂载率为。
6.常用电气制动方法有、和。
7.步进电机的速度与有关,角位移与有关。
8。
8051有和存储器。
二.判断:(10分每题2分)1、异步电动机转子绕组有鼠笼式和绕线式。
()2、P为异步电动机磁极数。
()3、反馈制动时,n>n。
()4、热电偶是测量电压的。
()5、可编程控制器的一个触发器等效为一个继电器。
()三、画图:(20分每题10分)1、画出交流电动机改变电源电压时人为特性曲线。
2、画出他励直流电动机的功率流程图。
四、设计:(20分每题10分)1.有一台异步电动机Y-Δ起动控制,并有过载保护的控制线路。
请(1)画出梯形图;(2)编程。
2.设计:有一台异步电动机正反转控制,并有过载保护的控制线路。
请(1)画出控制线路图;(2)画出梯形图;(3)编程。
五、计算:(20分每题10分)1.一台五相反应式步进电动机采用五相十拍运行方式,步距角为1。
50,当控制信号脉冲频率为3KH Z,求步进电动机的转速。
2、.有一台四极三相异步电动机,电源电压的频率50赫,满载的转差率为0。
022,求电动机的同步转速,转子转速和转子电流频率?机电传动控制答案 一. 1.n =Φe C U -ΦCeCt RT2.直接 降压 3.S=0n nn - X % 4.变极 改变转差率 变拼 5.FON ONT T T 0+=ε X %6.能耗 反接 反馈 7.脉冲频率 脉冲个数 8.程序 数据 二.1.√ 2。
X 3。
√ 4。
X 5。
√三.1.2.nPcufPcuaPm+PfeP1PEP2三.设计1.X000X001MC N0 M1 X002Y003TO K50T0Y001 X002Y003Y001Y002Y003Y001Y003MCR N0END0 LDI X0001 ANI X0012 MC N0 M15 LD X0026 ANI T0037 OUT T0 K5010 AND T011 OUT Y00112 LD X00213 ANI Y00314 AND Y00115 OR Y00316 OUT Y00217 ANI Y00118 OUT Y00319 MCR N021 END2.电源四.计算60 f=750转/分1.N=3602.四极n0=1500转/分n=(1-s)n0=(1-0。
1、要求三台电动机lM、2M、3M按一定顺序启动:即1M启动后,2M才能启动,2M启动后3M才能启动;停车时则同时停。
试设计此控制线路? 试用PLC设计出控制程序。
解:此题的关键技术在于:将前一台电动机的交流接触器的辅助常开触点串接在下一台电动机的交流接触器线圈回路中。
继电器-接触器控制线路图如下;PLC外部接线图如下;梯形图及程序;LD 401 OUT 431OR 430 LD 403ANI 400 OR 432OUT 430 ANI 400LD 402 AND 431OR 431 OUT 432ANI 400 ENDAND 4302、试设计一台电动机的控制线路。
要求能正反转并能实现能耗制动。
3、设计一台异步电动机的控制线路。
要求:①能实现启、停的两地控制;③)能实现点动调整;②能实现单方向的行程保护;④要有短路和长期过载保护;4、试设计一条自动运输线,有两台电动机,1M拖动运输机,2M拖动卸料机。
要求:①1M先启动后,才允许2M启动;②2M先停止,经一段时间后1M才自动停止,且2M可以单独停止;③两台电动机均有短路、长期过载保护。
试用PLC设计出控制程序。
LD 400 ANI 403OR 430 ANI 450ANI 450 OUT 431OUT 430 LD 402LD 430 OR 450OUT 200 OUT 450MC 200 MCR 200LD 401 ENDOR 4311SB、2SB分别是1M 、2M的启动按纽,4SB是2M的单独停止按纽,3SB是停止按纽。
5、下图为机床自动间歇润滑的控制线路图,其中接触器KM为润滑油泵电动机启停用接触器(主电路未画出),控制线路可使润滑有规律地间歇工作。
试分析此线路的工作原理,并说明开关S和按钮SB的作用? 试用PLC设计出控制程序。
答:这是一个自动间歇润滑的控制线路。
开关S、按钮1SB的作用及电路的工作过程如下:(1)S是进行自动间歇润滑的控制开关,1KT-决定润滑时间,2KT-决定不润滑时间,电路的工作过程:合上开关S,KM的线圈得电,电动机M转动,进行润滑;1KT的线圈得电,触点1KT延时后闭合,K的线圈得电,常开触点K闭合,自锁;常闭触点K断开,KM线圈失电,停止润滑;1KT的线圈失电。
2KT的线圈得电,延时后常闭触点2KT断开,K的线圈失电,常开触点K断开,2KT的线圈失电,2KT的常闭触点瞬时合。
常闭触点K闭合,KM线圈又得电,润滑。
1KT的线圈又得电,延时重复以上动作。
(2)1SB为手动(点动)润滑操作按钮。
LD 400 LD 450ANI 100 OR 100OR 401 ANI 450OUT 430 OUT 100LD 400 LD 100ANI 100 OR 4516、试设计1M和2M两台电动机顺序启、停的控制线路。
试用PLC设计出控制程序。
①1M启动后,2M立即自动启动;②1M停止后,延时一段时间,2M才自动停止;②2M能点动调整工作;④两台电动机均有短路、长期过载保护。
1SB、是1M、2M的启动按纽,3SB是2M的点动按纽,LD 401 OUT 450OR 431 K3ANI 402 LD 450ANI 404 OR 403OUT 431 ANI 404LD 401 OUT 432OR 431 ENDANI 402ANI 4047、试设计某机床主轴电动机控制线路图。
要求:①可正反转,且可反接制动;②正转可点动,可在两处控制启、停;③有短路和长期过载保护;④有安全工作照明及电源信号打;8、试设计一个工作台前进一退回的控制线路。
工作台由电动机M拖动,行程开关1ST、2ST分别装在工作台的原位和终点。
要求:①能自动实现前进—后退一停止到原位;②工作台前进到达终点后停一下再后退;③工作台在前进中可以人为地立即后退到原位;④有终端保护;试用PLC设计出控制程序。
LD 401 K3OR 430 LD 402ANI 402 OR 450ANI 404 OR 431ANI 431 ANI 403OUT 430 ANI 430LD 404 OUT 431OUT 450 END其它练习题:1、试设计一台电动机拖动小车的控制线路。
要求能正反转并能实现在A、B两点间的自动往复运动。
要求绘出主电路和控制电路。
2、试用F-40M型PLC设计一运输线,1M拖动运输机,2M拖动卸料机,要求:(1)1M先启动,经一段时间后,2M才允许启动;(2)2M停止后,才允许1M停止。
设计要求完成:(1)绘出电动机主电路;(2)绘出PLC安装接线图;(3)绘出PLC梯形图;编写PLC指令程序。
3、试用F-40M 型设计三相鼠笼异步电动机 ∆-Y 启动的控制程序。
要求绘出主电路和控制电路。
1、常见基本控制电路的工作原理和工作过程?(正反转控制电路/起动控制电路/制动控制电路)——本题以正反转为例说明LD 401 ANI 432 OR 430 OUT 431 ANI 400 LDI 431 OUT 430 ANI 432 ANI 432 OUT 451 OUT 450 K 2 K 10 LD 451 LD 430 OR 432 OUT 100 OUT 432 MC 100 MCR 100 LDI 450 ENDLD 403 OUT 450 OR 432 K 5 AND 401 LD 402 ANI 405 OR 432 ANI 406 ANI 404 OUT 431 AND 450 LD 403 ANI 405 OR 432 ANI 406 AND 431 OUT 432 ANI 405 END ANI 406答:正反转控制原理:使用两个接触器使通入电动机的三相电源中的任意两相交换。
动作过程:正转-停止-反转按下正转按钮SB2,接触器KM1的线圈得电自锁,电动机正转。
按下停止按钮SB1,接触器KM1的线圈失电,电动机转。
按下反转按钮SB3,接触器KM2的线圈得电自锁,电动机反转。
2、试说明下图所示的反接制动控制的工作原理及工作过程。
答:反接制动控制原理:改变异步电动机定子中三相电源的相序,使定子产生反向旋转磁场作用于转子,从而产生强力制动力矩。
工作过程:合上电源开关QS,按下起动SB2,接触器KM1线圈获电吸合,KM1主触点吸合电动机起动运转,当电动机转速升高到一定数值时,速度继电器KS的动合触点闭合,为反接制动做准备。
停车时,按停止按钮SB1,接触器KM1线圈断电释放,而接触器KM2线圈获电吸合,KM2主触点闭合,串入电阻R进行反接制动,电动机定子绕组产生一个反向电磁转矩(即制动转矩),迫使电动机转速迅速下降,当转速降至100r/min一下时,速度继电器KS的动合触点断开,接触器KM2线圈断电释放,电动机断电,制动结束。
3、如下图所示的控制线路。
问:(1) 控制线路的作用?(2) 先按起动按钮SB2,再按停止按钮SB1时,写出控制线路的工作过程?(3) 此控制线路能否实现手动调整?为什么?答:(1) 反接制动控制线路 (2) 控制线路的工作过程如下:()⎩⎨⎧+→→BV 2KM 1KM 1KM 2SB 速度继电器-常闭触点断开,电动机正转运行+按下 ()⎩⎨⎧→-≈→→)(2,02KM 11KM 11SB 制动结束-速度制动开始+常开触点闭合,-常闭触点断开,按下KM BV n SB SB (3) 能实现手动调整。
因为当主轴转动时,BV 闭合,并不能接通KM2的线圈,实现制动。
4、转换PLC 控制系统。
将行程开关控制的正反转循环电路转换成PLC 梯形图,写出程序指令,并说明哪些元件接在输入端X 上,哪些元件接在输出端Y 上。
输入:SB1:X400;SB2;X401; SB3:X402;ST1:X403;ST2:X404; ST3:X405; ST4;X406。
输出:KM1,Y430; KM2,Y431。
指令: LD X401 LD X402 OR X403 OR X404OR Y430 OR Y431 ANI X402 ANI X401 ANI X400 ANI X400 ANI X404 ANI X403Y431Y430ANI X406 ANI X405ANI Y431 ANI Y430OUT Y430 OUT Y4315、设计控制3台异步电动机M1、M2、M3的主回路及控制回路满足如下要求:M1启动运行10秒后M2启动运行,在M2启动运行20秒后M3启动运行,在M3启动运行30秒后使M1停止运行并继续保持M2和M3运行直到发出总停指令。
画出设计图(包含主回路和控制回路),并对电路作简要说明。
答:SB1SB2K M1K M1K M2KT3KT1KT2KM3K M2KT1KT2KT310s20s30sKR1KR2KR3KM2KM1M23~EM13~M21M22M233~u01`v02w03Q1KR1KR3KR2KM3FU1M3FU2FU3SB1为总停止按扭;按下SB2,KM1锝电并自锁同时KT1得电开始延时,延时10秒后,KT1的延时闭和的动和触点闭和使KM2得电并自锁,同时使KT2得电开始延时,延时20秒后,KT2的延时闭和的动和触点闭和使KM3得电,同时KT3得电开始延时,延时30秒后,KT3的延时断开触点断开使KM1失电。
6、如下图所示的控制线路,实现动作过程:动力头1从b→a停下,然后动力头2从c→d停下,接着两个动力头同时回退,分别退回到b点与c点停住。
问:(1) 为什么ST2的常开触点不自锁,ST4要用两个常开触头自锁?)(2) 要求动力头2到达d点后延迟一段时间后两个动力头再各自后退,应怎样办?答:(1) ST2被动力头1压下时,接通KM2+,动力头2的电机正转,动力头2从c→d,在此过程中动力头1不动,ST2的状态不被改变,所以ST2不用自锁(2分)。
当动力头2运动到d时,压下ST4,接通KM3、KM4,动力头1、2同时回退,分别退回b点与c点停住。
此时动力头2要运动,ST4的状态会被改变,所以必须要自锁,同时为保证动力头1、2均退回原点,必须用两个常开触点(KM3、KM4)自锁()。
(2) 使用一个时间继电器(,ST4接通KT延时),KT的延时闭合触点取代开始ST4的常开触点)。
7、设计继电器接触器控制系统并转换PLC控制系统。
设计两台电动机顺序起动联锁控制线路,要求M1电动机起动1s之后M2起动;要求主回路有短路保护和过载保护和总开关;控制回路有过载保护,有起动按钮和停止按钮;M2起动后时间继电器不得电。
⑴试画出继电接触控制线路的主回路和控制回路,并对电路进行简要说明;⑵再将该继电器接触器控制系统转化为三菱F1系列的PLC控制系统,要求画出PLC接线图,梯形图并写出指令表。
答:继电接触控制线路图如图所示。