漆包线耐温等级
- 格式:ppt
- 大小:1.21 MB
- 文档页数:2
180级聚酯亚胺漆包线QZY/180适用用场合适用于各种须耐高温的马达,线圈,继电器等。
产品描述热级:180绝缘结构:聚酯亚胺底层提供了优良的热稳定性聚酰胺面层增强了机械性能,降低了表面摩擦系数,能适应高速绕线的需要耐热冲击及软化击穿性能优异。
产品说明执行标准:NEMA: MW 76-C, MW 24-CIEC: 317-22, 317-8UL: File No. E208123能提供的规格:0.08-5.19(39AWG-4AWG)性能参数:(下述数据适用于规格为0.71mm,国标2级漆膜,实测的数据仅作参考)电性能击穿电压:国标:常温下:4.8KV实测:常温下:9.7KV在180℃温度下:7.0KV漆膜连续性:国标:5个/30米,1500V实测:0-1个/30米,2000V化学性能耐溶剂:常温下处理6小时:通过溶剂组分为:60%的石油溶剂,其芳香族组分最大含量为18%30%的二甲苯10%的正丁醇热性能耐热性能:180℃温度下寿命在20000小时以上软化击穿性能国标:300℃实测:340℃耐热冲击(伸长20%,3D)NEMA标准:0.5小时@200℃不开裂实测:0.5小时@220℃不开裂耐劣化性200℃下处理6小时后,击穿电压大于正常的70% 机械性能漆膜柔韧性国标:1D实测:伸长20%,1D单向耐刮Unilateral Scrape国标:3次最小刮破力:7.5牛顿实测:3次最小刮破力:13.5牛顿。
1.适用范围QZY—2 180°漆包铝圆线。
2、产品名称、型号、规格范围及耐温等级。
2.1产品名称、型号及规格范围见表1。
表12.2产品热级为180°级。
3、导体、绝缘漆膜及外观a)导体线的导体,根据GB/T4074-2008中说明为基准。
b)绝缘漆膜线的绝缘漆膜是将聚酯材料均匀的烘焙在导体表面。
然后在上面涂上润滑良好的润滑油。
油漆对导体无害,而且使用耐久。
c)线的导体直径,允许公差,最小漆膜厚度,及外径见附表1。
d)特性:线的特性在执行4条试验时,必须通过附表2的规格。
4、试验方法4.1外观外观测试是目视线圈的外观,观察有无划痕及脏污。
4.2尺寸尺寸测试参照GB/T4074-2008中进行。
具体如下:4.2.1外径测定:取长度1米的试样,与导体轴垂直的同一平面上取3个相同的角度测量直径,取测定值的平均值。
4.2.2导体测定:以不损伤导体的方式去除漆膜,按测定外径的方法测定导体直径。
4.2.3漆膜厚为外径和导体直径之差。
4.3漆膜连续性试样以(275±25)㎜/S的速度从高压电极轮上通过。
试样导体和电极接入电气回路。
其开路直流试验电压调节到表3的规定值,偏差为±5%。
试样的接地导体应接正极。
表3试样电压4.4柔韧性柔韧性试验参照GB/T4074-2008导体直径在1.60mm以上的用拉伸法,导体直径在1.60mm以下的用卷绕法。
4.4.1拉伸法从同一线盘取长度35厘米的试样3个,标线距离250mm,以300mm/秒以下的速度拉伸至规定的值,用15倍的放大镜观察漆膜表面是否开裂或漏铜。
4.4.2卷绕法从同一线盘取适当长度的试样3个,将试样紧密地绕至试样自身或规定直径的光滑圆棒,线和线要紧密相邻绕10圈,观察漆膜表面有无开裂或漏铜。
拉伸及卷绕棒直径参照表4表44.5附着性附着性试验参照GB/T4074中进行,具体如下:适用于导体直径1.60mm以下的试样.从同一线盘取长度约35厘米的试样3个,标线距离250mm,以约4m/s的拉伸速度将试样拉断,用约15倍的放大镜观察漆膜有无开裂或漏铜。
漆包线耐压国家标准
漆包线是一种常用的绝缘材料,用于电气设备中的绝缘包覆。
漆包线的耐压性
能直接关系到电气设备的安全可靠运行,因此有必要对漆包线的耐压国家标准进行了解和了解。
漆包线的耐压国家标准主要包括漆包线的耐压等级、耐压测试方法、耐压测试
条件等内容。
首先,漆包线的耐压等级应符合国家标准规定,以确保其在正常工作条件下不会发生击穿或绝缘破坏。
其次,耐压测试方法应符合国家标准要求,包括测试设备、测试步骤、测试参数等内容,以保证测试结果的准确性和可靠性。
最后,耐压测试条件也是非常重要的,包括测试环境、测试温度、测试湿度等因素,对于漆包线的耐压性能具有重要影响。
在实际生产中,漆包线的耐压国家标准是非常重要的参考依据。
生产厂家应严
格按照国家标准要求进行生产,确保产品的耐压性能符合国家标准。
同时,用户在选用漆包线时也应注意选择符合国家标准的产品,以确保电气设备的安全可靠运行。
除了符合国家标准外,漆包线的耐压性能还受到多种因素的影响,如材料选用、生产工艺、使用环境等。
因此,生产厂家和用户在使用漆包线时还应注意对这些因素进行综合考虑,以确保产品的耐压性能达到预期要求。
总之,漆包线的耐压国家标准是保障电气设备安全可靠运行的重要依据,生产
厂家和用户都应严格遵守国家标准要求,确保产品的耐压性能符合要求。
同时,还应注意综合考虑其他因素的影响,以提高产品的耐压性能和可靠性。
电动机常用圆漆包线型号及耐热等级:1)缩醛漆包线(型号QQ),耐热等级:E级(120度);2)聚酯漆包线(型号QZ/130),耐热等级:B级(130度);3)改性聚酯漆包线(型号QZ/155),耐热等级:F级(155度);4)改性聚酯亚胺漆包线(型号QZY/180),耐热等级:H级(180度);5)酰胺酰亚胺漆包线(型号QZY、QXY/200),耐热等级:C级(200度);6)聚酰亚胺漆包线(型号QY/200),耐热等级:C级(210度)。
电动机的绝缘等级是指其所用绝缘材料的耐热等级,分A、E、B、F、H级。
允许温升是指电动机的温度与周围环境温度相比升高的限度。
绝缘的温度等级A级E级B级F级H级最高允许温度(℃)105 120 130 155 180绕组温升限值(K)60 75 80 100 125性能参考温度(℃)80 95 100 120 145定子B级,转子F级。
目前,在电子设备中应用电源接线端子已经成为一种趋势,而电源接线端子器件本身也在逐渐增大,并且可承载更大的功率,随着接线端子体积变大,它们在设备功能方面的重要性也越显突出,并且在保证产品特色方面也扮演了越来越重要的角色。
不断改进的电路板技术使面板上安装的接线端子可承载的电流提升了很多,目前已突破了110A的限制,远远超过了先前产品的水平,这使得在设计过程中到底使用哪种电源接线端子才能满足系统要求这一问题变得更加复杂。
此外,在不同地区衡量性能参数的方法也不同,甚至对同种产品所给出的标称参数也有相当大的差异。
因此,要想获得长期可靠性并保证低成本,了解这些差异是非常重要的。
用户需要理解UL和IEC规格间的差异。
在欧洲制造的接线端子产品的规格采用IEC标准,而在美国制造的产品则采用UL标准。
这两种标准之间的差异非常大。
中国接线端子联盟门户网。
中国接线端子技术论坛,中国电气附件网认为不了解产品规格测定方法的工程师会冒相当大的风险,因为选用的器件有可能会达不到所需要的功率水平,或者选用器件的规格远远超出了设计需要。
电机漆包线(电磁线)的绝缘等级:
E级绝缘:聚胺脂漆包铜圆线QA,120℃。
B级绝缘:高强度聚酯漆包圆铜线QZ,一般为QZ-2/130漆包线(2级漆膜,130℃)。
F级绝缘:聚酯亚胺漆包圆铜线QZY,一般为QZ(G)-2/155漆包线(2级漆膜,155度)。
H级绝缘:玻璃丝包漆包线,180℃。
绝缘耐热等级:
按照UL1446及IEC 60085
Y A E B F H N R
C
90 105 120 130 155 180 200 >220 250
按照NEMA MW 1000 及IEC 60317 有240级的芳香族聚酰胺漆包线(MW 16-C,通常QY),典型的材料
Y、A 聚酰胺(纯尼龙)一般应用在短路保护
E 缩醛、低温聚氨酯
B 聚氨酯
F 聚氨酯、聚酯
H 聚氨酯、聚酯亚胺、改性聚酯
N 聚酰胺酰亚胺复合聚酯或聚酯亚胺聚酰胺酰亚胺
R 聚酰胺酰亚胺聚酰亚胺
C 芳基聚酰亚胺
本身的电气绝缘等级要和漆膜厚度相关
漆膜厚度有薄、厚、特厚等等
电动机常用圆漆包线型号及耐热等级:1)缩醛漆包线(型号QQ),耐热等级:E级(120度);2)聚酯漆包线(型号QZ/130),耐热等级:B级(130度);3)改性聚酯漆包线(型号QZ/155),耐热等级:F级(155度);4)改性聚酯亚胺漆包线(型号QZY/180),耐热等级:H级(180度);5)酰胺酰亚胺漆包线(型号QZY、QXY/200),耐热等级:C级(200度);6)聚酰亚胺漆包线(型号QY/200),耐热等级:C级(210度)。
漆包线的各項特性指標及其测试方法一、尺寸试验方法要点尺寸是用完成外径、导体径以及皮膜厚度来表示,根据皮膜厚度的下记种类。
0种 最厚皮膜 1种 厚皮膜 2种 薄皮膜 3种 最薄皮膜完成外径是根据电机的满槽率和耐压等级来确定的。
二、热的特性1. 耐热寿命选择使用电线时,必须选择电机的温度指数来确定漆包线,而漆包线的温度指数由耐热寿命来求取。
耐热寿命的试验方法是ASTM D2307,根据其2万小时的工作环境温度来确定其等级,一般被使用的耐热等级和温度指数如下表被子区分。
2. 耐热冲击耐热冲击是在皮膜伸张和弯曲的状态下, 加热再瞬间冷却时,看是否因热胀冷缩 而发生破裂。
一般耐热高的电线即使是对于高的加热温度, 破裂不易产生。
电线卷付径小的场合,或者在卷线的伸长率大的场合,必须选择高热冲之漆包线。
3. 耐软化耐软化是测试漆包线在受到热、力 和电三个方面的作用时,其漆膜的抵 抗程度,一般是固定其力和电两个方面、衡量温度来作为指标比较,有升 温法和定温法两种。
三、电气的特性1. 针孔针孔是把皮膜的微细的伤和孔等电气的缺陷部分的检视的方法。
电线是用薄的皮膜保持绝缘性, 皮膜的厚度是1种以上,通常针孔 发生非常少,都是接近没有的现状。
另一种测试方法是高压针孔,其原理是将漆包线通入高压低流电流,测试其表面抗阻是否均匀,一般是取30m 看其缺陷个数。
2. 绝缘破坏电压绝缘破坏电压是检查皮膜的绝 缘性能,是根据电线的皮膜厚度而 而不同来确定标准。
一般来说使用2个方法,细线0.10mm绝缘破坏电压是随着皮膜变厚来表 示高值,根据电机的线间电压和相间电压来研讨皮膜的厚度。
四、机械的特性1. 可挠性可挠性是用卷线机把电线弯曲时, 调查皮膜是否发生龟裂,根据伸长或 者卷挠来判断,通常在本身外径上卷 挠也不会发生龟裂。
2. 密着性密着性是检查皮膜和导体是否结合紧密紧密。
密着不好而卷线时皮膜就会产生剥落现象。
3.耐摩耗耐摩耗是检查皮膜在受外界摩擦力的作用下其是否破损。
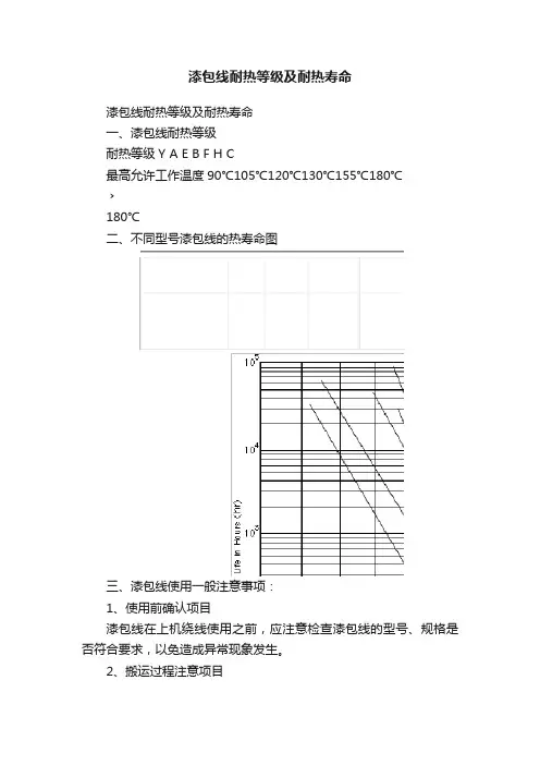
漆包线耐热等级及耐热寿命
漆包线耐热等级及耐热寿命
一、漆包线耐热等级
耐热等级Y A E B F H C
最高允许工作温度90℃105℃120℃130℃155℃180℃
﹥
180℃
二、不同型号漆包线的热寿命图
三、漆包线使用一般注意事项:
1、使用前确认项目
漆包线在上机绕线使用之前,应注意检查漆包线的型号、规格是否符合要求,以免造成异常现象发生。
2、搬运过程注意项目
由于漆包线的皮膜很薄,非常容易受到尖锐物体的损伤,因此搬运的过程中要
小心防止碰撞造成漆包线受损。
3、储存
首先要维护漆包线外包装的完整性,防止因包装破损而使漆包线受到污染;通常漆包线的储存应远离灰尘、金属碎屑、潮湿和阳光照射。
4、绕线过程注意事项
(1)绕线过程擦伤由于漆包线的表面是一层绝缘皮膜,容易受到金属物体边角的刮伤,因此在绕线过程中一定要注意机械设备与漆包线接触的部位,并尽量减少施加在漆包线上的外力;避免漆膜受到损伤。
(2)绕线张力在绕线过程中,施加在漆包线上的张力尽可能的要小,以尽可能地减少漆包线性能的变化。
5、漆膜的去除
(1)燃烧法:如酒精灯燃烧法。
(2)机械剥离法:如专用的漆皮剥离器。
(3)化学试剂处理法:如脱漆剂。
WIRE介绍一、漆包线(WIRE)铜软化后表面涂绝缘漆,经加工烘干。
A、UEW:直接焊锡,容易着色,耐温等级。
B、U EW+NY:耐磨,耐劣化优点。
C、P EW:155℃,可焊与不焊。
D、PEW+H:180℃,不可焊,马达线。
E、APTZ:200℃,高温要求特殊线。
F、三层绝缘线:三层绝缘层,耐高压,105℃。
G、TEFLON线:外有一层TEFLON TUBE绝缘层,耐高压。
H、镀锡WIRE:内部WIRE已焊锡。
外套一层PVC TUBE,除掉外套可直接使用。
I、Coating漆包膜层数不同。
日规:0UEW 1UEW 2UEW 3UEW美规:Triple Heavy Single Half(Awg号)漆包膜层数:1层2层1层1层(较薄)NOTE:线径越大,DCR越小;相反,越小其DCR越大。
DCR值随温度变化公试:Rt=R20℃[1+4*(t-20)/1000]即温度每变化1℃,DCR变化为20℃时0.4%左右(t为实际温度和所求温度)。
0UEW[H﹢(200℃)]——0UEW[H(180℃)]——1UEW+NY[F(155℃)]——1UEW[B(130℃)]——2UEW+NY[E(120℃)]——2UEW[A(105℃)]——3UEW[Y(90℃)] 针孔数:0UEW(2个以下) 1UEW(5个以下) 2UEW(8个以下) 3UEW(12个以下)CORE介绍一、CORE的材质可分为:Nizn Mzn Mpp Iron porwer TAPE WOUND ArmophoseMpp:温度稳定,公差小于:±8%,其价格较贵,粉末烧制而成。
Iron power:用于滤波器及噪声屏蔽处。
“—26”为黄白材质,如:50-26,124-26;“—52”为蓝绿材质,如:50-52,106-52;“—8”为黄红材质,如:50-8;“—2”为红透明材质。
TAPE WOUND:镍钢卷而成,电气放大,ISDN用。
一.漆包线种类:绝缘漆类别种类:H 180CH180CH200CB130CF155C 可直接焊锡之EIW漆包线焊锡温度450C。
高温直焊性UEW漆包线焊锡温度380C。
绝缘漆类别种类:B 130CF155CF155CH200CC220C特性可直焊,耐磨性佳,可挠性佳。
柔软性佳,耐磨及耐药品性佳,电气性能优。
耐磨性佳,可挠性佳,耐冷媒R-12,耐高温,耐软化,耐磨性佳,耐冷媒,HFC-134A。
耐高温,耐磨性特佳,耐化学药品,耐热稳定性佳,耐冷媒R-12,HFC-134A二.漆包线特性检验:1.针孔:以一定长度试验材料之目视不能辨别之漆膜小孔。
2.可挠性(曲伸性):绕卷或伸长时,以漆膜是否龟裂或是否产生针孔。
3.密着性:急速拉伸时,漆膜有无龟裂。
4.耐磨(损)性:以磨耗试验机磨耗漆膜时,以磨至见到导体之次数或磨耗破坏值。
5.绝缘破坏电压:将两股漆包线绞合成一条,加电压于其导体间,以漆膜之破坏电压。
6.耐老化性:于规定条件下加热时,以漆膜是否产生针孔或绝缘破坏电压值表示之。
7.耐软化性:将交叉之漆包线于规定条件下加热,通电后,以有无短路或发生短路之温度值。
或绞合两股漆包线于规定条件下加热,视漆膜是否异常。
8.耐热冲击性:伸长或卷绕时,于规定条件下加热,视漆膜是否龟裂。
9.耐溶剂性或耐药品性:浸于溶剂或药品时,将漆膜之状态以指甲法或铅笔法表示。
10.耐油性:依规定条件下浸于绝缘油,将漆膜之状态以指甲或铅笔法表示之。
11.直焊性:依规定条件温度、焊锡,视焊锡是否均匀附着。
12.导体电阻:以导体电阻试验仪器测定,再换成20C时之数值表示之。
三.漆包线制造工艺流程:1.伸线工艺流程(表一)。
2.漆包线工艺流程(表二)。
3.漆包线成品入库检查流程(表三)。
酚酞盐水试验。
拟定时间一.适用范围:1.本公司生产之所有漆包线均适用本规格承认书。
2.漆包线种类:UEW、UEWF、UEW+ NY、UEWF+NY、UEWH、UEWH+NY,包括系列有色线(R、B、G)、EIW、EIW+ NY、PEW、PEW+ NY。
3.NY 漆包线、双被覆尼龙NY 涂料,具有优良的耐磨性及排线,便于高速绕线作业。
二.检验项目:适用于所有种类漆包线。
1.UEW 系列包括:UEW+ NY 系列有色线。
2.PEW 系列包括:PEW+ NY。
3.EIW 系列包括:EIW+NY。
4.UEWF 系列包括:UEWF+NY 系列有色线。
5.UEWH 系列包括:UEWH+NY 系列有色线。
1 外观7 直焊性2 尺寸8 耐热冲击3 针孔9 耐软化性4 伸长率10 密著性5 绝缘破坏电压11 曲伸性6 导体电阻三.耐温等级:1.UEW:聚胺酯漆包线,耐热等级为 B 级130︒C,可直焊(UL-E196072)。
2.UEW F:聚胺酯漆包线,耐热等级为 F 级155︒C,可直焊(U L-E196072)。
3.PEW:聚酯瓷漆包线,耐热等级为 F 级155︒C 不可直焊性(U L-E196072)。
4.EIW:聚酯亚胺漆包线,耐热等级为H 级有 180︒C 和200︒C,可直焊与不可直焊二种(U L-E196072)。
5.UEW H:聚胺脂漆包线,耐热等级为H 级180C,可直焊(U L-E196072)。
漆包线针孔检验指导书一.使用器材:针孔试验机、水盆、锡炉、清水杯、酒精灯、剪刀、提钩、3 寸胶轴、5 寸胶轴。
二.试验原料:食盐、酒精、酚酞、清水。
三.测试条件:1.测试环境温度:一般条件使用温度:22.5±12.5C。
2.测试环境湿度:一般条件使用湿度:5020%。
3.测试电流电压:DC12V 电流电压一分钟。
4.溶液之配方比例:浓度为3%的酚酞酒精溶液加入到浓度为0.2%的食盐水中,比例适中。
四.测试原理:根据电解铜的原理,2CU+2H2O 通电2CUO(红色)+2H2,汽孔处呈红色状,即为针孔。
uew漆包线等级划分
UEW漆包线是一种特殊的绝缘线材,其等级划分代表了漆包
线的绝缘能力和耐温性能,常见的UEW漆包线等级划分如下:
1. A级:耐温等级为105℃,适用于一般低温绝缘要求的场合。
2. B级:耐温等级为130℃,适用于一般中温绝缘要求的场合。
3. F级:耐温等级为155℃,适用于一般高温绝缘要求的场合。
4. H级:耐温等级为180℃,适用于高温绝缘要求的场合。
需要注意的是,以上的UEW漆包线等级划分仅代表了常见的
等级,实际应用中还有一些其他的特殊等级,如N级(耐温200℃)、C级(耐温220℃)等,用以满足特殊工况下的绝
缘要求。
漆包线UL认证,漆包线拷贝绝缘系统UL认证,调光器PSE认证漆包线目前广泛应用于电感,变压器等产品,由导体(铜线)和绝缘层(漆包线漆膜)两部组成。
一般来讲,漆包线的分类有以下两种:按绝缘材料来分:分为缩醛漆包线,聚西酯漆包线,聚氨酯漆包线,改性聚酯漆包线,聚酯亚胺漆包线,聚酯亚胺/聚酰胺酰亚胺漆包线,聚酰亚胺漆包线。
按温度等级来分:分为 130℃、155℃、180℃、200℃、220℃。
GB/T 6109 系列标准是漆包线的国家推荐标准,GB 标准是根据漆包线所用绝缘材料进行分类。
常见如QZ 系列、QA 系列、QQ 系列、QZY 系列、QY 系列、已经复合漆膜漆包线。
美国国家材料标准协会则根据漆包线导体、漆膜、耐温等级对漆包线划分登记。
这也是目前推广最好的漆包线认证。
常见的ANSI 等级有:聚氨酯漆包线MW 75、MW79 等;耐高温漆包线MW37、MW35、MW81 等;聚酯亚胺漆包线MW30、MW74、MW77 等;改性聚酯漆包线MW5、MW26 等。
日本漆包线的依据标准是JIS 3202,基本上也是依据漆膜材料进行种类划分,常见型号有PVF、PEW、UEW、EIW 等。
漆包线行业的竞争激烈,企业为提供自身的竞争和生存能力,纷纷在管理水平和产品质量上挖掘潜力,外在的表现往往是进行ISO 管理体系认证和产品认证。
目前绝大部分工厂会选择UL 认证。
UL 对漆包线进行评估所依据的标准是UL1446,ASTM D 2307 和NEMA MW 1000,测试主要有以下几项:1、热冲击测试;2、漆包线热指数测试,根据是否使用有认证的漆膜而区分进行一点老化测试还是进行三点老化测试;3、耐压测试;4、 IR 测试。
三鼎人锐意进取,我们已经建立起全套的 UL测试设备,并将建立全套电线电缆的测试能力提上日程。
经过数年长足发展,三鼎国际已经成为国内知名的电线电缆认证咨询服务机构。
黄小洁壹伍零壹陆玖肆玖捌零壹,我们先后为来自全国各地的近百家电线电缆客户提供着UL、VDE、CCC、PSE、SAA 等世界各国认证咨询。
漆包线的型号类别和特性※聚乙烯甲醛漆包铜线(PVF)※聚酯漆包铜线(PEW)※聚胺酯漆包铜线(UEW)※尼龙外被聚胺酯漆包铜线(UEW+NY)※尼龙外被聚酯漆包铜线(PEW+NY)※直焊变性聚亚胺酯漆包铜线(SEIW)※聚酯亚胺漆包铜线(EIW)※酰胺亚胺外被变性聚酯漆包铜线(EAIW)※聚酰胺亚胺酯漆包铜线(AIW)※尼龙热熔漆包铜线(NFW)※绞合漆包铜线(LITZ)※自融性漆包铜线(R*-SB)UEW聚胺酯漆包铜线● 耐温等级:130 ℃ / 155 ℃●本产品经UL 认可合格登录,有耐温等级130℃的TYPU-130 及耐温等级155℃的TY1700-U155 。
●绝缘说明:UEW其绝缘层-聚胺基甲酸树脂为Polyisocyanate & Polyol之组成,在360 ℃~400 ℃具有良好直接焊锡性,广泛应用于线圈及马达绕组。
● 特性:(a)具有良好直焊性,绕线加工过程中,可免剥除皮膜之动作,有效提高工作效率。
(b)在高频下,具有良好"Q"值特性。
(c)具有良好密着性及卷绕性。
(d)对一般含浸凡立水所使用之溶剂及硬化剂, 具有良好耐溶剂特性, 可填加染料, 便利识别。
●应用范围:高频线圈及变压器、继电器、磁化线圈、螺形线圈、小型马达、点火线圈。
PEW聚酯漆包铜线●耐温等级:155 ℃●本产品经UL 认可合格登录●绝缘说明:PEW其绝缘层为Polyester树脂,温度等级达155℃,具有良好温度稳定性及绝缘特性。
●特性:(a)具有良好之抗Crazing特性、耐磨性、耐化学药性及温度稳定特性。
(b)其物理特性如可绕性、耐磨耗及密着性,皆优于PVF线种。
EIW聚酯亚胺漆包铜线●耐温等级:180 ℃●绝缘说明:EIW其绝缘层为Polyesterimide,乃Terephthalate和Esterimide 之组成,于180 ℃连续操作运转时具有良好温度、稳定性及绝缘特性。
一.适用范围:1.本公司生产之所有漆包线均适用本规格承认书。
2.漆包线种类:UEW、UEWF、UEW+NY、UEWF+NY、UEWH、UEWH+NY,包括系列有色线(R、B、G)、EIW、EIW+NY、PEW、PEW+NY。
3.NY漆包线、双被覆尼龙NY涂料,具有优良的耐磨性及排线,便于高速绕线作业。
二.检验项目:适用于所有种类漆包线。
1.UEW系列包括:UEW+NY系列有色线。
2.PEW系列包括:PEW+NY。
3.EIW系列包括:EIW+NY。
4. UEWF系列包括:UEWF+NY系列有色线。
5.UEWH系列包括:UEWH+NY系列有色线。
1 外观7 直焊性2 尺寸8 耐热冲击3 针孔9 耐软化性4 伸长率10 密著性5 绝缘破坏电压11 曲伸性6 导体电阻三.耐温等级:1.UEW:聚胺酯漆包线,耐热等级为B级130°C,可直焊(UL-E196072)。
2.UEWF:聚胺酯漆包线,耐热等级为F级155°C,可直焊(UL-E196072)。
3.PEW:聚酯瓷漆包线,耐热等级为F级155°C不可直焊性(UL-E196072)。
4.EIW:聚酯亚胺漆包线,耐热等级为H级有180°C和200°C,可直焊与不可直焊二种(UL-E196072)。
5.UEWH:聚胺脂漆包线,耐热等级为H级180°C,可直焊(UL-E196072)。
四.本检验指导书所有实验方法请参考:JIS3211或CNS:C2041、C2170、NEMA1000.漆包线外观检验指导书一.使用器材:目视、手感、放大镜。
二.检验依据:依实物检验判定。
三.品质要求:1.线材不可有因氧化而发黄发黑之异常状况。
2.线材无起泡,无刮伤等现象。
3.线材表面不得有黑点、黑线或间断性黑点黑线之异常。
4.线材不允许有粗粒、颗粒、凸粒之现象。
5.线材表面不容许有因断线而被打伤,呈点粒状。
6.线材表面不可有撞伤之状况。