细部构造检验批质量验收记录表(GD2404004)
- 格式:doc
- 大小:42.50 KB
- 文档页数:2
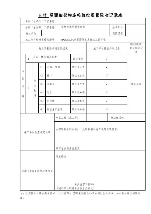
1(1)天沟、檐沟(2)檐口(3)水落口(4)泛水(5)变形缝(6)伸出屋面管
道主
控
项
目2防
水
构 造
施工单位检查评定结果
监理(建设)单位验收结论项目专业质量检查员:
专业工长(施工员)
施工班组长第9.0.6条第9.0.8条第9.0.9条第9.0.4条
第9.0.5条
第9.0.7条
施工执行标准名称及编号
施工质量验收规范的规定
施工单位检查评定记录天沟、檐沟排水坡度第9.0.10条
施工单位
项目经理分包单位
分包项目经理单位(子单位)工程名称
分部(子分部)工程名称
验收部位细部构造检验批质量验收记录表
GB50207-2002
监理(建设)单位验收结论
专业监理工程师
(建设单位项目专业技术负责人):
监理(建设)单位验收
记录
班组长
年 月 日
年 月 日。
细部构造检验批质量验收记录表GB50207-2002GD2404004□□GD2404011□□ GD2404008GD2404015密封材料嵌缝检验批质量验收记录表GB50207-2002GD2404015架空屋面检验批质量验收记录表GB50207-2002室内给水管道及配件安装工程检验批质量验收记录表GB50242-2002给水设备安装工程检验批质量验收记录表GB50242-2002GD2405003室内排水管道及配件安装工程检验批质量验收记录表GB50242-2002GB50242-2002GD2405005GB50242-2002卫生器具排水管道安装工程检验批质量验收记录表GB50242-2002GD2405009GB50242-2002电线导管、电缆导管和线槽敷设检验批质量验收记录表GB50303-2002(Ⅱ)室外GD2406004电线、电缆穿管和线槽敷设线检验批质量验收记录表GB50303-2002GD2406005□□GD2406033□□GD2406021□□GD2406047□□电线导管、电缆导管和线槽敷设线检验批质量验收记录表GB50303-2002(Ⅰ)室内GD2406020□□GD2406027□□GD2406046GD2406032普通灯具安装检验批质量验收记录表GB50303-2002GD2406037单位(子单位)工程安全和功能检验资料核查及主要功能抽查记录GD3002□□单位(子单位)工程观感质量检查记录注:质量评价为差的项目,应进行返修。
房屋建筑工程质量保修书GD3010□□发包人(全称):________________________________________________________________________________ 承包人(全称):______________________________________________________________________________发包人、承包人根据《中华人民共和国建筑法》、《建设工程质量管理条例》和《房屋建筑工程质量保修办法》,经协调一致对____________________(工程全称)签定工程质量倮修书。
专业承包施工单位检查评定结果监理(建设)符合设计与规范要求,检查结果合格。
项目专业质量检查员(签名):年 月 日专业工长(施工员)签名施工班组长签名A13栋二层厕所符合GB50210-2001规范、《建筑施工工艺标准》、设计图纸的相关要求进行施工经检查,符合规范及验收标准隐 蔽 工 程 部 位施工质量验收规范的规定(质量要求)施工单位检查记录监理(建设)单位验收记录施工执行的技术标准(含企业 的工艺规程、工法等)名称及 编号建筑装饰装修工程质量验收规范(GB50210-2001)分项工程名称细部构造隐蔽工程项目防水阴阳角等专业承包施工单位/项目负责人/总承包施工单位中国对外建设有限公司项目负责人高启成 单位(子单位)工程名称广州开发区SDK-D-2地块住宅(自编号A13-A14栋) 分部(子分部)工程名称建筑装饰装修GD2301063验收执行规范编号:(GB50210-2001)细部构造隐蔽工程质量验收记录表专业承包施工单位检查评定结果监理(建设)单位验收结论专业监理工程师(签名):符合设计与规范要求,检查结果合格。
项目专业质量检查员(签名):年 月 日专业工长(施工员)签名施工班组长签名A13栋三层厕所符合GB50210-2001规范、《建筑施工工艺标准》、设计图纸的相关要求进行施工经检查,符合规范及验收标准隐 蔽 工 程 部 位施工质量验收规范的规定(质量要求)施工单位检查记录监理(建设)单位验收记录施工执行的技术标准(含企业 的工艺规程、工法等)名称及 编号建筑装饰装修工程质量验收规范(GB50210-2001)分项工程名称细部构造隐蔽工程项目防水阴阳角等专业承包施工单位/项目负责人/总承包施工单位中国对外建设有限公司项目负责人高启成 单位(子单位)工程名称广州开发区SDK-D-2地块住宅(自编号A13-A14栋) 分部(子分部)工程名称建筑装饰装修验收执行规范编号:(GB50210-2001)专业承包施工单位检查评定结果监理(建设)单位验收结论专业监理工程师(签名):符合设计与规范要求,检查结果合格。