2-风云2电器维修手册
- 格式:pdf
- 大小:2.36 MB
- 文档页数:73
奇瑞风云2ABS系统的故障诊断0 前言2010款奇瑞风云 2 两厢进取型采用的是由德国博世公司生产,Anti-Lock Braking System 系统,简称ABS ABS的原理是确保汽车在制动的过程中,可以根据四轮速传感器轮速信号,自动调节制动管路中的油压,去控制和调节车轮的制动力,使汽车的滑移率保持在10〜20%之间,以防止车轮出现侧滑、甩尾和丧失转向能力,从而减少车祸的发生。
1故障现象一辆2010 款奇瑞风云 2 两厢进取型,在启动自检后故障灯常亮并在行驶的过程中进行紧急刹车的时候出现了短暂的车轮抱死,ABS系统不能正常发挥其功能。
而关掉点火开关后,重新打开点火开关,故障灯经过自检 2 秒后再次点亮。
于是我们金德检测仪器kt600进行故障检测车辆的OBD・H诊断系统,发现左前轮、右后轮轮速传感器电压低的故障码存在。
2ABS系统基本组成及工作原理(1)通常ABS由轮速传感器、制动压力调节器、电子控制单元(ECU和ABS装置等组成。
(2)在制动时,ABS B据每个轮速传感器传来的速度信号,可以迅速判断出车轮是否在抱死的状态,关闭开始的抱死在车轮上面的常开输入电磁阀,让制动力不变,如果继续抱死,则打开常闭电磁阀,在让制动处于最佳点(滑移率为20%),让制动保持最佳状态。
3故障分析由ABS各部件的工作原理可知,造成ABS轮车速传感器及其电路故障的原因有以下方面:(1)连接轮速传感器的线束和插头松动,或连接线路短路。
(2)轮速传感器磁极、信号盘有脏物(泥、铁粉等)(3)传感器安装位置不对,轮毂轻微变形,影响传感器信号超出电脑检测范围。
(4)轮速传感器和齿圈没有间隙,相互摩擦造成传感器损坏。
(5)ABS控制单元故障。
在ABS制动系统中,会出现一些与传统经验相背离的情况发生。
这是ABS的正常反应,而不是故障现象,要加于区别,否则维修难度大大增加。
例如:(1)发动机启动后有时候会从发动机舱发出类似碰击的声音,这是ABS自检的声音,并非不正常。
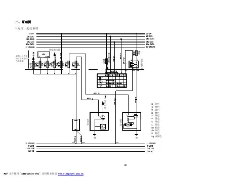
二、原理图1.充电、起动系统30(B+)15(IGN1)15C(IGN2)15A(ACC)58b(RHEO)31(GROUND) CAN HICAN LOWK-LINECAN HI31(GROUND)CAN LOWK-LINER 红色O 橙色W 白色B 黑色Y 黄色V 紫色G 绿色L 蓝色Br 棕色Gr 灰色P 粉色Lg 浅绿色前舱险丝盒的与继电器4.车身控制模块(大灯、雨刮、中控等)上30(B+)15(IGN1)15C(IGN2)15A(ACC)58b(RHEO)CAN HICAN LOW K-LINE 30(B+)15(IGN1)15C(IGN2)15A(ACC)58b(RHEO)31(GROUND)CAN HICAN LOW K-LINE5.车身控制模块(玻璃升降、喇叭、位置灯等)下、倒车雷达30(B+)15(IGN1)15C(IGN2)15A(ACC)58b(RHEO)31(GROUND)CAN HI31(GROUND)CAN LOW K-LINE30(B+)CAN HI31(GROUND)CAN LOW K-LINE R O W B Y V G L Br Gr P Lg6.组合仪表、左右辅助仪表30(B+)15(IGN1)15C(IGN2)15A(ACC)58b(RHEO)30(B+)15(IGN1)15C(IGN2)15A(ACC)58b(RHEO)31(GROUND)CAN HI31(GROUND)CAN LOW K-LINE CAN HI31(GROUND)CAN LOW K-LINE R O W B Y V G L Br Gr P Lg7.电动后视镜、倒车灯、制动灯CAN HICAN LOW K-LINE CAN HICAN LOW K-LINE8.天窗、音响CAN HICAN LOW K-LINE CAN HICAN LOW K-LINE12.空调系统(手动)、点烟器30(B+)CAN HI31(GROUND)CAN LOWK-LINE K-LINE。
AUTO TIME167AUTO AFTERMARKET | 汽车后市场时代汽车 奇瑞风云2行驶时中途熄火后无法起动故障分析谢志成韶关市技师学院 广东省韶关市 512023摘 要: 文章首先介绍奇瑞风云2行驶途中熄火,无法再次起动的故障现象,进而对故障存在的原因进行了分析,并由此得出诊断思路,最后给出排除故障的方法。
关键词:无法起动 起动困难 故障诊断 故障排除1 故障现象一辆2015款的奇瑞风云2两厢型轿车,行驶里程为38653KM,发动机型号为QR477F。
客户反映该车早上起动后行驶了大约十五分钟后突然熄火,无法再次启动。
进维修厂检测发现:冷车下起动车辆,能顺利着车,运转约二十分钟,发动机忽然熄火,再次起动失败。
用故障诊断仪朗仁H6读取DTC,显示为“P0340相位传感器信号不合理”、“P0322转速传感器信号故障”。
2 故障原因分析2.1 相位传感器结构与原理相位传感器被安装在发动机体上,用来探测凸轮轴的位置和转速。
传感器采用了霍尔原理检测(磁)铁质信号轮的齿和槽,并随着信号轮的转动输出相应的电信号。
因此,输出信号可以代表凸轮轴的转速和位置。
发动机ECU 根据相位传感器的输出信号来确定第一缸压缩上止点,从而进行顺序喷油控制和点火时刻控制;同时还用于发动机启动时识别第一次点火时刻。
2.2 可能的故障原因(1)接插件接插不实或接触不良。
(2)线束存在外部干扰。
(3)相位传感器及其信号轮相对安装位置未满足安装要求(如相距过远,未对正等)。
(4)相位信号轮齿机械故障。
2.3 曲轴位置传感器结构与原理该车曲轴位置传感器采用电磁感应式,安装在变速箱壳体的前部,与飞轮外圆对齐。
电磁感应式转速传感器跟脉冲盘相配合,用于提供发动机转速信息和曲轴上止点信息。
脉冲盘是一个齿盘 60 个齿,有两个齿空缺。
脉冲盘装在曲轴上,随曲轴旋转。
当齿尖紧挨着感应式转速传感器的端部经过时,脉冲盘切割着感应式转速传感器中磁铁的磁力线,这种磁通量的变化导致传感器线圈两端产生一定频率的正弦电压信号,输出信号可以代表曲轴的转速和位置。
MK20汽车防抱制动系统维修手册上海汽车制动系统有限公司Shanghai Automotive Brake Systems Co.,Ltd日 期编 制校 对批 准版 本目录1故障诊断流程图..............................................................................................................32故障诊断时的注意事项...................................................................................................43 故障诊断仪 操作方法及功能简介..................................................................................53.1操作方法........................................................................................................................................5 3.2功能代码简介.. (5)3.3功能键.........................................................................................................................................54偶发性故障维修要点.......................................................................................................65 MK 20 ABS 系统............................................................................................................75.1检查ABS 警告灯..........................................................................................................................75.2状态信息的读取............................................................................................................................75.3读取故障码....................................................................................................................................75.4消除故障码....................................................................................................................................75.5故障码显示方式............................................................................................................................76液压控制单元诊断..........................................................................................................87故障排除快速索引表.......................................................................................................97.1故障码故障检查表索引................................................................................................................97.2无故障码故障检查表索引............................................................................................................98 ABS ECU 插座............................................................................................................109电气线路图....................................................................................................................1110故障码故障检查表.......................................................................................................1311无故障码故障检查表...................................................................................................2012 ABS 系统检查.............................................................................................................2613 ABS 工作检查.............................................................................................................2813.1检查车轮速度传感器输出电压................................................................................................2813.2检查液压控制单元HCU ....................................................................................................2814拆卸与安装.................................................................................................................2914.1备件供应方式............................................................................................................................3014.2拆装时注意事项........................................................................................................................3014.3 MK20 HECU 总成的拆卸.........................................................................................................3014.4更换液压控制单元....................................................................................................................3114.5更换电子控制单元....................................................................................................................3114.6 ABS 总成重新安装...................................................................................................................3215 ECU 编码...................................................................................................................3316加液与排气.................................................................................................................3416.1湿式HCU..................................................................................................................................3416.2干式HECU. (34)附录一 ABS 问与答.......................................................................................................35附录二 使用ABS 四要四不要 . (36)1 故障诊断流程图钥匙开关打到ON03偶发性故障SP日期编制校对批准版本日 期编 制校 对批 准版本 2 故障诊断时的注意事项ABS 采用电子液压控制因此在ABS 系统正常工作情况下出现下表所列现象是正常的并不是故障现象说明系统自检声音发动发动机后有时候会从发动机舱中传出类似碰击的声音这是ABS 进行自检的声音并非不正常ABS 起作用时的声音1.ABS 液压单元内电动机的声音2.与制动踏板振动一起产生的声音3.ABS 工作时因制动而引起悬架碰击声或轮胎与地面接触发出吱嘎声注ABS 正常工作时轮胎仍有可能发出吱嘎声ABS 起作用但制动距离长在积雪或是砂石路面上有ABS 的车辆的制动距离有时候会比没有ABS 车辆的制动距离长因此须提醒驾驶人在上述路面行驶时应加倍小心3 故障诊断仪操作方法及功能简介3.1 操作方法* 在断电情况下将故障诊断仪与诊断插座连接后接通点火开关* 键入03后按Q键即进入ABS 工作环境* 键入你所需要的功能代码* 键入06后按Q键退出* 在断电后拆下故障诊断仪3.2 功能代码简介* 功能01 – 状态信息显示* 功能02 – 故障查询* 功能03 – 液压控制单元诊断* 功能04 – 加液排气* 功能05 – 清除故障存贮* 功能06 – 结束退出* 功能07 – 控制器编码* 功能08 – 测量数据显示如轮速信号等3.3 功能键* C键 – 取消更改输入数据及当前菜单* Q键 – 确认输入* 键 – 下一步* HELP键 – 帮助信息日期编制校对批准版本日 期编制校 对批 准版 本4 偶发性故障的维修要点在电子控制系统中在电气回路和输入输出信号的地方可能出现瞬时接触不良问题从而导致偶发性故障或是在ECU 自检时留下故障码如果故障原因持续存在那么只要照着故障码故障检查表进行检查就可以发现不正常部位不过有时候故障发生的原因会自行消失所以不容易找出问题的原因在这种情况下可按下列方式模拟故障检查故障是否再现I. 当振动可能是主要的原因时∗ 将接头轻轻地上下左右摇动∗ 将线束轻轻地上下左右摇动∗ 将传感器轻轻地上下左右摇动∗ 将其它运动件如车轮轴承轻轻摇动注如果线束有扭断或因拉得太紧而断裂就必需更换新零件尤其是传感器在车辆运动时因为悬架系统的上下移动可能造成短暂的开/ 短路因此检查传感器信号时必须进行实车行驶试验II. 当过热或过冷可能是主要的原因时∗ 用吹风机加热你认为可能有故障的零件∗用冷喷雾剂检查是否有冷焊现象III. 当电源回路接触电阻过大可能是主要原因时∗打开所有的电器开关包括前照灯和后除霜开关如果此时故障没有再现就必须等到下次故障再出现时才能诊断维修一般来说偶发性故障只会愈变愈糟不会变好日 期编 制校对批 准版 本 5 MK 20 ABS 系统5.1 检查ABS 警告灯检查ABS 警告灯是否依下列方式亮起I. 点火开关转到ON ABS 警告灯亮大约 1.7秒然后熄灭II. 如果不是上述情况表示有故障请检查故障码III. 如果警告灯完全不亮参考无故障码故障检查表5.2 状态信息的读取接通VAG 1552后在地址Addresswort处输入03后按Q 键屏幕将显示下列状态信息1. 例如ECU 图号及版本号3A0907379 ABS ITTAE 20GI V002. 编码Codierung rrrrr3. 工厂编码WSC rrrrr5.3 读取故障码在功能选择Funktionanwählen 处输入02按Q 键将显示故障的数量之后按¨键将依次显示每一故障的故障码和内容5.4 消除故障码在功能选择Funktionanwählen 处输入05按Q 键即可消除故障码如果故障码无法消除表示这个故障码代表的故障一直存在如果存储的故障可以消除表示这是一个偶发性故障须在实车行驶时才能重新检测到5.5 故障码显示方式系统问题显示代码以前不曾发生无故障码目前没问题ABS 警告灯不亮以前曾发生偶发性故障码以前不曾发生非偶发性故障码问题仍存在ABS 警告灯亮以前曾发生偶发性故障码和非偶发性故障码日 期编 制校 对批 准版本6 液压控制单元诊断6.1 使用故障诊断仪可对液压控制单元进行诊断在功能选择处输入03之后按下列步骤操作步骤操作者动作屏幕显示正常时的结果01Hydraulisch ABS Pumpe V64液压泵测试02Bremse Bestätigung 踩下制动踏板03EVL 0VAVL 0V Rad blockiert 常开阀0V 常闭阀0V 车轮抱死车轮抱死04EVL UBAT AVL 0V Radblockiert 常开阀通电常闭阀0V 车轮抱死车轮抱死05EVL UBAT AVL UBAT Radfrei 常开阀通电 常闭阀通电 车轮可自由转动车轮可自由转动踏板回弹可听见泵电机工作噪声06EVL UBAT AVL 0V Radfrei 常开阀通电 常闭阀0V 车轮可自由转动车轮可自由转动07踩下制动踏板不放EVL 0VAVL 0V Rad blockiert 常开阀0V 常闭阀0V 车轮抱死车轮抱死踏板自动微微下沉08松开制动踏板Bremse lösen 松开制动踏板6.2 对每一轮子执行以上测试顺序如下左前¨右前¨左后¨右后日 期编 制校 对批 准版 本7 故障排除快速索引表7.1 故障码故障检查表索引诊断码故障描述诊断内容检查表编号参考页次65535电子控制单元损坏P . 3001276ABS 液压泵电动机无法工作1P .1300283左前轮传感器00285右前轮传感器00290左后轮传感器00287右后轮传感器电气及机械故障234P .14, P . 15, P . 1601044ABS 编码错误5P 1700668供电端子306P 1801130ABS 工作异常信号不合理7P197.2 无故障码故障检查表索引故障状况检查表编号参考页次点火开关转到ON 发动机熄火状态ABS 警告灯不亮1P . 20发动机发动后警告灯不灭2P. 21二侧制动力不均匀制动力不足轻踩制动踏板时ABS 工作汽车处于静止状态轻踩制动踏板时ABS 工作汽车处于行驶状态ABS 工作异常ABS 工作时制动踏板剧烈振动3P . 22制动踏板行程过长4P . 23需用很大的力踩制动踏板5P . 24无故障码输出无法与故障诊断仪通讯6P . 25日 期编 制校 对批 准版 本8 ABS ECU 插座日 期编 制校 对批 准版 本9 电气线路图MK20-I注跳针连接参见相关的电气线路图搭铁诊断线跳针连接传感器信号电磁阀泵电机保险丝ABS 警告灯点火开关手制动信号灯液面指示30A 保险丝蓄电池日 期编 制校 对批 准版 本 MK20 I/E注跳针连接参见相关的电气线路图10 故障码故障检查表1故障码为01276可能原因[说明] 当车速超过20km/h时ABS ECU监控到电动机不能正常工作就会记录此故障码[提示] 出现此故障码时可能是电动机和ECU之间的线束连接松脱用故障诊断仪的液压单元功能测试可以驱动电动机进行此项测试•电源断路或搭铁•电动机线束松脱•电动机损坏注如果蓄电池过度放电电动机将无法驱动所以在进行电动机驱动测试时应先确认蓄电池电压是否正常进行电动机驱动测试时车辆须在静止状态下将电动机线束插头拔下将蓄电池电源直接接到电动机插头上看电动机是否工作更换液压控制单元点火开关打到ON更换保险丝或线束更换电子控制单元参考偶发性故障维修要点日期编制校对批准版本日 期编 制校 对批 准版本2故障码为00283002850029000287可能原因[说明] 当检查不到回路开路而车速到达20km/ h 以上仍没有信号输出时此故障码即出现[提示] 可能是因为传感器漏装传感器线圈或线束短路传感器与齿圈之间气隙过大或是齿圈漏损坏所引起• 传感器漏装• 传感器线圈或线束短路• 传感器与齿圈间的气隙过大• 齿圈漏装• ABS ECU 故障传感器安装是否正确3故障码为00283002850029000287可能原因[说明] 当车速> 20km/ h时若传感器信号超出公差范围即出现此故障码[提示] 很可能是由于传感器线圈或线束间歇性接触不良或短路齿圈齿损坏或传感器与齿圈间的气隙过大而造成传感器信号太弱•传感器线圈或线束间歇性接触不良或短路•传感器与齿圈间的气隙过大或过小•齿圈齿损坏•轴承间隙过大• ABS ECU故障传感器安装是否正确更换更换修理或更换日期编制校对批准版本日 期编 制校 对批 准版本4故障码为00283002850029000287可能原因[说明] 传感器存在可识别开路短路等故障时即出现此故障码[提示] 可能是传感器接触不良线圈或线束短路或ABS ECU 中的传感器信号处理电路有故障• 传感器插接器或线圈开路• 传感器线圈短路• 传感器插头或线束与搭铁或电源短路• ABS ECU 传感器信号处理电路有故障的电阻值是否合乎标准值标准值 Ω测量电阻时同时摇动传感器线束和接头MK20 I左前 4 - 11右前 3 - 18左后 2 - 10右后 1 – 17MK20 I/E 左前 1 - 2右前19 - 20左后 5 - 6右后22 – 23更换ABS ECU故障是否再发生5故障码为01044可能原因[说明] 当ECU的软件编码与ABS线束的硬件跳针连接不一致时即出现此故障码•在ABS线束内跳针连接错误• ABS ECU编码错误正确值参见有关跳针接头参见有关日期编制校对批准版本6故障码为00668可能原因[说明] 当供电端子30未提供电压或电压太高时即出现此故障码• ABS系统保险丝烧断•蓄电池电压太低或太高• ABS电线束插接件损坏• ABS ECU损坏连接点火开关打到ON档测量端子间电压值9259.5 - 16.5VMK20 I和23MK20 I/E4更换ABS ECU重试不正常再现日期编制校对批准版本日 期编 制校 对批 准版 本7故障码为01130可能原因[说明] 当ABS 受高频电磁波干扰或微处理器认为输入车速信号不可信时即出现此故障码• 高频电磁波干扰• 传感器损坏或传感器电线束损坏• ABS ECU 损坏更换传感器11 无故障码故障检查表1点火开关在ON位置发动机熄火而ABS警告灯不亮可能原因[说明] ABS警告灯不亮可能是警告灯电源回路开路灯泡烧坏或警告灯控制器损坏•保险丝烧毁• ABS警告灯灯泡烧毁•电源线路断路• ABS警告灯控制器损坏点火开关ON警告灯是否亮日期编制校对批准版本日 期编 制校 对批 准版 本2发动机启动后ABS 警告灯常亮可能原因[说明] 可能原因是ABS 警告灯控制器损坏或ABS警告灯回路开路• 警告灯控制器损坏• ABS 警告灯控制器回路开路•ABS ECU 损坏注此故障形式只限于系统可与故障诊断仪通讯ABS ECU 电源供应正常且无故障码出现的情况更换线束更换更换ABS ECU3ABS工作异常可能原因[说明] 这个问题与驾驶状况及路面条件密切相关所以不容易进行故障诊断然而如果没有故障码记忆可进行下列检查•传感器安装不当•传感器线束有问题•传感器损坏•齿圈损坏•传感器沾附异物•车轮轴承损坏•ABS HCU液压单元损坏•ABS ECU电控单元损坏ABS ECU检查阻值是否符合标准值标准值 1.0 ~ 1.3 kΩ测量时同时摇动传感器线左前 4 – 11右前 3 – 18左后 2 – 10右后 1 – 17更换ABS ECU日期编制校对批准版本日 期编 制校 对批 准版 本4制动踏板行程过长可能原因[说明] 先以目视检查是否有外部泄漏或机械故障用排气方法检查系统中是否有空气用故障诊断仪液压单元功能测试检查常闭阀是否泄漏• 漏制动液• 常闭阀泄漏•系统中有空气•制动盘严重磨损•手制动调整不当按要求拧紧管接头更换HCU 液压控制单元日 期编 制校 对批 准版 本5须用很大的力踩踏板可能原因[说明] 用传统方法检查助力器和制动踏板行程常开阀的故障可用故障诊断仪液压单元功能测试进行检查• 助力器有问题• 常开阀有问题更换HCU 液压控制单元日 期编 制校 对批 准版 本6无诊断码输出无法与故障诊断仪通讯可能原因[说明] 无法与故障诊断仪通讯时可能是ABSECU 的电源回路或是诊断线回路开路• 保险丝烧毁• 诊断线断裂或接头松脱•ABS ECU 损坏•故障诊断仪有问题13 MK 故障诊断仪中的接线柱7是否导通更换ABS ECU检查诊断插座中电源线12 ABS系统检查电动机蓄电池电压电磁阀电源绝缘性能0.00 – 0.5ON10.0 –14.56 – 22(Santana 2000)日期编制校对批准版本日 期编 制校 对批 准版本检查项目钥匙开关档位操作标准值备注注: 进行下列检查时,须有真空作用在真空助力器上ON踩踏板左前轮无法转动时踏板不下沉常闭阀检查左前轮常开阀及常闭阀密封性ON两阀和泵同时通电踩踏板左前轮可自由转动时踏板不下沉常开阀检查ON踩踏板右前轮无法转动时踏板不下沉常闭阀检查右前轮常开阀及常闭阀密封性ON两阀和泵同时通电踩踏板右前轮可自由转动时踏板不下沉常开阀检查ON踩踏板左后轮无法转动时踏板不下沉常闭阀检查左后轮常开阀及常闭阀密封性ON两阀和泵同时通电踩踏板左后轮可自由转动时踏板不下沉常开阀检查ON踩踏板右后轮无法转动时踏板不下沉常闭阀检查右后轮常开阀及常闭阀密封性ON两阀和泵同时通电踩踏板右后轮可自由转动时踏板不下沉常开阀检查注本项检查用故障诊断仪在液压控制单元诊断功能03中进行日 期编 制校 对批 准版 本13 ABS 工作检查13.1 检查车轮速度传感器输出电压1. 检查车轮速度传感器与齿圈之间的间隙是否合乎标准值前轮标准值参见前轮传感器安装图纸后轮标准值参见后轮传感器安装图纸2. 顶起车轮松开手制动3. 拆下ABS 电线束在线束插接器处测量4. 以每秒约1/2转的速度转动车轮用万用表或示波器测量输出电压MK20 I MK20 I/E 左前轮接线柱 4 – 11接线柱 1 - 2右前轮接线柱3 – 18接线柱 19 – 20左后轮接线柱2 – 10接线柱 5 - 6右后轮接线柱 1 – 17接线柱 22 - 23输出电压用万用表测量时前轮参见前轮传感器图纸后轮参见前轮传感器图纸用示波器测量时前轮参见相关标准后轮参见相关标准5. 若输出电压不在以上范围内可能是下述原因∗传感器和齿圈之间气隙过大∗传感器故障∗检查传感器电阻值 1.0 - 1.3k Ω.∗在齿圈上取四点检查齿圈与车轮速度传感器之间的气隙齿圈变形13.2 检查液压单元HCU1. 顶起车子确认车轮可自由转动2. 放开手制动3. 连接故障诊断仪后将点火开关转到ON 此时不需启动发动机4.参照液压控制单元诊断进行检查注连接或拆下故障诊断仪时点火开关务必位于OFF 位置日期编制校对批准版本14 拆卸与安装14.1 备件供应方式* HECU总成干式*HCU 与ECU分开HCU湿式14.2 拆装时注意事项* 利用诊断仪先找出故障原因再进行修理* 仅在安装前才将备件包装拆开* 只能使用原厂零件* 维修时应注意清洁度只能使用非毛绒擦布进行擦拭* 维修前先用不含矿物油的清洁剂将外表擦拭干净* 当系统打开时不要使用压缩空气或移动车辆* 拆下ABS总成后应尽快将各液压输出口用适当的塞子堵住* 拆掉其它会妨碍工作的部件* 请使用DOT 4制动液不可用矿物油* 用制动液先将密封件和O型圈浸湿不可用机油或制动油膏* 维修完后应检查常规制动系统和ABS制动功能是否可正确* 检查所有液压管接头处是否有泄漏14.3 MK20-IHECU总成的拆卸∗关掉点火开关并断开蓄电池负极线∗从ABS总成上拆下电线束∗踩下踏板>60mm并用踏板架固定住这样将使总泵中心阀关闭从而在系统打开时制动液不致从出口处流出∗先拆下HCU上接到总泵的制动硬管A B并做上记号马上用塞子将出口堵住∗拆下通到各轮的制动液管 1 - 4并做上记号马上用塞子将出口堵住∗拆下将HECU固定在支架上的螺帽∗将整个HECU从支架上拆下来日 期编制校 对批 准版本14.4 更换液压控制单元∗压下接头侧的锁止扣将泵电机线束拆下∗拆掉图示的4个螺钉拆下的旧螺钉不能再用∗将液压控制单元HCU 与电子控制单元ECU 分离∗将新的液压控制单元HCU 装到电子控制单元ECU上∗用新的螺丝将ECU 固定在HCU 上拧紧力矩3+1Nm∗插接好电动机线束注意锁扣必须到位14.5 更换电子控制单元∗压下接头侧的锁止扣将线束拆下∗拆掉图示的4个螺丝并丢弃之∗将液压控制单元HCU 从电子控制单元ECU 上拆下∗将新的电子控制单元ECU 装到液压控制单元HCU 上∗用新的螺丝将ECU 锁到HCU 上扭转力矩3+1Nm∗插接好电动机线束注意锁扣必须到位日 期编 制校对批 准版本14.6 ABS 总成重新安装注ABS 总成上液压开口的塞子只有在制动硬管要装上去的时候才能拆下以避免异物进入制动系统∗将ABS总成装到支架上拧紧力矩为20+4Nm∗拆掉液压口上的塞子装上制动硬管确认硬管连接正确∗装上至总泵的制动硬管∗制动硬管装配拧紧力矩为12+4NmM10×1和15+3Nm M12×1∗加注新的制动液到储液罐中直到液面到达MAX 的地方并按规定方法排气∗点火开关转到ON ABS 警告灯须亮起1.7秒后再熄灭∗清除故障码记忆再读看看有没有故障码∗最后实车行驶确认ABS 的功能须感到踏板有反弹15 ECU编码当更换HECU或ECU时应对新的ECU进行编码否则ABS警告灯闪烁系统不能正常工作用故障诊断仪可对ECU进行编码其步骤如下eingeben处输入03按在功能选择Funktion anwählen07按在编码输入Codenummer eingeben处输入相应车型的的编码参见电气线路图显示已输入的号码按键在功能选择Funktion anwählen06按日期编制校对批准版本16 加液与排气16.1 湿式HCU当备件为湿式HCU时更换HCU后只需按常规制动系统进行加液排气即可16.2 干式HECU当备件为干式HECU时更换HECU后除要按常规制动系统进行加液排气外还需对HECU的第二回路进行排气用故障诊断仪进行操作时的步骤如下按常规制动系统进行加液排气geben处输入03按anwählen处输入04按在组号输入Anzeigegruppen-nummer eingeben001按转下页日期编制校对批准版本`踩下制动踏板并保持液压泵工作踏板回弹Pedal lösen, VR/ VL, Entlüfter-schraube, auf <>松开制动踏板将左右前制动钳放气螺钉松开按键lüfterschraube,zu <>次将左右前制动钳放气螺钉拧紧按IIIIIII II III屏幕显示排气结束按键回到功能选择菜单anwählen处输入06按接上页日期编制校对批准版本日 期编 制校 对批 准版本附录一ABS 问与答¾什么是ABSABS是英文A nti-lock B rake S ystem”的缩写意为防抱制动系统ABS 的功能是保证在各种路面上汽车获得最佳制动距离的同时拥有良好的制动稳定性和转向能力¾ 为什么需要ABS制动时前轮抱死汽车将失去转向能力后轮抱死则会导致跑偏或侧滑ABS 通过阻止车轮抱死帮助您在制动时保持对汽车的操纵控制这样您可以通过转向绕开障碍物¾ 如何分辨您的汽车是否装备ABS推荐两种方法第一汽车启动时观察仪表板或开关板上有无短时点亮的ABS 警告灯第二种方法更简单直接问您的供货商¾ ABS 是如何工作的ABS 中的电子控制器根据车轮转速传感器信号按照一定的控制逻辑通过电磁阀调节各车轮制动器上的压力就象有经验的驾驶员采用反复点刹一样只是电脑比人脑反应快得多因此效果也更好¾ 如何分辨ABS 是否在工作ABS 工作时您会感到制动踏板的抖动同时也会听到液压控制器工作的声音记住此时千万不要害怕要牢牢踩住制动踏板不放¾ ABS 车的制动距离是否比非ABS 车更短一些在大多数情况下答案是肯定的在冰雪路面或潮湿路面上尤其如此但更要记住在关键时刻别忘了转动方向盘绕开障碍物¾ ABS 失效后怎么办一旦ABS 失效ABS 警告灯就会持续点亮此时ABS 不起作用但常规制动系统完好无损您只需按照常规方法制动即可¾ 什么时候ABS 警告灯亮ABS 警告灯在汽车启动后亮约1.7秒后即熄灭之后ABS 警告灯仅在ABS 失效时才亮因此一旦ABS 警告灯亮别忘了马上去维修站建议不要自己随便动手修理ABS日 期编 制校 对批 准版本附录二使用ABS四要四不要四要要始终将脚踩住制动踏板不放松这样才能保证足够和连续的制动力使ABS 有效地发挥作用要保持足够的制动距离当在良好路面上行驶时至少要保证离前面的车辆有三秒钟的制动时间在不好的路面上行驶时要留给制动更长一些的时间要事先练习使用ABS 使自己对ABS 工作时的制动踏板振颤有准备和适应能力停车场和广场是练习紧急制动使用ABS 的理想地方要事先阅读汽车驾驶员手册从而进一步地理解安装ABS 的汽车生产厂所提供的各种操作说明四不要不要在驾驶ABS 汽车时比驾驶非ABS 汽车更随意即使对于ABS 汽车急转弯和快速变道以及其它急打方向盘的作法也是不适当和不安全的不要反复踩制动踏板在驾驶ABS 汽车时反复踩制动踏板会使ABS 时断时通导致制动效能减低和制动距离增加实际上ABS 本身会以更高速率自动增减制动力并提供有效的方向盘可控能力不要忘记转动方向盘ABS 为驾驶员提供了方向盘的可控能力但它本身并不能自动完成汽车转向操作不要在ABS 制动时被ABS 的正常液压工作噪声和制动踏板振颤吓住这种声音和振颤是正常的且可让驾驶员由此而感知ABS 正在起作用。
奇瑞风云2维修手册(动力总成)奇瑞汽车销售有限公司售后服务部目 录第一节简介 (3)第二节风云2 差异件清单 (4)第三节发动机机械部分 (6)一气缸盖带气门机构总成的拆卸 (6)1.1拆卸方法 (6)1.2 拆正时罩盖 (6)1.5 分解缸盖总成 (7)1.6 气门弹簧拆卸 (8)二气缸盖、气门机构总成的安装 (8)三气门弹簧、气门弹簧上座和气门锁块安装 (9)四凸轮轴总成和凸轮轴轴承盖的安装 (9)4.1 凸轮轴半圆键的安装: (9)4.2 凸轮轴总成安装: (9)4.3 凸轮轴轴承盖的安装: (9)五凸轮轴油封的安装 (10)六火花塞套筒的压装 (10)七摇臂轴带摇臂总成的安装 (10)八缸盖总成的安装: (12)九半圆胶堵的安装 (13)十气门室罩盖总成的安装 (13)10.3 装气门室罩盖总成 (13)10.5 凸轮轴位置传感器的安装 (13)十一曲轴正时齿轮和凸轮轴正时齿轮的安装 (14)11.1 曲轴正时齿轮的安装 (14)11.2 凸轮轴正时齿轮的安装 (14)11.3 正时皮带和张紧轮的安装 (14)11.4 飞轮总成的安装 (15)十二发动机常用诊断参数表 (15)十三发动机维修主要参数表 (17)十四主要总成结构特征及参数 (19)十五动力总成力矩清单 (19)十六发动机的容量规格 (20)第四节变速器部分 (20)一 QR515MHA差异件清单 (20)二变速箱诊断参数 (22)三差异部分的装配技术条件 (22)四变速器油加注量说明 (23)五维修注意事项 (24)第一节简介为了适应市场的需求,加快产品的更新换代,增加产品的多样性,提高产品的市场占有率,公司以世界中高档轿车水平、研发制造风云2,使其成为奇瑞汽车公司新一代的国民车,风云2项目产品满足国IV标准。
风云2 1.5L动力总成系统,是奇瑞公司在技术非常成熟的基础上开发的,配置奇瑞公司 自主研发的SQR477F发动机和QR515MHA变速器。
重复一下风云2消除保养小扳手
1、插钥匙
2、按住右边小按钮(小按钮在仪表盘上,调时间和里程清零的那个小黑杆)
3、钥匙拧到ON(不需要打火)
4、按住小按钮不放,停几秒后再松开!
5、再按住小按钮不放,向右轻轻旋转一下松开。
6、小扳手消除掉!
按住右棍,插钥匙,拧到自检,自检完,松右棍再同时按下左棍右棍,就OK!
1.插入钥匙;
2.按住右边小棍不放;
3.拧到ON位置(此时仪表灯全亮,自检开始);
4.自检的声音消失后(自检结束,约5秒),松开右边的小棍,然后立刻...
5....立刻同时按下两根小棍,小扳手消失,松开手,结束,OK!。
电气系统概述 (1)一、应用表 (1)二、电气图的识别 (2)1、导线代号的识别 (2)2、电器元件的识别 (3)三、整车电器名称及用途 (3)1、蓄电池 (3)2、起动机 (4)3、发电机 (5)4、转速传感器 (5)5、电预热 (5)6、断油电磁阀 (6)7、刮水器 (6)8、洗涤器 (8)9、前照灯 (9)10、前小灯 (10)11、牌照灯 (10)12、转向灯及危险警告灯 (10)13、后组合灯 (11)14、倒车灯及开关 (11)15、内室顶灯 (11)16、制动灯及开关 (12)17、驻车制动及开关 (12)18、防雾灯及开关 (13)19、电喇叭 (13)20、真空报警 (14)21、各类继电器 (14)22、组合开关 (15)23、组合仪表 (17)24、CD机 (21)25、怠速提升装置 (22)26、排气制动控制器 (23)27、电气装置 (24)概 述一、应用表电池 2-80AH车速表仪表温度计燃油计大灯 2个异形水晶大灯雾灯车速表温度计燃油计照明灯 仪表板转向信号灯和危险警示灯远光指示灯停车制动指示灯制动器液位指示灯指示灯和警示灯预热塞指示灯油压指示灯排气制动指示灯水分离器指示灯停车灯和倒车灯室内灯 三档调光式间歇刮水器点烟器喇叭CD机和立体声收放机蜂鸣器 低气压报警蜂鸣器暖风和空调二、电气图的识别1、导线代号的识别:线路图上使用的导线规格和颜色是以不同的代号进行区别的。
由于目前各国对汽车电线的颜色代号规定都不尽相同,JAC产品的用户和维修人员应按江淮汽车电器维修手册上的《导线颜色代号》去识别导线。
示例:1.5GR1.5----------电线导体的截面为1.5平方毫米G-----------绝缘层的底色为绿色R-----------色带为红色电缆的颜色码2、电器元件的识别:JAC汽车电气图中的电器元件是按常见的较为通用的图样表达,具体见《常用汽车电器图形符号》。
三、整车电器名称及用途1、蓄电池(1)蓄电池是一种可逆的低压直流电源,既能将化学能转换为电能,也能将电能转换为化学能。
风云2的使用中遇到问题汇总以及优化方法8.发电机皮带裸露现象;右前侧轮子和发电机皮带间无护板位置:右前侧轮子涉及车辆:2月份前三厢车处理情况:到4s免费升级护板7.方向盘左侧喇叭按键脱落故障现象:使用中,左侧喇叭按键会突然跳出位置:方向盘涉及车辆:不详处理情况:到4s更换按键6.发动机异响故障现象:位置:发动机底部减震橡胶涉及车辆:北方处理情况:更换5.底盘异响平衡杠胶套太薄摩擦到底盘处理情况:4s更换平衡杠4.车窗异响现象:半开窗户,行驶中有异响原因:呢槽太薄处理情况:4s升级3.门框铰链塑料容易破损位置:车身门框门锁处理情况:暂无涉及车辆:9月,10月厂家;无方案解决方案:在保修期内到4s更换2.夜间大灯自动亮起来位置:车灯控制模块涉及车辆:9.10.11月份生产处理情况:已经反馈给厂家厂家:已经把模块版本升级为1.3版解决方法:已经开始升级,部分车友会陆续接到4s通知1.漏水已解决位置:空调外循环进气口涉及车辆:9.10月车型厂家:已经有升级方案解决方案:到4s升级风云2磨合期事项新车磨合期——是指新车出厂后,初次行驶一段距离以使引擎各个部件磨合顺畅的时期。
现在很多人讲磨合期都只是讲发动机的磨合,其实这是不确切的,汽车的磨合期不仅包括发动机的磨合,还包括变速器的磨合、制动系统的磨合以及车胎的磨合等,汽车的磨合期就是这些主要部件磨合的统称,下面简单介绍这些部件度过磨合期的时间。
在发动机、变速器、轮胎和制动系统的磨合中,主要是发动机的磨合,发动机的磨合又包括很多小的方面,如活塞和缸套之间、连杆和轴瓦之间、连杆和轴承之间的磨合等。
发动机的磨合大约要经过3000km的行驶距离才能度过。
变速器则主要是齿轮之间的磨合,它的磨合时间比发动机要略长一些,一般需要5000km的行驶距离,差不多按照规定的标准换过两次机油后,基本就度过磨合期了。
制动系统的磨合时间比轮胎略长,需要400km左右才行,制动系统的磨合主要包括制动摩擦片、制动碟片和制动鼓的磨合等。
奇瑞风云2维修手册(电器部份)安徽奇瑞汽车销售有限公司售后服务部目录第一章读图说明 (1)一、主要线束插接件定义 (1)二、车身搭铁点定义 (1)三、电路中主要符号说明 (4)四、电路图辅助说明 (4)五、保险丝定义 (5)六、仪表电器盒 (7)第二章原理图 (9)一、启动、充电系统 (9)二、发动机管理系统 (10)三、组合仪表、辅助仪表 (11)四、车身控制系统(BCM)上 (12)五、车身控制系统(BCM)下 (13)六、音响系统 (14)七、天窗、诊断接口 (15)八、电动后视镜 (16)九、安全气囊、防盗模块 (17)十、ABS系统 (18)第三章线束图 (19)一、前舱线束总成(A13-3724010F)及插件针脚说明 (19)二、发动机电喷线束总成(A13-3724180FA)及插件针脚说明 (24)三、仪表线束总成(A13-3724030FA)及插件针脚说明 (31)四、室内地板线束总成(A13-3724050FA)及插件针脚说明 (43)五、顶棚线束接(A13-3724370)及插件针脚说明 (53)六、右后门线束总成(A13-3724520)及插件针脚说明 (55)七、右前门线束总成(A13-3724080)及插件针脚说明 (57)八、后背门线束总成(A13-3724160)及插件针脚说明 (59)九、后背门转接线束总成(A13-3724163)及插件针脚说明 (60)十、后保险杠线束总成(A13-3724320)及插件针脚说明 (61)十一、左后门线束总成(A13-3724510)及插件针脚说明 (62)十二、左前门线束总成(A13-3724070)及插件针脚说明 (64)十三、洗涤罐转接线束总成(A13-3724015)及插件针脚说明 (67)十四、安全气囊线束总成(A13-3724310)及插件针脚说明 (68)十五、除霜正极线束总成(A13-3724164)及插件针脚说明 (70)十六、除霜负极线束总成(A13-3724165) (70)十七、电瓶正极线束总成(A13-3724110FA) (70)十八、电瓶负极线束总成(A13-3724040) (71)第一章读图说明一、主要线束插接件定义相关定义说明插接件针脚端:完整插接件一般有两端构成,我们这里将带针脚的一端定义为插接件针脚端。
汽车电器系统维修手册保险丝的使用注意事项在确定烧断原因并且排除故障后,用规定类型的保险丝更换烧断的保险丝,如果更换前不进行故障排除,保险丝可能再次被烧。
主保险丝的拆除/加装1.拆下电瓶负极连线。
2.拆下主保险丝盒盖。
3.按表中指定顺序拆卸。
4.安装顺序与拆卸顺序相反。
保险丝盒的拆除/加装1.拆下电瓶负极连线。
2.拆下来驾驶员两端的前侧内饰。
3.按表选定顺序拆除。
4.加装顺序与拆除顺序恰好相反。
点火开关的拆卸/安装1.拆下来电瓶负极连线。
2.拆下来转为管柱盖板。
3.按表选定顺序拆除。
4.加装顺序与拆除顺序恰好相反。
点火开关的检查1.拆下来电瓶负极连线。
2.拆下来转为管柱盖板。
3.断裂燃烧控制器接点。
4.用欧姆表检查点火开关接线端间的导通性,如果不符合技术要求更换点火开关。
钥匙未忽提示信息控制器的拆除/加装1.拆下电瓶的负极连线。
2.拆下来转为管柱盖板。
3.拆下钥匙未拔提示开关接头。
4.拆下钥匙未拔提示开关。
5.加装顺序与拆除顺序恰好相反。
钥匙未拔提示开关的检查1.拆下来电瓶负极连线。
2.拆下来转为管柱盖板。
3.拆下钥匙未拔提示开关接头。
4.用欧姆表检查钥匙未忽提示信息控制器接线端间的导通性,如果不合乎技术建议更改钥匙未忽提示信息控制器。
点烟器的拆卸/安装1.拆下来电瓶的负极连线。
2.拆下来仪表面板。
3.按照表中指定顺序拆卸。
4.安装顺序与拆卸顺序相反。
1.用缠存有胶带的平头螺丝刀沿着插座孔压制住环路的凸缘,同时旋转插座。
2.向前推插座。
3.顺时针旋转插座至图示边线并将其打穿。
1.压住倒钩向前拉下环。
1.旋转燃烧控制器至acc附件边线。
2.确认在插入插座后点烟器在10-20秒内弹出,如果点烟器工作不正常,更换点烟器塞和插座。
前女团灯的拆除/加装1.拆下电瓶负极连线。
2.拆下前保险杠。
3.按照表选定的顺序拆除。
4.加装顺序与拆除顺序恰好相反。
5.调节前大灯对光。
(参见t前大灯的对光)1.调节轮胎压力达至规定值。
风云2使用说明一、新车走合㈠、1000公里以内:绝对不可全速行驶;不得超过smarttags" />100km/h的速度;㈡、各档均避免最高速行驶;㈢、1000-1500公里:可逐渐提高到最高速度或发动机最高转速行驶。
㈣、新车行驶至800公里时,必须重新将车轮螺母拧紧到规定扭矩。
(车轮螺栓拧紧力矩为110+10N·m)二、驾驶㈠、不要让发动机高于规定怠速运行10分钟以上。
㈡、发动机起动:1、点火开关至START,不踩油门,发动机起动后马上松开钥匙,回到ON 位置。
2、如环境温度正常或较高,不能在5秒内启动,将钥匙拧至ACC位置等5-10秒后再试。
3、如外界温度较低,不能在15秒内启动,将钥匙拧至ACC位置等10秒后再试。
如连续两次不能启动,可适当踩些油门,将钥匙拧到START位置。
4、发动机正常起动使用环境条件为-25-40℃。
㈢、制动系统:1、制动时有持续的抖动或振动传到方向盘上,立即去4S店检修。
2、下坡行驶应适时换入低档,利用发动机制动作用减轻制动系统负荷。
3、涉水、暴雨或洗车后,应轻踏制动踏板摩擦生热将水蒸发,恢复制动效果。
4、制动助力器在发动机工作时才起作用,因此下坡行驶时切勿熄火滑行。
车辆被牵引或因本身发生故障,制动助力器不能工作时,需加大力气踩制动踏板,补偿助力器的助力效果。
㈣、手动变速器的操作:1、为避免换挡时产生异响,在车子静止时完全踩下离合器踏板后约等3S 才可挂入倒车档。
2、下坡和转弯时不允许离合器分离滑行。
3、从低档向高档换挡时不要跳跃操纵,否则会影响同步器的使用寿命。
4、换挡时应该始终用手握住变速杆,可大大减少同步器锁环滑磨时间并减少磨损。
5、行驶中不要把手放在档杆上,否则会造成换挡拨叉过早磨损。
㈤、转向:1、发动机运转时,方向盘打死的时间不得超过10秒。
2、行驶中发生跑偏或摇摆,检查以下:①、两前轮胎压是否一致;②、轮胎磨损是否均匀;③、悬挂部件是否松动或磨损;④、转向部件是否松动或磨损;⑤、车轮定位是否正确。