每立方米砌体和砂浆用量的计算方法
- 格式:doc
- 大小:12.00 KB
- 文档页数:1
在计算之前,我假设你的砖墙墙厚是一砖(实际中可以是一砖、半砖或者两砖……)
公式:
标准砖净用量=2×砌体厚度砖数÷{砌体厚×(标准砖长+灰缝厚)×(标准砖厚+灰缝厚)}
一砖墙为0.24m厚,取灰缝为0.01m
带入公式,可以算出砖的净用量为:529块
砂浆的净用量=1-砖数×砖体积
砂浆净用量=1-529*0.24*0.115*0.053=0.226立方米
实际用量=净用量*(1+损耗率)
转的损耗率可以取3%,砂浆的损耗率去1%
因此砖的实际用量=545块
砂浆的实际用量=0.228立方米
砌筑1立方米标准砖墙,砌筑厚度1砖以上,要砖512块、砂浆0.26m3、水泥32.5级砂浆强度M5=59.5kg,砂浆强度M7.5=67.9kg
525块砖、砂浆0.3方水泥那就分多少标号一般砌墙用M2.5则10.2kg,白灰46kg
砌一立方砖需要水泥;186公斤/立方米-198公斤/立方米。
砂;1.53吨/立方米-1.67吨/立方米。
砌一立方砖需要水泥0.08m3 砂0.166m3 标准砖512块
不管墙厚是115、240还是365等,只要计量单位为立方米,则砌筑1立方砖墙需标准砖(240*115*53)531.4块,砂浆0.225立方米(以上含损耗)。
砖砌体材料用量计算的经验公式-CAL-FENGHAI.-(YICAI)-Company One1砖砌体材料用量计算的经验公式在乡镇房屋建设中,砖混结构房屋多用标准砖砌筑,可通过以下经验公式计算出每立方米标准砖砌体的材料用量。
标准砖用量(块):A=8/(+灰缝厚)*K/砖墙厚砂浆净用量(M3):*A式中:(1)灰缝厚度、砖墙厚度的单位为米,计算时略去单位;(2)标准砖的尺寸及体积为长*宽* 厚=**=(M3)(3)K为不同厚度砖砌体的砖数,见表1;上述公式不适用于空斗墙。
通过上式可以计算出每立方米砖墙的砖和砂浆的净用量,见表2。
这个公式在实际工程中应用时,还应考虑材料的损耗,砖和砂浆可考虑1%损耗率。
计算出墙体体积以后,就可以算出砖和砂浆的用量。
砖用量=墙体体积*每立方米用砖量*(1+1%)(块)砂浆用量=墙体体积*每立方米砂浆净用量*(1+1%)(M3)表1砖砌体砖数表墙体类别半砖墙一砖墙一砖半墙二砖墙K值墙厚表2每立方米砖墙和砂浆的净用量墙体类别半砖墙一砖墙一砖半墙二砖墙A(块)552529522518B(M3)多层砌体住宅,钢筋30kg/m2,折算厚度混凝土30~33cm/m2(建筑面积)小高层11~12层住宅,钢筋55kg/m2,折算厚度混凝土35cm/m2(建筑面积)高层17~18层住宅,钢筋58~60kg/m2,折算厚度混凝土36cm/m2(建筑面积)高层30层住宅 H=94m,钢筋65~75kg/m2,折算厚度混凝土42~47cm/m2(建筑面积)高层酒店式公寓28层H=90m钢筋65~70kg/m2折算厚度混凝土38~42cm/m2(建筑面积)别墅混凝土用量和用钢量介于多层砌体住宅和高层11~12之间以上数据以抗震7度区规则结构统计砌墙用砖数量计算方法_砌墙用砖数量_砌墙用砖量计算请问在砌墙前通过怎样计算或估计所需要砖的数量?先计算所要砌的墙体体积,选择用的砖块规格,如果是240*115*53的标准砖,墙体宽是240的话,那每立方用砖量是1/**=529块,按1%的损耗算的话就是每立方用砖534块,总方量/534=总用量了。
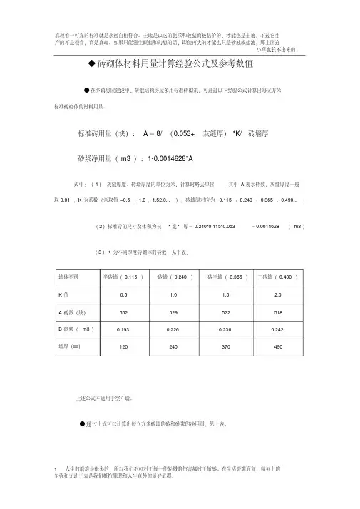
◆砖砌体材料用量计算的经验公式
●在乡镇房屋建设中,砖混结构房屋多用标准砖砌筑,可通过以下经验公式计算出每立方米标准砖砌体的材料用量。
标准砖用量(块):A=8/(0.053+灰缝厚)*K/砖墙厚
砂浆净用量(m³):1-0.0014628*A
式中:(1)灰缝厚度、砖墙厚度的单位为米,计算时略去单位,其中A表示砖数,灰缝厚度一般取0.01,K为系数(常取值=0.5,1.0,1.5,2.0...),砖墙厚对应为0.115、0.240、0.365、0.490...;
(2)标准砖的尺寸及体积为长*宽* 厚=0.240*0.115*0.053 =0.0014628(m³)
(3)K为不同厚度砖砌体的砖数,见下表;
上述公式不适用于空斗墙。
●通过上式可以计算出每立方米砖墙的砖和砂浆的净用量,见上表。
这个公式在实际工程中应用时,还应考虑材料的损耗,砖和砂浆可考虑1%损耗率。
计算出墙体体积以后,就可以算出砖和砂浆的用量。
砖用量=墙体体积*每立方米用砖量*(1+1%)(块)
砂浆用量=墙体体积*每立方米砂浆净用量*(1+1%)(m³)。
在计算之前,我假设你的砖墙墙厚是一砖(实际中可以是一砖、半砖或者两砖……)公式:
标准砖净用量=2×砌体厚度砖数÷{砌体厚×(标准砖长+灰缝厚)×(标准砖厚+灰缝厚)}
一砖墙为
0.24m厚,取灰缝为
0.01m
带入公式,可以算出砖的净用量为:529块
砂浆的净用量=1-砖数×砖体积
砂浆净用量=1-529*
0.24*
0.115*
0.053=
0.226立方米
实际用量=净用量*(1+损耗率)
转的损耗率可以取3%,砂浆的损耗率去1%
因此砖的实际用量=545块
砂浆的实际用量=
0.228立方米
砌筑1立方米标准砖墙,砌筑厚度1砖以上,要砖512块、砂浆
0.26m
3、水泥
32.5级砂浆强度M5=
59.5kg,砂浆强度M
7.5=
67.9kg
525块砖、砂浆
0.3方水泥那就分多少标号一般砌墙用M
2.5则
10.2kg,白灰46kg砌一立方砖需要水泥;186公斤/立方米-198公斤/立方米。
砂;
1.53吨/立方米-
1.67吨/立方米。
砌一立方砖需要水泥
0.08m3砂
0.166m3标准砖512块不管墙厚是
115、240还是365等,只要计量单位为立方米,则砌筑1立方砖墙需标准砖(240*115*53)
531.4块,砂浆
0.225立方米(以上含损耗)。
标准砖砌筑砂浆用量计算公式
标准砖砌筑砂浆用量计算公式是确定在砖砌体中所需的砂浆用量的基本工具。
这项计算公式可以帮助砖砌工程师和施工人员准确估算所需的砂浆量,确保砌筑过程中使用的材料数量合理,避免浪费和不必要的成本。
计算标准砖砌筑砂浆用量的公式如下:
砂浆用量(方)= 砖数(块) ×砂浆配比 ×砖体积
首先,我们需要确定砖数(块),这是指在计划的砖砌墙中所需的砖块数量。
通常,这可以从建筑设计图纸或工程师提供的相关信息中找到。
其次,砂浆配比是指石灰,水泥和沙子在砂浆中的比例。
砂浆配比的选择通常取决于具体的砌筑要求和环境条件。
建议咨询专业人士以获得最准确的砂浆配比。
最后,砖体积是指单个砖的体积。
通常,标准砖的尺寸为
230mm×110mm×70mm。
这个数值可以用作砖体积的估算,具体数值可以根据实际的砖块尺寸进行调整。
使用以上公式,我们可以计算出所需的砂浆用量。
值得注意的是,这个公式仅供参考,实际施工过程中可能会有一些调整和变化。
因此,在进行砖砌筑施工前,最好与相关专业人士进行进一步的确认和评估。
总结而言,标准砖砌筑砂浆用量计算公式是一种用于估计砖砌体中所需砂浆用量的工具。
正确使用此公式可以帮助我们合理控制材料的使用量,确保砌筑工作的高效完成,同时避免浪费和不必要的成本。
请在实际施工过程中根据具体要求和专业建议进行相应的调整和应用。
每立方所用砌块及砂浆不管墙厚是115、240还是365等,只要计量单位为立方米,则砌筑1立方砖墙需标准砖(240*115*53)531.4块,砂浆0.225立方米(以上含损耗)。
计算举例:1、计算砌一立方米370厚标准砖墙的标准砖和砂浆的净用量与总耗量(标准砖、砂浆的损耗率均为1.5%,计算结果标准砖取整数、砂浆保留三位小数)。
2、计算砌块尺寸为390×190×190(mm)的190厚混凝土空心砌块墙的砂浆和砌块总消耗量(灰缝10 mm,砌块与砂浆的损耗率均为2%)。
3、某工程外墙贴面砖,面砖规格为240×60×5,设计灰缝25mm,用1:3水泥砂浆做结合层厚10 mm,1:1水泥砂浆贴面砖,面砖损耗率为2%,砂浆损耗率为1%,试计算每100m2,㎡外墙面砖和砂浆总耗量。
答案:1、解:标准砖净用量=2×1.5/0.365×(0.24+0.01)×(0.053+0.01)=3/0.005749=521.8(块)标准砖总耗量=521.8/(1-1.5%)=529.7≈530(块)砂浆净用量=1-0.24×0.115×0.053×521.8=0.237(m3)2、解:每m3砌体砌块净用量=1/0.19×(0.39+0.01)(0.19+0.01)=1/0.0152=65.8(块)砌块总消耗量=65.8/(1-2%)=67.1(块)每m3砌体砂浆净用量=1-0.39×0.19×0.19×65.8=0.074(m3)砂浆总消耗量=0.074/(1-2%)=0.076(m3)3、解:面砖净用量=100/(0.24+0.025)(0.06+0.025)=4439.51(块)面砖总耗量= 4439.51/(1-2%)= 4530.11(块)1:1砂浆净用量=(100 - 4439.51×0.24×0.06)×0.005 = 0.18(m3)1:1砂浆总耗量= 0.18 /(1-1%)= 0.182(m3)1: 3砂浆净用量= 100×0.01 =1.00(m3)。
◆砖砌体材料用量计算经验公式及参考数值●在乡镇房屋建设中,砖混结构房屋多用标准砖砌筑,可通过以下经验公式计算出每立方米标准砖砌体的材料用量。
标准砖用量(块):A=8/(0.053+灰缝厚)*K/砖墙厚砂浆净用量(m3):1-0.0014628*A式中:(1)灰缝厚度、砖墙厚度的单位为米,计算时略去单位,其中A表示砖数,灰缝厚度一般取0.01,K为系数(常取值=0.5,1.0,1.52.0...),砖墙厚对应为0.115、0.240、0.365、0.490...;(2)标准砖的尺寸及体积为长*宽* 厚=0.240*0.115*0.053 =0.0014628(m3)(3)K为不同厚度砖砌体的砖数,见下表;墙体类别半砖墙(0.115)一砖墙(0.240)一砖半墙(0.365)二砖墙(0.490)K值0.5 1.0 1.5 2.0A砖数(块)552 529 522 518B砂浆(m3)0.193 0.226 0.236 0.242墙厚(㎜)120 240 370 490上述公式不适用于空斗墙。
●通过上式可以计算出每立方米砖墙的砖和砂浆的净用量,见上表。
这个公式在实际工程中应用时,还应考虑材料的损耗,砖和砂浆可考虑1%损耗率。
计算出墙体体积以后,就可以算出砖和砂浆的用量。
砖用量=墙体体积*每立方米用砖量*(1+1%)(块)砂浆用量=墙体体积*每立方米砂浆净用量*(1+1%)(m3)2砂浆计算实践案例:M5水泥砂浆的配合比:条件:施工水平,一般;砂子,中砂;砂子含水率: 2.5%;水泥的等级32.5。
M5配合比(重量):水泥:中砂=1:5.23。
每立方砖砌体中,需要M5水泥砂浆是0.238m3,其中水泥67.59kg;中砂354kg(0.26m3)。
M7.5水泥砂浆的配合比:条件:施工水平,一般;砂子,中砂;砂子含水率: 2.5%;水泥的等级32.5。
M5配合比(重量):水泥:中砂=1:4.82。
每立方砖砌体中,需要M7.5水泥砂浆是0.251m3,其中水泥77.31kg;中砂373kg(0.27m3)。
用理论计算法确定每立方米砖砌体的砖和砂浆的计算公式为:A= K /(a+t)×(c+t )×NA—每M3砖砌体砖的净用量t—灰缝,一般取10 N—墙厚(M)V=a ×b×c=240 ×115 ×53=0.0014628M3K—墙体系数,墙厚的砖块数×2砂浆净用量:B=1—A×V试计算一砖半墙砖和砂浆的净用量和消耗量,砖及砂浆损耗率为2%1.5×2A= =522(块)(0.24+0.01)(0.115+0.01)×0.365B=1—522×0.0014628=0.236m3A=522×(1+2%)=532(块) B=0.236×(1+2%)=0.24m3贴面材料消耗量计算:A=[100/(a+t)(b+t)]×(1+损耗率)B=100×δ如:某工程有180平米的地面采用规格为500×500面砖铺贴,灰缝为2,砂浆厚为25,面砖材料损耗率为3%,砂浆损耗率为2%。
求面砖及砂浆材料的消耗量为多少?解:A=[180/(0.5+0.002)(0.5+0.002)]×(1+3%)=736(块)B=180×0.025×(1+2%)=4.59(立方米)砖净用量=1/(墙厚*(砖长+灰缝)*(砖厚+灰缝))*KK-墙厚的砖数*2;墙厚的砖数指:0.5、1、1.5、2、2.5、3;240墙一方用多少块砖(灰缝取10mm、墙厚0.24、砖长+灰缝0.25、砖厚+灰缝0.063、K 取2):砖净用量=1/(0.24*0.25*0.063)*2=529块120墙一方用多少块砖(灰缝取10mm、墙厚0.115、砖长+灰缝0.25、砖厚+灰缝0.063、K 取1):砖净用量=1/(0.115*0.25*0.063)*1=552块370墙一方用多少块砖(灰缝取10mm、墙厚0.365、砖长+灰缝0.25、砖厚+灰缝0.063、K 取3):砖净用量=1/(0.365*0.25*0.063)*3=522块请问240墙一方多少块砖?答:531.4块/m3。
土建工程常用计算公式2土建工程预算常用计算简化公式一、概预算常用公式1、每立方米砖砌体主要材料净用量(1)计算标准砖净用量A=2*K/墙厚*(砖长+灰缝)*(砖厚+灰缝)简化公式为A=126.984K/墙厚。
K为以砖长倍数表示的墙厚。
规定灰缝厚度为0.01米(2)计算砂浆净用量。
B=1-每块标准砖体积*A简化公式为B=1-0.0014628A。
每块标准砖体积=长*宽*厚=0.24*0.115*0.053=0.0014628单位立方米240墙砖用量1/(0.24*0.12*0.6)单位立方米370墙砖用量1/(0.37*0.12*0.6)2、钢材的规格重量计算简化如下:(1)圆钢每延长米重量(kg)=1/4*3.1415*L*D*d*d=1/4*3.1415*1000*0.00000785*d*d =0.00617*d*d圆钢长L=1000mm=1m...钢材比重D=7.85吨/立方米=0.00000785kg/立方毫米,d为圆钢直径(2)钢板每平方米规格重量(kg)=a*a*d*D=1000*1000*d*0.00000785式中:a为正方形钢板边长,1000mm,D钢材比重,0.00000785kg/立方毫米,d为钢板厚度(mm)3、钢材(钢板)理论重量计算公式(1)圆钢(kg/m)=0.00617*直径*直径(2)方钢(kg/m)=0.00785*边宽*边宽(3)六角钢(kg/m)=0.0068*对边距*对边距(4)扁钢(kg/m)=0.00785*边宽*厚(5)等边角钢(kg/m)=0.00795*边宽*(2*边宽-边厚)(6)不等边角钢(kg/m)=0.00795*边宽*(长边宽+短边宽-边厚)(7)工字钢a型(kg/m)=0.00785*腹厚*(高+3.34(腿宽-腹厚))工字钢b型(kg/m)=0.00785*腹厚*(高+2.65(腿宽-腹厚))工字钢c型(kg/m)=0.00785*腹厚*(高+2.26(腿宽-腹厚))(8)槽钢a型(kg/m)=0.00785*腹厚*(高+3.26(腿宽-腹厚))槽钢b型(kg/m)=0.00785*腹厚*(高+2.44(腿宽-腹厚))槽钢c型(kg/m)=0.00785*腹厚*(高+2.44(腿宽-腹厚))(9)钢管(kg/m)=0.2466*壁厚*(外径-壁厚)(10)钢板(kg/m)=7.85*板厚4、计算圆面积=1/4*3.1415*R*R=0.785*R*RR为圆直径每米的重量(Kg)=钢筋的直径(mm)×钢筋的直径(mm)×0.00617其实记住建设工程常用的钢筋重量也很简单φ6=0.222Kgφ6.5=0.26kgφ8=0.395kgφ10=0.617kgφ12=0.888kgΦ14=1.21kgΦ16=1.58kgΦ18=2.0kgΦ24=2.47kgΦ22=2.98kgΦ25=3.85kgΦ28=4.837kg............Φ12(含12)以下和Φ28(含28)的钢筋一般小数点后取三位数,Φ14至Φ25钢筋一般小数点后取二位数Φ6=0.222KgΦ8=0.395KgΦ10=0.617KgΦ12=0.888KgΦ14=1.21KgΦ16=1.58KgΦ18=2KgΦ20=2.47KgΦ22=3KgΦ25=3.86Kg验计算公式-----钢材理论重量计算简式材料名称理论重量W(kg/m)扁钢、钢板、钢带W=0.00785×宽×厚方钢W=0.00785×边长2圆钢、线材、钢丝W=0.00617×直径2钢管W=0.02466×壁厚(外径--壁厚)等边角钢W=0.00785×边厚(2边宽--边厚)不等边角钢W=0.00785×边厚(长边宽+短边宽--边厚)工字钢W=0.00785×腰厚[高+f(腿宽-腰厚)]槽钢W=0.00785×腰厚[高+e(腿宽-腰厚)]备注1、角钢、工字钢和槽钢的准确计算公式很繁,表列简式用于计算近似值。
砂浆用量的计算方式一、砌筑砂浆的计算方式1、砌筑各种规格砌块其每一块砌块所需的砂浆量:1.1、砌块规格为600×200×200(mm)的砌体;当砌体灰缝的厚度取值为15mm(0.015m)时,每一块砌块所需砂浆的立方量为:(0.615+0.2)×0.2×0.015= 0.002445(m3)1m3砌筑砂浆可砌筑这种规格砌块的量为:1÷0.002445= 409(块)而409块加气砼砌块可砌筑墙体体积的量为:0.615×0.215×0.2×409= 10.8(m3)考虑施工损耗等因素,1m3的砌筑砂浆可砌筑到10m3的墙体。
1.2、砌块规格为220×100×40(mm)的砌体;当砌体灰缝的厚度取值为15mm(0.015m)时,每一块砌块所需的砂浆立方量为:(0.215+0.04)×0.1×0.015+(0.215×0.04)×0.015÷2=0.000447(m3)1立方砂浆可砌筑这种规格砌块的量为:1÷0.000447= 2237(块)2237块规格为220×100×40(mm)的砌块可砌筑的墙体其总体积量为:0.235×0.13×0.055×2237= 3.75(m3)考虑损耗及斜顶砖的砂浆用量,1m3的砌筑砂浆可砌筑3.4m3的导墙与横排斜顶砖;2、填充墙砌体高度一般为2.6m,其导墙与横排斜顶砖的高度为0.38m,那么加气砼砌体的高度则为2.2m2.1、砌筑小规格砌块的导墙与横排斜顶砖的量占总墙体的比例为:0.38÷2.6≈15%2.2、砌筑较大规格加气砼砌块的砌体其所占总墙体的比例为:0.44:0.516≈85%二、抹灰灰砂浆用量的计算方式如抹灰厚度平均取值为15㎜,则每立方砂浆约可抹双面33平方米。
砖用量、砂浆用量怎么计算给你一个每立方砖墙砖消耗量公式,利用这个公式可以计算各种墙厚的砖消耗量:砖净用量=1/(墙厚*(砖长+灰缝)*(砖厚+灰缝))*KK-墙厚的砖数*2;墙厚的砖数指:0.5、1、1.5、2、2.5、3;240墙一方用多少块砖(灰缝取10mm、墙厚0.24、砖长+灰缝0.25、砖厚+灰缝0.063、K取2):砖净用量=1/(0.24*0.25*0.063)*2=529块120墙一方用多少块砖(灰缝取10mm、墙厚0.115、砖长+灰缝0.25、砖厚+灰缝0.063、K取1):砖净用量=1/(0.115*0.25*0.063)*1=552块370墙一方用多少块砖(灰缝取10mm、墙厚0.365、砖长+灰缝0.25、砖厚+灰缝0.063、K取3):砖净用量=1/(0.365*0.25*0.063)*3=522块请问240墙一方多少块砖?答:531.4块/m3。
以计算题附答案的方式举3个典型例题,供提问者研磨:1、计算砌一立方米370厚标准砖墙的标准砖和砂浆的净用量与总耗量(标准砖、砂浆的损耗率均为1.5%,计算结果标准砖取整数、砂浆保留三位小数)。
2、计算砌块尺寸为390×190×190(mm)的190厚混凝土空心砌块墙的砂浆和砌块总消耗量(灰缝10mm,砌块与砂浆的损耗率均为2%)。
3、某工程外墙贴面砖,面砖规格为240×60×5,设计灰缝25mm,用1:3水泥砂浆做结合层厚10mm,1:1水泥砂浆贴面砖,面砖损耗率为2%,砂浆损耗率为1%,试计算每100m2,㎡外墙面砖和砂浆总耗量。
答案:1、解:标准砖净用量=砖净用量=2*K/(墙厚*(砖长+灰缝)*(砖厚+灰缝))K-墙厚的砖数;墙厚的砖数指:半砖120mm墙0.5、一砖240墙1、一砖半3651.5、2、2.5、3;=2×1.5/0.365×(0.24+0.01)×(0.053+0.01)=3/0.005749=521.8(块)标准砖总耗量=521.8/(1-1.5%)=529.7≈530(块)砂浆净用量=1-0.24×0.115×0.053×521.8=0.237(m3)2、解:每m3砌体砌块净用量=1/0.19×(0.39+0.01)(0.19+0.01)=1/0.0152=65.8(块)砌块总消耗量=65.8/(1-2%)=67.1(块)每m3砌体砂浆净用量=1-0.39×0.19×0.19×65.8=0.074(m3)砂浆总消耗量=0.074/(1-2%)=0.076(m3)3、解:面砖净用量=100/(0.24+0.025)(0.06+0.025)=4439.51(块)面砖总耗量=4439.51/(1-2%)=4530.11(块)1:1砂浆净用量=(100-4439.51×0.24×0.06)×0.005=0.18(m3)1:1砂浆总耗量=0.18/(1-1%)=0.182(m3)1:3砂浆净用量=100×0.01=1.00(m3)砖的尺寸240*115*53,在1平米面积横向4块4*240=960,灰缝40,纵向8块115*8=920,灰缝80,16层53*16=848,灰缝152。
砌体砂浆损耗系数标准砖净用量=2×砌体厚度砖数÷{砌体厚×(标准砖长+灰缝厚)×(标准砖厚+灰缝厚)}一砖墙为0.24m厚,取灰缝为0.01m带入公式,可以算出砖的净用量为:529块砂浆的净用量=1-砖数×砖体积砂浆净用量=1-529*0.24*0.115*0.053=0.226立方米实际用量=净用量*(1+损耗率)转的损耗率可以取3%,砂浆的损耗率去1%因此砖的实际用量=545块砂浆的实际用量=0.228立方米参考内容:施工工艺砖砌体的砌筑方法有"三一"砌砖法,挤浆法,刮浆法和满口灰法。
其中,"三一"砌砖法和挤浆法最为常用。
"三一"砌砖法:即是一块砖,一铲灰,一揉压并随手将挤出的砂浆刮去的砌筑方法。
这种砌法的优点:灰缝容易饱满,粘结性好,墙面整洁。
故实心砖砌体宜采用"三一"砌砖法。
挤浆法:即用灰勺,大铲或铺灰器在墙顶上铺一段砂浆,然后双手拿砖或单手拿砖,用砖挤入砂浆中一定厚度之后把砖放平,达到下齐边,上齐线,横平竖直的要求。
这种砌法的优点:可以连续挤砌几块砖,减少烦琐的动作;平推平挤可使灰缝饱满;效率高;保证砌筑质量。
砖砌体的施工过程有抄平,放线,摆砖,立皮数杆,挂线,砌砖,勾缝等工序。
抄平砌墙前应在基础防潮层或楼面上定出各层标高,并用M7.5水泥砂浆或C10细石混凝土找平,使各段砖墙底部标高符合设计要求。
放线根据龙门板上给定的轴线及图纸上标注的墙体尺寸,在基础顶面上用墨线弹出墙的轴线和墙的宽度线,并定出门洞口位置线。
摆砖摆砖是指在放线的基面上按选定的组砌方式用干砖试摆。
摆砖的目的是为了核对所放的墨线在门窗洞口,附墙垛等处是否符合砖的模数,以尽可能减少砍砖。
立皮数杆皮数杆是指在其上画有每皮砖和砖缝厚度以及门窗洞口,过梁,楼板,梁底,预埋件等标高位置的一种木制标杆,如图所示。
砖砌体砂浆用量的计算砂浆是一种常用的建筑材料,用于砌筑砖墙、砌筑砖石结构等。
在进行砖砌体工程时,需要计算砂浆的用量,以保证施工的质量和效果。
下面将介绍砖砌体砂浆用量的计算方法。
首先,需要确定砖砌体的尺寸和规格。
砖的尺寸一般以“长×宽×高”表示,例如常见的一种规格是240×115×53(mm)。
在此基础上,可以计算出砖体积。
以这个例子为例,砖的体积可计算为:240 × 115 × 53 = 1,646,200(mm³)其次,需要确定砖砌体的墙体厚度和墙体面积。
墙体厚度一般根据设计需求确定,常见的厚度包括75mm、100mm、115mm、150mm等。
墙体面积则根据实际情况测量,通常以平方米为单位。
接下来,需要根据砂浆的配合比确定砂浆的用量。
砂浆的配合比是指砂浆中水泥、砂子和水的比例。
通常,砂浆的配合比采用1:3的比例,即1份水泥和3份砂子。
根据配合比计算出每立方米砂浆中的水泥和砂子的用量。
然后,根据砂浆的用量计算出所需的水泥和砂子的重量。
一般来说,砂浆的密度在1700-1900kg/m³之间,可根据实际情况选取合适的数值。
将所计算出的砂浆体积(立方毫米)按照选取的砂浆密度转化为重量(千克)。
最后,根据砂浆的用量计算出所需的水和水泥。
根据配合比,每立方米砂浆需要的水泥和水的用量是已知的。
只需根据砂浆用量的计算结果相应放大或缩小即可。
需要注意的是,以上的计算结果是根据理论计算得出的。
在实际施工中,还需要考虑到各种因素的影响,如砖的损耗、保温层、内外墙砂浆材质的不同等。
因此,在进行砖砌体砂浆用量计算时,建议在实际施工前与施工方进行充分沟通,以获得准确的用量数据。
总结起来,砖砌体砂浆的用量计算包括确定砖的尺寸和规格、墙体厚度和面积、砂浆的配合比以及根据密度计算出砂浆体积,再根据配合比确定所需的水泥和砂子的用量,最后根据砂浆用量的计算结果调整水和水泥的用量。
砖砌体砂浆的计算每立方砖墙砖消耗量公式,利用这个公式可以计算各种墙厚的砖消耗量:砖净用量=1/(墙厚*(砖长+灰缝)*(砖厚+灰缝))*KK-墙厚的砖数*2;墙厚的砖数指:0.5、1、1.5、2、2.5、3;240墙一方用多少块砖(灰缝取10mm、墙厚0.24、砖长+灰缝0.25、砖厚+灰缝0.063、K取2):砖净用量=1/(0.24*0.25*0.063)*2=529块120墙一方用多少块砖(灰缝取10mm、墙厚0.115、砖长+灰缝0.25、砖厚+灰缝0.063、K取1):砖净用量=1/(0.115*0.25*0.063)*1=552块370墙一方用多少块砖(灰缝取10mm、墙厚0.365、砖长+灰缝0.25、砖厚+灰缝0.063、K取3):砖净用量=1/(0.365*0.25*0.063)*3=522块请问240墙一方多少块砖?答:531.4块/m3。
以计算题附答案的方式举3个典型例题,供提问者研磨:1、计算砌一立方米370厚标准砖墙的标准砖和砂浆的净用量与总耗量(标准砖、砂浆的损耗率均为1.5%,计算结果标准砖取整数、砂浆保留三位小数)。
2、计算砌块尺寸为390×190×190(mm)的190厚混凝土空心砌块墙的砂浆和砌块总消耗量(灰缝10mm,砌块与砂浆的损耗率均为2%)。
3、某工程外墙贴面砖,面砖规格为240×60×5,设计灰缝25mm,用1:3水泥砂浆做结合层厚10mm,1:1水泥砂浆贴面砖,面砖损耗率为2%,砂浆损耗率为1%,试计算每100m2,㎡外墙面砖和砂浆总耗量。
答案:1、解:标准砖净用量=砖净用量=2*K/(墙厚*(砖长+灰缝)*(砖厚+灰缝))K-墙厚的砖数;墙厚的砖数指:半砖120mm墙0.5、一砖240墙1、一砖半3651.5、2、2.5、3;=2×1.5/0.365×(0.24+0.01)×(0.053+0.01)=3/0.005749=521.8(块)标准砖总耗量=521.8/(1-1.5%)=529.7≈530(块)砂浆净用量=1-0.24×0.115×0.053×521.8=0.237(m3)2、解:每m3砌体砌块净用量=1/0.19×(0.39+0.01)(0.19+0.01)=1/0.0152=65.8(块)砌块总消耗量=65.8/(1-2%)=67.1(块)每m3砌体砂浆净用量=1-0.39×0.19×0.19×65.8=0.074(m3)砂浆总消耗量=0.074/(1-2%)=0.076(m3)3、解:面砖净用量=100/(0.24+0.025)(0.06+0.025)=4439.51(块)面砖总耗量=4439.51/(1-2%)=4530.11(块)1:1砂浆净用量=(100-4439.51×0.24×0.06)×0.005=0.18(m3)1:1砂浆总耗量=0.18/(1-1%)=0.182(m3)1:3砂浆净用量=100×0.01=1.00(m3)砖的尺寸240*115*53,在1平米面积横向4块4*240=960,灰缝40,纵向8块115*8=920,灰缝80,16层53*16=848,灰缝152。
标准砖砌体中标准砖、砂浆用量计算公式公式中:K —墙厚的砖数×2(墙厚的砖数是0.5砖墙、1砖墙、1.5砖墙……) 每1立方标准砖砂浆用量=1立方砌体-1立方砌体中标准砖的净体积。
每1立方标准砌体砂浆净用量=1-0.24×0.115×0.053×标准砖数量。
标准砖(砂浆)总消耗量=净用量×(1+损耗率)砂浆损耗率:1%标准砖(240×115×53)损耗率:0.4%多孔砖(240×115×90)损耗率:1%空心砖损耗率:6.3%框架结构100mm 、200mm 厚砖墙每立方用砖量一、100厚、200厚实心砖墙用砖(200×95×53mm )每立方砌体用砖量和砂浆量:A= 1 ×2=755.88×(1+0.4%)= 759(块) 0.2×0.21×0.063B= 1-0.2×0.095×0.053×756=0.239m3二、200厚多孔砖墙用砖(200×95×90mm )每立方砌体用砖量和砂浆量:A= 1 ×2=476.19×(1+1%)- 配砖量= 455(块) 0. 2×0.21×0.1其中:200×95×53mm 配砖:55(块)三、200厚空心墙(240×200×115mm )每立方砌体用砖量和砂浆量:A= 1 ×1×(1+6.3%)=170(块) 0. 2×0.25×0.125B= 1-0.24×0.2×0.115×160=0.117m3四、200厚空心墙(240×200×95mm )每立方砌体用砖量和砂浆量:A= 1 ×1×(1+6.3%)=191(m 3) 0.2×0.25×0.105每立方砌体用砂浆材料未调整。