火力发电工程电气强制性条文(控制及直流系统)
- 格式:doc
- 大小:382.00 KB
- 文档页数:29
火力发电工程建设标准强制性条文1.综合规定《火力发电厂劳动安全和工业卫生设计规程》DL 50530-19966.2.2 发电厂的楼梯、平台、坑池和孔洞等周围,均应设置栏杆或盖板。
楼梯、平台均应采取防滑措施。
6.2.4 上人屋面应设置净高大于1.05m的女儿墙或栏杆。
6.2.5 凡离地面或楼面高1m以上的高架平台,应设置栏杆。
6.2.6 发电厂烟囱、微波塔和冷却塔等处的直爬梯必须设有护圈,其高度超过100m以上的爬梯中间,应设置间歇平台。
6.2.7 当发电厂煤场需设置地下受煤斗时,斗口处必须设有煤箅子。
7.2.2 产生有毒物质场所的设计,应符合下列要求;7.2.2.1 加氯间宜布置在独立的建筑物内,当与其他车间联合布置时,必须设隔墙,并应有通向室外的外开门。
室内采暖设施不宜靠近氯气瓶和加氯机,照明和通风设备的开关应设在室外。
7.2.2.2 加氯间应设有漏氯检测仪及报警装置,并宜设置氯气中和装置。
7.2.2.3 液氯瓶、联氨贮存罐应分别存放在单独的房间内。
7.2.2.4 联氨必须采用密闭容器贮存,当联氨由贮存罐移到溶液箱时,宜采用真空虹吸法。
7.2.2.5 联氨设备周围应有围堰和冲洗设施。
7.2.2.6 加联氨的蒸汽,不应作生活用汽。
7.2.2.7 加氯间及充氯瓶间、联氨仓库及加药间、电气检修间的浸漆室、生活污水处理站的操作间,均应设置机械排风装置。
生活污水处理站操作间室内空气不允许再循环。
7.2.2.8 调酸室应设置机械排风装置。
通风换气次数不宜少于每小时5次。
7.2.3 SF6电气设备的配电装置室及检修室,应符合下列要求:7.2.3.1 SF6电气设备的配电装置室及检修室,应设置机械排风装置,室内空气不允许再循环。
室内空气中SF6含量不得超过6000mg/m3。
SF6电气设备配电装置室应设事故排风装置。
7.3.3 卸酸、碱泵房,酸、碱库及酸、碱计量系统的设计,应符合下列要求;7.3.3.1 酸、碱贮存设备地上布置时,周围应设有防护围沿,围沿内容积应大于最大一台酸、碱设备的容积。
中华人民共和国People's Republic of China工程建设标准强制性条文The Compulsory Provisions of Engineering Construction Standards电力工程部分Electric Power Engineering中国电力出版社2000年北京关于发布《工程建设标准强制性条文》(电力工程部分)的通知建标[2000]241号国务院各有关部门,各省、自治区、直辖市建委(建设厅),各计划单列市建委,新疆生产建设兵团:根据国务院《建设工程质量管理条例》和我部建标[2000]31号文要求,我们会同有关部门共同编制了《工程建设标准强制性条文》(以下称《强制性条文》)。
《强制性条文》包括城乡规划、城市建设、房屋建筑、工业建筑、水利工程、电力工程、信息工程、水运工程、公路工程、铁路工程、石油和化工建设工程、矿山工程、人防工程、广播电影电视工程和民航机场工程等部分。
《强制性条文》是现行工程建设国家标准和行业标准中直接涉及人民生命财产安全、人身健康、环境保护和其他公众利益的内容,同时考虑了提高经济效益和社会效益等方面的要求。
列入《强制性条文》的所有条文都必须严格执行。
《强制性条文》是参与建设活动各方执行工程建设强制性标准和政府对执行情况实施监督的依据。
今后新批准发布的工程建设标准,凡有强制性条文的,均在文本中明确表示,并编入《工程建设标准强制性条文》。
《工程建设标准强制性条文》(电力工程部分)已经中国电力企业联合会标准化中心组织审查,现批准实施,自发布之日起施行。
《工程建设标准强制性条文》(电力工程部分)由中国电力企业联合会标准化中心负责具体管理、解释和发行。
中华人民共和国建设部二○○○年十月二十五日前言《工程建设标准强制性条文》(以下简称《强制性条文》)是根据建设部建标[2000]31号文的要求,由建设部会同各有关主管部门组织各方面专家共同编制,经各有关主管部门分别审查后,由建设部审定发布的。
火力发电工程强制性条文管道分册目录:第一部分强制性条文执行计划表 (3)表6-A 火力发电厂管道安装工程强制性条文执行计划表 (3)第二部分强制性条文执行表格 (9)表6-B-1 管道施工设计文件强制性条文执行记表 (9)表6-B-2 受监的金属材料技术监督强制性条文执行记录表 (9)表6-B-3 受监的金属材料技术监督强制性条文执行记录表 (11)表6-B-4管子及管件表面缺陷检查鉴定强制性条文执行记录表 (12)表6-B-5 管子壁厚检测强制性条文执行记录表 (12)表6-B-6 管道系统阀门安装强制性条文执行记录表 (13)表6-B-7 高压钢管弯制及校正强制性条文执行记录表 (14)表6-B-8 高压焊制三通制作强制性条文执行记录表 (14)表6-B-9蒸汽管道蠕胀测点安装强制性条文执行记录表 (15)表6-B-10 管道开孔强制性条文执行记录表 (15)表6-B-11 埋地钢管防腐施工强制性条文执行记录表 (16)表6-B-12管道法兰合金钢螺紧固件强制性条文执行表记录 (16)表6-B-13 管道支吊架安装强制性条文执行记录表 (17)表6-B-14 管道系统水压试验强制性条文执行记录表 (17)表6-B-15 管道系统清洗强制性条文执行记录表 (18)第三部分强制性条文执行检查表 (20)表6-C-1 管道施工设计文件强制性条文执行检查表 (20)受监的金属材料技术监督强制性条文执行检查表 (20)6-C-3管子材质及合金紧固件硬度检查强制性条文执行检查表 (21)表6-C-4管子及管件表面缺陷检查鉴定强制性条文执行检查表 (21)表6-C-5 管子壁厚检测强制性条文执行检查表 (22)表6-C-6 管道系统阀门安装强制性条文执行检查表 (22)表6-C-7 高压钢弯制及校正强制性条文执行检查表 (23)表6-C-8 高压焊制三通制作强制性条文执行检查表 (23)表6-C-9 蒸汽管道蠕胀测点安装强制性条文执行检查表 (24)表6-C-10 管道开孔强制性条文执行检查表 (24)表6-C-11 埋地钢管防腐施工强制性条文执行检查表 (25)表6-C-12 管道法兰合金钢螺栓紧固强制性条文检查表 (25)表6-C-13 管道支吊架安装强制性条文检查表 (25)表6-C-14 管道系统水压试验强制性条文检查表 (26)表6-C-15 管道系统清洗强制性条文执行检查表 (26)第四部分强制性条文执行汇总表 (27)表6-D 管道安装工程强制性条文执行汇总表 (27)单位工程质量控制资料核查记录一 (27)单位工程质量控制资料核查记录二 (30)第一部分强制性条文执行计划表表6-A 火力发电厂管道安装工程强制性条文执行计划表续表●为该项强制性条文执行的责任主体单位,并负责填写相应表格。
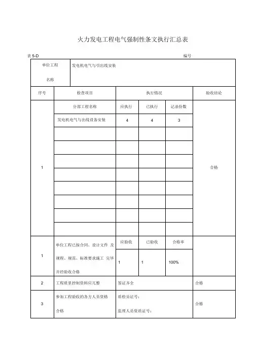
火力发电工程电气强制性条文执行汇总表
火力发电工程电气强制性条文执行汇总表
表5-D
编号
调试项目齐全,调试报告:
合格 调试工作符合规定 5 工程验收的各方人员资格合格 各单位验收报告资料不全
火力发电工程电气强制性条文执行汇总表
表5-D 编号单位工程控制及直流系统设备安装
火力发电工程电气强制性条文执行汇总表
附表1控制及直流系统设备安装单位工程资料检查项目
附表1 发电机电气与引出线安装单位工程资料检查项目
附表1 主厂房厂用电系统设备安装单位工程资料检查项目
附表1 输料系统电气设备安装单位工程资料检查项目
附表1 供水系统电气设备安装单位工程资料检查项目
附表1 附届生产系统电气设备安装单位工程资料检查项目
附表2 工程质量验收签证、记录项目。
火力发电工程建设标准强制性条文执行表格电气分册xx省电力建设工程质量监督中心站主编前言电力工程建设的质量与安全是电力系统整体质量与安全的基础,是保证电力工业可持续健康稳定发展的基础。
电力工程建设标准强制性条文,是贯彻落实《建设工程质量管理条例》等法律法规的具体表现,是电力建设过程中参与建设活动各方应强制执行的技术法规性条文,是从源头上、技术保证电力工程安全与质量的关键所在。
贯彻工程建设标准强制性条文是电力行业落实科学发展观、构建和谐社会的一项重要工作。
参与电力工程建设的各责任主体必须认真学习与贯彻落实强制性条文,以确保工程建设质量与安全。
自国务院第279号令《建设工程质量管理条例》实施以来,建设部和国家电监会办公厅相继颁发了《实施工程建设强制性标准监督规定》以及办输电[2006]8号《关于组织开展电力工程建设标准强制性条文实施情况检查的通知》等文件,要求在工程建设过程中严格执行工程建设标准强制性条文,在近年来全国范围的质量监督检查和优质工程检查过程中也发现,绝大多数电力工程项目存在《工程建设标准强制性条文》执行计划系统性不强,各质量主体责任不够明确,执行内容不够完整,部分执行“强制性条文”情况无执行目录,难以事后监督检查,质量验评主控项目执行深度不够和偏重于事后控制等问题。
在工程建设过程中,有关工程技术人员、质检人员对“强制性条文”的执行与检查极为不便,往往有所忽视,执行过程中偏差、遗漏及违反“强制性条文”的情况时有发生。
全国电力工程各建设、设计、施工、监理单位均在如何严格执行“强制性条文”方面进行摸索,但无统一而有效的办法。
为此,我们特组织编排了《火力发电工程建设标准强制性条文执行表格》丛书,收集整理了国家现行有效的涉及火力发电工程勘察设计、施工及验收有关质量方面工程建设标准强制性条文,内容全面、完整。
本套丛书分成8个分册,即《设计分册》、《土建分册》、《锅炉分册》、《汽机分册》、《电气分册》、《管道分册》、《水处理及制氢分册》和《焊接分册》。
火力发电工程强制性条文电气分册目录:第一部分电气安装工程强制性条文执行计划表 (3)第二部分强制性条文执行记录表 (18)断路器施工强制性条文执行记录表 (18)电力变压器施工强制性条文执行记录表 (19)母线施工强制性条文执行记录表 (20)电缆施工强制性条文执行记录表 (21)电气设备接地施工强制性条文执行记录表 (22)电气设备接地施工强制性条文执行记录表 (23)接地网施工强制性条文执行记录表 (24)接地线连接施工强制性条文执行记录表 (25)重要设备和设备构架施工强制性条文执行记录表 (26)电缆接地施工强制性条文执行记录表 (27)电气装置本体接地施工强制性条文执行记录表 (28)附属及二次设备接地施工强制性条文执行记录表 (29)接地体焊接施工强制性条文执行记录表 (30)GIS接地施工强制性条文执行记录表 (31)避雷针(线、带、网)施工强制性条文执行记录表 (32)携带式和移动式电气设备接地施工强制性条文执行记录表 (33)输电线路杆塔接地施工强制性条文执行记录表 (34)通信二次系统接地施工强制性条文执行记录表 (35)配电装置接地施工强制性条文执行记录表 (36)旋转电机施工强制性条文执行记录表 (37)盘、柜安装施工强制性条文执行记录表 (38)35KV及以下架空电力线路施工强制性条文执行记录表 (39)低压电器路施工强制性条文执行记录表 (40)起重机接地施工强制性条文执行记录表 (41)起重机电气设备安装施工强制性条文执行记录表 (42)起重机试运强制性条文执行记录表 (44)危险环境电气装置安装强制性条文执行记录表 (45)危险环境通风施工强制性条文执行记录表 (49)同步发电机及调相机交接试验强制性条文执行记录表 (50)直流电机交接试验强制性条文执行记录表 (51)交流电机试验强制性条文执行记录表 (52)电抗器及消弧线圈试验强制性条文执行记录表 (53)互感器试验强制性条文执行记录表 (54)真空断路器试验强制性条文执行记录表 (55)六氟化硫断路器试验强制性条文执行记录表 (56)六氟化硫封闭式组合电器断路器试验强制性条文执行记录表 (57)电力电缆线路试验强制性条文执行记录表 (58)避雷器试验强制性条文执行记录表 (59)1KV以上架空电力线路试验强制性条文执行记录表 (60)接地装置试验强制性条文执行记录表 (61)第三部分强制性条文执行检查表 (62)SF6断路器施工强制性条文执行检查表 (62)主变压器施工强制性条文执行检查表 (63)母线安装施工强制性条文执行检查表 (64)电缆敷设施工强制性条文执行检查表 (65)电气设备接地施工强制性条文执行检查表 (66)电气设备接地施工强制性条文执行检查表 (67)电气设备接地施工强制性条文执行检查表 (68)GIS接地施工强制性条文执行检查表 (69)电缆接地施工强制性条文执行检查表 (70)屋内接地线施工强制性条文执行检查表 (71)屋外地网施工强制性条文执行检查表 (72)避雷针(线、带、网)施工强制性条文执行检查表 (73)接地线焊接施工强制性条文执行检查表 (74)旋转电机施工强制性条文执行检查表 (75)盘、柜安装施工强制性条文执行检查表 (76)35KV及以下架空电力线路施工强制性条文执行检查表 (77)低压电器施工强制性条文执行检查表 (78)起重机安装施工强制性条文执行检查表 (79)起重机安装施工强制性条文执行检查表 (80)起重机试运强制性条文执行检查表 (81)危险环境电气装置施工强制性条文执行检查表 (82)交接试验强制性条文执行检查表 (87)第四部分强制性条文执行汇总表 (89)火力发电工程电气强制性条文执行汇总表 (89)第一部分电气安装工程强制性条文执行计划表表号:5-A表号:5-A表号:5-A表号:5-A表号:5-A表号:5-A表号:5-A表号:5-A表号:5-A表号:5-A表号:5-A表号:5-A表号:5-A表号:5-A电气安装工程强制性条文执行计划表表号:5-A第二部分强制性条文执行记录表断路器施工强制性条文执行记录表表号:5-B-1 编号:电力变压器施工强制性条文执行记录表表号:5-B-2 编号:母线施工强制性条文执行记录表表号:5-B-3 编号:电缆施工强制性条文执行记录表表号:5-B-4 编号:表号:5-B-5 编号:1/2表号:5-B-5 编号:2/2接地网施工强制性条文执行记录表表号:5-B-6 编号:接地线连接施工强制性条文执行记录表表号:5-B-7 编号:重要设备和设备构架施工强制性条文执行记录表表号:5-B-8 编号:电缆接地施工强制性条文执行记录表表号:5-B-9 编号:电气装置本体接地施工强制性条文执行记录表表号:5-B-10 编号:附属及二次设备接地施工强制性条文执行记录表表号:5-B-11 编号:接地体焊接施工强制性条文执行记录表表号:5-B-12 编号:GIS接地施工强制性条文执行记录表表号:5-B-13 编号:避雷针(线、带、网)施工强制性条文执行记录表表号:5-B-14 编号:携带式和移动式电气设备接地施工强制性条文执行记录表表号:5-B-15 编号:输电线路杆塔接地施工强制性条文执行记录表表号:5-B-16 编号:通信二次系统接地施工强制性条文执行记录表表号:5-B-17 编号:配电装置接地施工强制性条文执行记录表表号:5-B-18 编号:旋转电机施工强制性条文执行记录表表号:5-B-19 编号:盘、柜安装施工强制性条文执行记录表表号:5-B-20 编号:35KV及以下架空电力线路施工强制性条文执行记录表表号:5-B-21 编号:低压电器路施工强制性条文执行记录表表号:5-B-22 编号:起重机接地施工强制性条文执行记录表表号:5-B-23 编号:起重机电气设备安装施工强制性条文执行记录表表号:5-B-24 编号:(1/2)起重机电气设备安装施工强制性条文执行记录表表号:5-B-24 编号:(2/2)起重机试运强制性条文执行记录表表号:5-B-25 编号:表号:5-B-26 编号:(1/2)表号:5-B-26 编号:(2/2)危险环境电气设备接地施工强制性条文执行记录表危险环境电气设备接地施工强制性条文执行记录表表号:5-B-27 编号:(2/2)危险环境通风施工强制性条文执行记录表表号:5-B-28 编号:同步发电机及调相机交接试验强制性条文执行记录表表号:5-B-29 编号:。
中华人民共和国PEOPLE‵S REPUBLIC OF CHINA工程建设标准强制性条文THE COMPUL SORY PROVISIONS OF ENGIEERINGCONSTRUCTION STANDARDS电力工程部分ELECTRIC POWER ENGINEERING第一篇火力发电工程目录1综合规定《火力发电厂劳动安全和工业卫生设计规程》DL 5053-1996 (1)电力建设安全工作规程第1部分:火力发电厂(DL5009.1—2019) (6)2. 勘测设计2.1 工艺《火力发电厂设计技术规程》DL 5000—2000 (32)《燃气—蒸汽联合循环电厂设计规定》DL/T 5174-2019 (48)《火力发电厂金属技术监督规程》DL 438-2019 (50)《火力发电厂汽水管道设计技术规定》DL/T 5054-1996 (50)《火力发电厂高温高压蒸汽管道蠕变监督规程》DL/T 441-2019 (51)《火力发电厂汽轮机防进水和冷蒸汽导则》DL/T 834-2019 (51)《电站煤粉锅炉炉膛防爆规程》DL/T 435-2019 (52)《电站磨煤机及制粉系统选型导则》DL/T 466-2019 (56)《火力发电厂烟风煤粉管道设计技术规程》DL/T 5121-2000 (56)《火力发电厂制粉系统设计计算技术规定》DL/T 5145-2019 (57)《火力发电厂除灰设计规程》DL/T 5142-2019 (58)《压缩空气站设计规范》GB50029-2019 (58)《火力发电厂钢制平台扶梯设计技术规定》DLGJ 158-2019 (59)《火力发电厂运煤设计技术规程》(第1部分:运煤系统)DL/T 5187.1—2019 (59)《火力发电厂运煤设计技术规程》(第2部分:煤尘防治)DL/T 5187.2—2019 (66)《火力发电厂厂用电设计技术规定》DL/T 5153-2019 (67)《电力工程电缆设计规范》GB 50217-94 (68)《火力发电厂和变电所照明设计技术规定》DLGJ56一95 (69)《电力工程直流系统设计技术规程》DL/T 5044一2019 (69)《爆炸和火灾危险环境电力装置设计规范》GB50058-92 (69)《采暖通风与空气调节设计规范》GB50019-2019 (69)《火力发电厂热工自动化就地设备安装、管路及电缆设计技术规定》DL/T5182-2019 (69)《火力发电厂水工设计技术规定》NDGJ-88 (71)《工业循环水冷却设计技术规范》GB/T50102-2019 (72)《火力发电厂灰渣筑坝设计技术规程》DL/T 5045—95 (73)《火力发电厂化学设计技术规程》DL/T5068-1996 (74)《污水再生利用工程设计规范》GB50335-2019 (74)《环境空气质量标准》GB3095-1996 (75)《恶臭污染物排放标准》GB14554-93 (76)《大气污染物综合排放标准》GB16297-1996 (78)《地表水环境质量标准》GB3838-2019 (78)《海水水质标准》GB3097-82 (79)《农田灌溉水质标准》GB5084-92 (80)《渔业水质标准》GB11607-89 (80)《污水排入城市下水道水质标准》CJ3082-2019 (80)《污水综合排放标准》GB8978-1996 (80)《工业企业厂界噪声标准》GB12348-90 (86)《城市区域环境噪声标准》GB3096-93 (86)《城市区域环境噪声适用区划分技术规范》GB/T15190-94 (86)《一般工业固体废物贮存、处置场污染控制标准》GB18599-2019 (87)《500kV超高压送变电工程电磁辐射环境影响评价技术规范》HJ/T24-2019 (87)《高压交流架空送电线无线电干扰限值》GB 15707-1995 (87)《高压架空输电线、变电站无线电干扰测量方法》GB 7349-87 (87)《辐射环境保护管理导则电磁辐射监测仪器和方法》HJ/T10.2-1996 (87)《辐射环境保护管理导则电磁辐射环境影响评价方法与标准》HJ/T10.3-1996 (87)《火电厂大气污染物排放标准》GB13223-2019 (88)《工作场所有害因素职业接触限值》GBZ2-2019 (88)《工业企业设计卫生标准》GBZ1-2019 (88)《火力发电厂采暖通风与空气调节设计技术规程》DL/T5035-2019 (88)《火力发电厂与变电所设计防火规范》GB50229-1996 (88)《自动喷水灭火系统设计规范》GB50084-2019 (97)2.2 土建《氢氧站设计规范》GB 50177-93 (100)《工业企业厂内铁路、道路运输安全规程》GB4387-94 (102)《火力发电厂总图运输设计技术规程》DL/T 5032-200× (107)《建筑结构可靠度设计统一标准》GB50068-2019 (119)《建筑地基基础设计规范》GB50007-2019 (120)《湿陷性黄土地区建筑规范》GB50025-2019 (123)《混凝土结构设计规范》GB50010-2019 (123)《钢结构设计规范》GB50017-2019 (124)《建筑抗震设计规范》GB50011-2019 (125)《烟囱设计规范》GB50051-2019 (129)《火力发电厂土建结构设计技术规定》DL5022-1993 (130)《火力发电厂建筑设计规程》DL/T5094-2019 (133)《电力设施抗震设计规范》GB50260-96 (134)《火力发电厂岩土工程勘测技术规程》DL/T 5074-2019 (134)《火力发电厂地基处理技术规定》DL/T 5024-93 (134)《防洪标准》GB 50201-1994 (134)3 施工及验收3.1 锅炉与压力容器《电力工业锅炉压力容器监察规程》DL 612-1996 (136)《电站锅炉压力容器检验规程》DL 647-2019 (139)《电力工业锅炉压力容器安全监督管理(检验)工程师资格考核规则》DL/T874-2019 (141)《电力建设施工及验收技术规范锅炉机组篇》DL/T 5047-95 (141)《火力发电厂水汽化学监督导则》DL/T 561-95 (143)《电力建设施工及验收技术规范管道篇》DL5031-94 (144)《火力发电厂金属技术监督规程》DL438-2000 (145)3.2 汽轮机机组《电力建设施工及验收技术规范汽轮机机组篇》DL 5011-92 (148)《电力建设施工及验收技术规范第四部分:电厂化学》DL/T6190.4-2019 (154)《火力发电厂金属技术监督规程》DL438-2000 (155)3.3 焊接检验《火力发电厂焊接技术规程》DL/T869-2019 (156)《电站钢结构焊接通用技术条件》DL/T678-2019 (159)《管道焊接接头超声波检验技术规程》DL/T820-2019 (161)《钢制承压管道对接焊接接头射线检验技术规程》DL/T821-2019 (161)1 综合规定《火力发电厂劳动安全和工业卫生设计规程》DL 5053-19963.2.2制氢站、乙炔站应单独布置,并应远离散发火花的地点或位于明火、散发火花地点全年最小频率风向的下风侧,宜布置在厂区边缘。
中华人民共和国PEOPLE‵S REPUBLIC OF CHINA工程建设标准强制性条文THE COMPUL SORY PROVISIONS OF ENGIEERINGCONSTRUCTION STANDARDS电力工程部分ELECTRIC POWER ENGINEERING第一篇火力发电工程目录1综合规定《火力发电厂劳动安全和工业卫生设计规程》DL 5053-1996 (1)电力建设安全工作规程第1部分:火力发电厂(DL5009.1—2002) (6)2. 勘测设计2.1 工艺《火力发电厂设计技术规程》DL 5000—2000 (32)《燃气—蒸汽联合循环电厂设计规定》DL/T 5174-2003 (48)《火力发电厂金属技术监督规程》DL 438-2001 (50)《火力发电厂汽水管道设计技术规定》DL/T 5054-1996 (50)《火力发电厂高温高压蒸汽管道蠕变监督规程》DL/T 441-2004 (51)《火力发电厂汽轮机防进水和冷蒸汽导则》DL/T 834-2003 (51)《电站煤粉锅炉炉膛防爆规程》DL/T 435-2004 (52)《电站磨煤机及制粉系统选型导则》DL/T 466-2004 (56)《火力发电厂烟风煤粉管道设计技术规程》DL/T 5121-2000 (56)《火力发电厂制粉系统设计计算技术规定》DL/T 5145-2002 (57)《火力发电厂除灰设计规程》DL/T 5142-2002 (58)《压缩空气站设计规范》GB50029-2003 (58)《火力发电厂钢制平台扶梯设计技术规定》DLGJ 158-2001 (59)《火力发电厂运煤设计技术规程》(第1部分:运煤系统)DL/T 5187.1—2004 (59)《火力发电厂运煤设计技术规程》(第2部分:煤尘防治)DL/T 5187.2—2004 (66)《火力发电厂厂用电设计技术规定》DL/T 5153-2002 (67)《电力工程电缆设计规范》GB 50217-94 (68)《火力发电厂和变电所照明设计技术规定》DLGJ56一95 (69)《电力工程直流系统设计技术规程》DL/T 5044一2004 (69)《爆炸和火灾危险环境电力装置设计规范》GB50058-92 (69)《采暖通风与空气调节设计规范》GB50019-2003 (69)《火力发电厂热工自动化就地设备安装、管路及电缆设计技术规定》DL/T5182-2004 (69)《火力发电厂水工设计技术规定》NDGJ-88 (71)《工业循环水冷却设计技术规范》GB/T50102-2003 (72)《火力发电厂灰渣筑坝设计技术规程》DL/T 5045—95 (73)《火力发电厂化学设计技术规程》DL/T5068-1996 (74)《污水再生利用工程设计规范》GB50335-2002 (74)《环境空气质量标准》GB3095-1996 (75)《恶臭污染物排放标准》GB14554-93 (76)《大气污染物综合排放标准》GB16297-1996 (78)《地表水环境质量标准》GB3838-2002 (78)《海水水质标准》GB3097-82 (79)《农田灌溉水质标准》GB5084-92 (80)《渔业水质标准》GB11607-89 (80)《污水排入城市下水道水质标准》CJ3082-1999 (80)《污水综合排放标准》GB8978-1996 (80)《工业企业厂界噪声标准》GB12348-90 (86)《城市区域环境噪声标准》GB3096-93 (86)《城市区域环境噪声适用区划分技术规范》GB/T15190-94 (86)《一般工业固体废物贮存、处置场污染控制标准》GB18599-2001 (87)《500kV超高压送变电工程电磁辐射环境影响评价技术规范》HJ/T24-1998 (87)《高压交流架空送电线无线电干扰限值》GB 15707-1995 (87)《高压架空输电线、变电站无线电干扰测量方法》GB 7349-87 (87)《辐射环境保护管理导则电磁辐射监测仪器和方法》HJ/T10.2-1996 (87)《辐射环境保护管理导则电磁辐射环境影响评价方法与标准》HJ/T10.3-1996 (87)《火电厂大气污染物排放标准》GB13223-2003 (88)《工作场所有害因素职业接触限值》GBZ2-2002 (88)《工业企业设计卫生标准》GBZ1-2002 (88)《火力发电厂采暖通风与空气调节设计技术规程》DL/T5035-2004 (88)《火力发电厂与变电所设计防火规范》GB50229-1996 (88)《自动喷水灭火系统设计规范》GB50084-2001 (97)2.2 土建《氢氧站设计规范》GB 50177-93 (100)《工业企业厂内铁路、道路运输安全规程》GB4387-94 (102)《火力发电厂总图运输设计技术规程》DL/T 5032-200× (107)《建筑结构可靠度设计统一标准》GB50068-2001 (119)《建筑地基基础设计规范》GB50007-2002 (120)《湿陷性黄土地区建筑规范》GB50025-2004 (123)《混凝土结构设计规范》GB50010-2002 (123)《钢结构设计规范》GB50017-2003 (124)《建筑抗震设计规范》GB50011-2001 (125)《烟囱设计规范》GB50051-2002 (129)《火力发电厂土建结构设计技术规定》DL5022-1993 (130)《火力发电厂建筑设计规程》DL/T5094-1999 (133)《电力设施抗震设计规范》GB50260-96 (134)《火力发电厂岩土工程勘测技术规程》DL/T 5074-1997 (134)《火力发电厂地基处理技术规定》DL/T 5024-93 (134)《防洪标准》GB 50201-1994 (134)3 施工及验收3.1 锅炉与压力容器《电力工业锅炉压力容器监察规程》DL 612-1996 (136)《电站锅炉压力容器检验规程》DL 647-2004 (139)《电力工业锅炉压力容器安全监督管理(检验)工程师资格考核规则》DL/T874-2004 (141)《电力建设施工及验收技术规范锅炉机组篇》DL/T 5047-95 (141)《火力发电厂水汽化学监督导则》DL/T 561-95 (143)《电力建设施工及验收技术规范管道篇》DL5031-94 (144)《火力发电厂金属技术监督规程》DL438-2000 (145)3.2 汽轮机机组《电力建设施工及验收技术规范汽轮机机组篇》DL 5011-92 (148)《电力建设施工及验收技术规范第四部分:电厂化学》DL/T6190.4-2004 (154)《火力发电厂金属技术监督规程》DL438-2000 (155)3.3 焊接检验《火力发电厂焊接技术规程》DL/T869-2004 (156)《电站钢结构焊接通用技术条件》DL/T678-1999 (159)《管道焊接接头超声波检验技术规程》DL/T820-2002 (161)《钢制承压管道对接焊接接头射线检验技术规程》DL/T821-2002 (161)1 综合规定《火力发电厂劳动安全和工业卫生设计规程》DL 5053-19963.2.2制氢站、乙炔站应单独布置,并应远离散发火花的地点或位于明火、散发火花地点全年最小频率风向的下风侧,宜布置在厂区边缘。
火力发电工程建设标准强制性条文1.综合规定《火力发电厂劳动安全和工业卫生设计规程》DL 50530-19966.2.2 发电厂的楼梯、平台、坑池和孔洞等周围,均应设置栏杆或盖板。
楼梯、平台均应采取防滑措施。
上人屋面应设置净高大于的女儿墙或栏杆。
凡离地面或楼面高1m以上的高架平台,应设置栏杆。
发电厂烟囱、微波塔和冷却塔等处的直爬梯必须设有护圈,其高度超过100m以上的爬梯中间,应设置间歇平台。
当发电厂煤场需设置地下受煤斗时,斗口处必须设有煤箅子。
产生有毒物质场所的设计,应符合下列要求;7.2.2.1 加氯间宜布置在独立的建筑物内,当与其他车间联合布置时,必须设隔墙,并应有通向室外的外开门。
室内采暖设施不宜靠近氯气瓶和加氯机,照明和通风设备的开关应设在室外。
7.2.2.2 加氯间应设有漏氯检测仪及报警装置,并宜设置氯气中和装置。
7.2.2.3 液氯瓶、联氨贮存罐应分别存放在单独的房间内。
7.2.2.4 联氨必须采用密闭容器贮存,当联氨由贮存罐移到溶液箱时,宜采用真空虹吸法。
7.2.2.5 联氨设备周围应有围堰和冲洗设施。
7.2.2.6 加联氨的蒸汽,不应作生活用汽。
7.2.2.7 加氯间及充氯瓶间、联氨仓库及加药间、电气检修间的浸漆室、生活污水处理站的操作间,均应设置机械排风装置。
生活污水处理站操作间室内空气不允许再循环。
7.2.2.8 调酸室应设置机械排风装置。
通风换气次数不宜少于每小时5次。
SF6电气设备的配电装置室及检修室,应符合下列要求:7.2.3.1 SF6电气设备的配电装置室及检修室,应设置机械排风装置,室内空气不允许再循环。
室内空气中SF6含量不得超过6000mg/m3。
SF6电气设备配电装置室应设排风装置。
卸酸、碱泵房,酸、碱库及酸、碱计量系统的设计,应符合下列要求;7.3.3.1 酸、碱贮存设备地上布置时,周围应设有防护围沿,围沿内容积应大于最大一台酸、碱设备的容积。
当围沿有排放措施时,可适当减小其容积。
2 勘测设计2.1 工艺《大中型火力发电厂设计规范》GB50660-201117.4.5 地表水岸边水泵房±0.00m层标高(入口地坪设计标高)应按频率1%的洪水位(或潮位)加频率为2%浪高再加超过0.5m确定,并应符合下了规定:1 水泵房±0.00m层标高低于频率0.1%洪水位(或潮位)时,必须采取防洪措施。
2 当频率1%与频率0.1%洪水位(或潮位)相差很大时,应根据厂址标高对水泵房±0.00m层标高进行分析论证后确定。
3 频率2%的浪高应为重现期50年波列累积频率1%的波浪作用在泵房前墙的波峰面高度。
《火力发电厂废水治理设计技术规程》DL/T 5046-20065.1.5不应采用渗井、渗坑、稀释等手段排放不合格的废水。
5.2.1集中处理设施应能贮存和处理全厂所有机组正常运行及一台最大容量机组在维修或锅炉化学清洗期间所产生的废水。
5.6.2锅炉化学清洗废液的处理应按所采用的不同清洗药剂(如氨化柠檬酸、EDTA和盐酸等)所排出的废液,分别制定处理方案。
6.1.2脱硫系统的废水处理装置应单独设置,并按连续运行方式设计。
6.3.4系统应具备自动控制、接受远方控制以及就地手操功能。
6.3.5当某个设备出现异常或故障时,控制系统应有相对应的声光报警信息,其故障信息及原因应能在远方控制设备上显示。
9.5水质监测与控制生活污水处理系统进、出口处应设置取样口,主要检测内容为BOD5、pH、SS、COD等指标,方便定期检测。
10.2.5含煤废水处理系统的处理能力应能满足废水悬浮物含量2000mg/L~3000mg/L,短时间内允许达到5000mg/L的负荷要求,超过此值应增加沉淀处理停留时间。
10.4.1在含煤废水处理系统的出口,应对悬浮物、pH值等指标进行监测。
11.2.3总排放口应有人工或自动采样设施,并设置流量计、pH计、浊度仪和COD表等在线仪表,其中pH计、COD表应有接入辅助网的输出信号。
安装分项工程强制性条文执行情况检查表编号:施电表1
安装分项工程强制性条文执行情况检查表
编号:施电表4
安装分项工程强制性条文执行情况检查表编号:施电表5
安装分项工程强制性条文执行情况检查表编号:施电表5
安装分项工程强制性条文执行情况检查表编号:施电表6
安装分项工程强制性条文执行情况检查表编号:施电表7
安装分项工程强制性条文执行情况检查表
编号:施电表8
安装分项工程强制性条文执行情况检查表编号:施电表9
安装分项工程强制性条文执行情况检查表
编号:施电表10。
火电工程强制性条文制度第一章总则第一条为规范火电工程建设和运营管理,保障人民群众生命财产安全,促进火电工程科学发展和可持续利用,依据相关法律法规,制定本条文。
第二条火电工程指以燃煤、燃油、天然气等火焰或热量质燃料为能源,通过火燃烧和热能发电的工程项目,包括火力发电厂、热电联产厂等。
第三条火电工程建设和运营应遵循“安全第一、预防为主”的原则,加强安全风险管理,保障人员安全和环境保护。
第四条火电工程建设和运营应依法取得相应的许可证、资质证书,遵守国家规定的技术标准和环保要求。
第五条火电工程建设和运营单位应建立健全安全管理体系,设立专门的安全管理机构,配备专业技术人员,定期组织安全培训和演练。
第六条火电工程建设和运营单位应定期检查设备设施,维护维修安全设备,建立设备档案和日常巡检记录。
第七条火电工程建设和运营单位应建立健全事故应急预案,提前做好应急准备工作,及时响应、果断处置,最大限度减少损失。
第八条火电工程建设和运营单位应加强与相关部门、社会公众的沟通和交流,及时向社会公布重大安全信息,接受社会监督。
第二章火电工程建设规范第九条火电工程建设项目应依法取得工程规划许可证、土地使用权等相关手续,遵守土地规划、环境保护等相关规定。
第十条火电工程建设项目应符合国家规定的建设规模、技术标准和安全要求,同时考虑周边环境和社会影响,采取有效的环保措施。
第十一条火电工程建设项目应由具有相应资质的设计院或单位进行规划设计,且应符合国家固定资产投资项目立项审批程序。
第十二条火电工程建设项目应编制完整的工程预算和施工方案,保证投资合理、质量可控、进度可控,并报相关主管部门备案。
第十三条火电工程建设项目应进行严格的施工管理,建立施工现场安全保障制度,严格执行施工安全操作规程,确保人员安全和工程质量。
第十四条火电工程建设项目验收合格后,应办理竣工验收手续,取得相关许可证后方可投入运行。
第三章火电工程运营管理第十五条火电工程运营单位应建立健全运营管理体系,明确管理职责和权利,规范运行流程,确保设备设施安全、稳定运行。
前言电力工程建设的质量与安全是电力系统整体质量与安全的基础,是保证电力工业可持续健康稳定发展的基础。
电力工程建设标准强制性条文,是贯彻落实《建设工程质量管理条例》等法律法规的具体体现,是电力建设过程中参与建设活动各方应强制执行的技术法规性条文,是从源头上、技术上保证电力工程安全与质量的关键所在。
贯彻工程建设标准强制性条文是电力行业落实科学发展观、构建和谐社会的一项重要工作。
参与电力工程建设的各责任主体必须认真学习与贯彻落实强制性条文,以确保工程建设质量与安全。
工程建设标准强制性条文的执行与否关系到工程建设建筑、设备的质量安全和人民的生命安全,不论是否造成后果,都必须严格执行,在《建设工程质量管理条例》中,国家首次以法规形式,明确了强制性条文的法律地位,不执行工程建设强制性技术标准就是违法,并根据违反强制性技术标准所造成后果的严重程度,规定了相应的行政处罚措施。
为进一步增强对《强制性条文》的认识,提高贯彻实施强制性条文的自觉性,建立执行《强制性条文》的长效机制,保障电力工程质量和安全。
我们编制了这套火力发电工程建设强制性条文执行表格。
本套表格贯彻强制性条文,强制性执行的指导思想,体现强制性条文执行完整性、系统性、可操作性和事前、事中、事后全过程控制的原则。
从执行计划、执行记录、执行检查到验收汇总作了统一规定,编制了相应表格。
分别用于施工、设计、监理、建设单位的执行检查、验收监督管理,形成了执行强制性条文事前、事中和事后全过程控制的管理体系。
本套表格涉及相关专业较多,如有错漏,敬请同行提出宝贵意见,以便及时改正。
编审委员会编写委员会主编单位:山西省电力建设工程质量监督中心站参编单位:山西和祥建通工程项目管理有限公司山西省电建四公司主编:田璐编委:高士法丁瑞明郝志刚叶圣茂费志刚段耀全李润林浮习新石志伟雷鸣樊建斌安琦审查委员会目录前言概述填写说明规范性引用文件强制性条文执行计划表强制性条文执行记录表强制性条文执行检查表强制性条文执行汇总表附录山西省火力发电工程建设标准强制性条文执行管理办法概述自国务院第279号令《建设工程质量管理条例》实施以来,建设部和国家电监会办公厅相继颁发了《实施工程建设强制性标准监督规定》以及《关于组织开展电力工程建设标准强制性条文实施情况检查的通知》办输电(2006)8号等文件,要求在工程建设过程中严格执行工程建设标准强制性条文。
火力发电工程建设标准强制性条文指南下载提示:该文档是本店铺精心编制而成的,希望大家下载后,能够帮助大家解决实际问题。
文档下载后可定制修改,请根据实际需要进行调整和使用,谢谢!本店铺为大家提供各种类型的实用资料,如教育随笔、日记赏析、句子摘抄、古诗大全、经典美文、话题作文、工作总结、词语解析、文案摘录、其他资料等等,想了解不同资料格式和写法,敬请关注!Download tips: This document is carefully compiled by this editor. I hope that after you download it, it can help you solve practical problems. The document can be customized and modified after downloading, please adjust and use it according to actual needs, thank you! In addition, this shop provides you with various types of practical materials, such as educational essays, diary appreciation, sentence excerpts, ancient poems, classic articles, topic composition, work summary, word parsing, copy excerpts, other materials and so on, want to know different data formats and writing methods, please pay attention!引言火力发电工程是国家重要的能源基础设施之一,其建设标准对于确保工程质量、安全运行和环境保护至关重要。
施电表17 通信二次系统接地施工强制性条文明细表
表A.0.1 增安型、无火花型电气设备不同电位的导电部件之间的最小电气间隙
注:1 设备的额定电压,可高于列表数值的10%
2 装入灯座中的额定电压,不大于250V的螺旋灯座灯泡,对于a级绝缘材料最小爬电距离可为3mm。
3 表中的Ⅰ、Ⅱ、Ⅲ为绝缘材料相比漏电起痕指数分级,应符合现行国家标准《爆炸性环境用防爆电气设备通用要求》的有关规定。
Ⅰ级为上釉的陶瓷、云母、玻璃;Ⅱ级为三聚腈胺石棉耐弧塑料、硅有机石棉耐弧塑料;Ⅲ级为聚四氟乙烯塑料、三聚腈胺玻璃纤维塑料、表面用耐弧漆处理的环氧玻璃布板。
表A.0.2 本质安全电路与非本质安全电路裸露导体之间的电气间隙和爬电距离
注:表中符号“×”表示不适用。
火力发电工程电气强制性条文执行汇总表
表5-D 编号:005
电气设备接地强制性条文执行检查表
表5-C-5 编号:005-1
表5-C-5续1
表5-C-5续2
低压电器施工强制性条文执行检查表
表5-C-15 编号:005-1
表5-C-15续
电气设备接地施工强制性条文执行记录表
表5-B-5 编号:005-1-1
表5-B-5续
重要设备和设备构架接地施工强制性条文执行记录表
表5-B-8 编号:005-1-2
电气装置本体接地施工强制性条文执行记录表
表5-B-10 编号:005-1-3
附属及二次设备接地施工强制性条文执行记录表
表5-B-11 编号:005-1-4
携带式和移动式电气设备接地施工强制性条文执行记录表
表5-B-15 编号:005-1-5
输电线路杆塔接地施工强制性条文执行记录表
表5-B-16 编号:005-1-6
低压电器施工强制性条文执行记录表
表5-B-22 编号:005-1-7
表5-B-22续
电气设备接地强制性条文执行检查表
表5-C-5 编号:005-2
表5-C-5续1
表5-C-5续2
低压电器施工强制性条文执行检查表
表5-C-15 编号:005-2
表5-C-15续
电气设备接地施工强制性条文执行记录表
表5-B-5 编号:005-2-1
表5-B-5续
重要设备和设备构架接地施工强制性条文执行记录表
表5-B-8 编号:005-2-2
电气装置本体接地施工强制性条文执行记录表
表5-B-10 编号:005-2-3
附属及二次设备接地施工强制性条文执行记录表
表5-B-11 编号:005-2-4
携带式和移动式电气设备接地施工强制性条文执行记录表
表5-B-15 编号:005-2-5
输电线路杆塔接地施工强制性条文执行记录表
表5-B-16 编号:005-2-6
低压电器施工强制性条文执行记录表
表5-B-22 编号:005-2-7
表5-B-22续。