4200MW火力发电厂的电气部分设计
- 格式:doc
- 大小:3.78 MB
- 文档页数:79
火力发电厂电气部分设计随着社会经济的发展和人民生活水平的提高,电力需求持续增长,火力发电厂作为重要的能源供应基地,其建设和运营至关重要。
火力发电厂的电气部分设计是整个发电厂的重要组成部分,直接关系到电厂的安全、稳定和高效运行。
本文将深入探讨火力发电厂电气部分设计的关键要素和优化策略。
电气设备选型在火力发电厂中,需要选择合适的电气设备以满足不同的运行需求,包括主变压器、电动机、照明设备等。
选型过程中应考虑设备的可靠性、效率、环保性能及维护成本等方面的因素。
对于主变压器,应重点考虑其容量、阻抗和冷却方式;对于电动机,应考虑其功率、电压、转速等参数;对于照明设备,应考虑其照度、均匀性、能效等指标。
火力发电厂的电路设计应充分考虑各种电气设备的型号、数量、额定电流、电压等参数。
根据这些参数,合理设计母线、开关、保护装置等电路元件。
在电路设计过程中,应注意优化电路布局,减少线路损耗,提高电路的可靠性。
还需考虑电路的散热问题,防止因过热导致设备损坏或火灾事故。
火力发电厂防雷设计的目的是减少自然灾害对电气设备的影响。
设计过程中应充分考虑电厂的建筑结构和设备特点,合理设置接地装置和防雷设备。
对于关键设备,如主变压器、电动机等,应采取多重防雷措施,提高其防雷水平。
同时,应定期检查防雷设施的运行状况,确保其在关键时刻能够发挥作用。
制定严格的安全管理制度是保证火力发电厂电气安全的关键。
应加强对员工的电气安全培训,提高员工的电气安全意识和操作技能。
定期对电气设备进行安全检查和维护,确保其处于良好的工作状态。
同时,应火灾隐患的排查和治理,防止因电气设备故障或人为操作失误导致火灾事故的发生。
以某火力发电厂为例,该电厂的电气部分设计具有一定的特点。
主变压器选用具有高效率、低能耗、低噪音的环保型设备;电动机采用高效电机,以降低能耗;照明设备选择LED灯具,以提高能效。
在电路设计方面,该电厂采用分段母线设计,以提高电路的灵活性和可靠性。
目录前言 (1)摘要及关键词 (2)第1章主接线的设计 (3)1.1 发电机台数和参数的确定 (3)1.2 变压器台数和参数的确定 (3)1.3 厂用电的设计的确定 (4)1.4 220kV主接线的设计 (6)第2章短路电流计算点的确定和短路计算结果 (9)2.1短路电流计算点的确定 (9)2.2短路电流计算 (9)2.3 短路电流计算结果 (16)第3章主要电气设备的配置和选择 (16)3.1主要电气设备的配置 (16)3.2主要电气设备的选择 (17)第4章所选电气设备的校验 (21)4.1 断路器的校验 (22)4.2 隔离开关的校验 (23)4.3 电流互感器的校验 (23)4.4 母线的校验 (25)第5章继电保护的配置和考虑 (25)5.1概述 (25)5.2发电机保护配置 (27)5.3变压器的保护配置 (29)结论 (30)谢辞 (31)参考文献 (32)附录一所选设备一览表 (33)附录二电气主接线 (35)前言毕业设计是我们在校期间最后一次综合训练,它将从思维、理论以及动手能力方面给予我们严格的要求。
使我们综合能力有一个整体的提高。
它不但使我们巩固了本专业所学的专业知识,还使我们了解、熟悉了国家能源开发策略和有关的技术规程、规定、导则以及各种图形、符号。
它将为我们以后的学习、工作打下良好的基础。
能源使社会生产力的重要基础,随着社会生产的不断发展,人类使用能源不仅在数量上越来越多,在品种及构成上也发生了很大的变化。
人类对能源质量也要求越来越高。
电力使能源工业、基础工业,在国家建设和国民经济发展中占据十分重要的地位,是实现国家现代化的战略重点。
电能也是发展国民经济的基础,使一种无形的、不能大量存储的二次能源。
电能的发、变、送、配和用电,几乎是在同时瞬间完成的,须随时保持功率平衡。
要满足国民经济发展和要求,电力工业必须超前发展,这是世界发展规律。
因此,做好电力规划,加强电网建设,就尤为重要。
4⨯300MW 发电厂电气部分初步设计第一章 选择本厂主变压器和厂用变压器的容量、台数、型号及参数1.1厂用变压器的选择1.1.1负荷计算1方法负荷计算一般采用换算系数法,换算系数法的算式为S =∑(KP ) (2.1)式中S ——计算负荷(KVA)K ——换算系数P ——电动机的计算功率(KW )由于发电机额定功率已经给出,f S =353MVA ,则主变选择应按B S ≥1.1⨯(1-p K )⨯f S 计算式中B S ――主变的最小容量(MV A )p K ――厂用电量所占总发电量的比例(%)1.1.2容量选择原则(1)高压厂用工作变压器容量应按高压电动机计算负荷的110%,与低压厂用电计算负荷之和选择。
(2)高压厂用备用变压器或起动/备用变压器应与最大一台高压厂用工作变压器的容量相同;当起动/备用变压器带有公用负荷时,其容量还应满足最大一台高压厂用工作变压器的要求,并考虑该起动/备用变压器检修的条件。
1.1.3容量计算公式高压厂用工作变压器: d g B S S 1.1S +≥ (2.2) B S ——厂用变压器高压绕组额定容量(KVA )g S ——高压电动机计算负荷之和1要确定发电厂的电气主接线,必须要先计算本厂负荷。
d S ——低压厂用计算负荷之和 由电力工程电气设备手册及所给原始资料,本厂选用SFPF P Z -40000/20的变压器,其额定容量为40000/25000-25000(KVA ),高压额定电压为20±8×1.25%,低压额定电压为6.3-6.3,周波为50HZ ,相数为3,卷数为3,结线组别为N Y 、11d -11d ,阻抗为14,空载电流0.31%,空载损耗41.1KW ,负载损耗178.9KW ,冷却方式为ONAN/ONAF 。
1.2主变压器的选择21.2.1容量和台数选择发电机与主变压器为单元接线时,主变压器的容量按发电机的量大连续输出容量扣除本机组的厂用负荷来选择。
课程设计说明书学院:机电工程学院专业:电气工程及其自动化课程名称:发电厂电气部分设计题目:中型火力发电厂电气部分设计姓名:学号:指导教师:成绩:发电厂电气部分课程设计评分表目录一设计任务书 (3)1.1设计的原始资料 (3)1.2设计的任务与要求 (3)二电气主接线 (4)2.1电气主接线依据 (4)2.2主接线方案的设计 (5)2.2.1对原始资料的分析 (5)2.2.2主接线方案的拟定 (7)2.3 主变压器的选择与计算 (7)2.3.1变压器容量、台数和型式的确定原则 (7)2.3.2变压器的选择与计算 (8)三短路计算 (9)3.1短路计算的一般规则 (9)3.2短路电流的计算 (9)3.2.1各元件电抗的计算 (9)3.2.2 等值网络的化简 (10)四电气设备的选择 (14)4.1电气设备选择的一般原则 (14)4.2电气设备的选择条件 (14)4.2.1按正常工作条件选择电气设备 (14)4.2.2按短路情况校验 (15)4.2.3 断路器和隔离开关的选择 (17)4.2.4 电流互感器的选择 (18)五结束语 (19)六参考文献 (20)一火力发电厂电气部分设计任务书1.1设计的原始资料凝汽式发电厂:(1)凝汽式发电组3台:3×100MW,出口电压:10.5KV,发电厂次暂态电抗:0.12;额定功率因数:0.8(2)机组年利用小时:=5700小时;厂用电率:8%。
发电机主保护动作时间0.1秒,环境温度36度,年平均气温为22度。
电力负荷:送入220KV系统容量200MW,剩余容量送入110KV系统。
发电厂出线:220KV出线3回; 110KV出线4回(10KM),无近区负荷。
电力系统情况:220KV系统的容量为无穷大,选基准容量100MVA归算到发电厂220KV母线短路容量为3400MVA,110KV系统容量为500MVA。
1.2设计的任务与要求(1)发电机和变压器的选择表1-1 汽轮发电机的规格参数型号额定电压额定容量功率因数接线方式次暂态电抗QFS-100-2 10.5KV 100MW 0.8 YY 0.12注:发电及参数如上表,要求选择发电厂的主变,联络110KV和220KV的联络变压器的型号。
目录摘要 (I)Abstract ........................................................................................................................................... I I 1概述. (1)1.1发电厂概述 (1)1.2毕业设计的主要内容、技术指标 (1)1.3发电厂系统连接情况预设 (1)1.3.1发电厂接入系统的原则 (1)1.3.2发电厂预设规模 (2)1.4主要设计步骤 (3)2电气主接线设计 (4)2.1概述 (4)2.1.1电气主接线的基本要求 (4)2.1.2电压级常用接线方式 (4)2.2拟定主接线方案 (5)2.2.1方案一的设定 (5)2.2.2方案二的设定 (5)2.2.3方案的比较与选定 (6)2.3发电机型号的选择 (7)2.4主变压器的选型 (8)3火电厂厂用电接线的选择 (9)3.1概述 (9)3.1.1厂用电设计原则和接线形式 (9)3.1.2厂用电的电压等级 (9)3.1.3厂用电系统中性点接地方式 (10)3.1.4厂用电源及其引接 (11)3.2厂用电系统的设计及确定 (11)3.3厂用主变选择 (12)3.3.1厂用电主变选择原则 (12)3.3.2厂用主变型号的确定 (12)4短路电流的计算 (14)4.1概述 (14)4.2短路电流计算条件 (14)4.2.1短路计算的基本假定 (14)4.2.2短路计算的一般规定 (14)4.3短路计算 (15)4.3.1画等值网络图 (15)4.3.2化简等值网络图,求短路电流 (18)4.3.3短路计算结果 (25)5电气设备的选择与校验 (26)5.1概述 (26)5.1.1电气设备选择的一般原则 (26)5.2电气设备的选择与校验 (26)5.2.1回路最大持续工作电流的确定 (26)5.2.2高压断路器的选择与校验 (27)5.2.3隔离开关的选择与校验 (31)5.2.4电压互感器的选择与校验 (34)5.2.5电流互感器的选择与校验 (37)5.2.6导体的选择与校验 (41)6防雷保护的规划 (45)6.1雷电过电压的形成与危害 (45)6.2防雷保护措施 (45)6.2.1发电厂的直击雷防护 (45)6.2.2架空输电线路的防雷保护 (47)6.2.3旋转电机的防雷保护 (47)6.2.4变压器中性点防雷保护 (48)6.2.5母线避雷器的选择 (49)7配电装置的设计 (50)7.1配电装置的选择原则 (50)7.2配电装置的类型 (50)7.3配电装置的选型 (50)8发电厂电气自动装置的配置 (52)8.1备用电源自动投入装置 (52)8.2发电机的自动准同期并列装置 (52)8.3发电机的自动调节励磁装置 (52)8.4输电线路三相自动重合闸装置 (53)9发电厂的继电保护 (54)9.1概述 (54)9.2大型发电机组继电保护的总体配置 (54)9.3发电机的继电保护 (55)9.3.1发电机的纵差动保护 (55)9.4电力变压器的继电保护 (56)9.4.1变压器的瓦斯保护 (57)9.4.2变压器的纵联差动保护 (57)9.4.3变压器相间短路的过电流保护 (60)9.4.4变压器的过负荷保护 (61)总结 (62)参考文献 (63)致谢 (64)附录 (65)某火力发电厂电气部分设计摘要发电厂是电力系统的重要组成部分,它直接影响整个电力系统的安全与经济。
摘要發電廠是電力系統的重要組成部分,也直接影響整個電力系統的安全與運行。
在發電廠中,一次接線和二次接線都是其電氣部分的重要組成部分。
在本次設計中,主要針對了一次接線的設計。
從主接線方案的確定到廠用電的設計,從短路電流的計算到電氣設備的選擇以及配電裝置的佈置,都做了較為詳盡的闡述。
二次接線則以發電機的繼電保護的設計為專題,對繼電保護的整定計算做了深入細緻的介紹。
設計過程中,綜合考慮了經濟性、可靠性和可發展性等多方面因素,在確保可靠性的前提下,力爭經濟性。
設計說明書中所採用的術語、符號也都完全遵循了現行電力工業標準中所規定的術語和符號。
畢業設計任務書1畢業設計題目火力發電廠電氣部分設計專題:發電機繼電保護設計2畢業設計要求及原始資料1、凝氣式發電機的規模(1)裝機容量裝機4臺容量2×25MW+2×50MW,U N=10.5KV(2)機組年利用小時 T MAX=6500h/a(3)廠用電率按8%考慮(4)氣象條件發電廠所在地最高溫度38℃,年平均溫度25℃。
氣象條件一般無特殊要求(颱風、地震、海拔等)2、電力負荷及電力系統連接情況(1)10.5KV電壓級電纜出線六回,輸送距離最遠8km,每回平均輸送電量4.2MW,10KV最大負荷25MW,最小負荷16.8MW,COSφ = 0.8,T max = 5200h/a。
(2)35KV電壓級架空線六回,輸送距離最遠20km,每回平均輸送容量為5.6MW。
35KV電壓級最大負荷33.6MW,最小負荷為22.4MW。
COSφ=0.8, T max =5200h/a。
(3)110KV電壓級架空線4回與電力系統連接,接受該廠的剩餘功率,電力系統容量為3500MW,當取基準容量為100MVA時,系統歸算到110KV母線上的電抗X*S = 0.083。
(4)發電機出口處主保護動作時間t pr1 = 0.1S,後備保護動作時間t pr2 = 4S。
3畢業設計主要任務:3、發電廠電氣主接線設計4、廠用電的設計5、短路電流計算6、導體、電纜、架空線的選擇7、高壓電器設備8、的選擇9、電氣設備10、的佈置設計11、發電廠的控制與信號設計12、(專題)發電機的繼電保護設計目錄第一章電廠電氣主接線設計1-1 原始資料分析 (7)1-2 主接線方案的擬定 (8)1-3 主接線方案的評定…………………………………101-4 發電機及變壓器的選擇……………………………11第二章廠用電設計2-1 負荷的分類與統計…………………………………132-2 廠用電接線的設計…………………………………162-3 廠用變壓器的選擇…………………………………18第三章短路電流計算3-1 概述……………………………………………193-2 系統電氣設備標麼電抗計算………………………203-3 短路電流計算………………………………………23第四章導體、電纜、架空導體的選擇4-1 導體的選擇……………………………………………4-2 電纜的選擇4-3 架空導線的選擇第五章高壓電器設備的選擇5-1 斷路器與電抗器的選擇5-2 隔離開關的選擇5-3 互感器的配置第六章電氣設備的佈置設計6-1 概述6-2 屋內配電裝置6-3 屋外配電裝置6-4 發電機與配電裝置的連接第七章發電廠的控制與信號設計7-1 發電廠的控制方式7-2 斷路器的控制與信號7-3 中央信號裝置7-4 發電廠的弱電控制第八章發電機的繼電保護設計(專題)8-1 概述8-2 縱聯差動保護8-3 橫聯差動保護8-4 低電壓起動的過電流保護8-5 過負荷保護8-6 定子繞組單相接地保護8-7 發電機保護總接線圖說明結束語參考文獻第一章發電廠電氣主接線設計第二章1-1 原始資料分析設計電廠總容量2×25+2×50=150MW,在200MW以下,單機容量在50MW以下,為小型凝汽式火電廠。
毕业设计(论文) 开题报告设计题目:SYS发电厂(4×200MW )新建工程电气部分设计报告人: 王小波专业: 电气工程及其自动华班级: 电气0242指导教师: 郑文报告时间: 2006年4月5日课题的目的和意义:1、目的:(1)巩固课程的理论知识;(2)学习和掌握发电厂(变电所)电气部分的基本设计方法;(3)培养独立分析和解决问题的工作能力及实际工程设计的基本技能。
2、意义:1、将所学过的主要课程进行一次较系统、较全面的总结;2、将所学的专业理论知识,第一次较全面地应用于实践,用它解决实问题,从而提高分析问题、解决问题的能力,并力争有所创新;3、初步掌握发电厂(变电所)电气部分、继电保护及区域电力系统的计思想、步骤和方法,同时学会正确运用设计手册、设计规程、规范及有关技术资料,此外对编写设计文件以及计算机绘图等方面也得到了较好的锻炼。
文献综述电力建设是随国民经济发展而发展的,现在电能的利用已远远超出作为机器动力的范围,电力工业已成为国民经济现代化的基础,世界上按人口平均的用电量,是反映一个国家现代化的主要指标之一。
但是,我国的电能却十分短缺,为加快我国电力系统的发展,国家采取了诸多措施,建立了大、中型水、火、核电站,基本上缓和了用电紧张的局面,但达到供需平衡还仍有距离。
所以要从我国实际情况出发,加快发展我国电力工业是极为重要的。
目前,电力工业改革席卷全球,不同国家以不同原因推进电力商业化进程。
许多国家在电力工业中引入竞争机制,开展电力市场。
我国随着社会主义市场经济体制的建立和不断完善,电力体制改革也在进一步深化。
当前,我国电力工业正处在厂网分开,竞价上网,开放电力市场阶段,这是电力工业改革的重要一步。
“厂‘网分开,竞价上网”己是各发电企业正在或即将面临的必然结果。
在这种情况下,发电企业通过自我诊断,进一步提高生产运行水平,有效控制和降低生产成本,对于加强企业在市场条件下的竞争力,全面提高企业经济效益具有十分重要的现实意义。
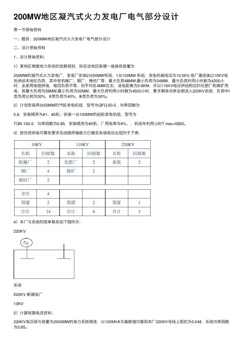
200MW地区凝汽式⽕⼒发电⼚电⽓部分设计第⼀节原始资料⼀、题⽬:200MW地区凝汽式⽕⼒发电⼚电⽓部分设计⼆、设计原始资料1、设计原始资料:1)某地区根据电⼒系统的发展规划,拟在该地区新建⼀座装机容量为200MW的凝汽式⽕⼒发电⼚,发电⼚安装2台50MW机组,1台100MW 机组,发电机端电压为10.5KV,电⼚建成後以10KV电压供给本地区负荷,其中有机械⼚、钢⼚、棉纺⼚等,最⼤负荷48MW,最⼩负荷为24MW,最⼤负荷利⽤⼩时数为4200⼩时,全部⽤电缆供电,每回负荷不等,但平均在4MW左右,送电距离为3-6KM,并以110KV电压供给附近的化肥⼚和煤矿⽤电,其最⼤负荷为58MW,最⼩负荷为32MW,最⼤负荷利⽤⼩时数为4500⼩时,要求剩余功率全部送⼊220KV系统,负荷中Ⅰ类负荷⽐例为30%,Ⅱ类负荷为40%,Ⅲ类负荷为30%。
2)计划安装两台50MW的汽轮发电机组,型号为QFQ-50-2,功率因数为0.8,安装顺序为#1、#2机;安装⼀台100MW的起轮发电机组,型号为TQN-100-2,功率因数为0.85,安装顺序为#3机;⼚⽤电率为6%,,机组年利⽤⼩时T max=5800。
3)按负荷供电可靠性要求及线路传输能⼒已确定各级电压出现列于下表:4)本⼚与系统的简单联系如下图所⽰:220KV系统220KV 新建电⼚10KV5)计算短路电流资料:220KV电压级与容量为2000MW的电⼒系统相连,以100MVA为基数值归算到本⼚220KV母线上阻抗为0.048,系统功率因数为0.85。
6)⼚址条件:⼚址位于江边,⽔源充⾜,周围地势平坦,具有铁路与外相连。
7)⽓象条件:绝对最⾼温度为400C;最⾼⽉平均温度为260C;年平均温度为10.7;风向以东北风为主。
2、设计基本内容:1)发电⼚电⽓主接线的设计;2)短路电流计算;3)主要电⽓设备选择;4)配电装置规划及设计。
3、设计成果1)设计说明书⼀份2)电⽓主接线图⼀张3)10KV配置图⼀张4)220KV进出线断⾯图⼀张第⼆节对原始资料的分析根据原始资料,本电⼚是中型发电⼚,⽐较靠近负荷中⼼。
火力发电厂电气部分设计设计专业论文广东工业大学本科毕业设计(论文)4×200MW火力发电厂电气部分设计系部机械电气学部专业电气工程及其自动化毕业设计(论文)原创性声明和使用授权说明原创性声明本人郑重承诺:所呈交的毕业设计(论文),是我个人在指导教师的指导下进行的研究工作及取得的成果。
尽我所知,除文中特别加以标注和致谢的地方外,不包含其他人或组织已经发表或公布过的研究成果,也不包含我为获得及其它教育机构的学位或学历而使用过的材料。
对本研究提供过帮助和做出过贡献的个人或集体,均已在文中作了明确的说明并表示了谢意。
作者签名:日期:指导教师签名:日期:使用授权说明本人完全了解XX大学关于收集、保存、使用毕业设计(论文)的规定,即:按照学校要求提交毕业设计(论文)的印刷本和电子版本;学校有权保存毕业设计(论文)的印刷本和电子版,并提供目录检索与阅览服务;学校可以采用影印、缩印、数字化或其它复制手段保存论文;在不以赢利为目的前提下,学校可以公布论文的部分或全部内容。
作者签名:日期:摘要本设计主要4×200MW火力发电厂电气部分设计包括电气主接线设计;发电机与变压器的连接形式选择;发电厂厂用电设计;主变压器、启动/备用变压器和高压厂用变压器容量计算、台数和型号的选择;220kV高压配电装置配置原则;短路电流计算和部分高压电气设备的选择与校验;发电机与变压器保护配置,按照设计规范与规定完成上述设计工作。
关键词:发电厂;电气一次部分;短路计算;电气设备选择AbstractThis design takes Electrical design of 4 ×200MW power plant, including the main electrical wiring design; choice of generators and transformers connecting form; auxiliary-part design; choice of main transformer, start / back-up transformers and high voltage transformer factory capacity calculation, number and type; configuration rules of 220kV high-voltage power distribution device; short-circuit current calculation and high-voltage electrical equipment selection and validation; generator and transformer protection configuration, in accordance with design specifications and requirements to complete the design work.Keywords: power plant; electrical first part; short-circuit calculation; selection of electrical equipmentsKeywords:power plant; electrical first part; short-circuit calculation; selection of electrical equipments目录1 绪论 (1)1.1概述 (1)1.2毕业设计主要内容 (1)1.2.1 电力系统情况 (1)1.2.2 待设计火力发电情况 (2)1.2.3 设计内容 (2)2发电厂电气主接线 (5)2.1概述 (5)2.2电气主接线的确定与验证 (5)2.2.1 电气主接线的设计原则 (5)2.2.1 电气主接线的初步方案 (6)2.3.1 有关设计原则 (8)2.3.2 本厂发电机与变压器之间的连接 (9)3发电厂用电设计 (12)3.1厂用电设计的要求 (12)3.1.1 厂用负荷分类 (12)3.1.2 基本要求 (12)3.2.2 本厂厂用电主接线设计说明 (14)4 短路计算 (18)4.1 短路计算的目的 (18)4.2 短路计算的一般规定 (18)4.1.1 短路计算的一般规定 (18)4.1.2 系统简化 (19)4.1.3 本厂等值电路图中短路点的选取 (22)5部分电气设备的选择与校验 (32)5.1 电气设备选择的一般原则 (32)5.1.1 选择电气一次设备遵循的条件 (32)5.1.2 按正常工作条件选择 (32)5.1.3 按短路条件进行校验 (34)5.2 220kv电气设备选择与验算 (36)5.2.1 设备及导体选择所需数据 (36)5.2.2 设备选择 (37)5.2 8、9号发电机出口设备选择 (41)5.3 避雷器的选择 (41)6 继电保护装置 (43)6 程序设计 (43)6.1 发电机继电保护装置 (43)6.2 电力变压器的机电保护装置 (44)结论 (47)参考文献 (48)致谢 (49)1 绪论1.1概述由发电、变电、输电、配电和用电等环节组成的电能生产与消费系统。
4×300MW火力发电厂电气部分初步设计4某300MW火力发电厂电气部分初步设计摘要随着我国经济发展,对电的需求也越来越大。
电作为我国经济发展最重要的一种能源,主要是可以方便、高效地转换成其它能源形式。
电力工业作为一种先进的生产力,是国民经济发展中最重要的基础能源产业。
而火力发电是电力工业发展中的主力军,截止2006年底,火电发电量达到48405万千瓦,越占总容量77.82%。
由此可见,火力电能在我国这个发展中国家的国民经济中的重要性。
该设计主要从理论上在电气主接线设计、短路电流计算、电气设备的选择、配电装置的布局、防雷设计、发电机、变压器和母线的继电保护等方面做详尽的论述,并与火力发电厂现行运行情况比较,同时,在保证设计可靠性的前提下,还要兼顾经济性和灵活性,通过计算论证火电厂实际设计的合理性与经济性。
采用软件绘制了大量电气图和查阅相关书籍,进一步完善了设计。
近几年随着我国工业的高速发展,我国电力工业超常规发展,每年装机容量超过6000万千瓦,30万千瓦、60万千瓦亚临界火电机组成为我国电网的主力机组,百万千瓦的超超临界火电机组已经在建。
目前,我国30万千瓦、60万千瓦的火力发电机组,70万千瓦的水力发电机组,在国际招标中标成功率大于90%以上。
这几年电力工业之所以能飞速发展,其重要原因是,为中国电力市场提供的火力发电设备主要立足于国内生产。
这一观点得到国内各发电公司以及电厂老总们的认同。
今天电气制造企业的国内用户率已达到75%以上。
火力发电是现在电力发展的主力军,在现在提出和谐社会,循环经济的环境中,我们在提高火电技术的方向上要着重考虑电力对环境的影响,对不可再生能源的影响,虽然现在在我国已有部分核电机组,但火电仍占领电力的大部分市场,近年电力发展滞后经济发展,全国上了许多火电厂,但火电技术必须不断提高发展,才能适应和谐社会的要求。
目前,我国的电力工业已经进入“大电网”、“大机组”、“超高压,交直流输电”、“电网调度自动化”、“状态检修”等新技术发展新阶段,一些世界水平的先进技术,已在我国电力系统得到了广泛的应用。
发电厂的电气部分课程设计毕业论文目录1 绪论 (1)1.1电力系统概述 (1)1.2毕业设计的主要容及基本思想 (1)1.2.1毕业设计的主要容、功能及技术指标 (2)1.2.2毕业设计的基本思想及设计工作步骤 (2)2 4*200MW 火力发电厂电气主接线的确定 (4)2.1概述 (4)2.1.1电气主接线设计的重要性 (4)2.1.2电气主接线的设计依据 (4)2.1.3电气主接线的主要要求 (5)2.2电气主接线的选择 (5)2.2.1主接线的基本形式 (6)2.2.2主接线的设计 (10)2.2.3方案的选择 (13)3 火电厂发电机、变压器的选择 (15)3.1主变压器和发电机中性点接地方式 (15)3.1.1电力网中性点接地方式 (15)3.1.3 发电机中性点接地方式 (16)3.2发电机的选型 (16)3.2.1 简介 (16)3.2.2 选型 (16)3.3变压器的选型 (17)3.3.1具有发电机电压母线的主变压器 (17)3.3.2单元接线的主变压器 (19)3.4电气设备的配置 (19)4 火力发电厂短路电流计算 (21)4.1概述 (21)4.1.1短路的原因及后果 (21)4.1.2短路计算的目的和简化假设 (22)4.2各系统短路电流的计算 (22)4.2.1短路计算的基本假定和计算方法 (22)4.2.2电抗图及电抗计算 (23)4.2.3短路点的选择、短路电流以及冲击电流的计算 (24)5 火电厂一次设备的选择 (32)5.1选择电气一次设备遵循的条件 (32)5.1.1按正常工作条件选择 (32)5.1.2按短路条件进行校验 (34)5.2电气设备的选择 (35)5.2.1系统各个回路的最大工作电流 (35)5.2.2高压断路器的选择 (37)5.2.3高压隔离开关的选择 (43)5.2.4互感器的选择 (49)5.2.5电抗器的选择 (56)5.2.6导线及电缆的选择及校验 (58)5.2.7避雷器的选择 (64)6 变压器的继电保护 (66)6.1概述 (66)6.1.1电力系统继电保护的基本任务 (66)6.1.2电力变压器的继电保护 (66)6.2变压器继电保护的整定计算 (68)6.2.1 纵联差动保护的整定计算 (68)6.2.2过电流保护的整定计算 (72)7 结论 (73)参考文献 (75)致谢 (76)1 绪论1.1 电力系统概述由发电、变电、输电、配电和用电等环节组成的电能生产与消费系统。
摘要由发电、变电、输电、配电和用电等环节组成的电能生产与消费系统。
它的功能是将自然界的一次能源通过发电动力装置转化成电能,再经输、变电系统及配电系统将电能供应到各负荷中心。
电气主接线是发电厂、变电所电气设计的首要部分,也是构成电力系统的重要环节。
主接线的确定对电力系统整体及发电厂、变电所本身的运行的可靠性、灵活性和经济性密切相关。
并且对电气设备选择、配电装置配置、继电保护和控制方式的拟定有较大的影响。
电能的使用已经渗透到社会、经济、生活的各个领域,而在我国电源结构中火电设备容量占总装机容量的75%。
本文是对配有4台200MW汽轮发电机的大型火电厂一次部分的初步设计,主要完成了电气主接线的设计。
包括电气主接线的形式的比较、选择;主变压器、启动/备用变压器和高压厂用变压器容量计算、台数和型号的选择;短路电流计算和高压电气设备的选择与校验; 并作了变压器保护。
关键词:发电厂;变压器;电力系统;继电保护;电气设备目录1 绪论 (1)1.1电力系统概述 (1)1.2毕业设计的主要内容及基本思想 (1)1.2.1毕业设计的主要内容、功能及技术指标 (2)1.2.2毕业设计的基本思想及设计工作步骤 (2)2 4*200MW 火力发电厂电气主接线的确定 (4)2.1概述 (4)2.1.1电气主接线设计的重要性 (4)2.1.2电气主接线的设计依据 (4)2.1.3电气主接线的主要要求 (5)2.2电气主接线的选择 (5)2.2.1主接线的基本形式 (6)2.2.2主接线的设计 (10)2.2.3方案的选择 (13)3 火电厂发电机、变压器的选择 (15)3.1主变压器和发电机中性点接地方式 (15)3.1.1电力网中性点接地方式 (15)3.1.3 发电机中性点接地方式 (16)3.2发电机的选型 (16)3.2.1 简介 (16)3.2.2 选型 (16)3.3变压器的选型 (17)3.3.1具有发电机电压母线的主变压器 (17)3.3.2单元接线的主变压器 (19)3.4电气设备的配置 (19)4 火力发电厂短路电流计算 (21)4.1概述 (21)4.1.1短路的原因及后果 (21)4.1.2短路计算的目的和简化假设 (22)4.2各系统短路电流的计算 (22)4.2.1短路计算的基本假定和计算方法 (22)4.2.2电抗图及电抗计算 (23)4.2.3短路点的选择、短路电流以及冲击电流的计算 (24)5 火电厂一次设备的选择 (32)5.1选择电气一次设备遵循的条件 (32)5.1.1按正常工作条件选择 (32)5.1.2按短路条件进行校验 (34)5.2电气设备的选择 (35)5.2.1系统各个回路的最大工作电流 (35)5.2.2高压断路器的选择 (37)5.2.3高压隔离开关的选择 (43)5.2.4互感器的选择 (49)5.2.5电抗器的选择 (56)5.2.6导线及电缆的选择及校验 (58)5.2.7避雷器的选择 (64)6 变压器的继电保护 (66)6.1概述 (66)6.1.1电力系统继电保护的基本任务 (66)6.1.2电力变压器的继电保护 (66)6.2变压器继电保护的整定计算 (68)6.2.1 纵联差动保护的整定计算 (68)6.2.2过电流保护的整定计算 (72)7 结论 (74)参考文献 (75)英文原文 (75)英文翻译 (96)致谢 (108)1 绪论1.1 电力系统概述由发电、变电、输电、配电和用电等环节组成的电能生产与消费系统。
它的功能是将自然界的一次能源通过发电动力装置(主要包括锅炉、汽轮机、发电机及电厂辅助生产系统等)转化成电能,再经输、变电系统及配电系统将电能供应到各负荷中心。
由于电源点与负荷中心多数处于不同地区,也无法大量储存,电能生产必须时刻保持与消费平衡。
因此,电能的集中开发与分散使用,以及电能的连续供应与负荷的随机变化,就制约了电力系统的结构和运行。
据此,电力系统要实现其功能,就需在各个环节和不同层次设置相应的信息与控制系统,以便对电能的生产和输运过程进行测量、调节、控制、保护、通信和调度,确保用户获得安全、经济、优质的电能。
电能是一种清洁的二次能源。
由于电能不仅便于输送和分配,易于转换为其它的能源,而且便于控制、管理和调度,易于实现自动化。
因此,电能已广泛应用于国民经济、社会生产和人民生活的各个方面。
绝大多数电能都由电力系统中发电厂提供,电力工业已成为我国实现现代化的基础,得到迅猛发展。
到2003年底,我国发电机装机容量达38450万千瓦,发电量达19080亿度,居世界第2位。
工业用电量已占全部用电量的50~70%,是电力系统的最大电能用户,供配电系统的任务就是企业所需电能的供应和分配。
电力系统的出现,使高效、无污染、使用方便、易于调控的电能得到广泛应用,推动了社会生产各个领域的变化,开创了电力时代,发生了第二次技术革命。
电力系统的规模和技术水准已成为一个国家经济发展水平的标志之一。
我国的电力系统从50年代开始迅速发展。
到1991年底,电力系统装机容量为14600万千瓦,年发电量为6750亿千瓦时,均居世界第四位。
输电线路以220 千伏、330千伏和500千伏为网络骨干,形成4个装机容量超过1500万千瓦的大区电力系统和9个超过百万千瓦的省电力系统,大区之间的联网工作也已开始。
此外,1989年,台湾省建立了装机容量为1659万千瓦的电力系统。
1.2 毕业设计的主要内容及基本思想本次毕业设计的主要内容是一个4*200MW火力发电厂的电气部分设计。
在这次设计中一共分通过以下几个步骤来五年成本次的设计任务。
1.2.1毕业设计的主要内容、功能及技术指标1、电厂规模:装机容量: 装机4台,容量分别为=10.5KV4X200MW, UN机组年利用小时数: Tmax=6200h气象条件:年最高温度40度,平均气温25度,气象条件一般,无特殊要求厂用电率:8%。
2、主要技术指标:(1)保证供电安全、可靠、经济;(2)功率因数达到0.9及以上3、主要内容:(1)确定主接线:根据设计任务书,分析原始资料与数据,列出技术上可能实现的2—3个方案,经过技术经济比较,确定最优方案。
(2)选择主变压器:选择变压器的容量、台数、型号等。
(3)短路电流计算:根据电气设备选择和继电保护整定的需要,选择短路计算点,绘制等值网络图,计算短路电流,并列表汇总。
(4)电气设备的选择:选择并校验断路器、隔离开关、电抗器、电流互感器、电压互感器、母线、电缆、避雷器等,选用设备的型号、数量汇总成设备一览表;(5)主变压器继电保护的整定计算及配置1.2.2毕业设计的基本思想及设计工作步骤1、主接线的设计发电厂的主接线是保证电网的安全可靠、经济运行的关键,是电气设备布置、选择、自动化水平和二次回路设计的原则和基础。
电气主接线的设计原则是:应根据发电厂在电力系统的地位和作用,首先应满足电力系统的可靠运行和经济调度的要求。
根据规划容量、本期建设规模、输送电压等级、进出线回路数、供电负荷的重要性、保证供需平衡、电力系统线路容量、电气设备性能和周围环境及自动化规划与要求等条件确定。
应满足可靠性、灵活性和经济性的要求。
2、主变压器的选择发电厂200MW及以上机组为发电机变压器组接线时的主变压器应满足DL5000—2000《火力发电厂设计技术规程》的规定:“变压器容量可按发电机的最大连续容量扣除一台厂用变压器的计算负荷和变压器绕组的平均温度或冷却水温度不超过650C的条件进行选择”。
3、短路电流的计算短路就是指不同电位的导电部分包括导电部分对地之间的低阻性短接。
短路电流计算是发电厂和变电所电气设计的主要计算项目,它涉及接线方式及设备选择。
工程要求系统调度或系统设计部门提供接入本电厂和变电所的各级电压的的综合阻抗值,由电气专业负责计算。
进行短路计算的目的是为了限制短路的危害和缩小故障的影响范围。
三相短路是危害最严重的短路形式,因此,三相短路电流是选择和校验电器和导体的基本依据。
4、电气设备的选择选择并校验断路器、隔离开关、电抗器、电流互感器、电压互感器、母线、电缆、避雷器等,选用设备的型号正确的选择电气设备的目的是为了事导体和电器无论在正常情况或故障情况下,均能安全、及经济合理的运行、在进行设备选择时,应根据工程实际情况、在保证安全、可靠的前提下,积极而稳妥的采取新技术,并注意节约投资,选择合适的电气设备。
5、主变压器继电保护的设计继电保护是保证系统安全和设备可靠运行的关键装置之一。
当电力系统和设备发生故障时,继电保护应准确、可靠快速的切出故障,保证系统和设备的安全发供电,并能保证其他设备的正常继续运行。
为防止变压器发生各类故障和不正常运行造成的不应有的损失以及保证电力系统安全连续运行,变压器应设置相应的保护。
2 4*200MW 火力发电厂电气主接线的确定2.1 概述电气主接线是发电厂、变电所电气设计的首要部分,也是构成电力系统的重要环节。
主接线的确定对电力系统整体及发电厂、变电所本身的运行的可靠性、灵活性和经济性密切相关。
并且对电气设备选择、配电装置配置、继电保护和控制方式的拟定有较大的影响。
因此,必须正确处理好各方面的关系,全面分析有关影响因素,通过技术经济比较,合理确定主接线的方案。
发电厂的电气主接线是保证电力网安全可靠、经济运行的关键,是电气设备布置、选择、自动化水平和二次回路设计的原则和基础。
2.1.1电气主接线设计的重要性首先,电气主接线图示电气运行人员进行各种操作和事故处理的重要依据,因此电气运行人员必须熟悉本厂电气主接线土,了解电路中各种电器设备的用途、性能及维护、检察项目和运行的步骤。
其次,电气主接线表明了发电机、变压器、断路器和线路等电气设备的数量、规格、连接方式及可能的运行方式。
电气主接线直接关系着全厂电气设备的选择、配电装置的布置、继电保护和自动装置的确定。
是发电厂电气部分投资大小的决定性因素。
再次,由于电能生产的特点是:发电、变电、书电荷用电视在同一时刻完成的,所以主接线的好坏,直接关系着电力系统的安全、稳定、灵活和经济运行,也直接影响到工农业生产和人民生活。
所以电气主接线的拟定是一个综合性的问题,必须在满足国家有关技术经济政策的前提下,力争使其技术先进,经济合理,安全可靠。
2.1.2电气主接线的设计依据1、发电厂在电力系统中的地位和作用电力系统中的发电厂有大型主力电厂、中小型地区电厂及企业自备电厂三种类型。
大型主力或电厂靠近煤矿或沿海、沿江,并接入300-500KV超高压系统;地区电厂靠近城镇,一般接入110-220KV系统,也有接入330KV系统;企业自备电厂则以本企业供电供热为主,并与地区110-220KV系统相连。
中小型电厂常有发电机电压馈线向附近供电。