粗集料松方密度及空隙率试验
- 格式:doc
- 大小:59.50 KB
- 文档页数:4
第1章前言原《公路工程集料实验规程》(JTJ058-94)(以下称原规程),由交通部公路科学研究所和交通部第二公路勘察设计院编制。
当时编制的内容大部分引自原《水泥混凝土实验规程》、《公路工程沥青及沥青混合料实验规程》、《公路路面基层实验规程》中相差的实验方法。
原规程于1994年7月5日发布,12月1日起在全国实施以来,在我国得到了广泛的应用。
对加强公路工程集料的生产与管理、质量检验起到了重要的作用。
但是,由于长期形成的习惯和各方面的原因,国内外对用于水泥混凝土与沥青路面的集料,无论在规格、质量要求还是实验方法方面,都是各成系统、有所不同的:原规程实施几年来,高速公路沥青路面的建设有了较大的发展,其中的一些实验方法,对水泥混凝土集料是适用的,但对沥青路面及基层、底基层集料就不适用,有些在工程中发生了混乱。
另外,矿粉作为沥青混合料的一种主要材料,虽然并不属于集料的定义范围内,却没有比本规程更合适的实验规程可以包括进去。
因此,交通部[1997]731号文下达任务,由交通部公路科学研究所对原规程进行修订,主要是将水泥混凝土和沥青路面不同的部分严格区分开,分别制定出标准的实验方法。
同时把沥青混合料所用的矿粉填料的实验方法也纳入本规程,以便生产上应用。
根据交通部公路司的计划要求,修订组充分参考了“七五”及“八五”国家科技攻关及其他科研、推广工程陆续取得的许多有实用价值的成果,与相关的设计、施工规范协调配套。
1997年开始征求有关部门使用意见,搜集国内外实验方法资料,结合施工生产实践及有关科研成果进行了修订并在西宁、长沙召开两次征求意见会。
交通部公路司于1998年6月组织了对送审稿的审查,经修订组进一步修改后,形成报批稿,公路司设计与技术处会同修订组及人民交通出版社有关人员总校后定稿。
这次修订的重点针对使用于沥青混合料和基层、底基层的集料的实验方法,严格区分了水泥混凝土与沥青混合料对集料的不同测试方法和要求。
附件2
广东省交通建设工程现场检测和工程材料试(检)验收费标准表(新增检测项目)
一、现场检测收费项目及收费标准
1.路基
2.路面
- 2 -
3.基桩
4.地基基础
5. 桥涵
(1)桥涵交竣工验收常规检测
(2)桥涵特殊检查/检测
- 3 -
- 4 -
7.其它结构检测
8。
交通安全设施
- 5 -
9.机电工程
- 6 -
(3)收费系统
(4)低压配电设施
- 7 -
(5)照明设施
(6)隧道机电设施
- 8 -
- 9 -
现场检测收费说明:
1.除委托方特殊要求外,上述检测项目均按现行的国家或行业检测标准规范所规定的
检测方法与频率进行检测。
2。
表中所列费用均为基本检测费,未列入试验加载设备、工作用车台班、支架、工作棚、电源与照明设施以及现场配合人员费等交通维护相关费用.
3.桥面宽度按单幅两车道计;超过(或不足)两车道的,各项基本费应按每增加(减
少)一车道相应加收(减收)20%。
4.旧桥鉴定试验,各项基本费加收30%,危桥加收50%.
5。
加急检测或质量仲裁检测,各项基本费加收50%。
6.港口道路、堆场检测收费可按本标准执行。
7.检测车租赁费:
- 10 -
二.工程材料试(检)验收费项目及收费标准。
集料试验——注意事项
[粗集料密度及吸水率试验取样--注意事项]
1.测定粗集料的密度所需要的试样最小质量如下表:
2.最大粒径是指集料100%都要求通过的最小的标准筛筛孔尺寸。
3.公称最大粒径是指保留在最大尺寸的标准筛上的颗粒含量不超过10%的最小标准筛筛孔尺寸。
通常比集料最大粒径小一个粒级。
4.恒量是指相邻两次称量间隔时间大于3h的情况下,其前后两次称量之差小于该项试验所要求的精密度,即0.1%。
一般在烘箱中烘烤的时间不得少于4~6h。
5.在不同水温条件下测量的粗集料的表观密度需进行水温修正,水温修正系数αT及不同试验温度下水的密度ρT列于下表。
[粗集料松方密度及空隙率试验--注意事项]。
粗集料堆积密度及空隙率试验(T 0309-2005)2.6.1 目的与适用范围测定粗集料的堆积密度,包括堆积状态、振实状态、捣实状态下的堆积密度,以及堆积状态下的空隙率(或间隙率)。
2.6.2 仪具与材料2.6.2.1 天平或台秤,感量不大于称量的0.1%。
2.6.2.2 容量筒:适用于粗集料堆积密度测定的容量筒应符合表2.6.2.2的要求表2.6.2.2 容量筒的规格要求2.6.2.3 平头铁锹。
2.6.2.4 烘箱:能控温105±5℃。
2.6.2.5 振动台:频率为3000次/min±200次/min,负荷下的振幅为0.35mm,空载时的振幅为0.5mm。
2.6.2.6 捣棒:直径16mm,长600mm,一端为圆头的钢棒。
2.6.3 试验准备按《粗集料取样法》T0301的方法取样、缩分,质量应满足试验要求,在105±5℃的烘箱中烘干,也可以摊在清洁的地面上风干,拌匀后分成两分备用。
2.6.4 试验步骤2.6.4.1 自然堆积密度取试样1份,置于平整干净的水泥地(或铁板)上,用平头铁锹铲起试样,使石子自由落入容量筒内,此时,从铁锹的齐口至容量筒上口的距离应保持为50mm 左右,装满容量筒并除去凸出筒口表面的颗粒,并以合适的颗粒填入凹陷空隙,使表面稍凸起部分和凹陷部分的体积大致相等,称取试样和容量筒总质量(m 2)。
2.6.4.2 振实密度按堆积密度试验步骤,将装满试样的容量筒放在振动台上,振动3min ,或者将试样分三层装入容量筒,装完一层后,在筒底垫放一根直径为25mm 的圆钢筋,将筒按住,左右交替颠击地面各25下;然后装入第二层,用同样的方法颠实(但筒底所垫钢筋的方向应与第一层放置方向垂直);然后再装入第三层,如法颠实;待三层试样装填完毕后,加料填到试样超出容量筒口,用钢筋沿筒口边缘滚转,刮下高出筒口的颗粒,用合适的颗粒填平凹陷部分的体积大致相等,称取试样和容量筒总质量(m 2)。
粗集料堆积密度空隙率试验作业指导书执行标准:SL352-2006 一、目的和适用范围测定粗集料的松方密度,包括堆积密度、振实状态、捣实状态下的松方密度,以及松方状态下的空隙率(或间隙率)。
二、仪器设备1、台称:称量10kg,精度10g2、天平:称量2000g,精度0.1%3、容量筒:适用于水泥混凝土集料测定的容量筒应符合下表的要求:水泥混凝土集料容量筒的规格要求、80303602944沥青混合料集料容量筒的规格要求4、烘箱:控温在105℃±5℃5、振动台、铁铲、捣棒三、试验操作1、按四分缩分法缩分试样,在烘处可烘干,拌匀后分成两份备用。
2、堆积密度:取试样1份,置于平整干净的水泥地(或铁板)上,用铁铲铲起试样,使石子自由落入容量筒内。
此时,从铁锹的齐口至容量筒上口的距离应保持为50mm 左右,装满容量筒并除去凸出筒口表面的颗粒,并以合适的颗粒填入凹陷空隙,使表面稍凸起部分和凹陷部分的体积大致相等,称取试样和容量筒总质量(m2)。
3、振实密度:按堆积密度试验步骤,将装满试样的容量筒放在振动台上,振动3min,或者将试样分三层装入容量筒;装完一层后,在筒底垫放一根直径为25mm的圆钢筋,将筒按住,左右交替颠击地面各25下,然后装入第二层,用同样的方法颠实(但筒底所垫钢筋的方向应与第一层放置方向垂直);然后再装入第三层,如法颠实,待三层试样装填完毕后,加料填到试样超出容量筒口,用钢筋沿筒口边缘滚转,刮下高出筒口的颗粒,用合适的颗粒填平凹处,使表面稍凸起部分和凹陷部分的体积大致相等,称取度样和容量筒总质量(m1)。
4、捣实密度:将试样装入符合要求规格的容器中达1/3高度,由边至中间捣棒均匀捣实25次,再向容器中装入1/3高度的试样,用捣棒均匀地捣实25次,捣实深度约至下层的表面,然后重复上一步骤,加最后一层,捣实25次,使集料与容器口齐平,用合适的集料填充表面的大空隙,用直尺大体刮平,目测估计表面凸起的部分与凹陷的部分的容积大致相等,称取容量筒与试样的总质量(m2)。
JGJ 52-2006粗集料堆积密度及空隙率试验作业指导书版本号:B编号:QT0516修改:第0次修改修改日期:/颁布日期:2019年7月8日实施日期:2019年7月10日编制:审核:批准:受控编号:QT0516粗集料堆积密度及空隙率试验作业指导书1.目的与适用范围本方法适用于测定碎石或卵石的堆积密度、紧密密度及空隙率。
2.检测依据《普通混凝土用砂、石质量及检验方法标准》JGJ 52-20063.仪具与材料本试验用仪器设备如下:a)天平:称量10kg,感量10g;称量50kg或100 kg,感量50g各一台;b)容量筒:容量筒规格见表18;c)垫棒:直径16 mm,长600 mm的圆钢;d)直尺,小铲等。
表18容量筒的规格要求4.试验步骤4.1按规定取样,烘干或风干后,拌匀并把试样分为大致相等的两份备用。
4.2松散堆积密度取试样一份,用小铲将试样从容量筒口中心上方50 mm处徐徐倒入,让试样以自由落体落下,当容量筒上部试样呈堆体,且容量筒四周溢满时,即停止加料。
除去凸出容量口表面的颗粒,并以合适的颗粒填入凹陷部分,使表面稍凸起部分和凹陷部分的体积大致相等(试验过程应防止触动容量筒),称出试样和容量筒总质量。
4.3紧密堆积密度取试样一份分三次装入容量筒。
装完第一层后,在筒底垫放一根宜径为16 mm的圆钢,将筒按住,左右交替颠击地面各25次,再装入第二层,第二层装满后用同样方法颠实(但筒底所垫钢筋的方向与第一层时的方向垂直),然后装入第三层,第三层装满后用同样方法颠实(但筒底所垫钢筋的方向与第一层时的方向平行)。
试样装填完毕,再加试样直至超过筒口,用钢尺沿筒口边缘刮去高出的试样,并用适合的颗粒填平凹陷部分,使表面稍凸起部分与凹陷部分的体积大致相等。
称取试样和容量筒的总质量,精确至10g。
5.结果计算与评定5.1松散或紧密堆积密度按式(10)计算,精确至10 kg/m3:(10)式中:ρ1——松散堆积密度或紧密堆积密度,单位为千克每立方米(kg/m3);G1——容量筒和试样的总质量,单位为克(g);G2——容量筒的质量,单位为克(g);V——容量筒的容积,单位为升(L)。
第一章土工试验第一节土的含水量试验(烘干法、酒精燃烧法)烘干法一、定义土的含水量是在105-110℃下烘至恒量时所失去的水分质量和达恒量后干土质量的比值,以百分数表示,本法是测定含水量的标准方法。
二、适用范围粘质土、粉质土、砂类土和有机质土类。
三、主要仪器设备烘箱:可采用电热烘箱或温度能保持105-110℃的其他能源烘箱,也可用红外线烘箱天平:感量0.01g。
称量盒(定期调整为恒质量)四、计算公式含水量=(湿土质量-干土质量)/干土质量×100%注:计算至0.1%。
五、允许差值本试验须进行二次平行测定,取其平均算术平均值,允许平行差值应符合如下规定:含水量(%)允许平行差值(%)5以下 0.340以下≤140以上≤2酒精燃烧法一、适用范围本法适用于快速简易测定细粒土(含有机质的除外)的含水量。
二、主要仪器设备称量盒(定期调整为恒质量)。
天平:感量0.01g。
酒精:纯度95%。
三、其余同“烘干法”第二节土的颗粒分析试验(筛分法、比重计法)筛分法一、适用范围适用于分析粒径大于0.074mm的土。
二、主要仪器设备标准筛:粗筛(圆孔):孔径为60mm、40mm、20mm、10mm、5mm、2mm;细筛:孔径为2mm、0.5mm、0.25mm、0.074mm。
天平:称量5000g,感量5g;称量1000g,感量1g;称量200g,感量0.2g。
三、试样从风干、松散的土样中,用四分法按照下列规定取出具有代表性的试样:小于2mm颗粒的土100-300g。
最大粒径小于10mm的土300-900g。
最大粒径小于20mm的土1000-2000g。
最大粒径小于40mm的土2000-4000g。
最大粒径大于40mm的土4000g以上。
四、计算公式按下式计算小于某粒径颗粒质量百分数:X=(A/B)×100式中:X-小于某粒径颗粒的质量百分数,%;A-小于某粒径的颗粒质量,g;B-试样的总质量,g。
当小于2mm的颗粒如用四分法缩分取样时,试样中小于某粒径的颗粒质量占总质量的百分数: X=(a/b)×p×100式中:a-通过2mm筛的试样中小于某粒径的颗粒质量,g;b-通过2mm筛的土样中所取试样的质量,g;p-粒径小于2mm的颗粒质量百分数。
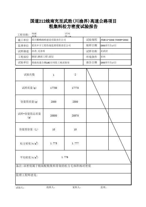
粗集料松方密度及空隙率试验1. 试验原理粗集料的松方密度是指集料单位体积(包括物质颗粒固体及其闭口、开口孔隙和颗粒间空隙体积)物质颗粒的质量。
松方密度是计算粗集料空隙率的重要参数,它与表观密度的区别在于:测定的体积中包含了集料颗粒间的空隙体积,因此,松方密度是将集料填装在规定的容积筒中进行测定,根据粗集料颗粒在容积筒中排列的松紧程度不同,又包括堆积状态、振实状态和捣实状态下的三种松方密度。
2. 试验目的测定粗集料的松方密度,可以计算粗集料的空隙率,亦可计算粗集料的质量和数量。
3. 主要仪具(1)天平或台秤:感量不大于称量的0.1%。
(2)容量筒(3)平头铁锹。
(4)烘箱:能使温度控制在105C±5C。
(5)振动台:频率为3000次/min ± 200次/min,负荷下的振幅为0.35mm空载时的振幅为0.5mm>(6)捣棒:直径16mm长600mm—端为圆头的钢棒。
4. 试验方法(1) 采用四分法将试样缩分至满足试验要求的质量,在105C±5C 的烘箱中烘干,也可以摊在清洁的地面上风干,拌匀后分成2份备用。
(2) 堆积密度测定取试样一份,置于平整干净的水泥地(或铁板)上,用平头铁锹铲起试样,从铁锹的齐口至容量筒上口的距离约为50mm左右,使石子自由落入容量筒内。
装满容量筒,并除去凸出筒口表面的颗粒,并以合适的颗粒填入凹陷空隙,使表面稍凸起部分和凹陷部分的体积大致相等,称取试样和容量筒总质量(m2。
(3)振实密度测定按堆积密度的试验步骤,将装满试样的容量筒放在振动台上,振动3mi n,或者将试样分三层装入容量筒:装完一层后,在筒底垫放一根直径为25mm勺圆钢筋,将筒按住,左右交替颠击地面各25下;然后装入第二层,用同样的方法颠实(但筒底所垫钢筋的方向应与第一层放置方向垂直);然后再装入第三层,如法颠实。
待三层试样装填完毕后,加料填到试样超出容量筒口,用钢筋沿筒边缘滚转,刮下高出筒口的颗粒,用合适的颗粒填平凹处,使表面稍凸部分和凹陷部分的体积大致相等,称取试样和容量筒总质量(m2 )。
二. 粗集料松方密度及空隙率试验
1.试验原理
粗集料的松方密度是指集料单位体积(包括物质颗粒固体及其闭口、开口孔隙和颗粒间空隙体积)物质颗粒的质量。
松方密度是计算粗集料空隙率的重要参数,它与表观密度的区别在于:测定的体积中包含了集料颗粒间的空隙体积,因此,松方密度是将集料填装在规定的容积筒中进行测定,根据粗集料颗粒在容积筒中排列的松紧程度不同,又包括堆积状态、振实状态和捣实状态下的三种松方密度。
2.试验目的
测定粗集料的松方密度,可以计算粗集料的空隙率,亦可计算粗集料的质量和数量。
3.主要仪具
(1)天平或台秤:感量不大于称量的0.1%。
(2)容量筒
(3)平头铁锹。
(4)烘箱:能使温度控制在105℃±5℃。
(5)振动台:频率为3000次/min±200次/min,负荷下的振幅为0.35mm,空载时的振幅为0.5mm。
(6)捣棒:直径16mm,长600mm,一端为圆头的钢棒。
4.试验方法
(1)采用四分法将试样缩分至满足试验要求的质量,在105℃±5℃的烘箱中烘干,也可以摊在清洁的地面上风干,拌匀后分成2份备用。
(2)堆积密度测定
取试样一份,置于平整干净的水泥地(或铁板)上,用平头铁锹铲起试样,从铁锹的齐口至容量筒上口的距离约为50mm左右,使石子自由落入容量筒内。
装满容量筒,并除去凸出筒口表面的颗粒,并以合适的颗粒填入凹陷空隙,使表面稍凸起部分和凹陷部分的体积大致相等,称取试样和容量筒总质量(m2)。
(3)振实密度测定
按堆积密度的试验步骤,将装满试样的容量筒放在振动台上,振动3min,或者将试样分三层装入容量筒:装完一层后,在筒底垫放一根直径为25mm的圆钢筋,将筒按住,左右交替颠击地面各25下;然后装入第二层,用同样的方法颠实(但筒底所垫钢筋的方向应与第一层放置方向垂直);然后再装入第三层,如法颠实。
待三层试样装填完毕后,加料填到试样超出容量筒口,用钢筋沿筒边缘滚转,刮下高出筒口的颗粒,用合适的颗粒填平凹处,使表面稍凸部分和凹陷部分的体积大致相等,称取试样和容量筒总质量(m2 )。
(4)捣实密度测定
将试样装入容量筒中达1/3的高度,由边至中用捣棒均匀地捣实25次。
再向容量筒中装入1/3高度的试样,用捣棒均匀地捣实25次,捣实深度约至下层的表面。
然后重复上一步骤,加最后一层,捣实25次,使集料与容量筒口齐平。
用合适的集料填充表面的大空隙,用直尺大体刮平,目测估计表面凸起的部分与凹陷的部分的容积大致相等,称取容量筒与试样的总质量(m2)。
(5)容量筒容积的标定
用水装满容量筒,测量水温,擦干筒外壁的水分,称取容量筒与水的总质量(),并按水的密度对容量筒的容积作校正。
5.结果计算
(1)容量筒的容积
容量筒的容积按下式计算:
式中:v --容量筒的容积,l;
m1--容量筒的质量,kg;
--容量筒与水的总质量,kg;
--试验温度t时水的密度,同前。
(2)松方密度
松方密度(包括堆积状态、振实状态和捣实状态的松方密度)按下式计算至小数点后2位。
式中:--粗集料松方密度,kg/m3;
m1--容量筒的质量,kg;
m2--容量筒与试样的总质量,kg;
v --容量筒的容积,l。
(2)空隙率
空隙率(亦称间隙率)是集料颗粒之间空隙体积占集料总体积的百
分率。
水泥混凝土用粗集料的空隙率按下式计算 :
式中: n--水泥混凝土用粗集料的空隙率,%;
--按振实法测定的粗集料的松方密度,kg/m3;
--粗集料的表观密度,kg/m3。
沥青马蹄脂碎石混合料(sma)用粗集料空隙率,是指捣实状态粗集料骨架(通常指4.75mm以上部分)的间隙率,可按下式计
算:
式中:--捣实状态粗集料骨架间隙率,%;
--按捣实法测定的粗集料的松方密度,kg/m3;
--粗集料的毛体积密度,kg/m3。