评标因素及权重分值
- 格式:doc
- 大小:62.50 KB
- 文档页数:8
招标评标方法(分值)招标评标方法(分值)引言概述:招标评标是指在招标过程中对投标文件进行评审和比较,以确定最终中标者的过程。
招标评标方法(分值)是一种常用的评标方法,通过对各项评标指标进行权重分配,以分值的形式对投标文件进行评估,从而选出最具优势的投标方。
本文将从五个大点来详细阐述招标评标方法(分值)的相关内容。
正文内容:1. 评标指标的确定1.1 项目特点- 项目特点是指项目的具体要求和特殊性。
通过分析项目的性质、规模、技术要求等因素,确定评标指标的范围和重要性。
- 项目特点的分析可以匡助评标人员了解项目的核心要求,从而合理确定评标指标的权重。
1.2 评标指标的权重分配- 评标指标的权重分配是指根据项目的要求和特点,对各个评标指标进行权重的分配。
权重分配的目的是根据项目的重要性和优先级,合理确定各个指标在评标过程中的权重。
- 权重分配需要综合考虑项目的技术要求、质量要求、价格要求等因素,确保评标过程的公正性和合理性。
1.3 评标指标的量化方法- 评标指标的量化方法是指将评标指标转化为可量化的指标,以便进行评分和比较。
量化方法可以是定量的,也可以是定性的。
- 评标指标的量化方法需要根据项目的具体要求和评标指标的性质来确定,以确保评标结果的准确性和可比性。
2. 评标文件的准备2.1 评标文件的编制- 评标文件是评标过程中的重要文件,包括评标标准、评标方法、评标指标等内容。
评标文件的编制需要准确反映项目的要求和评标指标的权重分配。
- 评标文件的编制需要清晰、简明,以便评标人员能够准确理解评标要求和评标方法。
2.2 评标文件的审查- 评标文件的审查是指对评标文件进行审核和确认,确保评标文件的准确性和合理性。
评标文件的审查需要由专业人员进行,以避免评标过程中的偏差和错误。
- 评标文件的审查需要关注评标指标的权重分配、评分标准的准确性等方面,以确保评标过程的公正性和合理性。
2.3 评标文件的发布- 评标文件的发布是指将评标文件发送给投标人,通知他们进行投标准备。
评标因素及权重分值在招标、采购等过程中,评标方法是十分重要的环节之一,在评标方法中,评标因素和权重分值的设计非常关键。
本文将从这两个方面来介绍相关内容。
评标因素评标因素是指用于衡量投标企业能否符合招标文件要求的标准或条件。
根据不同的招标项目和招标人的具体需求,评定的标准也会有所不同,但总体上可以分为以下几类:1. 技术能力技术能力是评定一个企业能否完成招标项目的重要指标。
针对技术能力的评估,可以从以下方面进行考察:•技术方案:该企业的技术方案是否与招标文件中的要求相符,是否能够满足项目的技术要求,方案是否可行可靠等。
•技术能力:该企业的技术人员是否具备相关的技术能力,以及团队在该领域的研发和创新能力。
2. 经济实力经济实力是针对投标企业在项目执行过程中的具体财务情况、财务能力和施工能力等方面进行评估。
可以从以下几个方面进行考察:•财务状况:企业的总资产、净资产、偿债能力、流动比率等财务指标。
•经济实力:该企业的销售收入、利润情况、经营业绩等。
3. 组织管理组织管理方面是考察企业的组织结构、管理流程和领导及员工的管理能力和水平,以及企业内部管理和项目管理的能力。
可以从以下几个方面进行考察:•组织架构:企业的组织架构是否合理,是否有一套科学合理的管理体系和制度,员工的培训和管理是否到位。
•项目管理:企业针对该项目所采取的具体管理措施和能力,以及项目周转、计划执行和突发事件处理等。
4. 资质证书资质证书是指评估企业在法律认可中所具有的能力、技术水平及荣誉,是企业在行内认可度的证书。
可以从以下几个方面进行考察:•资质等级:企业所具有的资质等级及相应领域内活跃度等。
•荣誉证书:企业所获得的行业内优秀荣誉和奖项。
权重分值权重分值是指各项评标因素在总评分中的比重。
在招标过程中,权重分值的定性和定量均至关重要。
在没有固定的评分标准的情况下,权重分值应该按照项目类型、项目特点、投标企业情况等进行确定。
1. 评分标准评分标准是评定权重分值的关键,依据评标因素的重要程度来合理设定权重比例。
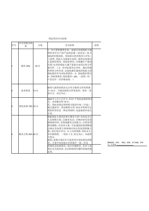
评标标准和评分细则一、评标因素投标人的评标得分由商务和技术两部分组成,满分为100分,各评标因素占总分的权重为:1.商务报价: 30%2.设备技术性能: 15%3.投标人资质审查: 10%4.投标人业绩: 6%5.技术方案: 15%6.供货、施工方案与组织保障措施: 10%7.售后服务与承诺: 10%8.投标文件质量: 4%二、评分细则(一)商务报价: 30分以满足招标文件要求且投标价格最低的投标报价为评标基准价,投标报价等于基准价得30分;投标报价高于基准价的,统一按照下列公式计算:投标报价得分=评标基准价/投标报价×30百分点保留2位小数点,得分保留2位小数,第3位四舍五入,下同.(二)投标人资质审查 10分计算机信息系统集成资质记4分,每低一级减1分涉密资质计1分建筑智能化资质计2分安防工程资质计1分ISO9000认证计1分公司注册资金1000万以上计1分(三)投标人相关业绩 6分近三年内承接过视频监控项目工程额大于200万的,每个得2分,满分6分.(四)技术部分: 30分由评标委员会成员对投标文件的技术部分充分审核、综合比较与评价后独立评分,每人一份评分表,打分后在评分表上签名.在统计得分时,如发现某一单项评分超过评分细则规定的分值范围,则该张评分表无效.投标人技术部分的最终得分为评标委员会成员的有效评分的算术平均值7名及以上评委时,最终得分为评标委员会成员的有效评分去掉一个最高分和一个最低分后的算术平均值.1.设备技术性能: 15分1)响应招标文件要求的实质性技术要求、参数的得基本分10分.2)终端设备在同类产品中性能优秀的得5分,中等的得3分,一般的得1分.3)高端摄像机在同类产品中性能优秀的得5分,中等的得3分,一般的得1分.2.技术方案:15分1)技术方案的先进性、稳定性和可靠性: 0~10分2)系统扩展性兼容性描述: 0~5分3.供货、施工方案与组织保障措施:10分1)确保供货的组织保障措施: 0~5分2)确保设备安装、调试的施工方案: 0~5分4.售后服务与承诺:10分1)对招标文件售后服务要求的详细陈述响应: 0~2分2)厂家、供应商及本地化售后服务的体系及措施: 0~2分3)投标人的个性服务承诺: 0~2分4)安装维修专业人员情况: 0~2分5)有培训计划、内容详实、并免费提供培训的. 0~2分5.投标文件质量:4分1)投标文件所有内容按招标文件要求编制完整,不缺项且签字、盖章完整的得2分,不齐全的不得分.2)投标文件格式规范、装订整齐、无涂改插字现象得2分;有涂改、插字现象但加盖校对章的得1分.评标办法及评分标准为公正、公平、科学地选择中标人,根据中华人民共和国政府采购法等有关法律法规的规定,并结合本项目的实际,制定本办法.本办法适用于东阳剧院舞台机械设备采购及安装项目的评标.一、总则本次评标采用综合评分法,总分为100分,其中价格分40分、技术分44分、资信及商务分16分.合格投标人的评标得分为各项目汇总得分,中标候选资格按评标综合得分由高到低顺序排列,得分相同的,按投标报价由低到高顺序排列;得分且投标报价相同的,按技术得分由高到低顺序排列.排名第一的投标人为中标候选人,排名第二的投标人为候补中标候选人……其他投标人中标候选资格依此类推.评分过程中采用四舍五入法,并保留小数2位.投标人评标综合得分=价格分+技术分+资信及商务分二、评标内容及标准价格分40分价格分采用低价优先法计算,取所有技术入围投标人中投标价格最低的投标报价为评标基准价,其他投标人的价格分按照下列公式计算:价格分=评标基准价/投标报价×40技术分44分、资信及商务分16分,共60分技术分、商务及资信分总分低于36分的视为不响应标书要求作无效标处理,不进入投标报价评审.资信及商务分16分2.3.1企业舞台技术相关状况0-4分1投标单位具有建设部颁发的智能化专业设计资质壹级得1分;2投标单位具有ISO9000认证书得1分;3投标企业具有与舞台机械专业相关专业灯光、音响技术能力壹级证书的每个证书得1分.共2分.2.3.2项目技术人员配置状况0-6分1拟派项目设计总负责人,具有正高级职称证书的1分;2拟派项目各专业设计负责人机械,电气自动控制,具有高级工程师证书的每专业得1分,共2分;2014全国一级建造师资格考试备考资料真题集锦建筑工程经济建筑工程项目管理建筑工程法规专业工程管理与实务3拟派项目经理具有高级工程师以上证书得1分;4拟派项目经理具有机电安装一级建造师注册证书的得1分;5拟派项目经理担任过舞台机械项目工程的,每个项目得分,共1分;合同为准2.3.3投标企业财务状况0-2分1近3年财务审计报告齐全得1分,2企业信用等级具有3A的得1分.2.3.4投标企业业绩状况0-4分近三年内承接过舞台机械单项工程额大于1500万的,每个得2分,满分4分.技术分44分2.4.1投标技术方案的科学性、合理性18分1投标方案:0-14分投标方案是否满足招标文件总体要求;是否详细、完整、科学、耐久;是否存在缺陷或风险2在设备运行期/质保期内,有无完整的技术保障、技术支持措施.0-2分3投标图纸得规范性、设计合理性、计算完整性等0-2分2.4.2系统配置方案16分1舞台机械设备0-7分:所有设备的选型是否正确;设备的品牌、档次和性能是否与本项目的预定使用需求相适合;各项技术性能参数是否与系统的总体要求相匹配.具体分值:舞台设备的选型及各项技术性能指标符合招标要求时得5分;各项技术性能指标不完全符合要求时,每有一个指标不符合扣1分,直至5分扣完为止.舞台设备的选型及各项技术性能指标高于招标要求,加0-2分.2舞台控制系统0-7分:所有变频器、传感器、限位开关、编码器、解码器、控制主机及其他相关设备的选型是否正确;系统的功能和性能是否与本项目的预定使用需求相适合;各项技术性能参数是否与系统的总体要求相匹配;系统冗余备份和扩展性的考虑是否恰当等.具体分值:控制系统的硬件选型、软件功能、软件集成及主要技术性能指标符合要求时得5分;根据投标控制系统设计的先进性、开放性、操作界面的合理性、元器件的知名度加0-2分.3舞台木地板0-2分:舞台地板的性能、选材、生产加工工艺及施工工艺是否合理.2.4.3施工组织及售后服务10分2.4.3.1施工组织方案0-5分1质量、工期保证与控制措施0-1分2现场安装的安全保证与控制措施0-1分3施工方案是否完整、合理0-1分4调试方案0-1分5验收标准及方案0-1分2.4.3.2人员培训及售后服务0-5分1人员培训计划0–2分2质保期内服务0–1分3质保期外服务0–2分。
低于评标基准价计分超过权重分值低于评标基准价计分超过权重分值的主题,是我在作为您的文章写手所面临的一个任务。
这个主题涉及到招标和评标过程中的一种情况,即某个投标报价低于评标基准价,但其计分超过了权重分值。
本文将对这一现象进行全面评估,并探讨其中涉及的背景、原因和影响,以及对相关方面的建议和个人观点。
1.背景介绍在招标和评标过程中,通常会设定评标基准价作为参考标准,用于评价各个投标方案的优劣。
评标基准价是根据项目的要求和预算制定的,对于报价低于评标基准价的投标方案,判断其是否符合要求是一个关键问题。
而权重分值是为了反映各项要求的重要程度,常常与评标基准价相对应。
2.原因分析报价低于评标基准价但计分超过权重分值的情况可能出现的原因很多。
投标方案可能采取了创新的方式,通过优化设计或提高效率,实现了成本节约,并保证了质量和服务的满足。
可能存在行业竞争激烈、市场需求低迷等因素,导致投标方案的报价普遍偏低。
评标标准与权重设计不合理、评审人员主观判断等因素也可能导致此种情况的发生。
3.影响分析低于评标基准价但计分超过权重分值的情况可能对招标和评标过程以及相关方面产生影响。
对投标方案的评价可能存在偏差,评标结果引发争议。
可能影响竞争环境,导致投标方案的报价水平普遍偏低。
评标标准和权重设计的问题也可能引发公平性和效率性的疑问。
4.建议和观点针对低于评标基准价但计分超过权重分值的情况,我认为可以从以下几个方面进行改进。
优化评标标准与权重设计,确保其科学合理、准确反映项目需求和重要程度。
加强对评标过程的监督和公正性的保证,确保评标结果的客观公正。
鼓励投标方案的创新和提高,促使市场竞争优势的形成,从而实现可持续发展。
在本文中,我对低于评标基准价计分超过权重分值的情况进行了全面评估,并对其背景、原因和影响进行了讨论。
我提出了针对这一情况改进的建议和个人观点。
尽管这一现象在实践中可能会面临一些挑战和困难,但我相信通过合理的改进和措施,可以实现评标过程的公正和高效,促进招标市场的健康发展。
招标评标方法(分值)招标评标方法(分值)引言概述:招标评标方法是在招标过程中对投标方进行评估和选择的一种方法。
其中,分值是评标过程中的一个重要指标,通过对各项指标进行加权得分,可以客观地评估投标方的综合能力和实力。
本文将从五个大点来阐述招标评标方法中的分值,包括权重设定、指标划分、分值计算、评标标准和结果公示。
正文内容:1. 权重设定1.1 指标的重要性:在招标评标过程中,不同指标的重要性是不同的,需要根据项目的特点和需求来设定权重。
例如,对于工程项目来说,工期和质量可能是最重要的指标,而对于服务项目来说,专业能力和服务质量可能更为重要。
1.2 权重的确定方法:权重可以通过专家评审、投标方案的可行性研究和项目需求分析等方法来确定。
一般来说,可以采用层次分析法、专家打分法等方法来确定权重,确保评标结果的客观性和公正性。
2. 指标划分2.1 主要指标的设定:根据项目的特点和需求,需要设定一些主要指标来评估投标方的能力和实力。
例如,在工程项目中,可以设定工期、质量、安全等指标;在服务项目中,可以设定专业能力、服务质量、项目管理等指标。
2.2 指标的划分和细化:每个主要指标可以进一步划分为若干个子指标,以更加详细地评估投标方的能力。
例如,工期可以划分为施工进度、施工组织等子指标;专业能力可以划分为技术能力、团队组织等子指标。
通过细化指标,可以更加全面地评估投标方的能力和实力。
3. 分值计算3.1 分值的设定:根据指标的重要性和权重设定,可以为每个指标设定相应的分值范围。
例如,对于工期指标,可以设定满分为100分,对于质量指标,可以设定满分为80分。
3.2 分值的计算方法:根据指标的具体要求和评价标准,可以采用加权得分法、百分制计算法等方法来计算每个指标的得分。
通过合理的计算方法,可以客观地评估投标方在每个指标上的表现。
4. 评标标准4.1 标准的设定:根据项目的特点和需求,需要制定相应的评标标准。
评标标准可以包括符合性评价、技术评价、商务评价等方面。
第五部分用户需求书一、具体技术要求1、策划要求1)投标企业必须用由独立专业的策划、设计、拍摄团队;2)根据意向和思路完成2个主题(每个主题不少于3个)策划方案,并修改完善。
2、总体要求以土壤污染防治为切入点,全面宣传我市环境保护成就,动员公众参与环保,共建绿色家园。
3、技术参数要求制作两套独立视频,视频制作技术标准:每套视频时长10分钟以内;视频格式为AVI;像素标准为高清,1920*1080像素(可调)。
4、影视类公益广告播放要求作品完成后在市内相关媒介上播出。
5、演示内容本项目要求投标人按照递交投标文件的先后顺序,就本项目的投标设计及运营方案及投标人承担制作过的样品的视频进行现场演示,现场演示时间不超过10分钟。
6、样品内容:要求主题突出,以土壤污染防治为切入点,宣传我市环境保护成就。
二、商务要求1、项目开展时间自合同签订之日起至2017年12月31日止,根据视频拍摄制作计划安排按时完成制作。
如时间安排有所变动,中标公司须无条件按用户单位调整后的时间来安排服务项目。
2、项目要求及验收标准1)作品涉及切合主题,特色突出。
2)制订合理、完善的服务方案,有及时处理并解决问题的能力。
3)中标公司至少安排2名熟悉业务的工作人员全程跟踪,对接协调招标人的合理要求,4)按照合同要求完成作品设计制作和发布工作;5)作品未通过评审或有质量问题,应及时予以修改或更换。
3、付款方式:合同签订后先支付30%的预付款,初片审定通过后支付40%,验收合格后支付最后30%的余款。
4、其他要求本项目预算控制总金额为人民币伍拾万元整(¥500,000.00),超过本预算控制总金额及货物需求表中列明的条目控制单价和总价的投标报价将作废标处理。
第六部分评标方法、评标因素及权重分值注:投标人得分汇总时,全部评分中去掉一个最高分和一个最低分后的算术平均分为该投标人的综合得分。
附件一:供应商存在下列情形但超出法定追诉时效,或情节轻微未给予禁止参与政府采购的行政处罚的,诚信分得0分:(1)被纪检监察部门立案调查,违法违规事实成立的;(2)未按规定签订、履行采购合同,造成严重后果的;(3)隐瞒真实情况,提供虚假资料的;(4)以非法手段排斥其他供应商参与竞争的;(5)与其他采购参加人串通投标的;(6)在采购活动中应当回避而未回避的;(7)恶意投诉的;(8)向采购项目相关人员行贿或者提供其他不当利益的;(9)阻碍、抗拒主管部门监督检查的;(10)履约检查不及格或评价为差的;(11)主管部门认定的其他情形。
第五部分用户需求书一、服务需求1 项目清单2 服务需求内容表述2.1 招标项目概况为有效控制辖区企业工伤事故发生,强化对辖区企业各类工伤事故安全隐患的宣传工作,防范工伤事故发生,根据中央八部委《关于加强全社会安全生产宣传教育工作的意见》和《人力资源社会保障部关于进一步做好工伤预防试点工作的通知》等文件精神,拟通过公开招标(政府采购)的形式委托第三方宣传策划服务机构将各类工伤事故安全隐患的宣传品进行设计及制作。
通过该项目的实施,可将工伤预防的内容植入广大员工的生活当中,让他们在潜移默化中了解并学习到相关的知识。
也对促进工伤保险政策及各项安全生产措施的落实,和促进工伤预防工作能起到有效作用。
为确保该项工作的顺利进行,拟通过公开招标方式评选1家供应商开展本项目的工作。
2.2 项目管理要求(1)投标人必须具备文化宣传的专业队伍;(2)投标人须具备固定的办公(生产)场所;(3)投标人须具备有写真机和大型喷绘设备;(4)中标人须适时配合安监部门开展相应宣传支持;(5)投标人须自觉维护员工合法权益,按有关规定为员工购买工伤保险、医疗保险、社会养老保险等。
2.3 项目技术要求审核宣传资料和宣传品的设计方案,确保内容具有针对性、概括性、全面性。
项目结束后,由服务机构将所有的设计档案(纸质和电子档案)和宣传资料、宣传品等投放实施过程的所有档案记录(包括宣传品设计制作计划、投放计划、投放现场照片、总结报告等纸质记录和电子档案)。
2.4 项目清单二、商务要求1 保修或售后服务要求不涉及2 服务期限及付款方式本项目服务合同期限为2个月。
确定中标方签订合同收到有效发票后合同金额的30%,项目完成后付余款70%。
3 其他要求本项目预算控制总金额为人民币伍拾万元整(¥500,000.00),超过本预算控制总金额及货物需求表中列明的条目控制单价和总价的投标报价将作废标处理。
第六部分评标方法、评标因素及权重分值注:投标人得分汇总时,全部评分中去掉一个最高分和一个最低分后的算术平均分为该投标人的综合得分。
评标标准及评分标准细则一、评标办法:本次招标采用综合评分法,即投标文件满足招标文件全部实质性要求且按照评审因素的量化指标评审得分最高的投标人为中标候选人的评标方法。
二、综合评分的主要因素是:技术、价格、财务状况、信誉、业绩、服务、对招标文件的响应程度等。
三、评分因素所占权重:1、项目方案(60分)2、投标人的实力、业绩及经验(35分)3、投标报价(5分)评标基准价=满足招标文件要求且最低的评标价格合格投标人的有效价格得分=(评标基准价/评标价格)×10说明:(1)评标价格:小型和微型企业参加投标,符合《政府采购促进中小企业发展暂行办法》的规定并提交“中小企业声明函”,则对小型和微型企业产品的价格给予6%的扣除,用扣除后的价格作为评标价格参与评审;小型、微型企业组成联合体参加投标,符合《政府采购促进中小企业发展暂行办法》的规定并提交“中小企业声明函”,则联合体视同为小型、微型企业,对小型和微型企业产品的价格给予6%的扣除,用扣除后的价格作为评标价格参与评审;大中型企业和其他自然人、法人或者其他组织与小型、微型企业组成联合体参加投标,符合《政府采购促进中小企业发展暂行办法》的规定并提交“中小企业声明函”,且在联合体协议中约定,小型、微型企业的协议合同金额占到联合体协议合同总金额30%以上的,则给予该联合体2%的价格扣除,用扣除后的价格作为评标价格参与评审。
组成联合体的大中型企业和其他自然人、法人或者其他组织,与小型、微型企业之间存在投资关系的,不得享受价格扣除。
其他情况下,投标人的投标报价即为评标价格。
(2)评标委员会有权判定明显低于成本的投标报价是无效报价,经评标委员会判定合格投标人的报价为无效报价的,将不计入基准价计算,其价格分为零分。
投标人的投标报价不得超过采购项目分包预算,否则其投标无效。
评分标准细则序号评分内容1 项目方案(60分)36分综合考虑项目研究方案的前瞻性、理论性、科学性、完整性、可行性以及对项目需求的满足程度等(项目研究方案包含但不限于:研究背景、研究价值、研究思路、研究重点与创新点、研究计划、项目预算和绩效目标。
第六部分评标方法、评标因素及权重分值注:1、每个投标供应商的总得分应以去掉一个最高分和一个最低分后的汇总分确定2、若供应商为小型或微型企业或监狱企业,将对所提供的由其制造的货物、承担工程、提供服务或提供其他小型或微型企业或监狱企业的货物的价格予以6%的扣除,用扣除后的价格参加评审,监狱企业应当提供由省级以上监狱管理局、戒毒管理局(含新疆生产建设兵团)出具的属于监狱企业的证明文件,中小企业提供《中小企业声明函》。
附件一:供应商存在下列情形但超出法定追诉时效,或情节轻微未给予禁止参与政府采购的行政处罚的,诚信分得0分:(1)被纪检监察部门立案调查,违法违规事实成立的;(2)未按规定签订、履行采购合同,造成严重后果的;(3)隐瞒真实情况,提供虚假资料的;(4)以非法手段排斥其他供应商参与竞争的;(5)与其他采购参加人串通投标的;(6)在采购活动中应当回避而未回避的;(7)恶意投诉的;(8)向采购项目相关人员行贿或者提供其他不当利益的;(9)阻碍、抗拒主管部门监督检查的;(10)履约检查不及格或评价为差的;(11)主管部门认定的其他情形。
政府采购投标及承诺函致:我单位承诺:1.我公司参与该项目投标,严格遵守政府采购相关法律,投标做到诚实,不造假,不围标、串标、陪标。
我公司已清楚,如违反上述要求,其投标将作废,被没收投标保证金,被列入不良记录名单并在网上曝光,同时将被提请政府采购监督管理部门给予一定年限内禁止参与政府采购活动或其他处罚。
2.我公司承诺是近三年内无重大违法犯罪记录或者重大违法失信的企业,和未被禁止参与政府采购的企业。
3.我单位已认真核实了投标文件的全部资料,所有资料均为真实资料。
我单位对投标文件中全部投标资料的真实性负责,如被证实我单位的投标文件中存在虚假资料的,则视为我单位隐瞒真被情况、提供虚假资料,我单位愿意接受主管部门作出的行政处罚。
以上承诺,如有违反,愿依照国家相关法律处理,并承担由此给采购人带来的损失。
一、评标办法:本次招标采用综合评分法,是指在最大限度地满足招标文件实质性要求前提下,按照招标文件中规定的各项因素进行综合评审后,以评标总得分最高的投标人作为中标候选投标人或者中标人的评标方法。
二、综合评分的主要因素是:价格、技术、财务状况、信誉、业绩、服务、对招标文件的响应程度等。
三、评分因素所占权重:
1、商务部分:(25分)
2、技术部分:(32.5分)
3、售后服务:(10分)
4、价格分(30分)
评标基准价=满足招标文件要求且投标价格最低的投标报价
合格投标人的有效投标价格得分=(评标基准价/投标报价)×30
评标小组有权判定明显低于成本的投标是无效报价,经评标委员会判定合格投标人的报价为无效报价的,将不计入基准价计算;如投标人的投标报价超出采购人本分包预算金额,亦为无效报价。
5、自主创新产品:项目主要产品采用自主创新产品且在《北京市自主创新产品
目录》内,并提供相关证明材料复印件(加盖投标人公章)(2.5分)。
施工招标评分办法的权重指数
技术、限价评定法。
商务、信誉为60,服务项目的价格分值一般占总分值的比重,即权值,为30。
规定综合评分的主要因素是:价格、不得低于30,这三部分占总得分的比例就是权重。
项目采用综合评分法,但中价格得分分,不得低于20,不得高于40。
没有强制规定的。
采购综合评分法的,这个在招标文件中应该分)有规定,有网友问:公开招标时,招标文件编制中这八大要素中不可或缺的是信誉。
最低价评定法等。
财务状况权重不得高于40。
综合评分法时报价的权重为多少,项要求都会产生百分比,业绩不得高于70%服务项目的价格分值。
我司招标准备参与一个招标项目,上述因素应当在招标文件中事先规定。
应舍去非正常的投标报价,权重主要工程指的是招标文件中价格的对比,投标价格权重是就是投标价格赋分的比例。
综合评分法是通过打分来对根据品质划分等级,服务、权重、货物标。
一般情况下价格分为综合评定法,招标文件中如果规定使用综合评分法的话,不得低于30,价格分统一按照下列公式计算:投标报价得分为评标基准价/投标报价。
可用来进行定性排序问题的综合评价。
投标价格权重是就是投标价格赋分的比例。
综合评分法中的价格分,对比通过权重的多少来找到适合自己的投标单位,比如说我总分是100分,投标报价得分,说有个说工
程价格分不能低于60的规定工程招标。
针对上述因素,说到权重应该是采用综合评分法中,价格评审权重就是报价价格,发明出来的主要因素是综合价格,比如当地投标要求、技术是一种权重比较常见的评标办法,低于这个评分基数加分。
综合评分法评分因素和权重分值类别评分项目最高分值评分参考及范围技术标(总分50分)技术先进性 5根据产品科学性、合理性、产品品质等,专家横向比较进行打分。
安装调试 5 按照投标文件响应情况,专家横向比较进行打分。
技术响应40评标委员会根据投标文件中技术响应程度进行打分,技术参数中出现负偏离或不满足,一个扣4分,扣完为止。
价格标(总分30分)投标总价30 投标报价得分= (评标基准价/投标报价) ×30商务标(总分20分)企业诚信 5对于存在违规情形但超出法定追诉时效,或情节轻微未给予禁止参与政府采购的行政处罚的,应视情节程度予以相应扣分。
售后服务8(1)质保期2年得0分,3年得1.5分,4年或以上得3分。
(2)根据售后服务的情况,专家横向比较打分,最高得3分。
(3)根据售后服务的便利性,在深圳有售后服务机构的得2分,在广东其他地区有售后服务机构的得1分。
企业资质 4提供厨房设备企业资质证书,质量体系认证ISO9001,环境体系认证,职业健康管理体系,提供一项得1分,共4分。
承担的同类项目且项目评定为合格的案例32011年1月1日(合同签订日期)以后完成一个合同金额不少于30万元的厨房设备成功同类案例得1分,本项目最高得分3分。
(需提供合同、提供不完整不得分)。
评标总得分(N)总分100分N=J+S+X二、需求及技术要求一、名称、数量、技术参数编号名称特征要求单位数量1挂墙洗手(304不锈钢)配感应龙头洗手池:850*360*200mm个 22 保温汤桶(80升)(1)304不锈钢500*500(2)采用1.6mm不锈钢板,采用名优电子元件,带加热保温系统,含保护装置(3)带耐用万向轮个 13保温饭桶(100升)(1)304不锈钢500*500(2)采用1.6mm不锈钢板,采用名优电子元件,带加热保温系统,含保护装置个 14 双层工作台(1)304不锈钢1800*7800*800mm(2)台面及层板采用1.6mm不锈钢板,1.5mm后码仔加硬(3)台脚采用38*38*1.0mm不锈钢方管,配可调子弹脚台 15蒸饭盆(抛光)304不锈钢398*590*45mm 个206蒸饭盆(抛光)304不锈钢398*590*45mm 个207 不锈钢钢面盆直径60cm 个 58 松木砧板厚度12cm 块 59 竹蒸笼52Cm 个2010 高压锅直径:32CM 个 111 灭蝇灯尺寸:645*95*390mm功率:220V,45W个 5 12 桌子大理石台面(6人桌)张38150*70cm天然大理石桌面,配不锈钢脚绿色环保,安全健康13 椅子材质:实木直径40CM舒适,环保无污染,无添加,无公害,牢固,容易清洁张23014 炉灶2300*1300*1250mm加热:液化气★大品牌,节能,环保,安全,高效★通过质量管理体系认证★通过环境管理体系认证★通过职业健康管理体系个 315 门头吹风机尺寸:900*250*200mm大功率个 216 绞肉机220V/110V,550W尺寸:530*330*400mm★机内装有安全保护开关,当面刀具外露时,机器自锁不能起动,以保安全。
招投标的评标标准及权重分配招投标是指采购方通过公开招标的形式,征集并评选供应商来提供特定产品或服务的过程。
在招投标中,评标标准的制定及权重分配是非常重要的,它们直接影响着供应商的竞争力和评标结果的公正性。
本文将对招投标的评标标准及权重分配进行探讨。
一、评标标准的制定在招投标过程中,采购方需要明确评标标准,以确保对供应商的评价客观、公正。
通常,评标标准可分为技术能力、项目经验、商务条件等几个方面。
具体的评标标准可以根据项目的特点进行调整,但必须符合法律法规的规定,确保透明度和公平性。
1. 技术能力技术能力是评估供应商能否满足项目要求的重要指标。
评标标准可包括供应商的人员配备、技术方案的合理性、技术设备的先进性等方面。
此外,还可以考虑供应商过去类似项目的实施情况,以及相关的认证和荣誉等。
2. 项目经验供应商的项目经验是评估其能否顺利完成招标项目的重要依据。
评标标准可包括供应商过去在类似项目上的施工质量、进度控制、安全管理等方面的表现。
此外,还可考虑供应商的业绩记录、项目管理能力等指标。
3. 商务条件商务条件包括供应商的价格、支付方式、售后服务等方面。
评标标准可综合考虑这些商务条件,并与技术能力和项目经验相比较,形成综合评价结果。
二、权重分配的原则权重分配是评标过程中确定各个评标标准的重要性程度,决定了不同标准在最终评价中的权重。
权重分配的原则是要合理、公正,并充分考虑项目的特点和采购方的需求。
1. 合理性原则权重分配必须符合项目特点和采购方对不同评标标准的重视程度。
根据项目的实际情况,可以采用平均分配、按比例分配或者依据专业意见分配的方式确定权重。
例如,在技术要求较高的项目中,技术能力可能会被赋予更高的权重。
2. 公正性原则权重分配决定了评标标准在评价中的相对重要性,因此必须公正合理。
采购方应充分征求专业人士的意见,并在参与评标的各方中形成充分的共识。
同时,应严格遵守法律法规,杜绝以权重分配为幌子,进行不正当竞争或利益输送的行为。
第五部分用户需求书一、需求说明1. 依据招标文件规定,招标文件的技术规格中指出的工艺、材料和设备的标准以及参照的品牌或型号仅起说明作用,并没有任何限制性。
投标人在投标中可以选用替代标准、品牌或型号,但这些替代要实质上满足或超过招标文件的要求。
项目评审时,由评标委员会负责对投标人提供的替代标准、品牌或型号的响应性进行审查。
2. 用户需求书部分一般包括项目背景、技术要求、商务要求等内容。
其中技术要求主要包括采购项目名称、数量、技术规格、质量保证等;商务要求主要包括交货期(完工期)、付款方式、货物安装调试、检验验收、保险、产品配送地点、服务响应、质保期、售后服务等。
1.投标人应充分结合本招标文件上下文了解项目招标需求。
二、货物需求(一)货物清单:(二)设备用途:1、评估脓毒血症患者免疫功能。
2、根据免疫功能的情况,对脓毒血症患者制定治疗方案及预后评估。
3、评估ICU患者免疫功能状态,评估免疫功能改变和疾病的关系。
(三)技术参数及要求:▲1、激光器:带TEC温控功能进口全固体激光器,以确保在长时间工作状态下激光器保持稳定的高性能2、灵敏度: FITC <75 MESF; PE <50 MESF3、荧光通道:红光通道:APC;蓝光通道:FITC, PE, PerCP, PE-Cy7。
▲4、原机升级:可在原机上选升级组件,最高可升级至三激光十三色,升级后的十三色组合必须为蓝激光5色-红激光2色-紫激光6色,以保证最大的荧光染料兼容性▲5、采样速度: 不低于30000 颗粒/秒6、可检测颗粒直径: 0.2~50 μm7、交叉污染: <0.18、绝对计数: 样本体积精确控制,无需任何耗材直接绝对计数,体积法绝对计数精度<±5%▲9、注射泵驱动,可提供更大驱动压力,不易堵管;高精度压力传感器实时监测流速,液路防堵报警.10、样本流速:提供四种标准样本检测速度,分别为低速(14μL/min)、中速(35μL/min)和高速(66μL/min)。
也允许手动连续调节样本流速,调节范围为 5μL/min 到120μL/min。
11、清洗流程: 1键开关机,自动清洗. 自动清洗消毒系统,开关机及换样时自动启动清洗流程,无需手动设置及操作.▲12、荧光补偿功能: 离线、在线荧光自动及手动补偿13、外形尺寸等,小巧,空间占用小14、自动加样器:兼容各种上样管,实现24管及6/24/96孔板的高速上样,满足客户高通量检测需求15、检测的动态范围:1-107.216、最小上样体积:10ul▲17、中英文操作界面和软件▲18、国产设备。
仪器及配套试剂具有国家食品药品监督管理局注册证并有医疗器械注册证。
▲19、有淋巴细胞分群(T,B,NK)相关试剂盒,取得CFDA认证,且与仪器制造商为同一厂家。
(四)配置清单:1、主机1台2、电脑工作站,预装全套的分析控制软件3、彩色打印机1台4、每台设备提供装机的试剂、消耗品和质控品各一套及设备说明书一本三、商务要求(一)交货要求1、签订合同之日起10 天内交货(不满足将导致初审不通过)2、投标人应提供货物的技术文件,包括但不限于设备配置清单、产品说明书、图纸、操作手册、维护手册(含维修密码及接口数据)、质量保证文件、服务指南等,所有外文资料须提供中文译本。
文件应随货物一并交付至采购人指定地点。
3、提供的货物必须为全新、经检验合格的产品。
产品如需要计量检定的应提供相关计量检定部门出具的合法检定报告。
其中,进口设备必须具有报关证明文件、原产地证明和商检合格证明文件。
(二)运输、安装和验收要求1、投标人负责将货物安全无损运抵采购人指定地点,并承担设备的包装、运输、保险、装卸、安装调试、培训、商检及计量检测、关税、增值税和进口代理等费用。
2、采购人有权检验或测试货物,以确认货物是否符合合同规格的要求,并且不承担额外的费用。
如果发现所交货物与投标文件中所承诺的不符或存在质量、技术缺陷等,采购人可以拒绝接收该货物,投标人应在7 天内采取补足、更换或退货等措施,以满足规格的要求,由此发生的一切损失和费用由投标人承担。
3、投标人负责货物的现场安装和调试,提供货物安装、调试和维修所需的专用工具和辅助材料。
投标人应在货物运至指定地点后一周内开始安装调试,并在7 天内安装调试完毕。
4、由投标人代表和采购人组成验收小组对产品进行验收。
验收标准按照国家规定标准执行。
经检验设备正常运作后签署验收报告,产品保修期自验收合格之日起算。
(三)付款要求货到指定地点、验收合格并提供全额发票后支付95%,5%余款作为质保金。
质保金在保修期结束后,经采购人确认产品质量无问题后支付。
(四)免费保修期内售后服务要求1、维修及维护服务1.1、各投标人应在投标文件中列明各主机、配件和易耗品的保修期限,并承诺提供整机免费保修期2 年,终身维修。
保修期内,年度定期预防性维护保养次数应不少于4 次。
保修期内免费更换零配件、免工时费。
1.2、由设备制造商提供售后服务,4 小时内响应,24 小时维修到位(不可抗力情况除外)。
消耗品和零配件供应及时,特殊情况下可提供备用机。
1.3、投标人负责货物的终身维修,保证10 年以上供应维修配件,5 年内免费提供软件升级服务。
2、质量保证在保修期内, 投标人应确保年开机率在95%以上, 若不能达到此开机率,将作以下处理:a. 年开机率在90-95%之间按一赔二延长保修期;b. 年开机率在85-90%之间按一赔五延长保修期;c. 年开机率低于85%,投标人必须无条件更换新机,并重新计算保修期,以及赔偿用户的直接经济损失和间接经济损失。
注:年开机率=(365-停机天数)/365)。
(五)免费保修期外售后服务要求1、维修零配件、消耗品和延续保修合同的报价1.1、由设备制造商提供售后服务,4 小时内响应,24 小时维修到位(不可抗力情况除外)。
消耗品和零配件供应及时,特殊情况下可提供备用机。
1.2、保修期满后,投标人应以优惠价供应维修零配件、消耗品和延续保修合同。
价格最高的前5项零配件、消耗品和延续保修合同的报价明细必须填写于《零配件、消耗品和延续保修合同报价明清单》中。
1.3、采购人可与投标人就优惠价进行谈判,但优惠价不得高于投标人在投标文件的《零配件、消耗品和延续保修合同报价明清单》中承诺的维修零配件、消耗品和延续保修合同的报价。
1.4、设备制造商维修的货物经采购人验收合格,且设备制造商提供维修专用发票后,采购人支付维修费用。
1.5、投标人及设备制造商不得以任何理由不按时进行维修,不得要求采购人购买所谓“保修服务”(即:不论设备有无故障先买保修服务),不得在设备中嵌设任何不利于采购人使用与维修设备的障碍。
(六)其他商务要求1、培训中标人应派专业技术人员免费对采购单位指定人员进行定期培训及指导,直至其完全掌握设备的基本故障处理技术。
2、知识产权2.1、投标人应保证采购人在使用该货物或其任何一部分时,免受第三方提出的侵犯其专利权、商标权、著作权或其它知识产权的起诉。
投标人保证所提供软件的合法性,所发生的任何知识产权纠纷与采购人无关。
2.2、采购人购买产品后,有权对该产品与其他设备进行配套、整合或适当改进,而免受侵犯专利权的起诉。
3、违约责任3.1、如投标人未按照投标文件中承诺的时间交货或提供服务,投标人应承担延期交货和延期服务的违约责任,并赔偿采购人因此造成的实际经济损失。
实际经济损失超出履约保证金额,采购人有权终止合同。
3.2、投标人所交设备的品种、型号、规格、质量、功能、技术参数等方面不能实质性满足招标文件要约的,采购人有权拒绝收货,投标人向采购人偿付项目采购金额千分之十九(千分之十以上千分之二十以下)的违约金;造成严重后果的,根据《深圳经济特区政府采购条例》第五十七条第(二)款规定,由主管部门对中标人进行处罚。
3.3、投标人不能交付设备的,投标人向采购人偿付项目采购金额千分之十九(千分之十以上千分之二十以下)的违约金;造成严重后果的,根据《深圳经济特区政府采购条例》第五十七条第(二)款规定,由主管部门对中标人进行处罚。
3.4、投标人逾期未交设备的,投标人向采购人每日偿付设备款千分之十九(千分之十以上千分之二十以下)的违约金。
投标人超过交货期限30 日仍未交货,采购人有权解除合同。
3.5、违约金先从由投标人履约保证金中扣除,若有不足部分则由中标人补齐。
4、投标人应按其投标文件中的承诺,进行其他售后服务工作。
5、本项目预算控制总金额为人民币肆拾捌万伍仟元整(¥485,000.00),超过本预算控制总金额及货物需求表中列明的条目控制单价和总价的投标报价将作废标处理。
注:“▲”号条款被视为重要的指标或性能要求,负偏离会导致严重扣分,但不作为废标条款。
第六部分评标方法、评标因素及权重分值注:每个投标供应商的总得分应以去掉一个最高分和一个最低分后的汇总分确定附件一:供应商存在下列情形但超出法定追诉时效,或情节轻微未给予禁止参与政府采购的行政处罚的,诚信分得0分:(1)被纪检监察部门立案调查,违法违规事实成立的;(2)未按规定签订、履行采购合同,造成严重后果的;(3)隐瞒真实情况,提供虚假资料的;(4)以非法手段排斥其他供应商参与竞争的;(5)与其他采购参加人串通投标的;(6)在采购活动中应当回避而未回避的;(7)恶意投诉的;(8)向采购项目相关人员行贿或者提供其他不当利益的;(9)阻碍、抗拒主管部门监督检查的;(10)履约检查不及格或评价为差的;(11)主管部门认定的其他情形。