工程变更通知单范本
- 格式:docx
- 大小:16.05 KB
- 文档页数:1
工程设计变更通知单
尊敬的施工单位:
经我方与设计单位反复研究和讨论,根据工程实际情况和需求,决定对 [工程项目名称] 的设计进行如下变更:[具体变更内容]。
此变更将对工程施工和验收产生影响,为保证工程顺利进行并达到预期效果,现将变更内容通知贵单位,具体要求如下:
1.贵单位必须及时调整施工计划,合理安排施工进度,确保按照变
更后的设计进行施工。
2.贵单位必须与设计单位沟通并确认变更后的施工方案,并保证按
照方案进行施工。
3.贵单位必须严格按照变更后的设计要求进行施工,确保工程质量
符合相关标准。
4.贵单位必须在变更后及时通知相关人员和部门,保证变更信息及
时传递。
5.贵单位必须与相关部门和监管机构积极配合,及时提供变更后的
相关资料和信息。
如贵单位不能按照要求完成变更设计,将可能导致工程质量和进度问题。
同时,如贵单位对本通知有任何疑问或建议,可在接到本通知之日起 [具体天数] 天内向我方提出书面反馈。
请贵单位务必高度重视本通知,认真落实各项要求,确保工程质量和进度。
此致
礼敬!
[发起单位名称] 日期:[具体日期]。
工程变更通知单(精选3篇)工程变更通知单篇1工程名称:编号:项目名称项目编码单项工程建设单位单位工程提出单位变更性质□小型设计变更□一般设计变更□重大设计变更:时间年月日变更费用万元(附预算对比表)变更原因□设计错误□设计漏项□专业配合□设计改进□设备材料变化□材料代用□其它:修改内容(附图或说明)设计人员校核审核批准造价人员校核审核监理单位意见专业监理工程师项目总监业主项目部意见项目经理建设单位管理部门负责人主管领导完工工程量确认监理单位业主项目部注:相关人员按设计变更性质对应的要求签署并盖公章。
本单一式五份,公司基建部、建设单位、监理单位、施工单位、设计单位各持一份。
工程变更通知单篇2_省水利厅:靖江市横港治理工程经省水利厅《关于靖江市横港治理工程初步设计的批复》(苏水计〔20__〕86号)批复实施。
初步设计批复工程主要建设内容为:疏浚河道27.5千米,加固堤防10.4千米,拆建挡洪闸4座、新建挡洪闸3座、闸站1座、涵洞1座。
工程于20__年12月12日开工,由于项目申报时间仓促,加之两岸地形条件复杂,单位工程小而分散,为保证实际施工更加符合实际情况需要,充分发挥工程效益,更好地为地方经济社会发展服务,靖江市水利局委托原初步设计单位对部分项目进行设计变更。
主要变更内容如下:一、河道工程1、施工方案变更初步设计采用全线挖泥船施工。
因部分河段挖泥机船无法通过,先夹港~界河段(21+300~27+500)采用泥浆泵进行河道疏浚。
2、堤防变更桩号(0+000~0+800)段堤防需结合滨江新城开发建设实施,为避免重复投资,取消河道南北两侧堤防;桩号(14+700~16+300)、(19+000~19+200)、(20+600~20+700)河道南侧及桩号(3+700~3+900)、(14+700~14+900)、(15+300~15+500)河道北侧结合当地实际情况取消堤防填筑。
二、建筑物工程1、美人港北闸:初步设计为老闸拆建,由于老闸港西侧房屋密集,施工降水对房屋影响较大,为避免地方矛盾,闸址向南移约40米。
更改项目更改方式
主送抄送
批准/日期:审核/日期:编制/日期:工 程 (技术)变 更 通 知 单
XXX 汽车零部件有限公司
XXX Auto Parts Co., Ltd.
模具工程部_1_份 压铸车间_1_份 模修车间_1_份 机加工车间_1_份 质量部_1_份□FMEA □控制计划 □流程图 □作业文件 ■检验文件 □工装夹具 □量检具 □刀具 ■产品图 □包材■压铸模 □切边模 □整形工装 □冲孔工装对更改前在制
品的处理意见对更改前成品
的处理意见其它处理意见:
更改原因
更改前/说明更改后/方案
其它处理意见:无在制品
特别说明 表单编号:XX.T/ED-ECN-01 版本号:A/0发部日期: XXX 年 XX 月 XX 日
更改日期
变更依据更改单号
变更性质零件名称
更改部门
提出更改人零件图号/版本号生产副总_1_份 总经办/总经理_1_份实施日期
继续生产返工报废隔离继续使用,通知客户消耗库存品后切换返工报废隔离划改换版换页其它。
工程设计变更通知单工程设计变更通知单1. 引言此变更通知单旨在通知所有相关方,工程设计存在变更需求,并概述变更的原因、范围和影响。
本通知单适用于任何与工程设计相关的变更情况。
2. 变更概述在本章节中,将详细描述工程设计的变更需求,包括但不限于以下内容:- 变更的原因- 变更的范围- 变更的影响3. 变更目标此章节中将列出工程设计变更的目标,并对每个目标进行详细解释。
变更目标可能涉及但不限于以下方面:- 设计参数调整- 设备配置变更- 工程进度调整- 资源调配变更4. 变更审批流程本章节将详细描述变更审批流程,并列出涉及的各方和相关部门。
流程包括以下环节:- 变更提出- 变更评估- 变更审批- 变更执行5. 时间安排此章节将列出变更执行的时间安排,包括但不限于以下时间节点:- 变更提出日期- 变更审批截止日期- 变更执行开始日期- 变更执行截止日期6. 相关事宜沟通本章节将列出变更相关事宜的沟通方式和责任方,包括但不限于以下事宜:- 变更提出人与审批人的沟通方式- 变更执行人与项目相关方的沟通方式- 变更执行人与项目团队的沟通方式7. 变更风险评估此章节将详细评估工程设计变更可能带来的风险,并制定相应的应对措施。
风险考虑因素包括但不限于以下内容: - 工程成本风险- 工程进度风险- 工程质量风险- 合同和法律风险8. 变更实施计划本章节将详细描述工程设计变更的实施计划,包括但不限于以下内容:- 变更执行的步骤- 变更所需资源的调配- 变更执行的时间安排- 变更执行的责任方9. 变更后评估此章节将描述变更执行完成后,对变更效果进行评估的方式和方法。
变更后评估可能包括但不限于以下内容:- 设计参数的符合性评估- 设备配置的质量评估- 工程进度的调整评估- 相关方反馈及满意度调查10. 结论此章节将总结变更通知单的内容,并提出必要的建议和建议。
变更通知单将在此章节中做出结论,并指导相关方进一步操作。
本文档所涉及附件如下:- 附件一:工程设计变更申请表格- 附件二:变更评估报告- 附件三:变更执行计划表- 附件四:变更后评估报告本文档所涉及的法律名词及注释:- 法律名词一:注释一- 法律名词二:注释二- 法律名词三:注释三以上为工程设计变更通知单的详细内容,请相关方按照通知单的要求进行相应的变更操作。
工程设计变更通知单两篇
篇一:工程设计变更通知单
市政基础设施工程编号:市政施管-12
工程名称原施工图编号
变更单位变更设计图号
变更原因
变更设计
内容设计单位:(盖章)项目负责人:
审核人:
审定人:
年月日
备注:
篇二:工程设计变更(补充)通知单
编号:KHS通知-0220XX年9月9日共1页第1页工程名
称康和盛大楼基坑支护工程
主送单
位
深圳市康和盛实业有限公司
工程部位抄送单
位
各相关单位
设计号
工程设计变更(补充)内容:
1、原H1HLL1段采用3-3剖面进行支护;FF1ED段取消钢管微型桩支护采用2-2剖面进行支护。
2、OPQR段因距现有板房及生活区围墙太近(最近距离为0.57m),将该段进行调整。
具体详见设计变更(5’-5’、6’-6’)。
附件2张附图(编号)2张(KHS-BG1-01~02)
批准:审核:设计:深圳市勘察测绘院有限公司
资质证书:
建设部工程勘察综合类甲级——190122-KJ。
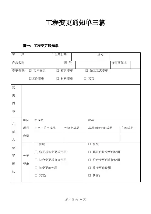
工程变更通知单三篇篇一:工程变更通知单
工程变更申请单
工程变更核算单
篇二:工程变更通知书
ENGINEERING CHANGE NOTICE
变更类型:□生产临时变更□生产永久变更□试制临时变更□试制永久变更 ECN编号:
编号: 01
合同名称:合同编号:
工程变更建议书
施工时发现XX厂厂址地形与原设计不符,经建设单位、设计单位、监理单位、施工单位联合测量,厂区现状地面高程(平均值)比该村正常地面高程(以XX 村小学门前水泥路中心高程为准,假定该点高程40.00米)低2.6米左右。
经联合商议,确定以下调整方案:
1、清水池顶面高程确定为40.00米(以XX村小学门前水泥路中心高程为40.00米计),与XX小学门前水泥路高程持平,水厂内地面(即房屋室外地坪)确定为39.00米。
水厂内各种建筑物、构筑物、管道等的相对高差保持与原设计图纸一致。
2、外购土方将场内地面填筑至39.00米高程。
3、从水厂大门口至小学门前水泥路(长约55米),按设计要求需修建一条4米宽的进场道路(水泥路),该道路东西两端高差1.0米,修筑时平顺连接(即进场道路西侧高程与学校门前水泥路持平40.00米,东侧与水厂内水泥地面持平39.00米)。
4、管理房、门卫室、化验室、发电机房等房屋的基础样式、尺寸、基底高程经设计单位现场勘察、钻探后进行设计调整。
二〇XX年十二月三日。
工程设计变更通知单一、背景与目的为了确保工程设计的准确性和完整性,针对项目实施过程中发生的设计变更,需要及时通知相关人员,并对变更内容进行详细说明和记录。
本通知单旨在统一管理工程设计变更,确保变更流程的规范性和可追溯性。
二、变更通知内容1. 变更单号为了方便工程设计变更的追踪和管理,每个变更通知都应分配唯一的变更单号。
本次变更单号为:GD2021001。
2. 变更项目概述针对项目设计的变更内容如下:•变更项目名称:[变更项目名称]•变更内容描述:[变更内容描述]•变更原因:[变更原因]3. 变更范围本次变更适用的范围包括:•变更设计文件清单:[变更设计文件清单]•变更施工单位:[变更施工单位]•变更工序/工作内容:[变更工序/工作内容]4. 变更责任人本次变更的责任人是:[变更责任人姓名]。
责任人需要负责变更的实施和跟踪,并确保变更的质量和准确性。
5. 变更计划本次变更的计划如下:•变更开始时间:[变更开始时间]•变更结束时间:[变更结束时间]•变更实施方式:[变更实施方式]6. 变更影响分析本次变更可能对项目进度、质量和成本等方面产生影响,请相关人员注意以下内容:•项目进度影响:[项目进度影响]•项目质量影响:[项目质量影响]•项目成本影响:[项目成本影响]7. 变更批准本次变更需要经过以下审批程序:•批准人姓名:[批准人姓名]•批准日期:[批准日期]三、变更控制1. 变更管理流程根据项目管理要求,变更管理流程如下:•变更申请:由变更申请人填写变更申请单并提交给相关人员。
•变更评审:由相关人员对变更申请进行评审,并确定是否需要进行设计变更。
•变更批准:经过评审的变更申请需要由批准人进行最终批准。
•变更实施:根据变更计划,由责任人进行变更实施,并记录变更过程。
•变更验证:对变更结果进行验证和评估,确认变更是否达到预期效果。
•变更关闭:根据变更验证结果,关闭变更请求。
2. 变更追踪与回顾为了确保变更的可追溯性,需要对变更进行追踪和回顾。