提速道岔电路彩图
- 格式:doc
- 大小:277.51 KB
- 文档页数:5
DX2X32122112122444302012423反表电路 X3为正 X2为负44430201242311双动道岔内部结线图 以定位1 3闭合为例首动末动DX3X1413132413132040314133433040314133433定表电路 X1为正 X3为负X4定反12221221113132M34X2X105064241M3405064241121121反定启动电路表示CJQ端子号2232反表电路 X3为正 X2为负单动道岔内部结线图 以定位1 3闭合为例定表电路 X1为正 X3为负启动电路DX3X141313204031413343322定反 122111M34X2X105064241反定X4表示电缆盒至CJQ端子号表示CJQ端子号DX2X321224443020124231132DX2X321222122444302012423反表电路 X3为正 X2为负242311单动道岔双机内部结线图 以定位1 3闭合为例E型J型DX1413132313204031413343333定表电路 X1为正 X3为负X4定反 122111M3405064241424121反定启动电路表示CJQ端子号2232141334134443141112M340506X5X61314表示电缆盒端子号X2X3反表电路 X3为正 X2为负双动道岔 首动单机 末动双机内部结线图 以定位1 3闭合为例X3X1定表电路 X1为正 X3为负定反定启动电路X5表示CJQ端子号表示电缆盒端子号2122242311首动41313233141334444321222423114131323314133444432122444302012423D3132040314133433222321314末动 A 末动 B030401024122111M3405064241122111M34050642411413111242411M34050635361315212281425261631327X2X3反表电路 X3为正 X2为负双动道岔 首动双机 末动单机内部结线图 以定位1 3闭合为例X3X1定表电路 X1为正 X3为负X4定反反定启动电路X5X6表示CJQ端子号表示电缆盒端子号2122242311首动 A413132331413344443212224231131321413344443444302012423D04031413332223212首动 B末动030401024X2X1 122111M3405064241122111M3405064241111242411M3405063132137313273313313234411421222122814212281413双动道岔 首动双机 末动双机内部结线图 以定位1 3闭合为例X2X3反表电路 X3为正 X2为负X3X1定表电路 X1为正 X3为负启动电路2122242311首动 A413132331413344443212282423321413344443首动 B 03040102433252616141334末动 A 43312定反反定X5X6表示电缆盒至CJQ端子号表示CJQ端子号表示电缆盒端子号X2X1122111 M3405064241313271413122111 M3405064241353615122111 M3405064241212281216252614153536133132711M34050621112 14142444302012423D04031413332232末动 B 31323421221314131431324122211124234443810739341097331821221112978103231(14)(13)(12)(11)(14)(16)(12)(13)(11)(15)。
R2R211反 位 表 示 简 图定 位 表 示 简 图制图:姚劲松C 定位表示由X1、X2、X4控制,表示电源正常值:交流56V左右(X1或X4与X2间),直流21V左右(X1、X4为正;X2为负)。
故障状态:X1、X2测不到交流电压--室内断线;电压远低于正常值,室内R1两端约有80V,为混线故障,可在分线盘甩开X2,电压升至108V左右,故障在室外,否则在室内。
X1与X2所测直流30余伏,交流70余伏,为继电器支路断,X4与X2所测同前,故障在室内,否则在室外。
如X1与X2所测电压为交流108V左右,则为室外二极管支路断。
制图:姚劲松红色为继电器支路,蓝色为二极管支路。
C 反位表示由X1、X3、X5控制,表示电源正常值:交流56V左右(X1或X5与X3间),直流21V左右(X1、X5为负;X3为正)。
故障状态:X1、X3测不到交流电压--室内断线;电压远低于正常值,室内R1两端约有80V,为混线故障,可在分线盘甩开X3,电压升至108V左右,故障在室外,否则在室内。
X1与X3所测直流30余伏,交流70余伏,为继电器支路断,X5与X3所测同前,故障在室内,否则在室外。
如X1与X3所测电压为交流108V左右,则为室外二极管支路断。
制图:姚劲松红色为继电器支路,蓝色为二极管支路。
C定操反由X1、X3、X4控制,如操不动可先检查室内1DQJ、1DQJF、2DQJ、DBQ、BHJ及相关电路,然后可在分线盘在操动道岔时测X1、X3、X4间有无380V交流电,如有为室外断相,无电压为室内断线。
如主机先到位,副机未完全到位,电路上的多为续操电路出了故障,可设法让SH6先操到位,或在主机电缆盒内测6#与9#(B相);8#与13#(C相)之间的电阻,不通,故障在该点至SH6;通的话故障在该点至主机内。
制图:姚劲松机滞后于主机后到位时使电机电路不至于断开。
当续操电路故障时,可用扳手头部卡在主机处,让副机先到位后再拔出等方法来应急处理。
道岔、轨道电路故障曲线分析一、道岔ZYJ7提速道岔曲线1、正常的提速道岔曲线(图1):图1 2、异常的提速道岔曲线2.1道岔无表示曲线:(图2)图2这种曲线基本上是由于道岔自动开闭器动接点没有完全打过去、检查柱没有落到表示杆缺口内或者表示电路断线造成。
2.2道岔枕木不平、轨枕不正、滑床板不良或启动电路接点不良等情况造成的异常曲线(图2、图3、图4):图3图4图52.2道岔卡阻曲线:道岔卡阻时,道岔动作电流会发生明显的变化,它的曲线也随着电流的变化而变化。
根据平时道岔转换时间和发生卡阻时电流变化所对应的转换时间长短,我们基本可以判断出道岔卡阻的位置。
图6卡阻曲线是道岔外锁闭铁还未完全解锁,即锁钩还没有落下去的曲线。
图6发生这种故障原因很多,有可能是道岔尖轨处轨距发生改变使锁钩与基本轨过紧;或是道岔锁钩处生锈造成锁钩落不下去不解锁;或是锁钩底部与动作杆之间夹异物造成锁钩落不下去不解锁等等。
图7图7是道岔转换到中途卡阻曲线。
道岔中途受阻基本是由于道岔滑床板严重缺油、有油泥或煤渣、沙子等杂物所致。
图8曲线是道岔转换已基本到位、即将锁闭时的卡阻曲线。
图8这种道岔故障大部分是由于尖轨与基本轨间夾异物、轨距变化或道岔本身调整不当所致。
2.4图9是电源断相、启动电路接点接触不良或者是由于DBQ不良造成的道岔曲线:图9二、轨道电路1、站内正常轨道电路电压曲线正常的站内轨道电路电压曲线光滑平直,轨道电压标准,电压上下波动幅度较小,有车占用时曲线分路残压在标准范围内(图1):图102、站内异常轨道电路电压曲线2.1分路不良曲线(图2、图3、图4、图5)当轨道区段有车占用时,轨道电压出现不同幅度的不正常的波动,有时会突破分路上限。
多见于雨后或长期不走车的轨道电路区段。
图11图12图13图142.3站内轨道电路设备不良电压曲线站内轨道电路设备不良,一般多见于轨道电路扼流变压器不良、分割绝缘不良、道岔安装装置绝缘不良、轨道电路限流电阻簧片接触不良、轨端接续线、跳线塞钉或连接螺丝接触不良等,这些都会造成轨道电路电压出现不同幅度下降和曲线波动(图6、图7)图15图162.4电气化接触网停电作业时,往钢轨上挂临时地线造成轨道电路电压时高时低、曲线异常波动(图8):图172.5接收器不良曲线接收器不良轨道电路曲线有时可能没有变化,但有时也能够导致轨道电压较大幅度的升高或下降(图9):图182.6一送双受轨道电路区段受端电阻短路造成的故障曲线当DG轨道受端电阻短路时,造成本区段轨道电压升高。
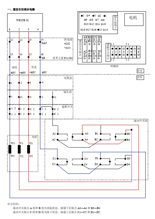
道岔启动电路及表示电路说明1道岔表示电路的技术条件1 •只能用继电器的吸起状态与道岔的正确位置相对应,分别设置道岔定位表示继电器 DBJ和道岔反位继电器 FBJ。
2 •当室外联系线路发生混线或混入其他电源时,必须保证不致使DBJ或FBJ错误吸起。
3 •当道岔在转换或发生挤岔事故、停电或断线等故障时,必须保证DBJ或FBJ失磁落下,因此必须使用安全型继电器。
2、四线制道岔控制电路(一)道岔启动电路现行的道岔控制电路采用四线制控制电路,通过三级电路完成对道岔转换的控制,如图L:.!四线制道岔控制电路图第一级控制电路是IDQJ3_4 (道岔第一启动继电器)线圈励磁电路,检查联锁条件,确定能否接收控制命令。
人工操纵道岔[选路时DCJ(定位操纵继电器)↑或FCJ(反位操纵继电器)↑,单操时KF- ZDJ有电、AJ(按钮继电器)↑或KF-ZFJ有电、AJ ↑ ]时,IDQJ3_4线圈检查了没有办理人工锁闭[CA(道岔按钮)在定位],没有进行区段锁闭和进路锁闭[SJ (锁闭继电器)↑ ],又经2DQJ(道岔第二启动继电器)检查道岔需要转换后,励磁吸起。
第二级控制电路是 2DQ J的转极电路,确定道岔的转换方向(向定位转还是向反位转)。
1DQJ↑后使2DQJ转极。
第三级控制电路是1DQJ1一 2线圈自闭电路。
接通并随时检查电动机动作电路是否正常。
1DQJ↑> 2DQJ转极接通道岔动作电路:1DQJ检查电动机正常工作而自闭,道岔转换到底后由电动转辙机的自动开闭器的动作接点切断动作电路,使动作电路复原。
(二)道岔表示电路电路中使用了两个安全型偏极继电器,作为道岔表示继电器,使用了独立的表示变压器,并在电路的末端设置整流元件,检查电路完整后向发送端送回直流电源,为了防止半波整流造成表示继电器抖动,在表示继电器两端并联了 4 μF电容器起滤波作用。
3、六线制直流双电动转辙机控制电路当轨道线路采用12号60 kg/m AT道岔时,一台转辙机已经适应不了转换力和牵引力的要求。
道岔(ZYJ7转辙机)的控制电路、启动电路及表⽰电路解读1 ZYJ7电路图2 电路图中名词解释2.1 名词解释名词解释说明1DQJ1道岔启动继电器⽆极加强接点缓放型2DQJ2道岔启动继电器极性保持继电器1DQJF1道岔启动复⽰继电器TJ时间继电器DBJ定位表⽰继电器DBJ吸起,FBJ落下:表⽰定位。
FBJ反位表⽰继电器DBJ落下,FBJ吸起:表⽰反位。
BHJ保护继电器三相电源送电,BHJ吸起,不送电的时候落下。
DCJ定位操作继电器FCJ反位操作继电器DBQ断相保护器DBQ检查流过的三相电流值正常且平衡后,输出DC24V使BHJ吸起。
KZ控制正极KF控制负极2.2 ⾃动开闭器⾃动开闭器如下图所⽰,其中1、2、3、4是静接点;A、B是动接点。
定位时,A/B接点与1/3接点相连;反位时,A/B接点与2/4接点相连。
电路图中的⾃动开闭器如下图所⽰。
2.3 DBQ(断相保护器)与BHJ(保护继电器)DBQ与BHJ的电路原理图如下图所⽰。
当三相电流不平衡或者缺相时,BHJ落下,断开三相电机的供电回路,从⽽保护三相电机不被烧毁。
疑问:为什么三相不平衡或缺相时,BHJ就不能励磁呢?3 控制电路下图为操作台⽰意图。
道岔处于定位时的启动电路如下图所⽰。
其中DGJ为道岔轨道继电器,当轨道区段空闲时,DGJ吸起。
当按下反位操作按钮后,FCJ吸起。
通电回路如下图所⽰。
这时,1DQJ(1道岔启动继电器)通电后吸起。
使得1DQJF(1道岔启动复⽰继电器)也通电吸起,如下图所⽰。
当1DQJF吸起后,2DQJ(2道岔启动继电器)线圈也会通电,启动电路开启,如下图所⽰。
启动电路开启后,三相电源送电,使得BHJ(保护继电器)线圈通电励磁,这时控制电路会形成⼀个⾃闭电路,如下图紫⾊回路所⽰。
当道岔由定位转动到反位后,BHJ失磁,⾃闭电路⽆法构成回路,造成1DQJ失磁。
1DQJ失磁后,⾃闭回路中的1DQJ的接点断开,造成1DQJF失磁。
ZYJ-7提速道岔电路简图及故障判断ZYJ-7提速道岔表示电路简图
常见故障分析与判断方法
ZYJ7提速道岔电路故障:(一般先处理机械故障再查表示电路故障,最后查启动电路故障)(1)在控制台判断出是表示电路故障还是启动电路故障,必须结合动作电流(2A左右)和动作时间(7.5秒)进行判断;
(2)到提速道岔组合架找出故障道岔组合,在侧面端子测试有关电压值;
(3)根据下列故障数据表,进一步查找处理(如判断出是室外故障还必须到分线盘测试确认)。
ZYJ-7表示电路故障参考数据:
ZYJ-7启动电路故障参考数据:。
提速道岔的三种状态及其电气参数道岔的三种状态是指道岔的正常状态、道岔的“四开”状态和道岔的室内外不一致的状态。
以三相交流电动转辙机(S700K)牵引的提速道岔为例,该类型道岔的控制电路由5根外线组成,在道岔的不同状态下,各外线间的电压是不一样的,通过测量各线间电压,可在室内判别室外道岔的状态,查找故障时,通过测量各线间电压可为迅速判别故障范围提供有益的帮助。
一、道岔的正常状态道岔在正常状态时,有四根外线是带电的,有一根外线两端(室内外)悬空,不带电。
具体地说,当道岔在定位时,X5两端悬空,不带电,X1、X2、X3、X4均带电;道岔在反位时,X4两端悬空,不带电,X1、X2、X3、X5均带电。
为了较直观地说明这一点,将提速道岔的表示电路进行简化,如下图。
从上图可以看出,当道岔在定位时,X1、X3、X4间只有电机的线圈相隔,它们的电位几乎相等,相互间的电压很小。
实践中,道岔在正常状态下,用万用表交流220V或100V档、直流100V档测量,X1~X2间的电压为交流54V左右、直流22V左右,X2~X4间的电压为交流52V左右,直流22V左右,X1、X3、X4相互间的电压近乎为零。
此时X5在室外被自动开闭器的接点截断,在室内被2DQJ131-133截断,其两端是悬空的,与其它端子间没有电压,如果在实测中有一点小电压的话,那也是感应或接地等引起的虚电压。
道岔在反位时的情况与道岔在定位时类似。
此时,X1、X2、X5的电位几乎相等,相互间的电压很小。
实践中,道岔在正常状态下,用万用表交流220V 或100V档、直流100V档测量,X1~X3间的电压为交流54V左右,直流22V 左右,X3~X5间的电压为交流52V左右,直流22V左右,X1、X2、X5相互间的电压近乎为零。
此时的X4两端是悬空的,与其它端子间没有电压。
二、道岔在“四开”状态道岔在“四开”状态时,自动开闭器的第一、四排接点接通,定、反位的表示电路互相连接,电压出现了异常状态。
Ⅰ1ⅡⅠ2ⅡⅠⅡ220V 110V BD 1-734DJZRD441DBJR2R1Ⅰ1ⅡⅠ2ⅡⅠⅡ220V 110V BD 1-734DJZRD4R2R141FBJ11X1(-)(1千欧)X5(-)X3(+)反 位 表 示 简 图X1(+)X4(+)X2(-)定 位 表 示 简 图(1千欧)制图:姚劲松K627361314111212ZYJ7提速道岔控制电路图SH6KZDGJ 2SFJ12D12341DQJ12Z2DQJ3BHJKZ3TJ1DQJKFTJ-30S411DQJFKZ 43122DQJ31DQJFKZ 41DQJF2DCJKF R3-75/252FCJKF14141424344454625262324212235363334313215161314111267891011123R12转换锁闭器12RD312RD21*2RD1C1421DQJF 11DQJF11DQJ1311211112DQJ21DQJⅠ14Ⅰ23ⅠⅡ220V BD1-712R1110VDJF21RD4DJZ41FBJ41DBJ 2DQJ14532X1X4X5X3X2414243444546252623242122353633343132151613141112bK678910111213ZYJ7516131 4111 211 2DBQK 定位表示由X1、X2、X4控制,表示电源正常值:交流56V左右(X1或X4与X2间),直流21V左右(X1、X4为正;X2为负)。
故障状态:X1、X2测不到交流电压--室内断线;电压远低于正常值,室内R1两端约有80V,为混线故障,可在分线盘甩开X2,电压升至108V左右,故障在室外,否则在室内。
X1与X2所测直流30余伏,交流70余伏,为继电器支路断,X4与X2所测同前,故障在室内,否则在室外。
如X1与X2所测电压为交流108V左右,则为室外二极管支路断。
制图:姚劲松红色为继电器支路,蓝色为二极管支路。
KZKZ001 002 003K627361314111212ZYJ7提速道岔控制电路图SH6KZDGJ 2SFJ12D12341DQJ12Z2DQJ3BHJKZ3TJ1DQJKFTJ-30S411DQJFKZ 43122DQJ31DQJFKZ 41DQJF2KF R3-75/252FCJKF14167891011123R12转换锁闭器12RD312RD21*2RD1C1421DQJF 11DQJF11DQJ1212DQJ21DQJⅠ14Ⅰ23ⅠⅡ220V BD1-712R1110VDJF21RD4DJZ41FBJ41DBJ 2DQJ14532X1X4X5X3X2414243444546252623242122bK678910111213ZYJ7516131 4111 211 2DBQ2DQJ131111反位表示由X1、X3、X5控制,表示电源正常值:交流56V左右(X1或X5与X3间),直流21V左右(X1、X5为负;X3为正)。
故障状态:X1、X3测不到交流电压--室内断线;电压远低于正常值,室内R1两端约有80V,为混线故障,可在分线盘甩开X3,电压升至108V左右,故障在室外,否则在室内。
X1与X3所测直流30余伏,交流70余伏,为继电器支路断,X5与X3所测同前,故障在室内,否则在室外。
如X1与X3所测电压为交流108V左右,则为室外二极管支路断。
制图:姚劲松红色为继电器支路,蓝色为二极管支路。
KZ363534333231161514131211001002003161514131211262524232221363534333231464544434241K627361314111212ZYJ7提速道岔控制电路图SH6KZDGJ 2SFJ12D12341DQJ12Z2DQJ3BHJKZ3TJ1DQJKFTJ-30S411DQJFKZ 43122DQJ31DQJFKZ 41DQJF2DCJKF R3-75/252FCJKF14141424344454625262324212235363334313215161314111267891011123R12转换锁闭器12RD312RD21*2RD1C1421DQJF11DQJF11DQJ1311211112DQJ21DQJⅠ14Ⅰ23ⅠⅡ220V BD1-712R1110VDJF21RD4DJZ41FBJ41DBJ 2DQJ14532X1X4X5X3X2414243444546252623242122353633343132151613141112bK678910111213ZYJ7516131 4111 211 2DBQ定操反由X1、X3、X4控制,如操不动可先检查室内1DQJ、1DQJF、2DQJ、DBQ、BHJ及相关电路,然后可在分线盘在操动道岔时测X1、X3、X4间有无380V交流电,如有为室外断相,无电压为室内断线。
如主机先到位,副机未完全到位,电路上的多为续操电路出了故障,可设法让SH6先操到位,或在主机电缆盒内测6#与9#(B相);8#与13#(C相)之间的电阻,不通,故障在该点至SH6;通的话故障在该点至主机内。
制图:姚劲松KZ粗色线为电机电路构通路径,蓝细线为B相、黄细线为C相之续操电路,续操电路在副机滞后于主机后到位时使电机电路不至于断开。
当续操电路故障时,可用扳手头部卡在主机处,让副机先到位后再拔出等方法来应急处理。
001002003K627361314111212ZYJ7提速道岔控制电路图SH6KZDGJ 2SFJ12D12341DQJ12Z2DQJ3BHJKZ3TJ1DQJKFTJ-30S411DQJFKZ 43122DQJ31DQJFKZ 41DQJF2KF R3-75/252FCJKF14141424344454625262324212235363334313215161314111267891011123R12转换锁闭器12RD312RD21*2RD1C1421DQJF11DQJF11DQJ1311211112DQJ21DQJⅠ14Ⅰ23ⅠⅡ220V BD1-712R1110VDJF21RD4DJZ41FBJ41DBJ 2DQJ14532X1X4X5X3X2414243444546252623242122353633343132151613141112bK678910111213ZYJ7516131 4111 211 2DBQ反操定由X1、X2、X5控制,如操不动可先检查室内1DQJ、1DQJF、2DQJ、DBQ、BHJ及相关电路,然后可在分线盘在操动道岔时测X1、X2、X5间有无380V交流电,如有为室外断相,无电压为室内断线。
如主机先到位,副机未完全到位,电路上多为续操电路出了故障,可设法让SH6先操到位,或在主机电缆盒内测7#与13#(B相);6#与10#(C相)之间的电阻,不通,故障在该点至SH6;通的话故障在该点至主机内。
制图:姚劲松KZ粗色线为电机电路构通路径,蓝细线为B相、黄细线为C相之续操电路,续操电路在副机滞后于主机后到位时使电机电路不至于断开。
当续操电路故障时,可用扳手头部卡在主机处,让副机先到位后再拔出等方法来应急处理。
001 002 003。