Q空调万能遥控器说明书
- 格式:docx
- 大小:1.96 MB
- 文档页数:9
空调遥控器操作说明书感谢选择我们的空调产品。
本操作说明书将为您提供详细的操作指导,帮助您合理、方便地使用空调遥控器。
一、前言本操作说明书适用于我们公司所生产的所有空调产品配套的遥控器。
在使用遥控器之前,请先确保您已经正确安装了空调设备,并且遥控器已经装入电池。
二、遥控器介绍1. 外观本遥控器外观简洁、大方,采用人性化设计,搭配易操作的按键。
2. 键位功能本遥控器拥有以下主要键位功能:- 电源:用于打开或关闭空调设备的电源。
- 模式:用于选择不同的工作模式,如制冷、制热、送风、除湿等。
- 风速:用于调节空调设备的送风风速,可根据实际需求进行调整。
- 温度调节:用于调节空调设备的制冷或制热温度,可根据实际需求进行加减。
- 定时开关:设置定时开关机功能,可便捷地控制空调的开启和关闭时间。
三、操作指南在正常使用空调遥控器之前,请先确保您已经正确安装了空调设备,并将遥控器装入电池。
1. 打开/关闭电源按遥控器上的电源键,可实现空调设备的开机和关机操作。
当设备处于工作状态时,按电源键将使其进入关机状态。
2. 选择工作模式通过按下遥控器上的模式键,您可以切换空调设备的工作模式。
根据实际需求,选择合适的模式,如制冷、制热、送风或除湿。
3. 调节风速使用遥控器上的风速键,您可以调节空调设备的送风风速。
通常,有高速、中速和低速可供选择。
4. 温度调节通过按下遥控器上的温度调节键,您可以增加或减少空调设备的制冷或制热温度。
根据所需温度进行调整,以获得舒适的环境。
5. 定时开关遥控器上设有定时开关功能,通过按下相应键位,您可以设置空调的开启和关闭时间。
这对于夜间使用和定时节能非常有用。
四、注意事项1. 遥控器与空调设备之间的通信距离通常为5-8米,建议在有效距离内使用遥控器。
2. 定期更换遥控器电池,确保正常使用。
3. 遥控器应避免接触水或其他液体,以免损坏电路板。
4. 当遥控器长时间不使用时,请将电池取出,防止电池漏液损坏遥控器。
CHUNGHOP K-100A
万能空调遥控器升级版使用说明书及代码表
设置步骤
(一)手动设置步骤:
1. 从“代码表”中查出你所需遥控的空调机对应的机型代码,并打开空调机电源;
2. 连续(间断)按“设置”键,直至所需代码显示在窗口上并闪烁;
注:此机型代码即为您空调机所对应的代码。
3. 按确认键,机型代码将停止闪烁,设置完毕,这样本遥控器就可以遥控您所选的空调机了。
查找代码→打开空调机电源→连续按“设置”键设置→机型代码在“型号”窗口
闪烁→按确认键确认→机型代码停止闪烁→设置完毕
(二)数字式自动搜索适用机型:
1. 打开空调机电源;
2. 将遥控器正对着空调机接收头,循环按“设置”键,直到空调机自动开启/关闭,按“确认”键;
注:此机型代码即为您空调所对应的代码。
3. 设置完毕。
打开空调机电源→将遥控器对向空调机→循环按“设置”键否空调机自动开启/关
是按“确认”键→自动查找代码设置完成
四、使用注意
1. 本遥控器不能增加您空调上的功能。
如果您的空调机上无风向功能,则遥控器的风向键无效。
2. 本遥控器为低耗产品,正常情况下,电池寿命为6 个月,若使用不当电池寿命缩短,更换电池要两节一起换,不要新旧电池或不同型号电池混用。
3. 要确保您的空调机接收器正常,本遥控器才有效。
4. 如果出现电池漏液,必须将电池仓清洁干净后换上新电池。
为防漏液,请您在备长期不使用时,最好将电池取出。
五、适用品牌及代码一览表。
万能空调遥控器kd1000a+使用说明书kd1000a+万能空调遥控器说明书:
1、打开空调的电源,确保空调在正常工作的状态下进行调试,这样才能设置成功里面的功能相关信息。
2、将空调万能遥控器正对着空调接收头,循环的按下“设置”键,直到空调自动的开启或者是关闭。
3、按下“确认”键,空调代码设置就完成了(空调代码在使用说明书里)。
4、手动设置:A、从空调代码表中查找出需要进行设置的空调机型代码,打开空调的电源。
B、让空调在正常的工作状态下,这样才能够正常的进行空调功能的设置。
C、连续的按“设置”键,直到我们需要的代码显示在窗口上并且持续的闪烁。
D、代码显现之后,按下空调万能遥控器的确认键,机型代码停止闪烁,空调代码设置完毕。
这时,空调万能遥控器就能遥控家里的空调了。
万能空调遥控器说明书
1、手动打开空调机电源,将遥控器对着空调机接收窗口。
2、按住设置键(约6秒) 不放,待机型代码在窗口中变化(+1)时松开,此时进入极速搜索适用机型状态,仔细留意您空调机的状态,直到空调机自动开启时,按完成键停止搜索。
设置完毕。
3、检测按键功能是否正确,(除温度+、-,定时开/关机,设置键),如正确,代码有效,按“确认”键,设置完毕。
如不正确,请按“设置”键继续搜索。
产品设置方法【手动】
1、手动打开空调机电源,将遥控器对着空调机接收窗口。
2、按住“设置”键(约6秒)不放,待机型代码在窗口中变化(+1)时松开,此时进入极速搜索适用机型状态,仔细留意您空调机的状态,直到空调机自动开启时,按“确认”键停止搜索。
3、检测按键功能是否正确,(除温度+、-,定时开/关机,设置键),如正确,代码有效,按“确认”键,设置完毕。
如不正确,请按“设置”键继续搜索。
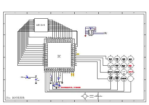
ZF-A2013万能空调遥控器说明书 一、 功能特点:本万能空调遥控器IC 是针对国内空调市场而设计,主要特点有:★ 共有可设定代码最多5000 组,含盖目前国内市场的家用空调★ 多种搜索方式可以快速准确地搜索到所需代码★ 带时钟功能及定时开机和关机功能★ 速冷/速热功能,可一键实现快速制冷及制热★ 带测试功能,提高生产测试效率★ 换电池不需要重新设置代码★ 带背光功能 二、初始状态※上电后液晶屏全显3 秒然后进入待机状态:关机,时钟显示为上午“12:00”※开机后默认状态:制冷模式,风量自动,自动风向,温度24℃,※快冷:风量大,自动风向,温度21℃;※快热;风量大,自动风向,温度27℃;三、使用方法:1.品牌搜索步骤1:品牌通搜索按住品牌键约5 秒进入品牌搜索, 代码数字会相应变化,发该品牌的首个代码的开机码步骤2:按住品牌键不放,约1 秒发下一组代码的开机码,当空调机有反应时,松开按键,即确认当前代码 步骤3:请测试遥控器按键是否有效, 如无效,请再次搜索,直到找到正确的代码为止。
模式 风量 温度+格力/华凌/海信 大金/富士通/开利 LG/三星手动风向 自动风向 温度-日立/松下 三洋/夏普/海尔/三菱新科/澳柯玛/奥克斯速冷 速热 电辅热美的/长虹/春兰 志高/TCL/科龙 新飞/扬子万能空调遥控器说明书IC 3V供电2.人工输入代码步骤1:先从代码表中查出空调机对应机型,并找出第一个代码,步骤2:按住“设置”键不放,再同时按下“电源”键,待机型代码在窗口中闪烁时松开,按“温度+/温度-”键,直至所需代码显示在窗口并闪烁,按“设置”键退出,步骤3:测试遥控器按键是否有效,如果有效,设置完成,否则请重复前面动作。
设置状态下15 秒没按键则保存退出3.人工搜索代码步骤1:手动打开空调机电源,将遥控器对着空调机接收窗口,先按住“设置”键不放,再同时按下“电源”键,待机型代码在窗口中闪烁时松开步骤2:一下一下按“温度+键/温度-”键,此时代码数字会相应的按次加减,并发开机码,直到空调机有反应时再按下“设置”键,即设置完毕。
CHUNGH OP K-100A
万能空调遥控器升级版使用说明书及代码表
设置步骤
(一)手动设置步骤:
1. 从“代码表”中查出你所需遥控的空调机对应的机型代码,并打开空调机电源;
2. 连续(间断)按“设置”键,直至所需代码显示在窗口上并闪烁;
注:此机型代码即为您空调机所对应的代码。
3. 按确认键,机型代码将停止闪烁,设置完毕,这样本遥控器就可以遥控您所选的空调机了。
查找代码→打开空调机电源→连续按“设置”键设置→机型代码在“型号”窗口
闪烁→按确认键确认→机型代码停止闪烁→设置完毕
(二)数字式自动搜索适用机型:
1. 打开空调机电源;
2. 将遥控器正对着空调机接收头,循环按“设置”键,直到空调机自动开启/关闭,按“确认”键;
注:此机型代码即为您空调所对应的代码。
3. 设置完毕。
打开空调机电源→将遥控器对向空调机→循环按“设置”键否空调机自动开启/关
是按“确认”键→自动查找代码设置完成
四、使用注意
1. 本遥控器不能增加您空调上的功能。
如果您的空调机上无风向功能,则遥控器的风向键无效。
2. 本遥控器为低耗产品,正常情况下,电池寿命为6个月,若使用不当电池寿命缩短,更换电池要两节一起换,不要新旧电池或不同型号电池混用。
3. 要确保您的空调机接收器正常,本遥控器才有效。
4. 如果出现电池漏液,必须将电池仓清洁干净后换上新电池。
为防漏液,请您在备长期不使用时,最好将电池取出。
五、适用品牌及代码一览表。
骆力克万能空调遥控器的说明书骆力克万能空调遥控器是一种智能家电控制器,它可以控制各个品牌的空调,拥有多种功能,使用简便方便。
接下来,本文将详细介绍骆力克万能空调遥控器的相关内容,帮助用户更好地使用。
一、外观设计骆力克万能空调遥控器采用人体工学设计,手感舒适,操作简便。
外观精美,颜色绚丽多样,符合现代家庭的审美需求。
二、主要功能1. 钟表功能:骆力克万能空调遥控器内置了时钟和日期功能,可以实时显示当地时间和日期。
2. 定时功能:该遥控器可以进行定时开关空调,节约能源的同时实现了舒适体验,早上或晚上不必担心忘关空调。
3. 自动模式:遥控器拥有自动模式,可以根据房间温度自动调节空调,保持恒温舒适。
4. 扫风功能:遥控器可设置自动扫风或定向吹风等模式,方便满足不同需求。
5. 多档调节:遥控器可根据不同情况和需求,调节不同的温度和风速,适用于不同的人群。
三、配对方法1. 找到空调主机上的空调码和匹配码,按照说明进行匹配。
2. 长按『SET』键,直到遥控器的红灯亮起。
3. 用手轻轻遮住遥控器上面的红外接口,直到得到空调主机发来的信号。
此时,遥控器红灯闪烁,表示配对成功。
四、使用方法1. 开关机:按『开/关』键,可以开启或关闭空调。
2. 调节温度:按『+』或『-』键可增加或减少空调温度。
3. 调节风速:按『风量』键可调节吹风强弱。
4. 定时功能:按『定时』键可进入定时设置菜单,可选择关机时间或开机时间。
5. 其他功能:按『自动』键可进入自动模式,按『扫风』键可进行扫风或定向吹风模式切换。
综上所述,骆力克万能空调遥控器是一款实用、便捷、多功能的智能家电控制器。
用户可根据自己的需求进行个性化设置,提高舒适度的同时实现能源节约。
希望本文能对用户们有所帮助。
K-1000合一空调万能遥控简要说明书〓K-1000操作说明1:型号设置步骤:1)品牌+型号全自动搜索功能:此种”品牌+型号”全自动搜索模式是最快捷最方便的搜索方式。
从品牌型号代码表中查出空调品牌所对应的品牌代码,长按【品牌键】不松,超过三秒,品牌代码开始以1秒间隔增加,当显示代码为空调对应的品牌代码时松开即可,此时品牌代码已经设置好。
选定品牌后在对应品牌内自动搜索相应的型号,长按【型号键】不松,超过三秒,型号代码开始以1秒的间隔增加并且发开机码,当空调被打开,表示搜到了相对应的代码,同时松开【型号键】退出型号代码搜索,设置完毕。
检查遥控器各个按键是否功能正常,若不正常重复此步骤,直到找到最合适的代码。
2) 手动搜索功能:先长按【设置】键2秒,型号显示开始闪烁,此时按下【选择+】键一次可加1改变型号,同时发射遥控信号。
按下【选择-】键一次可减1改变型号,同时发射遥控信号。
同时观察空调机是否有反应,如果空调机被自动开启,停止操作,按下【确认】键,设置完毕。
如果已从型号对照表查处有对应的型号,则可快速搜索到该型号。
先长按【设置】键2秒,型号显示开始闪烁,此时长按【选择+】键3秒可快速增加型号数字,直到找到需要的信号,停止按键。
此时发射遥控信号,可控制空调机。
长按【选择-】键亦有此功能。
按下【确认】键,退出改变型号状态。
检查遥控器各个按键是否功能正常,若不正常重复此步骤,直到找到最合适的代码。
3)全自动搜索模式:1.先长按【设置】键2秒,型号显示开始闪烁,按住【开/关】,每两秒型号增加1,并自动发开机码,松开键不再发射。
按【设置】键或【确认】键退出。
2.长按【开/关】键6秒后,进入每两秒型号增加1的自动发开机码状态。
发完所有的开机码后停止,或按【开/关】键,【设置】键,【确认】键退出。
检查遥控器各个按键是否功能正常,若不正常重复此步骤,直到找到最合适的代码。
2:时钟设置步骤:按下【时钟】按键则进入时钟设置状态,时钟闪烁。
万能空调遥控器K100A使用说明(说明书)(一)手动设置步骤:1. 从“代码表”中查出你所需遥控的空调机对应的机型代码,并打开空调机电源;2. 连续(间断)按“设置”键,直至所需代码显示在窗口上并闪烁;注:此机型代码即为您空调机所对应的代码。
3. 按确认键,机型代码将停止闪烁,设置完毕,这样本遥控器就可以遥控您所选的空调机了。
查找代码→打开空调机电源→连续按“设置”键设置→机型代码在“型号”窗口闪烁→按确认键确认→机型代码停止闪烁→设置完毕(二)数字式自动搜索适用机型:1. 打开空调机电源;2. 将遥控器正对着空调机接收头,循环按“设置”键,直到空调机自动开启/关闭,按“确认”键;注:此机型代码即为您空调所对应的代码。
3. 设置完毕。
打开空调机电源→将遥控器对向空调机→循环按“设置”键否空调机自动开启/关是按“确认”键→自动查找代码设置完成(三)、使用注意1. 本遥控器不能增加您空调上的功能。
如果您的空调机上无风向功能,则遥控器的风向键无效。
2. 本遥控器为低耗产品,正常情况下,电池寿命为6 个月,若使用不当电池寿命缩短,更换电池要两节一起换,不要新旧电池或不同型号电池混用。
3. 要确保您的空调机接收器正常,本遥控器才有效。
4. 如果出现电池漏液,必须将电池仓清洁干净后换上新电池。
为防漏液,请您在备长期不使用时,最好将电池取出。
(四)、适用品牌及代码一览表万能控遥控器代码表众合chunghop,大众合万能电视遥控器代码表及使用说明书万能遥控器使用方法代码自定义搜索万能遥控器的代码自定义搜索的方法:1、左手先按住“设置”键不松手,再用右手按一下“电源”键,指示灯变成长亮。
2、输入三个“0”,使指示灯熄灭,这时遥控器的代码为“000”3、再重复第一条所说,使指示灯长亮4、将遥控器对准电视机的接收窗,开始按遥控器的“音量+”键,按一下数一下写数字,“1、2、3、4、5、6、.......300”,耐心点,直接接某一个数字后,电视机出现了“音量指示线”,就松开遥控器按钮,并记下该数字,这个数字就是你的电视机的“代码”。
CHUNGHOPK-100A万能空调遥控器使⽤说明书及代码表CHUNGHOP K-100A
万能空调遥控器升级版使⽤说明书及代码表
设置步骤
(⼀)⼿动设置步骤:
1. 从“代码表”中查出你所需遥控的空调机对应的机型代码,并打开空调机电源;
2. 连续(间断)按“设置”键,直⾄所需代码显⽰在窗⼝上并闪烁;
注:此机型代码即为您空调机所对应的代码。
3. 按确认键,机型代码将停⽌闪烁,设置完毕,这样本遥控器就可以遥控您所选的空调机了。
查找代码→打开空调机电源→连续按“设置”键设置→机型代码在“型号”窗⼝
闪烁→按确认键确认→机型代码停⽌闪烁→设置完毕
(⼆)数字式⾃动搜索适⽤机型:
1. 打开空调机电源;
2. 将遥控器正对着空调机接收头,循环按“设置”键,直到空调机⾃动开启/关闭,按“确认”键;
注:此机型代码即为您空调所对应的代码。
3. 设置完毕。
打开空调机电源→将遥控器对向空调机→循环按“设置”键否空调机⾃动开启/关
是按“确认”键→⾃动查找代码设置完成
四、使⽤注意
1. 本遥控器不能增加您空调上的功能。
如果您的空调机上⽆风向功能,则遥控器的风向键⽆效。
2. 本遥控器为低耗产品,正常情况下,电池寿命为6 个⽉,若使⽤不当电池寿命缩短,更换电池要两节⼀起换,不要新旧电池或不同型号电池混⽤。
3. 要确保您的空调机接收器正常,本遥控器才有效。
4. 如果出现电池漏液,必须将电池仓清洁⼲净后换上新电池。
为防漏液,请您在备长期不使⽤时,最好将电池取出。
五、适⽤品牌及代码⼀览表。
万能控调换电池后重启开关说明书
第一种方法
1、根据空调的不同品牌来点击不同的按钮,按钮下方有汉字,具体说明代表哪种空调。
2、一直按住不放,直到空调有反映开启。
第二种方法
1、如果不知道空调时什么品牌的,可是使用自动匹配空调。
点击设置
2、一直按住不动,直到显示屏上出现闪动画面松开按钮。
3、然后点击下方遥控器的红色开关按钮。
点一下就松开,然后等待遥控器自动匹配适合空调的型号。
稍等一会,空调就会有反映,自动开启。
4、如果空调一直无反映,且按任何一个按钮都没有反映,此时您可以打开电池开关,把电池取出,重新装上,在重试以上步骤开启。
扩展资料:
万能空调遥控器使用的注意事项
1、遥控器不能增加您空调上的功能。
如果您的空调机上无风向功能,则遥控器的风向键无效。
2、遥控器为低耗产品,正常情况下,电池寿命为 6 个月,若使用不当电池寿命缩短,更换电池要两节一起换,不要新旧电池或不同型号电池混用。
3、要确保您的空调机接收器正常,本遥控器才有效。
4、如果出现电池漏液,必须将电池仓清洁干净后换上新电池。
为防漏液,请您在备长期不使用时,最好将电池取出。
空调遥控器操作说明书本说明书适用于所有品牌的空调遥控器,旨在向用户提供详细的操作方法和指导。
请仔细阅读以下内容,以充分了解和正确操作您的空调遥控器。
一、功能按钮介绍1. 电源按钮:用于开启或关闭空调系统。
2. 模式按钮:用于选择空调的运行模式,如制冷、制热、除湿、送风等。
3. 风速按钮:用于调节空调风速,通常分为自动、低速、中速、高速等档位。
4. 温度调节按钮:用于调节空调的设置温度,可以根据需求提高或降低温度。
5. 定时功能按钮:用于设置空调开关机的定时时间。
6. 扫风按钮:用于控制空调出风口的方向和范围。
7. 睡眠按钮:用于启用空调的睡眠模式,通过调节温度和风速,提供舒适的睡眠环境。
8. 静音按钮:用于使遥控器静音,减少按键音响带来的干扰。
二、操作步骤1. 电源操作:按下电源按钮,空调系统将开启或关闭。
待空调开启后,可以进行后续的操作。
2. 模式选择:通过模式按钮,可以选择所需的运行模式。
根据季节和需求,您可以选择制冷、制热、除湿或送风模式。
3. 温度调节:利用温度调节按钮,您可以提高或降低所需的温度。
空调系统将根据您设定的温度进行相应的控制。
4. 风速调节:通过风速按钮,您可以选择合适的风速。
对于炎热的天气,您可以选择高风速,而在较凉爽的情况下,可以选择低风速。
5. 扫风设置:按下扫风按钮,您可以控制空调出风口的方向和范围。
这将使空气更均匀地分布在整个房间内。
6. 睡眠模式:如果您希望拥有更舒适的睡眠环境,可以启用睡眠模式。
按下睡眠按钮,空调系统将根据预设的温度和风速自动调整。
7. 定时设置:通过定时功能按钮,您可以设置空调的开关机时间。
这使得您可以在预定时间自动开启或关闭空调系统。
三、注意事项1. 在使用空调遥控器之前,请确保电池已正确安装并密封。
电池极性应与遥控器内的指示相符。
2. 遥控器的有效操作距离通常为5米。
请确保在有效距离内操作,以确保信号的稳定传输。
3. 遥控器不应暴露在阳光直射下或高温潮湿环境中,以免影响其正常运作和寿命。
宏科玛899k万能空调遥控器说明书宏科玛899k万能空调遥控器说明书欢迎使用宏科玛899k万能空调遥控器。
本说明书将为您提供详细的操作指南,以确保您能够充分利用该遥控器的功能。
1. 遥控器概述\n 宏科玛899k万能空调遥控器是一款多功能遥控器,适用于各种品牌和型号的空调。
它具有简洁的外观设计和易于操作的按钮布局,为用户提供便捷的使用体验。
2. 遥控器功能\n 2.1 电源开关:按下电源按钮,可打开或关闭空调。
\n 2.2 模式选择:通过模式按钮,可选择不同的工作模式,如制冷、制热、送风、除湿等。
\n 2.3 温度调节:使用温度加减按钮,可调节空调设定温度。
\n 2.4 风速控制:通过风速按钮,可选择不同的风速档位。
\n 2.5 定时功能:按下定时按钮,可设置定时开关机时间。
\n 2.6 睡眠模式:通过睡眠模式按钮,可进入节能睡眠模式。
\n 2.7 扫风功能:按下扫风按钮,可启用或关闭扫风功能。
\n 2.8 品牌选择:遥控器上设有品牌选择按钮,可根据您的空调品牌进行设置。
3. 使用方法\n 3.1 安装电池:打开遥控器背部的电池仓盖,将两节AAA电池正确安装。
\n 3.2 品牌设置:按住品牌选择按钮,并同时按下电源按钮,直到指示灯闪烁。
然后使用温度加减按钮选择您的空调品牌,并按下确认按钮进行确认。
\n 3.3 开关机操作:按下电源按钮,可打开或关闭空调。
\n 3.4 模式选择:使用模式按钮切换不同的工作模式。
\n 3.5 温度调节:通过温度加减按钮,可调节空调设定温度。
\n 3.6 风速控制:使用风速按钮切换不同的风速档位。
\n 3.7 定时功能:按下定时按钮,使用温度加减按钮设置定时开关机时间,并按下确认按钮进行确认。
\n 3.8睡眠模式:按下睡眠模式按钮进入节能睡眠模式。
\n3.9 扫风功能:按下扫风按钮启用或关闭扫风功能。
4. 注意事项\n 4.1 请确保正确安装电池,并注意电池的正负极方向。
设置步骤
(一)手动设置步骤:
1. 从“代码表”中查出你所需遥控的空调机对应的机型代码,并打开空调机电源;
2. 连续(间断)按“设置”键,直至所需代码显示在窗口上并闪烁;
注:此机型代码即为您空调机所对应的代码。
3. 按确认键,机型代码将停止闪烁,设置完毕,这样本遥控器就可以遥控您所选的空调机了。
查找代码→打开空调机电源→连续按“设置”键设置→机型代码在“型号”窗口。
闪烁→按确认键确认→机型代码停止闪烁→设置完毕
(二)数字式自动搜索适用机型:
1. 打开空调机电源;
2. 将遥控器正对着空调机接收头,循环按“设置”键,直到空调机自动开启/关闭,按“确认”键;
注:此机型代码即为您空调所对应的代码。
3. 设置完毕。
打开空调机电源→将遥控器对向空调机→循环按“设置”键否空调机自动开启/关是按“确认”键→自动查找代码设置完成
四、使用注意
1. 本遥控器不能增加您空调上的功能。
如果您的空调机上无风向功能,则遥控器的风向键无效。
2. 本遥控器为低耗产品,正常情况下,电池寿命为6 个月,若使用不当电池寿命缩短,更换电池要两节一起换,不要新旧电池或不同型号电池混用。
3. 要确保您的空调机接收器正常,本遥控器才有效。
4. 如果出现电池漏液,必须将电池仓清洁干净后换上新电池。
为防漏液,请您在备
长期不使用时,最好将电池取出。
五、适用品牌及代码一览表。
万能空调遥控器的使用1.遥控器的基本功能首先,了解遥控器上的基本功能按键是非常重要的。
通常,遥控器上会有一个电源按键,一个模式选择按键,一个温度调节按键以及风速控制按键。
在使用之前,确保电池已经安装正确并充满电。
2.遥控器的设置在使用前,需要对遥控器进行设置。
首先,放置好遥控器和空调之间的距离,打开空调面板,在面板上找到设置按钮或遥控器绑定按钮(不同型号的空调设置方式各异,使用说明书中会有详细步骤)。
按下设置按钮或绑定按钮直到遥控器发出蜂鸣声或指示灯闪烁,表示遥控器和空调已经成功绑定。
3.使用模式选择按键遥控器上一般有多个模式可供选择,包括自动模式、制冷模式、制热模式、送风模式和除湿模式。
通过模式选择按键,可以根据实际需要选择不同的模式。
例如,自动模式会根据室内温度自动调整空调运行状态,制冷模式适用于夏季,制热模式适用于冬季,送风模式适用于通风调节,而除湿模式则适用于潮湿的天气。
4.温度调节按键的使用通过温度调节按键,可以提高或降低设定的温度。
通常,遥控器上会有两个温度控制按键,即"+"和"-"。
按下"+"键可以增加温度,而按下"-"键则可以降低温度。
根据室内实际情况,调整合适的温度,以达到舒适的效果。
5.风速控制按键的使用风速控制按键常用于调节空调的送风速度。
遥控器上通常有三个风速选择按键,分别是低速、中速和高速。
通过按下相应的风速按键,可以调整空调的送风速度。
根据实际需求,选择合适的风速,以获得舒适的风感。
6.其他功能按键的使用除了上述基本功能按键之外,万能空调遥控器通常还有其他一些常用功能按键,如定时开关机、睡眠模式、润滑模式等。
这些功能按键的使用方法可以参考使用说明书,根据实际需求进行设置和调整。
7.注意事项在使用万能空调遥控器时,还需要注意以下几点。
首先,保持室内的空调出风口畅通,避免遮挡。
其次,遥控器要与空调面板保持一定的距离,避免干扰。
Q空调万能遥控器说明书 The pony was revised in January 2021
Q-1000空调万能遥控简要说明书
〓Q-1000功能特点
兼容国内其它空调多功能版本
共计有空调遥控码值1000多组
最新的品牌搜索,使搜索代码更快更方便
〓Q-1000操作说明
1:型号设置步骤:
1) 手动搜索功能:先长按【设置】键2秒,型号显示开始闪烁,此时按下【选择+】键一次可加1改变型号,同时发射遥控信号。
按下【选择-】键一次可减1改变型号,同时发射遥控信号。
同时观察空调机是否有反应,如果空调机被自动开启,停止操作,按下【确认】键,设置完毕。
如果已从型号对照表查处有对应的型号,则可快速搜索到该型号。
先长按【设置】键2秒,型号显示开始闪烁,此时长按【选择+】键3秒可快速增加型号数字,直到找到需要的信号,停止按键。
此时发射遥控信号,可控制空调机。
长按【选择-】键亦有此功能。
按下【确认】键,退出改变型号状态。
检查遥控器各个按键是否功能正常,若不正常重复此步骤,直到找到最合适的代码。
2)全自动搜索模式:
1.先长按【设置】键2秒,型号显示开始闪烁,按住【开/关】,每两秒型号增加1,并自动发开机码,松开键不再发射。
按【设置】键或【确认】键退出。
2.长按【开/关】键6秒后,进入每两秒型号增加1的自动发开机码状态。
发完所有的开机码后停止,或按【开/关】键,【设置】键,【确认】键退出。
检查遥控器各个按键是否功能正常,若不正常重复此步骤,直到找到最合适的代码。
3.3.复位保持功能
此遥控器复位后仍保持原来设置的型号。
〓Q-1000品牌型号代码表。