JJG596-1999电子式电能表检定规程
- 格式:doc
- 大小:623.50 KB
- 文档页数:20
电子式无功电能表检定作者:姜继生刘婷来源:《中国新技术新产品》2009年第23期摘要:大工业电力用户的电费计算用功率因素调整电费,促使大工业电力用户合理补偿无功以提高用电设备负载的功率因数,可见测量无功电能是十分必要的。
关键词:电能;计量;检测随着电能计量芯片的产生与技术的成熟,电子式电能表的应用已成为主流,并主宰着整个电能计量行业。
自然测量无功电能的电子式电能表也广泛应用于电能计量当中,这就使电子式无功电能表检定需求突显重要。
然而,电子式无功电能表还没有对应的检定规程,现行的JJG596-1999《电子式电能表》检定规程“本规程适用于新生产、使用中和修理后,额定频率为50Hz或60Hz,利用电子元(器)件的特性测量交流有功电能量的电子式电能表的检定。
”明确规定了其适用范围不包括电子式无功电能表。
在暂时还没有电子式无功电能表检定规程的情况下,可根据计量仪器、仪表国家标准与计量检定规程一致或能够兼容的原则。
按如下方法对电子式无功电能表进行检定:2009年1月1日实施的GB/T17215.323-2008/IEC62053:2003《交流电测量设备特殊要求第23部分:静止式无功电能表(2级和3级)》国家标准适用于由测量元件和计度器装在同一表壳内而组成的室内和室外用的电子式无功电能表。
据此可以给出检定电子式无功电能表计量性能要求。
1基本误差以相对误差的百分数表示。
在参比条件下,电子式无功电能表的基本误差限不超过表1和表2规定。
2 检测电子式无功电能表基本误差时应调定的负载可根据JJG596-1999和JJG307-2006确定,见表3和表4。
3启动试验电能表在额定电压、额定频率、sinφ=1的条件下,当负载达到表5规定启动电流IQ条件下,仪表应能启动并连续计量电能。
4潜动试验当施加115%额定电压,电流回路断开时,在规定的时间内电能表不应产生多于一个的脉冲。
河南省电力公司电能表修校工
技能竞赛实施细则(试验室部分)
比赛项目:周期检定一只三相三线电子式多功能电能表,时间为100分钟。
被检表规格:准确度等级有功0.5S、无功2.0
电压3×100V
电流3×1.5(6)A
类型双向有无功一体
二、直观检查和通电检查2分
三、记录校前数据3分
六、校核计度器示数5分
七、确定电能测量基本误差25分
八、确定电能测量标准偏差估计值5分
九、确定日计时误差5分
十、确定时段投切误差5分
十二、确定需量周期误差5分
10分
十三、确定计度器组合示值误差
十四、多功能电能表显示项编程10分
十五、
十六、原始记录填写3分
十七、其他2分
十八、比赛用时5分
备注:如遇到非选手原因,造成比赛中断,当值裁判可与主裁判协商后,适当延长比赛时间。
参赛单位选手姓名选手编号
完成时间得分裁判签名。
电子式电能表检定规程本规程适用于新和产、使用中和修理后,额定频率为50Hz或60Hz,利用电子元(器)件的特性测量交流有功电能量的电子式电能表(以下简称电能表)的检定。
这些电能表包括标准电能表和安装式电能表。
本规程不适用于感应式电能表的检定。
1技术要求1.1外观受检电能表上的标志应符合国家标准或有关技术标准的规定,至少应包括以下内容:厂名;计量器具许可证纺编号;出厂编号;准确度等级;脉冲常数;额定电压;基本电流及额定最大值。
1.2基本误差1基本误差以相对误差的百分数表示。
在本规程2.1规定的条件下,电能表的基本误差极限值(简称基本误差限)不得超过表1至表4的规定。
表1 单相和三相(平衡负载)标准电能表的基本误差限表3 单相和三相(平衡负载)安装式电能表的基本误差限表4 不平衡负载时三相安装式电能表的基本误差限1.2.2在检定周期内,电能表的基本误差值不得超过表1至表4的规定。
标准电能表在检定周期内基本误差改变量的绝对值不得超过基本误差限的绝对值。
1.2.3标准电能表在24h内的基本误差改变量的绝对值不得超过基本误差限绝对值的1/5。
1.2.4从预热时间结束算起,标准电能表连续工作8h,基本误差不得超过基本误差限,且基本误差改变量的绝对值不得超过表5的规定。
表5 标准电能表连续工作8h的允许基本误差改变量1标准电能表应具有(配有)电能值或高频脉冲数的显示,也可有高频和低频脉冲输出。
高、低频脉冲均应为一定幅值的矩形波,要给出高频和低频脉冲输出的脉冲常数C H (P H/kW·h)和C L(P L/kW·h),并要使显示与脉冲输出所代表的电能值一致。
1各级标准电能表,在输入为额定功率时,高频脉冲频率F H(Hz)不得低于表6的规定。
表6 标准电能表在额定输入功率下的高频脉冲频率F H值1.3.1.2各级标准电能表显示位数和显示其被检表误差的分辨率不得少于表7的规定。
表7 标准电能表显示器的显示位数和显示其被检表误差的分辨率1.3.2安装式电能表应具有电能值(kW·h)显示,并应有供测量误差的脉冲输出。
电能表检定规程汇总
机电式交流电能表检定规程
标准号:JJG 307-2006 生效日期:2006.09.08
电子式电能表检定规程
标准号:JJG 596-1999
最大需量电能表(电度表)试行检定规程
标准号:JJG 569-88 生效日期:1989.04.28
分时记度(多费率)电能表检定规程
标准号:JJG 691-1990
交流电能表检定装置检定规程
标准号:JJG 597-2005 生效日期:2006.06.20
交流电能表检定装置试验规范
标准号:JJF 1036-1993 生效日期:1993.10.01
交流电能表现场校准技术规范
标准号:JJF 1055-1997
机车交流电能表检定规程(已改成行业规程)
标准号:JJG 436-1986
直流电能表
标准号:JJG 842-1993
预付费电能表(已制定未报批)
--新制定
居民用单相电能表检定规程
分时记度(多费率)电能表检定规程
最大需量电能表(电度表)试行检定规程
GB-T 17215.211-2006 交流电测量设备通用要求
GB-T 17215.301-2007 多功能电能表特殊要求
GB-T 17215.311-2008 0.5级、1级、2级机电式有功电能表特殊要求GB-T 17215.321-2008 1级、2级静止式有功电能表特殊要求
GB-T 17215.322-2008 0.2S级、0.5S级静止式有功电能表特殊要求GB-T 17215.323-2008 2级、3级静止式无功电能表
GB-T 15284-2002 多费率电能表特殊要求
GB-T 18460.3-2001 IC卡预付费售电系统。
安装式电子式电能表(普通)检定作业指导书1 适用范围本作业指导书适用于安装式电子式普通电能表(以下简称被检表)的实验室检定。
无特殊说明,S级电能表均参照同等级表检定。
2 依据JJG 596-1999 电子式电能表3 环境条件3.1 环境温度:(20±2)℃3.2 相对湿度:60%±15%4 安全工作要求4.1 标准装置应可靠接地。
4.2电压回路严禁短路,电流回路严禁开路。
4.3拆、装被检表必须在装置电压、电流输出为零后进行。
5 检定设备5.1标准装置要求见表1表1 标准装置要求5.2耐压试验装置6 检定项目6.1工频耐压试验(对新生产和修理后的电能表);6.2直观检查和通电检查;6.3启动、潜动试验;6.4校核计度器示数;6.5确定电能表测量基本误差;6.6确定电能测量标准偏差估计值。
7 工作程序7.1工频耐压试验(对新生产和修理后的电能表)7.1.1试验中参比电压不大于40V的辅助线路应接地。
2kV试验电压的一端加在所有连接在一起的电压端子、电流端子和所有参比电压大于40V的辅助端子上,另一端加在从电能表外面可触及到的金属部位和外壳的接地端钮上(如果电能表外壳是绝缘的,则加在外壳置于的导电板上)。
7.1.3试验电压应在(5~10)s内平稳地由零升到规定值并保持1min,然后以同样速度降到零。
试验中绝缘不应被击穿,试验后被检表应能正常工作。
7.2直观检查:被检表应检查下列项目,若有不合格应停止检定。
7.2.1标志是否完全,字迹是否清楚;7.2.2开关、旋钮、拨盘等换档是否正确,外部端钮是否损坏;7.2.3有没有防止非授权人输入数据或开表操作的措施。
7.3通电检查:7.3.1按照被检表的参数选择装置,正确选择量程并接线,并确认装置的电压、电流输出端子和被检表接触良好。
7.3.2将被检表的电源接通,检查下列项目,若有不合格应停止检定。
7.3.2.1显示数据是否清楚、正确;7.3.2.2显示时间和内容是否正确、齐全;7.4启动试验;7.4.1在参比电压、参比频率和功率因数为1的条件下,负载电流升到表2规定值后,被检表应有脉冲输出或代表电能输出的指示灯闪烁。
四川省电力公司高级工技能考核操作任务书一、任务名称电子式电能表室内检定二、适用工种电能计量装置检修高级工三、具体任务依据《JJG596-1999 电子式电能表》检定规程完成电子式三相电能表的首次调前检定。
四、工作规范及要求1、按《JJG596-1999 电子式电能表》检定规程要求完成下列检定项目:工频耐压试验;直观检查和通电检查;启动、潜动试验;校核计度器示数;确定电能测量基本误差;确定电能测量标准偏差估计值;确定日计时误差和时段投切误差;检定结果处理。
2、上述检定项目中除“确定电能测量基本误差”和“确定电能测量标准偏差估计值”两个项目在检定装置上采用“本地”手动操作模式完成考核外;其余项目全部采用笔试完成,并默认为合格。
3、实际操作时由考评员现场随机确定3个实际检测点(正向有功),其中:平衡试验1个点,不平衡试验1个点,电能测量标准偏差估计值1个点,其它未检定点默认为合格。
4、按《JJG596-1999 电子式电能表》检定规程要求处理原始记录。
5、笔试规范要求:考生应笔试规定项目的试验条件、试验方法及试验结果处理原则。
6、因操作不当导致或有可能导致人身或设备事故的,应立即停止操作。
五、时间要求操作时间为60分钟,时间到立即终止任务四川省电力公司电能计量装置检修高级工电子式电能表室内检定考核要求及评分细则笔试记录页被检表型号:准确度等级:有功无功出厂编号:制造厂家:单位:姓名:电能表检定原始记录被委托单位电能表名称制造厂温度℃湿度 % 频率 Hz 被检表:型号出厂编号电压电流常数精度等级正向有功总示数检定装置:型号出厂编号等级标准证书号有效期至平衡试验(调前调后)不平衡试验(调前调后)电能测量标准偏差估计值 检定日期 年 月 日 有 效 期 年 月 日 对应检定证书编号: 检 定 人: 核验人: 结 论:。
一、单选题1、JJG596-1999规定0.5级电子式直通有功表在cosφ=1.0,0.05Ib时其误差不应超过±1.0% 。
答案:正确2、电子式三相电能表的误差调整以软件调整为主。
答案:正确3、0.5级多功能电能表的时钟精度要求是0.5s/d,1.0级多功能电能表的时钟精度是1.0s/d。
答案:错误4、海南电网现运行的多功能电能表的需量周期定为15min,需量滑差时间定为1min。
答案:正确5、检定1.0级电子表,标准偏差估计值应不超过0.2%。
答案:正确6、JJG596-1999规定,1.0级三相电子式电能表(包括直接接入电能表和经互感器接入电能表)启动电流是0.004倍标定电流。
答案:错误7、电子式电能表的标准偏差估计值用来衡量电能表的测量重复性。
答案:正确8、电子式电能表的需量周期误差应不超过需量周期的1%。
答案:正确9、多功能电表具有串行通信口,在检定中应使用配套软件设置电表地址码,并对电表进行读写,验证通信功能。
答案:正确10、检定电子表基本误差时,对其工作位置的垂直性必须有要求。
答案:错误11、做电子式电能表工频耐压试验需两人合作完成,检定人员应戴好绝缘橡皮手套,操作时不用站在绝缘地垫上。
答案:错误12、《中国南方电网公司单相电子式电能表订货及验收技术条件》要求单相电子式电能表端子座内强电端子的孔径为:小电流(30A)为≥6mm,中电流(60A)为≥7.5mm,大电流(80A)为≥8.5mm。
答案:正确13、检定员在检定过程中,若发现标准表显示值与程控键盘或是计算机中显示值不一致时,应以标准表的显示值为准。
答案:正确14、检定员在检定过程中,发现电能表检定装置电压、电流输出不正常,应立即将输出降为零或按下急停开关。
答案:正确二、单选题1、电子式电能表的常数试验一般采用()。
A.计数转数法B.恒定负载法C.走字试验法D.以上都是答案:C2、在EMC试验时电子表所有需接地的部件()。
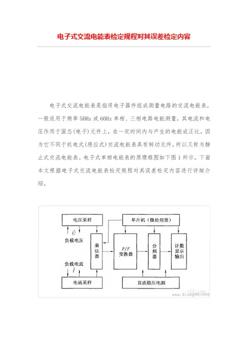
电子式交流电能表检定规程对其误差检定内容电子式交流电能表是指用电子器件组成测量电路的交流电能表,一般适用于频率50Hz或60Hz单相、三相电路电能测量,其电流和电压作用于固态(电子)元件上,在一定时间内与产生的电能成正比。
因为它不同于机电式(感应式)交流电能表具有转动元件,所以又称为静止式交流电能表。
电子式单相电能表的原理框图如下图1所示。
下面本文根据电子式交流电能表检定规程对其误差检定内容进行详细介绍。
图1:电子式单相电能表的原理结构图Tips:对于三相电子式电能表,各项电压、电流采样电路及其乘法器与电子式单相电能表相同,但在P/F变换器前需加求和电路,将各相乘法器输出信号相加后送到分频器变频。
一、电子式交流电能表测量误差限值要求在额定工作条件下,有功和无功电能表的基本误差限值应当满足下表1、表2规定的限值要求;如果电能表应用于测量双向电能,则表1和表2的规定适用于每一方向上的电能测量。
表1:单相电能表和平衡负载时三相电能表的基本误差限值表2:不平衡负载时三相电能表的基本误差限值二、电子式交流电能表额定测试负载点电子式交流电能表应当在不同的功率点进行误差检定,根据检定规程要求在额定频率和电压下一般按照下表3、4规定的调定负载点。
在不同功率因数下,按负载电流逐次减小的顺序测量基本误差。
如有特殊要求,可以视情况增加检定负载点。
表3:检定单相电能表和平衡负载下的三相电能表时应调定的负载点表4:不平衡负载时三相电能表分组检定时应调定的负载点三、电子式交流电能表检定方法1.标准表法检定电子式交流电能表用标准表法检定电能表要求标准电能表与被检电能表都在连续工作情况下,用被检电能表输出的脉冲(低频或高频)控制标准电能表计数来确定被检电能表的相对误差。
被检电能表的相对误差γ式1计算: (1)式中:m——实测脉冲数;m0——算定(或预置)的脉冲数,按式2计算。
(2)式中:N——被检电能表低频或高频脉冲数;C0——标准表的(脉冲)仪表常数,imp/kWh;CL——被检电能表的(脉冲)仪表常数,imp/kWh;KI,KU——标准表外接的电流、电压互感器变比。
一、判断题1、检定一块1.0级电能表时,在某一负载下重复测定3次所得相对误差的平均值为0.7501,经数据化整后误差的平均值是0.8。
答案:正确2、电子式电能表在电压回路加参比电压,电流回路中无电流时,安装式电能表在启动电流下产生一个脉冲的20倍时间内,测量输出应不多于1个脉冲。
答案:错误3、JJG596-1999规定0.5级电子式直通有功表在cosφ=1.0,0.05Ib时其误差不应超过±1.0%。
答案:正确4、电子式三相电能表的误差调整以软件调整为主。
答案:正确5、JJG596-1999规定,1.0级三相电子式电能表(包括直接接入电能表和经互感器接入电能表)启动电流是0.004倍标定电流。
答案:错误6、JJG596-1999也适用于感应式电能表的检定。
答案:错误7、电子式电能表具有精度高、线性好、量程宽等优点。
答案:正确8、安装式电子式电能表直观检查的项目之一是校核计度器示数。
答案:错误二、单选题1、使用中的0.2级电能表标准装置的检定周期不得超过()。
A.1年B.2年C.3年D.半年答案:B2、现场检验电能表时,当负载电流低于被检电能表标定电流的10%,或功率因数低于()时,不宜进行误差测定。
A.0.866B.0.5C.0.732D.0.6答案:B3、一只0.5级电能表的检定证书上,某一负载下的误差数据为0.30%,那么它的实测数据应在()范围之内。
A.0.29%~0.34%B.0.275%~0.325%C.0.251%~0.324%D.0.27%~0.32%答案:B4、在直观检查电子部件时,为防止()对电子部件的损坏,不得用手直接触摸电子元器件或用螺丝刀、指钳等金属部分触及器件和焊点。
A.静电放电B.灰尘C.感应电流D.振动答案:A5、3级无功电能表的化整间距为()。
A.0.05B.0.1C.0.2D.0.3答案:C6、化整间距为0.05时,以下化整错误的是:()。
A.1.025化整后为1.0B.1.03化整后为1.05C.1.01化整后为1.00D. 1.098化整后为1.1答案:D7、2级电子表在I=0.15Ib时的允许误差限为()%。
21.单相电子式电能表基本误差测量不确定度的评定(744-446)(一)条件和适用范围1、测量依据:JJG596-1999《电子式电能表检定规程》。
2、环境条件:温度(20±2)℃,湿度(60±15)%RH。
3、测量标准:单相电能表检定装置,规格(48~600)V,(0.1~100)A,扩展不确定度为0.01%,k=3。
4、被测对象:2.0级电子式单相电能表5、测量过程:装置输出一定功率给被检表,并对被检表采样积分,得到的电能值与装置输出的标准值比较,得到被检表在该功率时的相对误差。
6、评定结果的使用:符合上述条件的测量,一般可直接使用本不确定度的评定结果。
(二)评定步骤1、数学模型γ1=γ0式中:γ1——被检电能表的相对误差;γ0——单相电能表检定装置上测得的相对误差。
2、输入量γ0的标准不确定度的评定输入量γ0的标准不确定度u(γ0)的来源主要有两方面:(1)重复性和复现性条件下由被测电能表测量不重复引起的不确定度分项u(γ01),采用A类评定法;(2)单相电能表检定装置的误差引起的不确定度分项u(γ02),采用B类评定法。
2.1被测电能表测量不重复引起的不确定度分项u(γ01)的评定:该不确定度分项是由于被检表的测量不重复引起,可通过连续测量得到测量列,采用A 类方法评定。
对2.0级的被检表,在220V,10A功率因数为1.0时,各连续测量5次,得25组测量列,如下表:则x =0.006%,%027.0=R ,Σ%00381.02=s 合并样本标准差s p =ms∑2=0.01235%则重复性引起的标准测量不确定度为:()%01235.001==p s r u自由度ν(γ01)=m (n -1)=1002.2单相电能表检定装置的误差引起的不确定度分项u (γ02)的评定: 单相电能表检定装置的误差,由检定证书得:U =0.01%,P =99.73%,k =3u (γ02)=0.01%/3=0.00333%由于该装置由法定计量机械实施强检,对验证不可靠估计为10%,自由度ν(γ02)=502.3 标准不确定度u (γ0)的计算u (γ0)=[u 2(γ01)+u 2(γ02)]1/2=0.01279%2.4标准不确定度u (γ0)的自由度()1.1155000333.010001235.001279.04440=⎪⎪⎭⎫⎝⎛+=γν3、合成标准不确定度评定 3.1灵敏系数∵γ1=γ0∴c=әγ1/әγ0=13.2合成不确定度(γ0)的估算:u c2(γ1)=c2·u(γ0)u c(γ1)=c·u(γ0)=0.01279%3.3合成标准不确定度的有效自由度νeff=ν(γ0)=115.13.4扩展不确定度的判断评定取置信概率p=95%,自由度νeff=115.1,查t分布表并取整数100,得到:k p=t95(100)=1.984扩展不确定度:U95=k p u c(γ1)=1.984×0.01279%=0.025%4、不确定度报告2.0级电子式单相电能表在220V,10A时相对误差测量结果的扩展不确定度为:U95=0.025%,νeff=100,k p=1.984。
标准电能表测量不确定度评定[摘要]标准电能表不确定的评定在国家、行业和国网公司范围内无相应的标准,而现评定的标准电能表不确定度不统一,不确定度各分量考虑不全面,评定过程笼统,此次通过对各项误差源的分析,利用试验的方法对标准电能表的不确定来源进行分析和计算。
【关键词】标准电能表;不确定度来源分析;不确定度评定;合成计算引言当今评价测量仪器质量和测量结果时,通常是用误差大小来表示,误差小,说明测量仪器好。
但是,这种表示方法是存在着一个根本的问题,根据误差的定义,它等于测量值减去真值,而真值通常是不知道的。
所以,误差本身是不确定的,因此采用测量不确定度来评价测量结果已是趋势。
1、概述1.1测量依据:JJG596-1999《电子式电能表检定规程》。
1.2环境条件:温度(20±2)℃,相对湿度(60±15)%。
1.3测量标准:三相电能标准装置,测量范围:3×(57.7~380)V、3×(0.2~100)A,装置等级0.01级。
1.4被测对象:0.05级SZ-03A-K6三相标准电能表。
1.5测量过程:装置输出一定功率同时输入给标准表和被检表,在标准表和被检表都在连续运行的情况下,比较标准表和被检表输出的代表电能量的脉冲,从而得到被检表在该功率时的相对误差。
2、数学模型式中:y----被检标准电能表的相对误差(%)y0----三相电能标准装置测得的相对误差(%)3、不确定度来源和评定3.1A类不确定度A类不确定度,是按统计方法评定的不确定度。
设对某一量在同一条件下进行有限(n)次试验,根据贝塞尔公式,实验标准偏差s计算公式为在重复性条件下由被测标准电能表和标准装置测量不重复引起的不确定度分量,由于在不同负载电流和不同功率因数下标准电能表基本误差不同,因此在进行各输入量的标准不确定度评定时应针对不同的负载电流和功率因数作具体评定,对0.05级SZ-03A-K6型标准电能表,在三相四线有功3×57.7V,3×5A,功率因数为1.0时,在重复条件下进行连续测量10次,该测量结果为单次测量误差值,得到测量数据如表1所示。
电子式电能表检定作业指导书————————————————————————————————作者:————————————————————————————————日期:电子式电能表检定作业指导书1人员组织:两人以上作业,持有上岗证及电能表检定员证;一人操作,一人监护。
2工作条件:2.1检定工作场所应光线充足、清洁。
2.2检定各级电能表时条件及其偏差允许值应不超过JJG596-1999的规定。
2.3无可觉察的振动。
2.4无较强的电磁干扰,如电火花、辐射源等。
2.5检定三相电能表时,三相电流、电压相序应符合接线图的规定。
三相电流、电压系统应基本对称,对称度符合超过JJG596-1999的规定。
2.6用标准表法检定电能表所用的检定装置的误差以及装置对电能的测量误差和评定测量重复性的标准偏差估计值不超过JJG596-1999的规定。
2.7各监视仪表的准确度等级和各仪表常用示值的相对误差及每次测量期间的负载功率稳定度满足JJG596-1999的规定。
2.8确定日计时误差、时段投切误差和需量周期误差时,标准时钟的准确度应优于被检误差的1/10。
3 主要工、器具及材料:(1)万用表1块;(2)2、4寸十字螺丝刀各1把;(3) 2、4寸一字螺丝刀各1把;(4)尖嘴钳1把;(5)斜口钳1把;(6)镊子1把;(7)毛刷1把。
4检查校验设备的控制部分、调节部分、监视部分、电源并比对设备。
5直观检查被试表是否符合规定。
6潜动试验:电压回路加参比电压(对三相电能表加对称的三相参比电压),电流回路中无电流时,电子式电能表在启动电流下产生1个脉冲的10倍时间内,输出不得多于一个脉冲。
7启动试验:标准电能表和安装式电能表,在参比电压、参比频率和功率因数为1的条件下,负载电流升到下表的规定值后,标准电能表应启动并连续累计计数,安装式电能表应有脉冲输出或代表电能输出的指示灯闪烁。
电能表启动电流被检表准确度等级0.2级0.5级 1.0级 2.0级启动电流值0.001Ib 0.001Ib 0.004Ib、(0.002Ib) 0.005Ib、(0.003Ib)注:()内的电流值适用于经互感器接通的电能表;如果电能表用于双向电能,则将电流线路反接,重复上述试验。
对JJG596-1999《电子式电能表》检定规程的修改建议袁伟武
【期刊名称】《中国计量》
【年(卷),期】2005()2
【总页数】1页(P29-29)
【关键词】电子式电能表;标准电能表;三相交流电;校验;检定;使用过程;规程;质检部门;厂家;公司
【作者】袁伟武
【作者单位】长沙威胜电子有限公司计量室
【正文语种】中文
【中图分类】T-65;TM933.4
【相关文献】
1.电子式电能表新旧检定规程对比分析 [J], 陈赐
2.电子式电能表检定规程新旧版本分析和理解 [J], 李广岩
3.《电子式交流电能表检定规程》宣贯会在宁召开 [J], ;
4.JJG596-2012《电子式交流电能表》检定规程解读 [J], 唐虹;顾亮;
5.JJG 842-2017 《电子式直流电能表》检定规程解读 [J], 张敬波
因版权原因,仅展示原文概要,查看原文内容请购买。
电子式电能表检定作业指导书
杨丽云;王庆生
【期刊名称】《今日财富:金融发展与监管》
【年(卷),期】2011(000)009
【摘要】<正>一、目的为了确保电子式电能表检定工作的规范进行,特制定本作业指导书。
二、适用范围适用于新生产、修理后和使用中的额定频率为50Hz 或60Hz的、电子式2.0级及以下电能表的检定。
三、制定依据JJG596-1999《电子式电能表检定规程》四、标准装置及辅助设备1、0.1级交流电能表检定装置
【总页数】1页(P82-82)
【作者】杨丽云;王庆生
【作者单位】河南省林州市质量技术监督检验测试中心
【正文语种】中文
【中图分类】TM933.4
【相关文献】
1.电子汽车衡的检定作业指导书 [J], 顾世双
2.电子汽车衡赴现场检定作业指导书 [J], 高天东
3.售油器检定作业指导书 [J], 李静
4.压缩天然气加气机检定/校准作业指导书 [J], 姚珍;邓光峰
5.煤矿用高低浓度甲烷传感器检定/校准作业指导书 [J], 吕乃侠;邓光峰
因版权原因,仅展示原文概要,查看原文内容请购买。
山东省电力研究院计量检测中心范巧成本文经过对国家计量检定规程JJG596-1999《电子式电能表》(以下简称规程)相关标准偏差估量值这一指标测量分析, 提出了测量这一指标时标准表最少累计数字与基础误差检定时标准表最少累计数字要求是不一样, 前者应为后者10倍。
一、问题提出原国家计量检定规程JJG596-1989《电子式电能表》中, 相关标准偏差估量值测量在规程第17款要求:“在额定电压、额定频率和标定电流下, 对功率因数为1和0.5(L)两个负载点分别做不少于5次相对误差测量, 然后按下式计算标准偏差估量值s(%)。
式中:n——对每个负载点进行反复测量次数, n≥5; γi——第i次测量得出相对误差(%); γ——各次测量得出相对误差平均值(%)。
即:计算标准偏差估量值时, 要用化整后相对误差γ(%)来计算。
”新规程JJG596-1999《电子式电能表》对该款作了修改, 将最终一段“计算标准偏差估量值时, 要用化整后相对误差r(%)来计算。
”删掉, 也就是说计算标准偏差估量值时, 无须对测量到各次相对误差r(%)化整, 而直接代入上式计算, 这一改动是符合数据运算规则和微小误差取舍准则。
不过, 这里还忽略了一个问题, 那就是标准表累计脉冲数没有另作限定, 还是使用了测定基础误差时对标准表累计脉冲数限定(见规程表20), 笔者认为这一限定是不够, 不能满足标准偏差估量值这一指标测量要求。
二、理论分析与数据比较计量器具尤其是计量标准, 其标准偏差估量值是一个相对很小数值, 通常为其许可误差(或扩展不确定度)1/5~1/10, 规程表9和表10中要求了标准电能表标准偏差估量值许可值为其基础误差绝对值1/10, 安装式电能表标准偏差估量值许可值为其基础误差绝对值1/5。
对这一指标测量所选择计量标准和测量装置, 其标准偏差估量值s n相对于被测计量器具标准偏差估量值s x是可忽略, 通常s n应为s x1/3~1/10, 不然测量出标准偏差估量值s就不能说是被测对象标准偏差估量值, 而是标准和被测二者之和, 且标准占了一大部分, 这一点在规程表14中已作了明确要求。
电子式电能表检定规程本规程适用于新和产、使用中和修理后,额定频率为50Hz或60Hz,利用电子元(器)件的特性测量交流有功电能量的电子式电能表(以下简称电能表)的检定。
这些电能表包括标准电能表和安装式电能表。
本规程不适用于感应式电能表的检定。
1技术要求1.1外观受检电能表上的标志应符合国家标准或有关技术标准的规定,至少应包括以下内容:厂名;计量器具许可证纺编号;出厂编号;准确度等级;脉冲常数;额定电压;基本电流及额定最大值。
1.2基本误差1基本误差以相对误差的百分数表示。
在本规程2.1规定的条件下,电能表的基本误差极限值(简称基本误差限)不得超过表1至表4的规定。
表1 单相和三相(平衡负载)标准电能表的基本误差限表3 单相和三相(平衡负载)安装式电能表的基本误差限表4 不平衡负载时三相安装式电能表的基本误差限1.2.2在检定周期内,电能表的基本误差值不得超过表1至表4的规定。
标准电能表在检定周期内基本误差改变量的绝对值不得超过基本误差限的绝对值。
1.2.3标准电能表在24h内的基本误差改变量的绝对值不得超过基本误差限绝对值的1/5。
1.2.4从预热时间结束算起,标准电能表连续工作8h,基本误差不得超过基本误差限,且基本误差改变量的绝对值不得超过表5的规定。
表5 标准电能表连续工作8h的允许基本误差改变量1标准电能表应具有(配有)电能值或高频脉冲数的显示,也可有高频和低频脉冲输出。
高、低频脉冲均应为一定幅值的矩形波,要给出高频和低频脉冲输出的脉冲常数C H (P H/kW·h)和C L(P L/kW·h),并要使显示与脉冲输出所代表的电能值一致。
1各级标准电能表,在输入为额定功率时,高频脉冲频率F H(Hz)不得低于表6的规定。
表6 标准电能表在额定输入功率下的高频脉冲频率F H值1.3.1.2各级标准电能表显示位数和显示其被检表误差的分辨率不得少于表7的规定。
表7 标准电能表显示器的显示位数和显示其被检表误差的分辨率1.3.2安装式电能表应具有电能值(kW·h)显示,并应有供测量误差的脉冲输出。
要给出脉冲常数C(P/ kW·h)。
要使显示与输出脉冲的关系与铭牌上的标志一致。
1.3.3电能表显示器要能够复零。
当为自动复零(或自动转换显示内容)时,每个量值的显示时间不得少于3s。
注:P H——标准电能表的高频脉冲;P L——标准电能表的低频脉冲;P——安装式电能表的脉冲。
1.4控制在标准电能表中(或显示器中)应有接收控制脉冲(时间脉冲和电能脉冲)的功能,以控制累计电能的启动和停止。
1.5启动、潜动和停止1在参比电压、参比频率及功率因数为1的条件下,在负载电流不超过表8的规定时,单相标准电能表应启动并累计计数,安装式电能表应有脉冲输出或代表电能输出的指示灯闪烁。
2电压回路加参比电压,电流回路无电流时,安装式电能表在启动电流下产生一个脉冲的10倍时间内,测量输出应不多于1个脉冲。
1.5.3当用某种方法使电能表停止计数时,电能表显示数字应稳定不变。
1.6工频耐压和绝缘电阻1电能表在室温和空气相对湿度不大于80%的条件下,电压端子、电流端子和参比电压大于40V的辅助线路端子对机壳和机壳外可触及的金属部位之间,应能承受频率为50Hz实际正弦波交流电压2kV(有效值)历时1min的试验。
2标准电能表在允许使用的温度范围内,在相对湿度不大于80%的条件下,输入端子和辅助电源端子对机壳(或同机壳相连的接地端子),输入端子对辅助电源端子的绝缘电阻应不低于100MΩ。
测量的重复性电能表在参比电压、参比频率下,对每个测量点做不少于5次测量时,按各测量结果计算的标准偏差估计值S(%)应不超过表9和表10的规定。
表10 安装式电能表的标准偏差估计算1.8日计时误差和时段投切误差多功能安装式电能表(含复费率表),日计时误差应不超过0.5s/d,时段投切误差应不大于5min,并应备有供方便地检测日计时误差和时段投切误差的检测部位(任一预置时段起始或中止时间与实际时间的差值简称时段投切误差,其允许值含累计日计时误差和时间预置误差)。
1.9需量示值误差多功能安装式电能表,需量示值误差以相对误差表示,在参比电压、参比频率、cosφ=1.0时,当I=0.1 I b-I max,其需量误差(%)应不大于规定的准确度等级值。
1.10需量周期误差多功能安装式电能表的需量周期误差应不超过需量周期的1%。
在需量周期更替时应给出供检测的必要信息。
2检定条件2.1检定电能表时应具备的基本条件2.1.1检定各级电能表时的标准条件及其偏差允许值应不超过表11的规定.表11 标准条件及其允许偏差2.1.2无可觉察动的振动.2.1.3无较强的电磁辐射干扰,如电火花,辐射源等.2.1.4检定三相电能表时,三相电压,电流相序应符合接线图规定.三相电压,电流系统应基本对称,对称程度应符合表12的规定.表12 三相电压和电流系统的对称条件2.2确定电能测量基本误差的检定装置2.2.1用”瓦秒法”或”标准表法”检定电能表时所使用的检定装置,对电能表的测量误差和评定测量重复性的标准偏差估计值不得超过表13和表14的规定.表14 检定装置允许的标准偏差估计值S(%)2.2.2监视仪表的准确度等级应不低于表15的规定.各仪表常用示值的相对误差应满足表11和表12的要求.电压表,电流表和功率表的测量误差,包括电压,电流互感器的误差.表15 监视仪表2.2.3在每次测量期间,负载功率稳定度应不低于表16的要求.2.2.4检定装置的其他技术指标,应满足表11和表12中的有关规定.2.3标准时钟的准确度确定日计时的误差,时段投切误差和需量周期误差时,标准时钟的准确度应优于被检误差的1/10.2.4确定需量误差时的检定条件确定需量误差时,检定条件与确定电能测量基本误差检定条件相同.3检定项目3.1标准电能表检定项目a)工频耐压和绝缘电阻试验;b)直观检查和通电检查;c)启动和停止试验;d)确定基本误差e)确定标准偏差估计值;f)确定24h变差(在必要时做);g)确定8h工作基本误差改变量(在必要时做)。
3.2安装式电能表检定项目a)工频耐压试验;b)直观检查和通电检查;c)启动、潜动试验;d)校核计度器示数;e)确定电能测量基本误差;f)确定电能测量标准偏差估计值;g)确定日计时误差和时段投切误差;h)确定需量误差;i)确定需量周期误差。
4检定方法4.1工频耐压和绝缘电阻试验要对新生产和修理后的电能表进行工频耐压和绝缘电阻试验.4.1.1试验电压应满足1.6.1的要求.41.2耐压试验装置额定输出应不少于500V A,且能平稳地将试验电压从零升到规定值.试验电压应为实际正弦波.4.1.3试验中参比电压不大于40V的辅助线路应接地.2kV试验电压的一端加在所有连接在一起的电压端子,电流端子和所有参比电压大于40V的辅助端子上,另一端加在从电能表外面可触及到的金属部位和外壳的接地端钮上(如果电能表外壳是绝缘的,则加在外壳置于导电板上).4.1.4试验电压应在(5~10)S内平稳地由零升到规定值并保持1min ,然后以同样速度降到零.试验结果是绝缘应不被击穿,试验后电能表应能正常工作.4.1.5对标准电能表进行绝缘电阻试验时,可用1000V的绝缘电阻测试仪测试其绝缘电阻,结果应符合1.6.2的要求.4.2直观检查和通电检查4.2.1直观检查应检查下列项目,若有不合格应停止检定.a)标志是否完全,字迹是否清楚;b)开关,旋钮,拨盘等换档是否正确,外部端钮是否损坏;c)标准电能表是否备有控制累计电能启动和停止功能(或装置);d)安装式电能表有没有防止非授权人输放数据或开表操作的措施.4.2.2通电检查应检查下列项目,若有不合格应停止检定.a)显示数字是否清楚,正确.b)标准电能表显示位数和显示其被检表误差的分辨率是否符合表7的规定;c)显示能否回零,显示时间和内容是否正确,齐全.d) 标准电能表在额定输入功率下,高频脉冲输出频率是否符合表5的规定; e) 基本功能是否正常. 4.3启动,潜动和停止试验4.3.1单相标准电能表和安装式电能表,在参比电压,参比频率和功率因数为1的条件下,负载电流升到表8的规定值后,标准电能表应启动连续累计计数,安装式电能应有脉冲输出或代表电表输出的指示灯闪烁.如果电能表用于测量双向电能,则将电流线路反接,重复上述试验.4.3.2电压回路加参比电压(对三相电能表加对称的三相参比电压),电流回路中无电流时,安装式电能表在启动电流下产生1个脉冲的10倍时间内,输出不得多于1个脉冲.4.3.3标准电能表启动并累计计数后,用控制脉冲或切断电压使它停止计数,显示数字应保持3S 不变化. 4.4校核计度器示数安装式电能表在确定基本误差之后要校核计度器示数. 4.4.1计读脉冲法安装式电能表在参比电压下,通以额定最大电流,功率因数为1.0,当显示器改变0.1kW·h 时,(无小数位时为1kW·h)输出脉冲N 应和式(1)计算值相同(允许有1个脉冲的误差). N=b·c (1) 式中:b-----显示器有小数位时,b=0.1,无小数位时b=1;C-----电能表常数(P/kW·h).若标明的常数单位不同,可按表17换算表17 电能表常数换算表周期检定时,对标志完全相同的一批电能表达式,可在确定基本误差之后一起校核计度器示数。
首先选用两只误差较稳定的电能表作为参照表,再将各表的同相电流线路串联,电压线路并联,加额定最大负载,当计度器末位改变不少于10个数字时,参照表与其他表的示数(通电前后示值之差)应符合式(2)要求。
5.110000≤+⨯-=γγD D D i 倍基本误差限 (2)式中D 0——两只参照表示数的平均值;r 0——两只参照表相对误差的平均值(%);D i ——第I 只被检电能的示数(I=1,2,3,……,n )。
4.4.3标准表法对标志完全相同的一批电能表,可用一台标准电能表校核计度器示数。
将各被检表与标准表的同相电流线路串联,电压线路并联,加额定最大负载运行一段时间。
停止运行后,按式(8)计算每个被检表的误差r (%),要求r (%)不超过基本误差限。
此时,式(8)中各符号的含义为: r 0——标准表的已定系统误差;W ’——每台被检表停止运行与运行前示值之差(kW·h ); W ——标准电能表显示的电能值(换算成kW·h )。
在此,要使标准表与被检表同步运行,运行的时间要足够长,以使得被检表计度器末位一个字(或最小分格)代表的电能值与所记录的W ’之比(%)不大于被检表等级值的1/10。
若标准电能表显示位数不够多,可用计数器记录标准表的输出脉冲数m 。