sap2000算例-板
- 格式:pdf
- 大小:783.96 KB
- 文档页数:36
SAP2000混凝⼟壳、混凝⼟板的配筋设计C OMPUTER AND S TRUCTURE, I NC., J ANUARY 2014技术说明混凝⼟壳的配筋设计背景SAP2000软件实现了混凝⼟壳的配筋设计,依据的原理是DD ENV 1992-1-1 1992 Eurocode 2:Design of Concrete Structures。
通常,板壳单元具有⼋个内⼒结果。
采⽤软件的术语,它们分别是:三个膜内⼒分量:f11、f22和f12两个弯矩分量:m11和m22⼀个扭矩分量:m12两个横向剪⼒分量:v13和v23。
基于设计⽬的,程序将板壳视为由两层以钢筋层中⼼⾯的外层和⼀层⾮开裂的核⼼混凝⼟层所构成,也称为“三明治模型”。
三明治模型的表⾯(即外层)假定承受弯矩和膜内⼒,横向剪⼒由核⼼层承担,如图1所⽰。
软件的设计算法假定核⼼层不出现斜裂缝,这样核⼼层处于纯剪状态,因此横向剪⼒不会对三明治表⽪的平⾯内⼒造成影响。
所以,不需要横向钢筋,⽽且⾯内钢筋也不会由于考虑横向剪⼒⽽增加。
软件按下述步骤来进⾏混凝⼟壳设计:图1:板壳单元——三明治模型1.如图1所⽰,板壳的两个外层位于钢筋层的中⾯。
2.每个层厚度取为下⾯的较⼩值:两倍于到钢筋中⼼的混凝⼟保护层厚度两倍于板中⼼⾯⾄钢筋中⼼的距离3.六个合成内⼒,f11、f22、f12、m11、m22和m12,转换为纯膜内⼒N11、N22和N12,分别作⽤在顶部和底部的钢筋层中⼼⾯。
从⼒矩到⼒的转换中,⼒臂取为外部钢筋层的距离。
4.根据Eurocode 2-1992的规定对每⼀层进⾏计算:钢筋内⼒ND es1和ND es2,混凝⼟主压⼒Fc1和Fc2,混凝⼟主压应⼒Sc1和Sc2。
5.钢筋内⼒转换成单位宽度的钢筋⾯积Ast1和Ast2,采⽤相应的钢筋应⼒和应⼒折减系数。
内⼒转换为等效膜⼒的基本⽅程对于给定的混凝⼟壳单元,变量?、Ct1、Ct2、Cb1和Cb2都是常数,是由⽤户指定的单元截⾯属性。
SAP2000(2维)学习体会一、研究图纸,选取适当的断面进行2维计算。
构件的长度一般为每个构件中线到中线的距离。
二、绘制计算简图————————————————CAD建立几何模型在CAD中绘制平面框架计算简图,计算跨度、高度取构件中心间距,需要注意的有以下几项:1、将每跨度、高度范围内的构件绘制为一个线单元,在导入程序后会自动生成节点;2、不要在“0”图层绘制,需新建一图层进行绘制,图层名可自定义。
计算简图绘制完毕后另存为.dxf文件。
3.画图应以米为单位。
4.曲线,应分段为直线,再导入。
三、导入.dxf文件1、打开SAP2000程序,在导入.dxf文件之前,先将右下角的单位一栏里的默认单位制改为“KN,m,C”,否则导入文件后会造成节点处出错;2、选择“文件-导入-AutoCAD.dxf文件”菜单导入.dxf文件,在随之打开的菜单中选择坐标系向上方向为“Y”方向,由于上步已将单位制改为“KN,m,C”,此步中不需再做修改,直接确定;下一选框中frame应选中图层名称。
3、导入完成后点击“XZ”视角,即可看见计算简图。
4、也可以在SAP里面直接画图,点击“绘制特殊节点”先画出需要的节点,然后点击“绘制框架/索单元”,选择不同的截面连接框架。
四、定义材料点击“定义-材料”,在对话框中选择“CONC”(混凝土),点击“添加新材料”,在“材料属性数据”对话框中,填写各项参数如下:材料名称:C35 材料类型:各向同性密度:2.5 T/m3重度:25 KN/m3弹性模量:31500000 KN/㎡泊松比:0.2热膨胀系数:1.000E-05 剪切模量:13125000设计类型:Concrete(混凝土)fcuk:35000 KN/㎡(立方体抗压强度标准值)fyk;335000 KN/㎡ fyks:335000 KN/㎡C45除以下两项与C30不同外,其余均与C30相同:弹性模量:33500000 KN/㎡ fcuk:45000 KN/㎡五、定义框架截面点击“定义-框架截面”,在“框架属性”对话框中选择“Add Rectangular”(添加矩形截面),点击“添加新属性”,在弹出的对话框中定义截面名称、材料、深度、宽度:1、截面名称自定义,为方便好记,可取拼音定义,如顶板取名为“DINGBAN”;2、材料根据真实设计信息选择C30、C45或其它;3、深度即为构件的厚度,按真实设计信息填写。
SAP2000学习提纲一、SAP2000简介SAP2000是基于有限元法的结构分析软件,在SAP2000三维图形环境中提供了多种建模、分析和设计选项,且完全在一个集成的图形界面内实现。
建模简单、形象,建立结构几何模型的同时也建立了结构的有限元模型。
二、有限元分析方法通俗地说,有限元法就是一种计算机模拟技术。
有限元法最初的思想是把一个大的结构划分为有限个称为单元的小区域,在每一个小区域里,假定结构的变形和应力都是简单的,小区域内的变形和应力都容易通过计算机求解出来,进而可以获得整个结构的变形和应力。
有限元法中的相邻的小区域通过边界上的结点联接起来,可以用一个简单的插值函数描述每个小区域内的变形和应力,求解过程只需要计算出结点处的应力或者变形,非结点处的应力或者变形是通过函数插值获得的,换句话说,有限元法并不求解区域内任意一点的变形或者应力。
三、SAP2000建模的基本步骤1、SAP2000坐标系SAP2000坐标系为右手坐标系。
整体坐标记为x,y,z三个方向轴是互相垂直的并且满足右手准则。
SAP2000总是假设z轴是垂直轴,自重总是沿-z方向作用。
SAP2000以1,2,3轴表示单元局部坐标系。
整体坐标系的作用:1)节点坐标的确定;2)节点约束信息;3)节点荷载;4)整体方程组的建立;5)节点位移输出。
局部坐标系的作用:1)单元刚度方程的建立;2)单元材料特性和截面几何特性;3)单元荷载的输入;4)结构的内力输出。
2、模型对象尽量与实际构件一致,尽量按照实际情况输入。
设置单位制建模方式一:模板建模CAD保存为dxf文件,再将dxf文件导入SAP2000设置轴网定义材料定义截面绘制模型施加支座约束定义荷载工况定义组合运行结构分析分析结果输出3、建模之前首先选定单位制。
4、简单模型尽量由SAP2000直接建模;若用CAD建模,文件须保存为dxf文件,且使dxf文件中的图形位于坐标原点,且使图形坐标轴与SAP2000整体坐标系一致。
SAP2000算例及学习心得摘要:SAP2000程序是由加州大学伯克利分校Edwards Wilson教授创始的Structure Analysis Program系列程序发展而来的,是独立的基于有限元的结构分析和设计程序。
SAP至今已经有许多版本面世,SAP2000是这些新一代程序中最新也是最成熟的产品。
SAP2000可以用于框架单元和壳单元的结构分析,因此我学习了sap2000并且提供一份框架设计算例。
关键词:SAP2000;算例;学习心得一、问题描述根据规范确定由DL、LL和EQ荷载引起的抗弯钢框架应力比。
钢材料E=29000, 泊松比=0.3;底部铰接,所有梁-柱连接为刚性。
其中梁:Hw400X400X11X18, Fy=34.5柱:Hw300X300X10X15, Fy=34.5。
所有梁的跨间荷载为:恒载为1.0 (不包括钢构件的自重),活载为0.5;侧向荷载(地震)如图所示。
框架无支撑长度,假设每层柱子在楼板位置有侧向支撑,假设梁在中心10英尺处设支撑。
二、模型建立1.点击文件菜单--新模型命令,进入新模型对话框。
2.点击下拉框设置单位为Kip,ft,F。
3.点击“二维框架”按钮,显示”二维框架对话框。
在此对话框中:在“二维框架类型”下拉菜单中选择”Portal(门式框架);在“层数”编辑框内输入3;在“跨数”编辑框内输入3;接受“层高”编辑框内的默认值12;在”跨度”编辑框内输入20。
点击在梁和柱下拉列表旁边的“+”(加号),进入“框架属性”对话框。
点击”导入新属性”按钮,进入”导入框架截面属性”对话框。
在”框架截面属性”下拉列表中选择”Steel(钢材),点击”工字钢”按钮,进入”截面属性数据”对话框。
”选择”Chinese.pro文件,点击打开按钮,将显示可用的截面数据库对话框。
点击材料下拉列表旁边的”+”(加号),进入”定义材料”对话框。
点击”快速添加新材料”按钮进入”快速定义新材料”对话框。
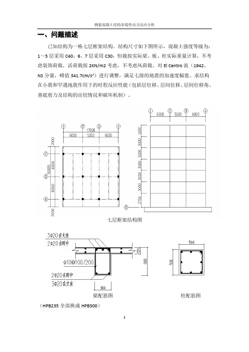
一、问题描述已知结构为一栋七层框架结构。
结构尺寸如下图所示,混凝土强度等级为:1~5层采用C40;6、7层采用C30,恒载按实际梁、板、柱实际重量计算,不考虑装饰荷载,活荷载按2KN/m2考虑,不考虑风荷载。
对El Centro波(1942,NS分量,峰值341.7cm/s2)进行调整,满足七级的地震的加速度幅值。
求结构在小震和罕遇地震作用下的时程反应性能(包括层位移、层间位移、层间位移角、基底剪力及结构的出铰情况和破坏机制)。
七层框架结构图梁配筋图柱配筋图(HPB235全部换成HPB300)二、模型建立2.1建立初步模型打开sap2000,把系统单位设置为,创建新模型,选择三维框架,在对应空格如下填写模型基本数据:勾选(使用定制轴网间距和原点定位),编辑轴网,按题目模型要求设置,并指定底层节点约束为固端。
2.2定义材料选择定义—》材料—》快速添加材料,添加C30、C40混凝土和HRB335、HPB300钢筋,由于方法类似,这里只给出HRB335图片:2.3 框架截面的定义、指定、剖分这里的截面包括不同尺寸,不同配筋,不同混凝土强度,不同位置的各种截面。
根据一到五层的混凝土强度等级不同,边梁和主梁的楼板加强作用不同,主梁和次梁的截面尺寸不同,总共可以划分为以下八种不同截面:(1)一到五层的中间主梁(B-300X500-D-C)(2)六到七层的中间主梁(B-300X500-G-C)(3)一到五层的中间次梁(B-300X450-D-C)(4)六到七层的中间次梁(B-300X450-G-C)(5)一到五层的边次梁(B-300X450-D-S)(6)六到七层的边次梁(B-300X450-G-S)(7)一到五层的柱子(C-D)(8)六到七层的柱子(C-G)例如:选择定义—》截面属性—》框架属性—》添加新属性—》concrete—》矩形:把截面名称改为B-300X500-D-C:选择属性修正,把中梁的绕3轴惯性矩修正为2:选择配筋混凝土,给梁配上钢筋:同样的方法设置好柱的截面和配筋:定义好框架截面属性后把各个截面类型指定给其对应的构件,并指定自动剖分。
精品文档考试教学资料施工组织设计方案一、问题描述已知结构为一栋七层框架结构。
结构尺寸如下图所示,混凝土强度等级为:1~5层采用C40;6、7层采用C30,恒载按实际梁、板、柱实际重量计算,不考虑装饰荷载,活荷载按2KN/m2考虑,不考虑风荷载。
对El Centro波(1942,NS分量,峰值341.7cm/s2)进行调整,满足七级的地震的加速度幅值。
求结构在小震和罕遇地震作用下的时程反应性能(包括层位移、层间位移、层间位移角、基底剪力及结构的出铰情况和破坏机制)。
1七层框架结构图梁配筋图柱配筋图(HPB235全部换成HPB300)二、模型建立2.1建立初步模型打开sap2000,把系统单位设置为,创建新模型,选择三维框架,在对应空格如下填写模型基本数据:并指定底层节点约束为固端。
22.2定义材料选择定义—》材料—》快速添加材料,添加C30、C40混凝土和HRB335、HPB300钢筋,由于方法类似,这里只给出HRB335图片:2.3 框架截面的定义、指定、剖分这里的截面包括不同尺寸,不同配筋,不同混凝土强度,不同位置的各种截面。
根据一到五层的混凝土强度等级不同,边梁和主梁的楼板加强作用不同,主梁和次梁的截面尺寸不同,总共可以划分为以下八种不同截面:(1)一到五层的中间主梁(B-300X500-D-C)(2)六到七层的中间主梁(B-300X500-G-C)3(3)一到五层的中间次梁(B-300X450-D-C)(4)六到七层的中间次梁(B-300X450-G-C)(5)一到五层的边次梁(B-300X450-D-S)(6)六到七层的边次梁(B-300X450-G-S)(7)一到五层的柱子(C-D)(8)六到七层的柱子(C-G)例如:选择定义—》截面属性—》框架属性—》添加新属性—》concrete—》矩形:把截面名称改为B-300X500-D-C:选择属性修正,把中梁的绕3轴惯性矩修正为2:45选择配筋混凝土,给梁配上钢筋:同样的方法设置好柱的截面和配筋:定义好框架截面属性后把各个截面类型指定给其对应的构件,并指定自动剖分。
1一、问题描述已知结构为一栋七层框架结构。
结构尺寸如下图所示,混凝土强度等级为:1~5层采用C40;6、7层采用C30,恒载按实际梁、板、柱实际重量计算,不考虑装饰荷载,活荷载按2KN/m2考虑,不考虑风荷载。
对El Centro 波(1942,NS 分量,峰值341.7cm/s 2)进行调整,满足七级的地震的加速度幅值。
求结构在小震和罕遇地震作用下的时程反应性能(包括层位移、层间位移、层间位移角、基底剪力及结构的出铰情况和破坏机制)。
七层框架结构图梁配筋图 柱配筋图(HPB235全部换成HPB300)2二、模型建立2.1建立初步模型打开sap2000,把系统单位设置为,创建新模型,选择三维框架,在对应空格如下填写模型基本数据: 勾选(使用定制轴网间距和原点定位),编辑轴网,按题目模型要求设置,并指定底层节点约束为固端。
2.2定义材料选择定义—》材料—》快速添加材料,添加C30、C40混凝土和HRB335、HPB300钢筋,由于方法类似,这里只给出HRB335图片:2.3 框架截面的定义、指定、剖分这里的截面包括不同尺寸,不同配筋,不同混凝土强度,不同位置的各种截面。
根据一到五层的混凝土强度等级不同,边梁和主梁的楼板加强作用不同,主梁和次梁的截面尺寸不同,总共可以划分为以下八种不同截面:(1)一到五层的中间主梁(B-300X500-D-C)(2)六到七层的中间主梁(B-300X500-G-C)(3)一到五层的中间次梁(B-300X450-D-C)(4)六到七层的中间次梁(B-300X450-G-C)(5)一到五层的边次梁(B-300X450-D-S)(6)六到七层的边次梁(B-300X450-G-S)(7)一到五层的柱子(C-D)(8)六到七层的柱子(C-G)例如:选择定义—》截面属性—》框架属性—》添加新属性—》concrete—》矩形:把截面名称改为B-300X500-D-C:34选择属性修正,把中梁的绕3轴惯性矩修正为2:选择配筋混凝土,给梁配上钢筋:同样的方法设置好柱的截面和配筋:5定义好框架截面属性后把各个截面类型指定给其对应的构件,并指定自动剖分。
题目一:不同荷载的作用及工况的考虑。
计算图1所示三个单元和四个结点的静定刚架,在不同荷载作用下的结点位移和内力图。
E 2.25 107KN / M 2自重23KN/M3工况2整体坐标系下的分布及集中荷载工况3整体坐标系下节点荷载2m 4m78KN75KN*M30KN/M工况一:结构自重工况4整体坐标系下均布荷载工况5局部坐标系下单元均布荷载工况6局部坐标系下单元均布荷载工况7局部坐标系下集中荷载荷载一、建立模型:1、选择计算量纲为KN,m,C。
2、点击File T New Model,出现摸板图案宀点击Beam,在数据输入编辑器中输入:跨度数=2 , 每一跨长度=5 T确定Restraints 没有勾选T OK并叉掉三维显示窗口。
3、选中右边杆件T从Edit菜单中选Replicate出现复制菜单窗口T单击Radial T选中Parallel toY T在Angle里填入90度(另一个-36.87度)T然后删掉右边单元。
4、选中左边单兀的左端点T按鼠标右键出现点的信息T将X坐标改成-2。
二、从定义菜单Defi ne中完成以下工作:1. 定义材料:Define T Material T选钢STEEL T点击Modify/Show Material 可查看有关钢的弹性模量及泊松比,修改钢的弹性模量为 E 2.25 107KN /M 2.2. 定义截面。
Define T Frame Sections T Add/Wide Flange 下选择Add Rectangular T AddNew Property T用默认名在Material 域选Steel T在Dimensions 域Depth 和Width 都改成0.3。
》点OK。
3. 定义计算荷载的工况,Define T Load Case T程序默认工况名为:DEAD,用其默认值T OK。
三、从赋值菜单Assign中完成以下工作:1、修改约束:选中点3 T Assig n T Joi nt T Joi nt Restrai nts 中只对Tran slatio n1 打勾T OK。
结构分析报告课程名称:弹性力学与有限元班级:土木1404班学号:26姓名:叶柏凡指导老师:郭光林2016 年12月 18 日(1)模型建立模型为梁柱结构,其中梁:Hw400X400X11X18, 柱:Hw300X300X10X15, 材料为Q345钢,E=29000, 泊松比=0.3。
底部铰接,所有梁柱连接为刚性。
恒载为1.0 (不包括钢构件的自重),活载为0.5。
分析其由DL、LL和EQ荷载引起的抗弯钢框架应力比。
(二)定义荷载定义荷载“EQ”,横载1.0,活载0.5,作用在模型中所有梁。
定义节点荷载:指定节点4“全局X轴向力”,大小为40,指定节点3“全局X轴向力”,大小为20,指定节点2“全局X轴向力”,大小为10.(三)结构分析设计校核完成后,显示钢构件的P-M应力比。
显示轴向力:显示剪力:显示弯矩:显示变形形状:(五)学习心得SAP2000是SAP ( Structural Analysis Programs )系列程序功能最为强大的Windows版本,是一个最具集成化、高效率的三维静、动力结构分析软件。
为了能在以后的学习研究中更好的解决问题,研究结构变形等一系列问题,我在这四周认真学习了SAP200的基本操作,并且独立完成一份算例得到分析结果。
通过学习我知道了SAP2000计算分析包括以干内容:静力(线性和非线性)分析(这是最常见的分析类型,其特点是荷载施加不包括动力效应,也不考虑惯性力的影响,同时内力、位移又不是时间的函数);动力地震分析和静力Pushover 分析;移动荷载作用下的分析(影响线绘制、最不利荷载位置确定及最大值的计算);桥梁车辆活荷载分析;几何f非统性,包括P-Delta 和大变形效应;阶段(增堪)施工;徐变、收缩和老化效应;弹性屈曲分析;稳态和功能谱密度分析。
其中非统性分析的结果一般不能叠加,而是所有荷载在结构上的作用应该在分析的工况下合成。
非线性分析可以连在一起表示复杂荷载顺序。
SAP2000案例一、模型简介原有钢筋混凝土框架结构为一教学实验楼 ,长39.6m ,宽 15m ,房间开间为3.6m ,进深为 6m ,底层层高 4.5m ,其他层层高3.6m 。
结构平面布置如图 1 所示。
上两层为加层轻型钢节后,原框架混凝土 C35 , 弹性模量 E =3.15e10 , 泊松比 ν=0.2 ,密度 ρ=2500 。
加层钢结构Q235B , 设计强度 f =215MPa ,弹性模量 E =2.06e11 ,泊松比 ν=0.3 ,密度 ρ=7850 。
为防止加层钢结构整体失稳 , 在中间跨添加十字形柱间支撑。
原钢筋混凝土框架及钢结构构件截面见表 1 ,其中Z 、L1 、L2 为原混凝土柱、梁 ,GZ 、GL 、ZC 为加层钢柱 、钢梁 、柱间支撑。
楼面附加恒荷载为1.5kN /m2 ,活荷载为 2kN /m2 ;屋面活荷载为0.5kN /m2 。
每层楼受到一个100kN /m2的集中力荷载。
图1 结构平面布置图 表1 原钢筋混凝土框架及钢结构构件截面二、模型建立1.确定模板参数2.编辑轴网3.定义材料混凝土钢材4.截面定义5.楼板定义6.荷载定义7.约束修改8.截面分配9. 中间跨添加十字形柱间支撑10.添加楼板11.划分楼板12.荷载添加三、运行结果1.轴力最大轴力为11580kN 2.应力最大主应力值在40.1MPa 3.变形4.弯矩杆单元最大3-3弯矩值为384kN m ⋅四、结果检验由于结构复杂,通过最大杆件轴力进行检验。
软件计算最大轴压力为11580.1kN粗算结果为++6 3.66/2++3 3.66/20.56 3.6/20.53 3.6/210068.3kN⨯⨯⨯+⨯⨯⨯+⨯⨯+⨯⨯=(21.5100)(21.5100) 考虑粗算计算误差大,两者差异合理,故模型检验合格。
PKPM,SAP2000中的楼板一、PKPM1.刚性楼板在采用楼板平面内无限侧刚假定时,每块刚性楼板有三个公共自由度(u,v,θ),那么刚性楼板内每个节点的独立自由度只剩下3个(θ,θ,ω)了,这样极大的减少了结构整体自由度数,结构分析工作得到了很大程度的简化,从而提高了工作效率,这一有点正是刚性楼板假定能够被广泛接受的重要原因。
在采用刚性楼板假定时,忽略了楼板平面外的刚度,使结构总刚度偏小。
事实上,楼板的面外刚度在某种意义上来讲可以理解为楼面梁的有效翼缘,为此,规范给出了用近似梁刚度放大系数形式来间接地考虑楼板的面外刚度。
对于两侧都与刚性楼板相连的梁,取边梁的刚度放大系数; 对于其他情况的梁(包括不与楼板相连的独立梁和仅与弹性楼板6和弹性楼板3相连的梁),梁刚度不放大。
对于复杂楼板形状的结构工程,如楼板有效宽度较窄的环形楼面或其他有大开洞楼面、有狭长外伸段楼面、局部变窄产生薄弱连接的楼面、连体结构的狭长连接楼面等场合,楼板面内刚度有较大削弱且不均匀,楼板的面内变形会使楼层内抗侧刚度较小的构件的位移和内力加大。
2.弹性楼板6弹性楼板6假定是采用壳单元真实地计算楼板的面内刚度和面外刚度。
从理论上讲,弹性楼板6假定是最符合楼板的实际情况,可以应用与任何工程。
但实际上。
在采用弹性楼板6假定时,部分竖向楼面荷载将通过楼板的面外刚度直接传递给竖向构件,导致梁的弯矩减小,相应的配筋也会减小。
这与采用刚性楼板假定不同,因为采用刚性楼板假定时,所有的竖向楼面荷载都通过梁传递给竖向构件。
这点差异造成采用弹性板6假定和采用刚性楼板假定的梁配筋安全储备不用,而过去所有关于梁的工程经验都是在刚性楼板假定前提下配筋安全储备相对应的。
弹性楼板6假定是针对板柱结构和板柱-抗震墙结构提出的采用弹性楼板6假定进行板柱结构或板柱-抗震墙结构分析时,首先要求在PMCAD交互式建模时,在假定的等待梁位置上,布置截面尺寸为100mm*100mm的矩形截面混凝土虚梁。