起重机型大全
- 格式:docx
- 大小:17.43 KB
- 文档页数:7
汽车起重机型号大全导言:汽车起重机是一种常见的工程机械设备,广泛应用于建筑工地、港口码头、物流园区等领域。
它的作用是通过起重机臂的伸缩和旋转来进行货物的吊装与运输。
随着技术的不断创新和发展,汽车起重机的型号也越来越多样化。
本文将介绍一些常见的汽车起重机型号,供读者参考和了解。
一、全地面履带式汽车起重机全地面履带式汽车起重机是一种适用于任何路况的起重机,具备优异的越野能力。
该型号起重机采用履带式底盘,能够在泥泞、崎岖的地形中自由行驶,为工地施工提供了极大的便利。
它通常配备有伸缩臂,可以在不同距离和高度范围内进行起重作业。
全地面履带式汽车起重机广泛应用于道路建设、大型工程建设等领域。
二、轮胎式汽车起重机轮胎式汽车起重机是一种通过汽车轮胎来移动的起重机,拥有较高的灵活性和机动性。
它适用于道路平坦的环境,能迅速移动到工地进行起重作业。
轮胎式汽车起重机分为固定臂和伸缩臂两种类型,可根据不同工作需求选用不同型号。
它广泛应用于快速建设的工程项目,如桥梁施工、工厂装卸等。
三、高空作业汽车起重机高空作业汽车起重机是一种专门用于进行高空作业的起重机型号。
它通常配备有伸缩臂和工作平台,可以将工人提升到高空,用于维修、安装等作业。
高空作业汽车起重机具备稳定的结构和安全的操作系统,能够保证作业人员的安全。
该型号起重机广泛应用于建筑维修、电力巡检、灯光搭建等领域。
四、摆臂式汽车起重机摆臂式汽车起重机是一种具备独特工作机制的起重机型号。
它采用折叠式摆臂结构,能够对起重物进行全方位的操作和吊装,适用于狭小空间或布局受限工地。
摆臂式汽车起重机具备便捷灵活的特点,在城市建设和石油钻井等领域得到广泛应用。
它可快速组装和拆卸,提高工地的施工效率。
五、自行式汽车起重机自行式汽车起重机是一种无需其他车辆牵引的起重机型号。
它自带动力和行驶系统,能够独立运行和移动。
自行式汽车起重机根据不同工作需求,有不同的驱动方式,例如柴油驱动、电动驱动等。
装修工程起重设备表1.| 塔式起重机。
|2.|2.| 施工升降机。
| 4.|3.| 电动葫芦。
| 10.|4.| 手动葫芦。
|5.|5.| 定位千斤顶。
| 8.|6.| 吊索。
| 20.|7.| 液压千斤顶。
| 3.|8.| 手动液压车。
| 2.|9.| 电动液压车。
| 1.|10.| 水平移动式梯子。
| 5.|2.施工升降机:用于工人和物品的高空运输,方便施工人员快速上下楼层。
3.电动葫芦:用于悬挂和提升重型物品,如钢梁、机械设备等。
4.手动葫芦:通过人力悬挂和提升轻型物品,如管道、保温材料等。
5.定位千斤顶:用于通过替换不同高度的千斤顶片,确保吊物平稳定位。
6.吊索:用于绑扎和提升大型建筑材料,如砖石、木材等。
7.液压千斤顶:通过液压力提升重型物体。
8.手动液压车:用于运输和搬运重型物体,在平稳的地面上能够进行各向运动。
9.电动液压车:与手动液压车相似,但使用电动驱动,能够提供更大的运输力。
10.水平移动式梯子:用于工人的爬升和搬运物品,方便工作在不同高度的位置。
2.在使用过程中,必须严格按照设备的额定载荷和使用要求进行操作,避免超载和不当使用造成事故。
3.起重设备在使用期间应进行定期维护和检修,确保设备的正常工作状态。
4.在起重设备使用过程中,施工人员要严格按照操作规程,保持沟通和协调,确保施工安全。
5.若发现起重设备存在故障或异常情况,应立即停止使用,并及时报告相关负责人进行检修和处理。
以上为装修工程起重设备表及相关功能描述和注意事项,请施工人员妥善使用和管理起重设备,确保施工过程中的安全和高效。
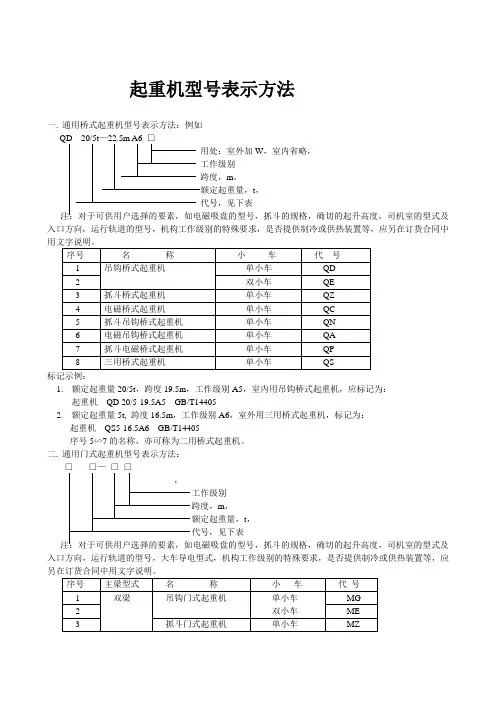
起重机型号大全Company Document number:WUUT-WUUY-WBBGB-BWYTT-1982GT起重机型号表示方法一.通用桥式起重机型号表示方法:例如QD 20/5t— A6 □用处:室外加W,室内省略,工作级别跨度,m,额定起重量,t,代号,见下表注:对于可供用户选择的要素,如电磁吸盘的型号,抓斗的规格,确切的起升高度,司机室的型式及入口方向,运行轨道的型号,机构工作级别的特殊要求,是否提供制冷或供热装置等,应另在订货合同中用文字说明。
标记示例:1.额定起重量20/5t,跨度,工作级别A5,室内用吊钩桥式起重机,应标记为:起重机 QD 20/ GB/T144052.额定起重量5t, 跨度,工作级别A6,室外用三用桥式起重机,标记为:起重机 GB/T14405序号5∽7的名称,亦可称为二用桥式起重机。
二.通用门式起重机型号表示方法:□□—□□,工作级别跨度,m,额定起重量,t,代号,见下表注:对于可供用户选择的要素,如电磁吸盘的型号,抓斗的规格,确切的起升高度,司机室的型式及入口方向,运行轨道的型号,大车导电型式,机构工作级别的特殊要求,是否提供制冷或供热装置等,应另在订货合同中用文字说明。
标记示例:1.额定起重量20/5t,跨度22m,工作级别A4,单主梁吊钩门式起重机,应标记为:起重机 MDG 20/5-22A4 GB/T144062.额定起重量50/10+50/101t, 跨度35m,工作级别A4,双梁,双小车吊钩门式起重机,标记为:起重机 ME50/10+50/10-35A4 GB/T14406序号5∽6,12∽13的名称,亦可称为二用门式起重机。
三.手动梁式起重机型号表示方法:SL □—□—□起升高度,m,跨度,m,额定起重量,t,产品代号,标记示例:起重量5t,跨度,起升高度3m 的手动梁式起重机标记为:起重机 JB/T1114-94四.手动桥式起重机型号表示方法:SQ □—□—□起升高度,m,跨度,m,额定起重量,t,产品代号,标记示例:起重量16t,跨度,起升高度的手动桥式起重机标记为:起重机 JB/T1115-94五.电动单梁起重机型号表示方法:□□—□□□操纵方式:地面 D,司机室 S,工作级别跨度,m,额定起重量,t,产品代号,如下:产品代号:1.电动葫芦小车在主梁下翼缘运行,电动葫芦布置在主梁下方的起重机,其产品代号为 LD。
起重机规格型号公司内部档案编码:[OPPTR-OPPT28-OPPTL98-OPPNN08]起重机规格、型号、起重重量、起重高度D1100型最大起重量:63T;最大臂长/最大起重量:80M/9.5T; 起升高度:220M。
M600D型最大起重量:32T/22.5M;最大臂长/最大起重量:45.8M/14.5T ; 起升高度:52-95.6M;内爬250/500M。
M125/75型最大起重量:50T;最大臂长/最大起重量:70M/8.5T ; 起升高度:90M。
K80/115型最大起重量:32T;最大臂长/最大起重量:70M/11.5T ; 起升高度:105.6M。
MC480M25型最大起重量:25T;最大臂长/最大起重量:74.9M/3T ; 起升高度:80M。
K50/50型、C7050型、C7050B型最大起重量:20T;起升高度(固定/行走):78.4M/79.7M;最大臂长/最大起重量:70M/5T。
STT293型最大起重量:18T;最大臂长/最大起重量:74M/2.7T 。
QTZ7520型最大起重量:16T;最大臂长/最大起重量:75M/2T 。
ST7022型、ST7027型、HK40/27型、ST7030型、MC30012型最大起重量:12-16T;最大臂长/最大起重量70M/2.2T、2.7T、3.0T。
HK40/21B型最大起重量:16T;起升高度(固定/行走/附着)45.7M/50.6M/153.7M;最大臂长/最大起重量70M/2.1T。
K30/21型(市场租赁价格:5.3-6.5万元/月)最大起重量:12T;起升高度(固定/行走/附着)45.7M/50.6M/153.7M;最大臂长/最大起重量70M/2.1TH3/36B型(市场租赁价格:4.6-5.5万元/月)最大起重量:12T;起升高度(固定/行走/附着/内爬)51.7M/56.5M/195M/45.6M;最大臂长/最大起重量60M/3.6T.QTZ6516型(6517/6530)(市场租赁价格:4-5.5万元/月)最大起重量:8T;起升高度(固定/行走/附着)51.7M/56.5M/204.7M;;最大臂长/最大起重量60M/1.6T(1.7T/3.0T). TC6020型QTZ6020/QTZ6021/ E6026/E6020B/C6018/QTZ6023(市场租赁价格:4-4.5万元/月)最大起重量:10-12T;起升高度(固定/行走/附着)51.7M/56.5M/195M;最大臂长/最大起重量60M/2.0T(2.0T/2.1T/2.6T/2.0T/1.8T/2.3T)。
起重机型号大全桥式起重机1、LDA型 1-20t 电动单梁起重机2、LX型 0.5-5t 电动单梁悬挂起重机3、LB型 1-10t 防爆电动单梁起重机4、LXB型 0.5-5t 防爆电动单梁悬挂起重机5、LH型 5-32/10t 电动葫芦桥式起重机6、QD型 5-50/10t 吊钩桥式起重机7、QD型 75/20-100/20t 吊钩桥式起重机8、QD型 100/32-250/50t 吊钩桥式起重机9、QD型 75/20-125/50t 铸造起重机10、QC型 5-16t 电磁桥式起重机11、QC型 16-3.2-32/5t 电磁桥式起重机12、QZ型 5-20t 抓斗桥式起重机13、QD型 5-50t 慢速吊钩桥式起重机14、QD型 5-32t 地操吊钩桥式起重机15、QY型 5-50t 绝缘吊钩桥式起重机16、QD型 5-50t 变频调速桥式起重机17、QB型 5-50t 防爆吊钩桥式起重机18、LDZ型3-5t 电动电梁抓斗起重机19、SDQ型1-10t 手动单梁起重机20、SDXQ型0.5-3t 手动单梁悬挂起重机21、SSQ型 5-20t 手动双梁起重机门式起重机1、MH型3-20t 电动葫芦门式起重机(桁架式)2、MH型3-20t 电动葫芦门式起重机(箱型式)3、MH型5-25t 电动葫芦门式起重机(箱型主梁、桁架支腿)4、L型5-10t 电动葫芦门式起重机5、MDSG型30/5-120/5t 双主梁门式起重机(公路门机)6、MDS型 25/2-75/5t 双主梁门式起重机(公路门机)7、A型10-50/10t 双主梁门式起重机8、A型75/20-100/20t 双梁门式起重机9、A型 5-10t 双主梁抓斗门式起重机10、L型5-32/5t 单主梁门式起重机11、L型5-10t 单主梁抓斗门式起重机12、U型10-50/10t 双主梁门式起重机13、C型10/3-30/10t 单主梁门式起重机14、集装箱龙门5-50/12.5t15、装卸桥5t-40m (桁架式)16、装卸桥10t-50m (箱型式)17、YLC型运梁平车18、WYP型运梁平车19、YD型架桥机轻小型起重设备1、CD,MD型0.5-16t 电动葫芦2、HC,HM型16-50t 电动葫芦3、BCD型0.5-10t 防爆电动葫芦4、HS型0.5-10t 手拉葫芦5、WA型1-10t 手动单轨小车6、201型0.75m3 单轨抓斗起重机7、301型1.5m3 单轨抓斗起重机8、BZ型0.25-5t 定柱式旋臂起重机9、XB型0.25-1t 壁柱式旋臂起重机10、抓斗〈四绳抓斗、两绳抓斗。
各类塔吊型号及主要参数表在建筑施工领域,塔吊是不可或缺的重要设备,它能够高效地完成重物的吊运工作,大大提高了施工效率。
不同的施工项目和工况,需要选用不同型号的塔吊,而了解塔吊的型号及主要参数对于正确选型和安全使用至关重要。
常见的塔吊型号众多,以下为您介绍几种较为常见的:QTZ40 型塔吊,起重力矩为 400kN·m,最大起重量为 4 吨,最大工作幅度为 42-47 米。
这种型号的塔吊适用于中低层建筑施工,具有结构简单、操作方便、维护成本低等优点。
QTZ63 型塔吊,起重力矩达到 630kN·m,最大起重量为 6 吨,工作幅度在 38-55 米之间。
它在中小规模的建筑工程中应用广泛,性能稳定,能够满足多数常规施工的吊运需求。
QTZ80 型塔吊,起重力矩一般为 800kN·m,最大起重量 8 吨,工作幅度在 50-56 米左右。
此型号的塔吊在高层建筑施工中表现出色,具有较高的起重能力和工作效率。
QTZ125 型塔吊,起重力矩可达 1250kN·m,最大起重量 10 吨,工作幅度能达到 55-60 米。
它适用于大型建筑项目,尤其是对起重能力和工作幅度要求较高的工程。
除了以上常见的型号,还有一些特殊用途的塔吊,比如动臂式塔吊。
动臂式塔吊的起重臂可以俯仰变化,适应不同的施工条件。
例如,LH800-63 型动臂塔吊,最大起重量可达 63 吨,工作幅度在 30-55 米之间。
塔吊的主要参数除了起重力矩、最大起重量和工作幅度外,还有以下几个重要方面:起升高度也是一个关键参数。
它指的是塔吊吊钩能够上升到的最大垂直高度。
不同型号的塔吊起升高度有所不同,一般从几十米到上百米不等。
例如,某些高层专用的塔吊起升高度可以超过 200 米。
塔身高度是指塔吊塔身从基础顶面到起重臂根部铰点的垂直距离。
塔身高度的选择需要根据施工建筑物的高度和现场条件来确定。
起升速度决定了塔吊吊运重物的快慢。
起重机型号表示方法一.通用桥式起重机型号表示方法:例如QD 20/5t—22.5m A6 □用处:室外加W,室内省略,工作级别跨度,m,额定起重量,t,代号,见下表注:对于可供用户选择的要素,如电磁吸盘的型号,抓斗的规格,确切的起升高度,司机室的型式及入口方向,运行轨道的型号,机构工作级别的特殊要求,是否提供制冷或供热装置等,应另在订货合同中用文字说明。
标记示例:1.额定起重量20/5t,跨度19.5m,工作级别A5,室内用吊钩桥式起重机,应标记为:起重机QD 20/5—19.5A5 GB/T144052.额定起重量5t,跨度16。
5m,工作级别A6,室外用三用桥式起重机,标记为:起重机QS5-16。
5A6 GB/T14405序号5∽7的名称,亦可称为二用桥式起重机.二.通用门式起重机型号表示方法:□□—□□,工作级别跨度,m,额定起重量,t,代号,见下表注:对于可供用户选择的要素,如电磁吸盘的型号,抓斗的规格,确切的起升高度,司机室的型式及入口方向,运行轨道的型号,大车导电型式,机构工作级别的特殊要求,是否提供制冷或供热装置等,应另在订货合同中用文字说明。
标记示例:1.额定起重量20/5t,跨度22m,工作级别A4,单主梁吊钩门式起重机,应标记为:起重机MDG 20/5-22A4 GB/T144062.额定起重量50/10+50/101t,跨度35m,工作级别A4,双梁,双小车吊钩门式起重机,标记为:起重机ME50/10+50/10—35A4 GB/T14406序号5∽6,12∽13的名称,亦可称为二用门式起重机。
三.手动梁式起重机型号表示方法:SL □- □-□起升高度,m,跨度,m,额定起重量,t,产品代号,标记示例:起重量5t,跨度10.5m,起升高度3m 的手动梁式起重机标记为:起重机SL5-10.5—3 JB/T1114—94四.手动桥式起重机型号表示方法:SQ □—□—□起升高度,m,跨度,m,额定起重量,t,产品代号,标记示例:起重量16t,跨度16。
电动单梁起重机型号
1、LDA型号1-20t电动单梁起重机
2、LX型号0.5-5t电动单梁悬挂起重机
3、LB型号1-10t防爆电动单梁起重机
4、LXB型号0.5-5t防爆电动单梁悬挂起重机
5、LH型号5-32/10t电动葫芦桥式起重机
6、QD型号5-50/10t吊钩桥式起重机
7、QD型号75/20-100/20t吊钩桥式起重机
8、QD型号100/32-250/50t吊钩桥式起重机
9、QD型号75/20-125/50t铸造起重机
10、QC型号5-16t电磁桥式起重机
11、QC型号16-32-32/5t电磁桥式起重机
12、QZ型号5-20t抓⽃桥式起重机
13、QD型号5-50t慢速吊钩桥式起重机
14、QD型号5-32t地操吊钩桥式起重机
15、QY型号5-50t绝缘吊钩桥式起重机
16、QD型号5-50t变频调速桥式起重机
17、QB型号5-50t防爆吊钩桥式起重机
18、LDZ型号3-5t电动电梁抓⽃起重机
19、SDQ型号1-10t⼿动单梁起重机
20、SDXQ型号0.5-3t⼿动单梁悬挂起重机
21、SSQ型号5-20t⼿动双梁起重机。
起重机械包括哪些工程起重机械分类大全
在工程中所用的起重机械根据其构造和性能的不同一般可分为轻小型起重设备、桥式类型起重机械和臂架类型起重机三大类。
轻小型起重设备如千斤顶、葫芦、卷扬机等。
桥架类型起重机械如梁式起重机、龙门起重机等。
臂架类型起重机如固定式回转起重机、塔式起重机、汽车起重机、轮胎、履带起重机等。
以下是起重机械种类大全(1)汽车起重机机械式汽车起重机液压式汽车起重机全路面越野汽车起重机
(2)塔式起重机轨道式上回转塔式起重机轨道式上回转自升塔式起重机轨道式下回转塔式起重机轨道式下回转自升塔式起重机快装式塔式起重机汽车塔式起重机轮胎塔式起重机履带塔式起重机组合塔式起重机
(3)履带起重机履带式机械起重机履带式液压起重机履带式电动起重机桅杆起重机缆绳式桅杆起重机斜撑式桅杆起重机缆索起重机辐射式缆索起重机平移式缆索起重机固定式缆索起重机
(4)管道起重机机械式管道起重机液压式管道起重机
(5)抓斗起重机履带式抓斗起重机轮胎式抓斗起重机
(6)轮胎起重机轮胎起重机
(7)卷扬机单筒快带卷扬机单筒慢速卷扬机单筒快溜式卷扬机单筒慢溜式卷扬机单筒调速式卷扬机
双筒快速卷扬机双筒调速卷扬机三筒快速卷扬机
(8)施工升降机三角型导轨架齿轮齿条式升降机矩型导轨架齿轮齿条式升降机倾斜式齿轮齿条升降机曲线式齿轮齿条升降机双导轨架钢丝绳式升降机单导轨架包容吊笼钢丝绳式升降机单导轨架不包容式吊笼钢丝绳式升降机混合式升降机
(9)液压顶升机自控式液压顶升机手动式液压顶升机
(10)高空作业机械高空作业车高空作业平台
(11)随车起重机随车起重。
起重机型号表示方法一.通用桥式起重机型号表示方法:例如QD 20/5t—22.5m A6 □用处:室外加W,室内省略,工作级别跨度,m,额定起重量,t,代号,见下表注:对于可供用户选择的要素,如电磁吸盘的型号,抓斗的规格,确切的起升高度,司机室的型式及入口方向,运行轨道的型号,机构工作级别的特殊要求,是否提供制冷或供热装置等,应另在订货合同中标记示例:1.额定起重量20/5t,跨度19.5m,工作级别A5,室内用吊钩桥式起重机,应标记为:起重机QD 20/5-19.5A5 GB/T144052.额定起重量5t, 跨度16.5m,工作级别A6,室外用三用桥式起重机,标记为:起重机QS5-16.5A6 GB/T14405序号5∽7的名称,亦可称为二用桥式起重机。
二.通用门式起重机型号表示方法:□□—□□,工作级别跨度,m,额定起重量,t,代号,见下表注:对于可供用户选择的要素,如电磁吸盘的型号,抓斗的规格,确切的起升高度,司机室的型式及入口方向,运行轨道的型号,大车导电型式,机构工作级别的特殊要求,是否提供制冷或供热装置等,应另在订货合同中用文字说明。
标记示例:1.额定起重量20/5t,跨度22m,工作级别A4,单主梁吊钩门式起重机,应标记为:起重机MDG 20/5-22A4 GB/T144062.额定起重量50/10+50/101t, 跨度35m,工作级别A4,双梁,双小车吊钩门式起重机,标记为:起重机ME50/10+50/10-35A4 GB/T14406序号5∽6,12∽13的名称,亦可称为二用门式起重机。
三.手动梁式起重机型号表示方法:SL □—□—□起升高度,m,跨度,m,额定起重量,t,产品代号,标记示例:起重量5t,跨度10.5m,起升高度3m 的手动梁式起重机标记为:起重机SL5-10.5-3 JB/T1114-94四.手动桥式起重机型号表示方法:SQ □—□—□起升高度,m,跨度,m,额定起重量,t,产品代号,标记示例:起重量16t,跨度16.5m,起升高度12.5m 的手动桥式起重机标记为:起重机SQ16-16.5-12.5 JB/T1115-94五.电动单梁起重机型号表示方法:□□—□□□操纵方式:地面D,司机室S,工作级别跨度,m,额定起重量,t,产品代号,如下:产品代号:1.电动葫芦小车在主梁下翼缘运行,电动葫芦布置在主梁下方的起重机,其产品代号为LD。
个人整理的塔吊型号及性能参数塔吊是一种常见的建筑施工机械,用于在高空进行重物的吊装和搬运工作。
它具有起重能力大、灵活性高、稳定性强等特点,在各种工地中广泛应用。
本文将介绍几种常见的塔吊型号及其主要的性能参数。
1. 顶升式塔吊(Tower crane)顶升式塔吊是一种高空起重机械,能够实现大范围内吊重物的横向和纵向移动。
它采用自行式塔身,可以在各种工地中快速搭建。
顶升式塔吊的性能参数如下:起重量:常见的起重量范围为6吨至20吨。
最大起重力矩:通常在30米半径范围内能够达到2000至4000牛·米。
倾角范围:通常在-4度至80度之间。
转台托力:通常在200至500千牛之间。
顶升高度:通常在50至100米之间。
2. 回转式塔吊(Slewing crane)回转式塔吊是一种采用回转装置进行旋转工作的塔吊。
它主要适用于狭窄的工地,如城市建筑工地。
回转式塔吊的性能参数如下:起重量:常见的起重量范围为2吨至8吨。
最大起重力矩:通常在10米半径范围内能够达到450至800牛·米。
倾角范围:通常在-10度至80度之间。
转台托力:通常在100至300千牛之间。
回转角度:通常为360度。
3. 墙头式塔吊(Hammerhead crane)墙头式塔吊是一种专门用于建造高层建筑的塔吊,它的塔身直接悬挂在建筑物的顶部。
墙头式塔吊的性能参数如下:起重量:常见的起重量范围为4吨至32吨。
最大起重力矩:通常在30米半径范围内能够达到800至6000牛·米。
倾角范围:通常在-3度至88度之间。
转台托力:通常在200至800千牛之间。
墙头高度:通常在40至80米之间。
4. 平臂塔吊(Flat-top crane)平臂塔吊是一种具有平直臂形状的塔吊,主要用于高速公路和桥梁施工等工程。
它的设计使得其在高空工作时更加稳定和安全。
平臂塔吊的性能参数如下:起重量:常见的起重量范围为6吨至20吨。
最大起重力矩:通常在30米半径范围内能够达到1000至3000牛·米。
起重机施工设备一览表
一、起重机种类
1. 塔式起重机(Tower Crane)
2. 履带式起重机(Crawler Crane)
3. 轮式起重机(Mobile Crane)
4. 桥式起重机(Bridge Crane)
二、起重机参数比较
三、起重机用途
1. 塔式起重机:适用于高层建筑施工,大型桥梁建设等。
2. 履带式起重机:适用于大型工程施工,如钢结构安装,港口码头建设等。
3. 轮式起重机:适用于中小型建筑工地,道路维修等。
4. 桥式起重机:适用于厂区内的设备安装,仓库货物搬运等。
四、起重机安全注意事项
1. 操作人员必须熟悉起重机的使用说明书并按照规定操作。
2. 起重机在使用过程中必须保持平稳,防止超载和倾覆。
3. 定期检查起重机的维护情况,并进行必要的维修保养。
4. 操作起重机时,必须保持周围区域的人员安全,并设立隔离区域。
以上为起重机施工设备一览表,供参考使用。
如需更详细的信息,请参阅相关文件。
龙门吊型号及参数引言龙门吊(Gantry Crane),又称门式起重机,是一种常见的起重机械,主要用于重物的起吊、搬运和堆码等工作。
龙门吊具有结构稳定、操作简单、承载能力强等优点,常用于港口、船厂、货物站、仓库等需要大批量物料搬运的场所。
本文将介绍龙门吊的不同型号及其参数,以供选择购买使用者参考。
1. 单梁龙门吊1.1 型号•单梁龙门吊型号:SGC800•单梁龙门吊型号:SGC1200•单梁龙门吊型号:SGC16001.2 参数1.2.1 SGC800•起重能力:800吨•有效跨度:20-40米•起升高度:18-35米•工作级别:A6(重载工作级别)•工作速度:–起升速度:0.9-1.6米/分钟–运输速度:3-5米/分钟–工作速度:4-10米/分钟1.2.2 SGC1200•起重能力:1200吨•有效跨度:25-45米•起升高度:20-40米•工作级别:A6(重载工作级别)•工作速度:–起升速度:1-1.7米/分钟–运输速度:3-5米/分钟–工作速度:4-10米/分钟1.2.3 SGC1600•起重能力:1600吨•起升高度:22-42米•工作级别:A6(重载工作级别)•工作速度:–起升速度:1.1-1.8米/分钟–运输速度:3-5米/分钟–工作速度:4-10米/分钟2. 双梁龙门吊2.1 型号•双梁龙门吊型号:DGC2000•双梁龙门吊型号:DGC2500•双梁龙门吊型号:DGC30002.2 参数2.2.1 DGC2000•起重能力:2000吨•起升高度:25-45米•工作级别:A7(大载荷工作级别)•工作速度:–起升速度:1.2-2.5米/分钟–运输速度:3-6米/分钟–工作速度:4-10米/分钟2.2.2 DGC2500•起重能力:2500吨•有效跨度:40-70米•起升高度:30-50米•工作级别:A7(大载荷工作级别)•工作速度:–起升速度:1.3-2.6米/分钟–运输速度:3-6米/分钟–工作速度:4-10米/分钟2.2.3 DGC3000•起重能力:3000吨•有效跨度:45-80米•起升高度:35-55米•工作级别:A7(大载荷工作级别)•工作速度:–起升速度:1.4-2.7米/分钟–运输速度:3-6米/分钟–工作速度:4-10米/分钟结论龙门吊是一种常见的起重机械,在许多工业场所中被广泛使用。
起重机型号表示方法一.通用桥式起重机型号表示方法:例如QD 20/5t—22.5m A6 □用处:室外加W,室内省略,工作级别跨度,m,额定起重量,t,代号,见下表注:对于可供用户选择的要素,如电磁吸盘的型号,抓斗的规格,确切的起升高度,司机室的型式及入口方向,运行轨道的型号,机构工作级别的特殊要求,是否提供制冷或供热装置等,应另在订货合同中用文字说明。
标记示例:1.额定起重量20/5t,跨度19.5m,工作级别A5,室内用吊钩桥式起重机,应标记为:起重机QD 20/5-19.5A5 GB/T144052.额定起重量5t, 跨度16.5m,工作级别A6,室外用三用桥式起重机,标记为:起重机QS5-16.5A6 GB/T14405序号5∽7的名称,亦可称为二用桥式起重机。
二.通用门式起重机型号表示方法:□□—□□,工作级别跨度,m,额定起重量,t,代号,见下表注:对于可供用户选择的要素,如电磁吸盘的型号,抓斗的规格,确切的起升高度,司机室的型式及入口方向,运行轨道的型号,大车导电型式,机构工作级别的特殊要求,是否提供制冷或供热装置等,应另在订货合同中用文字说明。
标记示例:1.额定起重量20/5t,跨度22m,工作级别A4,单主梁吊钩门式起重机,应标记为:起重机MDG 20/5-22A4 GB/T144062.额定起重量50/10+50/101t, 跨度35m,工作级别A4,双梁,双小车吊钩门式起重机,标记为:起重机ME50/10+50/10-35A4 GB/T14406序号5∽6,12∽13的名称,亦可称为二用门式起重机。
三.手动梁式起重机型号表示方法:SL □—□—□起升高度,m,跨度,m,额定起重量,t,产品代号,标记示例:起重量5t,跨度10.5m,起升高度3m 的手动梁式起重机标记为:起重机SL5-10.5-3 JB/T1114-94四.手动桥式起重机型号表示方法:SQ □—□—□起升高度,m,跨度,m,额定起重量,t,产品代号,标记示例:起重量16t,跨度16.5m,起升高度12.5m 的手动桥式起重机标记为:起重机SQ16-16.5-12.5 JB/T1115-94五.电动单梁起重机型号表示方法:□□—□□□操纵方式:地面D,司机室S,工作级别跨度,m,额定起重量,t,产品代号,如下:产品代号:1.电动葫芦小车在主梁下翼缘运行,电动葫芦布置在主梁下方的起重机,其产品代号为LD。
吊车型号及参数1. 引言吊车是一种用于起重和搬运重物的机械设备。
吊车的型号和参数对于选择合适的吊车具有重要意义。
本文将介绍几种常见的吊车型号及其参数,以帮助读者更好地了解吊车的特点和使用场景。
2. 小型吊车小型吊车常用于城市建设、道路维护和小规模工地等场景。
以下是一款常见的小型吊车型号及其参数:型号: XC-10S参数: - 最大起重量:10吨 - 起重臂长度:20米 - 最大高度:35米 - 工作速度:20米/分钟 - 尺寸:长5米 x 宽2米 x 高3米 - 自重:8吨 - 动力:液压该型号的小型吊车适合于小型工地的搬运和起重工作,由于尺寸较小,可以在狭小的空间内操作。
3. 塔式吊车塔式吊车常用于大型建筑工地和高层建筑的施工。
以下是一款常见的塔式吊车型号及其参数:型号: TC-50度:40米/分钟 - 尺寸:长10米 x 宽10米 x 高30米 - 自重:40吨 - 动力:液压/电动该型号的塔式吊车适合于大型建筑工地的高空起重工作,具有较大的起重量和起重高度,能够满足高层建筑施工的需求。
4. 履带吊车履带吊车用于恶劣的地质环境,如沼泽地、沙漠地带等。
以下是一款常见的履带吊车型号及其参数:型号: LC-20C参数: - 最大起重量:20吨 - 起重臂长度:25米 - 最大高度:30米 - 工作速度:25米/分钟 - 尺寸:长8米 x 宽4米 x 高3米 - 自重:15吨 - 动力:液压该型号的履带吊车配备履带,具有优良的通过性和稳定性,适用于复杂地形和恶劣环境中的起重作业。
5. 全地形吊车全地形吊车具有卓越的通过性和适应性,可以在各种复杂地形条件下使用。
以下是一款常见的全地形吊车型号及其参数:型号: ATC-30度:30米/分钟 - 尺寸:长10米 x 宽3.5米 x 高4米 - 自重:20吨 - 动力:液压/燃油该型号的全地形吊车适用于各种复杂地形和气候条件下的起重作业,非常适合用于野外建筑、石油开采等需要远程移动的场景。
起重机型号表示方法一.通用桥式起重机型号表示方法:例如QD 20/5t—22.5m A6 □用处:室外加W,室内省略,工作级别跨度,m,额定起重量,t,代号,见下表注:对于可供用户选择的要素,如电磁吸盘的型号,抓斗的规格,确切的起升高度,司机室的型式及入口方向,运行轨道的型号,机构工作级别的特殊要求,是否提供制冷或供热装置等,应另在订货合同中用文字说明。
标记示例:1.额定起重量20/5t,跨度19.5m,工作级别A5,室内用吊钩桥式起重机,应标记为:起重机QD 20/5-19.5A5 GB/T144052.额定起重量5t, 跨度16.5m,工作级别A6,室外用三用桥式起重机,标记为:起重机QS5-16.5A6 GB/T14405序号5∽7的名称,亦可称为二用桥式起重机。
二.通用门式起重机型号表示方法:□□—□□,工作级别跨度,m,额定起重量,t,代号,见下表注:对于可供用户选择的要素,如电磁吸盘的型号,抓斗的规格,确切的起升高度,司机室的型式及入口方向,运行轨道的型号,大车导电型式,机构工作级别的特殊要求,是否提供制冷或供热装置等,应另在订货合同中用文字说明。
标记示例:1.额定起重量20/5t,跨度22m,工作级别A4,单主梁吊钩门式起重机,应标记为:起重机MDG 20/5-22A4 GB/T144062.额定起重量50/10+50/101t, 跨度35m,工作级别A4,双梁,双小车吊钩门式起重机,标记为:起重机ME50/10+50/10-35A4 GB/T14406序号5∽6,12∽13的名称,亦可称为二用门式起重机。
三.手动梁式起重机型号表示方法:SL □—□—□起升高度,m,跨度,m,额定起重量,t,产品代号,标记示例:起重量5t,跨度10.5m,起升高度3m 的手动梁式起重机标记为:起重机SL5-10.5-3 JB/T1114-94四.手动桥式起重机型号表示方法:SQ □—□—□起升高度,m,跨度,m,额定起重量,t,产品代号,标记示例:起重量16t,跨度16.5m,起升高度12.5m 的手动桥式起重机标记为:起重机SQ16-16.5-12.5 JB/T1115-94五.电动单梁起重机型号表示方法:□□—□□□操纵方式:地面D,司机室S,工作级别跨度,m,额定起重量,t,产品代号,如下:产品代号:1.电动葫芦小车在主梁下翼缘运行,电动葫芦布置在主梁下方的起重机,其产品代号为LD。
2.电动葫芦安装在角型小车上的起重机,其产品代号为LDP。
3.电动葫芦小车在主梁下翼缘运行,电动葫芦布置在主梁侧面的起重机,其产品代号为LDC。
标记示例:1.额定起重量5t,跨度16.5m,工作级别A5,司机室操纵的LDP起重机标记为:起重机LDP5-16.5A5S JB/T1306-942.额定起重量10t,跨度13.5m,工作级别A5,地面操纵的LDC起重机标记为:起重机LDC10-13.5A5D JB/T1306-94六.电动单梁悬挂起重机型号表示方法:□□—□□工作级别跨度,m,额定起重量,t,产品代号,如下:产品代号:1. 电动葫芦小车在主梁下翼缘运行,电动葫芦布置在主梁下方的起重机,其产品代号为LX。
2. 电动葫芦小车在主梁下翼缘运行,电动葫芦布置在主梁侧面的起重机,其产品代号为LXC。
标记示例:1.额定起重量2t,跨度11m,工作级别A5的LX起重机标记为:起重机LX2-11A5 JB/T2603-942.额定起重量5t,跨度9m,工作级别A4的LXC起重机标记为:起重机LXC5-9A4 JB/T2603-94主梁悬臂长(代号L,单位,m )应选用:0.25 0.5 0.75 1.00七.电动葫芦桥式起重机型号表示方法:LH □—□□□操纵方式:地面D,司机室开式用K,闭式用B工作级别跨度,m,额定起重量,t,产品代号,标记示例:起重量5t,跨度16.5m,工作级别A3,采用闭式司机室操纵的起重机标记为:起重机LH5-16.5A3B JB/T3695-94八.手动梁式悬挂起重机型号表示方法:SLX □—□—□起升高度,m,跨度,m,额定起重量,t,产品代号,标记示例:起重量2t,跨度9m,起升高度10m 的手动梁式悬挂起重机标记为:起重机SLX2-9-10 JB/T3775-94九.电动葫芦门式起重机型号表示方法:□□—□□□导电方式;滑线导电用U,电缆导电无表示工作级别跨度,m,额定起重量,t,产品代号,如下:产品代号:1.电动葫芦吊钩门式起重机,代号为MH,2.电动葫芦抓斗门式起重机,代号为MHZ3.电动葫芦电磁门式起重机,代号为MHC,,标记示例:1.额定起重量3.2t,跨度14m,工作级别A5,采用电缆导电的电动葫芦吊钩门式起重机标记为:起重机MH3.2-14A5 JB/T5663.12.额定起重量10t,跨度22m,工作级别A5,采用滑线导电的电动葫芦电磁门式起重机标记为:起重机MHC10-22A5U JB/T5663.1十.防爆桥式起重机型号表示方法:QB □—□□工作级别跨度,m,额定起重量,t,产品代号,“桥爆”二字拼音字首标记示例:起重量10t,跨度22.5m,工作级别A3的防爆桥式起重机标记为:起重机QB10-22.5A3 JB5897-91十一.淬火起重机型号表示方法:YH □—□□快速下降方式代号,见下表,跨度,m,额定起重量,t,产品代号,“冶,火”二字拼音字首注:1.表中V指起重机常用升降速度,2.一般情况下,宜选用晶闸管闭环能耗制动快速下降方案,3.采用其他控制方式,由供需双方协商确定。
标记示例:1.起重量20/5t,跨度22.5m,采用晶闸管闭环能耗制动式快速下降的桥式淬伙起重机标记为:起重机YH20/5-22.5j JB5898-912. 起重量40/10t,跨度19.5m,采用摇摆电动机式快速下降的桥式淬伙起重机标记为:起重机YH40/10-19.5y JB5898-91十二.料耙起重机型号表示方法:Y □□—□□□设有回转机构的用“H”表示,不设的无表示,工作级别,跨度,m,额定起重量,t,机型区别,刚性料耙用“P”,挠性料耙用“N”,产品代号,“冶”字拼音字首标记示例:1.起重量16t,跨度22m,工作级别A8,设有回转机构的刚性料耙起重机标记为:起重机YP16-22A8H JB5899-912. 起重量8t,跨度19m,工作级别A6,不设回转机构的挠性料耙起重机标记为:起重机YN8-19A6 JB5899-91十三.水电站门式起重机型号表示方法:□□—□□□工作级别跨度,m,运行方式代号,D或S,额定起重量,t,产品代号,SMD或SME,起重机按吊点可分为:1.单吊点起重机,代号SMD,2.双吊点起重机,代号SME,起重机按大车和小车的运行方式可分为:1.单向式起重机,代号为D,2.双向式起重机,代号为S,标记示例:1.主起升机构额定起重量100t,回转吊起升机构(或副起升机构)20t,起重机为单向式,跨度为8m,工作级别A2的单吊点水电站门失起重机标记为:起重机SMD100/20-D8A2 JB6128十四.手动单轨型号表示方法:□□额定载重量,t,产品代号,如下:产品代号:1.手链单轨小车(俗称手链小车),产品代号为GCL,2. 手推单轨小车(俗称手推小车),产品代号为GCT,标记示例:1.额定载重量5t的手链小车标记为:手链小车GCL5 JB/T7332-942.额定载重量2t的手推小车标记为:手推小车GCT2 JB/T7332-94十五.手拉葫芦型号表示方法:SL □□—□起升高度,m,额定起重量,t,工作级别产品代号,手拉葫芦工作级别,按使用工况分为两极;1.Z级——重载频繁使用,2.Q级——轻载不经常使用。
标记示例:额定起重量2t,工作级别Q级,起升高度4m 的手拉葫芦标记为:手拉葫芦HSQ2-4 JB/T7334-94十六.环链电动葫芦代号:1.悬挂式:a.吊环悬挂式环链葫芦,代号为HHXH;b.吊钩悬挂式环链葫芦,代号为HHXG;“HH”表示环链葫芦,“X”表示悬挂,“H”表示吊环,“G”表示吊钩。
2.单轨小车式:a.标准建筑高度,手拉小车式环链葫芦,代号为HHBS;b.标准建筑高度,链轮小车式环链葫芦,代号为HHBL;c.标准建筑高度,电动小车式环链葫芦,代号为HHBD;d.低建筑高度,手拉小车式环链葫芦,代号为HHDS;e.低建筑高度,链轮小车式环链葫芦,代号为HHDL;f.低建筑高度,电动小车式环链葫芦,代号为HHDD;g.标准建筑高度,手拉双小车式环链葫芦,代号为HHBSS;h.标准建筑高度,链轮双小车式环链葫芦,代号为HHBLS;i.标准建筑高度,电动双小车式环链葫芦,代号为HHBDS;注:(1)代号表征字母说明:a.第一、二位字母“HH”表示环链葫芦,b.第三位字母“B”表示标准建筑高度,c.第三位字母“D”表示低建筑高度,d.第四位字母“S”表示手拉小车式,e.第四位字母“L”表示链轮小车式,f.第四位字母“D”表示电动小车式,g.第五位字母“S”表示双小车,(2)标准建筑高度的单轨小车式:悬挂式环链葫芦挂在运行小车的横梁上(即葫芦在梁下运行)。
(3)低建筑高度的单轨小车式:环链葫芦和配重装置分别布置在运行小车的两侧,(既我们俗称的低净空葫芦。
)。