起重机型号表示方法
- 格式:ppt
- 大小:577.50 KB
- 文档页数:16
起重机编号法
附件1:
建筑起重机械备案编号规则
1、产权备案编号
XXX—X —XXXX—XXXXX
其中:
(1)产权属地代号——共三位。
第⼀位“X”表⽰省的简称;第⼆位“X”表⽰市的代号;第三位“X”为区、县(市)代号。
(2)起重机械规格型号——“X”表⽰起重机械机种代号(见表A)。
(3)产权备案时间——共四位。
前两位表⽰年份的数字;后两位表⽰⽉份。
(4)产权备案序号——“XXXXX”表⽰五位数字,从00001开始编号。
2、使⽤登记编号
XXX—XX —XXXX—XXXXX
(1)⼯程所在地代号——共三位。
第⼀位“X”表⽰省的简称;第⼆位“X”表⽰市的代号;第三位“X”为区、县(市)的代号。
(2)起重机械累计使⽤次数——“XX”表⽰两位数,从01开始编号。
(3)使⽤登记时间——共四位,前两位表⽰年份的数字;
后两位表⽰⽉份。
(4)使⽤登记序号——“XXXXX”表⽰五位数字,从00001开始编号。
3、⽰例:
例1:川FF—T—0712—00001
表⽰:2007年12⽉在四川德阳绵⽵进⾏产权备案的⼀台塔式起重机,产权备案序号为00001号。
例2:川FF—01—0801—00001
表⽰:2008年1⽉在四川德阳市绵⽵进⾏01次使⽤登记的起重机械,使⽤登记号为00001号。
表A。
造船门式起重机的型号命名规则一、简介造船门式起重机是造船和船舶维修中常用的重要设备,它在起重作业、装卸作业以及船舶建造过程中扮演着重要角色。
然而,对于很多人来说,这些起重机的型号命名规则可能显得有些复杂,不太容易理解。
本文将从深度和广度两个方面探讨造船门式起重机的型号命名规则,帮助读者更好地理解和使用这些设备。
二、从简到繁,由浅入深1. 门式起重机的命名规则由几个组成部分,包括但不限于“门式”、“起重机”、“型号”、“规格”、“载重量”等关键词。
2. 其中,“门式”代表了这种起重机的基本结构形式,即以门式结构为主体,具有较高的稳定性和承重能力。
3. “起重机”则是指这种设备的主要功能和用途,即用于起重、装卸和搬运重物。
4. 在型号命名中,一般会包含具体的型号代码,例如“MDG”、“MEC”等,这些代码代表着不同的系列和型号。
三、造船门式起重机的型号命名规则详解1. 笔者将从“型号”的角度入手,解析不同型号的含义和特点,帮助读者更好地理解起重机的分类和区别。
2. 接下来,我们将深入探讨“规格”和“载重量”对于起重机型号的影响和意义,解释不同规格和承重能力的起重机在实际应用中的差异和适用范围。
3. 我们还将分析“门式”结构在起重机型号中的作用和特点,说明门式结构对于起重机稳定性和安全性的重要意义。
4. 我们将以总结形式回顾本文的重点内容,让读者对造船门式起重机的型号命名规则有全面、深刻且灵活的理解。
四、个人观点和理解在观点和理解方面,笔者认为造船门式起重机的型号命名规则虽然看起来有些复杂,但实际上是为了更好地满足不同工程和场景的需求。
通过对型号命名规则的深入理解和掌握,用户可以更好地选择和使用起重机设备,提高工作效率和安全性。
五、结语造船门式起重机的型号命名规则是一个值得深入探讨和理解的话题。
通过本文的阐述和分析,相信读者对于这一主题已经有了更全面、深刻和灵活的理解。
希望本文能为读者在实际工作中更好地应用和选择起重机设备提供帮助。
塔吊型号定义如QTZ40(4208)QTZ——自升式塔式起重机40 ——公称起重力力矩为400KN·m42 ——臂长42M08 ——在臂端42M处起重量为0.8T塔吊臂长是指塔身中心到起重小车吊钩中心的距离。
塔吊臂长随着小车的行走是变化的,随着塔吊臂长的变化,塔吊的起重能力也是变化的。
通常以塔吊最大工作幅度作为塔吊臂长的参数。
如臂长结构尺寸是42.94米,但最大起重臂长是42米。
实际工作臂长是3米到42米。
3-13.66的臂长起重量最大,也就是最大起重量为3吨。
最大起重臂长42米的时候,塔吊起重能力最小,仅为0.797吨。
现国内常用塔吊型号如下QTZ31.5(3808)|(4206)|(4306)QTZ40 (4208)|(4708)|(4808)|(4908)QTZ50 (5008)|(5010)QTZ63 (5013)|(5310)|(5610)QTZ80 (5312)|(5513)|(6010)QTZ125 (5025)|(5522)|(6018)|QTZ160 (6024)|(6516)|(7012)QTZ250 (7030)|(7520)QTZ315 (7040)|(7530)编辑本段塔吊使用年限的规定根据《建设部关于发布建设事业“十一五”推广应用和限制禁止使用技术(第一批)的公告》(第659号),对建筑施工塔式起重机(TOWER CRANE)的使用年限作如下规定:(一)下列三类塔吊,超过年限的由有资质评估机构评估合格后,方可继续使用:(二)⒈ 630kN.m以下(不含630kN.m)、出厂年限超过10年(不含10年)的塔机;(三)⒉ 630~1250kN.m(不含1250kN.m)、出厂年限超过15年(不含15年)的塔机;(四)⒊ 1250kN.m以上、出厂年限超过20年(不含20年)的塔机。
(五)若塔吊使用说明书规定的使用年限小于上述规定的,应按使用说明书规定的使用年限QTZ31.5塔吊型号主要特点:1.该塔机荣获建设部最新科研成果科技进步三等奖;2.40m的超长臂架,国内首创的单吊点、变截面、变模数设计;3.全新概念的封闭式踏步与滑插式顶升横梁,从根本上解决了接高与降塔的安全问题;4.定位准确的机构运动限位,高重复精度的力矩、起重量限制器;5.独特可靠的小车防断轴装置和小车防断绳安全装置;6.使用性能大部分超过国家标准,整机性能居全国同型号产品之上;7.结构件全部采用CO2气体保护焊接,强度高;8.框式底梁备有整体式基础,十字底梁备有整体式和压重式两种基础供选用。
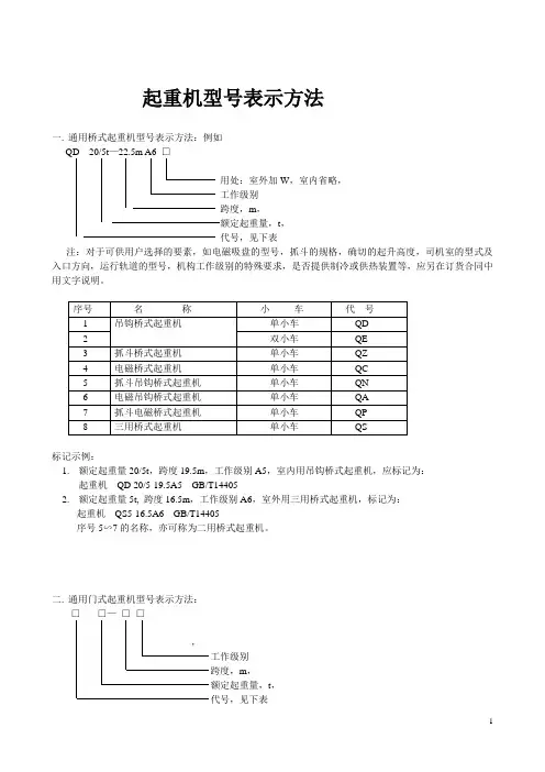
起重机型号大全Company Document number:WUUT-WUUY-WBBGB-BWYTT-1982GT起重机型号表示方法一.通用桥式起重机型号表示方法:例如QD 20/5t— A6 □用处:室外加W,室内省略,工作级别跨度,m,额定起重量,t,代号,见下表注:对于可供用户选择的要素,如电磁吸盘的型号,抓斗的规格,确切的起升高度,司机室的型式及入口方向,运行轨道的型号,机构工作级别的特殊要求,是否提供制冷或供热装置等,应另在订货合同中用文字说明。
标记示例:1.额定起重量20/5t,跨度,工作级别A5,室内用吊钩桥式起重机,应标记为:起重机 QD 20/ GB/T144052.额定起重量5t, 跨度,工作级别A6,室外用三用桥式起重机,标记为:起重机 GB/T14405序号5∽7的名称,亦可称为二用桥式起重机。
二.通用门式起重机型号表示方法:□□—□□,工作级别跨度,m,额定起重量,t,代号,见下表注:对于可供用户选择的要素,如电磁吸盘的型号,抓斗的规格,确切的起升高度,司机室的型式及入口方向,运行轨道的型号,大车导电型式,机构工作级别的特殊要求,是否提供制冷或供热装置等,应另在订货合同中用文字说明。
标记示例:1.额定起重量20/5t,跨度22m,工作级别A4,单主梁吊钩门式起重机,应标记为:起重机 MDG 20/5-22A4 GB/T144062.额定起重量50/10+50/101t, 跨度35m,工作级别A4,双梁,双小车吊钩门式起重机,标记为:起重机 ME50/10+50/10-35A4 GB/T14406序号5∽6,12∽13的名称,亦可称为二用门式起重机。
三.手动梁式起重机型号表示方法:SL □—□—□起升高度,m,跨度,m,额定起重量,t,产品代号,标记示例:起重量5t,跨度,起升高度3m 的手动梁式起重机标记为:起重机 JB/T1114-94四.手动桥式起重机型号表示方法:SQ □—□—□起升高度,m,跨度,m,额定起重量,t,产品代号,标记示例:起重量16t,跨度,起升高度的手动桥式起重机标记为:起重机 JB/T1115-94五.电动单梁起重机型号表示方法:□□—□□□操纵方式:地面 D,司机室 S,工作级别跨度,m,额定起重量,t,产品代号,如下:产品代号:1.电动葫芦小车在主梁下翼缘运行,电动葫芦布置在主梁下方的起重机,其产品代号为 LD。
塔式起重机型号代码及款型分类。
目前中国利用的塔机(河南起重机)型号主要有以下十大类型号:一、上回转式塔式起重机:QT;二、上回转自升式塔式起重机:QTZ;3、下回转式塔式起重机:QTX;4、下回转自升式塔式起重机:QTS;五、快速安装式塔式起重机:QTK;六、固定式塔式起重机:QTG;7、爬升式塔式起重机:QTP;八、轮胎式塔式起重机:QTL;九、汽车式塔式起重机:QTQ;10、履带式塔式起重机:QTU.而每一种塔式起重机都按照其公称起重力矩和臂长、结尾起吊重量编列参数,用于进行分辨。
例如,QTZ40(4908)表示的是“公称起重力矩为400KN?m,49米臂长,起重臂49米处起吊(结尾起吊)重量为0,8T的上回转自升式塔式起重机”,其中,40指的是40个力矩单位,1个单位对应10KN?m,括号中的49是臂长,“08”指的是吨。
目前,国内常见的塔机型号有:(3808)——现大体已淘汰、(4206)、QTZ40(4208/4708/4808x/4810)、QTZ50(5008/5010)、QTZ63(5013/5610)、QTZ80(5513/5612)、QTZ100(5516/6010)、QTZ125(6018/6515)。
这些塔机价钱多在数十万至一万万元人民币不等的水平。
故许多施工单位选择了塔吊租赁业务。
塔式起重机款型分类:(1)按结构型式分①固定式塔式起重机:通过连接件将塔身基架固定在地基基础或结构物上,进行起重作业的塔式起重机。
②移动式塔式起重机:具有运行装置,可以行走的塔式起重机。
按照运行装置的不同,又可分为轨道式、轮胎式、履带式。
(2)按回转型式分①上回转塔式起重机:回转支承设置在塔身上部的塔式起重机。
又可分为塔帽回转式、塔顶回转式、上回转平台式、转柱式等形式。
②回转塔式起重机:回转支承设置于塔身底部、塔身相对于底架转动的塔式起重机。
(3)按架设方式分①非自行架设塔式起重机:依托其他起重设备进行组装架设成整机的塔式起重机。
附件1:
起重机械产品型号编制方法(推荐)
注: 1、本方法规定的产品型号,由产品名称代号、结构型式代号和企业特定代号构成,供设计制造、使用、销售、检测、管理等部门使用。
2、起重机械型号规格示例如下:
a) 天津××××厂生产的电动单梁起重机,其电动葫芦安装在角形小车上型号表示为:
LDP TQ 型
b) 武汉××××厂生产的电动单梁起重机,其电动葫芦布置在主梁侧面,型号表示为:
LDC WQ 型
3、对于型号后面的规格(参数),由企业根据相应产品标准中推荐的优先数值表示,若企业产品规格(参数)没有与相应标准中对应的优先数值时,由企业自定。
附件2:
起重机械产品型号备案申请表申报企业名称:(加盖公章)。
塔式起重机命名标准:从命名规则到命名意义塔式起重机是一种高效、灵活、安全的起重机械,广泛应用于建筑工地、码头、港口等场所。
而塔式起重机的命名标准则是塔式起重机的重要组成部分,它不仅是塔式起重机的重要标识,还能够反映出塔式起重机的性能特点和用途范围。
本文将从命名规则到命名意义,详细阐述塔式起重机命名标准的内涵和价值。
一、塔式起重机命名规则塔式起重机命名规则是指根据塔式起重机的结构、性能等特点,制定的一套命名规则。
塔式起重机的命名规则主要包括以下几个方面:1、起重量起重量是指塔式起重机能够承载的最大重量,通常以吨为单位计算。
根据起重量的不同,塔式起重机可以分为小型、中型、大型等不同规格。
例如,QTZ50、QTZ63、QTZ80等型号,分别表示起重量为50吨、63吨、80吨的塔式起重机。
2、臂长臂长是指塔式起重机的起重臂长度,也是塔式起重机的重要参数之一。
臂长越长,起重机的工作范围也就越广。
例如,QTZ80-5513型号中的“5513”表示臂长为55米,起重量为80吨的塔式起重机。
3、型号型号是指塔式起重机的唯一标识,通常由字母和数字组成。
型号中的字母代表塔式起重机的类型,数字则代表其起重量和臂长等参数。
例如,QTZ80-5513型号中的“QTZ”代表塔式起重机,数字“80”代表起重量为80吨,数字“5513”代表臂长为55米。
二、塔式起重机命名意义塔式起重机命名标准不仅是塔式起重机的重要标识,还能够反映出塔式起重机的性能特点和用途范围。
具体来说,塔式起重机命名标准具有以下几个意义:1、标识塔式起重机的型号和规格塔式起重机命名标准可以准确地标识出塔式起重机的型号和规格,使用户能够快速了解塔式起重机的性能特点和用途范围,从而选择适合自己需求的塔式起重机。
2、反映塔式起重机的起重量和臂长塔式起重机的起重量和臂长是塔式起重机的重要参数,也是用户选择塔式起重机的重要依据。
通过塔式起重机命名标准,用户可以直观地了解塔式起重机的起重量和臂长,从而选择适合自己需求的塔式起重机。
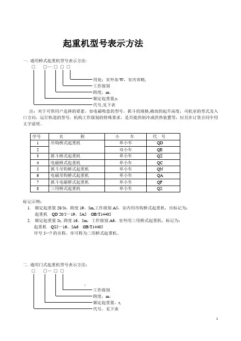
起重机型号表示方法一.通用桥式起重机型号表示方法:□□—□□□用处:室外加W,室内省略,工作级别跨度,m,额定起重量,t,代号,见下表注:对于可供用户选择的要素,如电磁吸盘的型号,抓斗的规格,确切的起升高度,司机室的型式及入口方向,运行轨道的型号,机构工作级别的特殊要求,是否提供制冷或供热装置等,应另在订货合同中用文字说明。
标记示例:1.额定起重量20/5t,跨度19。
5m,工作级别A5,室内用吊钩桥式起重机,应标记为:起重机QD 20/5—19。
5A5 GB/T144052.额定起重量5t, 跨度16。
5m,工作级别A6,室外用三用桥式起重机,标记为:起重机QS5—16。
5A6 GB/T14405序号5∽7的名称,亦可称为二用桥式起重机。
二.通用门式起重机型号表示方法:□□—□□,工作级别跨度,m,额定起重量,t,代号,见下表注:对于可供用户选择的要素,如电磁吸盘的型号,抓斗的规格,确切的起升高度,司机室的型式及入口方向,运行轨道的型号,大车导电型式,机构工作级别的特殊要求,是否提供制冷或供热装置等,应另在订货合同中用文字说明。
标记示例:1.额定起重量20/5t,跨度22m,工作级别A4,单主梁吊钩门式起重机,应标记为:起重机MDG 20/5-22A4 GB/T144062.额定起重量50/10+50/101t, 跨度35m,工作级别A4,双梁,双小车吊钩门式起重机,标记为:起重机ME50/10+50/10-35A4 GB/T14406序号5∽6,12∽13的名称,亦可称为二用门式起重机。
三.手动梁式起重机型号表示方法:SL □—□—□起升高度,m,跨度,m,额定起重量,t,产品代号,标记示例:起重量5t,跨度10。
5m,起升高度3m 的手动梁式起重机标记为:起重机SL5-10.5-3 JB/T1114—94四.手动桥式起重机型号表示方法:SQ □—□—□起升高度,m,跨度,m,额定起重量,t,产品代号,标记示例:起重量16t,跨度16.5m,起升高度12。
起重机型号简介按结构形式,起重机主要分为桥架型起重机和臂架型起重机两类。
1、桥架型起重机主要分为:单梁桥式起重机其符号有:LD、LX、LB、LDY如:LD—电动单梁起重机(LDA)LX—电动单梁悬挂起重机LB—防爆电动单梁起重机LDY—冶金电动单梁起重机双梁桥式起重机其符号有:QD、QDY、QZ、QB、QE、QY、LH、LHB如:QD—吊钩桥式起重机(通用桥式起重机)QDY—铸造桥式起重机QZ—抓斗桥式起重机QB—防爆桥式起重机QE—双小车桥式起重机QY—绝缘桥式起重机LH—电动葫芦桥式起重机LHB—防爆电动葫芦桥式起重机标记示例:额定起重量20/5t,跨度16.5m,工作级别A6,室内用吊钩桥式起重机,应标记为:QD 20/5t-16.5m A6 GB/T 14405单主梁门式起重机其符号有:MDG、MDE、MDZ、MDC、MDN、MDP、MDS、MH、MHDB如:MDG-单梁单小车吊钩门式起重机MDE-单梁双小车吊钩门式起重机MDZ-单梁抓斗门式起重机MDC-单梁电磁门式起重机MDN—单主梁单小车抓斗吊钩门式起重机MDP-单梁抓斗电磁门式起重机MDS—单梁三用门式起重机MH—电动葫芦门式起重机MHDB-电动葫芦半门式起重机双梁门式起重机其符号有:MG、ME、MZ、MC、MP、MS 、MHS、MGB、MHSB如:MG—双梁单小车吊钩门式起重机(A型双主梁门式起重机)ME—双梁双小车吊钩门式起重机MZ-双梁抓斗门式起重机MC-双梁电磁门式起重机MP-双梁抓斗电磁门式起重机MS-双梁三用门式起重机MHS-双梁葫芦门式起重机MGB-双梁单小车吊钩半门式起重机MHSB-双梁葫芦半门式起重机。
起重机型号表示方法一.通用桥式起重机型号表示方法:例如QD 20/5t—22.5m A6 □用处:室外加W,室内省略,工作级别跨度,m,额定起重量,t,代号,见下表注:对于可供用户选择的要素,如电磁吸盘的型号,抓斗的规格,确切的起升高度,司机室的型式及入口方向,运行轨道的型号,机构工作级别的特殊要求,是否提供制冷或供热装置等,应另在订货合同中用文字说明。
标记示例:1.额定起重量20/5t,跨度19.5m,工作级别A5,室内用吊钩桥式起重机,应标记为:起重机QD 20/5-19.5A5 GB/T144052.额定起重量5t, 跨度16.5m,工作级别A6,室外用三用桥式起重机,标记为:起重机QS5-16.5A6 GB/T14405序号5∽7的名称,亦可称为二用桥式起重机。
二.通用门式起重机型号表示方法:□□—□□,工作级别跨度,m,额定起重量,t,代号,见下表注:对于可供用户选择的要素,如电磁吸盘的型号,抓斗的规格,确切的起升高度,司机室的型式及入口方向,运行轨道的型号,大车导电型式,机构工作级别的特殊要求,是否提供制冷或供热装置等,应另在订货合同中用文字说明。
标记示例:1.额定起重量20/5t,跨度22m,工作级别A4,单主梁吊钩门式起重机,应标记为:起重机MDG 20/5-22A4 GB/T144062.额定起重量50/10+50/101t, 跨度35m,工作级别A4,双梁,双小车吊钩门式起重机,标记为:起重机ME50/10+50/10-35A4 GB/T14406序号5∽6,12∽13的名称,亦可称为二用门式起重机。
三.手动梁式起重机型号表示方法:SL □—□—□起升高度,m,跨度,m,额定起重量,t,产品代号,标记示例:起重量5t,跨度10.5m,起升高度3m 的手动梁式起重机标记为:起重机SL5-10.5-3 JB/T1114-94四.手动桥式起重机型号表示方法:SQ □—□—□起升高度,m,跨度,m,额定起重量,t,产品代号,标记示例:起重量16t,跨度16.5m,起升高度12.5m 的手动桥式起重机标记为:起重机SQ16-16.5-12.5 JB/T1115-94五.电动单梁起重机型号表示方法:□□—□□□操纵方式:地面D,司机室S,工作级别跨度,m,额定起重量,t,产品代号,如下:产品代号:1.电动葫芦小车在主梁下翼缘运行,电动葫芦布置在主梁下方的起重机,其产品代号为LD。
塔式起重机型号编制方式一般要求有哪些?为了快速有效地区别各种塔机的品种规格,我们应当了解我国塔机的型号编制方法。
根据JG/T5093-1997《建筑机械与设备产品型号编制方法》的规定,我国塔式起重机的型号编制图示如下:塔式起重机是起(Q)重机大类的塔(T)式起重机组,故前两个字母QT;特征代号看人强调什么特征,如快装式用K,自升式用Z,固定式用G,下回转用X等等。
例如:QTK400代表起重力矩400kNm的快装式塔机。
QTK800B代表起重力矩800kNm的自升式塔机,第二次改装型设计。
但是,以上型号编制方法只表明起重力矩,并不能清楚表示一台塔机到底工作最大幅度是多大,在最大幅度处能吊多重。
而这个数据往往更能明确表达一吧塔机的工作能力,用户更为关心,所以现在又有一种新的型号标识方法,它的编制如下:这个型号标记方法不成正式标准,但很受欢迎,传播应用较广泛,我们应该掌握。
此处某些生产厂还用自己的型号标识方法。
例:JL150即江麓厂生产的QTZ150塔机。
国产塔式起重机的编号含义(2011-11-02 15:23:57)根据建设部ZBJ04008-88《建筑机械与设备产品型号编制方法》的规定,塔式起重机的型号组成如下:QTZ 80HQTZ------组、型、特性代号(Q表示起重机;T表示塔式;Z表示自升)80------最大起重力矩(吨·米)H------更新、变型代号其中,更新、变型代号用汉语拼音字母(大写印刷体)表示;主要参数代号用阿拉伯数字表示,它等于塔式起重机额定起重力矩(单位为kN·m)组、型、特性代号含义如下:QT上回转式塔式起重机QTZ上回转自升式塔式起重机QTA下回转式塔式起重机QTK快速安装式塔式起重机QTP内爬升式塔式起重机QTG固定式塔式起重机QTQ汽车式塔式起重机QTL轮胎式塔式起重机QTU履带式塔式起重机另外,现在有的塔机厂家,根据国外标准,用塔机最大臂长(m)与臂端(最大幅度)处所能吊起的额定重量(KN)两个主参数来标记塔机的型号。
塔吊型号定义如QTZ40(4208)QTZ——自升式塔式起重机40 ——公称起重力力矩为400KN·m42 ——臂长42M08 ——在臂端42M处起重量为0.8T塔吊臂长是指塔身中心到起重小车吊钩中心的距离。
塔吊臂长随着小车的行走是变化的,随着塔吊臂长的变化,塔吊的起重能力也是变化的。
通常以塔吊最大工作幅度作为塔吊臂长的参数。
如臂长结构尺寸是42.94米,但最大起重臂长是42米。
实际工作臂长是3米到42米。
3-13.66的臂长起重量最大,也就是最大起重量为3吨。
最大起重臂长42米的时候,塔吊起重能力最小,仅为0.797吨。
现国内常用塔吊型号如下QTZ31.5(3808)|(4206)|(4306)QTZ40 (4208)|(4708)|(4808)|(4908)QTZ50 (5008)|(5010)QTZ63 (5013)|(5310)|(5610)QTZ80 (5312)|(5513)|(6010)QTZ125 (5025)|(5522)|(6018)|QTZ160 (6024)|(6516)|(7012)QTZ250 (7030)|(7520)QTZ315 (7040)|(7530)编辑本段塔吊使用年限的规定根据《建设部关于发布建设事业“十一五”推广应用和限制禁止使用技术(第一批)的公告》(第659号),对建筑施工塔式起重机(TOWER CRANE)的使用年限作如下规定:(一)下列三类塔吊,超过年限的由有资质评估机构评估合格后,方可继续使用:(二)⒈ 630kN.m以下(不含630kN.m)、出厂年限超过10年(不含10年)的塔机;(三)⒉ 630~1250kN.m(不含1250kN.m)、出厂年限超过15年(不含15年)的塔机;(四)⒊ 1250kN.m以上、出厂年限超过20年(不含20年)的塔机。
(五)若塔吊使用说明书规定的使用年限小于上述规定的,应按使用说明书规定的使用年限QTZ31.5塔吊型号主要特点:1.该塔机荣获建设部最新科研成果科技进步三等奖;2.40m的超长臂架,国内首创的单吊点、变截面、变模数设计;3.全新概念的封闭式踏步与滑插式顶升横梁,从根本上解决了接高与降塔的安全问题;4.定位准确的机构运动限位,高重复精度的力矩、起重量限制器;5.独特可靠的小车防断轴装置和小车防断绳安全装置;6.使用性能大部分超过国家标准,整机性能居全国同型号产品之上;7.结构件全部采用CO2气体保护焊接,强度高;8.框式底梁备有整体式基础,十字底梁备有整体式和压重式两种基础供选用。
塔吊型号参数辨认方法塔式起重机(towercrane)简称塔机,亦称塔吊,起源于西欧。
动臂装在高耸塔身上部的旋转起重机。
作业空间大,主要用于房屋建筑施工中物料的垂直和水平输送及建筑构件的安装。
由金属结构、工作机构和电气系统三部分组成。
金属结构包括塔身、动臂和底座等。
工作机构有起升、变幅、回转和行走四部分。
电气系统包括电动机、控制器、配电柜、连接线路、信号及照明装置等。
现在有的塔机厂家,根据国外标准,用塔机最大臂长(m)与臂端(最大幅度)处所能吊起的额定重量(KN)两个主参数来标记塔机的型号。
重机汇专注工程机械租赁,随时随地找设备找活。
重机汇专注工程机械租赁随时随地找设备找活如QTZ1OO又一标记为TC5613,其意义:TC--561356——最大臂长56mT一一塔的英语第一个字母(ToWer)C---起重机英语第一个字母(Crane)13——臂端起重量13KN(1.3吨)现国内常用塔吊型号如下:QTZ31.5:3808、4206、4306QTZ40:4208、4708、4808、4908QTZ50:5008、5010QTZ63:5013、5310、5610QTZ80:5312>5513、6010QTZ125:5025、5522、6018QTZ160:6024、6516、7012QTZ250:7030、7520QTZ315:7040、7530国产塔式起重机的编号含义QTZ是国产塔吊的型号代码,表示自升式塔吊。
国产塔吊现在的型号主要有以下几种方式:1、QTZXX——XX是数字,表示公称起重力矩(单位t・m),如QTZ63,表示公称起重力矩为63t ・m的自升塔吊。
2、QTZXXXX——XXXX也是数字,但与方式(1)不同,如QTZ5015,50表示起重臂最长为50m,15表示50m臂端载荷1.5t03、[英文字母]XXXX——英文字母代表塔吊生产商,也有用“TC”字母,TC就是英文TowerCrane (塔吊),XXXX含义同方式如C7027表示四川建机生产的自升塔吊,70表示臂长最大为70m,27表示臂端载荷2.7t;又如TC6515根据建设部ZBJ04008-88《建筑机械与设备产品型号编制方法》的规定,塔式起重机的型号组成如下:QTZ80HQTZ一一组、型、特性代号,80----最大起重力矩(吨•米)H—更新、变型代号:其中,更新、变型代号用汉语拼音字母(大写印刷体)表示;主要参数代号用阿拉伯数字表示,它等于塔式起重机额定起重力矩(单位为kN∙m)×10-1;组、型、特性代号含义如下:QT——上回转式塔式起重机QTZ——上回转自升式塔式起重机QTA——下回转式塔式起重机QTK——快速安装式塔式起重机QTP——内爬升式塔式起重机QTG -------- 固定式塔式起重机QTQ 汽车式塔式起重机QTU——履带式塔式起重机QTZ40额定起重力矩400KN∙m最大起重量4t,最大工作幅度42∕46∙8∕5Om独立式高度29m附着式高度12Om,起升速度7/40/6Om∕min回转速度0.37∕0.73r∕min变幅速度,22∕33m∕min顶升速度0.6m/min 平衡重56.5t塔机自重23.526.16t电源380V,50Hz工作温度60~+40°C功率:24.3kWoQTZ63额定起重力矩630KN.m最大起重量6t,最大工作幅度50I45m独立式高度40m附着式高度14Om 起升速度,7∕32∕64m∕min回转速度0.4∕0.6r∕min变幅速度20/4Om∕min顶升速度0∙4m∕min平衡重12I1t塔机自重42.33电源380V,50Hz工作温度-12~+40°C,功率39.6kw功率:39.6kwQTZ80公称起重力矩800KN.m最大起重量6t8t工作幅度56m独立式高度45m附着式高度180r∏o起升速度7/32/640~40∕80m∕min回转速度0~0.6r∕min,变幅速度8/27/540~42(8∕27∕54)m∕min塔机自重(独立式)61.95t平衡重15.55t,工作环境温度-20~+40C功率:45.6kwoQTZ125公称起重力矩1250KN.m最大起重量8t,最大幅度处额定起重量1.5t工作幅度60m独立式高度50m附着式高度163m,起升速度2倍率Ioo2tm∕min,4倍率504tm/min回转速度0~0∙6r/min 变幅速度8.8/29.3/68.6m/min最大回转半径62m尾部回转半径17m结构自重(独立式)48.81平衡重14.5t,整机重(独立式)63.3t最大工作风速20m/s顶升操作风速(不大于)13m/s工作环境温度-20+40℃功率:52.6kw。
序号名称特征型号(代号)依据1 吊钩桥式起重机单小车QD GB/T14405-932 双小车QE3 抓斗桥式起重机单小车QZ4 电磁桥式起重机QC5 抓斗吊钩桥式起重机QN6 电磁吊钩桥式起重机QA7 抓斗电磁桥式起重机QP8 三用桥式起重机QS9 吊钩门式起重机双梁单小车MG GB/T14406-9310 双梁双小车ME11 抓斗门式起重机双梁单小车MZ12 电磁门式起重机MC13 抓斗吊钩门式起重机MN14 抓斗电磁门式起重机MP15 三用门式起重机MS16 吊钩门式起重机单主梁单小车MDG17 单主梁双小车MDE18 抓斗门式起重机单主梁单小车MDZ19 电磁门式起重机MDC20 抓斗吊钩门式起重机MDN21 抓斗电磁门式起重机MDP22 三用门式起重机MDS23 电动单梁起重机小车在主梁下方,JB/T1306-94葫芦布置在主梁下方LD24 葫芦装在角形小车上LDP25 电动单梁起重机小车在主梁下方,葫芦布置在主梁侧面LDC26 电动单梁悬挂起重机小车在主梁下方,葫芦布置在主梁下方LX JB/T2603-9427 小车在主梁下方,葫芦布置在主梁侧面LXC28 电动葫芦桥式起重机LH JB/T3695-9429 防爆桥式起重机QB JB5897-9130 防爆电动单梁起重机LB JB/T10219-200131 防爆电动单梁悬挂起重机LXDB32 防爆电动葫芦桥式起重机LHB33 电动葫芦吊钩门式起重机MH JB/T5663.1-9134 电动葫芦抓斗门式起重机MHZ35 电动葫芦电磁门式起重机MHC36 淬火起重机YH JB5989-9137 料耙起重机刚性料耙YP JB5899-9138 柔性料耙YN39 定柱式旋臂起重机旋臂回转电动BZD JB/T8906-199940 旋臂回转手动BZ41 壁式(壁柱式)旋臂起重机旋臂回转电动BXD42 旋臂回转手动BX43 抓斗电动单梁起重机LZ JB2083-7344 吊钩抓斗电动单梁起重机LL45 防腐电动梁式起重机LF46 电磁电动梁式起重机LC47 冶金梁式起重机LY48 超卷扬桥式起重机QJ49 挂梁桥式起重机QG50 电磁挂梁桥式起重机QL51 绝缘桥式起重机QY52 慢速桥式起重机QM53 料箱起重机YX54 加料起重机YL55 有轨地上加料起重机YG56 铸造起重机YZ57 脱锭起重机YT58 揭盖起重机YJ59 夹钳起重机YQ60 板坯夹钳起重机YB61 旋转电磁起重机YC62 锻造起重机YD63 半龙门起重机MB64 集装箱龙门起重机MJ65 装卸桥MQ66 集装箱装卸桥MX附件:起重机械产品型号编制方法(推荐)产品名称代号用大写印刷体汉语拼音字母表示。
结构吊装工程:汽车起重机14-2-2 汽车起重机14-2-2-1 概述汽车起重机按起重量大小分为轻型、中型和重型三种。
起重量在20t以内的为轻型,50t及以上的为重型;按起重臂形式分为桁架臂或箱形臂两种;按传动装置形式分为机械传动、电力传动、液压传动三种。
表14-39为按传动装置形式进行的分类和表示方法。
汽车起重机型号分类及表示方法表14-3914-2-2-2 轻型汽车起重机轻型汽车起重机的生产厂家很多。
相同型号者,其技术性能和起重特性相近,但不完全相同。
现将北京起重机械厂、徐州重型机械厂、长江起重机厂生产的8t、12t、16t 的汽车起重机的主要技术性能和起重特性列于表14-40~表14-43中。
几种轻型汽车起重机主要技术性能表14-40(支腿全伸,侧向和后向作业)表14-41注:额定起重量包括吊钩自重68kg。
QY12型(长江)汽车起重机起重特性(支腿全伸,侧向和后向作业)表14-42(支腿全伸,侧向和后向作业)表14-43注:装副臂时,主吊钩起重量应减去400kg。
14-2-2-3 中型汽车起重机中型汽车起重机的主要规格有20t、25t、32t、40t,其主要技术性能和起重特性见表14-44~表14-49。
几种中型(20~40t)汽车起重机主要技术性能表14-44(支腿全伸,侧向和后向作业)表14-45注:表中数值不包括吊钩及吊具自重。
QY25A(徐州)汽车起重机主臂起重特性(支腿全伸,侧向和后向作业)表14-46(支腿全伸,侧向和后向作业)表14-47QY32型(徐州)汽车起重机起重特性(支腿全伸,侧向和后向作业)表14-48注:表中起重量包括吊钩自重(主钩350kg,副钩70kg)。
QY40型(长江)汽车起重机起重特性(支腿全伸,侧向和后向作业)表14-4914-2-2-4 重型汽车起重机重型汽车起重机的主要规格有50t、75t、125t,其主要技术性能和起重特性见表14-50~14-55。