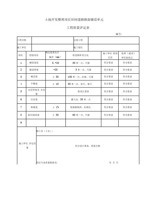
土地开发整理项目田间道路路面铺设单元工程质量评定表
- 格式:doc
- 大小:175.00 KB
- 文档页数:17
土地开发整理项目田间道路路面铺设单元
工程质量评定表
工程质量报验表
土地开发整理项目
砼预制面板铺设单元工程质量检查评定记录表
工程质量报验表
土地开发整理项目
砼预制面板铺设单元工程质量检查评定记录表
工程质量报验表
土地开发整理项目田间道路路面铺设单元
工程质量评定表
工程质量报验表
编号:
土地开发整理项目屋面找平层单元
工程质量验收记录表
工程质量报验表
土地开发整理项目
砖砌体(渠)单元工程质量检验评定记录表
工程质量报验表
土地开发整理项目
管涵安装单元工程质量检验评定记录表
施工月报表
施工月报表。
田间道路路基路面铺设单元工程质量验收记录表
摘要:
一、引言
二、田间道路路基路面铺设单元工程概述
三、质量验收记录表的内容与要求
四、质量验收对于工程的重要性
五、结论
正文:
一、引言
随着我国农村基础设施建设的不断完善,田间道路的路基路面铺设工程质量日益受到重视。
为了保证工程质量,规范验收流程,本文将对田间道路路基路面铺设单元工程质量验收记录表进行详细解析。
二、田间道路路基路面铺设单元工程概述
田间道路路基路面铺设单元工程主要包括:路基处理、路面结构层施工、路面面层施工等。
这些环节都需要按照设计图纸、施工规范及验收标准进行,以确保工程质量。
三、质量验收记录表的内容与要求
质量验收记录表是记录工程质量验收过程和结果的重要文件。
它主要包括以下内容:工程名称、工程地点、工程规模、验收单位、验收人员、验收日期等。
同时,质量验收记录表要求字迹清晰、数据准确、内容完整,以方便查阅和分析。
四、质量验收对于工程的重要性
质量验收是确保工程质量的关键环节,对于田间道路路基路面铺设单元工程而言,更是至关重要。
通过质量验收,可以及时发现和纠正施工过程中的质量问题,提高工程质量。
同时,质量验收记录表也是评价工程质量的重要依据,对于工程后期的维护和管理具有重要意义。
五、结论
田间道路路基路面铺设单元工程质量验收记录表是保证工程质量的重要工具,对于工程的建设、维护和管理具有重要意义。
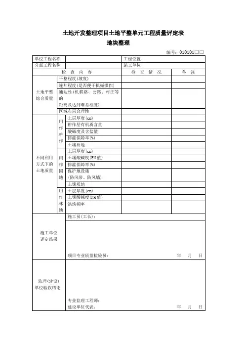
土地开发整理项目土地平整单元工程质量评定表地块整理土地开发整理项目农沟砼浇筑单元工程质量评定表单位工程名称工程位置分部工程名称施工单位项次检查项目质量标准施工单位检查评定记录监理(建设)位验收记录优良合格1砂浆铺筑厚度不大于3cm、均匀平整、无漏铺厚度不大于3cm,局部稍差2△入仓混凝土料无不合格料入仓少量不合格料入仓,经处理尚能基本满足要求3△平仓分层厚度不大于50cm,铺设均匀,分层清楚,无骨料集中现象局部稍差4△混凝土振捣垂直插入下层5cm,有次序,无漏振无架空和漏振5△铺料间歇时间符合要求,无初凝现象上游迎水面15m以内无初凝现象,其他部位初凝累计面积不超过1%并经处理合格6积水和泌水无外部水流入,泌水排除及时无外部水流入,有少量泌水,排除不够及时7混凝土养护混凝土表面保持湿润,无时干时湿现象混凝土表面保持湿润,但局部短时间有时干时湿现象8△有表面平整要求的部位符合设计规定局部稍超出规定,但累计面积不超过0.5%9麻面无少量10蜂窝狗洞无11△露筋无12碰损掉角无13表面裂缝无14△深层及贯穿裂缝无施工单位检查评定结果施工员(工长):项目专业质量检验员:年月日监理(建设)位验收结论专业监理工程师:建设单位代表:年月日土地开发整理项目预制U型槽安装单元工程质量检验评定表土地开发整理项目砼预制板(构件) 制做单元工程质量检验记录表(表Ⅰ)土地开发整理项目砼预制面板铺设单元工程质量检查评定记录表(表Ⅱ)土地开发整理项目管涵安装单元工程质量检验记录表土地开发整理项目混凝土伸缩缝及止水单元工程质量检验记录表工程名称施工单位分部工程名称施工部位序号检验项目质量要求施工单位检查评定记录监理(建设)单位验收记录1材料(包括沥青及混合物材料配比)原材料质量及配合比符合实际要求2结构形式及位置尺寸符合实际要求3安装止水要平直,无变形撕裂,应连接紧密,沥青封闭良好,止水伸入基岩的部位应符合实际要求4连接(金属双面气焊、塑料及胶热线连接长度符合设计要求或规范要求,焊缝或粘接处紧密无空洞、无脱离,表面光滑无裂纹5伸缩缝(槽)处理(1)混凝土表面平整,无蜂窝麻面、起皮、起砂、洁净、干燥(2)稀料冷底子涂刷均匀再敷涂,要求沥青与混凝土面粘连均匀、紧密(3)嵌缝材料施工工艺符合要求,锚压牢固,形成较牢固的密封6嵌缝保护层粘连牢固、覆盖严密施工单位检查评定结果施工员 (工长):项目专业质量检验员:年月日监理(建设)单位验收结论专业监理工程师:建设单位代表:年月日土地开发整理项目田间道路路面铺设单元工程质量检验记录表土地开发整理项目土地平整单元工程质量检验评定表(表Ⅱ)项目名称:工程位置:土地开发整理项目(建筑物)石砌体单元工程质量验收记录表GB50203-2002编号:050104□□土地开发整理项目建筑物模板拆除单元工程质量验收记录表GB50204-2002(‖)编号:050105□□土地开发整理项目钢筋加工单元工程质量验收记录表GB50204-2002(Ⅰ)编号:050106□□土地开发整理项目建筑物钢筋安装单元工程质量验收记录表GB50204-2002(Ⅱ)编号:050106□□G28土地开发整理项目建筑物混凝土施工单元工程质量验收记录表GB50204-2002编号:050107□□G29土地开发整理项目基土垫层单元工程质量验收记录表GB50209-2002(Ⅰ)编号:050108 □□G3土地开发整理项目土方开挖单元工程质量验收记录表010201□□020101□□编号:020301□□030101□□G30土地开发整理项目砂垫层和砂石垫层单元工程质量验收记录表GB50209-2002(‖)G3-1土地开发整理沃土剥离分项工程评定表G3-2土地开发整理项目土地平整田坎砌筑质量验收评定表G4土地开发整理项目土方回填单元工程质量验收记录表010202□□010102□□编号:020302□□020402□□030102□□土地开发整理项目浆砌石、挡土墙单元工程质量检验报告单编号:010203□□020104□□020206□□土地开发整理项目原土开挖沟、渠单元工程质量检验评定记录表土地开发整理项目砖砌体(渠)单元工程质量检验评定记录表020105□□编号:020205□□土地开发整理项目农田水利混凝土模板单元工程质量评定表编号:020106□□项目施工管理人员一览表编号:承包单位各存一份。
工程质量评定表编号:(监理单位)致:现我方已完成部位的工程, 经我方检验符合设计、造价人才网规范要求,请予以验收。
附件:隐蔽工程检查记录表工序(单元工程)工程质量检验记录承包单位: 负责人:审查意见:审查结论:匚程质量报验表 编号: 工程名称日期土地开发整理项目砼预制面板铺设单元工程质量检查评定记录表编号:(监理单位)致:现我方已完成部位的工程, 经我方检验符合设计、监理工程师论坛规范要求,请予以验收。
附件:隐蔽工程检查记录表工序(单元工程)工程质量检验记录承包单位: 负责人:审查意见:审查结论:匚程质量报验表 编号: 工程名称日期土地开发整理项目砼预制面板铺设单元工程质量检查评定记录表编号:土地开发整理项目田间道路路面铺设单元(监理单位)致:现我方已完成部位的工程, 经我方检验符合设计、规范要求,请予以验收。
附件:.□ 隐蔽工程检查记录表.□ 工序(单元工程)工程质量检验记录承包单位: 负责人:审查意见:审查结论:匚程质量报验表编号:工程名称日期监理单位名称: 监理工程师:日期:工程质量评定表编号:土地开发整理项目田间道路路面铺设单元匚程质量报验表编号:工程名称 日期□合格 □不合格监理单位名称: 监理工程师:日期:(监理单位)经我方检验符合设计、规范要求,请予以验收。
附件:.□ 隐蔽工程检查记录表.□ 工序(单元工程)工程质量检验记录承包单位: 审查意见:致:现我方已完成部位的 工程,负责人:土地开发整理项目田间道路路面铺设单元审查结论:土地开发整理项目屋面找平层单元单位工程名称分部工程名称施工单位分包单位工程质量验收记录表编号:施工执行标准名称及编号施工质量验收规范的规定验收部位项目经理施工单位检查评定结果监理(建设)单位验收结论材料质量及配合比排水坡度交接处和转角处细部处理表面质量分格缝位置和间距表面平整度允许偏差专业工长(施工员):项目专业质量检验员:专业监理工程师:GB50207-2002设计要求设计要求第4.1.9条第4.1.10条第4.1.11条5mm分包项目经理施工单位检查评定记录符合设计要求,质量合格同意验收(建设单位项目专业技术负责人)符合要求符合要求符合要求符合要求符合要求监理(建设)单位验收记录符合要求符合要求施工班组长(监理单位)致:现我方已完成部位的工程, 经我方检验符合设计、规范要求,请予以验收。
土地开发整理工程项目规划表
土地开发整理工程项目划分表(续)
土地开发整理项目
单元工程施工质量评定表工程名称:编号
土地开发整理项目
土地平整工程放线记录工程名称:编号:
土地平整工程挖填土方质量检验表工程名称:编号:
土地开发整理项目
土地平整工程田坎质量检验表
工程名称:编号:
土地开发整理项目
单元工程施工质量评定表工程名称:编号
土地开发整理项目
田间路工程放线定位质量检验表工程名称:编号:
田间路工程路槽开挖质量检验表(隐蔽)
工程名称:
编号:
土地开发整理项目
田间路工程路基质量检验表(隐蔽)
工程名称:编号:
田间路工程泥结碎石面层质量检验表工程名称:编号:
土地开发整理项目
田间路工程砼面层质量检验表(隐蔽)工程名称:编号:
土地开发整理项目
田间路工程养护记录表
工程名称:编号:
土地开发整理项目
单元工程施工质量评定表工程名称:编号
土地开发整理项目
生产路工程放线定位质量检验表
工程名称:编号:
土地开发整理项目
生产路工程路槽开挖质量检验表(隐蔽)工程名称:编号:
土地开发整理项目
生产路工程面层质量检验表(隐蔽)工程名称:编号:
土地开发整理项目
桥涵工程放线定位质量检验表工程名称:编号:
桥涵工程基坑开挖质量检验表(隐蔽)工程名称:编号:
机井工程放线定位质量检验表工程名称:编号:
机井工程钻孔质量检验表(隐蔽)工程名称:编号:
机井工程井管安装质量检验表(隐蔽)工程名称:编号:
..
Word资料.。
(完整word版)田间道路工程质量评定表4. 田间道路工程质量评定表(1)单项工程质量评定表(2)单位工程质量评定表(3)分部工程质量评定表(4)单元工程质量评定表(5)各工序质量评定表单项工程质量评定表项目名称第标段施工单位施工日期单项工程名称单项工程量项目经理评定日期年月日项次单位工程名称质量等级1234施工质量检验资料单项工程质量等级施工单位自评结果技术负责人:年月日质量等级监理单位复核意见总监理工程师:年月日质量等级项目承担单位认定技术负责人:年月日质量等级单位工程质量评定表项目名称第标段施工单位单项工程名称单位工程量单位工程名称施工日期项目经理评定日期年月日项次分部工程名称质量等级1234观感质量单位工程质量等级施工单位自评结果技术负责人:年月日质量等级监理单位复核意见总监理工程师:年月日质量等级项目承担单位认定技术负责人:年月日质量等级分部工程质量评定表项目名称第标段施工单位施工日期单项工程名称分部工程量单位工程名称评定日期年月日分部工程名称项目经理项次单元工程名称质量等级1234分部工程质量等级施工单位自评结果技术负责人:年月日质量等级监理单位复核意见总监理工程师:年月日质量等级项目承担单位认定技术负责人:年月日质量等级单元工程质量评定表项目名称第标段施工单位施工日期单项工程名称单元工程名称单位工程名称单元工程量分部工程名称评定日期年月日项目经理技术负责人项次评定内容结论1 工序施工质量2 原材料、中间产品质量3 质量检查、检验记录单元工程质量等级施工单位自评结果质检负责人:质量等级监理单位复核意见监理工程师:质量等级项目承担单位认定技术负责人:质量等级图们市农村土地整治重大工程项目路基开挖工序质量评定表项目名称图们市农村土地整治重大工程项目第六标段施工单位吉林天宇建设集团股份有限公司施工日期单项工程名称道路工程单元工程名称单位工程名称田间道工序工程量分部工程名称改建4m一级田间道评定日期年月日施工执行标准名称及编号施工质量验收规范的施工单查检查评定记录验收记录主控项目1基础清理和处理表层无杂物,乱石、危岩、残积物、滑坡图、破碎带、排水、洞穴、泉眼等均已按设计要求处理基础表面压实符合设计要求一般项目1 表面清理填筑层内无草皮、树根、乱石等杂物,刨毛符合要求2基础面高-20cm~03 中线偏位5cm4基础清理宽度0.5m5 横披±0.56 边坡符合设计要求施工单位检查评定结果专业工长(施工员)施工班组工专业质量检查员:年月日监理单位复核结论专业监理工程师:年月日项目承担单位认定技术负责人:年月日项目名称第标段施工单位施工日期单项工程名称单元工程名称单位工程名称工序工程量分部工程名称评定日期年月日施工执行标准名称及编号施工质量验收规范的施工单查检查评定记录验收记录主控项目1 基底处理基底平整、压实符合设计要求2 路基填料符合设计要求路基压实符合设计要求一般项目1基础清理和清除地表植被、杂物、积水、淤泥和表土,特殊地质地段按设计要求进行处理2 铺料土料分层铺料厚度均匀,表面平整,边线整齐;实力逐层水平摆放平稳,码砌边部3 碾压碾压密实,无漏压、欠压4 外观路基平面,边线直顺,曲线圆滑;路基边坡坡面平顺、稳定,不得亏坡5 排水沟布置符合设计要求1 中线偏位5cm2 宽度±3cm3 平整度2cm/3m4 纵断面高程-2cm~+1cm施工单位检查评定结果专业工长(施工员)施工班组工专业质量检查员:年月日监理单位复核结论专业监理工程师:年月日项目承担单位认定技术负责人:年月日项目名称第标段施工单位施工日期单项工程名称单元工程名称单位工程名称工序工程量分部工程名称评定日期年月日项类检查项目质量标准质量评定主控项目1 原地表处理植被、杂物、积水和表土等须清除,明显的凹凸应处理。
土地开发整理工程项目规划表
土地开发整理工程项目划分表(续)
土地开发整理项目
单元工程施工质量评定表
注:单元工程评定分为:合格和不合格,合格率≥50%为合格、合格率<50%为不合格。
土地开发整理项目
土地平整工程放线记录
土地开发整理项目
土地平整工程挖填土方质量检验表
土地开发整理项目
土地平整工程田坎质量检验表
土地开发整理项目
单元工程施工质量评定表
注:单元工程评定分为:合格和不合格,合格率≥50%为合格、合格率<50%为不合格。
土地开发整理项目
田间路工程放线定位质量检验表
土地开发整理项目
田间路工程路槽开挖质量检验表(隐蔽)
土地开发整理项目
田间路工程路基质量检验表(隐蔽)
土地开发整理项目
田间路工程泥结碎石面层质量检验表
土地开发整理项目
田间路工程砼面层质量检验表(隐蔽)
土地开发整理项目 田间路工程养护记录表
工程名称:
编号:
土地开发整理项目
单元工程施工质量评定表
注:单元工程评定分为:合格和不合格,合格率≥50%为合格、合格率<50%为不合格.
土地开发整理项目
生产路工程放线定位质量检验表
土地开发整理项目
生产路工程路槽开挖质量检验表(隐蔽)
土地开发整理项目
生产路工程面层质量检验表(隐蔽)
土地开发整理项目
桥涵工程放线定位质量检验表
土地开发整理项目
桥涵工程基坑开挖质量检验表(隐蔽)
土地开发整理项目
机井工程放线定位质量检验表
土地开发整理项目
机井工程钻孔质量检验表(隐蔽)
土地开发整理项目
机井工程井管安装质量检验表(隐蔽) 工程名称:编号:。
土地开发整理工程项目规划表
土地开发整理工程项目划分表(续)
工程名称:编号
50%为合格、合格率V 50%为不合格。
:
50%为合格、合格率V 50%为不合格。
土地开发整理项目
田间路工程路槽开挖质量检验表(隐蔽)工程名称:编号:
工程名称:编号:
工程名称:编号:
土地开发整理项目
田间路工程砼面层质量检验表(隐蔽)工程名称:编号:
工程名称:编号:
50%为合格、合格率V 50%为不合格。
土地开发整理项目
生产路工程路槽开挖质量检验表(隐蔽)工程名称:编号:
桥涵工程放线定位质量检验表
工程名称:编号:
桥涵工程基坑开挖质量检验表(隐蔽)工程名称:编号:
机井工程放线定位质量检验表
工程名称:编号:
机井工程钻孔质量检验表(隐蔽)工程名称:编号:
土地开发整理项目
机井工程井管安装质量检验表(隐蔽)。
土地开发整理项目田间道路路面铺设单元
工程质量评定表
工程质量报验表
土地开发整理项目
砼预制面板铺设单元工程质量检查评定记录表
工程质量报验表
土地开发整理项目
砼预制面板铺设单元工程质量检查评定记录表
工程质量报验表
土地开发整理项目田间道路路面铺设单元
工程质量评定表
工程质量报验表
土地开发整理项目屋面找平层单元工程质量验收记录表
工程质量报验表
土地开发整理项目
砖砌体(渠)单元工程质量检验评定记录表
工程质量报验表
土地开发整理项目
管涵安装单元工程质量检验评定记录表
施工月报表
施工月报表。
土地开发整理工程项目规划表
土地开发整理工程项目划分表(续)
土地开发整理项目
单元工程施工质量评定表
工程名称:编号
土地平整工程放线记录
50%为合格、合格率V 50%为不合格。
土地平整工程放线记录
土地平整工程挖填土方质量检验表
:
土地平整工程田坎质量检验表
土地开发整理项目
单元工程施工质量评定表
50%为合格、合格率V 50%为不合格。
土地开发整理项目
田间路工程放线定位质量检验表
土地开发整理项目
田间路工程路槽开挖质量检验表(隐蔽)
田间路工程路基质量检验表(隐蔽)
工程名称:编号:
田间路工程泥结碎石面层质量检验表
工程名称:编号:
土地开发整理项目
田间路工程砼面层质量检验表(隐蔽)
田间路工程养护记录表
工程名称:编号:
单元工程施工质量评定表
工程名称:编号
50%为合格、合格率V 50%为不合格。
土地开发整理项目
生产路工程放线定位质量检验表
工程名称:编号:
土地开发整理项目
生产路工程路槽开挖质量检验表(隐蔽)工程名称:编号:
土地开发整理项目
生产路工程面层质量检验表(隐蔽)
桥涵工程放线定位质量检验表
工程名称:编号:
桥涵工程基坑开挖质量检验表(隐蔽)工程名称:编号:
机井工程放线定位质量检验表
机井工程钻孔质量检验表(隐蔽)工程名称:编号:
土地开发整理项目
机井工程井管安装质量检验表(隐蔽)。
土地开发整理项目田间道路路面铺设单元
工程质量评定表
工程质量报验表
土地开发整理项目
砼预制面板铺设单元工程质量检查评定记录表
工程质量报验表
土地开发整理项目
砼预制面板铺设单元工程质量检查评定记录表
工程质量报验表
土地开发整理项目田间道路路面铺设单元
工程质量评定表
工程质量报验表
编号:
土地开发整理项目屋面找平层单元
工程质量验收记录表
工程质量报验表
土地开发整理项目
砖砌体(渠)单元工程质量检验评定记录表
工程质量报验表
土地开发整理项目
管涵安装单元工程质量检验评定记录表
施工月报表
编制单位:日期:
施工月报表
编制单位:日期:
(注:本资料素材和资料部分来自网络,仅供参考。
请预览后才下载,期待你的好评与关注!)。