钣金加工计算公式集合.pdf
- 格式:pdf
- 大小:622.72 KB
- 文档页数:16
钣金展开计算方法(总7页) -本页仅作为预览文档封面,使用时请删除本页-钣金展开计算方法计算方法展开的基本公式:展开长度=料内+料内+补偿量1 R=0,折弯角θ=90°(T<,不含L=(A-T)+(B-T)+K=A+B-2T+上式中取:λ=T/4K=λ*π/2=T/4*π/2=2 R=0,θ=90° (T≧,含L=(A-T)+(B-T)+K=A+B-2T+上式中取:λ=T/3K=λ*π/2=T/3*π/2=3 R≠0?θ=90°L=(A-T-R)+(B-T-R)+(R+λ)*π/2当R?≧5T时?λ=T/21T≦R <5Tλ=T/30 < R<tλ=t 4<="" p=""></t?λ=t>(实际展开时除使用尺寸计算方法外,也可在确定中性层位置后,通过偏移再实际测量长度的方法.以下相同)4 R=0?θ≠90°λ=T/3L=[A-T*tan(a/2)]+[B-T*tan(a/2)]+T/3*a(a单位为rad,以下相同)5 R≠0?θ≠90°L=[A-(T+R)* tan(a/2)]+[B-(T+R)*tan(a/2)]+(R+λ)*a当R?≧5T时?λ=T/21T≦R <5Tλ=T/30 < R<tλ=t 4<="" p=""></t?λ=t>6 Z折1.计算方法请示上级,以下几点原则仅供参考:(1)当C≧5时,一般分两次成型,按两个90°折弯计算.(要考虑到折弯冲子的强度)L=A-T+C+B+2K(2)当3T<c<5时:</c<5时L=A-T+C+B+K(3)当C≦3T时<一次成型>:L=A-T+C+B+K/27?Z折2.C≦3T时<一次成型>:L=A-T+C+B+D+K8?抽芽抽芽孔尺寸计算原理为体积不变原理,即抽孔前后材料体积不变;ABCD四边形面积=GFEA所围成的面积.一般抽孔高度不深取H=3P(P为螺纹距离),R=EF见图∵T*AB=(H -EF)*EF+π*(EF)2/4∴AB={H*EF+(π/4-1)*EF2}/T∴预冲孔孔径=D?–2ABT≧时,取EF=60%T.在料厚T<时,EF的取值请示上级.9?方形抽孔方形抽孔,当抽孔高度较高时(H>Hmax),直边部展开与弯曲一致,圆角处展开按保留抽高为H=Hmax的大小套弯曲公式展开,连接处用45度线及圆角均匀过渡,当抽孔高度不高时(H≦Hmax)直边部展开与弯曲一致,圆角处展开保留与直边一样的偏移值.以下Hmax取值原则供参考.当R≧4MM时:材料厚度T=~取Hmax?=4T材料厚度T=~取Hmax?=5T材料厚度T=~取Hmax?=6T材料厚度T≦取Hmax?=8T当R<4MM时,请示上级.10压缩抽形1 (Rd≦原则:直边部分按弯曲展开,圆角部分按拉伸展开,然后用三点切圆(PA-P-PB)的方式作一段与两直边和直径为D的圆相切的圆弧.当Rd≦时,求D值计算公式如下:D/2=[(r+T/3)2+2(r+T/3)*(h+T/3)]1/211压缩抽形2 (Rd>原则:直边部分按弯曲展开,圆角部分按拉伸展开,然后用三点切圆(PA-P-PB)的方式作一段与两直边和直径为D的圆相切的圆弧.当Rd>时:l按相应折弯公式计算.D/2={(r+T/3)2+2(r+T/3)*(h+T/3)*(Rd-2T/3)*[(r+T/3)+*(Rd-2T/3)]}1/212卷圆压平图(a):展开长度L=A+图(b):压线位置尺寸图(c): 90°折弯处尺寸为A+图(d):卷圆压平后的产品形状13侧冲压平图(a):展开长度L=A+图(b):压线位置尺寸图(c): 90°折弯处尺寸为A+图(d):侧冲压平后的产品形状14?综合计算如图:L=料内+料内+补偿量=A+B+C+D+中性层弧长(AA+BB+CC)(中性层弧长均按?“中性层到板料内侧距离λ=T/3”来计算)备注:a标注公差的尺寸设计值:取上下极限尺寸的中间值作为设计标准值.b孔径设计值:一般圆孔直径小数点取一位(以配合冲头加工方便性),例:取.有特殊公差时除外,例:Φ+取Φ.c?产品图中未作特别标注的圆角,一般按R=0展开.附件一:常见抽牙孔孔径一览表料厚类型M3M4#6-32附件二:常见预冲孔孔径一览表注意:折弯系数不是绝对的,各加工工厂的钣金工艺工程师会根据所用GB材注意:折弯系数不是绝对的,各加工工厂的钣金工艺工程师会根据所用GB材料以及加工机器而略有微弱变化。
钣金展开计算方法计算方法展开的基本公式:展开长度=料内+料内+补偿量1 R=0,折弯角θ=90°(T<1.2,不含1.2mm)L=(A—T)+(B-T)+K=A+B—2T+0.4T上式中取:λ=T/4K=λ*π/2=T/4*π/2=0。
4T2 R=0, θ=90°(T≧1.2,含1.2mm)L=(A—T)+(B-T)+K=A+B—2T+0。
5T上式中取:λ=T/3K=λ*π/2=T/3*π/2=0.5T3 R≠0 θ=90°L=(A—T-R)+(B—T-R)+(R+λ)*π/2 当R ≧5T时λ=T/21T≦ R 〈5T λ=T/30 〈R <t λ=t 4〈=””p="”〉</t λ=t〉(实际展开时除使用尺寸计算方法外,也可在确定中性层位置后,通过偏移再实际测量长度的方法。
以下相同)4 R=0 θ≠90°λ=T/3L=[A—T*tan(a/2)]+[B-T*tan(a/2)]+T/3*a(a单位为rad,以下相同)5 R≠0 θ≠90°L=[A—(T+R)*tan(a/2)]+[B—(T+R)*tan(a/2)]+(R+λ)*a当R ≧5T时λ=T/21T≦ R 〈5T λ=T/30 < R <t λ=t 4〈=”" p=””>〈/t λ=t>6 Z折1.计算方法请示上级,以下几点原则仅供参考:(1)当C≧5时,一般分两次成型,按两个90°折弯计算。
(要考虑到折弯冲子的强度)L=A-T+C+B+2K(2)当3T<c<5时:〈/c<5时L=A—T+C+B+K(3)当C≦3T时〈一次成型>:L=A—T+C+B+K/27 Z折2。
C≦3T时<一次成型>:L=A-T+C+B+D+K8 抽芽抽芽孔尺寸计算原理为体积不变原理,即抽孔前后材料体积不变;ABCD四边形面积=GFEA所围成的面积。
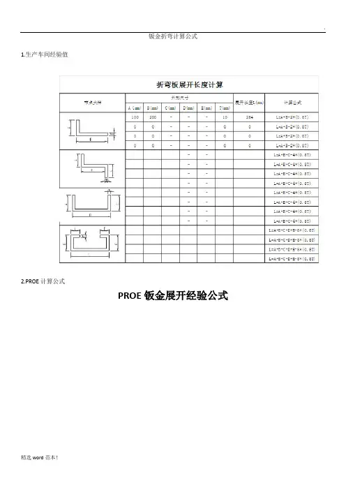
钣金折弯计算公式1、生产车间经验值2、PROE计算公式PROE钣金展开经验公式经验公式(车间老师傅得算法,在实际中略有不同,需要调整)前提条件:内r<2 壁厚<2、5 折弯角度90°展开长度L=L1+L2-2T+0、5T (1)L1 L2为外径T为板厚也即L=L1'+L2'+0、5T (2) L1' L2'为内径T为板厚还即L=L1"+L2"+2r+0、5T (3) L1" L2"为直段长度r为折弯内径我这里就是用得0、5T,大多数人有用0、3T得如果内r/T>2,就直接用中性层K=0、5计算好了再瞧PROE中得展开PROE中得展开长度就就是:L=L1"+L2"+DL L1" L2"为直段长DL为弧段展开长请记住这个DL,这个DL就就是我们要制作得折弯表内得值!再回过来瞧瞧上贴得第三个公式L=L1"+L2"+2r+0、5T 很容易导出:DL=2r+0、5T DL为弧段展开长r为折弯内径现在要制作折弯表了折弯系数DL弧长=2(R+KT)*3、14*(折弯角/360) K为K因子 T为厚 R为内侧半径折弯系数DL弧长=2R+0、2T =K=0、41因子折弯扣除L=2R-0、2T折弯系数DL弧长=2R+0、3T =K=0、46因子折弯扣除L=2R-0、3T折弯系数DL弧长=2R+0、35T =K=0、5因子折弯扣除L=2R-0、35T钣金展开经验计算方法声明:本计算方法为本人经验算法,只在本人现工作之处适用,照搬可能会有偏差。
先说一个名词:折弯余量折弯余量这个名词我在论坛别得贴子已经说过,这里再重复一下:一个已成形得钣金折弯,它有三个尺寸:两个轮廓尺寸与一个厚度尺寸,定义两个轮廓尺寸为L1、L2,厚度尺寸为T,我们都已知道,L1+L2就是要大于展开长度L得,它们得差值就就是折弯余量,我定义为K,那么一个弯得展开尺寸L=L1+L2-K。
钣金中的展开计算一、钣金的计算方法概论钣金零件的工程师和钣金材料的销售商为保证最终折弯成型后零件所期望的尺寸,会利用各种不同的算法来计算展开状态下备料的实际长度。
其中最常用的方法就是简单的“掐指规则”,即基于各自经验的算法。
通常这些规则要考虑到材料的类型与厚度,折弯的半径和角度,机床的类型和步进速度等等。
总结起来,如今被广泛采纳的较为流行的钣金折弯算法主要有两种,一种是基于折弯补偿的算法,另一种是基于折弯扣除的算法。
为了更好地理解在钣金设计的计算过程中的一些基本概念,先了解以下几点:1、折弯补偿和折弯扣除两种算法的定义,它们各自与实际钣金几何体的对应关系2、折弯扣除如何与折弯补偿相对应,采用折弯扣除算法的用户如何方便地将其数据转换到折弯补偿算法3、K因子的定义,实际中如何利用K因子,包括用于不同材料类型时K因子值的适用范围二、折弯补偿法为更好地理解折弯补偿,请参照图1中表示的是在一个钣金零件中的单一折弯。
图2是该零件的展开状态。
折弯补偿算法将零件的展开长度(LT)描述为零件展平后每段长度的和再加上展平的折弯区域的长度。
展平的折弯区域的长度则被表示为“折弯补偿”值(BA)。
因此整个零件的长度就表示为方程(1):LT = D1 + D2 + BA (1)折弯区域(图中表示为淡黄色的区域)就是理论上在折弯过程中发生变形的区域。
简而言之,为确定展开零件的几何尺寸,让我们按以下步骤思考:1、将折弯区域从折弯零件上切割出来2、将剩余两段平坦部分平铺到一个桌子上3、计算出折弯区域在其展平后的长度4、将展平后的弯曲区域粘接到两段平坦部分之间,结果就是我们需要的展开后的零件图15. K-因子法K-因子是描述钣金折弯在广泛的几何形状参数情形下如何弯曲/展开的一个独立值。
也是一个用于计算在各种材料厚度、折弯半径/折弯角度等广泛情形下的弯曲补偿(BA)的一个独立值。
图4和图5将用于帮助我们了解K-因子的详细定义。
我们可以肯定在钣金零件的材料厚度中存在着一个中性层或轴,钣金件位于弯曲区域中的中性层中的钣金材料既不伸展也不压缩,也就是在折弯区域中唯一不变形的地方。
钣金折弯系数表和计算公式
(总1页)
-CAL-FENGHAI.-(YICAI)-Company One1
-CAL-本页仅作为文档封面,使用请直接删除
钣金折弯系数表
钣金折弯系数
钣金折弯跟展平时,材料一侧会被拉长,一侧被压缩,受到的因素影响有:材料类型、材料厚度、材料热处理及加工的状况及折弯的角度。
PROE在进行钣金的折弯和展平时,会自动计算材料被拉伸或压缩的长度。
计算公式如下:
L=0.5π×(R+K系数×T)×(θ/90)
L: 钣金展开长度(Developed length)
R: 折弯处的内侧半径(Inner radius)
T: 材料厚度
θ: 折弯角度
Y系数: 由折弯中线(Neurtal bend line)的位置决定的一个常数,其默认值为0.5(所谓的“折弯中线”)。
可在config中设定其默认值initial_bend_factor
在钣金设计实际中,常用的钣金展平计算公式是以K系数为主要依据的,范围是0~1,表示材料在折弯时被拉伸的抵抗程度。
与Y系数的关系如下
Y系数=(π/2)×k系数。
钣金折弯系数表和计算公式
(总1页)
-CAL-FENGHAI.-(YICAI)-Company One1
-CAL-本页仅作为文档封面,使用请直接删除
钣金折弯系数表
钣金折弯系数
钣金折弯跟展平时,材料一侧会被拉长,一侧被压缩,受到的因素影响有:材料类型、材料厚度、材料热处理及加工的状况及折弯的角度。
PROE在进行钣金的折弯和展平时,会自动计算材料被拉伸或压缩的长度。
计算公式如下:
L=0.5π×(R+K系数×T)×(θ/90)
L: 钣金展开长度(Developed length)
R: 折弯处的内侧半径(Inner radius)
T: 材料厚度
θ: 折弯角度
Y系数: 由折弯中线(Neurtal bend line)的位置决定的一个常数,其默认值为0.5(所谓的“折弯中线”)。
可在config中设定其默认值initial_bend_factor
在钣金设计实际中,常用的钣金展平计算公式是以K系数为主要依据的,范围是0~1,表示材料在折弯时被拉伸的抵抗程度。
与Y系数的关系如下
Y系数=(π/2)×k系数。
钣金展开计算公式
90°折弯:
折弯补偿法:按内尺寸计算:L1+L2+L3+……+Ln+0.4T×n(n为折弯次数)折弯扣除法:按外尺寸计算:L1+L2+L3+……+Ln-1.6T×n(n折弯次数)
非90°折弯:
按内尺寸计算:L1+L2+L3+……Ln+0.4T×(θ/90°)×n(n折弯次数,θ为折弯的角度=180°-零件的角度)
注:非90°折弯只能按照内尺寸计算
卷圆:
按内尺寸计算:L+2π(r+0.4T)*θ/360; 其中卷圆部分的圆弧长度可以直接在CAD里面测量标注出来。
(θ为卷圆的角度)
压死边:
折弯补偿法:按内尺寸计算:L1+L2+L3+……+Ln+1.6T×n(n为折弯次数)折弯扣除法:按外尺寸计算:L1+L2+L3+……+Ln -0.4T×n(n为折弯次数)段差:
直边段差(H≤3.5T)
折弯补偿法:按内尺寸计算:L1+L2+H(H为段差高度)
折弯扣除法:按外尺寸计算:L1+L2+H-2T(H为段差高度)
斜边段差(H≤3.5T)
折弯补偿法:按内尺寸计算:L1+L2+l+T(l为段差对齐标注的高度)
注:非90°折弯只能按照内尺寸计算
当H>3.5T时,按正常的一正一反两道折弯工序计算,不视为段差。
钣金加工费用估算钣金件的成本核算变化多端,要看具体的图子而定,并不是一成不变的规律,须要懂过种钣金件加工方法,总的说来产品的价格=材料费+加工费+(表面处理费)+各种税费+利润。
如果钣金需要模具时,需加上模具费模具費(依鈑金製作工法估算成型所需最少站別1站=1套模具)1.1 模具中又依模具用途選擇不同的材料表面處理加工機具大小加工數量精度要求 ...2.材料(依牌價注意是否為特殊鋼種是否需進口)3.運費(大型鈑金運輸費用)4.稅5. 15~20%管銷利潤費用以上為我知道的參考參考普通钣金件加工一般是这样的总价=材料费+加工费+固定标准件+表面装饰+利润,管理费+税率小批量不使用模具加工时一般我们是这样计算的材料的净重*(1.2~1.3)=毛重,依此毛重*材料单价算出材料费用;加工费用=(1~1.5)*材料费;装饰费用电镀类的一般以零件净重算的,一公斤零件多少钱,喷涂的是一平米多少钱;比如镀镍我们以8~10/kg计(我是江苏南京地区),材料费+加工费+固定标准件+表面装饰=成本,利润一般可以选择成本*(15%~20%);税率=(成本+利润,管理费)*0.17,这种估算有个注意点:材料费必须是不含税的。
大批量生产需要用模具时,一般分模具报价和部品报价,用模具的话,零件加工费用可能比较低,总利润要要生产量来保证了。
我们厂的原材料费用.一般是净材料除材料利用率.因为钣金制造在下料过程中会存在边角料不能使用的问题.那些有的还能现次利用, 有的却只能作废料卖.钣金件成本构成一般分为下面几个部分组成:1、材料费2、标准件费用3、工序加工费4、包装费5、运输费6、管理费用7、利润详见《成本核算格式》表。
一、材料费材料费指按图纸要求的净材料费用=材料体积*材料密度*材料单价二、标准件费用指图纸要求的标准件费用。
三、工序加工费指加工成产品所需要的每道工序所需的加工费用。
各工序构成详见《成本核算格式》和《各工序成本构成表》。
钣金折弯计算公式1.生产车间经验值2.PROE计算公式PROE钣金展开经验公式经验公式(车间老师傅的算法,在实际中略有不同,需要调整)前提条件:内r<2 壁厚<2.5 折弯角度90°展开长度L=L1+L2-2T+0.5T (1)L1 L2为外径T为板厚也即L=L1'+L2'+0.5T (2) L1' L2'为内径T为板厚还即L=L1"+L2"+2r+0.5T (3) L1" L2"为直段长度r为折弯内径我这里是用的0.5T,大多数人有用0.3T的如果内r/T>2,就直接用中性层K=0.5计算好了再看PROE中的展开PROE中的展开长度就是:L=L1"+L2"+DL L1" L2"为直段长DL为弧段展开长请记住这个DL,这个DL就是我们要制作的折弯表内的值!再回过来看看上贴的第三个公式L=L1"+L2"+2r+0.5T 很容易导出:DL=2r+0.5T DL为弧段展开长r为折弯内径现在要制作折弯表了折弯系数DL弧长=2(R+KT)*3.14*(折弯角/360) K为K因子 T为厚 R为内侧半径折弯系数DL弧长=2R+0.2T =K=0.41因子折弯扣除L=2R-0.2T折弯系数DL弧长=2R+0.3T =K=0.46因子折弯扣除L=2R-0.3T折弯系数DL弧长=2R+0.35T =K=0.5因子折弯扣除L=2R-0.35T钣金展开经验计算方法声明:本计算方法为本人经验算法,只在本人现工作之处适用,照搬可能会有偏差。
先说一个名词:折弯余量折弯余量这个名词我在论坛别的贴子已经说过,这里再重复一下:一个已成形的钣金折弯,它有三个尺寸:两个轮廓尺寸和一个厚度尺寸,定义两个轮廓尺寸为L1、L2,厚度尺寸为T,我们都已知道,L1+L2是要大于展开长度L的,它们的差值就是折弯余量,我定义为K,那么一个弯的展开尺寸L=L1+L2-K。
钣金折弯计算公式1.生产车间经验值2.PROE计算公式PROE钣金展开经验公式经验公式(车间老师傅的算法,在实际中略有不同,需要调整)前提条件:内r<2 壁厚<2.5 折弯角度90°展开长度L=L1+L2-2T+0.5T (1)L1 L2为外径T为板厚也即L=L1'+L2'+0.5T (2) L1' L2'为内径T为板厚还即L=L1"+L2"+2r+0.5T (3) L1" L2"为直段长度r为折弯内径我这里是用的0.5T,大多数人有用0.3T的如果内r/T>2,就直接用中性层K=0.5计算好了再看PROE中的展开PROE中的展开长度就是:L=L1"+L2"+DL L1" L2"为直段长DL为弧段展开长请记住这个DL,这个DL就是我们要制作的折弯表内的值!再回过来看看上贴的第三个公式L=L1"+L2"+2r+0.5T 很容易导出:DL=2r+0.5T DL为弧段展开长r为折弯内径现在要制作折弯表了折弯系数DL弧长=2(R+KT)*3.14*(折弯角/360) K为K因子 T为厚 R为内侧半径折弯系数DL弧长=2R+0.2T =K=0.41因子折弯扣除L=2R-0.2T折弯系数DL弧长=2R+0.3T =K=0.46因子折弯扣除L=2R-0.3T折弯系数DL弧长=2R+0.35T =K=0.5因子折弯扣除L=2R-0.35T钣金展开经验计算方法声明:本计算方法为本人经验算法,只在本人现工作之处适用,照搬可能会有偏差。
先说一个名词:折弯余量折弯余量这个名词我在论坛别的贴子已经说过,这里再重复一下:一个已成形的钣金折弯,它有三个尺寸:两个轮廓尺寸和一个厚度尺寸,定义两个轮廓尺寸为L1、L2,厚度尺寸为T,我们都已知道,L1+L2是要大于展开长度L的,它们的差值就是折弯余量,我定义为K,那么一个弯的展开尺寸L=L1+L2-K。
钣金展开计算公式(最终定稿)第一篇:钣金展开计算公式钣金展开计算公式当角度为钝角时:L=L1+L2-[2×(180-角度)/90×材料厚度+M×角度/90]当角度为锐角时:L=L1+L2-[180/角度×材料厚度-(180-角度)/180 ]第二篇:钣金展开计算公式--很实用先说一个名词:折弯余量折弯余量这个名词我在论坛别的贴子已经说过,这里再重复一下:一个已成形的钣金折弯,它有三个尺寸:两个轮廓尺寸和一个厚度尺寸,定义两个轮廓尺寸为L1、L2,厚度尺寸为T,我们都已知道,L1+L2是要大于展开长度L的,它们的差值就是折弯余量,我定义为K,那么一个弯的展开尺寸L=L1+L2-K。
一般冷轧钢板的K值(条件:90度弯,标准折弯刀具T=0.8 K=1.6 T=1.0K=1.8 T=1.2K=2.1 T=1.5K=2.5 T=2.0K=3.5 T=2.5K=4.3 T=3.0K=5.0 T=3.5 K=6.5 T=4.0 K=7.0 T=5.0 K=8.5)1.6-0.8=0.8 1.8-1.0=0.82.1-1.2=0.9 2.5-1.5=1.03.5-2.0=1.54.3-2.5=1.85.0-3.0=2.06.5-3.5=3.07.0-4.0=3.08.5-5.0=3.5实例二:实例三:不规则折弯按K因子=0.5,直接用AUTOCAD画中性层测量。
如有偏差再根据具体情况调整。
一般也差不了多少。
折弯时调整下模槽宽也可将偏差的展开尺寸调整成合格的折弯外形(当然在一定的范围内)。
还有一外钣金件总有一些壁外形偏差允许大一些,可将偏差累积到那些壁去。
死边按L1+L2-0.5t 在模型中直接修改dev.l值为1.5*t 就可以了!第三篇:钣金展开基于Pro/Engineer 钣金件展开的应用研究引言人造卫星和航天飞船上使用大量的钣金成形零件,如有效载荷铝合金支架、飞船蒙皮桁条等。
钣金折弯计算公式和方法1.生产车间经验值2.PROE计算公式PROE钣金展开经验公式经验公式(车间老师傅的算法,在实际中略有不同,需要调整)前提条件:内r<2 壁厚<2.5 折弯角度90°展开长度L=L1+L2-2T+0.5T (1)L1 L2为外径T为板厚也即L=L1'+L2'+0.5T (2) L1' L2'为内径T为板厚还即L=L1"+L2"+2r+0.5T (3) L1" L2"为直段长度r为折弯内径我这里是用的0.5T,大多数人有用0.3T的如果内r/T>2,就直接用中性层K=0.5计算好了再看PROE中的展开PROE中的展开长度就是:L=L1"+L2"+DL L1" L2"为直段长DL为弧段展开长请记住这个DL,这个DL就是我们要制作的折弯表内的值!再回过来看看上贴的第三个公式L=L1"+L2"+2r+0.5T 很容易导出:DL=2r+0.5T DL为弧段展开长r为折弯内径现在要制作折弯表了折弯系数DL弧长=2(R+KT)*3.14*(折弯角/360) K为K因子 T为厚 R为内侧半径折弯系数DL弧长=2R+0.2T =K=0.41因子折弯扣除L=2R-0.2T折弯系数DL弧长=2R+0.3T =K=0.46因子折弯扣除L=2R-0.3T折弯系数DL弧长=2R+0.35T =K=0.5因子折弯扣除L=2R-0.35T钣金展开经验计算方法声明:本计算方法为本人经验算法,只在本人现工作之处适用,照搬可能会有偏差。
先说一个名词:折弯余量折弯余量这个名词我在论坛别的贴子已经说过,这里再重复一下:一个已成形的钣金折弯,它有三个尺寸:两个轮廓尺寸和一个厚度尺寸,定义两个轮廓尺寸为L1、L2,厚度尺寸为T,我们都已知道,L1+L2是要大于展开长度L的,它们的差值就是折弯余量,我定义为K,那么一个弯的展开尺寸L=L1+L2-K。
钣金折弯计算公式
1.生产车间经验值
2.PROE计算公式
PROE钣金展开经验公式
经验公式(车间老师傅的算法,在实际中略有不同,需要调整)
前提条件:内r<2 壁厚<2.5 折弯角度90°
展开长度L=L1+L2-2T+0.5T (1)L1 L2为外径T为板厚
也即L=L1'+L2'+0.5T (2) L1' L2'为内径T为板厚
还即L=L1"+L2"+2r+0.5T (3) L1" L2"为直段长度r为折弯内径我这里是用的0.5T,大多数人有用0.3T的
如果内r/T>2,就直接用中性层K=0.5计算好了再看PROE中的展开
PROE中的展开长度就是:
L=L1"+L2"+DL L1" L2"为直段长DL为弧段展开长
请记住这个DL,这个DL就是我们要制作的折弯表内的值!
再回过来看看上贴的第三个公式
L=L1"+L2"+2r+0.5T 很容易导出:
DL=2r+0.5T DL为弧段展开长r为折弯内径现在要制作折弯表了
折弯系数DL弧长=2(R+KT)*3.14*(折弯角/360) K为K因子 T为厚 R为内侧半径
折弯系数DL弧长=2R+0.2T =K=0.41因子折弯扣除L=2R-0.2T
折弯系数DL弧长=2R+0.3T =K=0.46因子折弯扣除L=2R-0.3T
折弯系数DL弧长=2R+0.35T =K=0.5因子折弯扣除L=2R-0.35T
钣金展开经验计算方法
声明:本计算方法为本人经验算法,只在本人现工作之处适用,照搬可能会有偏差。
先说一个名词:折弯余量
折弯余量这个名词我在论坛别的贴子已经说过,这里再重复一下:
一个已成形的钣金折弯,它有三个尺寸:两个轮廓尺寸和一个厚度尺寸,定义两个轮廓尺寸为L1、L2,厚度尺寸为T,我们都已知道,L1+L2是要大于展开长度L的,它们的差值就是折弯余量,我定义为K,那么一个弯的展开尺寸L=L1+L2-K。
一般冷轧钢板的K值(条件:90度弯,标准折弯刀具)
T=1.0 K=1.8
T=1.2 K=2.1
T=1.5 K=2.5
T=2.0 K=3.5
T=2.5 K=4.3
T=3.0 K=5.0
3. 3 展开计算原理
板料在弯曲过程中外层受到拉应力,内层受到压应力,从拉到压之间有一既不受拉力又不受压力的过渡层--中性层,中性层在弯曲过程中的长度和弯曲前一样,保持不变,所以中性层是计算弯曲件展开长度的基准.中性层位置与变形程度有关,当弯曲半径较大,折弯角度较小时,变形程度较小,中性层位置靠近板料厚度的中心处,当弯曲半径变小,折弯角度增大时,变形程度随之增大,中性层位置逐渐向弯曲中心的内侧移动.中性层到板料内侧的距离用λ表示.
4 计算方法
展开的基本公式:
展开长度=料内+料内+补偿量
4.1 R=0,折弯角θ=90°(T<1.2,不含1.2mm)
L=(A-T)+(B-T)+K
=A+B-2T+0.4T
上式中取:λ=T/4
K=λ*π/2
=T/4*π/2
=0.4T
中性層
T
A
B
90
.0°
T
/
4
T<1.2m m
备注:
a 标注公差的尺寸设计值:取上下极限尺寸的中间值作为设计标准值.
b 孔径设计值:一般圆孔直径小数点取一位(以配合冲头加工方便性),例:3.81取3.9.有特殊公差时除外,例:Φ3.80+0.05
0取Φ3.84.
c 产品图中未作特别标注的圆角,一般按R=0展开.
附件一:常见抽牙孔孔径一览表
1以上攻牙形式均为无屑式.
2抽牙高度:一般均取H=3P,P 为螺纹距离(牙距).
3.内径:M3 Φ2.75 M3.50 Φ3.20 M 4 Φ3.65 # 6-32 Φ3.10
在R ≠0, θ=90°时;的折弯系数列表:(单位:mm )
注意:折弯系数不是绝对的,各加工工厂的钣金工艺工程师会根据所用GB 材料以及加工机器而略有微弱变化。
在R ≠0, θ=90°时;的折弯系数列表:(单位:mm )
板材↓/板厚→0.8 1.0 1.2 1.5 2.0 2.5 3.0 4.0
冷板 1.5 1.8 2.1 2.5 3.2 4.0 4.7 6.2
铝板— 1.5 1.9 2.3 3.1 3.8 4.4 6.1
注意:折弯系数不是绝对的,各加工工厂的钣金工艺工程师会根据所用GB材料以及加工机器而略有微弱变化。
三.展开计算方法
一般折弯1 (R=0, θ=90°):
1. 当0<T≦0.3时, L=0
2. 对于铁材 (如GI﹑SGCC﹑SECC﹑CRS﹑
SPTE﹑SUS等):
(1) 当0.3<T<1.5时, L=0.4T
(2) 当1.5≦T<2.5时, L =0.35T
(3) 当 T≧2.5时, L =0.3T
3. 对于其它有色金属材料 (如Al﹑Cu等):
当 T>0.3时, L =0.4T
一般折弯2 (R≠0, θ=90°):
当用折刀加工时:
1. 当R≦
2.0时, 按R=0处理.
L’= L+2R (L为R=0时L值)
2. 当R>2.0时, 按原值处理.
(1) 当T<1.5时, L = PI*(R+0.5*T)/2
(2) 当1.5≦T时, L = PI*(R+0.4*T)/2一般折弯 3 (R=0, θ≠90°):
1. 当T£0.3 时, L’=0
2. 当T$0.3时, L’= (u / 90) * L
注: L为θ=90°时的补偿量.
一般折弯4 (R≠0 , θ≠90°):
当用折刀加工时:
1. 当R<
2.0时, 按R=0处理.
L’=θ/90* L +2*R*TAN(θ/2)
注: L为θ=90°时的补偿量.
2 当R>2.0时, 按原值处理.
(1). 当T¢1.5 时, L’=θ*PI*(R+0.5*T)/180
(2). 当T/1.5时, L’=θ*PI*(R+0.4T)/180 Z折1 (直边段差):
样品方式制作展开方法:
1. 当H/5T时, 分两次成型时, 按两个90°折弯计算.
2.当H¢5T时, 一次成型,
(1). 若R=0,则L’=L;
(2). 若R≠0,且只有一内角不为零,则L’=L+2R;
(3). 若R≠0,且两内角都不为零,则L’=L+4R.
注: L值依附件一中参数取值.
Z折2 (非平行直边段差):
展开方法与平行直边Z折方法相同 (如上栏), 高度H取值见图示.
注:对于非直角折弯,若R≠0,补偿量应加上的
是2*R*TAN(θ/2)
Z折3 (斜边段差):
1. 当H¢2T时
j当θ≦70°时,按Z折1(直边段差)的方式计算, (此时L=0.2).
k当θ>70°时完全按Z折1(直边段差)的方式计算
2. 当H/2T时, 按两段折弯展开(R=0 θ≠90°).
Z折4(过渡段为两圆弧相切):
1. H≦2T 段差过渡处为非直线段为两圆弧相切展开时,则取两圆弧相切点处作垂线,以保证固定边尺寸偏移以一个料厚处理,然后按Z折1(直边段差)方式展开
2. H>2T,请示后再行处理
反折压平:
L=1.6T
1. 压平的时候, 可视实际的情况考虑是否在折弯前压线, 压线位置为折弯变形区中部.
2. 反折压平一般分两步进行:
先V折30°, 再反折压平.
故在作展开图折弯线时, 须按30°折弯线画, 如图所示:
N折:
1. 当N折加工方式为垫片反折压平,L值依附件一中参数取值.
2. 当N折以其它方式加工时, 展开算法参见“一般折弯4 (R≠0, θ≠90°)”.
3. 如果折弯处为直边 (H段), 则按两次折弯成形计算: L’= 2L (L值取90°折弯变形区宽度).
抽孔
抽孔尺寸计算原理为体积不变原理,即抽孔前后材料体积不变;一般抽孔 ,按下列公式计算, 式中参数见右图 (设预冲孔为X, 并加上修正系数–0.1):
1. 若抽孔为抽牙孔(抽孔后攻牙), 则S按下列原则取值:
T≦0.5时取S=100%T
0.5<T<0.8时取S=70%T
T≧0.8时取S=65%T
一般常见抽牙预冲孔按附件一取值
2. 若抽孔用来铆合, 则取S=50%T, H=T+T’+0.4 (注: T’是与之相铆合的板厚, 抽孔与色拉孔之间隙为单边0.10~0.15)
3. 若原图中抽孔未作任何标识与标注, 则保证抽孔后内外径尺寸;。