钢结构平台梁课程设计--XX厂房工作平台焊接钢梁设计计算书
- 格式:doc
- 大小:610.00 KB
- 文档页数:10
钢结构工作平台课程设计一、教学目标本课程旨在让学生了解和掌握钢结构工作平台的基本概念、设计原理和施工技术,培养学生具备一定的钢结构工作平台设计和施工能力。
具体目标如下:1.知识目标:(1)了解钢结构工作平台的定义、分类和应用范围;(2)掌握钢结构工作平台的设计原理、结构和构造;(3)熟悉钢结构工作平台的施工技术、工艺和质量要求。
2.技能目标:(1)能够运用所学知识进行钢结构工作平台的基本设计;(2)具备分析解决钢结构工作平台施工中问题的能力;(3)能够撰写钢结构工作平台的设计和施工方案。
3.情感态度价值观目标:(1)培养学生对钢结构工作平台的兴趣,提高学习积极性;(2)培养学生团队合作精神,提高沟通协调能力;(3)培养学生关注安全、质量和环保意识,树立正确的职业价值观。
二、教学内容本课程的教学内容主要包括以下几个部分:1.钢结构工作平台的基本概念、分类和应用范围;2.钢结构工作平台的设计原理、结构和构造;3.钢结构工作平台的施工技术、工艺和质量要求;4.钢结构工作平台的案例分析。
三、教学方法为了提高教学效果,本课程将采用多种教学方法,包括:1.讲授法:通过讲解钢结构工作平台的基本概念、设计原理和施工技术,使学生掌握相关知识;2.案例分析法:分析实际案例,使学生更好地理解钢结构工作平台的设计和施工过程;3.实验法:学生进行钢结构工作平台的模型制作和实验,提高学生的实践能力;4.讨论法:分组讨论钢结构工作平台的设计和施工问题,培养学生的团队合作精神。
四、教学资源为了支持本课程的教学,我们将准备以下教学资源:1.教材:选用权威、实用的钢结构工作平台教材;2.参考书:提供相关的钢结构工作平台设计、施工和案例分析书籍;3.多媒体资料:制作精美的课件、图片、视频等,丰富教学手段;4.实验设备:准备钢结构工作平台的模型制作和实验所需的设备。
五、教学评估本课程的评估方式包括以下几个方面:1.平时表现:通过课堂参与、提问、讨论等环节,评估学生的学习态度和积极性;2.作业:布置相关的设计、计算和实践作业,评估学生的理解和应用能力;3.考试:定期进行期中、期末考试,全面测试学生对本课程知识的掌握程度;4.实践项目:学生进行钢结构工作平台的模型制作和实验,评估学生的实践能力。
钢结构平台设计计算书 Prepared on 22 November 2020哈尔滨工业大学(威海)土木工程钢结构课程设计计算书姓名:***学1指导教师:***二零一五年七月土木工程系钢结构平台设计计算书一、设计资料某厂房内工作平台,平面尺寸为18×9m 2(平台板无开洞),台顶面标高为 +,平台上均布荷载标准值为12kN/m 2,设计全钢工作平台。
二、结构形式平面布置,主梁跨度9000mm ,次梁跨度6000mm ,次梁间距1500mm ,铺板宽600mm ,长度1500mm ,铺板下设加劲肋,间距600mm 。
共设8根柱。
图1 全钢平台结构布置图三、铺板及其加劲肋设计与计算1、铺板设计与计算(1)铺板的设计铺板采用mm 6厚带肋花纹钢板,钢材牌号为Q235,手工焊,选用E43 型焊条,钢材弹性模量25N/mm 102.06E ⨯=,钢材密度33kg/mm 1085.7⨯=ρ。
(2)荷载计算平台均布活荷载标准值: 212q m kN LK =6mm 厚花纹钢板自重: 2D 0.46q m kN K =恒荷载分项系数为,活荷载分项系数为。
均布荷载标准值: 2121246.0q m kN k =+= 均布荷载设计值: 235.174.1122.146.0q m kN k =⨯+⨯= (3)强度计算 花纹钢板0.25.26001500a b >==,取0.100α=,平台板单位宽度最大弯矩设计值为:(4)挠度计算取520.110, 2.0610/E N mm β==⨯ 设计满足强度和刚度要求。
2、加劲肋设计与计算图2加劲肋计算简图(1)型号及尺寸选择选用钢板尺寸680⨯—,钢材为Q235。
加劲肋与铺板采用单面角焊缝,焊角尺寸6mm ,每焊150mm 长 度后跳开50mm 。
此连接构造满足铺板与加 劲肋作为整体计算的条件。
加劲肋的计算截面为图所示的T 形截面,铺板计算宽度为15t=180mm ,跨度为。
钢结构课程设计计算书姓名:李宏伟班级:建工1221学号:11012123381.设计资料(一) 设计参数:单层厂房采用单跨双坡门式刚架,刚架跨度18m ,共12榀刚架,柱距7m ,柱高9.8m ,屋面坡度1/10,柱底铰接。
取中间跨刚架(GJ-1)进行计算,刚架采用焊接工字形截面,屋面及墙面为压型钢板复合板;不考虑檩条和墙梁。
钢材采用Q235钢,焊条E43型。
地震设防烈度为7度,无悬挂荷载。
刚架形式及几何尺寸如下图1.2所示。
(二)设计荷载:(1) 永久荷载标准值(按水平投影面):屋面恒载0.52kN m (包括屋面板及檩条重)(2) 可变荷载标准值:屋面活荷载0.32kN m (3)雪荷载:基本雪压0S 为0.32kN m(4)风荷载:基本风压值0.42kN m ;地面粗糙程度系数按B 类取值; 要求:1、确定梁柱截面形式及尺寸。
2、梁柱线刚度计算及梁柱计算长度确定。
3、荷载计算。
4、内力、柱顶水平位移计横梁挠度。
5、连接节点设计。
图1.2 刚架形式及几何尺寸2.荷载计算2.1荷载取值计算:(1)屋盖永久荷载标准值(对水平投影面) (包括屋面板及檩条重) 0.5 2kN m (2)屋面可变荷载标准值 屋面活荷载:0.302m kN雪荷载:基本雪压0S =0.32kN m .对于单跨双坡屋面, 屋面坡角α=54238''',z μ=1.0,雪荷载标准值 :k S =z μ0S =1.0×0.32kN m =0.3..取屋面活荷载和雪荷载中的较大值0.32kN m ,不考虑积灰荷载。
(3)风荷载标准值基本风压:20m kN 4.0=ω;根据地面粗糙度列别为B 类,查得风荷载高度变化系数:当高度小于10m 时,按10m 高度处的数值采用,z μ=1.0。
风荷载体型系数s μ:迎风柱及屋面分别为+0.25和-1.0,背风面柱及屋面分别为-0.55和-0.65。
2.2各部分作用的荷载标准值计算: (1)屋面恒荷载标准值:0.5×7=3.5kN m 活荷载标准值:0.3×7=2.1kN m (2)柱荷载恒荷载标准值:(7×9.8+3.5×7.5)kN =94.85kN 活荷载标准值:2.1×7.5kN =15.8kN (3)风荷载标准值迎风面:柱上m kN q W /7.025.074.01=⨯⨯= 横梁上m kN q W /8.20.174.02-=⨯⨯-=背风面:柱上m kN q W /54.155.074.03-=⨯⨯-= 横梁上m kN q W /82.165.074.04-=⨯⨯-=3.内力分析3.1在恒荷载作用下:本单层厂房采用等截面梁和柱。
钢结构工作平台钢梁设计任务书
一、设计资料
某厂房工作平台钢梁(主梁、次梁)设计,平台板采用双波型W-500压型钢板,自重为0.11kN/m2,压型钢板上铺100 mm厚的混凝土。
钢材采用Q345钢。
工作平台活荷载为 1.24 kN/m2,(按下表采用)。
表1 A1311班
二、设计任务
1.次梁设计
(1) 次梁的荷载和内力计算
(2) 次梁截面选择
(3) 次梁截面验算(包括强度、稳定,局部承压及刚度验算)
2.主梁设计
(1)主梁的荷载和内力计算
(2)主梁截面设计及验算
(3)主梁截面改变及验算
三、成果
1.计算书一份。
一、情景设定
1某冶炼车间检修平台,平台使用钢材材质Q345,活荷载为1.60KN/M2
柱距6m(次梁跨度)。
不考虑水平荷载,梁柱铰接链接连接,平台平面内不考虑楼梯设置。
跨度为18m(主梁),次梁间距为2m(如下图所示)
注:1.平台承重方式选择横向承重,平台结构平面布置。
2.平台板用压型钢板,板和梁之间选择铰接。
3.按照单向板来进行计算(6/2=3>2)
参考资料:
a、钢结构设计教材
b、钢结构设计规范
c、建筑结构荷载规范。
哈尔滨工业大学(威海)土木工程钢结构课程设计计算书姓名:学号:指导教师:二零一五年七月土木工程系钢结构平台设计计算书一、设计资料某厂房内工作平台,平面尺寸为18×9m 2(平台板无开洞),台顶面标高为 +4.000m ,平台上均布荷载标准值为12kN/m 2,设计全钢工作平台。
二、结构形式平面布置,主梁跨度9000mm ,次梁跨度6000mm ,次梁间距1500mm ,铺板宽600mm ,长度1500mm ,铺板下设加劲肋,间距600mm 。
共设8根柱。
图1 全钢平台结构布置图三、铺板及其加劲肋设计与计算1、铺板设计与计算 (1)铺板的设计 铺板采用mm 6厚带肋花纹钢板,钢材牌号为Q235,手工焊,选用E43 型焊条,钢材弹性模量25N/mm 102.06E ⨯=,钢材密度33kg/mm 1085.7⨯=ρ。
(2)荷载计算平台均布活荷载标准值: 212q m kN LK =6mm 厚花纹钢板自重:2D 0.46q m kN K =恒荷载分项系数为1.2,活荷载分项系数为1.3。
均布荷载标准值: 2121246.0q m kN k =+=均布荷载设计值:235.174.1122.146.0q m kN k =⨯+⨯=(3)强度计算花纹钢板0.25.26001500a b >==,取0.100α=,平台板单位宽度最大弯矩设计值为:m kN a ⋅=⨯⨯==6264.06.015.16100.0q M 22max α2222max max mm 215mm 87006.02.10.626466M M N N t W <=⨯⨯==γγ (4)挠度计算取520.110, 2.0610/E N mm β==⨯1501166161006.26001046.12110.0v 353333<=⨯⨯⨯⨯⨯==-Et a q a k β 设计满足强度和刚度要求。
2、加劲肋设计与计算图2加劲肋计算简图(1)型号及尺寸选择选用钢板尺寸680⨯—,钢材为Q235。
钢结构课程设计内容及指导书工作平台梁格体系设计一,设计资料1.结构型式一工作平台尺寸为16x12m ,次梁跨度为6米,次梁间距2.0米,预制钢筋混凝土铺板焊于次梁上翼缘.平台永久荷载(不包括次梁自重)为7.0KN /m 2,荷载分项系数为1.2,活荷载为15KN /m 2,荷载分项系数为l.4.主梁跨度为16米。
(若考虑次梁叠接在主梁上,其支承长度cm a 15=,[]400l v =)。
2.材料钢材:Q235焊条:E43,手工电焊,普通方法检查;3.规范《钢结构设计规范》(GB50017-2003)二、设计内容1.结构布置要求拟出合理的结构布置方案,并扼要说明选型的理由与根据,按比例绘出结构布置简图.(1)梁格的型式(2)主梁型式(3)次梁型式及数目(4)梁格的连接形式2.次梁设计(1)次梁的荷载和内力计算;(2)次梁截面选择(3)次梁截面验算(包括强度、稳定,局部承压及刚度验算)3.主梁设计(1)主梁的设计荷载和内力;(2)主梁截面设计及验算(3)主梁截面改变及验算(4)主梁翼缘焊缝设计,(5)腹板加劲肋设计三、课程设计计算(一)结构布置(二)次梁设计查表得:2215/f N mm =主梁 次梁1、次梁的荷载及内力均布荷载设计值:(1.27.0 1.415)58.8/g kN m =⨯+⨯=最大弯矩:221158.86264.688x M gl kN m ==⨯⨯=⋅2、初选截面 633264.6101172101.05215x x x M W cm f γ⨯===⨯⨯根据均计算最大弯矩值和钢材的设计强度确定所需要的截面,选用I 40c ,其截面特性如下: 31192,x W cm I =1.设计说明书一份;2.设计图一张(必须手画)工作平台结构总图,包括立面图、平面图、剖面图;主梁施工图。
四、图纸要求1.字体及书写字体用工程字,要求字迹清楚、端正、不得潦草。
2.图纸幅面规格:3号图。
五、完成时间考试之前。
哈尔滨工业大学(威海)土木工程钢结构课程设计计算书姓名:田英鹏学1指导教师:钱宏亮二零一五年七月土木工程系钢结构平台设计计算书一、设计资料某厂房内工作平台,平面尺寸为18×9m 2(平台板无开洞),台顶面标高为+4.000m ,平台上均布荷载标准值为12kN/m 2,设计全钢工作平台。
二、结构形式平面布置,主梁跨度9000mm ,次梁跨度6000mm ,次梁间距1500mm ,铺板宽600mm ,长度1500mm ,铺板下设加劲肋,间距600mm 。
共设8根柱。
图1 全钢平台结构布置图三、铺板及其加劲肋设计与计算1、铺板设计与计算 (1)铺板的设计铺板采用mm 6厚带肋花纹钢板,钢材牌号为Q235,手工焊,选用E43型焊条,钢材弹性模量25N/mm 102.06E ⨯=,钢材密度33kg/mm 1085.7⨯=ρ。
(2)荷载计算平台均布活荷载标准值: 212q m kN LK =6mm 厚花纹钢板自重:2D 0.46q m kN K =恒荷载分项系数为1.2,活荷载分项系数为1.3。
均布荷载标准值: 2121246.0q m kN k =+=均布荷载设计值:235.174.1122.146.0q m kN k =⨯+⨯=(3)强度计算花纹钢板0.25.26001500a b >==,取0.100α=,平台板单位宽度最大弯矩设计值为: (4)挠度计算取520.110, 2.0610/E N mm β==⨯设计满足强度和刚度要求。
2、加劲肋设计与计算图2加劲肋计算简图(1)型号及尺寸选择选用钢板尺寸680⨯—,钢材为Q235。
加劲肋与铺板采用单面角焊缝,焊角尺寸6mm ,每焊150mm 长 度后跳开50mm 。
此连接构造满足铺板与加劲肋作为整体计算的条件。
加劲肋的计算截面为图所示的T 形截面,铺板计算宽度为15t=180mm ,跨度为1.5m 。
(2)荷载计算加劲肋自重:m kN 003768.05.7866.008.0=⨯⨯均布荷载标准值: m kN k 51.7003768.06.05.12q =+⨯= 均布荷载设计值: m kN d 455.1003768.02.16.035.17q =⨯+⨯= (3)内力计算简支梁跨中最大弯矩设计值 支座处最大剪力设计值 (4)截面特性计算截面形心位置:mm c 2.1668061804668036180y =⨯+⨯⨯⨯+⨯⨯=截面惯性矩:支座处抗剪面积只计铺板部分,偏安全仍取180mm 范围,则 (5)强度计算受拉侧应力最大截面塑性发展系数取1.20,受弯计算:22621574.1958736802.18.691094.2M mm N mm N W nx x <=⨯⨯⨯=γ受剪计算:22312539.2168736802.1310801084..7It V S mm N mm N <=⨯⨯⨯⨯= 四、平台梁设计与计算图3中间次梁计算简图1、中间次梁设计与计算计算简图:将次梁看作两端简支于主梁的弯曲构件,梁跨6m 。
钢结构平台设计计算书》本文档旨在介绍钢结构平台设计计算书的背景和目的。
设计计算书是在钢结构平台设计过程中进行计算和分析的重要文件,它包含了对平台结构的设计计算方法、负荷计算、应力分析以及安全性评估等内容。
通过细致的计算和分析,设计计算书能够确保钢结构平台的稳定性、安全性和可靠性,为工程师提供了科学依据,同时也为相关法律规定的合规要求提供了满足。
本文档旨在介绍钢结构平台设计计算书的背景和目的。
设计计算书是在钢结构平台设计过程中进行计算和分析的重要文件,它包含了对平台结构的设计计算方法、负荷计算、应力分析以及安全性评估等内容。
通过细致的计算和分析,设计计算书能够确保钢结构平台的稳定性、安全性和可靠性,为工程师提供了科学依据,同时也为相关法律规定的合规要求提供了满足。
本文档将详细介绍钢结构平台设计计算书的编制目的、使用范围、相关依据以及编制流程等内容,为设计师和工程师提供实用的指导和参考。
通过本文档,读者将了解到钢结构平台设计计算书的重要性,以及如何根据相关规范和标准进行计算和分析,从而确保钢结构平台的结构安全和性能达到设计要求。
本文档将详细介绍钢结构平台设计计算书的编制目的、使用范围、相关依据以及编制流程等内容,为设计师和工程师提供实用的指导和参考。
通过本文档,读者将了解到钢结构平台设计计算书的重要性,以及如何根据相关规范和标准进行计算和分析,从而确保钢结构平台的结构安全和性能达到设计要求。
设计计算书的编制需要专业的知识和经验,设计师和工程师应该具备钢结构平台设计的相关背景和技能。
本文档旨在为相关人员提供必要的指引和参考,但并不代替实际经验和专业判断。
读者在使用本文档时,应根据实际情况灵活应用其中的方法和计算,确保设计计算书的准确性和可靠性。
通过本文档的研究和应用,读者将能够全面了解钢结构平台设计计算书的编制要求和方法,提高设计师和工程师在设计过程中的计算和分析能力,从而为钢结构平台设计提供更好的技术支持和质量保障。
钢结构平台设计一.设计题目某车间工作平台二.设计目的《钢结构设计原理课程设计》是土木工程专业学生在学习《钢结构设计原理》课程后一个重要的综合实践性教学环节,目的是培养学生对钢结构的设计和应用能力。
通过基本的设计训练,要求学生重点掌握结构内力计算、构件和节点设计及绘制钢结构施工图等专门知识,从而加深对钢结构设计原理基本理论和设计知识的认识,提高对所学知识的综合运用能力。
三.设计资料1.某冶炼车间检修平台,平台使用钢材材质、平面尺寸为15*15、活荷载为32kN/m。
不考虑水平向荷载。
柱间支撑按构造设置。
平台上三个有直径1 m检修洞口,位置不限。
平台顶面标高为6m,平台下净空至少4m,梁柱铰接连接。
平台平面内不考虑楼梯设置。
2.参考资料:1)钢结构设计教材2)钢结构设计规范3)建筑结构荷载规范4)钢结构设计手册四.设计内容1.确定结构布置方案及结构布置形式依题意并经综合比较,平台结构平面布置如图所示:2.平台铺板设计支撑柱a)c)(1)确定有关尺寸铺板采用有肋铺板,板格尺寸为1000mm ×1500mm 。
根据结构要求及荷载作用情况,取铺板厚6mm ,板肋尺寸为6mm ×60mm 。
(2)验算铺板的承载力和钢度 ①承载力验算计算铺板和钢肋的跨中最大弯矩铺板自重标准值:23/462.01068.97850m kN q =⨯⨯⨯=- 板肋自重标准值:m kN q /0277.0106068.978506=⨯⨯⨯⨯=- 板面活荷载标准值:3kN/m 2计算铺板跨中最大弯矩,铺板按四边简支平板计算:0.25.11000/1500/<==a b查表得:0812.01=α铺板面荷载设计值2/54.7434.1462.02.1m kN q =⨯+⨯=铺板单位宽度最大弯矩为m kN qa M x ∙=⨯⨯==386.0154.740812.0331αx y x M M M M a b =>>max ,,那么所以因为计算板肋的跨中最大2弯矩,可按两端只承在平台梁上的简支梁计算加劲肋承受的线荷载,其中恒荷载标准值为:m kN q /4897.00277.01462.0=+⨯= 活荷载标准值为:m kN q /3= 加劲肋的跨中最大弯矩为:m kN ql M ∙=⨯⨯+⨯⨯== 1.3475.1)34.14897.02.1(818122 验算铺板和加劲肋的计算强度 铺板截面的最大应力为2622max /2153.364106386.066mm N f MPa h t M s =<=⨯⨯==- 加劲肋可考虑铺板30倍厚度的宽度参与截面共同工作,计算截面如图3-2所示。
钢平台课程设计计算书一、结构布置1、梁格布置:按柱网尺寸布置。
L=9.0m,D=5.4m,a=b=0.9m。
2、连接方案:主梁与柱、次梁与主梁之间均采用高强度螺栓铰接连接,定位螺栓采用粗制;次梁与主梁的上翼缘平齐;平台板与梁采用焊接。
3、支撑布置:根据允许长细比,按构造要求选择角钢型号。
二、平台钢铺板设计1、尺寸确定根据平台荷载、构造要求及平面布置情况,平台铺板的厚度取为6mm。
平台铺板采用有肋铺板,板格面积取为0.9m×5.4m,即相邻两次梁中心间距为0.9m,加劲肋中心间距为0.9m,此处加劲肋间距参考铺板厚度的100~150倍取值。
加劲肋采用扁钢,其高度一般为跨度的1/15~1/12,且不小于高度的1/15及5mm,故取扁钢肋板高度60mm,厚度6mm。
2、铺板验算验算内容包括铺板强度和铺板刚度。
(1)荷载效应计算铺板承受的荷载包括铺板自重和板面活荷载,计算如下:铺板自重标准值:6278509.86100.462G q kN m --=⨯⨯⨯=g铺板承受标准荷载:280.4628.462k q kN m -=+=g铺板承受的荷载设计值:21.20.462 1.4811.7544q kN m =⨯+⨯=铺板跨度b=900mm,加劲肋间距a=900mm ,b/a=1<2,因此,应按四边简支平板计算铺板最大弯矩。
查表2-1得:22max 0.049711.75440.90.4732M qa kN m α==⨯⨯=g(2) 铺板强度验算铺板截面的最大应力为:22max 22-6660.473278.86215610M N mm f N mm t σ⨯===<=⨯ 满足要求。
(3) 铺板刚度验算查表2-1得:434max 311398.462100.99000.0433 5.4[]61502.0610610k q a mm mm Et ωβω-⨯⨯==⨯=<==⨯⨯⨯(4) 铺板加劲肋验算板肋自重标准值:2978509.8660100.028p kN m -=⨯⨯⨯⨯=加劲肋可按两端支撑在平台板次梁上的简支梁计算,其承受的线荷载为:恒荷载标准值:10.4620.90.0280.4438p kN m =⨯+=活荷载标准值:20.987.2p kN m =⨯=加劲肋的跨中最大弯矩设计值为:221(1.20.4438 1.47.2)0.9 1.0888qM l kN m ==⨯⨯+⨯⨯=g加劲肋计算截面可按加劲肋和每侧铺板15t (t 为铺板厚度)的宽度参与共同作用,计算截面如图3所示。
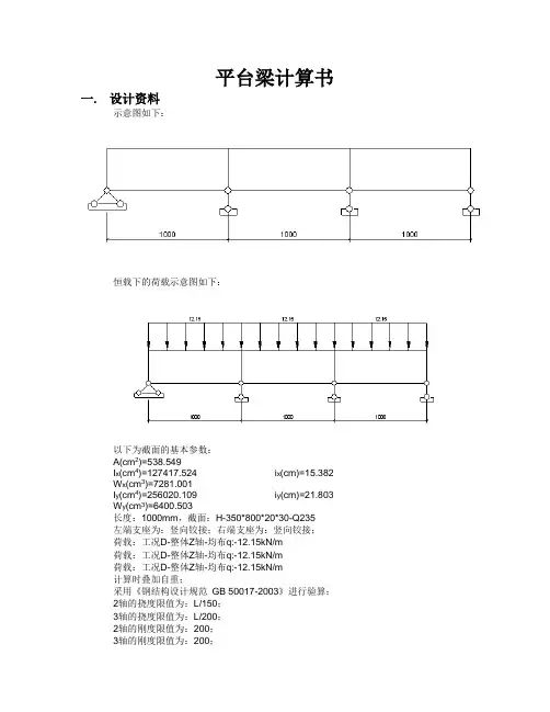
平台梁计算书一. 设计资料示意图如下:恒载下的荷载示意图如下:以下为截面的基本参数:A(cm2)=538.549I x(cm4)=127417.524 i x(cm)=15.382W x(cm3)=7281.001I y(cm4)=256020.109 i y(cm)=21.803W y(cm3)=6400.503长度:1000mm,截面:H-350*800*20*30-Q235左端支座为:竖向铰接;右端支座为:竖向铰接;荷载:工况D-整体Z轴-均布q:-12.15kN/m荷载:工况D-整体Z轴-均布q:-12.15kN/m荷载:工况D-整体Z轴-均布q:-12.15kN/m计算时叠加自重;采用《钢结构设计规范GB 50017-2003》进行验算;2轴的挠度限值为:L/150;3轴的挠度限值为:L/200;2轴的刚度限值为:200;3轴的刚度限值为:200;强度计算净截面系数: 0.98第1跨:绕2轴的计算长度为:1000mm;绕3轴的计算长度为:1000mm;第2跨:绕2轴的计算长度为:1000mm;绕3轴的计算长度为:1000mm;第3跨:绕2轴的计算长度为:1000mm;绕3轴的计算长度为:1000mm;采用楼面梁标准组合验算挠度;是否进行抗震设计: 否腹板屈曲后强度: 不考虑加劲肋设置间距: 0 - 不设置二. 验算结果一览验算项验算工况结果限值是否通过受弯强度 1.35D+0.98L 3.40004 1543 通过2轴受剪强度 1.35D+0.98L 6.50241 120 通过翼缘宽厚比 1.2D+1.4L 12.7333 13 通过腹板高厚比 1.2D+1.4L 13.7 80 通过2轴挠度D+L0.00128952 6.66667 通过2轴长细比- 4.58644 200 通过3轴长细比- 6.50127 200 通过三. 受弯强度验算最不利工况为:1.35D+0.98L最不利截面位于第1个分段首端绕3轴弯矩:M3= 25.474kN·m计算γ:截面塑性发展系数γ2=1.2γ3=1.05验算强度:考虑净截面折减:W nx=7135.381cm3W ny=6272.493cm3A n=527.778cm2σ1=σ2=25.474/7135.381/1.05×103=3.4N/mm2σ3=σ4==-(25.474)/7135.381/1.05×103=-3.4N/mm23.4≤1543,合格!四. 2轴受剪强度验算最不利工况为:1.35D+0.98L最不利截面位于第1个分段尾端剪力:V= 40.872kNτ=40.872×4054.184/2/127417.524×10=6.502N/mm26.502≤120,合格!五. 翼缘宽厚比验算最不利工况为:1.2D+1.4L最不利截面位于第1个分段首端绕3轴弯矩:M3= 22.643kN·m剪力:= 16.678kN截面塑性发展系数γ2=1.2γ3=1.05翼缘宽厚比:b0/T f1=382/30=12.733翼缘宽厚比限值:[b0/t]=13.000×(235/f y)0.5=13考虑抗震设防的翼缘宽厚比限值:[b0/t]=1512.733≤13,合格!六. 腹板高厚比验算最不利工况为:1.2D+1.4L最不利截面位于第1个分段首端绕3轴弯矩:M3= 22.643kN·m剪力:= 16.678kN截面塑性发展系数γ2=1.2γ3=1.05腹板计算高度:h0=274 mm腹板高厚比:h0/T w=274/20=13.7腹板高厚比限值:[h0/t]=8013.7≤80,合格!七. 2轴挠度验算最不利工况为:D+L最不利截面位于第1个分段离开首端375mm处挠度为:0.00129mm0.00129≤6.667,合格!八. 2轴长细比验算2轴长细比为:1000/218.034=4.5864.586≤200,合格!九. 3轴长细比验算3轴长细比为:1000/153.816=6.5016.501≤200,合格!。
钢结构的平台课程设计一、教学目标本课程旨在让学生掌握钢结构的基本概念、设计和施工技术,培养学生对钢结构的认知能力和实际操作技能,使学生了解钢结构在工程中的应用和优势,树立正确的钢结构设计和施工观念。
具体来说,知识目标包括:了解钢结构的材料特性、设计原理、施工工艺和验收标准;掌握钢结构的基本计算方法和安全性能评价。
技能目标包括:能够运用钢结构的基本原理进行简单的结构设计和计算;具备阅读和理解钢结构施工图的能力;掌握钢结构焊接、铆接等基本施工技能。
情感态度价值观目标包括:培养学生对钢结构的兴趣和热情,使其认识到钢结构在现代工程中的重要性;培养学生严谨的科学态度和良好的职业道德,注重工程质量和安全。
二、教学内容本课程的教学内容主要包括以下几个部分:1.钢结构基本概念:介绍钢结构的定义、分类和特点,以及钢结构的发展历程和现状。
2.钢结构材料:讲解钢结构的常用材料,包括钢材的性能、选用原则和应用范围。
3.钢结构设计:阐述钢结构的设计原理,包括结构体系、荷载分析、内力计算、截面设计和稳定性分析。
4.钢结构施工:介绍钢结构的施工工艺,包括施工准备、构件制作、现场安装、焊接技术和质量验收。
5.钢结构应用案例:分析钢结构在典型工程中的应用案例,让学生了解钢结构的优势和实际应用。
三、教学方法为了提高教学效果,本课程将采用多种教学方法,包括:1.讲授法:通过教师的讲解,使学生掌握钢结构的基本理论和知识。
2.案例分析法:分析典型工程案例,使学生了解钢结构在实际工程中的应用和优势。
3.实验法:学生进行钢结构的实验操作,培养学生的实践能力和安全意识。
4.讨论法:鼓励学生积极参与课堂讨论,提高学生的思考能力和团队协作精神。
四、教学资源为了支持本课程的教学,我们将准备以下教学资源:1.教材:选用权威、实用的钢结构教材,为学生提供系统的学习资料。
2.参考书:提供相关的钢结构参考书籍,丰富学生的知识体系。
3.多媒体资料:制作精美的课件和教学视频,提高学生的学习兴趣。
XX 厂房工作平台焊接钢梁设计计算书一、设计资料某厂房工作平台焊接钢梁(主梁、次梁)设计,梁上铺100mm 厚的钢筋混凝土预制板和30mm 素混凝土面层(混凝土预制板与平台次梁上翼缘板连接牢固)。
钢材采用Q235。
工作平台活荷载为6KN/m 2。
结构布置图如下:二、结构内力计算一)、次梁内力计算查《荷载规范》,钢筋混凝土自重按照25KN/m 3,素混凝土按照24 KN/m 3。
则平台板和面层的重力标准值为: 0.1⨯25+0.03⨯24=3.22 KN/m 2. 次梁承受的线荷载标准值为:k q =3.22⨯4+6⨯4=36.88 KN/m求荷载组合值,即取由可变荷载效应控制的组合值进行计算,且平台活荷载标准值大于 4 KN/m 2,因此取Q γ=1.3,G γ=1.2。
故次梁承受的线荷载设计值为:q =1.2⨯3.22⨯4+1.3⨯6⨯4=46.65 最大弯矩设计值为:max M =281ql =81⨯46.656⨯6.52=246.402m KN ⋅ 支座处的最大剪力设计值为:KN ql V 1.1022716.292max =⨯==设计要求采用焊接钢梁,则净截面模量为:x W =fM x γmax =21505.110402.2466⨯⨯=1091481.7mm 3=1091.5cm 3 A . 跨中截面选择1)梁高①梁的最小高度:根据表5.3得工作平台次梁挠度容许值250/1/][=l v T ,300/1/][=l v Q .查表5.10,得Q235钢下 1.25min l h =mm 96.2581.2565001.25min ===∴l h ②梁的经济高度:cm W h e 3.5207.1091481224.04.0x =⨯==)(mm 7.4203007.10914817300733=-⨯=-⋅=x e W h min h h ≥ ,且e h h ≈ ∴取次梁腹板高度450mm .2)腹板高度mm 2.312545010632.1512.12.13max max =⨯⨯⨯=⋅≥w w t h V τmm mmh t ww 0.65.34505.3===∴取.6mm t w = 故腹板采用——450⨯6的钢板。
钢结构课程设计说明书一、结构布置二、次梁设计:设计数据:2/310mm N f = 永久荷载2/k 3m N 可变永久荷载2/kN 5.3m1、次梁的荷载及内力次梁上作用的荷载标准值()[]m N m N k /1013/235003000q 3⨯=⨯+=次梁上作用的荷载设计值()[]m N m /1017/N 235001.430001.2q 3⨯=⨯⨯+⨯= 支座出的最大支反力kN kN ql 516172121V max =⨯⨯== 最大弯矩m kN m kN ql ⋅=⋅⨯⨯==5.7636178181M 2max2、初选截面采用H 型钢)181.05x -=A (查表γ需要的截面抵抗矩 γ⨯===⨯⨯63376.510235101.05310x x x M W mm f 由型钢表初选HN ⨯⨯⨯24812458查表其几何特征:===342287,3560,23.89x x W cm I cm A cm()=⨯=25.89.8/252.84/g N M N M3、强度验算 次梁自重弯矩=⨯⨯⨯=⋅21 1.2252.846 1.3658g M kN m 总弯矩=+=⋅1.36576.577.865M kN m 弯曲正应力σγ⨯===<=⨯⨯6223x nx x 77.86510258.4N/mm 310/1.0528710M f N mm W H 型截面的面积矩=⨯⨯+⨯⨯=⨯3318124-81248(124-)(124-8)5152.681022S mm 最大剪应力τ+⨯⨯⨯⨯⨯==⨯⨯3321406(51 1.20.25284)10258.410275.4/3560510w VS N mm It 4、刚度验算考虑自重后荷载标准值为mm N m N q k /25.13/84.25210133=+⨯= 挠度⨯==⨯=>⨯⨯⨯44545513.256000q ()30.53853842502.0610356010k x q l l mm EI 故需重新选取 选用HN 298149 5.58⨯⨯⨯ 几何特征为A=41.552cm 自重g=32.69.8/319.48/N m N m ⨯= 3433x W cm = 46460x I cm = 自重产生弯矩=⨯⨯⨯=⋅21 1.2319.486 1.7258g M kN m 总弯矩=+=⋅1.72576.578.225M kN m 弯曲正应力σγ⨯===<=⨯⨯6223x nx x 78.22510172N/mm 310/1.0543310M f N mm W 最大剪应力τ=10w VS It=⨯⨯+⨯⨯=⨯3318149-81498(149-)(149-8) 5.5227.511022S mm τ+⨯⨯⨯⨯⨯==⨯⨯3321406(51 1.20.31948)1017210225.2/6460 5.510w VS N mm It 刚度验算考虑自重后荷载标准值为=⨯+=3(1310319.48)/13.32/k q N m N mm挠度⨯==⨯==<⨯⨯⨯44545513.326000q ()16.93853843552502.0610646010k x q l l l mm EI 满足要求 若次梁放在质量顶面,且次梁在支座处不设承加劲肋,还需验算支座处次梁腹板高度下边缘的局部应力。
工作平台梁格体系_钢结构课程设计提供全套,各专业毕业设计课程设计土木类专业《钢结构》课程设计内容及指导书工作平台梁格体系设计一、设计资料1.结构型式一工作平台尺寸为14m×12m,次梁跨度为6米,次梁间距2.0米,预制钢筋混凝土铺板焊于次梁上翼缘.平台永久荷载(不包括次梁自重)为7.5KN/m2,荷载分项系数为1.2,活荷载为16KN/m2,荷载分项系数为l.4.主梁跨度为14米。
(若考虑次梁叠接在主梁上,其支承长度a=15cm,[f]=l/400)。
2.材料钢材:Q235焊条:E43,手工电焊,普通方法检查;3.规范《钢结构设计规范》(GB50017-2003)二、设计内容1.结构布置要求拟出合理的结构布置方案,并扼要说明1.字体及书写字体用工程字,要求字迹清楚、端正、不得潦草。
2.图纸幅面规格:3号图。
土木类专业《钢结构》课程设计例题工作平台梁格体系设计一、设计资料1.结构型式一工作平台尺寸为15m×12m,次梁跨度为6米,次梁间距2.5米,预制钢筋混凝土铺板焊于次梁上翼缘.平台永久荷载(不包括次梁自重)为8.5KN/m2,荷载分项系数为1.2,活荷载为20KN/m2,荷载分项系数为l.4.主梁跨度为15米。
(若考虑次梁叠接在主梁上,其支承长度,)。
2.材料钢材:Q235焊条:E43,手工电焊,普通方法检查;3.规范《钢结构设计规范》(GB50017-2003)二、设计内容1.结构布置要求拟出合理的结构布置方案,并扼要说明选型的理由与根据,按比例绘出结构布置简图。
(1)梁格的型式(2)主梁型式(3)次梁型式及数目(4)梁格的连接形式2.次梁设计(1) 次梁的荷载和内力计算(2) 次梁截面选择(3) 次梁截面验算(包括强度、稳定,局部承压及刚度验算)3.主梁设计(1)主梁的设计荷载和内力(2)主梁截面设计及验算(3)主梁截面改变及验算(4)主梁翼缘焊缝设计(5)腹板加劲肋设计三、《钢结构》课程设计计算(一)结构布置(二)次梁设计:设计数据:1、次梁的荷载及内力均布荷载设计值:最大弯矩:2、初选截面选用Ⅰ50b,3、强度验算:(1)正应力验算:次梁自重弯矩:,(2)剪应力验算:支座剪力:(3)次梁承受均布荷载作用,其上翼缘没有局部集中荷载作用,可不验算局部压应力,但考虑次梁叠接在主梁上,应验算支座处腹板局部压应力。
XX 厂房工作平台焊接钢梁设计计算书一、设计资料某厂房工作平台焊接钢梁(主梁、次梁)设计,梁上铺100mm 厚的钢筋混凝土预制板和30mm 素混凝土面层(混凝土预制板与平台次梁上翼缘板连接牢固)。
钢材采用Q235。
工作平台活荷载为6KN/m 2。
结构布置图如下:二、结构内力计算一)、次梁内力计算查《荷载规范》,钢筋混凝土自重按照25KN/m 3,素混凝土按照24 KN/m 3。
则平台板和面层的重力标准值为: 0.1⨯25+0.03⨯24=3.22 KN/m 2. 次梁承受的线荷载标准值为:k q =3.22⨯4+6⨯4=36.88 KN/m求荷载组合值,即取由可变荷载效应控制的组合值进行计算,且平台活荷载标准值大于 4 KN/m 2,因此取Q γ=1.3,G γ=1.2。
故次梁承受的线荷载设计值为:q =1.2⨯3.22⨯4+1.3⨯6⨯4=46.65 最大弯矩设计值为:max M =281ql =81⨯46.656⨯6.52=246.402m KN ⋅ 支座处的最大剪力设计值为:KN ql V 1.1022716.292max =⨯==设计要求采用焊接钢梁,则净截面模量为:x W =fM x γmax =21505.110402.2466⨯⨯=1091481.7mm 3=1091.5cm 3 A . 跨中截面选择1)梁高①梁的最小高度:根据表5.3得工作平台次梁挠度容许值250/1/][=l v T ,300/1/][=l v Q .查表5.10,得Q235钢下 1.25min l h =mm 96.2581.2565001.25min ===∴l h ②梁的经济高度:cm W h e 3.5207.1091481224.04.0x =⨯==)(mm 7.4203007.10914817300733=-⨯=-⋅=x e W h min h h ≥ ,且e h h ≈ ∴取次梁腹板高度450mm .2)腹板高度mm 2.312545010632.1512.12.13max max =⨯⨯⨯=⋅≥w w t h V τmm mmh t ww 0.65.34505.3===∴取.6mm t w = 故腹板采用——450⨯6的钢板。
3)翼缘尺寸假定梁高为500mm ,需要的净截面模量惯性矩为:440.2728727287042525007.10914812cm mm mm h W I nx nx ==⨯=⋅= 腹板惯性矩为:43303.455612456.012cm cm h t I w w =⨯=⋅= 由翼缘板需要的惯性矩为:222⎪⎭⎫⎝⎛≈-=w w x t h bt I I I()()222205.22453.45560.2728722cm cmh I I bt w x =-⨯=-=∴ 需要的翼缘面积按式得 2w w x 15.19754506614507.1091481t 61-h mm h W A w =⨯⨯-== mm h b 150~9045051~3151~31=⋅⎪⎭⎫⎝⎛=⎪⎭⎫ ⎝⎛=按照构造要求,b 不能小于180mm, 故取 mm b 180=,cm cmcm t 25.1185.222==∴, ∴取 mm t 14=2215.1975mm 252014180mm A >=⨯=翼缘外伸宽度与其厚度之比为()满足0.72352350.72350.72.61487==<=y f 可按截面部分发展塑性进行抗弯强度计算。
∴翼缘选用——180⨯14钢 截面尺寸如图所示: B . 跨中截面验算 截面几何特征: 截面惯性矩为:()()2320304.145214.118212456.021212⎥⎦⎤⎢⎣⎡+⨯⨯⨯+⨯=⎥⎦⎤⎢⎣⎡++=cm t h bt h t I w x=31683.554cm 截面模量为: ()367.13252/8.24555.316832/cm h I W x x =+==截面面积: 204.77456.04.11822cm cm h t bt A w =⨯+⨯⨯=+= 梁自重: m KN m KN A g k /60.0/98.76104.7734=⨯⨯==-γ (式中,3/98.76m KN 为钢的重力密度——重度) 考虑自重后的最大弯矩设计值: m KN q /38.47656.466.02.1=+⨯=m KN ql M ⋅=⨯==20.25085.638.47822max1)抗弯强度 (满足)22336max /215/75.1791067.132505.11020.250mm N f mm N mm W M x x =<=⨯⨯⨯=⋅γ 2)整体稳定次梁可作为主梁的侧向支撑,而由于次梁上放置楼板,防止其侧向位移。
故不需计算整体稳定性。
3)抗剪强度 面积距:315.7364456.024524.145184.1S cm S S w =⨯⨯++⨯⨯=+=次梁的最大剪力设计值为:()KN ql V 0.1545.638.47212max =⨯==截面的最大剪应力为:2233max /125/7.59655.31683105.736100.154mm N f mm N t I S V V w x =<=⨯⨯⨯⨯==τ ∴(满足)4)刚度:分别计算全部荷载和活荷载标准值作用下的挠度查表5.3得:工作平台次梁的挠度容许值为[]250l v T =,[]300l v Q = ∴全部荷载标准值:m KN q kT /48.3760.088.36=+=[]()满足250148713168355002.188381006.2650048.3738453845533=<=⨯⨯⨯⨯⋅⋅⋅⋅=l v I E l q l v T x kT T[]()满足3001761148.37464871=<=⨯⨯=l v l v Q QC .次梁腹板与翼缘板的连接焊缝:mm f I VS h w f x f 27.11601055.316834.11024.145184.10.1544.1461=⨯⨯⨯⨯+⨯⨯⨯=≥mm t h f 61.5145.15.1m ax m in =⋅==mm t h f 2.762.12.1min max =⨯== 取:mm h mm h f f 2.76m ax =<=二)、主梁内力计算: A .跨中截面选择假定平台主梁与平台柱铰接连接,次梁传下来的荷载值: 标准值:KN l q F kT k 7.12125.648.372=⨯==设计值:KN ql F 0.15425.638.472=⨯==主梁的支座反力(不含自重): KN F R 2310.1545.15.1=⨯== 最大剪力设计值(不含自重):KN F R V 0.1542.1542312max =-=-= 最大弯矩设计值(不含自重):61620.15460.154max =⨯-⨯=M m KN . 需要的净截面模量为:336cm 7.27282.272868221505.1101.261616==⨯⨯==mm f M W x x x γ1)梁高①梁的最小高度:根据表5.3主梁容许挠度[]400/1/=l v T ,按Q235钢查表5.10得:mm l h 33.7647.15120007.15min ==≥②梁的经济高度:()mm W h x e 60.7502.2728682224.04.0=⨯=⋅=mm W h x e 17.6783002.27286827300733=-⨯=-= ∴取腹板高度:mm h w 800=2)腹板厚度:mm f h V t V w 848.1125800100.1542.12.13max w =⨯⨯⨯=≥mm h t w08.85.38005.3w ===取 mm t w 8=故腹板采用——8800⨯的钢板 3)翼缘尺寸212.2344680088002.27286826mm h t h W A w w w x =⨯-=⋅-=mm h b 3.277~4.16683251~3151~31=⨯⎪⎭⎫⎝⎛=⎪⎭⎫ ⎝⎛=去翼缘宽度200mm ,厚度16mm.∴221mm 2.2344mm 320016200>=⨯=A截面尺寸如右图所示翼缘外伸宽度与其厚度之比为0.7/2350.761696=<=y f 可按截面部分发展塑性进行抗弯强度计算B.跨中截面验算截面面积:2cm 1288.0806.1202=⨯+⨯⨯=A梁自重:m KN /08.198.76101281.1g 4-k =⨯⨯⨯=(式中1.1为考虑加劲肋等的重力而采用的构造系数,76.98KN/m 3为钢的重度) 加上自重后的支座反力设计值:mKN M KNV KNR ⋅=⨯⨯⨯+==⨯⨯⨯+==⨯⨯⨯+=33.9.631208.12.181261678.11611208.12.1210.15478.2381208.12.1212312max max 处)最大弯矩设计值(跨中处):最大剪力设计值(支座 梁的内力图如右图: 截面的几何特性: ()()442323cm 3.406701mm 4067029331168002116200212800821212==⎥⎦⎤⎢⎣⎡+⨯⨯⨯+⨯=⎥⎦⎤⎢⎣⎡++=t h bt h t I w w w x()35.33812/2.3803.1406702/cm h I W x x =+==1)抗弯强度36105.338105.11033.639⨯⨯⨯=⋅x x x W M γ22/215/1.180mmN f mm N =<= (满足) 2)整体稳定性次梁可作为主梁的侧向支撑,因此,4001cm l = 2020/400/1==b l 大于表5.9规定的不需计算整体稳定性的最大 16/1=b l ,故需验算端部截面梁段的整体稳定性。
该梁段属于梁端有弯矩但跨中无荷载作用情况,由表5.6 21212b 3.005.175.1⎪⎪⎭⎫⎝⎛+⎪⎪⎭⎫ ⎝⎛-=M M M M β 75.1),(02==b M β故支座处弯矩 )(00.9808.440008.412833.213312833.213312206.12243y 双轴对称截面=======⨯⨯=b y y cm i cm A cm I ηλ6.070.223523502.834.46.19815.33812.8312898432075.12354.4143202222b >=⨯⎥⎥⎦⎤⎢⎢⎣⎡+⎪⎭⎫ ⎝⎛⨯⨯+⨯⨯⨯⨯=⎥⎥⎥⎦⎤⎢⎢⎢⎣⎡+⎪⎪⎭⎫ ⎝⎛+⋅⋅=∴yb y x y b f h t W Ah ηλλβϕ)(/215/8.195105.338197.01033.63997.07.2282.007.1282.007.1'2236b bb 满足整体稳定性验算如下:mm N mm N W M x <=⨯⨯⨯==-=-=ϕϕϕ3)抗剪强度3216.1945208.0408.40206.1cm S S S =⨯⨯+⨯⨯=+=2233max max /125/97.2781406702933106.19451078.161mm N f mm N t I S V v w x =<=⨯⨯⨯⨯=⋅⋅=τ (满足)4)刚度:分别计算全部荷载标准值和可变荷载标准值作用产生的挠度。