中南大学级钢结构课程设计计算书
- 格式:docx
- 大小:676.20 KB
- 文档页数:25
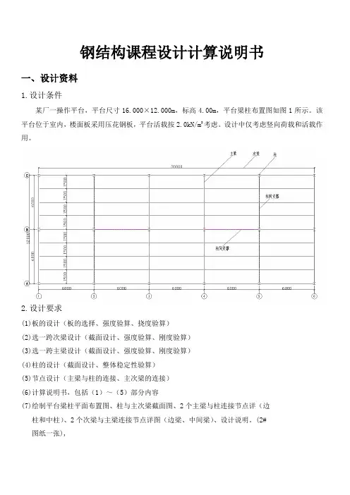
钢结构课程设计计算说明书一、设计资料1.设计条件某厂一操作平台,平台尺寸16.000×12.000m,标高4.00m,平台梁柱布置图如图1所示。
该平台位于室内,楼面板采用压花钢板,平台活载按2.0kN/m2考虑。
设计中仅考虑竖向荷载和活载作用。
2.设计要求(1)板的设计(板的选择、强度验算、挠度验算)(2)选一跨次梁设计(截面设计、强度验算、刚度验算)(3)选一跨主梁设计(截面设计、强度验算、刚度验算)(4)柱的设计(截面设计、整体稳定性验算)(5)节点设计(主梁与柱的连接、主次梁的连接)(6)计算说明书,包括(1)~(5)部分内容(7)绘制平台梁柱平面布置图、柱与主次梁截面图、2个主梁与柱连接节点详(边柱和中柱)、2个次梁与主梁连接节点详图(边梁、中间梁)、设计说明。
(2#图纸一张),二、设计方案1、板的设计(1)确定铺板尺寸使用压花钢板,厚度取15mm ,密度为37.85/kg m(2)验算板的强度和挠度①铺板承受的荷载恒载标准值:37.859.815101 1.154/k g kN m -=⨯⨯⨯⨯=活载标准值: 3.01 3.0/k p kN m =⨯=荷载总标准值: 1.154 3.0 4.154/k k k q g p kN m =+=+=恒载设计值: 1.154 1.2 1.385/g kN m =⨯=活载设计值: 3.0 1.2 4.2/p kN m =⨯=荷载总设计值: 1.385 4.2 5.585/q kN m =+= 根据规范,6000421500b a ==>,1230.1250,0.0375,0.095,0.1422a a a β==== 因为1213,a a a a >>所以22max 10.1250 5.585 1.5 1.571x M M a qa kN m ===⨯⨯=②验算强度及挠度强度验算:322max max2266 1.5711034.91/215/1.215x M N mm N mm t σγ⨯⨯===<⨯ 满足设计要求挠度验算:[]434max 3334.15410150060000.1422 4.3014020610151500k q a v mm v mm Et β-⨯⨯==⨯=<==⨯⨯ 满足设计要求2、平台次梁设计(1)确定次梁截面假设平台次梁与平台主梁铰接,承受着铺板传递的均布荷载,位于中间的次梁承受着两侧铺板传递的荷载,所以选取中间的次梁进行计算,次梁受力如图所示恒载标准值: 1.154 1.5/20.866/k g kN m =⨯=活载标准值: 3.0 1.5/2 2.25/k p kN m =⨯=恒载设计值:0.866 1.2 1.039/g kN m =⨯=活载设计值: 2.25 1.4 3.15/p kN m =⨯= 次梁跨中最大弯矩:22max 112(1.039 3.15)637.70188M ql kN m ==⨯⨯+⨯= 次梁所需最小截面抵抗矩63max /37.70110/205183907x W M f mm ==⨯=根据规范次梁选用18I 热轧型工字型截面,经验算挠度不满足设计要求,故选用20a I 热轧型工字钢 截面特性:235.55A cm =42369x I cm =,3236.8x W cm =,3S 136.1x cm =,7w t mm =,单位重量27.91/kg m(2)验算强度及刚度①强度验算:32max 1[1.2(0.866227.919.810) 1.4 2.252]639.188M kN m -=⨯⨯+⨯⨯+⨯⨯⨯=⋅ 6max max339.1810157.582151.05236.810x x M MPa f MPa W σγ⨯===<=⨯⨯ 3max 1[1.2(0.866227.919.810) 1.4 2.252]626.1222ql V kN -==⨯⨯+⨯⨯+⨯⨯⨯= 3max max max26.1210136.121.441252369107v x w V S MPa f MPa I t τ⨯⨯===<=⨯⨯ 强度满足设计要求②刚度验算:434max 5455(0.866227.919.810 2.252)600022.5384384 2.0610236910k x q l v mm EI -⨯⨯+⨯⨯+⨯⨯===⨯⨯⨯⨯ max 6000[]2422.5250250l v mm v mm ===>= 因此,采用20I a 次梁的刚度符合要求,其截面形式见下图:3、平台主梁设计由简化力学模型可知,忽略掉连续梁对框架梁的荷载影响,可以简化为简支梁进行设计验算,而次梁的荷载又分为横载和活载两部分,故要考虑荷载的最不利布置情况。
一、荷载计算永久荷载(设计值):预应力混凝土屋面板 1.45kN/m2×1.35=1.96kN/m2三毡四油(上铺绿豆砂)防水层0.40kN/m2×1.35=0.54kN/m2水泥砂浆找平层0.40kN/m2×1.35=0.54kN/m2保温层0.70kN/m2×1.35=0.95kN/m2一毡二油隔气层0.05kN/m2×1.35=0.07kN/m2水泥砂浆找平层0.30kN/m2×1.35=0.41kN/m2屋架和支撑自重(0.12+0.011×16)×1.35=0.40kN/m2管道荷载0.10kN/m2×1.35=0.135kN/m2合计 5.005kN/m2可变荷载:施工荷载和雪荷载不同时考虑,而是取两者的较大值。
屋面活荷载0.70kN/m2×1.4=0.98kN/m2积灰荷载0.70kN/m2×1.4=0.98kN/m2合计 1.96kN/m2屋面坡度不大,对荷载影响小,未予考虑。
风荷载对屋面为吸力,重屋盖可不考虑。
二、荷载组合本设计按全跨荷载的永久效应组合:5.005+0.7×0.98+0.9×0.98=6.573kN/m2本设计为16m跨度,取5等分,即每单跨3.2m,根据结构布置,存在两种形式的节点荷载,即6m×3.2m和6m×1.6m,分别计算其大小。
F d=6.573×6×3.2=126.20 kNF d=6.573×6×1.6=63.10 kN内力计算kN 利用ansys软件,计算出各节点的杆件内力,得出最大拉力杆件值为596.10;最大压力在杆件值为606.87。
kN 三、杆件截面设计根据腹杆最大内力值,由屋架节点板厚度参考可知:支座节点板厚度取14mm ;其余节点板与垫板厚度取12mm 。
钢结构课程设计计算书
钢结构课程设计以满足当前建筑建设对钢结构加强,改造,保护及其他类型建筑的要求,致力于有效地节省人力和物力,兼顾经济性,安全性,环保性及其他质量方面的要求,提高钢结构建筑的质量,提高工程安全性及经济效益,充分发挥混凝土结构的载荷传递能力,钢结构的特点是对质量的要求非常严格,要完成建筑钢结构技术课程设计,全面考虑计算书中的技术规范,相关技术要求,是制定一份完整钢结构课程设计计算书的基础。
二、钢结构课程设计计算书内容
1.项目概况:
《钢结构课程设计计算书》的项目概况,应包括项目名称,建设单位,用地面积;工程设计单位,设计人员、施工单位等相关情况。
2.建筑物基本资料:
《钢结构课程设计计算书》的建筑物基本资料,应包括建筑物房屋基本结构形式,型号,大小以及所用材料等,以及构造受力情况分析,结构体系特征分析,计算模型建立,荷载重要规范,荷载计算等内容。
3.结构构件计算:
《钢结构课程设计计算书》的结构构件计算也应包括构件的计算公式及框架内力的确定,构件的空间组合及支撑结构的分析,分析结果及结论,各构件荷载计算,轴力计算,构件高度,滞回特性及尺寸计算等内容。
4.分析总结:
《钢结构课程设计计算书》的分析总结部分应当概括总结本次课程设计的计算过程,重点对各环节计算中出现的不同问题作出总结,特别是应当根据实际工程情况作出合理的设计建议,以此有效提高工程安全性和经济效益。
三、总结
《钢结构课程设计计算书》的计算是一项复杂的工作,需要考虑多方面的因素,从而有效地节省人力和物力,兼顾经济性,安全性,环保性及其他质量方面的要求,提高钢结构建筑的质量,提高工程安全性及经济效益。
为此,应当根据实际情况仔细研究,有助于完成以上目标。
中南大学钢结构课程设计书第一部分钢结构课程设计任务书一、设计资料:1.某单层单跨工业厂房钢屋架设计,设计方案号56:跨度L2=21 m,长度102 m。
2.厂房柱距6 m,钢筋混凝土柱,混凝土强度等级C20,上柱截面尺寸400⨯400,钢屋架支承在柱顶。
3.吊车一台150 T,一台30 T,吊车平台标高+12.000 m。
4.荷载标准值(1)永久荷载:屋面材料自重: A4=0.80kN/m2;屋架及支撑自重:按经验公式L==0.351kN/m2;.0+q011.012(2)可变荷载:屋面活荷载标准值: 0.5 kN/m2雪荷载标准值: B1=0.40kN/m2积灰荷载标准值: C2=0.40kN/m2β=, 基本风压:3.0 kN/m2(3)风荷载: B类地区, 1.0z5.屋架计算跨度,几何尺寸及屋面坡度见附图1。
图1 21米跨屋架几何尺寸6.钢材Q235号钢、角钢、钢板各种规格齐全;有各种类型的焊条和C级螺栓可供选用。
7.钢屋架的制造、运输和安装条件:在金属结构厂制造,运往工地安装,最大运输长度16 m,运输高度3.85 m,工地有足够的起重安装条件。
第二部分屋架设计计算书一、屋架支撑系统的设置1.屋架间距的设置厂房柱间距为6m,屋架间距故取为6m。
2.横向支撑的设置房屋两端第一个柱间各设置一道上弦平面横向支撑和下弦平面横向支撑。
因屋架L为102m,大于60m,故在纵向正中间柱间加设一道横向支撑。
3.纵向支撑的设置因吊车,且高度较大,对房屋整体刚度的要求较高,对梯形屋架,纵向支撑设置在屋架的下弦平面。
4.垂直支撑的设置在屋架跨中和两端处各布置一道垂直支撑。
垂直支撑的节间长度取柱距的一半为3m;节间宽度为相应的弦杆高度h。
如图1所示5.系杆的设置屋架上弦平面,屋架跨中和两端各布置一道通长的刚性系杆,其他结点设通长的柔性系杆;下弦平面,仅在跨中和两端布置通长的柔性系杆。
6.屋架支撑体系布置如下图所示支撑代号:屋架上弦横向水平支撑 sc;屋架下弦横向水平支撑 xc;屋架下弦纵向水平支撑 zc;垂直支撑 cc;系杆 LG;二、荷载的计算已知各荷载标准值计算各荷载的设计值:按屋面活载及雪荷载两者中取大值的原则,算出可变荷载的设计值。
中南大学_钢结构课程设计第2章设计计算书一、屋架支撑系统的设置一、拟订尺寸 (4)二、桩在承台底面的布置 (5)三、承台底面形心处的位移计算 (6)四、墩身弹性水平位移δ的计算 (10)五、桩基检算 (12)六、配筋计算 (14)第3章电算结果一、原始输入数据 (17)二、电算输出结果 (18)三、手算电算结果对照表 (21)附录1:设计说明书一份附录2:桩基础布置及桩身钢筋构造图一张第二篇设计计算一、屋架支撑系统的设置屋架支撑的种类有横向支撑、纵向支撑、垂直支撑和系杆。
在本设计中,屋架支撑系统设计如下:1.1 厂房柱距6m,屋架间距取为6米。
1.2 在房屋两端第一个柱间各设置一道上弦平面横向支撑和下弦平面横向支撑。
房屋长度较大,为102m,其两端横向支撑间距超过了60m,为增加屋盖的刚性,在长度方向正中间的柱间加设一道横向支撑。
1.3 房屋是厂房,且厂房内有吊车,高度较高,对房屋整体刚度的要求较高,设置纵向支撑,对梯形屋架,纵向支撑设置在屋架的下弦平面。
1.4 在屋架中和两端各布置一道垂直支撑。
垂直支撑的形式根据高度与柱距的比值确定。
在此屋架结构中,h/l=3085/6000=0.51,故取如下图垂直支撑形式:垂直支撑图样1.5 在屋架上弦平面,屋架跨中和两端各布置一道通长的刚性系杆,其他结点设通长的柔性系杆;下弦平面,仅在跨中和两端布置通长的柔性系杆。
屋架支撑系统设置如图2所示。
梯形屋架支撑布置图1—垂直支撑;2—系杆;3—上弦横向支撑;4—下弦横向支撑;5—下弦纵向支撑二、杆件内力的计算先定出屋架所有杆件的尺寸,画出屋架示意图如图3:屋架几何尺寸图2.1 荷载计算恒载设计值=恒载标准值⨯1.2活载设计值=活载标准值⨯1.4(1) 永久荷载设计值三毡四油(上铺绿豆沙)防水层 20.4 1.20.48/kN m ⨯=水泥砂浆找平层 20.3 1.20.36/kN m ⨯=保温层 20.6 1.20.72/kN m ⨯=一毡二油隔气层 20.05 1.20.06/kN m ⨯=预应力混凝土大型屋面板 21.4 1.2 1.68/kN m ⨯= 屋架(包括支撑)自重 20.384 1.20.4608/kN m ⨯=合计 21q 3.7608/kN m = (2) 可变荷载设计值由于积雪时人不大可能大量拥上屋面等原因,对屋面均布可变荷载和雪荷载,只取其较大者。
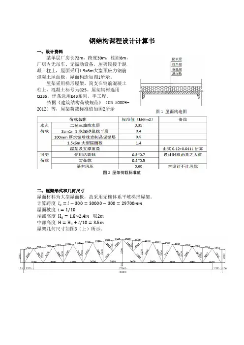
钢结构课程设计计算书一、设计资料某单层厂房长72m,跨度30m,柱距6m,厂房内无吊车、无振动设备,屋架铰接于混凝土柱上,屋面采用1.5x6m大型预应力钢筋混凝土屋面板,屋面构造如图1所示。
屋架采用梯形屋架,简支在钢筋混凝土柱上,混凝土标号为C25。
屋架钢材选用Q235,焊条选用E43系列,手工焊。
依据《建筑结构荷载规范》(GB 50009-2012)等,屋架荷载标准值如图2所示图2 屋架荷载标准值二、屋架形式和几何尺寸屋面材料为大型屋面板,故采用无檁体系平坡梯形屋架。
计算跨度l0=l−300=30000−300=29700mm屋面坡度i=1/10端部高度H0=1.8~2.4m 取2m中部高度H=H0+l/10=3.5m屋架几何尺寸如图3(上)所示。
图3屋架几何尺寸和结构编号三、支撑布置由于房屋长度有72m,故需要在房屋两端部和中间部开间设置上、下弦横向水平支撑和屋架两端及跨中处设置垂直支撑。
其他屋架则在垂直支撑处分别于上、下弦设置三道系杆,其中屋脊和两支座处为刚性系杆,其余三道为柔性系杆。
(见下页)四、屋架节点荷载屋面坡度较小,故对所有荷载均按水平投影面计算(不考虑风荷载)1.5x6m 大型屋面板1.4kN/m2100mm 厚水泥珍珠岩制品保温层0.5kN/m22cm1:3 水泥砂浆找平层0.4kN/m2二毡三油防水层0.35kN/m2屋架及支撑重量0.12+0.011l=0.12+0.011×30=0.45kN/m2永久荷载总和3.1kN/m2使用活荷载(大于雪荷载)0.7kN/m2荷载组合:1.全跨永久荷载+可变荷载由可变荷载控制:F=(1.2×3.1+1.4×0.7)×1.5×6=42.3kN 由永久荷载控制:F=(1.35×3.1+1.4×0.7×0.7)×1.5×6=43.8kN 故取节点荷载设计值43.8kN2.全跨永久荷载+半跨可变荷载(左跨)由可变荷载控制:左跨:F=(1.2×3.1+1.4×0.7)×1.5×6=42.3kN右跨:F=1.2×3.1×1.5×6=33.5kN由永久荷载控制:左跨:F=(1.35×3.1+1.4×0.7×0.7)×1.5×6=43.8kN右跨:F=1.35×3.1×1.5×6=37.7kN故取节点荷载设计值:左跨43.8kN、右跨37.7kN3.全跨屋架、天窗和支撑自重+半跨檩条、屋面板+半跨可变荷载(左跨)由可变荷载控制:左跨:F=(1.2×0.45+1.2×1.4+1.4×0.7)×1.5×6=28.8kN右跨:F=1.2×0.45×1.5×6=4.9kN由永久荷载控制:左跨:F=(1.35×0.45+1.35×1.4+1.4×0.7×0.7)×1.5×6=28.7kN右跨:F=1.35×0.45×1.5×6=5.5kN故取节点荷载设计值:左跨28.7kN、右跨5.5kN五、屋架杆件内力经结构力学求解器计算,屋架结构编号如图3(下)所示。
一、 设计资料及有关规定1、跨度L=15m 。
柱距(屋架间距)为6m ;长度为84m 。
2、屋面为彩色涂层压型钢板复合保温板(含檩条) 0.25 KN/m 2屋架及支撑 0.12+0.011×L (m )KN/m 2 3、雪荷载 0.50KN/m 2 4、钢材为Q235(3号钢),焊条采用E43型 5、屋面坡度i=1/36、悬挂荷载 0.3 KN/m 27、屋盖承重结构采用三角形钢屋架8、令钢屋架简支在钢筋混凝土柱顶上。
上柱截面为400mm ×400mm ,所用混凝土为C25,轴心抗压强度设计值211.9/c f N m m 。
二、 屋架尺寸及檩条设置1、屋架几何长度及节点编号如图所示,运输单元如图半跨7.5m 运输,最大高度3m 。
起拱高度f =L/500=15000/500=30mm2、檩条支承于屋架上弦节点处。
故采用檩条间距为2.646m 。
檩条跨度6m 。
在檩条间跨中位置设置拉条,圆钢拉条10mm 。
屋脊和屋檐处都设置斜拉条及撑杆。
三、 支撑布置1. 根据厂房长度(84m>60m)、跨度15m 及荷载等情况,设置上弦横向水平支撑3道,下弦横向水平支撑3道,防止屋架水平方向振动。
仅在跨度中央设置一道垂直支撑。
上弦平面内在屋脊处设置刚性系杆及两端设置柔性系杆;下弦平面内在跨中设置刚性系杆及两端设置柔性系杆。
梯形钢屋架支撑布置如图所示:四、杆件内力计算1.荷载计算永久荷载标准值:屋架及支撑0.12+0.011×L=0.285 2K N m(水平)/屋面及保温(檩条) 0.25 2/K N m悬挂荷载 0.3 2K N m/总计 0.835 2K N m/可变荷载标准值:雪荷载 0.8 2K N m/总计 0.82K N m/永久荷载设计值 1.2×0.835=1.002 kN/㎡可变荷载设计值 1.4×0.8=1.12 kN/㎡风荷载不考虑2.荷载组合设计屋架时,应考虑以下三种组合:组合一全跨永久荷载+全跨可变荷载屋架上弦节点荷载 P=(1.002+1.12) ×2.7×6=34.376 kN组合二全跨永久荷载+半跨可变荷载屋架上弦节点荷载 P1 =1.002×2.7×6=16.232 kNP2 =1.12×2.7×6=18.144 kN组合三全跨屋架及支撑自重+半跨屋面结构材料+半跨施工荷载屋架上弦节点荷载 P3=1.2×0.285×2.7×6=5.54kNP4=1.2×0.55×2.7×6=10.692 kNP5=1.4×1.0=1.4 kN3.杆件内力计算本设计使用结构力学求解器,计算杆件在单位节点力作用下各杆件的内力系数。
中南大学土木建筑学院土木工程专业(本科)《钢结构基本原理》课程设计任务书题目:铜樞架1姓名:班级:学号:建筑工程系目录一、设计资料一、设计构件某多层图书馆二楼书库楼面结构布置图如图,结构采用横向框架承重,楼面活荷载标准值4册伽〃『(单号)、8RN伽亦(双号),楼面板为150mm厚单向实心钢筋混凝土板,荷载传力途径为:楼面板一次梁一主梁一柱一基础。
设计中仅考虑竖向荷载和活载作用,框架梁按连续梁计算,次梁按简支梁计算。
其中框架柱为焊接H型钢,截面尺寸为H500X300 X 14X20二、设计内容要求(1)设计次梁截面CL-lo(2)设计框架主梁截面KL-K(3)设计框架主梁短梁段与框架柱连接节点,要求釆用焊缝连接,短梁段长度一般为0.9〜l・2m。
(4)设计框架主梁短梁段与梁体工地拼接节点,要求采用高强螺栓连接。
(5)绘制主梁与柱连接节点详图,短梁段及梁体连接节点详图,梁体截面详图(1#图纸一张,手工绘制),KL-1钢材用量表,设计说明等。
(6)计算说明书,包括构件截面尺寸估算、荷载计算、内力组合、主次梁截面设计、主次梁强度、刚度、整体稳定、局部稳定验算。
提示:44dCL-1:—————―——CL-1CL-1CL-1LL-1I 1豆・LL-1d・LL-1I1・LL-1v-4dO■SCL-1CL-1CL-1CL-1—I1I O O忖吕LL-1. LL-1・LL-1. LL-1•O J■8CL-1CL-1CL-1CL-1O I1I1I18日且且14・LL-1■・LL-13• LL-1LL-1■S1008100S100■ ■S1001•・.J J dA图1结构平而布置图O8IO8cB)(1) 取其中一棉框架进行计算,如轴线3,计算中要考虑活荷载的不利布置。
(2)框架梁与柱为固结,次梁与框架梁之间为较接。
三、进度安排周一:构件尺寸估算和楼盖荷载计算; 周二:楼盖内力计算及内力组合; 周三:主梁截面设计及连接设计计算; 周四:施工图绘制; 周五:计算文本整理。
《钢结构设计》课程设计计算书一、题目普通钢屋架设计,并绘制屋架支撑、檩条布置图和屋架施工图二、工程概况某车间厂房总长度约为108m。
车间设有两台30吨中级工作制吊车。
车间无腐蚀性介质。
该车间为单跨双坡封闭式厂房,屋架采用三角形桁架式钢屋架(见图1),屋架下弦标高为9m,其两端铰支于钢筋混凝土柱上,上柱截面尺寸为400㎜×400㎜,混凝土强度等级为C20。
屋面采用彩色压型钢板加保温层屋面,C型檩条,檩距为1.5m~2.2m。
芬克式豪式图1 三角形桁架式钢屋架示意图三、设计资料按表1选取屋架形式、坡度、柱距、跨度和所在地区的雪荷载。
屋面恒荷载(包括屋面板、保温层、檩条、屋架及支撑等)水平投影标准值为0.50kN/㎡。
屋面活荷载标准值为0.30kN/㎡。
不考虑积灰荷载、风荷载。
雪荷载(kN/㎡)见表1,不考虑全垮积雪不均匀分布情况。
荷载规范规定屋面活荷载与雪荷载不同时考虑,而采用其中较大者。
本设计中活荷载均小于雪荷载,故只需考虑恒载和雪荷载的组合。
这种组合分全跨雪荷载和半跨雪荷载两种情况,即内力组合为“恒+全”和“恒+半”两种组合值。
结构重要性系数为γ0=1.0。
屋架采用Q235B钢,焊条采用E43型。
四、设计内容与要求1.材料的选择:包括屋架所采用的钢材的品种,螺栓的种类及规格,焊条的型号等。
2.确定屋架的形式,计算屋架各杆的几何尺寸。
3.布置屋架及屋盖支撑,画出屋盖支撑、檩条布置图(1号图纸铅笔图一张)。
4.进行屋架结构设计,提出结构计算书一份。
5.绘制屋架施工图(1号图纸铅笔图一张),其主要内容包括:屋架的正面图,上、下弦平面图,侧面图和设有垂直支撑、系杆处必要的剖面图,正面图中没表示清楚的零件详图、屋架简图、材料表等。
6.制图按中华人民共和国国家标准,《房屋建筑制图统一标准》(GB/T50001-2001),《建筑结构制图标准》(GB/T50105-2001)。
五、参考资料(1)《建筑结构荷载规范》(GB50009-2001)(2)《钢结构设计规范》(GB50017-2003)(3)《建筑结构静力计算手册》(4)《钢结构设计手册(上册)》六、计算书撰写规范之一1、设计资料某工程为跨度为21m的单跨双坡封闭式厂房,总长度为40m,采用三角形桁架式钢屋架即芬克式钢屋架,屋面坡度i=1:2.5,屋架间距为6.0m,车间设有两台30吨中级工作制吊车,屋架铰接于钢筋混凝土柱上,上柱截面尺寸为400mm*400mm,混凝土强度等级为C20,无吊顶,屋架下弦标高为10m,屋面材料采用彩色压型钢板加保温层屋面,C型檩条,屋面恒荷载标准值为0.5KN/m2,屋面活荷载标准值为0.2 KN/m2,基本雪压为0.3 KN/m2,不考虑积灰荷载、风荷载,不考虑全跨积雪不均匀分布情况。
钢结构课程设计计算书设计资料:某车间跨度l=24m,长度84米,柱距6米。
屋面坡度i=1/12。
房屋内无吊车。
不需抗震设防。
采用1.5m×6m预应力混凝土大型屋面板,100mm厚泡沫混凝土保护层和卷材屋面。
当地雪荷载0.5kN/m2,屋面积灰荷载0.75kN/m2。
屋架两端与混凝土铰接,混凝土强度等级C25。
钢材选用Q235-B。
焊条选用E43型,手工焊。
屋架尺寸与布置:屋面材料为大型屋面板,故采用平坡梯形屋架。
屋架计算跨度l0=l—200=23700mm。
设端部高度H0=2000mm,中部高度H=3000,屋架高跨比H/L=3000/23700=1/7.9。
屋架跨中拱起50mm,屋架几何尺寸如图所示:1.荷载计算与组合(1)荷载标准值(屋面坡度较小,故对所有荷载均按水平投影面计算)①永久荷载高分子防水卷材上铺小石子0.35kN/㎡20mm厚水泥沙浆找平层0.40kN/㎡冷底子油、热沥青各一道0.05kN/㎡100mm厚泡沫混凝土保温层0.60kN/㎡预应力混凝土大型屋面板和灌封 1.40kN/㎡屋架和支撑自重0.12+0.011l=0.12+0.011×24=0.38kN/㎡吊顶+ 0.40kN/㎡3.58kN/㎡②可变荷载屋面活荷载0.50kN/㎡屋面积灰荷载+ 0.75kN/㎡1.25kN/㎡(2)荷载组合设计屋架时应考虑以下三种荷载组合:①全跨永久荷载+全跨可变荷载屋架上弦节点荷载(端点荷载取半):P=(3.58×1.2+1.25×1.4)×1.5×6=54.41kN②全跨永久荷载+半跨可变荷载=3.58×1.2×1.5×6=38.66kN有可变荷载作用屋架上弦节点处的荷载:P1=1.25×1.2×1.5×6=15.75kN无可变荷载作用屋架上弦节点处的荷载:P2③全跨屋架与支撑+半跨屋面板+半跨屋面活荷载全跨屋架和支撑自重产生的节点荷载:取屋面可能出现的活荷载P=(1.4×1.2+0.5×1.4)×1. 5×6=21.42kN4以上①,②为使用阶段荷载组合,③为施工阶段荷载组合。
《钢结构设计原理》课程设计计算书专业:土木工程姓名学号:指导老师:目录设计资料和结构布置- - - - - - - - - - - - - - - - - - - - - - - - - - - - - - - - - - -11.铺板设计1.1初选铺板截面 - - - - - - - - - - - - - - - - - - - - - - - - - - - - - - - - 21.2板的加劲肋设计- - - - - - - - - - - - - - - - - - - - - - - - - - - - - - - - 31.3荷载计算 - - - - - - - - - - - - - - - - - - - - - - - - - - - - - - - - - - 43.次梁设计3.1计算简图- - - - - - - - - - - - - - - - - - - - - - - - - - - - - - - - - - - 53.2初选次梁截面 - - - - - - - - - - - - - - - - - - - - - - - - - - - - - - - - 53.3内力计算 - - - - - - - - - - - - - - - - - - - - - - - - - - - - - - - - - - 63.4截面设计 - - - - - - - - - - - - - - - - - - - - - - - - - - - - - - - - - - 64.主梁设计4.1计算简图 - - - - - - - - - - - - - - - - - - - - - - - - - - - - - - - - - - - 74.2初选主梁截面尺寸 - - - - - - - - - - - - - - - - - - - - - - - - - - - - - - - 75.主梁内力计算5.1荷载计算- - - - - - - - - - - - - - - - - - - - - - - - - - - - - - - - - - - 95.2截面设计- - - - - - - - - - - - - - - - - - - - - - - - - - - - - - - - - - - 96.主梁稳定计算6.1内力设计- - - - - - - - - - - - - - - - - - - - - - - -- - - - - - - - - - - - 116.2挠度验算- - - - - - - - - - - - - - - - - - - - - - - - - - - - - - - - - - - - 136.3翼缘与腹板的连接- - - - - - - - - - - - - - - - - - - - - - - - - - - - - - - - 137主梁加劲肋计算7.1支撑加劲肋的稳定计算 - - - - - - - - - - - - - - - - - - - - - - - - - - - - - 147.2连接螺栓计算 - - - - - - - - - - - - - - - - - - - - - - - - - - - - - - - - 147.3加劲肋与主梁角焊缝 - - - - - - - - - - - - - - - - -- - - - - - - - - - - - - 157.4连接板的厚度 - - - - - - - - - - - - - - - - - - - - - - - - - - - - - - - - - 157.5次梁腹板的净截面验算 - - - - - - - - - - - - - - - - - - - - - - - - - - - - 158.钢柱设计8.1截面尺寸初选 - - - - - - - - - - - - - - - - - - - - - - - - - - - - - - - - 168.2整体稳定计算 - - - - - - - - - - - - - - - - - - - - - - - - - - - - - - - - 168.3局部稳定计算 - - - - - - - - - - - - - - - - - - - - - - - - - - - - - - - - - 178.4刚度计算 - - - - - - - - - - - - - - - - - - - - - - - - - - - - - - - - - - 178.5主梁与柱的链接节点- - - - - - - - - - - - - - - - - - - - - - - - - - - - - - 189.柱脚设计9.1底板面积 - - - - - - - - - - - - - - - - - - - - - - - - - - - - - - - - - - - 219.2底板厚度 - - - - - - - - - - - - - - - - - - - - - - - - - - - - - - - - - - 219.3螺栓直径 - - - - - - - - - - - - - - - - - - - - - - - - - - - - - - - - - - - 2110.楼梯设计10.1楼梯布置 - - - - - - - - - - - - - - - - - - - - - - - - - - - - - - - - - 2210.2踏步板计算 - - - - - - - - - - - - - - - - - - - - - - - - - - - - - - - - 2210.3梯段梁设计 - - - - - - - - - - - - - - - - - - - - - - - - - - - - - - - - 2311.斜支撑设计11.1支撑布置- - - - - - - - - - - - - - - - - - - - - - - - - - - - - - - - - - 2511.2斜支撑刚度计算- - - - - - - - - - - - - - - - - - - - - - - - - - - - - - - -251设计资料某机床加工车间,厂房跨度24m,长度96m.设计对象为厂房内的钢操作平台,其平面尺寸为×,室内钢结构操作平台建筑标高为。
钢构造课程设计计算书一、设计资料1、屋架形式为梯形钢屋架;2、屋架铰支于钢筋混凝土柱顶,混凝土标号 C25;3、车间柱网布置:长度 60m ;柱距 6m ;跨度 L=24m ;4、屋面材料为预应力大型面板〔1.5*6m ,屋面板需保证与上弦3个点焊牢,故上弦平面外计 算长度为3米〕5、钢材采用 Q235·BF 钢,焊条为 E43型,手工焊;二、屋架尺寸及尺寸确实定(1)根据车间长度、跨度及荷载情况,在屋架上下弦设置两道横向水平支撑及垂直支撑和系杆,使屋盖成为空间刚度很大的稳定系统,中间各个屋架用系杆联系,支撑,屋架平面布置见下列图1, 图1:〔2〕屋面材料为预应力混凝土大型屋面板,采用无檩屋盖体系,平坡梯形钢屋架。
屋面坡度。
10/1=i屋架计算跨度0215024000215023700l l mm =-⨯=-⨯=。
屋架端部高度取:01515H mm =。
跨中高度:00H 151523700/20.127002l H i mm =+⋅=+⨯=。
屋架高跨比:0270092370079H l ==。
屋架跨中起拱/50048,f l mm ==取50 mm 。
为了使屋架节点受荷,配合屋面板1.5m 宽,腹杆体系大局部采用下弦节间水平尺寸为3.0m 的人字形式,上弦节间水平尺寸为 1.5m ,左半跨如下图,左右对称,左端部间距150mm 屋架几何尺寸如图 2所示三、支撑布置根据车间长度、屋架跨度、荷载情况、屋架上弦设置横向水平支撑及垂直支撑和系杆,使屋盖成为空间刚度很大的稳定系统,见图1。
四、荷载的计算屋面荷载标准值见表 1表1 荷载标准值各屋架满跨与半跨内力系数见附图2。
1、荷载计算屋面荷载汇总如表 2所示:表2 荷载类型 荷载名称 荷载标准值 永久荷载D 总计 2.86 kN/m 2 可变荷载雪荷载L0.45 kN/m 22设计屋架时,应考虑以下三种组合:(1) 组合一:全跨永久荷载+全跨可变荷载。
一由设计任务书可知:厂房总长为120m,柱距6m,跨度为24m,屋架端部高度为2m,车间内设有两台中级工作制吊车,该地区冬季最低温度为-22℃。
暂不考虑地震设防。
屋面采用1.5m×6.0m预应力大型屋面板,屋面坡度为i=1:10。
卷材防水层面(上铺120mm 泡沫混凝土保温层和三毡四油防水层)。
屋面活荷载标准值为0.7KN/㎡,雪荷载标准值为0.4KN/㎡,积灰荷载标准值为0.5KN/㎡。
屋架采用梯形钢屋架,钢屋架简支于钢筋混凝土柱上,混凝土强度等级C20.二选材:根据该地区温度及荷载性质,钢材采用Q235-C。
其设计强度为215KN/㎡,焊条采用E43型,手工焊接,构件采用钢板及热轧钢筋,构件与支撑的连接用M20普通螺栓。
屋架的计算跨度L。
=24000-2×150=23700,端部高度:h=2000mm(轴线处),h=2150(计算跨度处)。
三结构形式与布置:屋架形式及几何尺寸见图1所示:图1屋架支撑布置见图2所示:图2四荷载与内力计算:1.荷载计算:活荷载于雪荷载不会同时出现,故取两者较大的活荷载计算。
永久荷载标准值:防水层(三毡四油上铺小石子)0.35KN/㎡找平层(20mm厚水泥砂浆)0.02×20=0.40 KN/㎡保温层(40mm厚泡沫混凝土0.25 KN/㎡预应力混凝土大型屋面板 1.4 KN/㎡钢屋架和支撑自重0.12+0.011×24=0.384 KN/㎡总计:2.784 KN/㎡可变荷载标准值:雪荷载<屋面活荷载(取两者较大值)0.7KN/㎡积灰荷载0.5KN/㎡风载为吸力,起卸载作用,一般不予考虑。
总计:1.2 KN/㎡永久荷载设计值 1.2×2.784 KN/㎡=3.3408KN/㎡可变荷载设计值 1.4×1.2KN/㎡=1.68KN/㎡2.荷载组合:设计屋架时应考虑以下三种组合:组合一全跨永久荷载+全跨可变荷载屋架上弦荷载P=(3.3408KN/㎡+1.68KN/㎡) ×1.5×6=45.1872KN组合二全跨永久荷载+半跨可变荷载屋架上弦荷载P1=3.3408KN/㎡×1.5×6=30.07KNP2=1.68KN/㎡×1.5×6=15.12KN组合三全跨屋架及支撑自重+半跨大型屋面板自重+半跨屋面活荷载屋架上弦荷载P3=0.384KN/㎡×1.2×1.5×6=4.15KNP4=(1.4×1.2+0.7×1.4)×1.5×6=23.94KN3,内力计算:首先求出杆件内力系数,即单位荷载作用下的杆件内力,荷载布置如图3所示。